Next Article in Journal
Practically-Achievable Energy Savings with the Optimal Control of Stratified Water Heaters with Predicted Usage
Previous Article in Journal
Optimization and Influence of Micro-Chamfering on Oil Film Lubrication Characteristics of Slipper/Swashplate Interface within Axial Piston Pump
 
 
Font Type:
Arial Georgia Verdana
Font Size:
Aa Aa Aa
Line Spacing:
Column Width:
Background:
Review

Review of Specific Performance Parameters of Vertical Wind Turbine Rotors Based on the SAVONIUS Type

by
Scheaua Fanel Dorel
*,
Goanta Adrian Mihai
and
Dragan Nicusor
Machine Mechanics and Technological Equipments Research Center, Dunarea de Jos University of Galati, 800008 Galați, Romania
*
Author to whom correspondence should be addressed.
Energies 2021, 14(7), 1962; https://doi.org/10.3390/en14071962
Submission received: 17 February 2021 / Revised: 19 March 2021 / Accepted: 25 March 2021 / Published: 1 April 2021
(This article belongs to the Section A3: Wind, Wave and Tidal Energy)

Abstract

Increasing energy demand and environmental regulations around the world provide an adequate framework for developing methods of obtaining energy from renewable sources. Wind force is a resource with a high potential through which green energy can be obtained with no negative impact on the environment. Different turbine typologies have been developed, which can convert the wind force into mechanical and electrical energy through turbine rotational motion. Starting from the classic vertical-axis SAVONIUS rotor model, other models have been designed, which, according to the numerical studies and experimental test results, show higher performance parameters in operation. Such models present specific rotor blade geometries to achieve better operational results in terms of shaft torque and generated power. There are multiple research results from numerical analysis on virtual models or experimental tests that use rotor models in different constructive configurations aiming to improve operation performance. These research activities are related to the rotor blade number, the aspect and overlap ratio values, the blade profile geometry modification, the use of end plates connected to the rotor blades, curtain mounting solutions for directing the air flow on the active blade alone, and rotor constructive variants with deformable blades during operation. Some of the results obtained from the mentioned research activities are shown in this review for special rotor configurations whose performance results in terms of torque or power values are compared to the classical SAVONIUS model.

1. Introduction

Wind power has been used since ancient times by humans to obtain mechanical energy, but today wind energy is used to provide electricity where there are favorable conditions for power plant installation. The operation principle of these energy conversion plants is based on the rotor, with blades capable to take over the atmospheric air flow rates at a certain height level.
The horizontal-axis wind turbine (HAWT) with rotors operating on the lift type model offers better performance results in terms of torque and power. The vertical-axis wind turbine (VAWT) with drag-type rotor models provides lower performance values, but they benefit from constructive cost advantages, an easy starting possibility, and operation at lower wind velocities [1,2,3,4].
The SAVONIUS rotor type represents a simple constructive variant that can be achieved with low costs, characterized by lower power coefficient (CP) values compared to horizontal-axis rotor types [5,6,7,8]. By comparison, the horizontal-axis turbine’s rotor reaches 45% CP values, and the DARRIEUS vertical-axis rotor type reaches CP values up to 35%, whereas the classical SAVONIUS rotor with a 15% CP is located far behind but can compensate with other features related to its simple construction, low production cost, independence of wind direction, as well as good starting torque at low wind velocity values [9,10,11,12,13,14].
All these advantages encourage studies aimed at constructive and functional optimization that can ensure increased operation performance for this rotor type. To achieve this goal, multiple studies and research activities have been conducted in which researchers used both numerical [15,16,17,18,19,20,21,22,23] and experimental methods [24,25,26,27,28,29,30,31,32,33,34,35] to establish and improve the performance of rotor construction variants directed towards blade shape optimization or determination of the optimal rotor blade number [36,37,38,39]. Additionally, the studies aimed to establish the optimum values related to the aspect ratio [40,41,42,43], and the overlap ratio [44,45,46,47,48,49], and to change the performance parameters in the case of end plates [50], and curtains mounted to the rotor assembly [51,52,53,54,55], with the scope of directing the air stream to the active blade, thereby avoiding the negative moment values on the inactive blade.
The obtained result values from numerical and experimental work on different rotor models were compared with the classic SAVONIUS model results to identify the obtained performance increase for the respective constructive solution. All the presented research results were constituted as improved values for basic parameters of torque and power values for the analyzed rotor models, which makes them attractive in consideration of different low-power applications converting mechanical energy into electrical energy.
Vertical-axis wind turbines operating on the SAVONIUS principle are used today for water transport applications in agriculture, ventilation, low-power facilities, and other applications of rural agriculture. These constructive rotor solutions are also used within hydrokinetic turbine assembly to obtain energy by converting the mechanical motion at the rotor shaft [56,57,58,59].
The stated purpose of this study was to make a brief and concise presentation of the latest operation performance results of the rotor model operating on the SAVONIUS principle, constituted as improved values in terms of torque and power at the rotor shaft. Presented are the optimization aspects related to the rotor blade number, the aspect and overlap ratios for the blade geometry, the new developed models with modified geometry, the method of using directional curtain and end plate, as well as the possibility of changing the rotor blades geometry during operation.
The review study is organized as follows: Section 2 presents the general aspects related to the Betz limit as a maximum efficiency indicator for a wind turbine. Section 3 describes the main constructive and functional parameters for a vertical-axis wind turbine with the SAVONIUS rotor model. Section 4 provides information about the influence of blade number on rotor performance and analysis results for simple, double, and triple rotors. Section 5 presents results for the aspect ratio’s effect on rotor performance. Section 6 emphasize the effects of using the end plates attached to the rotor. Section 7 shows the overlap ratio’s effect on rotor performance. Section 8 presents the blade profile optimization and improved performance results in rotor operation. Section 9 highlights the improvement in rotor performance due to the curtaining method. Section 10 presents the ice wind rotor model and the performance results compared to the classic SAVONIUS model. Section 11 presents the performance values from a deformable blade turbine rotor model. Finally, concluding remarks are presented in Section 12.

2. The Betz Limit Considered for the Wind Turbine Operation

Specific performance parameters in terms of the torque coefficient (CT) or the power coefficient evaluate wind turbine operation. The maximum power coefficient values that can be obtained by a wind turbine were identified based on the wind velocity values considered before (upstream) and after the rotor blade area (downstream). The wind velocity after passing the turbine rotor is considered much lower, and in ideal conditions it should be at one third of the initial velocity. Decreasing the air circulation velocity would lead to a limitation of the turbine rotor efficiency due to the air flow braking, which continues to move after passing the turbine rotor. The air viscosity and pressure losses at the blade level as well as the turbulences created by the rotor blades were also considered. The wind turbine’s maximum efficiency value theory was presented by the German engineer Albert Betz in 1919 and is applicable to both horizontal- and vertical-axis turbines.
In Figure 1, the rotor and air enclosure are schematically presented with the diagram of upstream and downstream velocity modification [60].
The ideal wind turbine model that is placed within the air stream path, as shown in Figure 1, was considered. The turbine rotor area is S, and the air speed is v [60].
P i d e a l = 1 2 ρ a 8 9 S 1 v 1 3 = 1 2 ρ a 16 27 S v 1 3 = 16 54 ρ a S v 1 3
The maximum power value that can be converted from the air current with the help of a turbine rotor is the ratio 16 27 = 0.5925 = 59.25   % , which is the Betz limit or the Betz coefficient. Power values are obtained according to the rotor diameter square and the air circulation velocity cube. Under normal conditions, in which the losses inevitably occur in the turbine rotor operation, it is considered that 35–40% of the total available wind power is converted by the wind turbine rotor. It should be emphasized that any turbine rotor that is placed in the air stream path tends to change the downstream speed values, which means converting the wind energy to a certain value given by its constructive and functional principle. The maximum percentage energy conversion would mean stopping the air flow or zero downstream speed, which is not possible [60].

3. Constructive and Functional Parameters of the Vertical-Axis Rotor Model

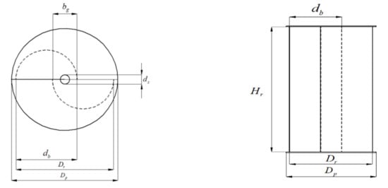
The SAVONIUS rotor constructive solution has two or more blades positioned along the central axis to take over part of the main air stream in which they are positioned. There are many blade types with different section shapes placed at a different distance from the rotor central axis, known as the blade gap. Figure 2 presents the principal design parameters for the SAVONIUS rotor model [61,62,63,64,65].
Table 1 presents the main constructive parameters with direct influence on the SAVONIUS vertical-axis rotor operation.
The functional parameters are represented by the total available wind power, (NW), the angular velocity provided at the rotor shaft, ω r , the ratio between the wind speed and the blade ration speed, (TSR), the rotor torque, T r , the air pressure coefficient (CP), the torque coefficient, and the power coefficient corresponding to each constructive type of turbine rotor used.
Table 2 presents these functional parameters characteristic of any type of turbine rotor with a vertical-axis as well as the characteristic relation for each parameter [61,62,63,64,65].
The power coefficient as it is presented by Ragheb M et al. is defined as the ratio between the amount of power converted by the wind turbine rotor P t relative to the available power within the air stream P a [61,62,63,64,65].
C P = P t P a = P t 1 2 ρ a π r v 3

4. The Influence of Blade Number on Rotor Performance

The rotor blade number has an influence in obtaining the specific performance parameters at different wind speeds. Regarding the optimum rotor blade number, numerous studies have been made, and their results indicate that the two-blade rotor has the best values in terms of torque and power coefficients compared to the three-blade rotor, as shown by the results obtained by M. Ali who performed wind tunnel experiments on rotor models in different blade number configurations [66].
The obtained results for the two rotor models with two and three blades in terms of torque and power coefficients depending on the TSR are presented. The wind velocity values inside the wind tunnel were measured in the range of 2–6 m/s. The blades of semicircular shape with a diameter of 100 mm and a height of 200 mm were mounted in a configuration of two and three blades, being fixed with end plates at both ends with a diameter of 210 mm and a thickness of 1.59 mm [66].
The torque and power coefficient results are presented in Figure 3 and Figure 4.
Comparable results regarding the SAVONIUS rotor performance have also been presented by U.K Saha et al. They studied the rotor behavior with two and three blades of semicircular and elliptical shapes at different air velocities (6–11 m/s) within the wind tunnel to highlight the differences in operation. The values obtained are presented in terms of CP for rotor models in single, double, and triple configurations of the rotor (Figure 5) [67,68,69,70,71].
The obtained results are presented in Table 3 for each analyzed case.
Additionally, with the idea of optimizing the rotor performance, U.K Saha et al. presented a solution to improve the initial configuration of the experimentally tested model by including valves at the rotor blades that allow air flow on the idle blade, with the aim of reducing negative torque values. This system was tested on the three-blade rotor model, and the results indicate an increase in CP just above the level recorded by the two-blade model, regardless of whether the blade shape was semicircular or elliptical. The obtained values are presented in Table 4.
The performance of the single and double stage rotor was also studied by Mahmoud et al., and experiments were performed on the two-blade rotor with an overlap ratio of 0. The obtained results emphasize the specific power values at the rotor blade depending on the wind velocity (Figure 6) [72].
Rotor models with different numbers of blades were also analyzed by Wenehenubun et al. who carried out experimental research on SAVONIUS rotor models with two, three, and four blades (Figure 7) built with an overlap ratio of 0.15, an aspect ratio of 1, and end plates whose diameter exceeded the rotor blades’ diameter by 10% [73]. The rotor diameter and height were 370 mm, and the blades’ thickness was 2 mm. The experiments were performed in the wind tunnel with wind speeds in the range of 1–10 m/s.
According to the experimental results obtained, the four-blade rotor had the highest CP value at a TSR of 0.37 or wind speed of 6 m/s. After this value, the four-blade rotor had a decreasing rotational speed, which affected its energy efficiency. The three-blade rotor had better performance than the four-blade rotor at wind speeds between 7 and 10 m/s, an interval in which it recorded better power values than the analyzed models [73].

5. Aspect Ratio Effect on Rotor Performance

The SAVONIUS rotor performance is significantly influenced by the ratio between the rotor height and the diameter or aspect ratio. Experimental results obtained from testing rotor models with different aspect ratio values are presented.
Mahmoud et al. experimentally tested rotor models with different geometries in terms of aspect ratio with values of 0.5, 1, 2, 4, and 5, with and without end plates mounted. The experiments were performed in a wind tunnel with a diameter of 49 cm at air speeds in the range of 0–13 m/s measured at the tunnel exit. The rotor blades were made of plastic (PVC) with diameters of 0.08, 0.1, 0.2, and 0.3 m, and the attached end plates were made of 2.5 mm thick wood with a 10% larger diameter than the rotor diameter [72]. The presented experimental results obtained for different rotor aspect ratios showed an increase in CP values with increasing aspect ratio values (Figure 8).

6. Effects of Using the End Plates Attached to the Rotor

The experiments carried out by Mahmoud et al. also aimed at the effect given by the end plates mounted on the wind turbine’s rotor. The results obtained are better in terms of the CP for the rotor with mounted end plates, justified by the fact that the end plates’ presence has the role of increasing the air volume that presses directly on the active rotor blade (Figure 9) [72].
The obtained results are presented for the rotor with two blades in the version with end plates and without end plates. The differences were obvious in terms of the mechanical power recorded at the rotor shaft depending on different values of air flow used in the experiment.

7. Overlap Ratio Effect on Rotor Performance

In the operation of the SAVONIUS vertical-axis turbine rotor, the overlap ratio is a parameter that has an influence on the rotor’s operating performance values, according to the experimental results obtained by various researchers. The overlap ratio is a parameter expressed according to the value of the blade diameter, the diameter of the rotor shaft, as well as the distance of the blade placement within the rotor.
β = e b d s d b
Mahmoud et al. highlighted the overlap ratio effect on the rotor in experiments performed for different overlap ratio values ranged between 0 and 0.35. Five different overlap ratio values were used on a two-blade rotor model. These values were 0, 0.2, 0.25, 0.3, and 0.35. The obtained results are presented, highlighting the higher mechanical power values recorded at the rotor shaft in the case of lower values of the overlap ratio on different air flow velocity values (Figure 10) [72].

8. Blade Profile Optimization for Improved Performance in Operation

Starting from the classic SAVONIUS model, whose blades are of semicircular profile, many research activities have been carried out to obtain improved performance values for different innovative blade profile concepts. Such experimental activities were performed by Roy and Saha [68,69,70,71], who analyzed the SAVONIUS model with semicircular blades, a model with semi-elliptical blades, the Benesh model [74,75,76,77,78,79,80,81], the modified Bach model [82,83,84], as well as a newly proposed variant with the idea of comparing the results obtained by each rotor model separately. The schematic presentation of the analyzed rotor models is presented in Figure 11.
The experiments were performed for several values of the Reynolds number (Re) in the range of Re = 6 × 10 4 ÷ 1.5 × 10 5 , starting with a wind velocity value of 6 m/s to determine the torque, power, and static torque coefficients at the analyzed rotor model level.
The results show the specific values recorded, highlighting the functional characteristics for each type of rotor. The best results were obtained by the rotor model proposed by Roy and Saha, which obtained the best values in terms of the power coefficient at different tip speed ratio values as a function of the Reynolds number (Figure 12). It was followed by the Bach modified model and the Benesh model.
The lower values were obtained by the semi-elliptic model and the classic SAVONIUS model. The TSR values where the CP results are obtained for each model as function of the Reynolds number can be observed.
Alaimo et al. (2013) proposed an innovative model of a slotted blade rotor, for which parametric analyses for the fixed overlap ratio were performed by changing the slots’ positions (Figure 13) [85]. The results showed that for the slots positioned near the blade root the rotor had better performance at low tip speed ratios and offered a higher starting torque value (Figure 13).
The special profile with slotted blades can provide operation performance improvement compared with the classical blade profile in a standard configuration registered at a low rotational motion (Figure 14).

9. Rotor Performance Improvement Using Curtaining Method

Altan et al. brought performance improvements by modifying the rotor assembly, which was materialized by adding a curtain that aims to close the area corresponding to the inactive blade to avoid the negative torque that acts towards stopping the rotor in operation (Figure 15) [86]. The rotor of different curtain placement configurations was tested in the wind tunnel and the performances were compared to those of a conventional rotor. Based on the obtained results, the power coefficient increased by approximately 38.5% because of the optimal installation of the rotor curtain, corresponding to the angles α = 45 ° ;   β = 15 ° (Figure 15) [86].
The curtain installation ensures the best rotor performance values only in case of lower wind speeds, and, for the experimental results, this was highlighted at wind values of 7 m/s Re = 1.5 10 5 . For higher wind speeds of 10 to 13 m/s, no improved values in the rotor’s energy performance were recorded. The CP value of 38% represents an optimized value, and, for the same rotor type (classic SAVONIUS) without a curtain, the CP value of 16% was obtained. Thus, the curtain’s role for obtaining higher CP values justified by airflow capture area enhancement was approximately two times higher than in the classic rotor construction. This offers the active rotor blade the possibility to receive considerably higher air flow rates, thus obtaining improved pressure values on the active rotor blade.
The experimental research was initially performed on the rotor model without a curtain, then three types of curtains were tested with walls of a small length (curtain one), an intermediate length (curtain two), and the longest length (curtain three). The obtained results highlight the advantage of using curtains to direct the air flow rates on the active blade, through the higher power coefficient values obtained (Figure 16) [86].

10. The Performance of an Ice Wind Turbine Rotor Compared to the Classic SAVONIUS Model

An innovative rotor model was presented by a startup in Iceland in 2012. It represents a SAVONIUS -type rotor model modified in terms of blade geometry (Figure 17).
Research on this model had been started to establish the efficiency of this innovative geometric shape rotor type. Using numerical methods, Aymane et al. showed that the three-blade Ice Wind rotor achieves better results in terms of shaft torque, depending on the rotor blades’ orientation. Thus, for the ice wind rotor with a blade orientation of 30 degrees, a value of 0.035 Nm was registered, whereas for the classic SAVONIUS model, a value of 0.012 Nm was obtained for 5 m/s wind velocity [87,88]. Analyzing the second position of the rotor (90 degrees), the results were 0.34 Nm for the ice wind rotor and 0.15 for the classic SAVONIUS model. Figure 18 presents the angular rotor positions according to wind direction.
Going further to experimental testing in the wind tunnel, the ice wind model and the SAVONIUS Classic model were analyzed. Aspects related to the construction of the two rotor models are presented with the observation that the ice wind model was easier to achieve than the SAVONIUS model. The final weight of the two experimental models was 1035.55 g for the ice wind model and 936.6 g for the SAVONIUS model. The tests were performed at wind speeds of 2, 3, and 4 m/s, and the results are presented in terms of torque values (Table 5) [87].
The results obtained show that the ice wind rotor model generated 19% more torque compared to the classic SAVONIUS model for the same material type and the same blade surface area [87]. Based on the torque values (Figure 19), the power coefficient values of the two rotor models can be calculated according to the wind speed. Calculations were made for hypothetical aluminum rotor models and models used in the experiment.
The CP values corresponding to the rotor models with aluminum blades are presented in Table 6, while the graphical representation is shown in Figure 20.
The average power coefficient values were 34.26% for ice wind rotor and 26.68% for the classic SAVONIUS rotor [87]. For the rotor models used in the experiment, the power coefficient values are presented in Table 7, and the graphical diagram is presented in Figure 21.
The average power coefficient values were 0.44% for the ice wind model and 0.34% for the classic SAVONIUS model [87]. There were obvious large differences between the hypothetical aluminum models and those used in the experiment, which induces the idea of inaccuracy in obtained results. The CP ratio is what is interesting in this case, and here the authors concluded that the ice wind model was 28.4% more efficient than the classic SAVONIUS model for the same type of material and the same blade surface area.
The results obtained by Mansour et al. from numerical analyses performed with ANSYS Fluent on 3D models of the ice wind and the classic SAVONIUS rotor also highlight the better values obtained by the ice wind model at higher wind speeds (15.8 m/s), obtaining static torque values of 0.055 (ice wind rotor) and 0.052 (SAVONIUS rotor) [87].

11. Performance Aspects of a Deformable Blade Turbine Rotor Model

An innovative perspective regarding the rotor construction solution, which introduces a blade-variable geometry during operation, has been presented by Sobczak et al. [89]. The turbine model was based on the SAVONIUS concept with blade-variable geometry (Figure 22). The rotor blades made of elastic material were continuously deformed during the rotor revolution to increase the advancing blade positive torque and to decrease the returning blade negative torque value. By means of numerical analyses performed on a virtual model, the power coefficient values recorded for the maximum values of the blade deformation during rotor operation are presented.
Numerical analysis on the virtual rotor model shows the results in terms of a power coefficient value over 0.30 registered for the 10% eccentricity magnitude and 0.39 for the highest magnitude value. The obtained results correspond to a 90% improvement in comparison to a 0.21 CP for the classical SAVONIUS profile [89]. The main rotor movement angular positions and blade deformation in relation to wind direction and eccentricity are shown in Figure 23.
For the rotor model with deformable blades, ANSYS workbench platform was used to perform transient numerical analyses both for structural analysis and for ANSYS Fluent for air flow. The analysis was performed for the deformable blade model compared to the non-deformable blade, classic SAVONIUS, model. The eccentricity values of the analyzed models were 50 mm (5%), 100 mm (10%), and 150 mm (15%), and different angular positions of the eccentricity line with respect to wind direction were analyzed. The improved power coefficient values for the 45–180-degree range can be observed (Figure 24), starting from the zero position and following the wind movement direction.
The optimal eccentricity position was the 105-degree area for all eccentricity values. The obtained power coefficient values for both rotor model types are presented in Table 8.
The obtained values provide an increase of 37%, 66%, and 90% compared with the classical SAVONIUS model. The disadvantages of misaligning the rotor eccentricity were also highlighted. For this rotor model, a mechanism for positioning the rotor in relation to the wind direction action must be considered as the key factor in the optimal operation of this rotor type.
A special rotor blade configuration method is meant to increase the rotor efficiency by adjusting the blade radius being obtained with an increase in rotor efficiency by about 18% according to the results obtained by 2D numerical analysis [90,91].
The air circulation velocity was the key parameter in the operation of these devices and must be considered with the upstream, inside, and downstream conditions to obtain optimum performance results. Thus, the numerical studies performed highlight the main flow patterns in the rotor vicinity area meant to establish exactly the working conditions in which this type of rotor must operate [92,93,94,95,96]. A novel model of wind turbine was presented by Doerffer et al. with a constructive solution involving twin rotors showing an efficiency of above 20% corresponding to wind velocity [97]. Following the operating performance increase, the twisted blade rotor model was analyzed, and the results show an improved performance of 20–25% at the optimal TSR compared to the conventional SAVONIUS rotor [98,99].
Regarding the placement of wind turbines with the SAVONIUS improved rotor, the possibilities of mounting on the structure of buildings was analyzed to capitalize the existing air stream at a certain elevation. Most studies revealed that the air stream behavior around a building at the upper edge is of great wind energy potential. The effect is even more intense when the building is taller and when the wind direction is perpendicular to the building facade. For example, in a five-story building, the wind velocity increases by 1.2 times at the windward edge. The wind velocity increment at the building edge is ranged between 10–30%, while the turbulence intensity increases considerably. This fact is not an inconvenience for SAVONIUS turbines, since it has been demonstrated that, at increased turbulence, the separation of the boundary layer takes place on the lower side of the rotor-returning blade, thereby reducing the negative torque.
High turbulent flow areas create more frequent and stronger air stream fluctuations, but, because of a long SAVONIUS rotor (high aspect ratio), the inertial rotation can be maintained for the turbine without relevant variations. Additionally, it has been demonstrated that, because of blade tips, aerodynamic losses are reduced in SAVONIUS turbines with high aspect ratios [100].
For the building edge mounting position of the turbine, the wind angle has been emphasized as the most significant parameter influencing rotor performance. Smaller turbine gap values also improve turbine performance [101].

12. Conclusions

Starting from the SAVONIUS rotor model, multiple improvements have been made over time that ensure an efficient operation of the latest generation of rotor models with performance values that can be considered for energy production based on wind force in smaller units of low power.
The analysis of the experimental results obtained by various research teams in the last period highlights the characteristics that an innovative rotor model can have, built in terms of the knowledge acquired from the obtained results.
The main features that should be considered are related to the fact that:
  • the two-blade rotor has the best values in terms of coefficients of torque and power, compared to the three-blade rotor;
  • good results in terms of the power coefficient were registered by a rotor with four blades (0.37 CP) but for wind velocities of 6 m/s. After this value, the rotational speed was reduced, which affects its energy efficiency;
  • regarding the rotor constructive configuration, better results in terms of the power coefficient were obtained by the double rotor having the semicircular blade profile (0.29 CP) and the twisted angle (12.5 degrees) blade profile with 0.31 CP. The double rotor with valves added presented CP values of 0.31 for the semicircular blade profile and 0.32 for the twisted angle blade profile;
  • regarding the rotor aspect ratio based on the experimental obtained results, it is clear that there is an increase in the CP for higher aspect ratio values;
  • better results are obtained in terms of the CP from the experimental work for two-bladed rotors with mounted end plates, ensuring the effect of increasing the air volume acting directly on the rotor active blade;
  • the overlap ratio also influenced rotor performance based on the obtained results, highlighting the better power values obtained for tested rotor models with a lower overlap ratio;
  • regarding the blade profile, the obtained results from the experiments made by Roy and Saha found that an innovative blade profile obtained better power coefficient values compared with the Bach modified profile, the Benesh profile, the semi-elliptic model, and the SAVONIUS model;
  • a curtain construction solution, which added a curtain to the rotor assembly, gave an improvement in rotor performance. With this solution, the rotor acquired an improvement in the power coefficient up to 38.5% for optimal installation and a wind velocity of 7 m/s. This curtain solution can be used for wind velocities up to 13 m/s. After this value, the performance parameter improvement is no longer available.
  • the improved rotor geometry of the ice wind type offered improved behavior in terms of the static torque and the power coefficient compared to the classic SAVONIUS model.
  • an innovative rotor model with deformable blades proposed by Sobczak et al. showed improved performance values in terms of the power coefficient, which exceeded 0.3 and almost reached 0.4 for the highest eccentricity position. This concept needs an additional mechanism for blade deformation and wind direction positioning, which can consume a part of the turbine-provided energy;
  • the use of SAVONIUS -type turbines may be applicable to buildings located within urban areas to convert wind energy.

Author Contributions

Investigation, S.F.D.; resources, S.F.D.; writing—original draft preparation, G.A.M.; writing—review and editing, S.F.D.; visualization, D.N. All authors have read and agreed to the published version of the manuscript.

Funding

This research received no external funding.

Institutional Review Board Statement

Not applicable.

Informed Consent Statement

Not applicable.

Conflicts of Interest

The authors declare no conflict of interest.

References

  1. Roy, S.; Saha, U.K. Review on the numerical investigations into the design and development of SAVONIUS wind rotors. Renew. Sustain. Energy Rev. 2013, 24, 73–83. [Google Scholar] [CrossRef]
  2. Kang, C.; Liu, H.; Yang, X. Review of fluid dynamics aspects of SAVONIUS -rotor-based vertical-axis wind rotors. Renew. Sustain. Energy Rev. 2014, 33, 499–508. [Google Scholar] [CrossRef]
  3. Tang, Z.P.; Yao, Y.X.; Zhou, L.; Yu, B.W. A Review on the New Structure of SAVONIUS Wind Turbines. Adv. Mater. Res. 2012, 608, 467–478. [Google Scholar] [CrossRef]
  4. Golecha, K.; Kamoji, M.A.; Kedare, S.B.; Prabhu, S.V. Review on SAVONIUS Rotor for Harnessing Wind Energy. Wind Eng. 2012, 36, 605–645. [Google Scholar] [CrossRef]
  5. Al-Ghriybah, M.; Zulkafli, M.F.; Didane, D.H.; Mohd, S. Review of the recent power augmentation techniques for the SAVONIUS wind turbines. J. Adv. Res. Fluid Mech. Ther. Sci. 2019, 60, 71–84. [Google Scholar]
  6. Doso, O.; Gao, S. A short review on SAVONIUS rotor. Proc. Adv. Mater. Eng. Technol. 2020, 2273, 050036. [Google Scholar] [CrossRef]
  7. Maldar, N.R.; Ng, C.Y.; Oguz, E. A review of the optimization studies for SAVONIUS turbine considering hydrokinetic applications. Energy Convers. Manag. 2020, 226, 113495. [Google Scholar] [CrossRef]
  8. Dhoble, L.N.; Mahalle, A.K. CFD Analysis of SAVONIUS Vertical Axis Wind Turbine: A Review. Int. Res. J. Eng. Technol. 2016, 3, 958–962. [Google Scholar]
  9. Kamoji, M.; Kedare, S.; Prabhu, S. Experimental investigations on single stage modified SAVONIUS rotor. Appl. Energy 2009, 86, 1064–1073. [Google Scholar] [CrossRef]
  10. Volintiru, O.N.; Scurtu, I.C.; Stefănescu, T.M. Modeling and optimization of HVAC system for special ships. J. Phys. Conf. Ser. 2018, 1122, 012004. [Google Scholar] [CrossRef]
  11. Scurtu, I.C.; Panaitescu, V.N. Turbulent Flow Numerical Simulation for Unconventional Propulsion. Rev. Chim. 2019, 70, 3508–3511. [Google Scholar] [CrossRef]
  12. Scurtu, I.-C.; Oncica, V. Combined CFX and Structural Simulation for Bow Thrusters Loading under Operating Conditions. J. Phys. Conf. Ser. 2018, 1122, 012024. [Google Scholar] [CrossRef]
  13. Messaoudi, K.; Bouafia, F.; Benkhenafou, F.; Douadji, L.; Du, W.W. Study of the Residual Stresses Variation into the Sandwich Structure Subjected to Thermomechanical Loading. Solid State Phenom. 2018, 279, 113–118. [Google Scholar] [CrossRef]
  14. Zhang, B.; Song, B.; Mao, Z.; Tian, W.; Li, B.; Li, B. A Novel Parametric Modeling Method and Optimal Design for SAVONIUS Wind Turbines. Energies 2017, 10, 301. [Google Scholar] [CrossRef]
  15. Delbari, S.H.; Nejat, A.; Ahmadi, M.H.; Khaleghi, A.; Goodarzi, M. Numerical modeling of aeroacoustic characteristics of different SAVONIUS blade profiles. Int. J. Numer. Methods Heat Fluid Flow 2019, 30, 3349–3369. [Google Scholar] [CrossRef]
  16. Saeed, H.A.H.; Elmekawy, A.M.N.; Kassab, S.Z. Numerical study of improving SAVONIUS turbine power coefficient by various blade shapes. Alex. Eng. J. 2019, 58, 429–441. [Google Scholar] [CrossRef]
  17. Pourhoseinian, M.; Sharifian, S.; Asasian-Kolur, N. Unsteady-state numerical analysis of advanced SAVONIUS wind turbine. Energy Sources Part A Recover. Util. Environ. Eff. 2020, 1–16. [Google Scholar] [CrossRef]
  18. Ramarajan, J.; Jayavel, S. Numerical study of the effect of geometry and operating parameters on the performance of SAVONIUS vertical axis wind turbine. Curr. Sci. 2020, 119, 00113891. [Google Scholar]
  19. Ahmed, W.U.; Zahed, M.J.H.; Rahman, M.A.; Mamun, M. Numerical study of two and three bladed SAVONIUS wind turbine. In Proceedings of the 2nd International Conference on Green Energy and Technology, Dhaka, Bangladesh, 5–6 September 2014; pp. 36–40. [Google Scholar]
  20. Marinić-Kragić, I.; Vučina, D.; Milas, Z. Concept of flexible vertical-axis wind turbine with numerical simulation and shape optimization. Energy 2019, 167, 841–852. [Google Scholar] [CrossRef]
  21. Wang, Y.; Sun, X.; Dong, X.; Zhu, B.; Huang, D.; Zheng, Z. Numerical investigation on aerodynamic performance of a novel vertical axis wind turbine with adaptive blades. Energy Convers. Manag. 2016, 108, 275–286. [Google Scholar] [CrossRef]
  22. Ebrahimpour, M.; Shafaghat, R.; Alamian, R.; Shadloo, M.S. Numerical Investigation of the SAVONIUS Vertical Axis Wind Turbine and Evaluation of the Effect of the Overlap Parameter in Both Horizontal and Vertical Directions on Its Performance. Symmetry 2019, 11, 821. [Google Scholar] [CrossRef]
  23. Mishra, N.; Jain, A.; Nair, A.; Khanna, B.; Mitra, S. Numerical and Experimental Investigations on a Dimpled SAVONIUS Vertical Axis Wind Turbine. Int. J. Renew. Energy Res. 2020, 10, 646–653. [Google Scholar]
  24. Grönman, A.; Tiainen, J.; Jaatinen-Värri, A. Experimental and analytical analysis of vaned SAVONIUS turbine performance under different operating conditions. Appl. Energy 2019, 250, 864–872. [Google Scholar] [CrossRef]
  25. He, D.; Bai, H.; Chan, C.; Li, K. Performance-based Optimizations on SAVONIUS -type Vertical-axis Wind Turbines using Genetic Algorithm. Energy Procedia 2019, 158, 643–648. [Google Scholar] [CrossRef]
  26. Hassanzadeh, R.; Mohammadnejad, M.; Mostafavi, S. Comparison of Various Blade Profiles in a Two-Blade Conventional SAVONIUS Wind Turbine. J. Energy Resour. Technol. 2020, 143. [Google Scholar] [CrossRef]
  27. Dhamotharan, V.; Jadhav, P.D.; Ramu, P.; Prakash, A.K. Optimal design of SAVONIUS wind turbines using ensemble of surrogates and CFD analysis. Struct. Multidiscip. Optim. 2018, 58, 2711–2726. [Google Scholar] [CrossRef]
  28. El-Askary, W.; Saad, A.S.; Abdelsalam, A.M.; Sakr, I. Experimental and Theoretical Studies for Improving the Performance of a Modified Shape SAVONIUS Wind Turbine. J. Energy Resour. Technol. 2020, 142, 1–23. [Google Scholar] [CrossRef]
  29. Kamoji, M.A.; Kedare, S.B.; Prabhu, S.V. Experimental Investigations on Two and Three Stage Modified SAVONIUS Rotor. Wind Eng. 2011, 35, 483–509. [Google Scholar] [CrossRef]
  30. Lillahulhaq, Z.; Djanali, V.S. Unsteady simulations of SAVONIUS and Ice Wind turbine blade design using fluid-structure interaction method. AIP Conf. Proc. 2019, 2187, 020009. [Google Scholar]
  31. Mohamed, M.; Janiga, G.; Pap, E.; Thévenin, D. Optimization of SAVONIUS turbines using an obstacle shielding the returning blade. Renew. Energy 2010, 35, 2618–2626. [Google Scholar] [CrossRef]
  32. Antar, E.; ElKhoury, M. Casing optimization of a SAVONIUS wind turbine. Energy Rep. 2020, 6, 184–189. [Google Scholar] [CrossRef]
  33. Scurtu, I.C.; Clinci, C.; Popa, A. Water interference effect on ship due to square shaped object shielding. IOP Conf. Ser. Earth Environ. Sci. 2018, 172, 012030. [Google Scholar] [CrossRef]
  34. Zhao, D.; Han, N. Optimizing overall energy harvesting performances of miniature SAVONIUS -like wind harvesters. Energy Convers. Manag. 2018, 178, 311–321. [Google Scholar] [CrossRef]
  35. Yuwono, T.; Sakti, G.; Aulia, F.N.; Wijaya, A.C. Improving the performance of SAVONIUS wind turbine by installation of a circular cylinder upstream of returning turbine blade. Alex. Eng. J. 2020, 59, 4923–4932. [Google Scholar] [CrossRef]
  36. Kumar, R.S.; Premkumar, T.M.; Seralathan, S.; Xavier, D.D.; Elumalai, E.; Hariram, V.; Sabapathi, S. Simulation studies on influence of shape and number of blades on the performance of vertical axis wind turbine. Mater. Today Proc. 2020, 33, 3616–3620. [Google Scholar] [CrossRef]
  37. Alit, I.B.; Sutanto, R.; Mara, I.M.; Mirmanto, M. Effect of Concentrator, Blade Diameter and Blade Number on the SAVONIUS Wind Turbine Performance. Asian J. Appl. Sci. 2017, 5. [Google Scholar] [CrossRef]
  38. Gumilar, L.; Kusumawardana, A.; Habibi, M.A.; Afandi, A.N.; Prihanto, D.; Aji, A.F. Performance Analysis of Vertical Wind Turbine Type SAVONIUS -L Based on Wind Speed, Rotation Speed, and Number of Blades. In Proceedings of the 2019 International Seminar on Application for Technology of Information and Communication (iSemantic), Semarang, Indonesia, 21–22 September 2019; pp. 383–388. [Google Scholar]
  39. Zhao, T.; Zhang, X.; Zheng, M. Blade number effect on the optimal energy efficiency for a modified SAVONIUS rotor. Proc. Inst. Civ. Eng. Energy 2020, 173, 101–108. [Google Scholar] [CrossRef]
  40. Roy, S.; Saha, U.K. Investigations on the Effect of Aspect Ratio into the Performance of SAVONIUS Rotors. In Proceedings of the ASME 2013 Gas Turbine India Conference, Bangalore, India, 5–6 December 2013; Volume 35161, p. 107002. [Google Scholar]
  41. Jaohindy, P.; McTavish, S.; Garde, F.; Bastide, A. An analysis of the transient forces acting on SAVONIUS rotors with different aspect ratios. Renew. Energy 2013, 55, 286–295. [Google Scholar] [CrossRef]
  42. Patel, V.; Bhat, G.; Eldho, T.I.; Prabhu, S.V. Influence of overlap ratio and aspect ratio on the performance of SAVONIUS hydrokinetic turbine. Int. J. Energy Res. 2017, 41, 829–844. [Google Scholar] [CrossRef]
  43. Sobczak, K. Numerical investigations of an influence of the aspect ratio on the SAVONIUS rotor performance. J. Phys. Conf. Ser. 2018, 1101, 012034. [Google Scholar] [CrossRef]
  44. Alom, N.; Saha, U.K. Arriving at the Optimum Overlap Ratio for an Elliptical-Bladed SAVONIUS Rotor. In Proceedings of the ASME Turbo Expo 2017: Turbomachinery Technical Conference and Exposition, Charlotte, NC, USA, 26–30 June 2017; Volume 2A. [Google Scholar]
  45. Hassanzadeh, R.; Mohammadnejad, M. Effects of inward and outward overlap ratios on the two-blade SAVONIUS type of vertical axis wind turbine performance. Int. J. Green Energy 2019, 16, 1485–1496. [Google Scholar] [CrossRef]
  46. KaCPrzak, K.; Sobczak, K. Computational assessment of the influence of the overlap ratio on the power characteristics of a Classical SAVONIUS wind turbine. Open Eng. 2015, 5. [Google Scholar] [CrossRef]
  47. Akwa, J.V.; Júnior, G.A.D.S.; Petry, A.P. Discussion on the verification of the overlap ratio influence on performance coefficients of a SAVONIUS wind rotor using computational fluid dynamics. Renew. Energy 2012, 38, 141–149. [Google Scholar] [CrossRef]
  48. Jian, C.; Kumbernuss, J.; Linhua, Z.; Lin, L.; Hongxing, Y. Influence of Phase-Shift and Overlap Ratio on SAVONIUS Wind Turbine’s Performance. J. Sol. Energy Eng. 2011, 134, 011016. [Google Scholar] [CrossRef]
  49. Kamoji, M.A.; Kedare, S.B.; Prabhu, S.V. Experimental Investigations on the Effect of Overlap Ratio and Blade Edge Conditions on the Performance of Conventional SAVONIUS Rotor. Wind Eng. 2008, 32, 163–178. [Google Scholar] [CrossRef]
  50. Alom, N.; Kumar, N.; Saha, U.K. Analyzing the Effect of Shaft and End-Plates of a Newly Developed Elliptical-Bladed SAVONIUS Rotor From Wind Tunnel Tests. In Proceedings of the ASME 2019 38th International Conference on Ocean, Offshore and Arctic Engineering, Glasgow, UK, 9–14 June 2019; Volume 10. [Google Scholar]
  51. Altan, B.D.; Atılgan, M. The use of a curtain design to increase the performance level of a SAVONIUS wind rotors. Renew. Energy 2010, 35, 821–829. [Google Scholar] [CrossRef]
  52. Altan, B.D.; Atılgan, M. An experimental and numerical study on the improvement of the performance of SAVONIUS wind rotor. Energy Convers. Manag. 2008, 49, 3425–3432. [Google Scholar] [CrossRef]
  53. Putri, N.P.; Yuwono, T.; Rustam, J.; Purwanto, P.; Bangga, G. Experimental studies on the effect of obstacle upstream of a SAVONIUS wind turbine. SN Appl. Sci. 2019, 1, 1216. [Google Scholar] [CrossRef]
  54. Tartuferi, M.; D’Alessandro, V.; Montelpare, S.; Ricci, R. Enhancement of SAVONIUS wind rotor aerodynamic performance: A computational study of new blade shapes and curtain systems. Energy 2015, 79, 371–384. [Google Scholar] [CrossRef]
  55. Yuwono, T.; Latip, A.; Putri, N.P.; Ubaidillah, M.; Mazhilna, E.N.; Ariyanto, C.; Dwiyantoro, B.A. (2018, July). The effect of width of single curtain on the performance of SAVONIUS wind turbine. AIP Conf. Proc. 2018, 1983, 020023. [Google Scholar]
  56. Prabowoputra, D.M.; Prabowo, A.R.; Hadi, S.; Sohn, J.M. Assessment of turbine stages and blade numbers on modified 3D SAVONIUS hydrokinetic turbine performance using CFD analysis. Multidiscip. Model. Mater. Struct. 2020, 17, 253–272. [Google Scholar] [CrossRef]
  57. Doso, O.; Gao, S. Application of SAVONIUS Rotor for Hydrokinetic Power Generation. J. Energy Resour. Technol. 2019, 142. [Google Scholar] [CrossRef]
  58. Anthony, A.Z.; Roy, S. Performance analysis of a modified SAVONIUS hydrokinetic turbine blade for rural application. IOP Conf. Ser. Mater. Sci. Eng. 2020, 943, 012034. [Google Scholar] [CrossRef]
  59. Patel, V.; Patel, R. Energy Extraction Using Modified SAVONIUS Rotor from FREE-Flowing Water; Elsevier: Amsterdam, The Netherlands, 2021. [Google Scholar]
  60. Ragheb, M.; Ragheb, A.M. Wind turbines theory-the Betz equation and optimal rotor tip speed ratio. Fundam. Adv. Topics Wind Power 2011, 1, 19–38. [Google Scholar]
  61. Zemamou, M.; Aggour, M.; Toumi, A. Review of SAVONIUS wind turbine design and performance. Energy Procedia 2017, 141, 383–388. [Google Scholar] [CrossRef]
  62. Shaheen, M.; Abdallah, S. Development of efficient vertical axis wind turbine clustered farms. Renew. Sustain. Energy Rev. 2016, 63, 237–244. [Google Scholar]
  63. Scheaua, F.D. Study on Vertical Axis Wind Turbine Performance Based on Improved SAVONIUS Rotor Type. J. Ind. Des. Eng. Graph. 2020, 15, 4–8. [Google Scholar]
  64. Scheaua, F.D. Comparative Numerical Analysis on Vertical Wind Turbine Rotor Pattern of Bach and Benesh Type. Energies 2020, 13, 2311. [Google Scholar] [CrossRef]
  65. Scheaua, F.D. Wind energy conversion within agricultural farm using vertical axis turbines of optimized SAVONIUS type. In Proceedings of the IOP Conference Series: Earth and Environmental Science, Bucharest, Romania, 16–18 October 2020; Volume 635, p. 012015. [Google Scholar]
  66. Ali, M.H. Experimental comparison study for SAVONIUS wind turbine of two & three blades at low wind speed. Int. J. Mod. Eng. Res. 2013, 3, 2978–2986. [Google Scholar]
  67. Saha, U.; Thotla, S.; Maity, D. Optimum design configuration of SAVONIUS rotor through wind tunnel experiments. J. Wind Eng. Ind. Aerodyn. 2008, 96, 1359–1375. [Google Scholar] [CrossRef]
  68. Roy, S.; Saha, U.K. Wind tunnel experiments of a newly developed two-bladed SAVONIUS -style wind turbine. Appl. Energy 2015, 137, 117–125. [Google Scholar] [CrossRef]
  69. Roy, S.; Saha, U.K. Numerical Investigation to Assess an Optimal Blade Profile for the Drag Based Vertical Axis Wind Turbine. In Proceedings of the ASME 2013 International Mechanical Engineering Congress and Exposition, San Diego, CA, USA, 15–21 November 2013; Volume 56284, p. 607084. [Google Scholar]
  70. Roy, S.; Mukherjee, P.K.; Saha, U.K. Aerodynamic Performance Evaluation of a Novel SAVONIUS -Style Wind Turbine under an Oriented Jet. In Proceedings of the ASME 2014 Gas Turbine India Conference, New Delhi, India, 15–17 December 2014. [Google Scholar]
  71. Roy, S.; Ducoin, A. Unsteady analysis on the instantaneous forces and moment arms acting on a novel SAVONIUS -style wind turbine. Energy Convers. Manag. 2016, 121, 281–296. [Google Scholar] [CrossRef]
  72. Mahmoud, N.; El-Haroun, A.; Wahba, E.; Nasef, M. An experimental study on improvement of SAVONIUS rotor performance. Alex. Eng. J. 2012, 51, 19–25. [Google Scholar] [CrossRef]
  73. Wenehenubun, F.; Saputra, A.; Sutanto, H. An Experimental Study on the Performance of SAVONIUS Wind Turbines Related with the Number Of Blades. Energy Procedia 2015, 68, 297–304. [Google Scholar] [CrossRef]
  74. Moutsoglou, A.; Weng, Y. Performance Tests of a Benesh Wind Turbine Rotor and a SAVONIUS Rotor. Wind Eng. 1995, 19, 349–362. [Google Scholar]
  75. Benesh, A.H. Wind Turbine Rotor. US Patent No. 4359311 1982. [Google Scholar]
  76. Benesh, A.H. Wind Turbine with SAVONIUS -Type Rotor. US Patent No. 5494407 1996. [Google Scholar]
  77. Ujjwal, N.A.; Saha, K. Influence of blade profiles on SAVONIUS rotor performance: Numerical simulation and experimental validation. Energy Convers. Manag 2019, 186, 267–277. [Google Scholar]
  78. Kumar, A.; Saini, R.P. Investigation on performance of improved SAVONIUS rotor: An overview. In Proceedings of the 2015 International Conference on Recent Developments in Control, Automation and Power Engineering (RDCAPE), Noida, India, 12–13 March 2015; pp. 151–156. [Google Scholar]
  79. Alom, N.; Saha, U.K. Four Decades of Research into the Augmentation Techniques of SAVONIUS Wind Turbine Rotor. J. Energy Resour. Technol. 2018, 140, 050801. [Google Scholar] [CrossRef]
  80. Chan, C.; Bai, H.; He, D. Blade shape optimization of the SAVONIUS wind turbine using a genetic algorithm. Appl. Energy 2018, 213, 148–157. [Google Scholar] [CrossRef]
  81. Ushiyama, I.; Nagai, H.; Shinoda, J. Experimentally Determining the Optimum Design Configuration for SAVONIUS Rotors. Bull. JSME 1986, 29, 4130–4138. [Google Scholar] [CrossRef]
  82. Emad, A.; El-Maksoud, R.M.A.; Nawar, M.; Attai, Y. A Numerical Study of the Effect of Stator on SAVONIUS Bach-Type Rotor Performance. In Proceedings of the Thirteenth International Conference of Fluid Dynamics, Cairo, Egypt, 21–22 December 2018; Volume 21. [Google Scholar]
  83. Kumar, R.S.; Premkumar, T.M.; Seralathan, S.; Mohan, T. Numerical Investigation of Modified Bach Type Vertical Axis Wind Turbine. Appl. Mech. Mater. 2016, 852, 551–557. [Google Scholar] [CrossRef]
  84. KaCPrzak, K.; Liskiewicz, G.; Sobczak, K. Numerical investigation of conventional and modified SAVONIUS wind turbines. Renew. Energy 2013, 60, 578–585. [Google Scholar] [CrossRef]
  85. Alaimo, A.; Esposito, A.; Milazzo, A.; Orlando, C.; Trentacosti, F. Slotted Blades SAVONIUS Wind Turbine Analysis by CFD. Energies 2013, 6, 6335–6351. [Google Scholar] [CrossRef]
  86. Altan, B.D.; Atılgan, M.; Özdamar, A. An experimental study on improvement of a SAVONIUS rotor performance with curtaining. Exp. Therm. Fluid Sci. 2008, 32, 1673–1678. [Google Scholar] [CrossRef]
  87. Mansour, H.; Afify, R. Design and 3D CFD Static Performance Study of a Two-Blade IceWind Turbine. Energies 2020, 13, 5356. [Google Scholar] [CrossRef]
  88. Aymane, E.; Darhmaoui, H.; Sheikh, N. SAVONIUS Vertical Wind Turbine: Design, Simulation, and Physical Testing; Al Akhawayn University: Ifrane, Morocco, 2017. [Google Scholar]
  89. Sobczak, K.; Obidowski, D.; Reorowicz, P.; Marchewka, E. Numerical Investigations of the SAVONIUS Turbine with Deformable Blades. Energies 2020, 13, 3717. [Google Scholar] [CrossRef]
  90. Ostos, I.; Ruiz, I.; Gajic, M.; Gómez, W.; Bonilla, A.; Collazos, C. A modified novel blade configuration proposal for a more efficient VAWT using CFD tools. Energy Convers. Manag. 2019, 180, 733–746. [Google Scholar] [CrossRef]
  91. Laws, P.; Saini, J.S.; Kumar, A.; Mitra, S. Improvement in SAVONIUS Wind Turbines Efficiency by Modification of Blade Designs—A Numerical Study. J. Energy Resour. Technol. 2019, 142, 1–15. [Google Scholar] [CrossRef]
  92. Kang, C.; Opare, W.; Pan, C.; Zou, Z. Upstream Flow Control for the SAVONIUS Rotor under Various Operation Conditions. Energies 2018, 11, 1482. [Google Scholar] [CrossRef]
  93. Yao, J.; Li, F.; Chen, J.; Yuan, Z.; Mai, W. Parameter Analysis of SAVONIUS Hydraulic Turbine Considering the Effect of Reducing Flow Velocity. Energies 2019, 13, 24. [Google Scholar] [CrossRef]
  94. Osuch, E.; Osuch, A.; Rybacki, P.; Przybylak, A. Analysis of the Theoretical Performance of the Wind-Driven Pulverizing Aerator in the Conditions of Góreckie Lake—Maximum Wind Speed Method. Energies 2020, 13, 502. [Google Scholar] [CrossRef]
  95. El-Askary, W.A.; Nasef, M.H.; AbdEL-hamid, A.A.; Gad, H.E. Harvesting wind energy for improving performance of SAVONIUS rotor. J. Wind Eng. Ind. Aerodyn. 2015, 139, 8–15. [Google Scholar] [CrossRef]
  96. Zhou, T.; Rempfer, D. Numerical study of detailed flow field and performance of SAVONIUS wind turbines. Renew. Energy 2013, 51, 373–381. [Google Scholar] [CrossRef]
  97. Doerffer, P.; Doerffer, K.; Ochrymiuk, T.; Telega, J. Variable Size Twin-Rotor Wind Turbine. Energies 2019, 12, 2543. [Google Scholar] [CrossRef]
  98. Mendoza, V.; Katsidoniotaki, E.; Bernhoff, H. Numerical Study of a Novel Concept for Manufacturing SAVONIUS Turbines with Twisted Blades. Energies 2020, 13, 1874. [Google Scholar] [CrossRef]
  99. Jang, H.; Paek, I.; Kim, S.; Jeong, D. Performance Prediction and Validation of a Small-Capacity Twisted SAVONIUS Wind Turbine. Energies 2019, 12, 1721. [Google Scholar] [CrossRef]
  100. Garcia, O.; Ulazia, A.; Del Rio, M.; Carreno-Madinabeitia, S.; Gonzalez-Arceo, A. An Energy Potential Estimation Methodology and Novel Prototype Design for Building-Integrated Wind Turbines. Energies 2019, 12, 2027. [Google Scholar] [CrossRef]
  101. Mao, Z.; Yang, G.; Zhang, T.; Tian, W. Aerodynamic Performance Analysis of a Building-Integrated SAVONIUS Turbine. Energies 2020, 13, 2636. [Google Scholar] [CrossRef]
Figure 1. The ideal wind turbine model and air velocity modification [60].
Figure 1. The ideal wind turbine model and air velocity modification [60].
Energies 14 01962 g001
Figure 2. SAVONIUS rotor model principal design parameters [61,62,63,64,65].
Figure 2. SAVONIUS rotor model principal design parameters [61,62,63,64,65].
Energies 14 01962 g002
Figure 3. Torque coefficient (CT) for two- and three-blade rotors [66].
Figure 3. Torque coefficient (CT) for two- and three-blade rotors [66].
Energies 14 01962 g003
Figure 4. Power coefficient (CP) for two- and three-blade rotors [66].
Figure 4. Power coefficient (CP) for two- and three-blade rotors [66].
Energies 14 01962 g004
Figure 5. Classical two-bladed SAVONIUS rotor in different configurations: (a) simple rotor; (b) double rotor; (c) triple rotor.
Figure 5. Classical two-bladed SAVONIUS rotor in different configurations: (a) simple rotor; (b) double rotor; (c) triple rotor.
Energies 14 01962 g005
Figure 6. Power obtained for single and double stage rotors [72].
Figure 6. Power obtained for single and double stage rotors [72].
Energies 14 01962 g006
Figure 7. Rotor models used in the experimental research [73].
Figure 7. Rotor models used in the experimental research [73].
Energies 14 01962 g007
Figure 8. Power coefficient for rotors with different aspect ratio values [72].
Figure 8. Power coefficient for rotors with different aspect ratio values [72].
Energies 14 01962 g008
Figure 9. Power values for rotor with and without end plates [72].
Figure 9. Power values for rotor with and without end plates [72].
Energies 14 01962 g009
Figure 10. Power obtained for different overlap ratio values [72].
Figure 10. Power obtained for different overlap ratio values [72].
Energies 14 01962 g010
Figure 11. Rotor model profiles analyzed: (a) The classical SAVONIUS model; (b) The semi-elliptical blade model; (c) The Benesh model; (d) The modified Bach model; (e) The newly developed variant model [68,69,70,71,74,75,76,77,78,79,80,81,82,83,84].
Figure 11. Rotor model profiles analyzed: (a) The classical SAVONIUS model; (b) The semi-elliptical blade model; (c) The Benesh model; (d) The modified Bach model; (e) The newly developed variant model [68,69,70,71,74,75,76,77,78,79,80,81,82,83,84].
Energies 14 01962 g011aEnergies 14 01962 g011b
Figure 12. Power coefficient values obtained for the analyzed rotor profile models [68,69,70,71].
Figure 12. Power coefficient values obtained for the analyzed rotor profile models [68,69,70,71].
Energies 14 01962 g012
Figure 13. The slotted rotor model analyzed [85].
Figure 13. The slotted rotor model analyzed [85].
Energies 14 01962 g013
Figure 14. Averaged values obtained in terms of the torque and power coefficients (standard blade β = 0°, slotted blade β = 25°): (a) torque coefficient values; (b) power coefficient values; [85].
Figure 14. Averaged values obtained in terms of the torque and power coefficients (standard blade β = 0°, slotted blade β = 25°): (a) torque coefficient values; (b) power coefficient values; [85].
Energies 14 01962 g014
Figure 15. The SAVONIUS rotor model with a curtain [86].
Figure 15. The SAVONIUS rotor model with a curtain [86].
Energies 14 01962 g015
Figure 16. Power coefficient values obtained for the rotor without curtain and with 3 curtain types [86].
Figure 16. Power coefficient values obtained for the rotor without curtain and with 3 curtain types [86].
Energies 14 01962 g016
Figure 17. The Ice Wind rotor assembly and geometry for three and four blades [87,88].
Figure 17. The Ice Wind rotor assembly and geometry for three and four blades [87,88].
Energies 14 01962 g017
Figure 18. The Ice Wind rotor best fit the configuration for CFD analysis [87,88].
Figure 18. The Ice Wind rotor best fit the configuration for CFD analysis [87,88].
Energies 14 01962 g018
Figure 19. Torque values for the ice wind rotor versus the SAVONIUS rotor [87].
Figure 19. Torque values for the ice wind rotor versus the SAVONIUS rotor [87].
Energies 14 01962 g019
Figure 20. CP values for the aluminium ice wind rotor versus the SAVONIUS rotor [87].
Figure 20. CP values for the aluminium ice wind rotor versus the SAVONIUS rotor [87].
Energies 14 01962 g020
Figure 21. CP values for the Ice Wind roto versus the SAVONIUS rotor [87].
Figure 21. CP values for the Ice Wind roto versus the SAVONIUS rotor [87].
Energies 14 01962 g021
Figure 22. The deformable blade rotor model [89].
Figure 22. The deformable blade rotor model [89].
Energies 14 01962 g022
Figure 23. The SAVONIUS rotor with deformable blades in relation to eccentricity and different angular positions [89].
Figure 23. The SAVONIUS rotor with deformable blades in relation to eccentricity and different angular positions [89].
Energies 14 01962 g023
Figure 24. Average power coefficient values of the deformable blade rotor with different eccentricity values (E1 = 5%, E2 = 10%, E3 = 15%) [89].
Figure 24. Average power coefficient values of the deformable blade rotor with different eccentricity values (E1 = 5%, E2 = 10%, E3 = 15%) [89].
Energies 14 01962 g024
Table 1. Design parameters for the vertical-axis wind turbine rotor [61,62,63,64,65].
Table 1. Design parameters for the vertical-axis wind turbine rotor [61,62,63,64,65].
Crt. No.Rotor Design ParameterSymbolization/Relation
1.Rotor diameter D r
2.Rotor height H r
3.Rotor area A r = D r H r
4.End plate diameter D p
5.Shaft diameter d s
6.Blade diameter d b
7.Blade gap b g
8.Aspect ratio a = H r D r
9.Overlap ratio β = b g d s
Table 2. Functional parameters for vertical-axis wind turbine rotors [61,62,63,64,65].
Table 2. Functional parameters for vertical-axis wind turbine rotors [61,62,63,64,65].
Crt. No.Rotor Functional ParameterSymbolization/Relation
1.Total wind power N W = 1 2 ρ a A r v 3
2.Angular velocity ω r = 1 30 π n
3.Tip speed ratio(TSR): λ = 1 2 ω D r v
4.Rotor torque T r
5.Pressure coefficient C p = 2 p p a ρ a v 2
6.Torque coefficient C T = 4 T r ρ a v 2 D r H r
7.Power coefficient C P = 2 T ω ρ a v 3 D r H r
Table 3. Power coefficient results for different rotor configurations [67,68,69,70,71].
Table 3. Power coefficient results for different rotor configurations [67,68,69,70,71].
Rotor ConfigurationBlade NumberBlade ShapePower Coefficient (CP)
Simple rotor2Semicircular0.18
Simple rotor2Twisted angle (12.5 degrees)0.19
Simple rotor3Semicircular0.15
Simple rotor3Twisted angle (12.5 degrees)0.16
Double rotor2Semicircular0.29
Double rotor2Twisted angle (12.5 degrees)0.31
Double rotor3Semicircular0.26
Double rotor3Twisted angle (12.5 degrees)0.28
Triple rotor2Semicircular0.23
Triple rotor2Twisted angle (12.5 degrees)0.24
Triple rotor3Semicircular0.20
Triple rotor3Twisted angle (12.5 degrees)0.21
Table 4. Power coefficient results for the valve-added rotor [67,68,69,70,71].
Table 4. Power coefficient results for the valve-added rotor [67,68,69,70,71].
Rotor ConfigurationBlade NumberBlade ShapePower Coefficient (CP)
Double rotor3Semicircular0.31
Double rotor3Twisted angle (12.5 degrees)0.32
Table 5. Torque values for the experimental rotor models [87].
Table 5. Torque values for the experimental rotor models [87].
Wind Velocity (m/s)Torque (Nm)
Ice Wind Model SAVONIUS Model
20.110.04
30.290.25
40.340.34
Table 6. The power coefficient values for aluminum rotor models [87].
Table 6. The power coefficient values for aluminum rotor models [87].
Wind Velocity (m/s)Power Coefficient–CP (%)
Ice Wind ModelSAVONIUS Model
236.368.34
343.1742.95
423.2628.73
Table 7. Power coefficient values for the experimental rotor models [87].
Table 7. Power coefficient values for the experimental rotor models [87].
Wind Velocity (m/s)Power Coefficient–CP (%)
Ice Wind ModelSAVONIUS Model
20.470.11
30.550.55
40.30.37
Table 8. Power coefficient values for the deformable blade rotor with different eccentricity values [89].
Table 8. Power coefficient values for the deformable blade rotor with different eccentricity values [89].
Eccentricity (%)Power Coefficient–CP (%)
Deformable Blade ModelSAVONIUS Model
50.2840.207
100.344
150.393
Publisher’s Note: MDPI stays neutral with regard to jurisdictional claims in published maps and institutional affiliations.

Share and Cite

MDPI and ACS Style

Fanel Dorel, S.; Adrian Mihai, G.; Nicusor, D. Review of Specific Performance Parameters of Vertical Wind Turbine Rotors Based on the SAVONIUS Type. Energies 2021, 14, 1962. https://doi.org/10.3390/en14071962

AMA Style

Fanel Dorel S, Adrian Mihai G, Nicusor D. Review of Specific Performance Parameters of Vertical Wind Turbine Rotors Based on the SAVONIUS Type. Energies. 2021; 14(7):1962. https://doi.org/10.3390/en14071962

Chicago/Turabian Style

Fanel Dorel, Scheaua, Goanta Adrian Mihai, and Dragan Nicusor. 2021. "Review of Specific Performance Parameters of Vertical Wind Turbine Rotors Based on the SAVONIUS Type" Energies 14, no. 7: 1962. https://doi.org/10.3390/en14071962

APA Style

Fanel Dorel, S., Adrian Mihai, G., & Nicusor, D. (2021). Review of Specific Performance Parameters of Vertical Wind Turbine Rotors Based on the SAVONIUS Type. Energies, 14(7), 1962. https://doi.org/10.3390/en14071962

Note that from the first issue of 2016, this journal uses article numbers instead of page numbers. See further details here.

Article Metrics

Back to TopTop