PV String-Level Isolated DC–DC Power Optimizer with Wide Voltage Range
Abstract
1. Introduction
- The RMS and peak value of the resonant current are decreased by eliminating the circulating current, resulting in a reduced level of conduction loss.
- The implemented hybrid control method significantly increases the overall voltage gain. Hence, a wider voltage range is achieved.
- The current stress of the bidirectional switch is decreased because the conduction time is shorter with a minimized RMS current.
- Phase shift control is implemented for soft start-up operation, guaranteeing the initial charging of the DC-link electrolytic capacitor.
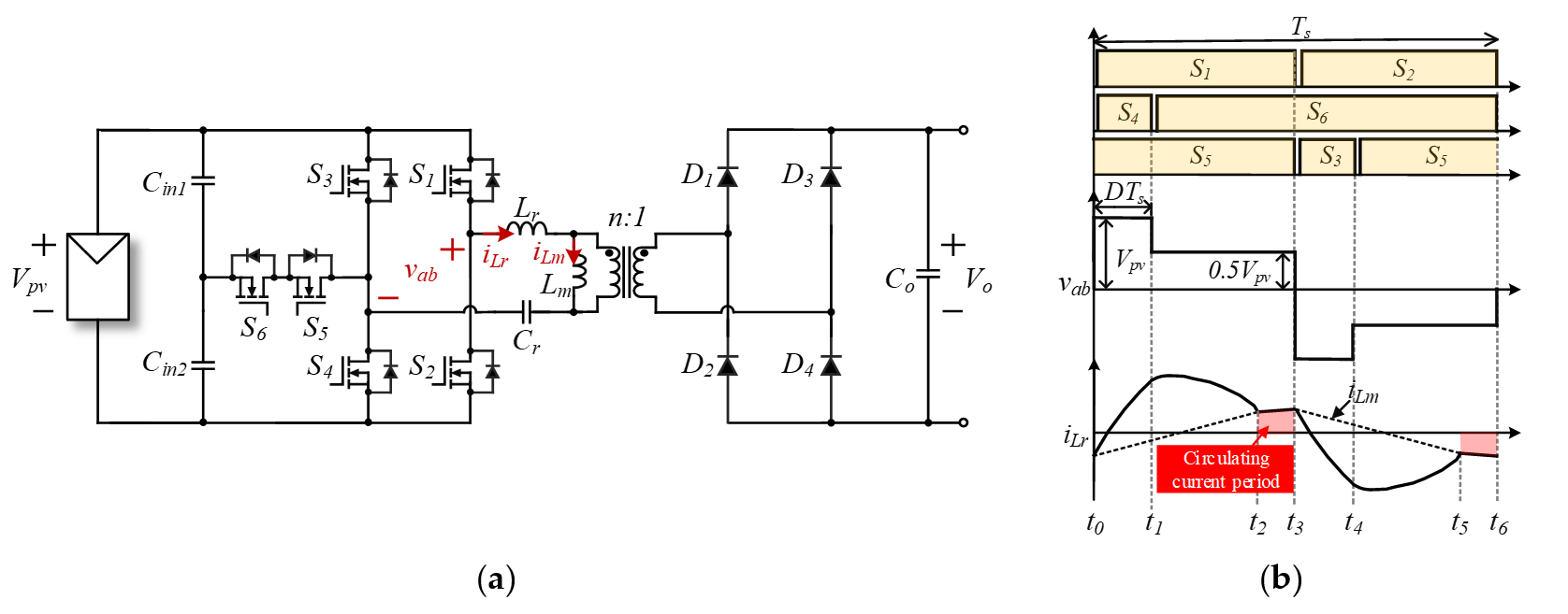
2. The Proposed Dual-Bridge LLC (DBLLC) Resonant Converter
2.1. Operation Principle and Characteristics
2.1.1. Pulse Frequency Modulation (PFM) Control
2.1.2. Pulse Width Modulation (PWM) Control with a Variable Switching Frequency
2.2. Start-up Control of the Proposed Dual-Bridge LLC (DBLLC) Resonant Converter
2.3. Proposed Control Scheme
3. Design Procedure
3.1. Selecting the Switching Frequency Range
3.2. Soft Switching
3.3. Transformer with Integrated Leakage Inductance
4. Experimental Results
5. Conclusions
Author Contributions
Funding
Institutional Review Board Statement
Informed Consent Statement
Data Availability Statement
Acknowledgments
Conflicts of Interest
Appendix A
| Parameter | Values |
|---|---|
| Total maximum power | 400 W |
| MPP voltage | 40.6 V |
| MPP current | 9.86 A |
| Open circuit voltage | 49.3 V |
| Short circuit current | 10.47 A |
| Number of series | 16 |
References
- Yang, Y.; Blaabjerg, F. Overview of Single-phase Grid-connected Photovoltaic Systems. Electr. Power Compon. Syst. 2015, 43, 1352–1363. [Google Scholar] [CrossRef]
- Choi, H.; Ciobotaru, M.; Jang, M.; Agelidis, V.G. Performance of Medium-Voltage DC-Bus PV System Architecture Utilizing High-Gain DC–DC Converter. IEEE Trans. Sustain. Energy 2015, 6, 464–473. [Google Scholar] [CrossRef]
- Kouro, S.; Leon, J.I.; Vinnikov, D.; Franquelo, L.G. Grid-Connected Photovoltaic Systems: An Overview of Recent Research and Emerging PV Converter Technology. IEEE Ind. Electron. Mag. 2015, 9, 47–61. [Google Scholar] [CrossRef]
- Teodorescu, R.; Liserre, M.; Rodriguez, P. Grid Converters for Photovoltaic and Wind Power Systems; Wiley: New York, NY, USA, 2011. [Google Scholar]
- Blaabjerg, F.; Iov, F.; Kerekes, T.; Teodorescu, R. Trends in power electronics and control of renewable energy systems. In Proceedings of the 14th International Power Electronics and Motion Control Conference EPE-PEMC, Ohrid, Republic of Macedonia, 6–8 September 2010; pp. K-1–K-19. [Google Scholar] [CrossRef]
- Rivera, S.; Kouro, S.; Wu, B.; Leon, J.I.; Rodríguez, J.; Franquelo, L.G. Cascaded H-bridge multilevel converter multistring topology for large scale photovoltaic systems. In Proceedings of the 2011 IEEE International Symposium on Industrial Electronics, Gdansk, Poland, 27–30 June 2011; pp. 1837–1844. [Google Scholar] [CrossRef]
- Acharya, A.B.; Ricco, M.; Sera, D.; Teoderscu, R.; Norum, L.E. Performance Analysis of Medium-Voltage Grid Integration of PV Plant Using Modular Multilevel Converter. IEEE Trans. Energy Convers. 2019, 34, 1731–1740. [Google Scholar] [CrossRef]
- Shi, Y.; Li, R.; Xue, Y.; Li, H. High-Frequency-Link-Based Grid-Tied PV System With Small DC-Link Capacitor and Low-Frequency Ripple-Free Maximum Power Point Tracking. IEEE Trans. Power Electron. 2016, 31, 328–339. [Google Scholar] [CrossRef]
- Abramovitz, A.; Zhao, B.; Smedley, K.M. High-Gain Single-Stage Boosting Inverter for Photovoltaic Applications. Ieee Trans. Power Electron. 2016, 31, 3550–3558. [Google Scholar] [CrossRef]
- Sathyan, S.; Suryawanshi, H.M.; Shitole, A.B.; Ballal, M.S.; Borghate, V.B. Soft-Switched Interleaved DC/DC Converter as Front-End of Multi-Inverter Structure for Micro Grid Applications. IEEE Trans. Power Electron. 2018, 33, 7645–7655. [Google Scholar] [CrossRef]
- Sharma, P.; Agarwal, V. Exact Maximum Power Point Tracking of Grid-Connected Partially Shaded PV Source Using Current Compensation Concept. IEEE Trans. Power Electron. 2014, 29, 4684–4692. [Google Scholar] [CrossRef]
- Rani, B.I.; Ilango, G.S.; Nagamani, C. Enhanced Power Generation From PV Array Under Partial Shading Conditions by Shade Dispersion Using Su Do Ku Configuration. IEEE Trans. Sustain. Energy 2013, 4, 594–601. [Google Scholar] [CrossRef]
- Patel, H.; Agarwal, V. MATLAB-Based Modeling to Study the Effects of Partial Shading on PV Array Characteristics. IEEE Trans. Energy Convers. 2008, 23, 302–310. [Google Scholar] [CrossRef]
- Zapata, J.W.; Kouro, S.; Carrasco, G.; Renaudineau, H.; Meynard, T.A. Analysis of Partial Power DC–DC Converters for Two-Stage Photovoltaic Systems. IEEE J. Emerg. Sel. Top. Power Electron. 2019, 7, 591–603. [Google Scholar] [CrossRef]
- Sangwongwanich, A.; Yang, Y.; Blaabjerg, F. High-Performance Constant Power Generation in Grid-Connected PV Systems. IEEE Trans. Power Electron. 2016, 31, 1822–1825. [Google Scholar] [CrossRef]
- Vázquez, N.; Rosas, M.; Hernández, C.; Vázquez, E.; Perez-Pinal, F.J. A New Common-Mode Transformerless Photovoltaic Inverter. IEEE Trans. Ind. Electron. 2015, 62, 6381–6391. [Google Scholar] [CrossRef]
- Chen, L.; Amirahmadi, A.; Zhang, Q.; Kutkut, N.; Batarseh, I. Design and Implementation of Three-Phase Two-Stage Grid-Connected Module Integrated Converter. IEEE Trans. Power Electron. 2014, 29, 3881–3892. [Google Scholar] [CrossRef]
- Calais, M.; Myrzik, J.; Spooner, T.; Agelidis, V.G. Inverters for single-phase grid connected photovoltaic systems-an overview. In Proceedings of the 2002 IEEE 33rd Annual IEEE Power Electronics Specialists Conference. Proceedings (Cat. No.02CH37289), Cairns, QLD, Australia, 23–27 June 2002; Volume 4, pp. 1995–2000. [Google Scholar] [CrossRef]
- Zhu, H.; Zhang, D.; Athab, H.S.; Wu, B.; Gu, Y. PV Isolated Three-Port Converter and Energy-Balancing Control Method for PV-Battery Power Supply Applications. IEEE Trans. Ind. Electron. 2015, 62, 3595–3606. [Google Scholar] [CrossRef]
- Vakacharla, V.R.; Rathore, A.K. Isolated Soft Switching Current Fed LCC-T Resonant DC–DC Converter for PV/Fuel Cell Applications. IEEE Trans. Ind. Electron. 2019, 66, 6947–6958. [Google Scholar] [CrossRef]
- De Oliveira, R.N.M.; Mazza, L.C.d.S.; Filho, H.M.d.; Oliveira, D.d.S. A Three-Port Isolated Three-Phase Current-Fed DC–DC Converter Feasible to PV and Storage Energy System Connection on a DC Distribution Grid. IEEE Trans. Ind. Appl. 2019, 55, 4910–4919. [Google Scholar] [CrossRef]
- Prasanna, U.R.; Rathore, A.K. Analysis, Design, and Experimental Results of a Novel Soft-Switching Snubberless Current-Fed Half-Bridge Front-End Converter-Based PV Inverter. IEEE Trans. Power Electron. 2013, 28, 3219–3230. [Google Scholar] [CrossRef]
- Liu, Y.; Abu-Rub, H.; Ge, B. Front-End Isolated Quasi-Z-Source DC–DC Converter Modules in Series for High-Power Photovoltaic Systems—Part II: Control, Dynamic Model, and Downscaled Verification. IEEE Trans. Ind. Electron. 2017, 64, 359–368. [Google Scholar] [CrossRef]
- Buticchi, G.; Barater, D.; Costa, L.F.; Liserre, M. A PV-Inspired Low-Common-Mode Dual-Active-Bridge Converter for Aerospace Applications. IEEE Trans. Power Electron. 2018, 33, 10467–10477. [Google Scholar] [CrossRef]
- Kundu, U.; Yenduri, K.; Sensarma, P. Accurate ZVS Analysis for Magnetic Design and Efficiency Improvement of Full-Bridge LLC Resonant Converter. IEEE Trans. Power Electron. 2017, 32, 1703–1706. [Google Scholar] [CrossRef]
- Kathiresan, R.; Das, P.; Reindl, T.; Panda, S.K. A Novel ZVS DC–DC Full-Bridge Converter With Hold-Up Time Operation. IEEE Trans. Ind. Electron. 2017, 64, 4491–4500. [Google Scholar] [CrossRef]
- Wang, H.; Dusmez, S.; Khaligh, A. Design and Analysis of a Full-Bridge LLC-Based PEV Charger Optimized for Wide Battery Voltage Range. IEEE Trans. Veh. Technol. 2014, 63, 1603–1613. [Google Scholar] [CrossRef]
- Wang, H.; Li, Z. A PWM LLC Type Resonant Converter Adapted to Wide Output Range in PEV Charging Applications. IEEE Trans. Power Electron. 2018, 33, 3791–3801. [Google Scholar] [CrossRef]
- Awasthi, A.; Bagawade, S.; Jain, P. Analysis of a Hybrid Variable Frequency-Duty Cycle Modulated low-Q LLC Resonant Converter for Improving Light-Load Efficiency for Wide Input Voltage Range. IEEE Trans. Power Electron. 2020. [Google Scholar] [CrossRef]
- Sun, X.; Li, X.; Shen, Y.; Wang, B.; Guo, X. Dual-Bridge LLC Resonant Converter With Fixed-Frequency PWM Control for Wide Input Applications. IEEE Trans. Power Electron. 2017, 32, 69–80. [Google Scholar] [CrossRef]
- Li, X.; Bhat, A.K.S. Analysis and Design of High-Frequency Isolated Dual-Bridge Series Resonant DC/DC Converter. IEEE Trans. Power Electron. 2010, 25, 850–862. [Google Scholar] [CrossRef]
- Li, X. A LLC-Type Dual-Bridge Resonant Converter: Analysis, Design, Simulation, and Experimental Results. IEEE Trans. Power Electron. 2014, 29, 4313–4321. [Google Scholar] [CrossRef]
- Wu, H.; Chen, L.; Xing, Y. Secondary-Side Phase-Shift-Controlled Dual-Transformer-Based Asymmetrical Dual-Bridge Converter with Wide Voltage Gain. IEEE Trans. Power Electron. 2015, 30, 5381–5392. [Google Scholar] [CrossRef]
- Hu, S.; Li, X. Performance Evaluation of a Semi-Dual-Bridge Resonant DC/DC Converter With Secondary Phase-Shifted Control. IEEE Trans. Power Electron. 2017, 32, 7727–7738. [Google Scholar] [CrossRef]
- Wu, J.; Li, Y.; Sun, X.; Liu, F. A New Dual-Bridge Series Resonant DC–DC Converter With Dual Tank. IEEE Trans. Power Electron. 2018, 33, 3884–3897. [Google Scholar] [CrossRef]
- Zhou, S.; Li, X.; Zhong, Z.; Zhang, X. Wide ZVS operation of a semi-dual-bridge resonant converter under variable-frequency phase-shift control. Iet Power Electron. 2020, 13, 1746–1755. [Google Scholar] [CrossRef]
- Wu, F.; Wang, Z.; Luo, S. Buck-Boost Three-Level Semi-Dual-Bridge Resonant Isolated DC-DC Converter. IEEE J. Emerg. Sel. Top. Power Electron. 2020. [Google Scholar] [CrossRef]
- Wei, Y.; Luo, Q.; Du, X.; Altin, N.; Nasiri, A.; Alonso, J.M. A Dual Half-Bridge LLC Resonant Converter With Magnetic Control for Battery Charger Application. IEEE Trans. Power Electron. 2020, 35, 2196–2207. [Google Scholar] [CrossRef]
- Kazimierczuk, M.K.; Czarkowski, D. Resonant Power Converters; Wiley: New York, NY, USA, 2012. [Google Scholar]
- Olivares-Rodríguez, C.; Castillo-Calzadilla, T.; Kamara-Esteban, O. Bio-inspired Approximation to MPPT Under Real Irradiation Conditions. In IDC 2018. Studies in Computational Intelligence; Springer: Cham, Switzerland, 2018; Volume 798. [Google Scholar]
- De Brito, M.A.G.; Galotto, L.; Sampaio, L.P.; Melo, G.d.A.e.; Canesin, C.A. Evaluation of the Main MPPT Techniques for Photovoltaic Applications. IEEE Trans. Ind. Electron. 2013, 60, 1156–1167. [Google Scholar] [CrossRef]
- Available online: https://www.lg.com/us/business/solar-panels/lg-lg400n2w-v5 (accessed on 26 March 2021).
- Naradhipa, A.M.; Kim, S.; Yang, D.; Choi, S.; Yeo, I.; Lee, Y. Power Density Optimization of 700 kHz GaN-Based Auxiliary Power Module for Electric Vehicles. IEEE Trans. Power Electron. 2021, 36, 5610–5621. [Google Scholar] [CrossRef]
- Ouyang, Z.; Thomsen, O.C.; Andersen, M.A.E. Optimal Design and Tradeoff Analysis of Planar Transformer in High-Power DC–DC Converters. IEEE Trans. Ind. Electron. 2012, 59, 2800–2810. [Google Scholar] [CrossRef]
- McLyman, C.W.T. Transformer and Inductor Design Handbook; Marcel Dekker: New York, NY, USA, 1988; Chapter 17. [Google Scholar]
- Li, S.; Min, Q.; Rong, E.; Zhang, R.; Du, X.; Lu, S. A Magnetic Integration Half-Turn Planar Transformer and its Analysis for LLC Resonant DC-DC Converters. IEEE Access 2019, 7, 128408–128418. [Google Scholar] [CrossRef]


















| Specification/Parameter | Symbol | Values |
|---|---|---|
| PV voltage | Vpv | 300 V–900 V |
| Output voltage | Vo | 900 V |
| Maximum power | Po | 6.25 kW |
| Primary-side switches | S1–S6 | C2M0025120D (1200 V, 90 A) |
| Secondary-side diode | D1–D4 | FFSH30120A-D (1200 V, 30 A) |
| Transformer turn ratio | n | 0.5 |
| Magnetizing inductance | Lm | 120 μH |
| Resonant inductance | Lr | 22.3 μH |
| Resonant capacitance | Cr | 60 nH |
| Resonant frequency | fr | 120 kHz |
| Input capacitance | Cpv1, Cpv2 | 40 μF |
| Output capacitance | Co | 10 μF |
| Switching frequency range | fs | 70 kHz–160 kHz |
Publisher’s Note: MDPI stays neutral with regard to jurisdictional claims in published maps and institutional affiliations. |
© 2021 by the authors. Licensee MDPI, Basel, Switzerland. This article is an open access article distributed under the terms and conditions of the Creative Commons Attribution (CC BY) license (https://creativecommons.org/licenses/by/4.0/).
Share and Cite
Kim, H.; Yu, G.; Kim, J.; Choi, S. PV String-Level Isolated DC–DC Power Optimizer with Wide Voltage Range. Energies 2021, 14, 1889. https://doi.org/10.3390/en14071889
Kim H, Yu G, Kim J, Choi S. PV String-Level Isolated DC–DC Power Optimizer with Wide Voltage Range. Energies. 2021; 14(7):1889. https://doi.org/10.3390/en14071889
Chicago/Turabian StyleKim, Hyungjin, Gibum Yu, Jaehoon Kim, and Sewan Choi. 2021. "PV String-Level Isolated DC–DC Power Optimizer with Wide Voltage Range" Energies 14, no. 7: 1889. https://doi.org/10.3390/en14071889
APA StyleKim, H., Yu, G., Kim, J., & Choi, S. (2021). PV String-Level Isolated DC–DC Power Optimizer with Wide Voltage Range. Energies, 14(7), 1889. https://doi.org/10.3390/en14071889
