Series Compensation of Transmission Systems: A Literature Survey
Abstract
1. Introduction
- Power flow control.
- Increase of transmission and loading capability.
- Increasing the power system security through stability improvement.
- Provide secure tie line connections.
- Voltage control and flicker mitigation.
- Reactive power compensation and reduction of reactive power flows.
- Power quality improvement and power conditioning.
- Provide flexibility in interconnecting new renewable and distributed generation, as well as energy storage devices.
- Increase utilization of lower cost generation assets through enhancement of transmission capacity.
2. Taxonomic Methodology for the Literature Review
- IEEE Transactions on Power Systems.
- IEEE Transactions on Power Electronics.
- IEEE Transactions on Power Delivery.
- IEEE Transactions on Industrial Electronics.
- IEEE Transactions on Industry Applications.
- IEEE Transactions on Power Apparatus and Systems.
- IET Power Electronics.
- IET Generation, Transmission & Distribution.
- International Journal of Electrical Power & Energy Systems (Elsevier).
- Electric Power Systems Research (Elsevier).
- Journal of Modern Power and Clean Energy Systems (SGEPRI).
- Energies (MDPI).
- Energy Procedia (Elsevier).
- CIGRE Publications (reports, papers, and technical brochures).
- Control strategies to improve the steady-state and dynamic performance of power systems.
- Design and modeling issues dealing with modifications proposed to the FACTS design, including new features or additional elements, as well as new models for new power systems software tools.
- Operational analysis, assessing the FACTS impact on the power system, including steady-state simulations, real-time and wide-area control applications.
- Planning studies, dealing with location and sizing of FACTS. An important research is focused on the placement of series controllers. That includes methodologies to achieve an equivalent objective than if it were located in another points. However, it has to be considered that, sometimes, series FACTS may be located at non-optimal locations if the aim is minimizing costs because the the cost of lands and all the environmental licenses are becoming crucial for projects development.
- Protections design and coordination issues, focusing on the interaction of series compensation with new protections schemes and its behavior in transient simulations.
- Stability issues dealing with dynamic assessment and new methods to enhance angular, frequency, or voltage stability.
- FACTS Installations.
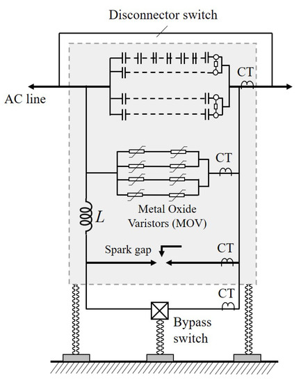
3. Series Compensation by Inserting Capacitors
3.1. Mechanically Commutated Series Devices
3.2. Static-Controlled Series Capacitive Compensation
3.2.1. Thyristor-Switched Series Capacitor (TSSC)
- The commutation with thyristors allows unlimited number of switching operations, maximizing its usability along its life cycle.
- The thyristors allow choosing the commutation instants, i.e., the point on the voltage waveform where the transition between the conducting and non-conducting states is produced. In this way, the switching transients are minimized, in contrast to the classical commutation with mechanical switches, which is hardly synchronized.
- A very fast response, as typically the interval between the control command and the capacitor operation is less than a cycle.
- It does not generate harmonics in contrast to the GCSC and TSSC technologies which will be reviewed later. This is because TSSC works either in full-conduction or blocking modes, i.e., the thyristors act as a conventional but fast-acting conventional switch.
- TSSC modules can be quickly inserted or bypassed if SSR oscillations are detected. In this way, the SSR frequency can be controlled and moved away from the critical turbine-generator resonance frequencies.
3.2.2. Thyristor-Controlled Series Capacitor (TCSC)
- Rapid and continuous control of the transmission line series-compensation level which enables optimal power-flow conditions and prevents the power loops.
- Prevent SSR conditions due to the inherent resistive-inductive reactance of the TCSC. In this way, the sub-synchronous oscillations cannot be sustained and, consequently, get damped [65].
- The DC-offset voltages, invariably resulting from the insertion of series capacitors, decay very quickly (within a few cycles) due to the continuous control of the TCSC thyristors [66].
- A better protection level for series capacitors. It uses a fast bypass through a very fast thyristor control in case of large overvoltages after a fault. To aid in system stabilization, the series capacitors can be re-inserted rapidly after the fault clearing, thanks to the thyristor action [67].
- Voltage support. The TCSC can produce reactive power which increases with the line loading, thus helping the voltage’s regulation and preventing voltage instability [68].
- Short-circuit current reduction. The TCSC can restrict the short-circuit current, by switching from the controllable-capacitance to the controllable-inductance mode.
- The TCSC should be located in transmission lines that experience limiting power oscillations.
- The voltages swing on the TCSC sides must remain with acceptable limits; otherwise, multiple TCSC locations may be needed.
- The TCSC control actions in one transmission path should not cause undue power swings in any parallel paths. Otherwise, additional compensations might be necessary.
- Considering reliability issues, it is advisable to implement a distributed control, in which actions are applied among some TCSCs, rather than setting up a control action to a single, large TCSC.
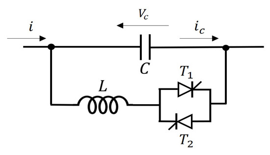
3.2.3. GTO-Controlled Series Capacitor (GCSC)
4. Static Synchronous Series Compensator (SSSC)
- PSO to improve the stability of an interconnected system with a wind farm of Double-Fed Induction Machines (DFIM) [174]. Modified group search optimization applied to an AGC of a deregulated power system using Reference [175]. In Reference [176], a hybrid PSO and GSA is used to find the PSS and SSSC controller parameters to improve the power system stability, and in Reference [177] the optimal design of parameters of synchronous machines PSS, series FACTS, and Photovoltaic (PV) and wind farm controllers is formulated, and some techniques, like PSO, GSA, and GA, are employed.
- Bacterial Swarm Optimization (BSO): In Reference [178], a hybrid BSO with PSO is proposed to search for the optimal PSS and SSSC-based controller to improve the power system stability, i.e., to provide efficient damping to oscillations under a wide range of operating conditions and disturbances.
- GSA [179].
5. Distributed Static Series Compensator (DSSC) or D-FACTS
6. Conclusions
Author Contributions
Funding
Institutional Review Board Statement
Informed Consent Statement
Data Availability Statement
Conflicts of Interest
Abbreviations
| CIGRE | International Council on Large Electric Systems |
| DPFC | Distributed Power Flow Controller |
| DSI | Distributed Series Impedance |
| DSSC | Distributed Static Series Compensator |
| DSR | Distributed Series Reactor |
| FACTS | Flexible AC Transmission System |
| FSC | Fixed Series Capacitor |
| FSR | Fixed Series Reactor |
| GA | Genetic Algorithm |
| GSA | Gravitational Search Algorithm |
| GCSC | GTO Thyristor-Controlled Series Capacitor |
| IEEE | Institute of Electrical and Electronics Engineers |
| IET | Institution of Engineering and Technology |
| MINLP | Mixed-integer non-linear programming |
| MILP | Mixed-integer linear programming |
| PSO | Particle Swarm Optimization |
| SSR | Sub-synchronous Resonance |
| SSSC | Static Synchronous Series Compensation |
| TCR | Thyristor-Controlled Reactor |
| TCSC | Thyristor-Controlled Series Capacitor |
| TCSR | Thyristor-Controlled Series Reactor |
| TSSC | Thyristor-Switched Series Capacitor |
| TSSR | Thyristor-Switched Series Reactor |
References
- Edris, A.A.; Adapa, R.; Baker, M.; Bohmann, L.; Clark, K.; Habashi, K.; Gyugyi, L.; Lemay, J.; Mehraban, A.; Myers, A.; et al. Proposed terms and definitions for flexible AC transmission system (FACTS). IEEE Trans. Power Deliv. 1997, 12, 1848–1853. [Google Scholar] [CrossRef]
- Hingorani, N.G. High Power Electronics and flexible AC Transmission System. IEEE Power Eng. Rev. 1988, 8, 3–4. [Google Scholar] [CrossRef]
- Hingorani, N.G.; Gyugyi, L. Static Series Compensators: GCSC, TSSC, TCSC and SSSC. In Understanding FACTS: Concepts and Technology of Flexible AC Transmission Systems; IEEE Press: Piscataway, NJ, USA; John Wiley & Sons: Hoboken, NJ, USA, 2000; pp. 209–265. [Google Scholar] [CrossRef]
- Eremia, M.; Liu, C.C.; Edris, A.A. Series Capacitive Compensation. In Advanced Solutions in Power Systems: HVDC, FACTS, and Artificial Intelligence; IEEE Press: Piscataway, NJ, USA; John Wiley & Sons: Hoboken, NJ, USA, 2016; pp. 339–407. [Google Scholar] [CrossRef]
- Shelton, E.K. The series capacitor installation at ballston. Gen. Electr. Rev. 1928, 31, 432–434. [Google Scholar]
- Alimansky, M.I. Application and performance of Series Capacitors. Gen. Electr. Rev. 1930, 33, 616–625. [Google Scholar]
- Alimansky, M.I. Series Capacitor Improves. Gen. Electr. Rev. 1933, 36, 461. [Google Scholar]
- Maneatis, J.A.; Hubacher, E.J.; Rothenbuhler, W.N.; Sabath, J. 500 KV Series Capacitor Installations in California. IEEE Trans. Power Appar. Syst. 1971, PAS-90, 1138–1149. [Google Scholar] [CrossRef]
- Jancke, G.; Fahlen, N.; Nerf, O. Series capacitors in power systems. IEEE Trans. Power Appar. Syst. 1975, 94, 915–925. [Google Scholar] [CrossRef]
- Helbing, S.G.; Karady, G.G. Investigations of an advanced form of series compensation. IEEE Trans. Power Deliv. 1994, 9, 939–947. [Google Scholar] [CrossRef]
- Karady, G.G.; Ortmeyer, T.H.; Pilvelait, B.R.; Maratukulam, D. Continuously regulated series capacitor. IEEE Trans. Power Deliv. 1993, 8, 1348–1355. [Google Scholar] [CrossRef]
- Gyugyi, L.; Schauder, C.D.; Sen, K.K. Static synchronous series compensator: A solid-state approach to the series compensation of transmission lines. IEEE Trans. Power Deliv. 1997, 12, 406–417. [Google Scholar] [CrossRef]
- Divan, D.M.; Brumsickle, W.E.; Schneider, R.S.; Kranz, B.; Gascoigne, R.W.; Bradshaw, D.T.; Ingram, M.R.; Grant, I.S. A Distributed Static Series Compensator System for Realizing Active Power Flow Control on Existing Power Lines. IEEE Trans. Power Deliv. 2007, 22, 642–649. [Google Scholar] [CrossRef]
- Divan, D.; Brumsickle, W.; Schneider, R.; Kranz, B.; Gascoigne, R.; Bradshaw, D.; Ingram, M.; Grant, I. A distributed static series compensator system for realizing active power flow control on existing power lines. In Proceedings of the IEEE PES Power Systems Conference and Exposition, New York, NY, USA, 10–13 October 2004; Volume 2, pp. 654–661. [Google Scholar] [CrossRef]
- Kimbark, E.W. Improvement of System Stability by Switched Series Capacitors. IEEE Trans. Power Appar. Syst. 1966, PAS-85, 180–188. [Google Scholar] [CrossRef]
- Maza-Ortega, J.M.; Acha, E.; Garcia, S.; Gómez-Expósito, A. Overview of power electronics technology and applications in power generation transmission and distribution. J. Mod. Power Syst. Clean Energy 2017, 499–514. [Google Scholar] [CrossRef]
- Bocovich, M.; Iyer, K.; Terhaar, R.M.; Mohan, N. Overview of series connected flexible AC transmission systems (FACTS). In Proceedings of the 2013 North American Power Symposium (NAPS), Manhattan, KS, USA, 22–24 September 2013; pp. 1–6. [Google Scholar] [CrossRef]
- Rajarman, R.; Alvarado, F.; Maniaci, A.; Camfield, R.; Jalali, S. Determination of location and amount of series compensation to increase power transfer capability. IEEE Trans. Power Syst. 1998, 13, 294–300. [Google Scholar] [CrossRef]
- Kazerani, Y.Y.M. Power flow control schemes for series-connected FACTS controllers. Electr. Power Syst. Res. 2006, 824–831. [Google Scholar] [CrossRef]
- Lakkireddy, J.; Rastgoufard, R.; Leevongwat, I.; Rastgoufard, P. Steady state voltage stability enhancement using shunt and series FACTS devices. In Proceedings of the 2015 Clemson University Power Systems Conference (PSC), Clemson, SC, USA, 10–13 March 2015; pp. 1–5. [Google Scholar]
- Kilgore, L.A.; Elliott, L.C.; Taylor, E.R. The Prediction and Control of Self-Excited Oscillations Due to Series Capacitors in Power Systems. IEEE Trans. Power Appar. Syst. 1971, PAS-90, 1305–1311. [Google Scholar] [CrossRef]
- Hamouda, R.M.; Iravani, M.R.; Hackam, R. Torsional oscillations of series capacitor compensated AC/DC systems. IEEE Trans. Power Syst. 1989, 4, 889–896. [Google Scholar] [CrossRef]
- Rustebakke, H.M.; Concordia, C. Self-Excited Oscillations in a Transmission System Using Series Capacitors. IEEE Trans. Power Appar. Syst. 1970, PAS-89, 1504–1512. [Google Scholar] [CrossRef]
- Bowler, C.E.J.; Ewart, D.N.; Concordia, C. Self Excited Torsional Frequency Oscillations with Series Capacitors. IEEE Trans. Power Appar. Syst. 1973, PAS-92, 1688–1695. [Google Scholar] [CrossRef]
- Korot, D.; Marken, P.; Bock, L. The next fifty years of series capacitors—And the last eighty-six. In Proceedings of the 2014 IEEE PES T D Conference and Exposition, Chicago, IL, USA, 14–17 April 2014; pp. 1–5. [Google Scholar]
- Faried, S.O.; Aboreshaid, S. Stochastic evaluation of voltage sags in series capacitor compensated radial distribution systems. IEEE Trans. Power Deliv. 2003, 18, 744–750. [Google Scholar] [CrossRef]
- Ping, Y.; Sekar, A. Analysis of radial distribution systems with embedded series FACTS devices using a fast line flow-based algorithm. IEEE Trans. Power Syst. 2005, 20, 1775–1782. [Google Scholar]
- Nayak, P.K.; Pradhan, A.K.; Bajpai, P. Wide-Area Measurement-Based Backup Protection for Power Network with Series Compensation. IEEE Trans. Power Deliv. 2014, 29, 1970–1977. [Google Scholar] [CrossRef]
- Shchetinin, D.; Hug, G. Decomposed algorithm for risk-constrained AC OPF with corrective control by series FACTS devices. Electr. Power Syst. Res. 2016, 344–353. [Google Scholar] [CrossRef]
- Shrestha, G.B.; Feng, W. Effects of series compensation on spot price power markets. Int. J. Electr. Power Energy Syst. 2005, 428–436. [Google Scholar] [CrossRef]
- McLaren, P.G.; Kuffel, R.; Giesbrecht, J.; Keerthipala, W.; Castro, A.; Fedirchuk, D.; Innes, S.; Mustaphi, K.; Sletten, K. On site relay transient testing for a series compensation upgrade. IEEE Trans. Power Deliv. 1994, 9, 1308–1315. [Google Scholar] [CrossRef]
- Lee, G.E.; Goldsworthy, D.L. BPA’s Pacific AC intertie series capacitors: Experience, equipment and protection. IEEE Trans. Power Deliv. 1996, 11, 253–259. [Google Scholar] [CrossRef]
- Coursol, M.; Nguyen, C.T.; Lord, R.; Do, X. Modeling MOV-protected series capacitors for short-circuit studies. IEEE Trans. Power Deliv. 1993, 8, 448–453. [Google Scholar] [CrossRef]
- Goldsworthy, D.L. A Linearized Model for Mov-Protected Series Capacitors. IEEE Trans. Power Syst. 1987, 2, 953–957. [Google Scholar] [CrossRef]
- Anderson, P.M.; Farmer, R.G. Series Compensation of Power Systems; PBLSH! Inc.: Encinitas, CA, USA, 1996. [Google Scholar]
- Kosterev, D.N.; Kolodziej, W.J. Bang-bang series capacitor transient stability control. IEEE Trans. Power Syst. 1995, 10, 915–924. [Google Scholar] [CrossRef]
- Hiyama, T.; Mishiro, M.; Kihara, H.; Ortmeyer, T.H. Coordinated fuzzy logic control for series capacitor modules and PSS to enhance stability of power system. IEEE Trans. Power Deliv. 1995, 10, 1098–1104. [Google Scholar] [CrossRef]
- Lin, Y.J. Prevention of transient instability employing rules based on back propagation based ANN for series compensation. Int. J. Electr. Power Energy Syst. 2011, 1776–1783. [Google Scholar] [CrossRef]
- Rahmani, M.; Vinasco, G.; Rider, M.J.; Romero, R.; Pardalos, P.M. Multistage Transmission Expansion Planning Considering Fixed Series Compensation Allocation. IEEE Trans. Power Syst. 2013, 28, 3795–3805. [Google Scholar] [CrossRef]
- Leonidaki, E.A.; Georgiadis, D.P.; Hatziargyriou, N.D. Decision trees for determination of optimal location and rate of series compensation to increase power system loading margin. IEEE Trans. Power Syst. 2006, 21, 1303–1310. [Google Scholar] [CrossRef]
- Zou, J.; Chen, J.; Dong, E. Study of fast-closing switch based fault current limiter with series compensation. Int. J. Electr. Power Energy Syst. 2002, 719–722. [Google Scholar] [CrossRef]
- Ahsaee, M.G.; Sadeh, J. A Novel Fault-Location Algorithm for Long Transmission Lines Compensated by Series FACTS Devices. IEEE Trans. Power Deliv. 2011, 26, 2299–2308. [Google Scholar] [CrossRef]
- Swetapadma, A.; Mishra, P.; Yadav, A.; Abdelaziz, A.Y. A non-unit protection scheme for double circuit series capacitor compensated transmission lines. Electr. Power Syst. Res. 2017, 311–325. [Google Scholar] [CrossRef]
- Bains, T.P.S.; Sidhu, T.S.; Xu, Z.; Voloh, I.; Zadeh, M.R.D. Impedance-Based Fault Location Algorithm for Ground Faults in Series-Capacitor-Compensated Transmission Lines. IEEE Trans. Power Deliv. 2018, 33, 189–199. [Google Scholar] [CrossRef]
- Butler, J.W.; Concordia, C. Analysis of Series Capacitor Application Problems. Trans. Am. Inst. Electr. Eng. 1937, 56, 975–988. [Google Scholar] [CrossRef]
- Edris, A. Series compensation schemes reducing the potential of subsynchronous resonance. IEEE Trans. Power Syst. 1990, 5, 219–226. [Google Scholar] [CrossRef]
- Hedin, R.A.; Weiss, S.; Torgerson, D.; Eilts, L.E. SSR characteristics of alternative types of series compensation schemes. IEEE Trans. Power Syst. 1995, 10, 845–852. [Google Scholar] [CrossRef]
- Iravani, M.R.; Edris, A. Eigen analysis of series compensation schemes reducing the potential of subsynchronous resonance. IEEE Trans. Power Syst. 1995, 10, 876–883. [Google Scholar] [CrossRef]
- Baker, D.H.; Boukarim, G.E.; D’Aquila, R.; Piwko, R.J. Subsynchronous resonance studies and mitigation methods for series capacitor applications. In Proceedings of the 2005 IEEE Power Engineering Society Inaugural Conference and Exposition in Africa, Durban, South Africa, 11–15 July 2005; pp. 386–392. [Google Scholar]
- Nilsson, S.L. Apparatus for Controlling the Reactive Impedance of a Transmission Line. U.S. Patent US4999565, 12 March 1990. [Google Scholar]
- Hingorani, N.G. Transmission Line Power Flow Controller. U.S. Patent US5420495A, 19 April 1993. [Google Scholar]
- Angquist, L.; Lundin, B.; Samuelsson, J. Power oscillation damping using controlled reactive power compensation-a comparison between series and shunt approaches. IEEE Trans. Power Syst. 1993, 8, 687–700. [Google Scholar] [CrossRef]
- Jaewon, C.; Chow, J.H. Time-optimal series capacitor control for damping interarea modes in interconnected power systems. IEEE Trans. Power Syst. 1997, 12, 215–221. [Google Scholar] [CrossRef]
- Johansson, N.; Angquist, L.; Nee, H. An Adaptive Controller for Power System Stability Improvement and Power Flow Control by Means of a Thyristor Switched Series Capacitor (TSSC). IEEE Trans. Power Syst. 2010, 25, 381–391. [Google Scholar] [CrossRef]
- Vithayathil, J.J. Scheme for Rapid Adjustment of Network Impedance. U.S. Patent US5032738A, 16 July 1986. Available online: https://patents.google.com/patent/US5032738A (accessed on 17 March 2021).
- Vithayathil, J.; Taylor, C.; Klinger, M.; Mittelstadt, W. Case Studies of Conventional and Novel Methods of Reactive Power Control on an AC Transmission System; CIGRE Paper 38-02; CIGRE: Paris, France, 1986. [Google Scholar]
- Courts, A.L.; Hingorani, N.G.; Stemler, G.E. A New Series Capacitor Protection Scheme Using Nonlinear Resistors. IEEE Trans. Power Appar. Syst. 1978, PAS-97, 1042–1052. [Google Scholar] [CrossRef]
- Mathur, R.M.; Varma, R.K. The ThyristorControlled Series Capacitor (TCSC). In Thyristor-Based FACTS Controllers for Electrical Transmission Systems; Wiley-IEEE Press: Piscataway, NJ, USA, 2002; pp. 277–314. [Google Scholar] [CrossRef]
- Nilsson, S.; Aho, J.; Chandrasena, W.; Gama, C.; Shen, H.; Powers, K.; Reynolds, M.; Rudin, A.; Santo, S.; Sen, S.; et al. Reviews of existing thyristor control series capacitor devices—TCSC. In Performance Evaluation and Applications; Technical Brochure No. 554; CIGRE Working Group B4-49; CIGRE: Paris, France, 2013. [Google Scholar]
- Chaudhuri, B.; Pal, B.C. Robust damping of multiple swing modes employing global stabilizing signals with a TCSC. IEEE Trans. Power Syst. 2004, 19, 499–506. [Google Scholar] [CrossRef]
- Noroozian, M.; Angquist, L.; Ghandhari, M.; Andersson, G. Improving power system dynamics by series-connected FACTS devices. IEEE Trans. Power Deliv. 1997, 12, 1635–1641. [Google Scholar] [CrossRef]
- Canizares, C.A. Power flow and transient stability models of FACTS controllers for voltage and angle stability studies. In Proceedings of the 2000 IEEE Power Engineering Society Winter Meeting. Conference Proceedings (Cat. No.00CH37077), Singapore, 23–27 January 2000; Volume 2, pp. 1447–1454. [Google Scholar] [CrossRef]
- Halder, A.; Pal, N.; Mondal, D. Transient Stability Analysis of a Multimachine Power System with TCSC Controller—A Zero Dynamic Design Approach. Int. J. Electr. Power Energy Syst. 2018, 51–71. [Google Scholar] [CrossRef]
- Colvara, L.D.; Araujo, S.C.B.; Festraits, E.B. Stability analysis of power system including facts (TCSC) effects by direct method approach. Int. J. Electr. Power Energy Syst. 2005, 264–274. [Google Scholar] [CrossRef]
- Mattavelli, P.; Stankovic, A.M.; Verghese, G.C. SSR analysis with dynamic phasor model of thyristor-controlled series capacitor. IEEE Trans. Power Syst. 1999, 14, 200–208. [Google Scholar] [CrossRef]
- Torgerson, D.; Allaire, J.; Chakravorty, S.; Clark, K.; Edris, A.; Gama, C.; George, T.; Kinney, S.; Othman, H.A. Thyristor Controlled Series Capacitor—TCSC; CIGRE Working Group 14.18; CIGRE: Paris, France, 1997. [Google Scholar]
- Li, B.H.; Wu, Q.H.; Wang, P.Y.; Zhou, X.X. Influence of the transient process of TCSC and MOV on power system stability. IEEE Trans. Power Syst. 2000, 15, 798–803. [Google Scholar] [CrossRef]
- Sode-Yome, A.; Mithulananthan, N.; Lee, K.Y. Static Voltage Stability Margin Enhancement Using STATCOM, TCSC and SSSC. In Proceedings of the 2005 IEEE/PES Transmission Distribution Conference Exposition: Asia and Pacific, Dalian, China, 18 August 2005; pp. 1–6. [Google Scholar]
- Mathur, R.M.; Varma, R.K. TTCSC Applications. In Thyristor-Based FACTS Controllers for Electrical Transmission Systems; John Wiley & Sons: Hoboken, NJ, USA, 2002; pp. 315–358. [Google Scholar] [CrossRef]
- Orfanogianni, T.; Bacher, R. Steady-state optimization in power systems with series FACTS devices. IEEE Trans. Power Syst. 2003, 18, 19–26. [Google Scholar] [CrossRef]
- Duong, T.; JianGang, Y.; Truong, V. A new method for secured optimal power flow under normal and network contingencies via optimal location of TCSC. Int. J. Electr. Power Energy Syst. 2013, 68–80. [Google Scholar] [CrossRef]
- Verma, K.S.; Singh, S.N.; Gupta, H.O. FACTS devices location for enhancement of total transfer capability. In Proceedings of the 2001 IEEE Power Engineering Society Winter Meeting. Conference Proceedings (Cat. No.01CH37194), Columbus, OH, USA, 28 January–1 February 2001; Volume 2, pp. 522–527. [Google Scholar] [CrossRef]
- Shanmukha Sundar, K.; Ravikumar, H. Selection of TCSC location for secured optimal power flow under normal and network contingencies. Int. J. Electr. Power Energy Syst. 2012, 29–37. [Google Scholar] [CrossRef]
- Wartana, I.M.; Singh, J.G.; Ongsakul, W.; Agustini, N.P. Optimal Placement of a Series FACTS Controller in Java-Bali 24-bus Indonesian System for Maximizing System Loadability by Evolutionary Optimization Technique. In Proceedings of the 2012 Third International Conference on Intelligent Systems Modelling and Simulation, Kota Kinabalu, Malaysia, 8–10 February 2012; pp. 516–521. [Google Scholar]
- Cai, L.J.; Erlich, I.; Stamtsis, G. Optimal choice and allocation of FACTS devices in deregulated electricity market using genetic algorithms. In Proceedings of the IEEE PES Power Systems Conference and Exposition, New York, NY, USA, 10–13 October 2004; Volume 1, pp. 201–207. [Google Scholar] [CrossRef]
- Mithulananthan, N.A.N. Locating series FACTS devices for congestion management in deregulated electricity markets. Electr. Power Syst. Res. 2007, 352–360. [Google Scholar] [CrossRef]
- Ziaee, O.; Choobineh, F.F. Thyristor-controlled switch capacitor placement in large-scale power systems via mixed integer linear programming and Taylor series expansion. In Proceedings of the 2014 IEEE PES General Meeting|Conference Exposition, National Harbor, MD, USA, 27–31 July 2014; pp. 1–5. [Google Scholar]
- Lee, K.H. Optimal siting of TCSC for reducing congestion cost by using shadow prices. Int. J. Electr. Power Energy Syst. 2002, 647–653. [Google Scholar] [CrossRef]
- Kulkarni, P.P.; Ghawghawe, N.D. Optimal placement and parameter setting of TCSC in power transmission system to increase the power transfer capability. In Proceedings of the 2015 International Conference on Energy Systems and Applications, Pune, India, 30 October–1 November 2015; pp. 735–739. [Google Scholar] [CrossRef]
- Besharat, H.; Taher, S.A. Congestion management by determining optimal location of TCSC in deregulated power systems. Int. J. Electr. Power Energy Syst. 2008, 563–568. [Google Scholar] [CrossRef]
- Kazemi, A.; Badrzadeh, B. Modeling and simulation of SVC and TCSC to study their limits on maximum loadability point. Int. J. Electr. Power Energy Syst. 2004, 619–626. [Google Scholar] [CrossRef]
- Ghawghawe, N.D.; Thakre, K.L. Computation of TCSC reactance and suggesting criterion of its location for ATC improvement. Int. J. Electr. Power Energy Syst. 2009, 86–93. [Google Scholar] [CrossRef]
- Dawn, S.; Tiwari, P.K. Improvement of economic profit by optimal allocation of TCSC & UPFC with wind power generators in double auction competitive power market. Int. J. Electr. Power Energy Syst. 2016, 190–201. [Google Scholar] [CrossRef]
- Rashed, G.I.; Shaheen, H.I.; Cheng, S.J. Optimal Location and Parameter Settings of Multiple TCSCs for Increasing Power System Loadability Based on GA and PSO Techniques. In Proceedings of the Third International Conference on Natural Computation (ICNC 2007), Haikou, China, 24–27 August 2007; Volume 4, pp. 335–344. [Google Scholar] [CrossRef]
- Reddy, K.R.S.; Padhy, N.P.; Patel, R.N. Congestion management in deregulated power system using FACTS devices. In Proceedings of the 2006 IEEE Power India Conference, New Delhi, India, 10–12 April 2006; p. 8. [Google Scholar] [CrossRef]
- Rashidinejad, M.; Farahmand, H.; Fotuhi-Firuzabad, M.; Gharaveisi, A.A. ATC enhancement using TCSC via artificial intelligent techniques. Electr. Power Syst. Res. 2008, 11–20. [Google Scholar] [CrossRef]
- Gerbex, S.; Cherkaoui, R.; Germond, A.J. Optimal location of FACTS devices to enhance power system security. In Proceedings of the 2003 IEEE Bologna Power Tech Conference Proceedings, Bologna, Italy, 23–26 June 2003; Volume 3, p. 7. [Google Scholar] [CrossRef]
- Saravanan, M.; Slochanal, S.M.R.; Venkatesh, P.; Abraham, P.S. Application of PSO technique for optimal location of FACTS devices considering system loadability and cost of installation. In Proceedings of the 2005 International Power Engineering Conference, Singapore, 29 November–2 December 2005; Volume 2, pp. 716–721. [Google Scholar] [CrossRef]
- Mondal, D.; Chakrabarti, A.; Sengupta, A. Optimal placement and parameter setting of SVC and TCSC using PSO to mitigate small signal stability problem. Int. J. Electr. Power Energy Syst. 2012, 334–340. [Google Scholar] [CrossRef]
- Rezaee Jordehi, A.; Jasni, J.; Abd Wahab, N.; Kadir, M.; Javadi, M. Enhanced leader PSO (ELPSO): A new algorithm for allocating distributed TCSC’s in power systems. Int. J. Electr. Power Energy Syst. 2015, 771–784. [Google Scholar] [CrossRef]
- Nagalakshmi, S.; Kamaraj, N. On-line evaluation of loadability limit for pool model with TCSC using back propagation neural network. Int. J. Electr. Power Energy Syst. 2013, 52–60. [Google Scholar] [CrossRef]
- Bhasaputra, P.; Ongsakul, W. Optimal placement of multi-type FACTS devices by hybrid TS/SA approach. In Proceedings of the 2003 International Symposium on Circuits and Systems, (ISCAS ’03), Bangkok, Thailand, 25–28 May 2003; Volume 3. [Google Scholar] [CrossRef]
- Benabid, R.; Boudour, M.; Abido, M.A. Optimal location and setting of SVC and TCSC devices using non-dominated sorting particle swarm optimization. Electr. Power Syst. Res. 2009, 1668–1677. [Google Scholar] [CrossRef]
- Bruno, S.; De Carne, G.; La Scala, M. Transmission Grid Control Through TCSC Dynamic Series Compensation. IEEE Trans. Power Syst. 2016, 31, 3202–3211. [Google Scholar] [CrossRef]
- Shubhanga, K.N.; Kulkarni, A.M. Application of structure preserving energy margin sensitivity to determine the effectiveness of shunt and series FACTS devices. IEEE Trans. Power Syst. 2002, 17, 730–738. [Google Scholar] [CrossRef]
- Hingorani, N.G. A New Scheme for Subsynchronous Resonance Damping of Torsional Oscillations and Transient Torque—Part I. IEEE Trans. Power Appar. Syst. 1981, PAS-100, 1852–1855. [Google Scholar] [CrossRef]
- Piwko, R.J.; Wegner, C.A.; Kinney, S.J.; Eden, J.D. Subsynchronous resonance performance tests of the Slatt thyristor-controlled series capacitor. IEEE Trans. Power Deliv. 1996, 11, 1112–1119. [Google Scholar] [CrossRef]
- Rajaraman, R.; Dobson, I.; Lasseter, R.H.; Shern, Y. Computing the damping of subsynchronous oscillations due to a thyristor controlled series capacitor. IEEE Trans. Power Deliv. 1996, 11, 1120–1127. [Google Scholar] [CrossRef]
- Mohammadpour, H.A.; Islam, M.M.; Santi, E.; Shin, Y. SSR Damping in Fixed-Speed Wind Farms Using Series FACTS Controllers. IEEE Trans. Power Deliv. 2016, 31, 76–86. [Google Scholar] [CrossRef]
- Dash, P.K.; Mishra, S.; Panda, G. Damping multimodal power system oscillation using a hybrid fuzzy controller for series connected FACTS devices. IEEE Trans. Power Syst. 2000, 15, 1360–1366. [Google Scholar] [CrossRef]
- Hameed, S.; Das, B.; Pant, V. A self-tuning fuzzy PI controller for TCSC to improve power system stability. Electr. Power Syst. Res. 2008, 1726–1735. [Google Scholar] [CrossRef]
- Khan, L.; Lo, K.L. Hybrid micro-GA based FLCs for TCSC and UPFC in a multi-machine environment. Electr. Power Syst. Res. 2006, 832–843. [Google Scholar] [CrossRef]
- Hameed, S.; Das, B.; Pant, V. Reduced rule base self-tuning fuzzy PI controller for TCSC. Int. J. Electr. Power Energy Syst. 2010, 1005–1013. [Google Scholar] [CrossRef]
- Bakhshi, M.; Holakooie, M.H.; Rabiee, A. Fuzzy based damping controller for TCSC using local measurements to enhance transient stability of power systems. Int. J. Electr. Power Energy Syst. 2017, 12–21. [Google Scholar] [CrossRef]
- Tripathy, M.; Mishra, S. Interval type-2-based thyristor controlled series capacitor to improve power system stability. Iet Gener. Transm. Distrib. 2011, 5, 209–222. [Google Scholar] [CrossRef]
- Mohamed, A.A.A.; El-Gaafary, A.A.; Mohamed, Y.S.; Hemeida, A.M. Multi-objective states of matter search algorithm for TCSC-based smart controller design. Electr. Power Syst. Res. 2016, 874–885. [Google Scholar] [CrossRef]
- Taranto, G.N.; Chow, J.H. A robust frequency domain optimization technique for tuning series compensation damping controllers. IEEE Trans. Power Syst. 1995, 10, 1219–1225. [Google Scholar] [CrossRef]
- Sadikovic, R.; Korba, P.; Andersson, G. Application of FACTS devices for damping of power system oscillations. In Proceedings of the 2005 IEEE Russia Power Tech, St. Petersburg, Russia, 27–30 June 2005; pp. 1–6. [Google Scholar] [CrossRef]
- Zhao, Q.; Jiang, J. A TCSC damping controller design using robust control theory. Int. J. Electr. Power Energy Syst. 1998, 25–33. [Google Scholar] [CrossRef]
- Ishimaru, M.; Yokoyama, R.; Shirai, G.; Niimura, T. Robust thyristor-controlled series capacitor controller design based on linear matrix inequality for a multi-machine power system. Int. J. Electr. Power Energy Syst. 2002, 621–629. [Google Scholar] [CrossRef]
- Cai, Z.; Zhu, L.; Lan, Z.; Gan, D.; Ni, Y.; Shi, L.; Bi, T. A study on robust adaptive modulation controller for TCSC based on COI signal in interconnected power systems. Electr. Power Syst. Res. 2008, 147–157. [Google Scholar] [CrossRef]
- Son, K.M.; Park, J.K. On the robust LQG control of TCSC for damping power system oscillations. IEEE Trans. Power Syst. 2000, 15, 1306–1312. [Google Scholar] [CrossRef]
- Ferreira, A.M.; Barreiros, J.A.; Barra, W., Jr.; Brito-de-Souza, J.R. A robust adaptive LQG/LTR TCSC controller applied to damp power system oscillations. Electr. Power Syst. Res. 2007, 956–964. [Google Scholar] [CrossRef]
- Zare, K.; Hagh, M.T.; Morsali, J. Effective oscillation damping of an interconnected multi-source power system with automatic generation control and TCSC. Int. J. Electr. Power Energy Syst. 2015, 220–230. [Google Scholar] [CrossRef]
- Jamnani, J.G.; Pandya, M. Coordination of SVC and TCSC for Management of Power Flow by Particle Swarm Optimization. Energy Procedia 2019, 321–326. [Google Scholar] [CrossRef]
- Abido, M. Pole placement technique for PSS and TCSC-based stabilizer design using simulated annealing. Int. J. Electr. Power Energy Syst. 2000, 543–554. [Google Scholar] [CrossRef]
- Abdel-Magid, Y.L.; Abido, M.A. Robust coordinated design of excitation and TCSC-based stabilizers using genetic algorithms. Electr. Power Syst. Res. 2004, 129–141. [Google Scholar] [CrossRef]
- Fan, L.; Feliachi, A.; Schoder, K. Selection and design of a TCSC control signal in damping power system inter-area oscillations for multiple operating conditions. Electr. Power Syst. Res. 2002, 127–137. [Google Scholar] [CrossRef]
- Hasanvand, H.; Arvan, M.R.; Mozafari, B.; Amraee, T. Coordinated design of PSS and TCSC to mitigate interarea oscillations. Int. J. Electr. Power Energy Syst. 2016, 194–206. [Google Scholar] [CrossRef]
- Maddela, C.O.; Subudhi, B. Robust wide-area TCSC controller for damping enhancement of inter-area oscillations in an interconnected power system with actuator saturation. Int. J. Electr. Power Energy Syst. 2019, 478–487. [Google Scholar] [CrossRef]
- Ali, E.S.; Abd-Elazim, S.M. Coordinated design of PSSs and TCSC via bacterial swarm optimization algorithm in a multimachine power system. Int. J. Electr. Power Energy Syst. 2012, 84–92. [Google Scholar] [CrossRef]
- Ali, E.S.; Abd-Elazim, S.M. TCSC damping controller design based on bacteria foraging optimization algorithm for a multimachine power system. Int. J. Electr. Power Energy Syst. 2012, 23–30. [Google Scholar] [CrossRef]
- Lei, X.; Li, X.; Povh, D. A nonlinear control for coordinating TCSC and generator excitation to enhance the transient stability of long transmission systems. Electr. Power Syst. Res. 2001, 103–109. [Google Scholar] [CrossRef]
- Tripathy, M.; Mishra, S. Coordinated tuning of PSS and TCSC to improve Hopf Bifurcation margin in multimachine power system by a modified Bacteria Foraging Algorithm. Int. J. Electr. Power Energy Syst. 2015, 97–109. [Google Scholar] [CrossRef]
- Eslami, M.; Shareef, H.; Mohamed, A.; Khajehzadeh, M. PSS and TCSC Damping Controller Coordinated Design Using GSA. Energy Procedia 2012, 763–769. [Google Scholar] [CrossRef]
- Elenius, S.; Uhlen, K.; Lakervi, E. Effects of controlled shunt and series compensation on damping in the Nordel system. IEEE Trans. Power Syst. 2005, 20, 1946–1957. [Google Scholar] [CrossRef]
- Angquist, L.; Gama, C. Damping algorithm based on phasor estimation. In Proceedings of the 2001 IEEE Power Engineering Society Winter Meeting. Conference Proceedings (Cat. No.01CH37194), Columbus, OH, USA, 28 January–1 February 2001; Volume 3, pp. 1160–1165. [Google Scholar] [CrossRef]
- Padiyar, K.R.; Rao, K.U. Discrete control of series compensation for stability improvement in power systems. Int. J. Electr. Power Energy Syst. 1997, 311–319. [Google Scholar] [CrossRef]
- Alam, M.S.; Shafiullah, M.; Hossain, M.I.; Hasan, M.N. Enhancement of power system damping employing TCSC with genetic algorithm based controller design. In Proceedings of the 2015 International Conference on Electrical Engineering and Information Communication Technology (ICEEICT), Savar, Bangladesh, 21–23 May 2015; pp. 1–5. [Google Scholar] [CrossRef]
- Del Rosso, A.D.; Canizares, C.A.; Dona, V.M. A study of TCSC controller design for power system stability improvement. IEEE Trans. Power Syst. 2003, 18, 1487–1496. [Google Scholar] [CrossRef]
- Li, C.; Xiao, L.; Cao, Y.; Zhu, Q.; Fang, B.; Tan, Y.; Zeng, L. Optimal allocation of multi-type FACTS devices in power systems based on power flow entropy. J. Mod. Power Syst. Clean Energy 2014, 173–180. [Google Scholar] [CrossRef]
- Li, B.H.; Wu, Q.H.; Turner, D.R.; Wang, P.Y.; Zhou, X.X. Modelling of TCSC dynamics for control and analysis of power system stability. Int. J. Electr. Power Energy Syst. 2000, 43–49. [Google Scholar] [CrossRef]
- Ambriz-Perez, H.; Acha, E.; Fuerte-Esquivel, C.R. TCSC-firing angle model for optimal power flow solutions using Newton’s method. Int. J. Electr. Power Energy Syst. 2006, 77–85. [Google Scholar] [CrossRef]
- Chatterjee, D.; Ghosh, A. TCSC control design for transient stability improvement of a multi-machine power system using trajectory sensitivity. Electr. Power Syst. Res. 2007, 470–483. [Google Scholar] [CrossRef]
- Dash, P.K.; Pradhan, A.K.; Panda, G.; Liew, A.C. Digital protection of power transmission lines in the presence of series connected FACTS devices. In Proceedings of the 2000 IEEE Power Engineering Society Winter Meeting. Conference Proceedings (Cat. No.00CH37077), Singapore, 23–27 January 2000; Volume 3, pp. 1967–1972. [Google Scholar]
- Weiguo, W.; Xianggen, Y.; Jiang, Y.; Xianzhong, D.; Deshu, C. The impact of TCSC on distance protection relay. In Proceedings of the POWERCON ’98. 1998 International Conference on Power System Technology, Proceedings (Cat. No.98EX151), Beijing, China, 18–21 August 1998; Volume 1, pp. 382–388. [Google Scholar] [CrossRef]
- Li, S. Power flow control effect with TCSC on operation margin of zone 3 impedance relays. Int. J. Electr. Power Energy Syst. 2010, 998–1004. [Google Scholar] [CrossRef]
- Sahoo, B.; Samantaray, S.R. An enhanced fault detection and location estimation method for TCSC compensated line connecting wind farm. Int. J. Electr. Power Energy Syst. 2018, 432–441. [Google Scholar] [CrossRef]
- Nobakhti, S.M.; Akhbari, M. A new algorithm for fault location in series compensated transmission lines with TCSC. Int. J. Electr. Power Energy Syst. 2014, 79–89. [Google Scholar] [CrossRef]
- Acharya, N.; Mithulananthan, N. Influence of TCSC on congestion and spot price in electricity market with bilateral contract. Electr. Power Syst. Res. 2007, 1010–1018. [Google Scholar] [CrossRef]
- Billinton, R.; Fotuhi-Firuzabad, M.; Faried, S.O. Power system reliability enhancement using a thyristor controlled series capacitor. IEEE Trans. Power Syst. 1999, 14, 369–374. [Google Scholar] [CrossRef]
- Benchaib, A.; Poullain, S.; Weiler, Y. Control System and a Method of Controlling a TCSC in an Electrical Transmission Network, in Particular by an Approach Using Sliding Modes. U.S. Patent US20100292863A1, 24 April 2007. Available online: https://patents.google.com/patent/US20100292863A1 (accessed on 17 March 2021).
- Larsen, E.V.; Nyati, S.; Eitzmann, M.A.; Urbanek, J.; Clark, K. Transient Damping Thyristor Controlled Series Capacitor System. U.S. Patent US5374853A, 20 December 1993. Available online: https://patents.google.com/patent/US5374853A (accessed on 17 March 2021).
- De Souza, L.F.W.; Watanabe, E.H.; Aredes, M. GTO controlled series capacitors: Multi-module and multi-pulse arrangements. IEEE Trans. Power Deliv. 2000, 15, 725–731. [Google Scholar] [CrossRef]
- de Jesus, F.D.; Watanabe, E.H.; de Souza, L.F.W.; Alves, J.E.R. SSR and Power Oscillation Damping Using Gate-Controlled Series Capacitors (GCSC). IEEE Trans. Power Deliv. 2007, 22, 1806–1812. [Google Scholar] [CrossRef]
- Alizadeh Pahlavani, M.R.; Mohammadpour, H.A. Damping of sub-synchronous resonance and low-frequency power oscillation in a series-compensated transmission line using gate-controlled series capacitor. Electr. Power Syst. Res. 2011, 308–317. [Google Scholar] [CrossRef]
- Morsali, J.; Zare, K.; Tarafdar Hagh, M. MGSO optimised TID-based GCSC damping controller in coordination with AGC for diverse-GENCOs multi-DISCOs power system with considering GDB and GRC non-linearity effects. IET Gener. Transm. Distrib. 2017, 11, 193–208. [Google Scholar] [CrossRef]
- Sen, K.K. SSSC-static synchronous series compensator: Theory, modeling, and application. IEEE Trans. Power Deliv. 1998, 13, 241–246. [Google Scholar] [CrossRef]
- Edris, A.A.C.; Chow, J.; Watanabe, E.; Barbosa, P.; Halvarsson, P.; Angquist, L.; Fardenesh, B.; Uzunovic, E.; Huang, A.; Tyll, H.; et al. Static synchronous series compensator (SSSC); Technical Brochure No. 371, CIGRE Working Group B4-40; CIGRE: Paris, France, 2009. [Google Scholar]
- Vinkovic, A.; Mihalic, R. A current-based model of the static synchronous series compensator (SSSC) for Newton—Raphson power flow. Electr. Power Syst. Res. 2008, 1806–1813. [Google Scholar] [CrossRef]
- Kamel, S.; Jurado, F.; Chen, Z. Power flow control for transmission networks with implicit modeling of static synchronous series compensator. Int. J. Electr. Power Energy Syst. 2015, 911–920. [Google Scholar] [CrossRef]
- Zhang, Y.; Zhang, Y. A novel power injection model of embedded SSSC with multi-control modes for power flow analysis inclusive of practical constraints. Electr. Power Syst. Res. 2006, 374–381. [Google Scholar] [CrossRef]
- Zhang, X.-P. Advanced modeling of the multicontrol functional static synchronous series compensator (SSSC) in Newton power flow. IEEE Trans. Power Syst. 2003, 18, 1410–1416. [Google Scholar] [CrossRef]
- Pradhan, A.C.; Lehn, P.W. Frequency-domain analysis of the static synchronous series compensator. IEEE Trans. Power Deliv. 2006, 21, 440–449. [Google Scholar] [CrossRef]
- Eremia, M.; Liu, C.C.; Edris, A.A. Static Synchronous Series Compensator (SSSC). In Advanced Solutions in Power Systems: HVDC, FACTS, and Artificial Intelligence; IEEE Press: Piscataway, NJ, USA; John Wiley & Sons: Hoboken, NJ, USA, 2016; pp. 527–557. [Google Scholar] [CrossRef]
- Pillai, G.N.; Ghosh, A.; Joshi, A. Torsional interaction studies on a power system compensated by SSSC and fixed capacitor. IEEE Trans. Power Deliv. 2003, 18, 988–993. [Google Scholar] [CrossRef]
- Sunil Kumar, L.; Ghosh, A. Modeling and control design of a static synchronous series compensator. IEEE Trans. Power Deliv. 1999, 14, 1448–1453. [Google Scholar] [CrossRef]
- Pillai, G.N.; Ghosh, A.; Joshi, A. Torsional oscillation studies in an SSSC compensated power system. Electr. Power Syst. Res. 2000, 57–64. [Google Scholar] [CrossRef]
- Han, B.; Baek, S.; Kim, H.; Karady, G. Dynamic characteristic analysis of SSSC based on multibridge inverter. IEEE Trans. Power Deliv. 2002, 17, 623–629. [Google Scholar] [CrossRef]
- Griffo, A.; Lauria, D. Two-Leg Three-Phase Inverter Control for STATCOM and SSSC Applications. IEEE Trans. Power Deliv. 2008, 23, 361–370. [Google Scholar] [CrossRef]
- El-Zonkoly, A. Optimal sizing of SSSC controllers to minimize transmission loss and a novel model of SSSC to study transient response. Electr. Power Syst. Res. 2008, 1856–1864. [Google Scholar] [CrossRef]
- Natesan, R.; Radman, G. Effects of STATCOM, SSSC and UPFC on voltage stability. In Proceedings of the Thirty-Sixth Southeastern Symposium on System Theory, Atlanta, GA, USA, 16 March 2004; pp. 546–550. [Google Scholar] [CrossRef]
- Devi, S.; Geethanjali, M. Optimal location and sizing of Distribution Static Synchronous Series Compensator using Particle Swarm Optimization. Int. J. Electr. Power Energy Syst. 2014, 646–653. [Google Scholar] [CrossRef]
- Wang, H. Static synchronous series compensator to damp power system oscillations. Electr. Power Syst. Res. 2000, 113–119. [Google Scholar] [CrossRef]
- Wang, H.F. Design of SSSC damping controller to improve power system oscillation stability. In Proceedings of the 1999 IEEE Africon. 5th Africon Conference in Africa (Cat. No.99CH36342), Cape Town, South Africa, 28 September–1 October 1999; Volume 1, pp. 495–500. [Google Scholar]
- Al-Jowder, F. Improvement of synchronizing power and damping power by means of SSSC and STATCOM: A comparative study. Electr. Power Syst. Res. 2007, 1112–1117. [Google Scholar] [CrossRef]
- Tarafdar Hagh, M.; Sharifian, M.; Galvani, S. Impact of SSSC and STATCOM on power system predictability. Int. J. Electr. Power Energy Syst. 2014, 159–167. [Google Scholar] [CrossRef]
- Haque, M. Damping improvement by FACTS devices: A comparison between STATCOM and SSSC. Electr. Power Syst. Res. 2006, 865–872. [Google Scholar] [CrossRef]
- Norouzi, A.H.; Sharaf, A.M. Two control schemes to enhance the dynamic performance of the STATCOM and SSSC. IEEE Trans. Power Deliv. 2005, 20, 435–442. [Google Scholar]
- El-Moursi, M.S.; Sharaf, A.M. Novel controllers for the 48-pulse VSC STATCOM and SSSC for voltage regulation and reactive power compensation. IEEE Trans. Power Syst. 2005, 20, 1985–1997. [Google Scholar] [CrossRef]
- Chen, J.; Lie, T.T.; Vilathgamuwa, D.M. Damping of power system oscillations using SSSC in real-time implementation. Int. J. Electr. Power Energy Syst. 2004, 357–364. [Google Scholar] [CrossRef]
- Truong, D.N.; Ngo, V.T. Designed damping controller for SSSC to improve stability of a hybrid offshore wind farms considering time delay. Int. J. Electr. Power Energy Syst. 2015, 425–431. [Google Scholar] [CrossRef]
- Panda, S. Multi-objective evolutionary algorithm for SSSC-based controller design. Electr. Power Syst. Res. 2009, 937–944. [Google Scholar] [CrossRef]
- Bhukya, J.; Mahajan, V. Optimization of damping controller for PSS and SSSC to improve stability of interconnected system with DFIG based wind farm. Int. J. Electr. Power Energy Syst. 2019, 314–335. [Google Scholar] [CrossRef]
- Morsali, J.; Zare, K.; Hagh, M.T. A novel dynamic model and control approach for SSSC to contribute effectively in AGC of a deregulated power system. Int. J. Electr. Power Energy Syst. 2018, 239–253. [Google Scholar] [CrossRef]
- Khadanga, R.K.; Satapathy, J.K. Time delay approach for PSS and SSSC based coordinated controller design using hybrid PSO—GSA algorithm. Int. J. Electr. Power Energy Syst. 2015, 262–273. [Google Scholar] [CrossRef]
- Movahedi, A.; Niasar, A.H.; Gharehpetian, G.B. Designing SSSC, TCSC, and STATCOM controllers using AVURPSO, GSA, and GA for transient stability improvement of a multi-machine power system with PV and wind farms. Int. J. Electr. Power Energy Syst. 2019, 455–466. [Google Scholar] [CrossRef]
- Panda, S.; Yegireddy, N.K.; Mohapatra, S.K. Hybrid BFOA—PSO approach for coordinated design of PSS and SSSC-based controller considering time delays. Int. J. Electr. Power Energy Syst. 2013, 221–233. [Google Scholar] [CrossRef]
- Abd Elazim, S.; Ali, E. Optimal SSSC design for damping power systems oscillations via Gravitational Search Algorithm. Int. J. Electr. Power Energy Syst. 2016, 161–168. [Google Scholar] [CrossRef]
- Jowder, F.A.L. Influence of mode of operation of the SSSC on the small disturbance and transient stability of a radial power system. IEEE Trans. Power Syst. 2005, 20, 935–942. [Google Scholar] [CrossRef]
- Castro, M.S.; Ayres, H.M.; Da Costa, V.F.; Da Silva, L.C.P. Impacts of the SSSC control modes on small-signal and transient stability of a power system. Electr. Power Syst. Res. 2007, 1–9. [Google Scholar] [CrossRef]
- de Dieu Nguimfack-Ndongmo, J.; Kenné, G.; Kuate-Fochie, R.; Cheukem, A.; Fotsin, H.B.; Lamnabhi-Lagarrigue, F. A simplified nonlinear controller for transient stability enhancement of multimachine power systems using SSSC device. Int. J. Electr. Power Energy Syst. 2014, 650–657. [Google Scholar] [CrossRef]
- Mihalic, R.; Gabrijel, U. A structure-preserving energy function for a static series synchronous compensator. IEEE Trans. Power Syst. 2004, 19, 1501–1507. [Google Scholar] [CrossRef]
- Gholipour, E.; Nosratabadi, S.M. A new coordination strategy of SSSC and PSS controllers in power system using SOA algorithm based on Pareto method. Int. J. Electr. Power Energy Syst. 2015, 462–471. [Google Scholar] [CrossRef]
- Ngamroo, I.; Kongprawechnon, W. A robust controller design of SSSC for stabilization of frequency oscillations in interconnected power systems. Electr. Power Syst. Res. 2003, 161–176. [Google Scholar] [CrossRef]
- Mihalič, R.; Papič, I. Static synchronous series compensator—A mean for dynamic power flow control in electric power systems. Electr. Power Syst. Res. 1998, 65–72. [Google Scholar] [CrossRef]
- Bongiorno, M.; Angquist, L.; Svensson, J. A Novel Control Strategy for Subsynchronous Resonance Mitigation Using SSSC. IEEE Trans. Power Deliv. 2008, 23, 1033–1041. [Google Scholar] [CrossRef]
- Bongiorno, M.; Svensson, J.; Angquist, L. Single-Phase VSC Based SSSC for Subsynchronous Resonance Damping. IEEE Trans. Power Deliv. 2008, 23, 1544–1552. [Google Scholar] [CrossRef]
- Rai, D.; Faried, S.O.; Ramakrishna, G.; Edris, A. An SSSC-Based Hybrid Series Compensation Scheme Capable of Damping Subsynchronous Resonance. IEEE Trans. Power Deliv. 2012, 27, 531–540. [Google Scholar] [CrossRef]
- Jowder, F.A.R.A.; Ooi, B.-T. Series compensation of radial power system by a combination of SSSC and dielectric capacitors. IEEE Trans. Power Deliv. 2005, 20, 458–465. [Google Scholar]
- Farahani, M. Damping of subsynchronous oscillations in power system using static synchronous series compensator. IET Gener. Transm. Distrib. 2012, 6, 539–544. [Google Scholar] [CrossRef]
- Rajaram, T.; Reddy, J.M.; Xu, Y. Kalman Filter Based Detection and Mitigation of Subsynchronous Resonance with SSSC. IEEE Trans. Power Syst. 2017, 32, 1400–1409. [Google Scholar]
- Widyan, M.S. Controlling chaos and bifurcations of SMIB power system experiencing SSR phenomenon using SSSC. Int. J. Electr. Power Energy Syst. 2013, 66–75. [Google Scholar] [CrossRef]
- Awad, H.; Nelsen, H.; Blaabjerg, F.; Newman, M.J. Operation of static series compensator under distorted utility conditions. IEEE Trans. Power Syst. 2005, 20, 448–457. [Google Scholar] [CrossRef]
- Qader, M. A novel strategic-control-based Distribution Static Synchronous Series Compensator (DSSSC) for power quality improvement. Int. J. Electr. Power Energy Syst. 2015, 1106–1118. [Google Scholar] [CrossRef]
- Ghorbani, A.; Mozafari, B.; Ranjbar, A.M. Digital distance protection of transmission lines in the presence of SSSC. Int. J. Electr. Power Energy Syst. 2012, 712–719. [Google Scholar] [CrossRef]
- Abdollahzadeh, H.; Mozafari, B.; Jazaeri, M. Realistic insights into impedance seen by distance relays of a SSSC-compensated transmission line incorporating shunt capacitance of line. Int. J. Electr. Power Energy Syst. 2015, 394–407. [Google Scholar] [CrossRef]
- Sadeh, J.; Adinehzadeh, A. Accurate fault location algorithm for transmission line in the presence of series connected FACTS devices. Int. J. Electr. Power Energy Syst. 2010, 323–328. [Google Scholar] [CrossRef]
- Inam, H.; Das, D.; Iyer, A. Modular FACTS Devices with External Fault Current Protection. US Patent US10666038B2, 26 May 2017. [Google Scholar]
- Divan, D. Improving power line utilization and performance with D-FACTS devices. In Proceedings of the IEEE Power Engineering Society General Meeting, San Francisco, CA, USA, 16 June 2005; Volume 3, pp. 2419–2424. [Google Scholar]
- Divan, D.; Johal, H. Distributed FACTS—A New Concept for Realizing Grid Power Flow Control. In Proceedings of the 2005 IEEE 36th Power Electronics Specialists Conference, Dresden, Germany, 16 June 2005; pp. 8–14. [Google Scholar] [CrossRef]
- Divan, D.; Johal, H. Distributed FACTS—A New Concept for Realizing Grid Power Flow Control. IEEE Trans. Power Electron. 2007, 22, 2253–2260. [Google Scholar] [CrossRef]
- Das, D.; Kreikebaum, F.; Divan, D.; Lambert, F. Reducing transmission investment to meet Renewable Portfolio Standards Using Smart Wires. In Proceedings of the IEEE PES T D 2010, New Orleans, LA, USA, 19–22 April 2010; pp. 1–7. [Google Scholar]
- Kreikebaum, F.; Imayavaramban, M.; Divan, D. Active smart wires: An inverter-less static series compensator. In Proceedings of the 2010 IEEE Energy Conversion Congress and Exposition, Atlanta, GA, USA, 12–16 September 2010; pp. 3626–3630. [Google Scholar]
- Kreikebaum, F.; Das, D.; Yang, Y.; Lambert, F.; Divan, D. Smart Wires—A distributed, low-cost solution for controlling power flows and monitoring transmission lines. In Proceedings of the 2010 IEEE PES Innovative Smart Grid Technologies Conference Europe (ISGT Europe), Gothenburg, Sweden, 11–13 October 2010; pp. 1–8. [Google Scholar]
- Divan, D.; Kandula, P. Distributed power electronics: An enabler for the future grid. CPSS Trans. Power Electron. Appl. 2016, 1, 57–65. [Google Scholar] [CrossRef]
- Johal, H.; Divan, D. Design considerations for series connected distributed FACTS converters. In Proceedings of the Fourtieth IAS Annual Meeting. Conference Record of the 2005 Industry Applications Conference, Hong Kong, China, 2–6 October 2005; Volume 2, pp. 889–895. [Google Scholar]
- Johal, H.; Divan, D. Design Considerations for Series-Connected Distributed FACTS Converters. IEEE Trans. Ind. Appl. 2007, 43, 1609–1618. [Google Scholar] [CrossRef]
- Perez, R.; Oliveira, G.; Pereira, M.; Falcao, D.; Kreikebaum, F.; Ramsay, S. FACTS and D-FACTS: The Operational Flexibility Demanded by the Transmission Expansion Planning Task with Increasing RES; CIGRE Paper C1-202-2014; CIGRE: Paris, France, 2014. [Google Scholar]
- Lopes, L.A.C.; Joos, G. Pulse width modulated capacitor for series compensation. IEEE Trans. Power Electron. 2001, 16, 167–174. [Google Scholar] [CrossRef]
- Li, T.; Xie, H. Transformer-Less Static Synchronous Series Compensator and Method Therefor. Patent WO2017008245A9, 14 July 2015. Available online: https://patents.google.com/patent/WO2017008245A9 (accessed on 17 March 2021).
- Bojorquez, B.; Santos Lopez, E.; Longoria, M.; Babaei, S. Advantages of M-SSSC Devices over Traditional Series Compensation; CIGRE Session 48 B4-PS3-FACTS; CIGRE: Paris, France, 2020. [Google Scholar]
- Saradarzadeh, M.; Farhangi, S.; Schanen, J.L.; Jeannin, P.; Frey, D. Application of cascaded H-bridge distribution-static synchronous series compensator in electrical distribution system power flow control. IET Power Electron. 2012, 5, 1660–1675. [Google Scholar] [CrossRef]
- Saradarzadeh, M.; Farhangi, S.; Schanen, J.L.; Jeannin, P.; Frey, D. Combination of power flow controller and short-circuit limiter in distribution electrical network using a cascaded H-bridge distribution-static synchronous series compensator. IET Gener. Transm. Distrib. 2012, 6, 1121–1131. [Google Scholar] [CrossRef]
- Khazaie, J.; Mokhtari, M.; Khalilyan, M.; Nazarpour, D. Sub-Synchronous Resonance damping using Distributed Static Series Compensator (DSSC) enhanced with fuzzy logic controller. Int. J. Electr. Power Energy Syst. 2012, 80–89. [Google Scholar] [CrossRef]
- Rogers, K.M.; Overbye, T.J. Power flow control with Distributed Flexible AC Transmission System (D-FACTS) devices. In Proceedings of the 41st North American Power Symposium, Starkville, MS, USA, 4–6 October 2009; pp. 1–6. [Google Scholar]
- Rogers, K.M.; Overbye, T.J. Some applications of Distributed Flexible AC Transmission System (D-FACTS) devices in power systems. In Proceedings of the 2008 40th North American Power Symposium, Calgary, AB, Canada, 28–30 September 2008; pp. 1–8. [Google Scholar]
- Brissette, A.; Maksimovic, D.; Levron, Y. Distributed Series Static Compensator Deployment Using a Linearized Transmission System Model. IEEE Trans. Power Deliv. 2015, 30, 1269–1277. [Google Scholar] [CrossRef]
- Sang, Y.; Sahraei-Ardakani, M. The Interdependence between Transmission Switching and Variable-Impedance Series FACTS Devices. IEEE Trans. Power Syst. 2018, 33, 2792–2803. [Google Scholar] [CrossRef]
- Das, D.; Prasai, A.; Harley, R.G.; Divan, D. Optimal placement of Distributed Facts devices in power networks Using Particle Swarm Optimization. In Proceedings of the 2009 IEEE Energy Conversion Congress and Exposition, San Jose, CA, USA, 20–24 September 2009; pp. 527–534. [Google Scholar] [CrossRef]
- Dorostkar-Ghamsari, M.; Fotuhi-Firuzabad, M.; Aminifar, F.; Safdarian, A.; Lehtonen, M. Optimal distributed static series compensator placement for enhancing power system loadability and reliability. IET Gener. Transm. Distrib. 2015, 9, 1043–1050. [Google Scholar] [CrossRef]
- Zhang, X.; Tomsovic, K.; Dimitrovski, A. Security Constrained Multi-Stage Transmission Expansion Planning Considering a Continuously Variable Series Reactor. IEEE Trans. Power Syst. 2017, 32, 4442–4450. [Google Scholar] [CrossRef]
- Zhang, X.; Shi, D.; Wang, Z.; Zeng, B.; Wang, X.; Tomsovic, K.; Jin, Y. Optimal Allocation of Series FACTS Devices under High Penetration of Wind Power within a Market Environment. IEEE Trans. Power Syst. 2018, 33, 6206–6217. [Google Scholar] [CrossRef]
- Zhang, X.; Tomsovic, K.; Dimitrovski, A. Optimal allocation of series FACTS devices in large-scale systems. IET Gener. Transm. Distrib. 2018, 12, 1889–1896. [Google Scholar] [CrossRef]
- Zhang, X.; Xu, C.; Shi, D.; Wang, Z.; Zhang, Q.; Liu, G.; Tomsovic, K.; Dimitrovski, A. Allocation of a variable series reactor considering AC constraints and contingencies. CSEE J. Power Energy Syst. 2019, 5, 63–72. [Google Scholar] [CrossRef]
- Yuan, Z.; Wang, W.; Wang, H.; Ghadimi, N. Probabilistic decomposition-based security constrained transmission expansion planning incorporating distributed series reactor. IET Gener. Transm. Distrib. 2020, 14, 3478–3487. [Google Scholar] [CrossRef]
- Nikoobakht, A.; Aghaei, J.; Niknam, T.; Shafie-khah, M.; Cataláo, J.P.S. Smart Wire Placement to Facilitate Large-Scale Wind Energy Integration: An Adaptive Robust Approach. IEEE Trans. Sustain. Energy 2019, 10, 1981–1992. [Google Scholar] [CrossRef]
- Vinasco, G.E.; Ordóñez, C.A. Optimization Model for Distributed Series Compensation with AC Power Flow. In Proceedings of the 2019 FISE-IEEE/CIGRE Conference—Living the energy Transition (FISE/CIGRE), Medellin, Colombia, 4–6 December 2019; pp. 1–4. [Google Scholar] [CrossRef]
- Dai, J.; Tang, Y.; Liu, Y.; Ning, J.; Wang, Q.; Zhu, N.; Zhao, J. Optimal configuration of distributed power flow controller to enhance system loadability via mixed integer linear programming. J. Mod. Power Syst. Clean Energy 2019, 7, 1484–1494. [Google Scholar] [CrossRef]
- Kirthika, N.; Balamurugan, S. A new dynamic control strategy for power transmission congestion management using series compensation. Int. J. Electr. Power Energy Syst. 2016, 271–279. [Google Scholar] [CrossRef]
- Inam, H.; Das, D.; Kreikebaum, F.; Iyer, A.; Zhao, A. System and method for distributed grid control with sub-cyclic local response capability. US Patent US10559975B2, 9 October 2016. Available online: https://patents.google.com/patent/US10559975B2 (accessed on 17 March 2021).












| Category | IEEE/IET Journals | Elsevier and Energies | CIGRE | IEEE/IET Conferences | Total |
|---|---|---|---|---|---|
| FSC | 68 | 31 | 14 | 93 | 206 |
| FSR/TCSR | 1 | 0 | 3 | 2 | 7 |
| TSSC | 1 | 0 | 0 | 2 | 3 |
| TCSC | 50 | 70 | 13 | 923 | 1056 |
| GCSC | 7 | 2 | 1 | 15 | 25 |
| SSSC | 25 | 42 | 2 | 307 | 376 |
| DSSC/D-FACTS | 13 | 1 | 2 | 56 | 72 |
| Series FACTS | 0 | 5 | 0 | 37 | 42 |
| Total | 165 | 151 | 35 | 1435 | 1786 |
| Category | Control | Design/Model | Operation | Planning | Protections | Stability | Installation | Total |
|---|---|---|---|---|---|---|---|---|
| TCSC | 55 | 13 | 24 | 5 | 10 | 12 | 1 | 120 |
| FSC | 20 | 23 | 7 | 11 | 16 | 15 | 7 | 99 |
| SSSC | 42 | 3 | 2 | 14 | 4 | 2 | 0 | 67 |
| DSSC | 3 | 2 | 7 | 2 | 0 | 0 | 0 | 14 |
| GCSC | 2 | 2 | 0 | 4 | 1 | 0 | 0 | 9 |
| Series FACTS | 3 | 0 | 1 | 0 | 0 | 1 | 0 | 5 |
| TCSR | 0 | 0 | 0 | 1 | 0 | 0 | 0 | 1 |
| TSSC | 1 | 0 | 0 | 0 | 0 | 0 | 0 | 1 |
| Total | 126 | 43 | 41 | 37 | 31 | 30 | 8 | 316 |
Publisher’s Note: MDPI stays neutral with regard to jurisdictional claims in published maps and institutional affiliations. |
© 2021 by the authors. Licensee MDPI, Basel, Switzerland. This article is an open access article distributed under the terms and conditions of the Creative Commons Attribution (CC BY) license (http://creativecommons.org/licenses/by/4.0/).
Share and Cite
Ordóñez, C.A.; Gómez-Expósito, A.; Maza-Ortega, J.M. Series Compensation of Transmission Systems: A Literature Survey. Energies 2021, 14, 1717. https://doi.org/10.3390/en14061717
Ordóñez CA, Gómez-Expósito A, Maza-Ortega JM. Series Compensation of Transmission Systems: A Literature Survey. Energies. 2021; 14(6):1717. https://doi.org/10.3390/en14061717
Chicago/Turabian StyleOrdóñez, Camilo Andrés, Antonio Gómez-Expósito, and José María Maza-Ortega. 2021. "Series Compensation of Transmission Systems: A Literature Survey" Energies 14, no. 6: 1717. https://doi.org/10.3390/en14061717
APA StyleOrdóñez, C. A., Gómez-Expósito, A., & Maza-Ortega, J. M. (2021). Series Compensation of Transmission Systems: A Literature Survey. Energies, 14(6), 1717. https://doi.org/10.3390/en14061717

