Optimized Fuzzy Skyhook Control for Semi-Active Vehicle Suspension with New Inverse Model of Magnetorheological Fluid Damper
Abstract
1. Introduction
2. Dynamic Model of the MRF Damper
2.1. Mechanical Test of the MRF Damper
2.2. Bouc-Wen Model
2.3. The Dynamic Model of MRF Damper
- (1)
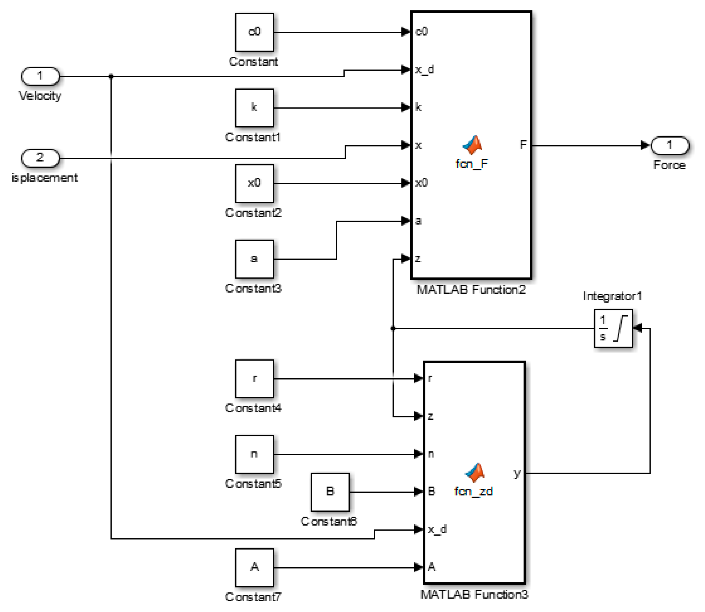
- Build the Bouc-Wen model in Simulink. The model is shown in Figure 6.
- (2)
- Import the test data. The test data of sinusoidal excitation with 5 mm, 1 Hz shown in Figure 3 under different current conditions were imported into the Simulink model. The input values of the model were displacement and velocity, and the output value was damping force.
- (3)
- Select the parameters to identify. The Bouc-Wen model has eight unknown parameters; first, set an initial value first, and then start to identify. The initial values are listed in Table 1.
- (4)
- In the process of parameter identification, the parameters have different effects on the Bouc-Wen model. It was found that γ and β only affect the shape of the hysteresis loop but not the magnitude of the damping force, and n only affects the smoothness of the transition curve from the elastic zone to the plastic zone [8]. From Figure 4, it can be seen that the magnitude of the current has a great influence on the damping force amplitude. Through the preliminary identification of the model parameters, we found that the values of parameters A, α, and c0 vary greatly with the current, so it was assumed that a relationship can be developed between A, α, c0 and the magnitude of current. The other parameters were fixed as constants. The parameters identified are listed in Table 2.
3. The Inverse Dynamic Model of MRF Damper
3.1. Data Generation
3.2. Elman Neural Network
3.3. The Inverse Model of the MRF Damper
4. Numerical Simulation of the MRF Suspension
4.1. The Dynamic Model of the Vehicle Suspension
4.2. Semi-Active Control Algorithm
4.3. Semi-Active Control Simulation
5. Conclusions
Author Contributions
Funding
Institutional Review Board Statement
Informed Consent Statement
Data Availability Statement
Conflicts of Interest
References
- Lloyd John, R.; Hayesmichel Miquel, O.; Radcliffe Clark, J. Internal Organizational Measurement for Control of Magnetorheological Fluid Properties. J. Fluids Eng. 2007, 129, 4. [Google Scholar] [CrossRef]
- Lee, C.-H.; Jang, M.-G. Virtual Surface Characteristics of a Tactile Display Using Magneto-Rheological Fluids. Sensors 2011, 11, 2845–2856. [Google Scholar] [CrossRef] [PubMed]
- Du, H.; Lam, J.; Cheung, K.C.; Li, W.; Zhang, N. Direct voltage control of magnetorheological damper for vehicle suspensions. Smart Mater. Struct. 2013, 22, 105016. [Google Scholar] [CrossRef]
- Wang, J.; Dong, C.; Shen, Y.; Wei, J. Robust modelling and control of vehicle active suspension with MR damper. Veh. Syst. Dyn. 2011, 46, 509–520. [Google Scholar] [CrossRef]
- Liu, Z.; Ren, H.; Chen, S.; Chen, Y.; Feng, J. Feedback Linearization Kalman Observer Based Sliding Mode Control for Semi-Active Suspension Systems. IEEE Access 2020, 8, 71721–71738. [Google Scholar] [CrossRef]
- Esteki, K.; Bagchi, A.; Sedaghati, R. Dynamic analysis of electro- and magneto-rheological fluid dampers using duct flow models. Smart Mater. Struct. 2014, 23, 035016. [Google Scholar] [CrossRef]
- Bouc, R. A Mathematical Model for Hysteresis. Acta Acust. United Acust. 1971, 24, 16–25. [Google Scholar]
- Wen, Y.K. Method of random vibration of hysteretic systems. J. Eng. Mech. 1976, 102, 249–263. [Google Scholar]
- Stanway, R.; Sproston, J.L.; Stevens, N.G. Non-linear modelling of an electro-rheological vibration damper. J. Electrost. 1987, 20, 167–184. [Google Scholar] [CrossRef]
- Dahl, P.R. Solid Friction Damping of Mechanical Vibrations. AIAA J. 2012, 14, 1675–1682. [Google Scholar] [CrossRef]
- Hiwatashi, T.; Shiozaki, Y.; Fujitani, H.; Minowa, C.; Soda, S. Shaking table tests on semi-active base-isolation system by magnetorheological fluid damper. In Proceedings Volume 5056, Smart Structures and Materials 2003: Smart Structures and Integrated Systems, Proceedings of the Smart Structures and Materials, San Diego, CA, USA, 2–6 March 2003; SPIE: Bellingham, WA, USA, 2012; Volume 14. [Google Scholar]
- Qian, L.J.; Liu, B.; Chen, P.; Bai, X.X. An inverse model for magnetorheological dampers based on a restructured phenomenological model. In Proceedings Volume 9799, Active and Passive Smart Structures and Integrated Systems, Proceedings of the 2016 SPIE Smart Structures and Materials + Nondestructive Evaluation and Health Monitoring, Las Vegas, NV, USA, 20–24 March 2016; SPIE: Bellingham, WA, USA, 2013; Volume 14. [Google Scholar]
- Liu, X.; Wang, N.; Wang, K.; Chen, S.-M.; Sun, S.; Li, Z.; Li, W. A new AI-surrogate model for dynamics analysis of a magnetorheological damper in the semi-active seat suspension. Smart Mater. Struct. 2020, 29, 037001. [Google Scholar] [CrossRef]
- Dzung, N.S.; Choi, S.B. A new neuro-fuzzy training algorithm for identifying dynamic characteristics of smart dampers. Smart Mater. Struct. 2012, 21, 85021. [Google Scholar]
- Zhang, N.; Zhao, Q. Fuzzy sliding mode controller design for semi-active seat suspension with neuro-inverse dynamics approximation for MR damper. J. Vibroengineering 2017, 19, 3488–3511. [Google Scholar]
- Lv, J.; Guo, C.; Shen, Z.P.; Zhao, M.; Zhang, Y. Summary of Artificial Neuron Model Research. In Proceedings of the IECON 2007-33rd Annual Conference of the IEEE Industrial Electronics Society, Taipei, Taiwan, 5–8 November 2007. [Google Scholar]
- Wang, X.; Bi, F.; Du, H. Reduction of low frequency vibration of truck driver and seating system through system parameter identification, sensitivity analysis and active control. Mech. Syst. Signal Process. 2017, 105, 16–35. [Google Scholar] [CrossRef]
- Bi, F.; Ma, T.; Wang, X. Research on Vibration Control of Seating System Platform Based on the Cubic Stewart Parallel Mechanism. IEEE Access 2019, 7, 155637–155649. [Google Scholar] [CrossRef]
- Weber, F. Robust force tracking control scheme for MR dampers. Struct. Control Health Monit. 2015, 22, 1373–1395. [Google Scholar] [CrossRef]
- Weber, F. Semi-active vibration absorber based on real-time controlled MR damper. Mech. Syst. Signal Process. 2014, 46, 272–288. [Google Scholar] [CrossRef]
- Yu, M. Study on MR Semi-active Suspension System and its Road Testing. J. Intell. Mater. Syst. Struct. 2006, 17, 801–806. [Google Scholar] [CrossRef]
- Sulaiman, M.H.; Mustaffa, Z.; Mohamed, M.R.; Aliman, O. Using the gray wolf optimizer for solving optimal reactive power dispatch problem. Appl. Soft Comput. 2015, 32, 286–292. [Google Scholar] [CrossRef]
- Peng, G.R.; Li, W.H.; Du, H. Modelling and identifying the parameters of a magneto-rheological damper with a force-lag phenomenon. Appl. Math. Model. 2015, 38, 3763–3773. [Google Scholar] [CrossRef]
- Wang, J. A deep learning approach for atrial fibrillation signals classification based on convolutional and modified Elman neural network. Future Gener. Comput. Syst. 2019, 102, 670–679. [Google Scholar] [CrossRef]
- Yaoli, W.; Lipo, W.; Fangjun, Y.; Wenxia, D.; Qing, C. Advantages of direct input-to-output connections in neural networks: The Elman network for stock index forecasting. Inf. Sci. 2021, 547, 1066–1079. [Google Scholar]
- Sun, S.S.; Ning, D.H.; Yang, J.; Du, H.; Zhang, S.W.; Li, W.H. A seat suspension with a rotary magnetorheological damper for heavy duty vehicles. Smart Mater. Struct. 2016, 25, 105032. [Google Scholar] [CrossRef]
- Mirjalili, S.; Mirjalili, S.M.; Lewis, A. Grey wolf optimizer. Adv. Eng. Softw. 2014, 69, 46–61. [Google Scholar] [CrossRef]
- Huang, X.; Huang, X.; Wang, B.; Xie, Z. Fault diagnosis of transformer based on modified grey wolf optimization algorithm and support vector machine. IEEJ Trans. Electr. Electron. Eng. 2020, 15, 409–417. [Google Scholar] [CrossRef]
- Li, S.; Wang, F. Research on Optimization of Improved Gray Wolf Optimization-Extreme Learning Machine Algorithm in Vehicle Route Planning. Discret. Dyn. Nat. Soc. 2020, 2020, 1–7. [Google Scholar] [CrossRef]
- ISO 8608: 2016 Mechanical Vibration–Road Surface Profiles–Reporting of Measured Data; International Organization for Standardization: Geneva, Switzerland, 2016.






















| Parameters | c0 (N.s/mm) | β | γ | n | k0 (N/mm) | x0 (mm) | A | α |
|---|---|---|---|---|---|---|---|---|
| Value | 1 | 1 | 1 | 1 | 1 | 100 | 50 | 100 |
| Parameters | Value |
|---|---|
| c0 (N.s/mm) | 1.87 I + 3.62 |
| β | 0.0071 |
| γ | 35.941 |
| n | 1.0013 |
| k0 (N/mm) | 2.991 |
| x0 (mm) | 58.362 |
| A | −18.03 I2 + 47.3 I + 41.96 |
| α | −15.35 I2 + 46.26 I + 42.56 |
| Vrel | |||||
|---|---|---|---|---|---|
| Vs | NB | NS | ZE | PS | PB |
| NB | B | M | S | ZE | ZE |
| NS | M | S | ZE | ZE | ZE |
| ZE | S | ZE | ZE | ZE | S |
| PS | ZE | ZE | ZE | S | M |
| PB | ZE | ZE | S | M | B |
| RMS Value | Passive | Traditional Skyhook Control | GWO Fuzzy Skyhook Control |
|---|---|---|---|
| Vertical acceleration (m/s2) | 1.3816 | 1.3241 | 1.1846 |
| Suspension dynamic deflection (m) | 0.0111 | 0.0091 | 0.0090 |
| Tire dynamic load (N) | 751.1950 | 713.3522 | 705.3631 |
| RMS Value | Passive | Traditional Skyhook Control | GWO Fuzzy Skyhook Control |
|---|---|---|---|
| Vertical acceleration (m/s2) | 1.3388 | 1.2352 | 1.0356 |
| Suspension dynamic deflection (m) | 0.0110 | 0.0092 | 0.0093 |
| Tire dynamic load (N) | 737.9775 | 695.6184 | 680.7965 |
Publisher’s Note: MDPI stays neutral with regard to jurisdictional claims in published maps and institutional affiliations. |
© 2021 by the authors. Licensee MDPI, Basel, Switzerland. This article is an open access article distributed under the terms and conditions of the Creative Commons Attribution (CC BY) license (http://creativecommons.org/licenses/by/4.0/).
Share and Cite
Ma, T.; Bi, F.; Wang, X.; Tian, C.; Lin, J.; Wang, J.; Pang, G. Optimized Fuzzy Skyhook Control for Semi-Active Vehicle Suspension with New Inverse Model of Magnetorheological Fluid Damper. Energies 2021, 14, 1674. https://doi.org/10.3390/en14061674
Ma T, Bi F, Wang X, Tian C, Lin J, Wang J, Pang G. Optimized Fuzzy Skyhook Control for Semi-Active Vehicle Suspension with New Inverse Model of Magnetorheological Fluid Damper. Energies. 2021; 14(6):1674. https://doi.org/10.3390/en14061674
Chicago/Turabian StyleMa, Teng, Fengrong Bi, Xu Wang, Congfeng Tian, Jiewei Lin, Jie Wang, and Gejun Pang. 2021. "Optimized Fuzzy Skyhook Control for Semi-Active Vehicle Suspension with New Inverse Model of Magnetorheological Fluid Damper" Energies 14, no. 6: 1674. https://doi.org/10.3390/en14061674
APA StyleMa, T., Bi, F., Wang, X., Tian, C., Lin, J., Wang, J., & Pang, G. (2021). Optimized Fuzzy Skyhook Control for Semi-Active Vehicle Suspension with New Inverse Model of Magnetorheological Fluid Damper. Energies, 14(6), 1674. https://doi.org/10.3390/en14061674

