Determination of the Theoretical and Actual Working Volume of a Hydraulic Motor—Part II (The Method Based on the Characteristics of Effective Absorbency of the Motor)
Abstract
1. Introduction
- Looseness in the working mechanism,
- errors in the manufacturing of the components,
- assembly errors,
- changes in ambient temperature,
- changes in working liquid temperature, etc.
- (a).
- Known methods for determining the theoretical working volume qt;
- (b).
- the proposed new method of determining the theoretical qt and actual working volume qr based on the characteristics qe = f(n)Δpi=const. (taking into account the compressibility β of liquid and the pressure drop Δpich in the internal channel of a motor);
- (c).
- the practical implementation of the proposed method;
- (d).
- the experimental tests of the hydraulic satellite motor for confirming the correctness of the proposed new method;
- (e).
- comparing the result of new method with the result of Balawender’s method.
2. The Analysis of Flow Rate in a Hydraulic Motor
2.1. Balawender’s Model
- Qg, Qu, Qk, QC—the components of the flow rate Q lineary dependent on the geometric volume qg, the pressure drop Δp, and rotational speed n;
- QLi—the internal leakage (from the high-pressure working chambers to the low-pressure working chambers):
- QLe—the external leakage linearly dependent on the theoretical working volume qt and the pressure drop Δp (leakage from the working chambers on the outside of the motor—leakage from the motor body by the third hose):
2.2. Sliwinski’s Model
- QLe—external leakage;
- C1, C2, C3, Cq, Cid, A1, A2, K, and γ—coefficients;
- β—the degree of laminarity of the flow;
- ν—kinematic viscosity of liquid;
- m—teeth module;
- h—equivalent axial clearances of the rotor and satellites;
- hS—axial clearance of the satellites;
- H—height of the working mechanism (equal to height of curvature);
- DO—the diameter of inlet and outlet holes in the commutation plate.
3. The Pressure Drop in the Motor Working Chambers
4. Known Method to Determine the Theoretical Working Volume
4.1. Balawender’s and Toet’s Method—Based on Characteristics Q = f(n)
4.2. The Influence of Working Pressure on Working Volume
4.3. Balawender’s Method—Based on Characteristics qe = f(n)Δp=const.
4.4. The Influence of the Flow Meter Location in the Measurement System on the Flow Rate in the Hydraulic Motor
4.4.1. Toet’s Method
4.4.2. Balawender’s Method
4.4.3. Sliwinski’s Method
- (a).
- (b).
- For the flow meter located in the low-pressure line to the motor (Figure 1), the flow rate is:where:
- K—the bulk modulus of non-aerated oil at atmospheric pressure po;
- Xo—the amount of non-dissolved air in the oil at atmospheric pressure po;
- p—the absolute pressure;
- n—the polytrophic exponent;
- m—the coefficient of the influence of pressure p on the bulk modulus K.
5. New Method of Determining the Theoretical and Actual Working Volume Based on the Characteristics of Effective Absorbency of the Motor
- Δpi instead Δp;
- nonlinear dependence of volumetric losses QL on rotational speed n;
- nonlinear dependence of increasing in working volume Δq on pressure drop Δpi;
- the compressibility β of the liquid, that is the measured flow rate is compensated to the pressure in the filled chamber of the motor (the location of flowmeter in the test stand is included).
5.1. The Increase in Working Volume
5.2. The Actual Working Volume of a Loaded Motor
5.3. Flow Rate in a Motor
5.4. The Effective Absorbency
5.5. Theoretical Working Volume
5.6. Practical Implementation of the New Method
- (a).
- To measure the flow Q1 or Q2 at a constant inlet temperature T1 and a constant pressure drop Δp for several values of n (no less than five). The measurement has to be taken once again using at least five different pressure drops Δp;
- (b).
- to determine the pressure drop Δpich in the internal channel of the motor;
- (c).
- to calculate the pressure drop Δpi in the working chamber of the motor for data from item (a) and item (b);
- (d).
- if the flow meter is located in the low-pressure line, the influence of the liquid compressibility should be taken into account, and the flow rate Q(pH) corresponding to the value of high-pressure pH in the working chamber should be calculated;
- (e).
- to plot the characteristics of qe = f(1/n)Δpi=const. and calculate the qr according to Formulas (52) or (53) for each Δpi;
- (f).
- to plot the characteristics of qr = f(Δpi) and calculate the trend line of qr with equation (equation in the form (45)). Finally, from the obtained the theoretical working volume qt should be read.
6. Results of Experimental Research
6.1. Tested Motor
- The height of the working mechanism H = 25 mm;
- the minimum area of the working chamber Amin = 26.11 mm2;
- the maximum area of the working chamber Amax = 83.51 mm2.
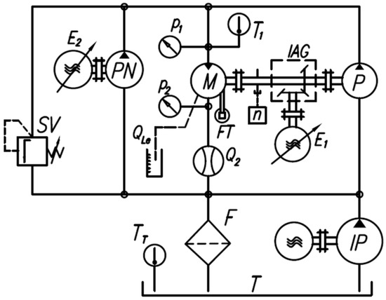
6.2. The Test Stand and Measuring Apparatus
- For rotational speed n the deviation was ±0.1 rpm;
- for the pressure drop Δp the deviation was ±0.05 MPa;
- for the temperature in inflow port T1 the deviation was ±1.0 °C.
6.3. Working Liquid Parameters
6.4. Pressure Drop in Motor Internal Channels
6.5. Motor Output Flow Rate Characteristics
6.6. Theoretical Working Volume According to Balawender’s Method
6.7. Motor Theoretical Working Volume According to Proposed New Method
7. Discussion
- (a).
- It is possible to determine the pressure drop Δpich in internal channels and to calculate the pressure drop Δpi in working chambers;
- (b).
- the effective absorbency qe is a linear function of Δpi and non-linear function of the inverse of rotational speed n of the motor (formula (51) and Figure 15);
- (c).
- the rotational speed n of a hydraulic motor has no influence on the theoretical working volume qt;
- (d).
- the actual working volume qr is a third order polynomial function of pressure drop Δpi in working chambers of the motor (Figure 16). That is, Formula (45) is true. In the tested satellite motor is:
- The volumetric losses are overestimated;
- the mechanical losses are underestimated;
- the volumetric efficiency ηv is underestimated (Figure 17);
- the mechanical efficiency ηm is overestimated.
8. Summary
- Mainly by increasing the diameter of the bypass,
- by changing the construction of the teeth in working mechanism elements.
Funding
Conflicts of Interest
References
- Antoniak, P.; Stosiak, M.; Towarnicki, K. Preliminary testing of the gear pump with internal gearing with modification of the sickle insert. In Proceedings of the Engineering Mechanics 2019, Svratka, Czech Republic, 13–16 May 2019. [Google Scholar]
- Kollek, W.; Osiński, P.; Warzyńska, U. The influence of gear micropump body asymmetry on stress distribution. Pol. Marit. Res. 2017, 24, 60–65. [Google Scholar] [CrossRef]
- Kollek, W.; Osinski, P.; Stosiak, M.; Wilczyński, A.; Cichon, P. Problems relating to high-pressure gear micropumps. Arch. Civ. Mech. Eng. 2014, 14, 88–95. [Google Scholar] [CrossRef]
- Patrosz, P. Influence of Gaps’ geometry change on leakage flow in axial piston pumps. In Lecture Notes in Mechanical Engineering; Cavas-Martínez, F., Chaari, F., Gherardini, F., Haddar, M., Ivanov, V., Kwon, Y.W., Trojanowska, J., di Mare, F., Eds.; Springer International Publishing: Geneva, Switzerland, 2020; pp. 76–89. [Google Scholar]
- Załuski, P. Experimental research of an axial piston pump with displaced swash plate axis of rotation. In Lecture Notes in Mechanical Engineering; Cavas-Martínez, F., Chaari, F., Gherardini, F., Haddar, M., Ivanov, V., Kwon, Y.W., Trojanowska, J., di Mare, F., Eds.; Springer International Publishing: Geneva, Switzerland, 2020; pp. 135–145. [Google Scholar]
- Osiecki, L. Commutation Units of Hydraulics Axial Piston Machines; Gdansk University of Technology Publishers: Gdansk, Poland, 2006. [Google Scholar]
- Balawender, A. Analiza Energetyczna i Metodyka Badań Silników Hydraulicznych Wolnoobrotowych (Energy Analysis and Methods of Testing of Low-Speed Hydraulic Motors); Scientific Book of the Gdansk University of Technology; Mechanika No. 54; Gdansk University of Technology Publishing House: Gdansk, Poland, 1988. [Google Scholar]
- Balawender, A. Opracowanie Metodyki Wyznaczania Teoretycznej Objętości Roboczej Pomp i Silników Hydraulicznych Wyporowych. (The Development of the Methodology for the Determination of the Theoretical Working Volume of Positive Displacement Pumps and Hydraulic Motors). Ph.D. Thesis, Gdansk University of Technology, Gdansk, Poland, 1974. [Google Scholar]
- Schlosser, W.M.J. Meten aan Verdringerpompen. Ph.D. Thesis, Technical Hogeschool Delft, Delft, The Netherlands, 1957. [Google Scholar]
- Schlosser, W.M.J.; Hilbrands, J.W. Das theoretische Hubvolumen von Verdrangerpumpen. Olhydraul. Pneum. 1963, 7, 133–138. (In German) [Google Scholar]
- Schlosser, W.M.J.; Hilbrands, J.W. Das volumetrische Wirkungsgrad von Verdrongerpumpen. Olhydraul. Pneum. 1963, 7, 469–476. [Google Scholar]
- Sliwinski, P. Determination of the theoretical and actual working volume of a hydraulic motor. Energies 2020, 13, 5933. [Google Scholar] [CrossRef]
- Toet, G. Die Bestimmung des theoretischen Hubvolumens von hydrostatischen Verdrangerpumen und Motoren aus volumetrischen Messungen. Olhydraul. Pnaum. 1970, 14, 185–190. [Google Scholar]
- Toet, G.; Johnson, J.; Montague, J.; Torres, K.; Garcia-Bravo, J. The Determination of the theoretical stroke volume of hydrostatic positive displacement pumps and motors from volumetric measurements. Energies 2019, 12, 415. [Google Scholar] [CrossRef]
- Stryczek, S. Napęd Hydrostatyczny (Hydrostatic Drive); WNT: Warszawa, Poland, 2005. [Google Scholar]
- Wilson, W.E. Positive Displacement Pumps and Fluid Motors; Publication Corporation: New York, NY, USA, 1950. [Google Scholar]
- Garcia-Bravo, J.; Nicholson, J. What is the real size of that pump? Fluid Power J. Manuf. Dir. 2018, 25, 20–21. Available online: https://fluidpowerjournal.com/real-size-pump/ (accessed on 4 January 2021).
- Manring, N.; Williamson, C. The theoretical volumetric displacement of a check-valve type, digital displacement pump. J. Dyn. Syst. Meas. Control 2018, 141, 12–14. [Google Scholar] [CrossRef]
- Myszkowski, A. Energy analysis of an ideal suction-pressure unit. Arch. Mech. Technol. Mater. 2015, 35, 51–60. [Google Scholar]
- Post, W. Models for steady-state performance of hydraulic pumps: Determination of displacement. In Proceedings of the 9th Bath International Fluid Power Workshop, University of Bath, Bath, UK, 9–11 September 1996; Volume 9. [Google Scholar]
- International Organisation for Standardization. Hydraulic Fluid Power. Positive Displacement; International Organization for Standardization: Geneva, Switzerland, 2008. [Google Scholar]
- Kim, T.; Kalbfleisch, P.; Ivantysynova, M. The effect of cross porting on derived displacement volume. Int. J. Fluid Power 2014, 15, 77–85. [Google Scholar] [CrossRef]
- Sliwinski, P. The influence of water and mineral oil on volumetric losses in a hydraulic motor. Pol. Marit. Res. 2017, 24, 213–223. [Google Scholar] [CrossRef]
- Sliwinski, P. Satelitowe Maszyny Wyporowe. Podstawy Projektowania i Analiza Strat Energetycznych (Satellite Displacement Machines. Basic of Design and Analysis of Power Loss); Gdansk University of Technology Publishers: Gdansk, Poland, 2016. [Google Scholar]
- Śliwiński, P. Flow of liquid in flat gaps of the satellite motor working mechanism. Pol. Marit. Res. 2014, 21, 50–57. [Google Scholar] [CrossRef]
- Śliwiński, P. Influence of water and mineral oil on the leaks in satellite motor commutation unit clearances. Pol. Marit. Res. 2017, 24, 58–67. [Google Scholar] [CrossRef]
- Sliwinski, P.; Patrosz, P. The influence of water and mineral oil on pressure losses in hydraulic motor. In Lecture Notes in Mechanical Engineering; Cavas-Martínez, F., Chaari, F., Gherardini, F., Haddar, M., Ivanov, V., Kwon, Y.W., Trojanowska, J., di Mare, F., Eds.; Springer International Publishing: Geneva, Switzerland, 2020; pp. 112–122. [Google Scholar]
- Zaluski, P. Wpływy Położenia Osi Obrotu Tarczy Wychylnej na Sprawność Objętościową Pomp Wielotłoczkowych Osiowych (Influence of the Position of the Swash Plate Rotation Axis on the Volumetric Efficiency of Axial Piston Pumps). Ph.D. Thesis, Gdansk University of Technology, Gdansk, Poland, 2017. [Google Scholar]
- Śliwiński, P. The influence of water and mineral oil on mechanical losses in a hydraulic motor for offshore and marine applications. Pol. Marit. Res. 2020, 27, 125–135. [Google Scholar] [CrossRef]
- Sliwinski, P.; Patrosz, P. Satellite Operating Mechanism of the Hydraulic Displacement Machine. Patent PL218888, 27 February 2015. [Google Scholar]















| Parameter | Device | Range | Class |
|---|---|---|---|
| Pressure p1 (in the inflow port) | Strain gauge pressure transducer | 0–10 MPa and 0–40 MPa | 0.3 |
| Pressure p2 (in the outflow port) | Strain gauge pressure transducer | 0–2.5 MPa | 0.3 |
| Flow rate Q (motor absorption) | Piston flowmeter (the flowmeter chamber volume 0.63 dm3) | 0–200 L/min | 0.2 |
| Torque M | Strain gauge force transducer mounted on the arm 0.5 m | 0–100 N | 0.1 |
| Rotational speed n | inductive sensor | Accuracy of measurement ±0.01 rpm | |
| temperature T1 (in the inflow port) | RTD temperature sensor | Max. meas. error 0.5 °C | A |
Publisher’s Note: MDPI stays neutral with regard to jurisdictional claims in published maps and institutional affiliations. |
© 2021 by the author. Licensee MDPI, Basel, Switzerland. This article is an open access article distributed under the terms and conditions of the Creative Commons Attribution (CC BY) license (http://creativecommons.org/licenses/by/4.0/).
Share and Cite
Sliwinski, P. Determination of the Theoretical and Actual Working Volume of a Hydraulic Motor—Part II (The Method Based on the Characteristics of Effective Absorbency of the Motor). Energies 2021, 14, 1648. https://doi.org/10.3390/en14061648
Sliwinski P. Determination of the Theoretical and Actual Working Volume of a Hydraulic Motor—Part II (The Method Based on the Characteristics of Effective Absorbency of the Motor). Energies. 2021; 14(6):1648. https://doi.org/10.3390/en14061648
Chicago/Turabian StyleSliwinski, Pawel. 2021. "Determination of the Theoretical and Actual Working Volume of a Hydraulic Motor—Part II (The Method Based on the Characteristics of Effective Absorbency of the Motor)" Energies 14, no. 6: 1648. https://doi.org/10.3390/en14061648
APA StyleSliwinski, P. (2021). Determination of the Theoretical and Actual Working Volume of a Hydraulic Motor—Part II (The Method Based on the Characteristics of Effective Absorbency of the Motor). Energies, 14(6), 1648. https://doi.org/10.3390/en14061648
