Modeling Stray Capacitances of High-Voltage Capacitive Dividers for Conventional Measurement Setups
Abstract
1. Introduction
2. Capacitive Dividers
2.1. Basic Principles
2.2. Pros and Cons
3. Modeling Stray Capacitances
3.1. Stray Capacitances
3.2. Considered Model
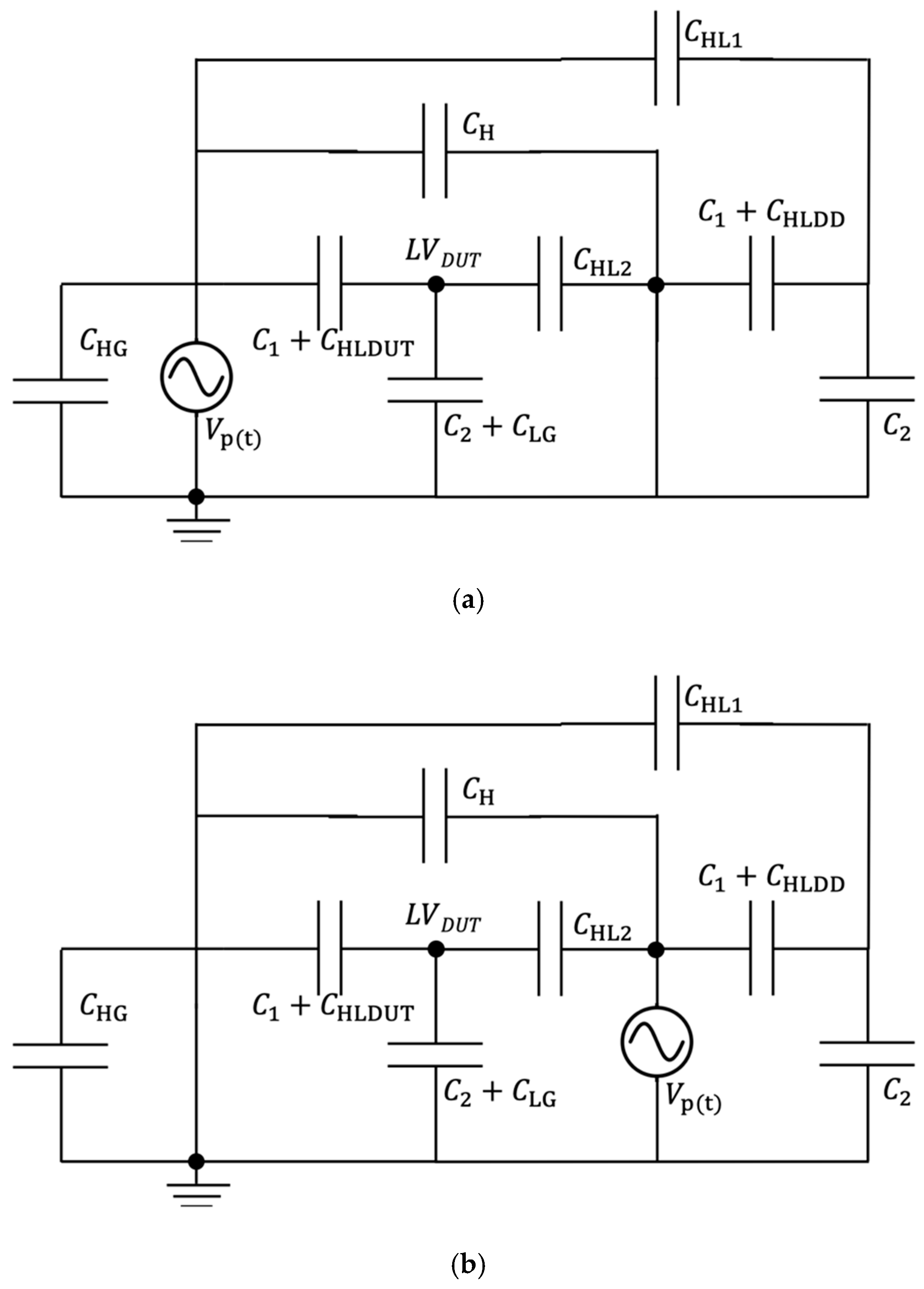
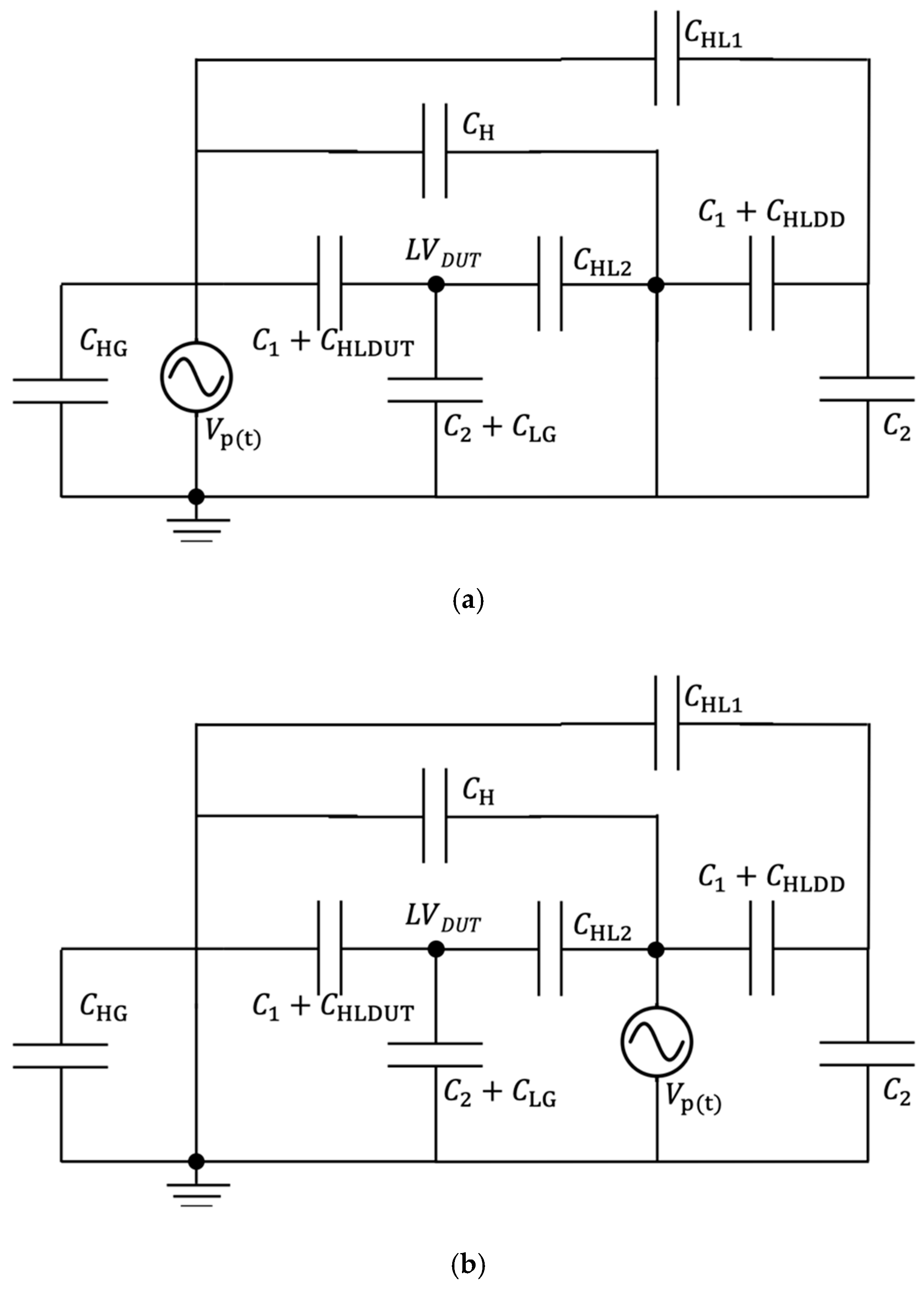
3.3. Circuital Analysis with T1, T2, and T3
3.4. SCs Expressions
4. Implementation and Validation
4.1. SC Computation from Experimental Results
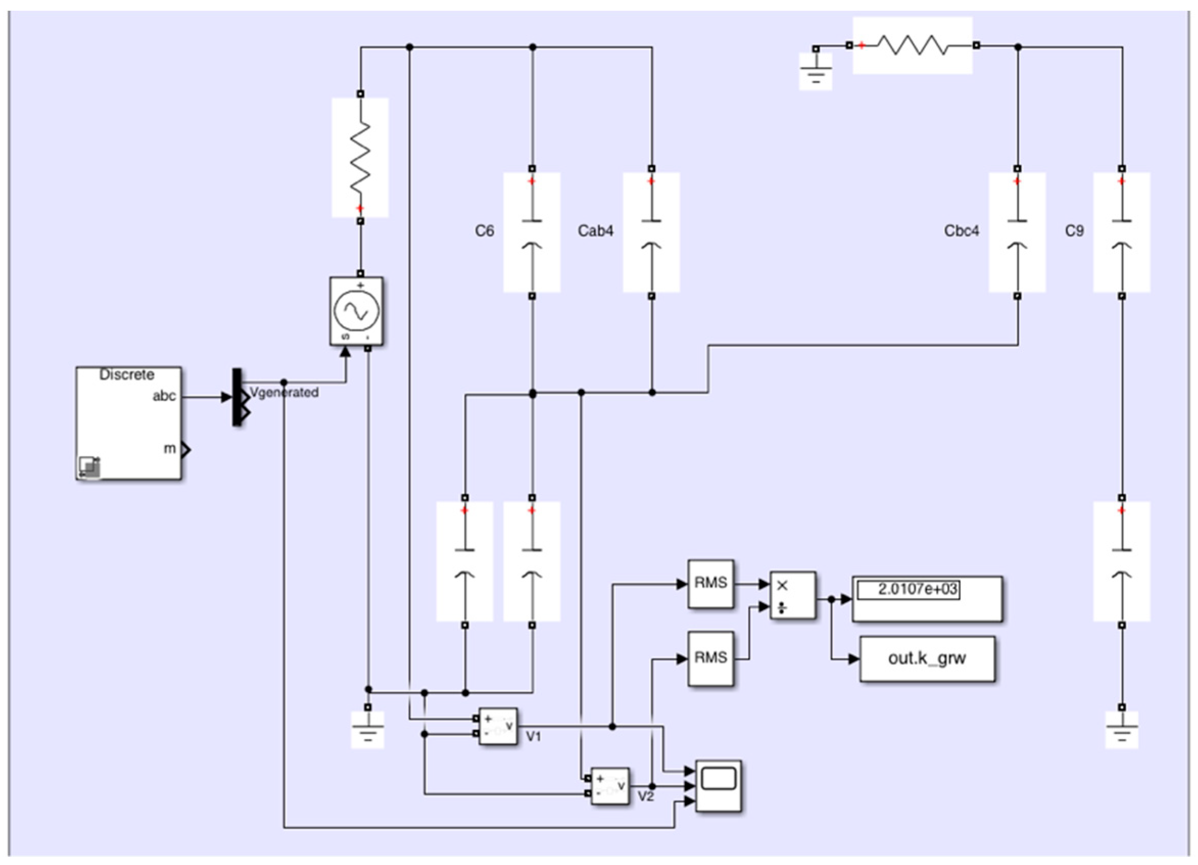
4.2. Validation from Simulation
4.3. Discussion
5. Conclusions
Author Contributions
Funding
Conflicts of Interest
References
- Available online: https://www.statista.com/statistics/873552/energy-mix-in-italy/ (accessed on 20 December 2020).
- López-Fernández, X.M.; Bülent Ertan, H.; Turowski, J. Transformers: Analysis, Design, and Measurement; CRC Press: Boca Raton, FL, USA, 2012; pp. 1–609. [Google Scholar]
- McLyman, C.W.T. Reviewing current transformers and current transducers. In Proceedings of the 2007 Electrical Insulation Conference and Electrical Manufacturing Expo, EEIC 2007, Nashville, TN, USA, 22–24 October 2007; pp. 360–365. [Google Scholar]
- Ziegler, S.; Woodward, R.C.; Iu, H.H.; Borle, L.J. Current sensing techniques: A review. IEEE Sens. J. 2009, 9, 354–376. [Google Scholar] [CrossRef]
- IEC 61869-1:2010. Instrument Transformers-Part 1: General Requirements; International Standardization Organization: Geneva, Switzerland, 2010. [Google Scholar]
- IEC 61869-6:2016. Instrument Transformers-Part 6: Additional General Requirements for Low-Power Instrument Transformers; International Standardization Organization: Geneva, Switzerland, 2016. [Google Scholar]
- IEC 61869-10:2018. Instrument Transformers-Part 10: Additional Requirements for Low-Power Passive Current Transformers; International Standardization Organization: Geneva, Switzerland, 2018. [Google Scholar]
- IEC 61869-11:2018. Instrument Transformers-Part 11: Additional Requirements for Low-Power Passive Voltage Transformers; International Standardization Organization: Geneva, Switzerland, 2018. [Google Scholar]
- Mingotti, A.; Peretto, L.; Tinarelli, R.; Ghaderi, A. Uncertainty sources analysis of a calibration system for the accuracy vs. temperature verification of voltage transformers. J. Phys. Conf. Ser. 2018, 1065, 052041. [Google Scholar] [CrossRef]
- Li, Z.; Du, Y.; Abu-Siada, A.; Li, Z.; Zhang, T. A new online temperature compensation technique for electronic instrument transformers. IEEE Access 2019, 7, 97614–97623. [Google Scholar] [CrossRef]
- Litvinov, S.N.; Lebedev, V.D.; Smirnov, N.N.; Tyutikov, V.V.; Makhsumov, I.B. Physical simulation of heat exchange between 6 kV voltage instrument transformer and its environment with natural convection and insolation. In Proceedings of the MATEC Web of Conferences, Tomsk, Russia, 24–26 April 2018; Volume 194. [Google Scholar]
- Misak, S.; Fulnecek, J. The influence of ferroresonance on a temperature of voltage transformers in undeground mines. In Proceedings of the 2017 18th International Scientific Conference on Electric Power Engineering, Kouty nad Desnou, 1 May 2017; pp. 1–4. [Google Scholar] [CrossRef]
- Sivan, V.; Robalino, D.M.; Mahajan, S.M. Measurement of temperature gradients inside a medium voltage current transformer. In Proceedings of the 2007 39th North American Power Symposium, Las Cruces, NM, USA, 30 September–2 October 2007; pp. 242–245. [Google Scholar] [CrossRef]
- Mingotti, A.; Peretto, L.; Tinarelli, R. A simple modelling procedure of rogowski coil for power systems applications. In Proceedings of the AMPS 2019-2019 10th IEEE International Workshop on Applied Measurements for Power Systems, Aachen, Germany, 25–27 September 2019; pp. 1–5. [Google Scholar] [CrossRef]
- ADadić, M.; Župan, T.; Kolar, G. FIR modeling of voltage instrument transformers from frequency response data. In Proceedings of the 2018 1st International Colloquium on Smart Grid Metrology, SmaGriMet 2018, Split, Croatia, 24–27 April 2018; pp. 1–6. [Google Scholar] [CrossRef]
- Huang, L.; Yang, W.; Zhang, X. Modeling and simulation of current transformer with air-gap based on PSCAD/EMTDC. Dianli Xitong Baohu Yu Kongzhi. Power System Prot. Control 2010, 38, 178–182. [Google Scholar]
- Nikolić, B.; Khan, S. Modelling and optimisation of design of non-conventional instrument transformers. J. Phys. Conf. Ser. 2019, 1379, 012057. [Google Scholar] [CrossRef]
- Toman, P.; Paar, M. Simulation of instrument transformer properties in power systems. In Proceedings of the 7th International Scientific Conference Electric Power Engineering, February 2006; pp. 111–115. Available online: https://www.researchgate.net/publication/290332485_Simulation_of_instrument_transformer_properties_in_power_systems (accessed on 25 February 2021).
- Torre, F.D.; Faifer, M.; Morando, A.P.; Ottoboni, R.; Cherbaucich, C.; Gentili, M.; Mazza, P. Instrument transformers: A different approach to their modeling. In Proceedings of the 2011 IEEE International Workshop on Applied Measurements for Power Systems, AMPS 2011-Proceedings 2011, Aachen, Germany, 28–30 September 2011; pp. 37–41. [Google Scholar] [CrossRef]
- Mingotti, A.; Peretto, L.; Tinarelli, R.; Zhang, J. Use of COMTRADE fault current data to test inductive current transformers. In Proceedings of the 2019 IEEE International Workshop on Metrology for Industry 4.0 and IoT, MetroInd 4.0 and IoT 2019-Proceedings, Naples, Italy, 4–6 June 2019; pp. 103–107. [Google Scholar] [CrossRef]
- Asprou, M.; Kyriakides, E.; Albu, M. The effect of instrument transformer accuracy class on the WLS state estimator accuracy. In Proceedings of the IEEE Power and Energy Society General Meeting, Vancouver, BC, Canada, 21–25 July 2013; pp. 1–5. [Google Scholar] [CrossRef]
- Draxler, K.; Styblikova, R. Calibrating an instrument voltage transformer to achieve reduced uncertainty. In Proceedings of the 2009 IEEE Intrumentation and Measurement Technology Conference, I2MTC 2009, Singapore, 5–7 May 2009; pp. 1556–1561. [Google Scholar] [CrossRef]
- Kato, H.; Imai, H. Uncertainty evaluation for the composite error of energy meter and instrument transformer. In Proceedings of the 20th IMEKO World Congress 2012, Busan, Korea, 9–14 September 2012; pp. 154–157. [Google Scholar]
- Mohns, E.; Räther, P. Test equipment and its effect on the calibration of instrument transformers. [Prüftechnik und deren Einfluss bei der Kalibrierung von Messwandlern]. Tech. Mess. 2017, 84, 91–100. [Google Scholar] [CrossRef]
- Pan, F.; Xu, Y.; Xiao, X.; Ren, S. Calibration system for electronic instrument transformers with analogue and digital outputs. In Proceedings of the ICEMI 2009-Proceedings of 9th International Conference on Electronic Measurement and Instruments 2009, Beijing, China, 16–19 August 2009; pp. 1-650–1-654. [Google Scholar] [CrossRef]
- Mingotti, A.; Peretto, L.; Tinarelli, R. Accuracy evaluation of an equivalent synchronization method for assessing the time reference in power networks. IEEE Trans. Instrum. Meas. 2018, 67, 600–606. [Google Scholar] [CrossRef]
- ACui, S.; Xue, Y.; Zhao, T.; Han, S.; Zheng, W. Research on low-temperature characteristics of the motor applied in electric vehicles. In Proceedings of the IEEE Transportation Electrification Conference and Expo, ITEC Asia-Pacific 2014-Conference Proceedings, Beijing, China, 31 August–3 September 2014; pp. 1–5. [Google Scholar] [CrossRef]
- Liwen, P.; Guangyao, L.; Yugang, D.; Chengning, Z. Electric vehicle drive-charge integrated system motor controller power loss calculation and temperature rising analysis. In Proceedings of the IEEE Transportation Electrification Conference and Expo Transportation Electrification Asia-Pacific (ITEC Asia-Pacific), Beijing, China, 31 August–3 September 2014; pp. 1–5. [Google Scholar] [CrossRef]
- Xia, Y.; Xu, Y.; Ai, M.; Liu, J. Temperature calculation of an induction motor in the starting process. IEEE Trans. Appl. Supercond. 2019, 29, 1–4. Available online: https://ieeexplore.ieee.org/document/8626507 (accessed on 25 February 2021). [CrossRef]
- Rajalakshmi, B.; Kalaivani, L. Analysis of partial discharge in underground cable joints. In Proceedings of the ICIIECS 2015-2015 IEEE International Conference on Innovations in Information, Embedded and Communication Systems, Coimbatore, India, 19–20 March 2015; pp. 1–5. [Google Scholar] [CrossRef]
- Taklaja, P.; Kiitam, I.; Hyvonen, P.; Kluss, J. Test setup for measuring medium voltage power cable and joint temperature in high current tests using thermocouples. In Proceedings of the 34th Electrical Insulation Conference, EIC 2016, Montreal, QC, Canada, 19–22 June 2016; pp. 480–483. [Google Scholar] [CrossRef]
- Zhang, L.; Yang, X.L.; Le, Y.; Yang, F.; Gan, C.; Zhang, Y. A thermal probability density-based method to detect the internal defects of power cable joints. Energies 2018, 11, 1674. [Google Scholar] [CrossRef]
- AGhaderi, A.; Mingotti, A.; Lama, F.; Peretto, L.; Tinarelli, R. Effects of temperature on mv cable joints tan delta measurements. IEEE Trans. Instrum. Meas. 2019, 68, 3892–3898. [Google Scholar] [CrossRef]
- Peretto, L.; Tinarelli, R.; Ghaderi, A.; Mingotti, A.; Mazzanti, G.; Valtorta, G.; Danesi, S. Monitoring cable current and laying environment parameters for assessing the aging rate of MV cable joint insulation. In Proceedings of the Annual Report-Conference on Electrical Insulation and Dielectric Phenomena, CEIDP 2018, Cancun, Mexico, 21–24 October 2018; pp. 390–393. [Google Scholar] [CrossRef]
- Batrakov, A.M.; Vasilev, M.Y.; Kotov, E.S.; Shtro, K.S. A precision high voltage pulse divider. Instrum. Exp. Tech. 2020, 63, 188–198. [Google Scholar] [CrossRef]
- Gao, J.; Liu, Y.; Yang, J. Design of capacitance-compensated capacitive divider for high-voltage pulse measurement. Gaodianya Jishu High Volt. Eng. 2007, 33, 76–79. [Google Scholar]
- Liu, J.; Ye, B.; Zhan, T.; Feng, J.; Zhang, J.; Wang, X. Coaxial capacitive dividers for high-voltage pulse measurements in intense electron beam accelerator with water pulse-forming line. IEEE Trans. Instrum. Meas. 2009, 58, 161–166. [Google Scholar]
- Mohns, E.; Chunyang, J.; Badura, H.; Raether, P. An active low-voltage capacitor for capacitive HV dividers. In Proceedings of the CPEM 2018-Conference on Precision Electromagnetic Measurements, Paris, France, 8–13 July 2018; pp. 1–2. [Google Scholar] [CrossRef]
- Patil, S.; Rane, M.; Bindu, S. Issues with high volatage measurement and its mitigation. In Proceedings of the 2019 4th IEEE International Conference on Recent Trends on Electronics, Information, Communication and Technology, RTEICT 2019-Proceedings 2019, Bangalore, India, 17–18 May 2019; pp. 434–438. [Google Scholar] [CrossRef]
- Riba, J.-R.; Capelli, F. Analysis of Capacitance to Ground Formulas for Different High-Voltage Electrodes. Energies 2018, 11, 1090. [Google Scholar] [CrossRef]
- Zucca, M.; Modarres, M.; Giordano, D.; Crotti, G. Accurate Numerical Modelling of MV and HV Resistive Dividers. IEEE Trans. Power Deliv. 2017, 32, 1645–1652. [Google Scholar] [CrossRef]
- Riba, J.-R.; Capelli, F.; Moreno-Eguilaz, M. Analysis and Mitigation of Stray Capacitance Effects in Resistive High-Voltage Dividers. Energies 2019, 12, 2278. [Google Scholar] [CrossRef]
- Chunting, Y.; Mingwei, W.; Caiwei, J.; Jing, Y. The stray capacitance on precision of high-voltage measurement. In Proceedings of the 2009 IEEE Instrumentation and Measurement Technology Conference, Singapore, 5–7 May 2009; pp. 249–253. [Google Scholar] [CrossRef]
- Zhu, T.; Nie, Y.; Li, Z.; Lin, X. Parameter estimation method of stray capacitance of capacitive voltage transformer based on improved particle swarm optimization algorithm. Dianli Xitong Zidonghua Autom. Electr. Power Syst. 2020, 44, 178–186. [Google Scholar]
- Dalessandro, L.; da Silveira Cavalcante, F.; Kolar, J.W. Self-Capacitance of High-Voltage Transformers. IEEE Trans. Power Electron. 2007, 22, 2081–2092. [Google Scholar] [CrossRef]
- Stanković, K.; Kovačević, U. Combined Measuring Uncertainty of Capacitive Divider with Concentrated Capacitance on High-Voltage Scale. IEEE Trans. Plasma Sci. 2018, 46, 2972–2978. [Google Scholar] [CrossRef]
- ISO/IEC JCGM 100:2008. Evaluation of Measurement Data–Guide to the Expression of Uncertainty in Measurement; International Standardization Organization: Geneva, Switzerland, 2018. [Google Scholar]








| Symbol | Details | Symbol | Details |
|---|---|---|---|
| Capacitance between HV and ground | * Capacitance between the two HV | ||
| Capacitance between HV and LV of the DUT | Capacitance between HV of DUT and LV of the DD | ||
| Capacitance between LV and ground | Capacitance between HV of DD and LV of the DUT | ||
| Capacitance between the two LV | Capacitance between HV and LV of the DD |
| Test # | Description |
|---|---|
| T1 | The dummy divider is grounded, hence, potential is ground |
| T2 | The dummy divider is fed with the same voltage of the DUT |
| T3 | Like T1 but without wall W |
| Test # | Ratio Error (%) |
|---|---|
| T1 | 0.484 |
| T2 | 0.195 |
| T3 | 0.356 |
| Test # | ||||
|---|---|---|---|---|
| 0.8 | 0.8 | |||
| T1 | 0.480 | 0.484 | 0.484 | 0.484 |
| T2 | 0.194 | 0.195 | 0.195 | 0.195 |
| T3 | 0.352 | 0.356 | 0.356 | 0.356 |
| T4 | 0.050 | 0.054 | 0.067 | 0.067 |
| T5 | 0.765 | 0.772 | 0.774 | 0.774 |
| T6 | 0.650 | 0.652 | 0.646 | 0.646 |
Publisher’s Note: MDPI stays neutral with regard to jurisdictional claims in published maps and institutional affiliations. |
© 2021 by the authors. Licensee MDPI, Basel, Switzerland. This article is an open access article distributed under the terms and conditions of the Creative Commons Attribution (CC BY) license (http://creativecommons.org/licenses/by/4.0/).
Share and Cite
Mingotti, A.; Costa, F.; Peretto, L.; Tinarelli, R.; Mazza, P. Modeling Stray Capacitances of High-Voltage Capacitive Dividers for Conventional Measurement Setups. Energies 2021, 14, 1262. https://doi.org/10.3390/en14051262
Mingotti A, Costa F, Peretto L, Tinarelli R, Mazza P. Modeling Stray Capacitances of High-Voltage Capacitive Dividers for Conventional Measurement Setups. Energies. 2021; 14(5):1262. https://doi.org/10.3390/en14051262
Chicago/Turabian StyleMingotti, Alessandro, Federica Costa, Lorenzo Peretto, Roberto Tinarelli, and Paolo Mazza. 2021. "Modeling Stray Capacitances of High-Voltage Capacitive Dividers for Conventional Measurement Setups" Energies 14, no. 5: 1262. https://doi.org/10.3390/en14051262
APA StyleMingotti, A., Costa, F., Peretto, L., Tinarelli, R., & Mazza, P. (2021). Modeling Stray Capacitances of High-Voltage Capacitive Dividers for Conventional Measurement Setups. Energies, 14(5), 1262. https://doi.org/10.3390/en14051262

