Next Article in Journal
A New Estimate of Sand and Grout Thermal Properties in the Sandbox Experiment for Accurate Validations of Borehole Simulation Codes
Next Article in Special Issue
Space Vector Modulation (SVM)-Based Common-Mode Current (CMC) Reduction Method of H8 Inverter for Permanent Magnet Synchronous Motor (PMSM) Drives
Previous Article in Journal
Quantifying the Effect of De-Emulsifiers on Acid Treatment in Carbonate Formations
Previous Article in Special Issue
Research on the Non-Magnetic Conductor of a PMSM Based on the Principle of Variable Exciting Magnetic Reluctance
 
 
Font Type:
Arial Georgia Verdana
Font Size:
Aa Aa Aa
Line Spacing:
Column Width:
Background:
Article

Comparative Analysis of Control Methods with Model Reference Adaptive System Estimators of a Seven-Phase Induction Motor with Encoder Failure

by
Jacek Listwan
and
Krzysztof Pieńkowski
*
Department of Electrical Machines, Drives and Measurements, Faculty of Electrical Engineering, Wroclaw University of Science and Technology, 19 Smoluchowskiego St., 50-372 Wroclaw, Poland
*
Author to whom correspondence should be addressed.
Energies 2021, 14(4), 1147; https://doi.org/10.3390/en14041147
Submission received: 9 January 2021 / Revised: 9 February 2021 / Accepted: 18 February 2021 / Published: 21 February 2021
(This article belongs to the Special Issue Design and Control of Electrical Machines and Drives)

Abstract

This article presents a comparative analysis of the direct torque control with space vector modulation method for seven-phase squirrel-cage induction motor during the encoder failure. The direct torque control with space vector modulation method with model reference adaptive system with current model and current estimator and model reference adaptive system—flux based estimator applied in the control loop of the motor speed have been analyzed. The mathematical model of the seven-phase induction motor and model reference adaptive system-type estimators have been described. The method of space vector modulation applied to the seven-phase voltage source inverter, controlled seven-phase induction motor, has been described. The operation of direct torque control with space vector modulation has been verified via simulation tests, and the results of performed simulation studies have been analyzed and presented. The authors’ original contribution and work novelty includes comparison studies of the performance of the direct torque control method with space vector modulation of a seven-phase induction motor with two estimators: model reference adaptive system—flux based estimator and the novel model reference adaptive system with current model and current estimator.

1. Introduction

There is an increasing interest in industry in using of induction motors with the number of stator phases higher than three. These types of motors are commonly named as multi-phase induction motors. Multi-phase induction machines have many advantages over conventional three-phase induction machines. These advantages have been mentioned and discussed, particularly in the authors’ own works and in the works of many other researchers [1,2,3]. The most important beneficial properties of multi-phase induction motors are the factors, which are presented below.
With the same motor power and voltage ratings, the stator currents of the multi-phase induction motors are significantly lower than the stator currents of the conventional three-phase induction motors. This property allows the use of the power electronic converters with the lower current-carrying capacity of power electronic components for the control of multi-phase induction motors. On the other hand, with the same motor power and current ratings, the rated values of the stator voltages of the multi-phase motor are significantly lower than the rated values of the stator voltages of the conventional three-phase motor. This property allows the design of high-power low-voltage multi-phase machines and the use of the power electronic converters with the lower voltage load capacity.
Other features of the multi-phase induction motors include reducing of the oscillatory components of the motor electromagnetic torque, reducing of higher harmonics losses produced by motor currents, and reducing of the amplitudes of higher harmonics of the current in the direct current (DC) link of the voltage source inverter in the control system. The application of multi-phase motors provides higher reliability of the drive system. In the drive system with multi-phase motors, there is a possibility of conditional operation of the motor and the converter system in the event of damage in the circuits of a certain number of phases of the stator of the induction motor or of the converter branch.
The contemporary development of converter drives enables more common industrial applications of multi-phase motors. Voltage source inverters (VSIs) can be built for more than three phases of the output voltages and currents, while maintaining the power supply of these converters from a conventional three-phase current network.
In the current literature, most of the articles are focused on the analysis of five-phase, six-phase, and dual-stator induction motors. This is due to the simplicity of the machine structure and the low complexity of the power electronic converter. However, the current development trend is to use a high number of machine phases. The greater number of machine phases increases the operational reliability of the machine and reduces the influence of higher harmonics on the motor torque and phase currents. The planned applications of multi-phase machines include high-power drive systems, electrical and hybrid vehicle drives, traction drives, electric ship propulsion drives, and high-speed lift drives.
Multi-phase machines can be classified into machines with an even number of phases (6, 8, 10, ...) and machines with an odd number of phases (5, 7, 9, ...). In the applications of induction machines, the constructions of machines with odd numbers of phases are preferred. Due to the factors outlined above, a seven-phase induction machine is expected to have great prospects for industrial applications, and for these reasons such a machine was selected for analysis and study in this article. The vast majority of industrial drive systems are speed-controlled systems. These drive systems typically require accurate speed sensors. An important factor required from industrial drive systems is to ensure high operational reliability. The most frequently used mechanical rotational speed sensors cause emergency failures and breaks in the operation of drive systems. It has been shown in many specialized articles that the reliability of the drive systems can be increased by the elimination of the mechanical sensors in the control system and their replacement by methods of sensorless speed measurement [3,4,5,6,7,8]. Sensorless speed methods are particularly recommended in advanced converter speed control systems.
Advanced direct torque control—space vector modulation (DTC-SVM) for control of the drive system with induction motors is analyzed. The DTC-SVM control requires feedback signals from the angular velocity of the motor and the magnetic flux of the stator. In modern control systems, these signals are replaced by signals produced by the respective estimators. In the systems with squirrel-cage induction motors, the following two types of the model reference adaptive system (MRAS) estimators are applied: model reference adaptive system—flux based (MRASF) [7,8], and model reference adaptive system with current model and current estimator (MRASCC) [4,5,6]. Currently, the possibilities of also using these estimators in the states of failure and damage of measuring sensors are being investigated.
Two estimators based on the model reference adaptive system (MRAS) were developed and utilized for the detection of stator and rotor winding faults in a squirrel-cage induction motor [7]. A group of MRAS-type speed estimators have been presented and analyzed in detail [8]. Speed sensor fault detection algorithm for the vector control of an induction motor drive system, based on an active detection system has been developed for drive system with induction motors [4]. The studies of vector-controlled induction motor drive systems with rotor speed and stator current sensors faults are also analyzed [5]. The analysis of the DTC-SVM control systems of three-phase induction motor drive with faulty speed sensor are also considered [6]. The most often applied solutions for speed and flux reconstruction are applied in these control structures.
The article presents the analysis of seven-phase induction motor with DTC-SVM control, during occurrence of the failure of the speed mechanical sensor in the drive system. In the control system, the advanced model reference adaptive systems with current model and current estimator are included. The contribution of the authors to the analysis and studies of the performance of the seven-phase induction motor with DTC-SVM in the fault states caused by encoder failure can be treated as a novelty of the conducted research.
This paper is organized as follows. In Section 2, the modelling and analysis of a seven-phase induction motor is developed. In Section 3, the VSI control with application of the space vector modulation method is analyzed. The control systems based on MRAS estimators are discussed in Section 4. The operation of DTC-SVM control with MRAS estimators is described in Section 5. In Section 6, the performed simulation studies and results have been presented. Section 7 includes the conclusions and discussion about the results of the performed studies.

2. The Modelling and Analysis of Seven-Phase Squirrel-Cage Induction Motors

The analysis of the seven-phase squirrel-cage induction motor has been based on the mathematical model of this motor. The mathematical model of the motor has been defined after adopting the following simplifying assumptions [9,10,11,12]:
The multiphase stator winding is considered as a system of concentrated phase windings with symmetrical electromagnetic parameters. This assumption provides mathematical model description by using ordinary differential equations and does not require complex field analyses.
The saturation of motor magnetic circuits is neglected, and the magnetic circuit is considered as linear. This assumption is fulfilled by proper designing of the motor’s magnetic circuits.
The cage rotor is regarded as an equivalent circuit system with the same phases and pole pairs as the stator. This assumption reduces the number of equations in the mathematical model and simplifies the analysis.
The variables and parameters of the rotor winding were brought to the stator winding side. This assumption allows directly taking into account the effects of electromagnetic variables in the stator and rotor circuits and to formulate equivalent circuits with galvanic connections of stator and rotor circuits.
The effects of iron losses and eddy currents are omitted. The influence of these factors is practically negligible.
The systems of stator and rotor phase windings with isolated neutral points are considered. The use of electrical systems with neutral conductors is not recommended in industrial applications.
The schematic representation of stator phase windings of the seven-phase squirrel-cage induction motor has been presented in Figure 1.
The general mathematical model of the seven-phase squirrel-cage induction motor expressed by variables in the stator and rotor phase coordinate system can be presented in the following matrix form [9,10,11,12]:
The general voltage equations for windings of the stator and rotor:
[ u s ] = [ R s ] · [ i s ] + p [ ψ s ]
[ 0 ] = [ R r ] · [ i r ] + p [ ψ r ]
The general flux–current equations for windings of stator and rotor:
[ ψ s ] = [ L s s ] · [ i s ] + [ L s r ] · [ i r ]
[ ψ r ] = [ L r r ] · [ i r ] + [ L s r ] T · [ i s ]
The equation of the motor electromagnetic torque:
T e = p b [ i s ] T ( φ e [ L s r ] ) · [ i s ]
where Te is the motor electromagnetic torque; p = d/dt which is the differentiation operator; [us], [is], [ir] are the column matrixes of stator phase voltages, stator phase currents and rotor phase currents, respectively; the indexes s and r denote the variables and parameters of the stator and rotor windings, respectively; [ψs], [ψr] are the column matrixes of the stator winding coupled fluxes and the rotor windings coupled fluxes, respectively; [Rs], [Rr] are the diagonal matrixes of the stator and rotor winding phase resistances, respectively; [Lss], [Lrr] are the stator and rotor inductance matrixes, respectively; [Lsr] is the matrix of mutual inductances between the stator and rotor windings; and pb is the number of the pole pairs of the motor; φe is the electric angle of the rotor rotation. The number of elements in the column matrixes of all electromagnetic values is equal to number of considered motor phases (n = 7).
The basic mathematical model of the seven-phase squirrel-cage induction motor using phase coordinates is described by a system of differential equations in which the values of the mutual induction coefficients change in the function of the rotation angle of the rotor. In order to eliminate this inconvenience, the phase electromagnetic variables of the motor are transformed to the appropriate transformed electromagnetic components [9,12,13,14]. The transformation of stator phase variables is realized by first using the transformation matrix named as [C], and next the transformation matrix [Ds]. The transformation of rotor phase variables is performed by first using the same transformation matrix [C], and next the transformation matrix [Dr] [9,12,13,14]. After applying the matrixes [C] to the stator and rotor equations, the model of the seven-phase motor is decomposed into several decoupled models: the model in the stationary αβ coordinate system, the model in the additional coordinate systems: z1z2 and z3z4 and the model for zero (0) components.
The transformation matrix [C] for the seven-phase induction motor is determined as follows [9,12,13,14]:
[ C ] = 2 7 α β z 1 z 2 z 3 z 4 0 [ 1 cos α cos 2 α cos 3 α cos 4 α cos 5 α cos 6 α 0 sin α sin 2 α sin 3 α sin 4 α sin 5 α sin 6 α 1 cos 2 α cos 4 α cos 6 α cos 8 α cos 10 α cos 12 α 0 sin 2 α sin 4 α sin 6 α sin 8 α sin 10 α sin 12 α 1 cos 3 α cos 6 α cos 9 α cos 12 α cos 15 α cos 18 α 0 sin 3 α sin 6 α sin 9 α sin 12 α sin 15 α sin 18 α 1 / 2 1 / 2 1 / 2 1 / 2 1 / 2 1 / 2 1 / 2 ]
where α = 2π/7 is the transformation angle, which is equal to electrical angle between the adjacent axes of the induction motor stator phase windings.
The obtained components in the αβ coordinate system are next transformed by using the [D] transformation matrix to the common general xy rectangular coordinate system, which rotates with arbitrary angular speed ωk. There are two forms of transformation matrix [D]: the form [Ds] used for stator variables, and the form [Dr] used for rotor variables.
The elements of the [Ds] and [Dr] transformation matrixes are determined as follows [9,12,13,14]:
[ D s ] = [ D s ( ϑ k ) ] = [ cos ϑ k sin ϑ k sin ϑ k cos ϑ k d i a g [ 1 ] ( n 2 ) × ( n 2 ) ]
[ D r ] = [ D r ( ϑ k φ e ) ] = [ cos ( ϑ k φ e ) sin ( ϑ k φ e ) sin ( ϑ k φ e ) cos ( ϑ k φ e ) d i a g [ 1 ] ( n 2 ) × ( n 2 ) ]
where ϑk is the instantaneous value of the angle of the x-axis position of the xy coordinate system, which rotates at the arbitrary angular speed ωk with respect to the reference axis (stator phase s1); φe is the instantaneous value of the electrical angle of the rotor position; n is the stator phase number (for the motor considered in the article, n = 7).
After some transformations and manipulations, the following general Equations (9)–(21) of the seven-phase induction motor, expressed in the common rotating transformed coordinate system, are obtained [9,10,11,12] and presented below.
The stator and rotor voltage equations in the rotating xy coordinate system, respectively:
u s x = R s   i s x ω k   ψ s y + p ψ s x
u s y = R s   i s y + ω k   ψ s x + p ψ s y
0 = R r   i r x ( ω k ω e )   ψ r y + p ψ r x
0 = R r   i r y + ( ω k ω e )   ψ r x + p ψ r y
The motor stator voltage equations in the z1z2 and z3z4 additional coordinate systems:
u s z 1 = R s   i s z 1 + p ψ s z 1
u s z 2 = R s   i s z 2 + p ψ s z 2
u s z 3 = R s   i s z 3 + p ψ s z 3
u s z 4 = R s   i s z 4 + p ψ s z 4
The flux–current equations for the stator winding:
ψ s x = ( L s l + L m )   i s x + L m   i r x = L s   i s x + L m   i r x
ψ s y = ( L s l + L m )   i s y + L m   i r y = L s   i s y + L m   i r y
The flux–current equations for the rotor winding:
ψ r x = ( L r l + L m )   i r x + L m   i s x = L r   i r x + L m   i s x
ψ r y = ( L r l + L m )   i r y + L m   i s y = L r   i r y + L m   i s y
The equation of the seven-phase motor electromagnetic torque:
T e = 7 2 · p b · L m L r ( ψ r x i s y ψ r y i s x )
where usx, usy, isx, isy are the components of the stator voltage vector and the stator current vector in the xy coordinate system, respectively; irx, iry are the components of the rotor current vector in the xy coordinate system; ψsx, ψsy, ψrx, ψry are the components of the stator and rotor coupled flux vector in the xy coordinate system; usz1, usz2, usz3, usz4, isz1, isz2, isz3, isz4 are the components of the stator voltage vector and the stator current vector in the additional z coordinate systems; ψsz1, ψsz2, ψsz3, ψsz4 are the components of the stator coupled flux vector in the additional z coordinate systems; ωe is electrical angular speed of the rotor; Rs and Rr are the resistance of the stator and rotor windings; and Ls, Lr and Lm are total stator inductance, total rotor inductance and magnetization inductance of the seven-phase induction motor, respectively.
In the above equations of the mathematical model of the motor, rotor voltage equations for zero components and rotor voltage equations for z components were omitted; due to the short circuiting of the rotor circuits, these electromagnetic components are always identically equal to zero [9,10,11,12].
From the equation for the motor electromagnetic torque, it follows that the conversion of electromechanical energy in multi-phase induction motors is determined only by the interaction of transformed electromagnetic variables of the stator and rotor expressed in the xy coordinate system. The other electromagnetic variables of the motor stator expressed in additional coordinate systems do not participate directly in the conversion of electromechanical energy. However, these variables should be analyzed because they are components of the actual motor stator phase currents, and thus have an impact on the power losses in the stator winding and on the load of the power electronics switches of the voltage source inverter.

3. VSI Control with Application of the Space Vector Modulation Method

In the analysis considered in this article, it was assumed that the seven-phase induction motor was powered by a seven-phase two-level voltage source inverter (VSI). The scheme of the two-level seven-phase VSI is presented in Figure 2 [10,11].
Stator voltage vectors generated by the seven-phase VSI, expressed in the stationary coordinate system αβ and in the additional z coordinate systems can be determined by Equations (22)–(24) in the following form [9,15,16,17,18,19]:
u _ s α β = u s α + j u s β = 2 7 ( S 1 + a _ S 2 + a _ 2 S 3 + a _ 3 S 4 + a _ 4 S 5 + a _ 5 S 6 + a _ 6 S 7 ) · u d
u _ s z 1 z 2 = u s z 1 + j u s z 2 = 2 7 ( S 1 + a _ 2 S 2 + a _ 4 S 3 + a _ 6 S 4 + a _ 8 S 5 + a _ 10 S 6 + a _ 12 S 7 ) · u d
u _ s z 3 z 4 = u s z 3 + j u s z 4 = 2 7 ( S 1 + a _ 3 S 2 + a _ 6 S 3 + a _ 9 S 4 + a _ 12 S 5 + a _ 15 S 6 + a _ 18 S 7 ) · u d
where a = exp(j2π/7); S1...S7 are the logical values, describing the states of the switches in the individual branches of the seven-phase voltage source inverter (the values of Si are equal to Si = 0 or to Si = 1, I = 1…7).
Figure 3 shows the set of all voltage vectors generated by the seven-phase VSI for various combinations of inverter conduction states in αβ stationary coordinate systems [9,15,16,17,18,19].
The seven-phase VSI has the ability to generate 27 = 128 output stator space vectors, denoted as u0,u1u127. This set of generated voltage vectors includes 126 active voltage vectors with different magnitudes (u1,u2u125,u126) and two zero voltage vectors (u0,u127).
In Figure 3, the individual voltage vectors are labelled by appropriate numbers expressed in the decimal system. Any decimal number describing the voltage vector number can be converted to an equivalent seven-digit binary number. Successive bits of this seven-digit binary number determine logical values corresponding to the states of switches in individual branches of the seven-phase VSI, at the generation of a given voltage vector. Taking into account the generated voltage vectors with the highest magnitudes, the vector plane can be divided into 14 sectors. For each sector, voltage vectors located on the boundary lines of sector and voltage vectors located inside the sector can be distinguished.
In the same way, the sets of stator voltage vectors generated by seven-phase VSI in the z additional systems can be determined. Due to the fact that these vectors are irrelevant to the motor control, their graphic representation has been omitted in the article.
In the analyzed DTC-SVM method, it was assumed that the space vector modulation method for the seven-phase VSI is based on the synthesis of the set value of the stator voltage vector with the use of two long voltage vectors and two zero voltage vectors generated by the seven-phase VSI during the modulation pulse period. The rule of determining the reference voltage vector with the selecting of two active and two zero voltage vectors is presented in Figure 4 [9,16,17,18].
In this modulation algorithm, at the beginning of each modulation period, the sector in which the given reference motor stator voltage is located is first determined. Then, this voltage vector is synthesized by switching on the two long and two zero inverter voltage vectors at predetermined time intervals of the pulse period. From the set of inverter voltage vectors, those two long voltage vectors are appropriately selected, which are located directly on the lines which define the boundary lines of the selected sector. The algorithm of this vector modulation is similar to the vector modulation algorithm used in the conventional three-phase VSI. The difference is that in this modulation algorithm for a seven-phase inverter, the control plane is divided into 14 sectors, and not all the inverter voltage vectors are selected for the synthesis of the set voltage vector, but only vectors of large length (the vectors marked in blue color in the Figure 3).
For example, in Figure 4, it is assumed that the set stator voltage vector is situated in the Sector 1. Figure 4 shows the inverter voltage vector numbers used during modulation for the considered position of the set voltage vector in Sector 1. For the assumed position of the set stator voltage vector in Sector 1, the modulation algorithm is described by the following equations [9,16,17,18]:
u _ s r e f · T s = u _ 97 · t a l + u _ 113 · t b l + u _ 0 · t 0 + u _ 127 · t 127
t 0 = t 127 = ( T s t a l t b l ) / 2
where: usref is the given stator voltage vector; Ts is the pulse period; tal, tbl are the time intervals of switching the long voltage vectors u97 and u113; t0, t127 are time intervals of switching the zero voltage vectors u0 and u127.

4. Control Based on MRAS Estimators

The simplest systems, which allow the estimation of unavailable induction motor variables, are state variable simulators. The systems which are directly based on the mathematical model of the motor allow to precisely determine the components of the machine fluxes; however, they have all the disadvantages resulting from the machine model. They are as sensitive to erroneous identification of the parameters of the induction motor as the model from which they were determined [4,5,6,20,21].
State variables simulators can be used in adaptive systems, allowing for simultaneous estimation of the machine flux and the rotor angular speed. The model reference adaptive system (MRAS) estimators have been used to reproduce the angular motor speed and the rotor flux vector magnitude in the control systems with three-phase induction motors. These estimators reproduce the rotor flux components and the speed of the motor, which is used to tune the adaptive system. The main advantage of these methods is their simple design and high resistance to changes of motor parameters.
Due to still-high sensitivity to erroneous identification of motor parameters and the lack of clear tuning rules for the PI controller in the speed adaptation system, it is sought to develop such estimators based on the MRAS concept, which will largely eliminate the disadvantages of the classic adaptive estimators.
The paper presents a comparative analysis of the operation of the DTC-SVM control method with seven-phase induction motor with the classic MRASF estimator and the novel MRASCC estimator. The basic advantages of the MRASCC estimator compared to the MRASF estimator are a lower sensitivity to changes of the motor parameter, and a relatively simple tuning of the PI controller in the adaptation mechanism [4,5,6]. The comparison of the operation of the mentioned estimators was carried out in the range of the rated magnitude of the stator flux vector and in the range of the field weakening.
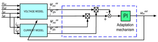
The MRASF estimator consists of two cooperating subsystems: the mathematical model of the estimator based on the motor stator circuit (named as the voltage model), and the mathematical model of the estimator based on the motor rotor circuit (named as the current model). The voltage model is adopted as a reference model, and the current model is used as the tunable model. The basic scheme of the MRASF estimator is presented in Figure 5. The output signals of fluxes obtained from voltage model are designated with the extra subscript v, and those from the current model are designated with the extra subscript c.
The stator circuit model (voltage model) is described by Equations (27) and (28) presented below [7,8]:
d d t ψ r α = L r L M ( u s α R s i s α σ L s d d t i s α )
d d t ψ r β = L r L M ( u s β R s i s β σ L s d d t i s β )
The rotor circuit model (current model) is described by Equations (29) and (30), presented below [7,8]:
d d t ψ r α = R r L r ( L M i s α ψ r α ) ω m e s t ψ r β
d d t ψ r β = R r L r ( L M i s β ψ r β ) + ω m e s t ψ r α
The estimated components of the rotor flux vector in the αβ coordinate system are given to the adaptation mechanism with the PI controller. The output signal from the PI controller is the estimated value of the motor speed (ωmest). The value of the estimated motor speed retunes the current model.
The estimated value of the motor speed is calculated according to Equation (31) [7,8]:
ω m e s t = K P ( ψ r α c e s t ψ r β v e s t ψ r β c e s t ψ r α v e s t ) + 1 T i 0 t ( ψ r α c e s t ψ r β v e s t ψ r β c e s t ψ r α v e s t )   d t
where Ψrαcest, Ψrβcest are the estimated components of the rotor flux linkage vector obtained from the current model in the αβ coordinate system; Ψrαvest, Ψrβvest are the estimated components of the rotor linkage flux vector obtained from the voltage model in the αβ coordinate system; and Kp, Ti are the parameters of the proportional and integral parts of the PI controller, respectively.
The basic scheme of the MRASCC estimator is presented in Figure 6. The MRASCC estimator consists of two estimators: the rotor flux estimator, and stator phase current estimator. In the MRASCC estimator, the components of the stator current vector of the induction motor are compared with the components of the stator current vector reproduced with using the stator–current model of the stator circuit. The rotor flux estimator (current model) is tuned with the rotor speed signal determined by the adaptation mechanism.
The operation of rotor flux estimator in the MRASCC estimator has been described in the same way as for the MRASF estimator and is described by Equations (29) and (30), presented above. The stator–current model can be obtained after some appropriate mathematical transformations using the voltage and current model of the rotor flux estimator.
The stator–current model is described by Equations (32) and (33) presented below [4,5,6]:
d d t i s α e s t = i s α e s t R r L m 2 + L r 2 R s σ L s L r 2 + L m R r σ L s L r 2 ψ r α e s t + L m σ L s L r ω m e s t ψ r β e s t + 1 σ L s u s α
d d t i s β e s t = i s β e s t R r L m 2 + L r 2 R s σ L s L r 2 + L m R r σ L s L r 2 ψ r β e s t L m σ L s L r ω m e s t ψ r α e s t + 1 σ L s u s β
where iest, iest are the estimated values of the stator phase current vector components in the αβ coordinate system; Ls is the stator inductance; σ = 1 − Lm2/LsLr is the total leakage factor; Ψest, Ψes are the estimated values of the components of the rotor flux vector in the αβ coordinate system; and ωmest is the estimated value of the angular electrical motor speed.
The differences between the estimated stator current values and the measured values are used in the motor speed reproduction algorithm, which can be defined as follows [4,5,6]:
ω m e s t = K p · ( e i s α · ψ r β e i s β · ψ r α ) + 1 T i ( e i s α · ψ r β e i s β · ψ r α )   d t
where e i s α = i s α i s α e s t ,   e i s β = i s β i s β e s t are the differences between the measured and estimated values of the components of the stator current vector in the αβ coordinate system; and Kp, Ti are the parameters of the proportional and integral parts of the PI controller, respectively.

5. DTC-SVM Control System

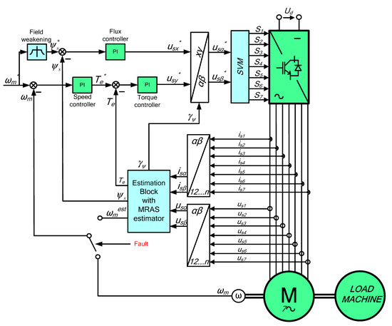
The DTC-SVM control system with a seven-phase induction motor and with application of MRAS estimators has been presented in Figure 7 [20,21,22]. The two possible types of MRAS estimators are considered in the control system: MRASF estimator and MRASCC estimator.
The main task of the DTC-SVM control method is to regulate the angular speed of the induction motor, the magnitude of the stator flux vector, and the motor electromagnetic torque. The switching states of the voltage source inverters are determined with the use of the space vector modulator. Therefore, it is possible to achieve, in the analyzed control method, a constant switching frequency of the power switches of the voltage source inverter, and thus a constant value of switching losses. To implement the DTC-SVM control system, it is necessary to use the estimator of the magnitude and the position of the stator flux vector of the motor and the motor electromagnetic torque.
In this article, the damage of the speed sensor in the control system of the seven-phase induction motor was analyzed. Therefore, the MRAS estimator of the rotor flux vector magnitude and the motor speed has been used in the analyzed control system. The stator flux vector magnitude was determined from Equation (35) [21]:
ψ _ s = L m L r ψ _ r + σ   L s i _ s
In the presented DTC-SVM control system, the two outer control loops were applied: the control loop of the motor mechanical speed and the control loop of the stator flux vector magnitude (Figure 7).
In the outer speed control loop, the reference motor mechanical speed ωm* is compared with the measured mechanical speed ωm. The signal of speed error is fed to the PI controller. The output signal from the speed controller is the reference value of the motor electromagnetic torque Te*. The reference value of the motor electromagnetic torque Te* is compared with the estimated value of the motor electromagnetic torque Te, and the value of this error signal is sent to the PI controller. The output value from this controller is the reference value of the usy* component of the stator reference voltage vector.
In the outer control loop of the stator flux, the set value of the stator flux magnitude is compared with the estimated value of this variable and the difference value is applied to the input of the PI controller. The output signal from this controller is the set value of the usx* component of the stator reference voltage vector.
The set values of the usx* and usy* components of the stator voltage vector are transformed to the stationary αβ coordinate system and then fed to the input of the SVM modulation block. The space vector modulator is responsible for generating the signals controlling the switching of power electronics switches in a seven-phase voltage source inverter.
There are no restrictions of the application of the analyzed sensorless DTC-SVM control method for control of seven-phase induction motors. The only limitation is the hardware performance of the processor. Therefore, this article presents the results of simulation studies for rated and higher-than-rated speeds of the seven-phase induction motor. In order to achieve speeds higher than rated speeds of the motor, the stator flux weakening algorithm should be used. The simplest method is to decrease the stator flux vector amplitude as the mechanical speed increases. When the motor speed does not exceed the rated speed, the magnitude of the stator flux vector is regulated at the rated value. After exceeding the rated speed, the stator flux vector magnitude is changed in the function of electrical angular speed ωe. The relationships for establishing the magnitudes of stator flux vector for the above two cases have the form:
Ψ s N = U m s N ω 1 N       a n d       Ψ s = U m s N | ω e |
where UmsN is the nominal magnitude of the stator phase voltage; ω1N is the nominal angular frequency; ωe is the electrical angular speed of the machine rotor.

6. Simulation Results

Simulation studies have been carried out for the seven-phase squirrel-cage induction motor with the following parameters: PN = 4 kW, UsN = 230 V, IsN = 2.5 A, fN = 50 Hz, pb = 2, Rs = 10 Ω, Rr = 6.3 Ω, Lls = Llr = 0.04 H, Lm = 0.42 H. The intermittent signal and the absence of a measured signal from the encoder was analyzed in the simulation. The moments of failure states of the encoder were assumed during the process of start-up of the seven-phase induction motor. The drive system resistant to the motor speed sensor fault has been analyzed. After the occurrence of the failure condition of the motor speed sensor, the simulated speed signal from the speed sensor has been replaced by the estimated speed signal obtained from the MRASF or from MRASCC estimator.
In Figure 8 and Figure 9, the simulation waveforms of the reference mechanical speed ωm* (black color), measured mechanical speed ωmm (blue color), and estimated mechanical speed ωmest (red color) of the seven-phase induction motor for DTC-SVM control system with MRAS estimators have been presented. Figure 8 shows the simulation waveforms of speeds of the seven-phase squirrel-cage induction motor for DTC-SVM control system with the MRASF estimator, and Figure 9 shows the simulation waveforms of speeds of the seven-phase squirrel-cage induction motor for DTC-SVM control system with the MRASCC estimator. In all of the simulation studies presented below, the operation of motor with momentary action of the mechanical load torque Tm as presented in Figure 10 and Figure 11 was assumed.
The moments of fault state of the motor speed sensor were simulated in the time interval from t = 0.2 s to 0.32 s during the start-up of the motor. Based on the analysis of the results of simulation tests, it can be concluded that the DTC-SVM method ensures accurate control of the angular motor speed before the failure of the encoder and after the failure of the encoder and switching the control system to the operation with sensorless speed control. The waveforms present the decrease in the measured motor speed to the value equal to zero after the failure of the speed sensor. The results of simulation studies for rated and higher-than-rated speeds of the seven-phase induction motor have been presented in the following figures. On the comparison of obtained simulation results, it can be confirmed that the smaller oscillations and overshoots in the waveforms of the motor speed occurred for the DTC-SVM control method with MRASCC estimator.
The simulation transients of the motor electromagnetic torque Te of the seven-phase squirrel-cage induction motor with the momentary action of the mechanical load torque Tm for DTC-SVM control system with both MRAS estimators have been presented in Figure 10 and in Figure 11, respectively.
The simulation results show that the considered DTC-SVM control methods ensure a quick reaction of the seven-phase squirrel-cage induction motor to step changes in the mechanical load of the motor. In the DTC-SVM control system with the MRASCC estimator, smaller overshoots and smaller instantaneous oscillations in the motor electromagnetic torque transients can be noticed.
Figure 12 shows the simulation transients of the stator phase currents of the seven-phase induction motor for DTC-SVM control system with MRAS estimators. The results of simulation tests show that the stator phase current amplitudes depend on the operating and load state of the drive system and increase in dynamic states and reach the set value in the steady states. In the transients of the phase stator currents, smaller oscillations have been observed for the DTC-SVM control system with the MRASCC estimator.
The waveforms of the reference and estimated magnitude of the rotor flux vector of the seven-phase induction motor for the DTC-SVM control system with MRAS estimators are shown in Figure 13. The rotor flux vector is controlled properly with maintenance of the nominal value during setting of the nominal angular speed. When the set motor speed increases above the nominal value, the magnitude of the stator flux vector decreases in proportion to the increase in the motor speed. There are no significant differences in the magnitudes of the rotor flux vector trajectories in the DTC-SVM control system with both MRAS estimators.
Figure 14 shows the trajectories of the components of the stator phase currents of the seven-phase squirrel-cage induction motor for DTC-SVM control system with both MRAS estimators.
The presented hodographs have been determined for the values of the currents measured during the entire operating period of the drive system. It can be stated that the components of the stator current vector in the z-axes reached smaller values in comparison with the values of the components of the stator current vector in the αβ-axes. In the DTC-SVM control system with MRASCC estimator, smaller instantaneous oscillations in the trajectories of the components of the stator phase currents could be noticed.

7. Conclusions

The mathematical model of the seven-phase squirrel-cage induction motor has been presented in the paper. The descriptions of the space vector modulation method, and MRASF and MRASCC estimators, have been shown. DTC-SVM control systems with a seven-phase induction motor with different types of MRAS estimators have been analyzed.
The simulation studies of DTC-SVM system with MRASF and MRASCC estimators have been carried out. The results of the simulation studies are presented and discussed. The fault states in the drive system consisting of the intermittent signal from the encoder and the damage of the speed sensor have been chosen for the analysis. The comparison of the results for the DTC-SVM control system with the MRASF and the novel MRASCC estimators have been carried out.
The analysis of the obtained results of simulation tests allows for the conclusion that the analyzed control methods are suitable for the precise adjustment of the motor variables during operation with the measurement of the mechanical speed, and after the occurrence of the speed sensor failure and during the operation with speed estimation by the MRAS estimators.
The smaller oscillations in the waveforms of the motor electromagnetic variables occurred for the DTC-SVM control system using the MRASCC estimator. Only for the waveforms of the magnitude of the stator flux vector were there no significant differences in control quality.
The authors plan to build electromechanical systems with a seven-phase induction motor. Experimental verification of the fault-tolerant operation of the described DTC-SVM system is planned by the authors, and the results of this research will be published in future research papers.

Author Contributions

Conceptualization, J.L. and K.P.; methodology, J.L. and K.P.; software, J.L.; validation, J.L. and K.P.; formal analysis, J.L. and K.P.; investigation, J.L. and K.P.; resources, J.L. and K.P.; data curation, J.L. and K.P.; writing—original draft preparation, J.L. and K.P.; writing—review and editing, J.L. and K.P.; visualization, J.L. and K.P.; supervision, K.P.; project administration, J.L. and K.P.; funding acquisition, K.P. Both authors have read and agreed to the published version of the manuscript.

Funding

This research was funded by Wroclaw University of Science and Technology, Faculty of Electrical Engineering, Department of Electrical Machines, Drives and Measurements.

Data Availability Statement

The data presented in this study are available on request from the first author.

Conflicts of Interest

The authors declare no conflict of interest.

References

  1. Betin, F.; Moghadasian, M.; Lanfranchi, V.; Capolino, G.A. Fault-Tolerant Control of Six-Phase Induction Machines Using Combined Fuzzy-Logic and Genetic Algorithms. In Proceedings of the IEEE Workshop on Electrical Machines Design, Control and Diagnosis (WEMDCD), Paris, France, 11–12 March 2013; pp. 138–147. [Google Scholar]
  2. Levi, E.; Bojoi, R.; Profumo, F.; Toliyat, H.A.; Williamson, S. Multiphase Induction Motor Drives—A Technology Status Review. IET Electr. Power Appl. 2007, 1, 489–516. [Google Scholar] [CrossRef]
  3. Listwan, J. Analysis of Fault States in Drive Systems with Multi-Phase Induction Motors. Arch. Electr. Eng. 2019, 68, 817–830. [Google Scholar]
  4. Dybkowski, M.; Klimkowski, K. A Fault Tolerant Control Structure for an Induction Motor Drive System. Automatika 2016, 57, 638–647. [Google Scholar]
  5. Dybkowski, M.; Klimkowski, K.; Orłowska-Kowalska, T. Speed and Current Sensor Fault-Tolerant Control of the Induction Motor Drive. In Advanced Control of Electrical Drives and Power Electronics Converters; Springer: Cham, Switzerland, 2017; pp. 141–167. [Google Scholar]
  6. Dybkowski, M.; Klimkowski, K.; Orłowska-Kowalska, T. Speed Sensor Fault Tolerant Direct Torque Control of Induction Motor Drive. In Proceedings of the 16th International Power Electronics and Motion Control Conference and Exposition, Antalya, Turkey, 21–24 September 2014; pp. 679–684. [Google Scholar]
  7. Bednarz, S.; Dybkowski, M. Induction Motor Windings Faults Detection Using Flux-Error Based MRAS Estimators. Diagnostyka 2019, 20, 87–96. [Google Scholar] [CrossRef]
  8. Korzonek, M.; Tarchała, G.; Orłowska-Kowalska, T. A review on MRAS-type speed estimators for reliable and efficient induction motor drives. ISA Trans. 2019, 93, 1–13. [Google Scholar] [CrossRef] [PubMed]
  9. Yang, G.; Yang, J.; Wang, Y.; Hussain, H.; Li, S.; Deng, R.; Yan, L. A Novel Sequential Direct Torque Control Scheme for Seven-Phase Induction Motors. In Proceedings of the 2020 International Conference on Electrical Machines (ICEM), Gothenburg, Sweden, 1 December 2020; pp. 2041–2047. [Google Scholar]
  10. Casadei, D.; Mengoni, M.; Serra, G.; Tani, A.; Zarri, L. Comparison of Different Fault-Tolerant Control Strategies for Seven-Phase Induction Motor Drives. In Proceedings of the 13th European Conference on Power Electronics and Applications EPE’09, Barcelona, Spain, 8–10 September 2009; pp. 1–9. [Google Scholar]
  11. Casadei, D.; Mengoni, M.; Serra, G.; Tani, A.; Zarri, L. Theoretical and Experimental Analysis of Fault Tolerant Control Strategies for Seven-Phase Induction Motor Drives. In Proceedings of the International Symposium on Power Electronics, Electrical Drives, Automation and Motion (SPEEDAM), Pisa, Italy, 14–16 June 2010; pp. 1628–1633. [Google Scholar]
  12. Jones, M.; Levi, E.; Vukosavic, S.N.; Toliyat, H.A. Independent Vector Control of a Seven-Phase Three-Motor Drive System Supplied from a Single Voltage Source Inverter. In Proceedings of the IEEE 34th Annual Conference on Power Electronics Specialist, Acapulco, Mexico, 15–19 June 2003; pp. 1865–1870. [Google Scholar]
  13. Listwan, J. Direct Torque Control of Multi-Phase Induction Motor with Fuzzy-Logic Speed Controller. Inform. Autom. Pomiary Gospod. Ochr. Sr. 2017, 7, 38–43. [Google Scholar] [CrossRef]
  14. Thavot, M.; Iqbal, A.; Saleh, M.; Kalam, A. Modeling of A Seven-Phase Series-connected Three-Motor Drive System. In Proceedings of the 2013 IEEE GCC Conference and exhibition, Doha, Qatar, 17–20 November 2013; pp. 142–147. [Google Scholar]
  15. Ahmed, S.M.; Salam, Z.; Abu-Rub, H. Common-mode Voltage Elimination in a Three-to-Seven Phase Dual Matrix Converter Feeding a Seven Phase Open-end Induction Motor Drive. In Proceedings of the 2014 IEEE Conference on Energy Conversion (CENSON), Johor Bahru, Malaysia, 13–14 October 2014; pp. 207–212. [Google Scholar]
  16. Dujic, D.; Grandi, G.; Jones, M.; Levi, E. A Space Vector PWM Scheme for Multifrequency Output Voltage Generation with Multiphase Voltage-Source Inverters. IEEE Trans. Ind. Electron. 2008, 55, 1943–1955. [Google Scholar] [CrossRef]
  17. Grandi, G.; Serra, G.; Tani, A. Space Vector Modulation of a Seven-Phase Voltage Source Inverter. In Proceedings of the International Symposium on Power Electronics, Electrical Drives, Automation and Motion (SPEEDAM), Taormina, Italy, 23–26 May 2006; pp. 6–13. [Google Scholar]
  18. Khan, M.A.; Ahmed, S.M.; Iqbal, A.; Abu Rub, H.; Moinoddin, S. Discontinuous Space vector PWM Strategies for a Seven-Phase Voltage Source Inverter. In Proceedings of the 35th Annual Conference of IEEE Industrial Electronics, Porto, Portugal, 3–5 November 2009; pp. 397–402. [Google Scholar]
  19. Renuka Devi, G. Performance Investigation of Inverter fed 7-Phase Induction Motor Drive. Int. Res. J. Eng. Technol. (IRJET) 2016, 3, 694–699. [Google Scholar]
  20. Listwan, J.; Pieńkowski, K. DTC-ST and DTC-SVM Control of Five-Phase Induction Motor with MRASCC Estimator. Przegląd Elektrotechniczny 2016, 92, 252–256. [Google Scholar] [CrossRef]
  21. Orłowska-Kowalska, T. Sensorless Induction Motor Drives; Wroclaw University of Technology Press: Wroclaw, Poland, 2003. (In Polish) [Google Scholar]
  22. Bojoi, R.; Farina, F.; Griva, G.; Profumo, F.; Tenconi, A. Direct Torque Control of Dual Three-phase Induction Motor Drives. IEEE Trans. Ind. Appl. 2005, 41, 1627–1636. [Google Scholar] [CrossRef]
Figure 1. The schematic representation of stator and rotor phase windings of the seven-phase squirrel-cage induction motor (a) and the coordinate systems used in the analysis (b).
Figure 1. The schematic representation of stator and rotor phase windings of the seven-phase squirrel-cage induction motor (a) and the coordinate systems used in the analysis (b).
Energies 14 01147 g001
Figure 2. The scheme of the seven-phase voltage source inverter.
Figure 2. The scheme of the seven-phase voltage source inverter.
Energies 14 01147 g002
Figure 3. Voltage vectors generated by the seven-phase voltage source inverter and presented in the αβ stationary system.
Figure 3. Voltage vectors generated by the seven-phase voltage source inverter and presented in the αβ stationary system.
Energies 14 01147 g003
Figure 4. The rule of determining the reference voltage vector with the selecting of two active and two zero voltage vectors.
Figure 4. The rule of determining the reference voltage vector with the selecting of two active and two zero voltage vectors.
Energies 14 01147 g004
Figure 5. The scheme of the model reference adaptive system—flux based (MRASF) estimator.
Figure 5. The scheme of the model reference adaptive system—flux based (MRASF) estimator.
Energies 14 01147 g005
Figure 6. The scheme of the model reference adaptive system with current model and current (MRASCC) estimator.
Figure 6. The scheme of the model reference adaptive system with current model and current (MRASCC) estimator.
Energies 14 01147 g006
Figure 7. The direct torque control—space vector modulation (DTC-SVM) control system with seven-phase induction motor with MRAS estimators.
Figure 7. The direct torque control—space vector modulation (DTC-SVM) control system with seven-phase induction motor with MRAS estimators.
Energies 14 01147 g007
Figure 8. The simulation waveforms of speeds of the seven–phase squirrel–cage induction motor for DTC–SVM control system with the MRASF estimator.
Figure 8. The simulation waveforms of speeds of the seven–phase squirrel–cage induction motor for DTC–SVM control system with the MRASF estimator.
Energies 14 01147 g008
Figure 9. The simulation waveforms of speeds of the seven–phase squirrel–cage induction motor for DTC–SVM control system with the MRASCC estimator.
Figure 9. The simulation waveforms of speeds of the seven–phase squirrel–cage induction motor for DTC–SVM control system with the MRASCC estimator.
Energies 14 01147 g009
Figure 10. The simulation transients of the electromagnetic torque of the seven–phase squirrel–cage induction motor and the load torque for DTC–SVM control system with the MRASF estimator.
Figure 10. The simulation transients of the electromagnetic torque of the seven–phase squirrel–cage induction motor and the load torque for DTC–SVM control system with the MRASF estimator.
Energies 14 01147 g010
Figure 11. The simulation transients of the electromagnetic torque of the seven–phase squirrel–cage induction motor and the load torque for DTC–SVM control system with the MRASCC estimator.
Figure 11. The simulation transients of the electromagnetic torque of the seven–phase squirrel–cage induction motor and the load torque for DTC–SVM control system with the MRASCC estimator.
Energies 14 01147 g011
Figure 12. The simulation transients of the stator phase currents of the seven–phase squirrel–cage induction motor for DTC–SVM control systems with: (a) the MRASF estimator; (b) the MRASCC estimator.
Figure 12. The simulation transients of the stator phase currents of the seven–phase squirrel–cage induction motor for DTC–SVM control systems with: (a) the MRASF estimator; (b) the MRASCC estimator.
Energies 14 01147 g012
Figure 13. The trajectories of the estimated magnitude of the rotor flux vector of the seven–phase induction motor for the DTC–SVM control system with: (a) the MRASF estimator; (b) the MRASCC estimator.
Figure 13. The trajectories of the estimated magnitude of the rotor flux vector of the seven–phase induction motor for the DTC–SVM control system with: (a) the MRASF estimator; (b) the MRASCC estimator.
Energies 14 01147 g013
Figure 14. The trajectories of the components of the stator phase currents of the seven–phase induction motor for the DTC–SVM control system with: (a) the MRASF estimator; (b) the MRASCC estimator.
Figure 14. The trajectories of the components of the stator phase currents of the seven–phase induction motor for the DTC–SVM control system with: (a) the MRASF estimator; (b) the MRASCC estimator.
Energies 14 01147 g014
Publisher’s Note: MDPI stays neutral with regard to jurisdictional claims in published maps and institutional affiliations.

Share and Cite

MDPI and ACS Style

Listwan, J.; Pieńkowski, K. Comparative Analysis of Control Methods with Model Reference Adaptive System Estimators of a Seven-Phase Induction Motor with Encoder Failure. Energies 2021, 14, 1147. https://doi.org/10.3390/en14041147

AMA Style

Listwan J, Pieńkowski K. Comparative Analysis of Control Methods with Model Reference Adaptive System Estimators of a Seven-Phase Induction Motor with Encoder Failure. Energies. 2021; 14(4):1147. https://doi.org/10.3390/en14041147

Chicago/Turabian Style

Listwan, Jacek, and Krzysztof Pieńkowski. 2021. "Comparative Analysis of Control Methods with Model Reference Adaptive System Estimators of a Seven-Phase Induction Motor with Encoder Failure" Energies 14, no. 4: 1147. https://doi.org/10.3390/en14041147

APA Style

Listwan, J., & Pieńkowski, K. (2021). Comparative Analysis of Control Methods with Model Reference Adaptive System Estimators of a Seven-Phase Induction Motor with Encoder Failure. Energies, 14(4), 1147. https://doi.org/10.3390/en14041147

Note that from the first issue of 2016, this journal uses article numbers instead of page numbers. See further details here.

Article Metrics

Back to TopTop