Prospects and Obstacles for Green Hydrogen Production in Russia
Abstract
1. Introduction
2. Global Perspective
2.1. Diffusion of RESs into Existing Energy System through the Development of Power Accumulators
2.2. Prerequisites for Green Hydrogen Development
- Decrease in the cost of hydrogen production based on “carbon-free” technologies, including those that allow hydrogen production only from water and electricity.
- Creation of scalable technology of large-capacity hydrogen transportation with acceptable technical and economic indicators [25].
- Decrease of capacity cost and present value of hydrogen fuel cell electricity generation.
- Compressed under pressure up to 700 bar in steel or composite cylinders and containers
- In liquefied form in cryogenic tanks at −252 °C
- In chemically bound form in liquid organic hydrides (LOHC)The essence of the method consists in hydrogenation of organic matter, for example, toluene, as a rule, of aromatic nature, and obtaining in this way a hydrogen-containing chemical compound, significantly different in its properties from hydrogen, for example, methylcyclohexane. This substance is then catalytically dehydrated, the hydrogen is extracted, and the original substrate is returned to the process.
- In reversibly sorbing or hydrogen containing hydrides of metals and complex alloys within this storage method, two lines are being actively developed. One is associated with the use of reversible hydrogen sorbing at a pressure of up to 8 bar of complex hydrides, desorption of which occurs at low pressure. The second is the production of aqueous solutions of alkali metal borhydrides stabilized due to creation of highly alkaline pH, which are irreversibly dehydrated with decomposition on catalysts.
- Chemically bound in the form of ammonia NH3
3. Russian Perspective
3.1. Diffusion of RESs into Existing Energy System through the Development of Power Accumulators
3.2. Prerequisites for Green Hydrogen Development
3.3. Vision of Russian Energy Scenarios
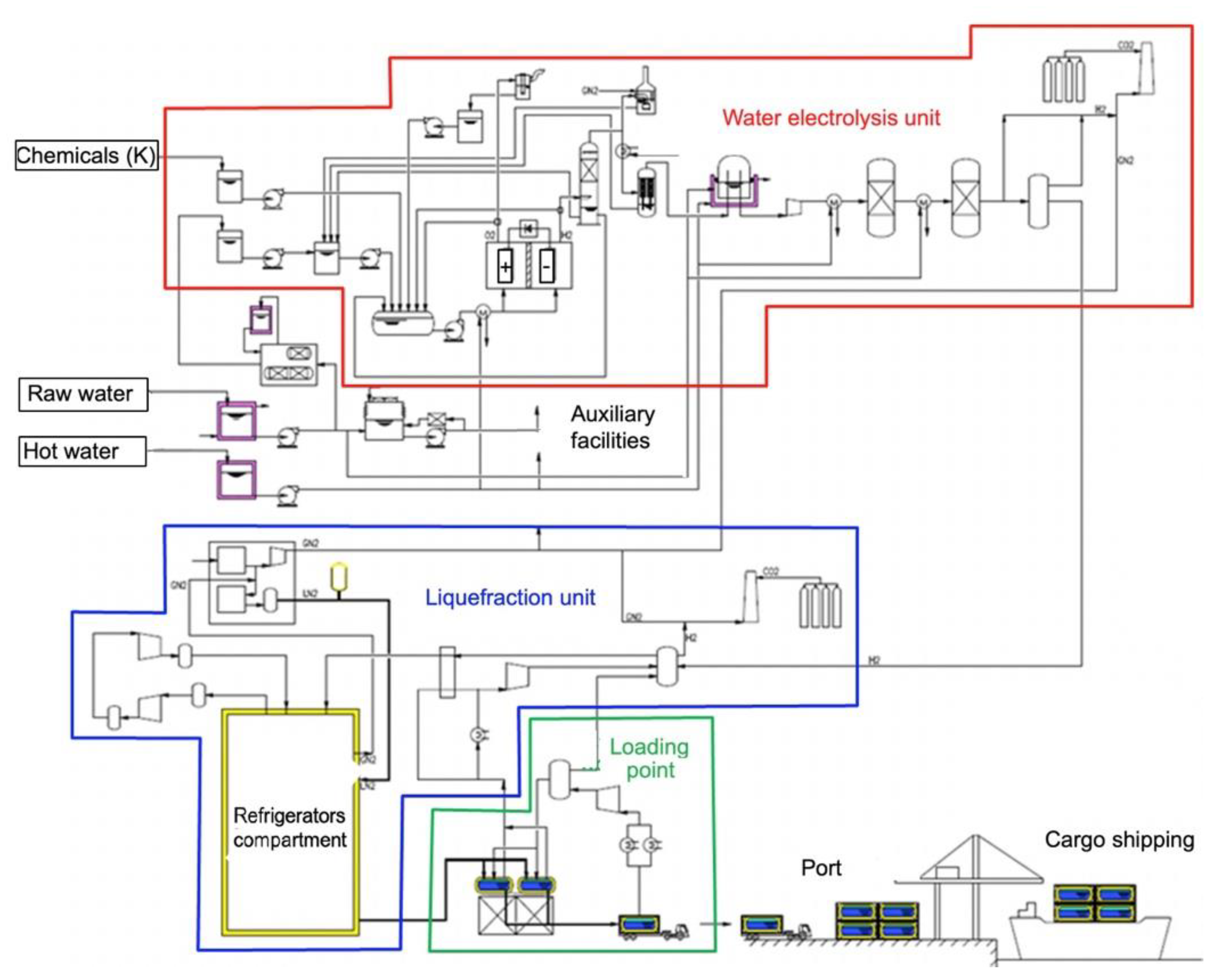
4. Case Study in Magadan Region
- Plants for water electrolysis: a device for producing hydrogen by means of electrolysis of purified water.
- Liquefaction plants: devices for liquefaction of purified hydrogen by deep cooling
- Liquefied hydrogen storage tanks: Liquefied hydrogen storage tanks are also used to transport liquefied hydrogen.
- Container filling lines for hydrogen: transport lines used to transfer hydrogen from the liquefying plants to the tanks.
- Other buildings and structures.
5. Discussion
6. Conclusions
Author Contributions
Funding
Conflicts of Interest
References
- International Energy Agency (IEA). Total Installed Power Capacity by Fuel and Technology 2019–2025, Main Case. Available online: https://www.iea.org/data-and-statistics/charts/total-installed-power-capacity-by-fuel-and-technology-2019-2025-main-case (accessed on 2 December 2020).
- Lazard. Levelized Cost of Storage Analysis 2017. Available online: https://www.lazard.com/perspective/levelized-cost-of-storage-2017/ (accessed on 2 December 2020).
- ExxonMobil. Forecast of Energy Development in 2017 for the Period up to 2040 Inclusive. Available online: https://www.nrcan.gc.ca/sites/www.nrcan.gc.ca/files/energy/energy-resources/ExxonMobil_2017_outlook_for_energy_highlights.pdf (accessed on 2 December 2020).
- Bloomberg; Nereim, V.; Cunningham, S. Saudis, SoftBank Plan World’s Largest Solar Project. 2018. Available online: https://www.bloomberg.com/news/articles/2018-03-28/saudi-arabia-softbank-ink-deal-on-200-billion-solar-project (accessed on 2 December 2020).
- The Energy Research Institute; National Development and Reform Commission. China 2050 High Renewable Energy Penetration Scenario and Roadmap Study. 2015. Available online: https://www.efchina.org/Attachments/Report/report-20150420/China-2050-High-Renewable-Energy-Penetration-Scenario-and-Roadmap-Study-Executive-Summary.pdf (accessed on 2 December 2020).
- Rahmann, C.; Chamas, S.I.; Alvarez, R.; Chavez, H.; Ortiz-Villalba, D.; Shklyarskiy, Y. Methodological Approach for Defining Frequency Related Grid Requirements in Low-Carbon Power Systems. IEEE Access 2020, 8, 161929–161942. [Google Scholar] [CrossRef]
- Renew Economy. The stunning numbers behind success of Tesla big battery. Available online: https://reneweconomy.com.au/the-stunning-numbers-behind-success-of-tesla-big-battery-63917/ (accessed on 2 December 2020).
- Savard, C.; Iakovleva, E.V. A suggested improvement for small autonomous energy system reliability by reducing heat and excess charges. Batteries 2019, 5, 29. [Google Scholar] [CrossRef]
- Vasilkov, O.S.; Dobysh, V.S. Features of Application Hybrid Energy Storage in Power Supply Systems. In Proceedings of the 2019 IEEE Conference of Russian Young Researchers in Electrical and Electronic Engineering (ElConRus), Saint Petersburg/Moscow, Russia, 28–31 January 2019; pp. 728–730. [Google Scholar] [CrossRef]
- International Energy Agency (IEA). The Future of Hydrogen Seizing Today’s Opportunities. Available online: https://www.iea.org/reports/the-future-of-hydrogen (accessed on 2 December 2020).
- Ministry of Energy of the Russian Federation. Concept for the Development of the Electricity Storage Systems Market in the Russian Federation. 2018. Available online: https://minenergo.gov.ru/view-pdf/9013/74739 (accessed on 2 December 2020). (In Russian)
- McKinsey Global Institute. Disruptive Technologies: Advances that will Transform Life, Business, and the Global Economy. 2013. Available online: https://www.mckinsey.com/~/media/McKinsey/Business%20Functions/McKinsey%20Digital/Our%20Insights/Disruptive%20technologies/MGI_Disruptive_technologies_Executive_summary_May2013.pdf (accessed on 2 December 2020).
- Data from GuideHouse Insights. Available online: https://guidehouseinsights.com/reports (accessed on 2 December 2020).
- Bloomberg New Energy Finance. Global Storage Market to Double Six Times by 2030. 2017. Available online: https://about.bnef.com/blog/global-storage-market-double-six-times-2030/ (accessed on 2 December 2020).
- Cherepovitsyn, A.E.; Ilinova, A.A.; Evseeva, O.O. Stakeholders management of carbon sequestration project in the state-business-society system. J. Min. Inst. 2019, 240, 731. [Google Scholar] [CrossRef]
- Kuznetsov, P.A.; Abrmovich, B.N.; Sychev, Y.A.; Mukminova, D.Z. Assessment and data analysis of beneficial implementation of cogeneration modules at mining enterprises to minimize negative influence on the environment. J. Phys. Conf. Ser. 2019, 1333, 032048. [Google Scholar] [CrossRef]
- Gerra, D.D.; Iakovleva, E.V. Sun Tracking System for Photovoltaic Batteries in Climatic Conditions of the Republic of Cuba. In Proceedings of the International Scientific Electric Power Conference, Saint Petersburg, Russia, 23–24 May 2019. [Google Scholar]
- Kirsanova, N.Y.; Lenkovets, O.M.; Nikulina, A.Y. Renewable energy sources (RES) as a factor determining the social and economic development of the arctic zone of the Russian Federation. In Proceedings of the 18th International Multidisciplinary Scientific GeoConference SGEM2018, Albena, Bulgaria, 2–8 July 2018. [Google Scholar] [CrossRef]
- Pashkevich, M.A.; Petrova, T.A. Development of an operational environmental monitoring system for hazardous industrial facilities of Gazprom Dobycha Urengoy. In Proceedings of the International Conference “Complex Equipment of Quality Control Laboratories”, Saint Petersburg, Russia, 14–17 May 2019. [Google Scholar] [CrossRef]
- Pashkevich, M.A.; Matveeva, V.A.; Danilov, A.S. Migration of pollutants from the mining waste disposal territories on the Kola Peninsula. Gorn. Zhurnal 2019, 1, 17–21. [Google Scholar] [CrossRef]
- Federal Ministry for Economic Affairs and Energy. The National Hydrogen Strategy. 2020. Available online: https://www.bmwi.de/Redaktion/DE/Publikationen/Energie/die-nationale-wasserstoffstrategie.pdf?__blob=publicationFile&v=12 (accessed on 2 December 2020). (In German)
- The International Renewable Energy Agency (IRENA). Electricity Storage and Renewables: Costs and Markets to 2030. 2017. Available online: http://www.irena.org/-/media/files/irena/agency/publication/2017/oct/irena_electricity_storage_costs_2017.pdf (accessed on 2 December 2020).
- CSIRO. Available online: https://www.csiro.au/en/ (accessed on 2 December 2020).
- Cummins. Sustainability, Plus Performance. Available online: https://www.cummins.com/new-power (accessed on 2 December 2020).
- Litvinenko, V.S.; Tsvetkov, P.S.; Dvoynikov, M.V.; Buslaev, G.V. Barriers to implementation of hydrogen initiatives in the context of global energy sustainable development. J. Min. Inst. 2020, 244, 428–438. [Google Scholar] [CrossRef]
- EnergyNet. Prospects for Russia in the Global Hydrogen Fuel Market. Expert Analytical Report. Moscow. 2018. Available online: https://www.eprussia.ru/upload/iblock/ede/ede334adeb4c282549a71d6fec727d64.pdf (accessed on 2 December 2020).
- Berezikov, S.A. Structural changes and innovation economic development of the Arctic regions of Russia. J. Min. Inst. 2019, 240, 716. [Google Scholar] [CrossRef]
- Savard, C.; Nikulina, A.; Mécemmène, C.; Mokhova, E. The electrification of ships using the Northern Sea Route: An approach. J. Open Innov. Technol. Mark. Complex. 2020, 6, 13. [Google Scholar] [CrossRef]
- Shklyarskiy, Y.; Hanzelka, Z.; Skamyin, A. Experimental study of harmonic influence on electrical energy metering. Energies 2020, 13, 5536. [Google Scholar] [CrossRef]
- Bogachev, V.F.; Gorenburgov, M.A.; Alekseeva, M.B. Systemic Diagnostics of the Arctic Industry Development Strategy. J. Min. Inst. 2019, 238, 450. [Google Scholar] [CrossRef]
- Belsky, A.A.; Skamyin, A.N.; Vasilkov, O.S. The use of hybrid energy storage devices for balancing the electricity load profile of enterprises. Energetika Proc. CIS High. Educ. Inst. Power Eng. Assoc. 2020, 63, 212–222. [Google Scholar] [CrossRef]
- Batueva, D.E.; Shklyarskiy, J.E. Increasing efficiency of using wind diesel complexes through intellectual forecasting power consumption. In Proceedings of the 2019 IEEE Conference of Russian Young Researchers in Electrical and Electronic Engineering (ElConRus), Saint Petersburg/Moscow, Russia, 28–31 January 2019; pp. 434–436. [Google Scholar] [CrossRef]
- NP Market Council. Prospects for Russia in the global Hydrogen Fuel Market. Expert and Analytical Report. 2018. Available online: https://www.np-sr.ru/ru/content/47872-perspektivy-rossii-na-globalnom-rynke-vodorodnogo-topliva-ekspertno-analiticheskiy (accessed on 2 December 2020).
- Belsky, A.A.; Dobush, V.S.; Haikal, Sh.F. Operation of a Single-phase Autonomous Inverter as a Part of a Low-power Wind Complex. J. Min. Inst. 2019, 239, 564–569. [Google Scholar] [CrossRef]
- Kalimullin, L.V. Main trends and scenarios of the development of the world energy. ECO 2019, 49, 66–82. [Google Scholar] [CrossRef]
- The Energy Research Institute of the Russian Academy of Sciences; The Analytical Center for the Government of the Russian Federation. Forecast of the Development of Energy in the World and Russia 2016; Makarova, A.A., Grigorieva, L.M., Mitrova, T.A., Eds.; ERI RAS—ACRF: Moscow, Russia, 2016.
- Yurak, V.V.; Dushin, A.V.; Mochalova, L.A. Vs sustainable development: Scenarios for the future. J. Min. Inst. 2020, 242, 242. [Google Scholar] [CrossRef]
- Litvinenko, V. The Role of Hydrocarbons in the Global Energy Agenda: The Focus on Liquefied Natural Gas. Resources 2020, 9, 59. [Google Scholar] [CrossRef]
- Tcvetkov, P.; Cherepovitsyn, A.; Makhovikov, A. Economic assessment of heat and power generation from small-scale liquefied natural gas in Russia. Energy Rep. 2020, 6, 391–402. [Google Scholar] [CrossRef]
- Yun, J.J.; Kim, D.; Yan, M.-R. Open Innovation Engineering—Preliminary Study on New Entrance of Technology to Market. Electronics 2020, 9, 791. [Google Scholar] [CrossRef]
- Zhukovskiy, Y.; Batueva, D.; Buldysko, A.; Shabalov, M. Motivation towards energy saving by means of IoT personal energy manager platform. J. Phys. Conf. Ser. 2019, 1333. [Google Scholar] [CrossRef]
- Litvinenko, V.S. Digital Economy as a Factor in the Technological Development of the Mineral Sector. Nat. Resour. Res. 2020, 29, 1521–1541. [Google Scholar] [CrossRef]
- Afanasyev, G. Guide to Creative Territory. Technological Companies. 2013. Available online: http://erazvitie.org/article/rukovodstvo-po-kreativnoj-territorii (accessed on 2 December 2020). (In Russian).
- View. Japan Launches World’s First Liquid Hydrogen Carrier. Available online: https://www.h2-view.com/story/japan-launches-worlds-first-liquid-hydrogen-carrier/ (accessed on 2 December 2020).
- Dvoynikov, M.; Buslaev, G.; Kunshin, A.; Sidorov, D.; Kraslawski, A.; Budovskaya, M. New Concepts of Hydrogen Production and Storage in Arctic Region. Resources 2021, 10, 3. [Google Scholar] [CrossRef]
- Klimenko, V.V.; Fedotova, E.V.; Tereshin, A.G. Vulnerability of the Russian power industry to the climate change. Energy 2018, 142, 1010–1022. [Google Scholar] [CrossRef]
- Seliverstov, V.E. Strategic planning and strategic errors: Russian realities and trends. Reg. Res. Russ. 2018, 8, 110–120. [Google Scholar] [CrossRef]
- Zemtsov, S.; Barinova, V.; Pankratov, A.; Kutsenko, E. Potential High-Tech Clusters in Russian Regions: From Current Policy to New Growth Areas. Foresight STI Gov. 2016, 10, 34–52. [Google Scholar] [CrossRef]
- Davidson, D.J. Exnovating for a renewable energy transition. Nat. Energy 2019, 4, 254–256. [Google Scholar] [CrossRef]
- Schmidt, O.; Melchior, S.; Hawkes, A.; Staffell, I. Projecting the future levelized cost of electricity storage technologies. Joule 2019, 3, 81–100. [Google Scholar] [CrossRef]
- Rubin, E.S.; Azevedo, I.M.; Jaramillo, P.; Yeh, S. A review of learning rates for electricity supply technologies. Energy Policy 2015, 86, 198–218. [Google Scholar] [CrossRef]
- Khalid, F.; Dincer, I.; Rosen, M.A. Analysis and assessment of an integrated hydrogen energy system. Int. J. Hydrog. Energy 2016, 41, 7960–7967. [Google Scholar] [CrossRef]
- Ball, M.; Weeda, M. The hydrogen economy–vision or reality? Int. J. Hydrog. Energy 2015, 40, 7903–7919. [Google Scholar] [CrossRef]
- Salvi, B.L.; Subramanian, K.A. Sustainable development of road transportation sector using hydrogen energy system. Renew. Sustain. Energy Rev. 2015, 51, 1132–1155. [Google Scholar] [CrossRef]
- Maggio, G.; Nicita, A.; Squadrito, G. How the hydrogen production from RES could change energy and fuel markets: A review of recent literature. Int. J. Hydrog. Energy 2019, 44, 11371–11384. [Google Scholar] [CrossRef]









| Storage Method | Mass Content of Hydrogen | Process Operating Temperatures | Process Operating Pressures |
|---|---|---|---|
| Steel cylinders for compressed hydrogen | Up to 1% | 20–40 °C | 150 bar |
| Composite high-pressure cylinders for compressed hydrogen | 5–7% | 20–40 °C | 350 bar |
| Ultra-high-pressure composite cylinders for compressed hydrogen | 10.5–13.8% | 20–40 °C | 700 bar |
| Cryogenic tanks for liquefied hydrogen | Up to 7.1% | −252 °C | 1 bar |
| Liquid organic hydrides | Up to 7.2% | 180–280 °C | 1–10 bar |
| Reversibly hydrogenated metals and alloys (metal hydrides) | 1.5–7.5% | 100–300 °C | 1–5 bar |
| Liquid ammonia | 17% | 400–600 °C | 350–500 bar |
| Feature | Conservative | Optimistic | High-Tech |
|---|---|---|---|
| The structure of consumption of primary resources | Large share of gas generation, low share of nuclear generation and renewable energy | The prevalence of natural gas, a significant share of nuclear, hydropower generation and RESs | Comparable shares of gas, nuclear, hydropower and RESs |
| Generation structure | Dominance of large generation, the share of small generation is insignificant | The prevalence of large generation, the share of small generation is significant | Comparable shares of large and small generation |
| Main focus | Energy efficiency | Energy efficiency, new carbon-free energy technologies | Digitalization, technology market, distributed generation |
| RESs (without hydro generation) | Low RESs share | Significant share of RESs | RESs are a key type of generation |
| Environmental requirements | Low | Medium | High |
| Energy consumption | High | Low | Medium |
| Investment activity | Narrow circle of investors and a small amount of investment. | Wide range of investors, including the state. Significant volume of investments. | Wide range of investors (state and private). |
| Electrolyser Type | Specific Power Consumption, kWh/m3 | Productivity, m3/h | Productivity, m3/h Rated Capacity of the Plant, MW | System LifeTime, Years |
|---|---|---|---|---|
| Alkaline electrolyser | 3.8–4.4 | 2400–3880 | 12.874 | 20 |
| Proton-exchange membrane | 4.53 | 4000 | 18.12 | 20 |
| Month | V(H2), m3 | m(H2), kg | |||
|---|---|---|---|---|---|
| 1 | 0.0 | 0.0 | 0.0 | 0.0 | 0.0 |
| 2 | 0.0 | 0.0 | 0.0 | 0.0 | 0.0 |
| 3 | 0.0 | 0.0 | 0.0 | 0.0 | 0.0 |
| 4 | 0.0 | 0.0 | 0.0 | 0.0 | 0.0 |
| 5 | 112.5 | 112.5 | 61,231.7 | 13,516,932.6 | 1,215,172.2 |
| 6 | 4.0 | 4.0 | 121.4 | 26,790.6 | 2408.5 |
| 7 | 531.0 | 531.0 | 372,588.2 | 82,249,052.2 | 7,394,189.8 |
| 8 | 531.0 | 531.0 | 372,616.3 | 82,255,256.5 | 7,394,747.6 |
| 9 | 192.0 | 192.0 | 116,474.0 | 25,711,690.7 | 2,311,481.0 |
| 10 | 0.0 | 0.0 | 0.0 | 0.0 | 0.0 |
| 11 | 0.0 | 0.0 | 0.0 | 0.0 | 0.0 |
| 12 | 0.0 | 0.0 | 0.0 | 0.0 | 0.0 |
| Year: | - | - | 923,000 MW hr | 203.8 mln. m3 | 18,318.0 t |
| 1 | 5 | 10 | 15 | 20 | 25 | 30 | |
|---|---|---|---|---|---|---|---|
| m(H2), t | 134.8 | 3539.9 | 7833.5 | 10,663.0 | 13,338.5 | 16,013.9 | 18,318.0 |
| Feature | Target Vision According to Strategic Documents | Scenario Matching | |
|---|---|---|---|
| Primary resource consumption structure | The prevalence of natural gas, a significant share of nuclear power generation and renewable energy sources | The share of hydrogeneration in the structure of electric energy production by 2050 will make 18%, the share of nuclear generation is 21% [A]. | Optimistic |
| Energy efficiency | Energy efficiency, development of energy saving and improvement of energy efficiency | Decrease in losses of electric energy in electric grids by 2035 compared to 2018 will decrease by 3.3 percentage points and will amount to 7.3% [A], by 2050 will decrease by 4.6 percentage points and amount to 6% [D]. The specific consumption of equivalent fuel for the supply of electrical energy by 2030 compared to 2017 will decrease by 9.4% and will amount to 287.2 g/kW * h, and by 2050 will decrease by 18 percentage points and amount to 260.1 g/kW * h [D]. | Conservative |
| Generation structure | Large generation dominance, small generation share is insignificant | The basis of the electric power industry will be the existing centralized power supply systems based on large power plants [A]. | Conservative |
| Main focus | Energy efficiency | At an average annual GDP growth rate of 2–3%, the average energy consumption growth rate will be 1.4–1.6% [A]. | Conservative |
| RESs (without hydro generation) | Low share of RESs | The share of RESs in the total structure of electric energy production will be 2% by 2035 [A] and 4% by 2050 [D]. Energy production by RES (excluding HPP) will amount to 25 billion kWh by 2030, and 55 billion kWh by 2050 [D]. | Conservative |
| Hydrogen | Development of production and consumption of hydrogen | Hydrogen exports in 2035 will amount to 2 million tons [A]. The main task is joining the state among the leaders in the production and export of hydrogen [A]. | Optimistic |
| Environmental requirements | Medium | Implementation of provisions aimed at implementing the Paris Climate Accord [A]. Greenhouse gas emissions (million tons of CO2-eq.) in the energy sector by 2050 compared with 2017 to decrease by 6.2% (with a GDP growth of 141%) [D]. | Optimistic |
| Energy consumption level | High | In the case of an average GDP growth rate of 3.2% per year, the average growth rate of energy consumption for the period 2021–2026 will be 1.7% [C]. Electric energy consumption by 2035 will increase by 30% compared to 2015 to the level of 1345.2 billion kWh [B]. | Conservative |
| Investment activity | Investors are mainly of state or quasi-state nature. Significant number of investments. | The main sources of investment will be own funds, attracted funds-loans of Russian financial institutions and funds from the issue of shares [A]. | Optimistic/Conservative |
Publisher’s Note: MDPI stays neutral with regard to jurisdictional claims in published maps and institutional affiliations. |
© 2021 by the authors. Licensee MDPI, Basel, Switzerland. This article is an open access article distributed under the terms and conditions of the Creative Commons Attribution (CC BY) license (http://creativecommons.org/licenses/by/4.0/).
Share and Cite
Kopteva, A.; Kalimullin, L.; Tcvetkov, P.; Soares, A. Prospects and Obstacles for Green Hydrogen Production in Russia. Energies 2021, 14, 718. https://doi.org/10.3390/en14030718
Kopteva A, Kalimullin L, Tcvetkov P, Soares A. Prospects and Obstacles for Green Hydrogen Production in Russia. Energies. 2021; 14(3):718. https://doi.org/10.3390/en14030718
Chicago/Turabian StyleKopteva, Alexandra, Leonid Kalimullin, Pavel Tcvetkov, and Amilcar Soares. 2021. "Prospects and Obstacles for Green Hydrogen Production in Russia" Energies 14, no. 3: 718. https://doi.org/10.3390/en14030718
APA StyleKopteva, A., Kalimullin, L., Tcvetkov, P., & Soares, A. (2021). Prospects and Obstacles for Green Hydrogen Production in Russia. Energies, 14(3), 718. https://doi.org/10.3390/en14030718

