Survey and Comparison of Optimization-Based Aggregation Methods for the Determination of the Flexibility Potentials at Vertical System Interconnections
Abstract
1. Introduction
1.1. Motivation
1.2. Related Work
1.3. Contributions of this Article
2. Formulation of the FOR Determination as Non-Linear Optimization Problem
2.1. Determination of Vertical Active and Reactive Power Flows
2.2. Constraints of the Optimization Problem
2.3. Determination of Initial Sampling Points
3. Sampling Strategies for the Determination of the FOR
3.1. Angle-Based Sampling Strategies
3.2. Set-Point-Based Sampling Strategies
4. Formulation of FOR Determination as Sequential Linear Constrained Quadratic Programming
4.1. General Formulation of a Quadratically Constrained Linear Program
4.2. Linear Objective Function with Quadratic Constraints
5. Formulation and Modification of the Particle Swarm Optimization for the FOR Determination
5.1. Solution Process of the Classic Particle Swarm Optimization
5.2. Compliance of Technical Constraints
5.3. Modifications of the Classic Particle Swarm Optimization for an Improved FOR Determination
5.3.1. Return Operator
5.3.2. Limitation and Inversion of Particle Velocities
5.4. Algorithm and Parameterization of the Modified Particle Swarm Optimization
- Step 1:
- Initialization of the particle positions and velocities by Equation (51) at iteration step .
- Step 2:
- Evaluation of the particle swarm objective values by the objective function in Equation (1) based on the results of a power flow calculation for each swarm particle.
- Step 3:
- Update of and .
- Step 4*:
- Update of and .
- Step 5:
- Update of the particle velocities for the next iteration step by Equation (53).
- Step 6*:
- Step 7:
- Update of the particle positions for the next iteration step by Equation (54).
- Step 8:
- Set-to-limit operator.
- Step 9*:
- Return operator.
- Step 10:
- Repeat steps 2 to 10 until .
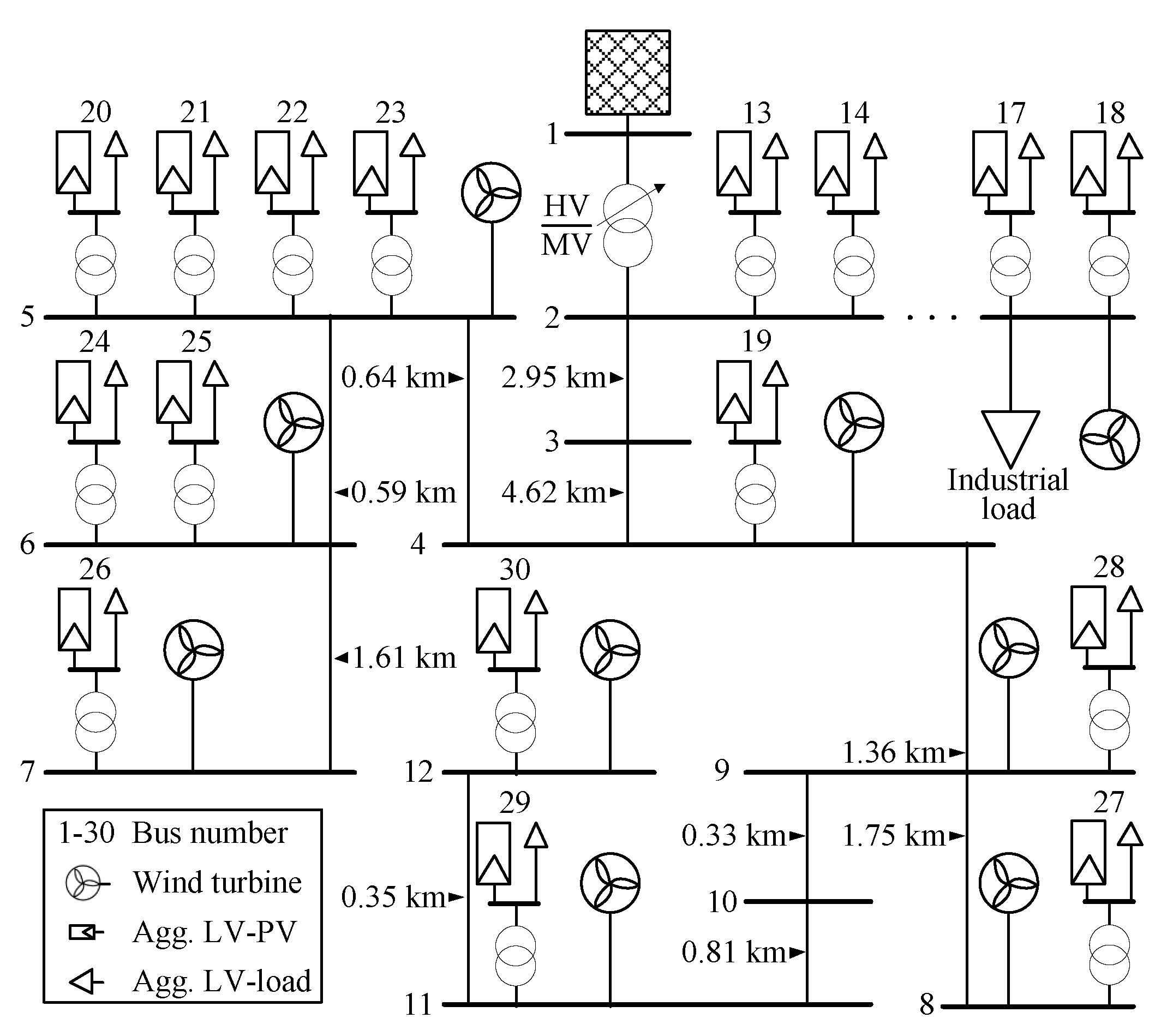
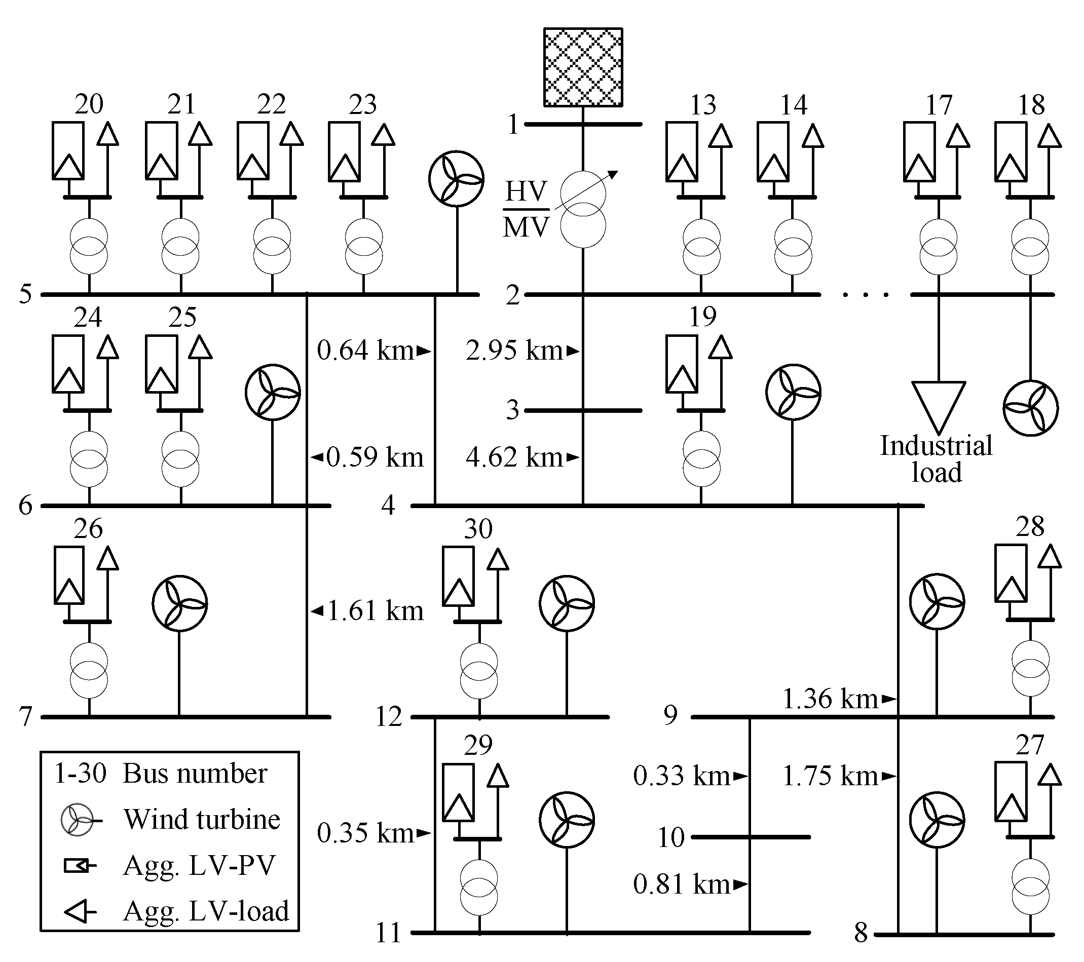
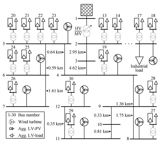
6. Benchmark System and Comparison Scenario
7. Convergence Behavior of the Modified Particle Swarm Optimization
8. Comparison of FOR Sampling Strategies
9. Comparison of the Optimization Methods Regarding the FOR Determination
10. Discussion
11. Conclusions
Author Contributions
Funding
Institutional Review Board Statement
Informed Consent Statement
Data Availability Statement
Conflicts of Interest
Abbreviations
| Cigré | Conseil International des Grands Réseaux Électriques |
| CMA-ES | Covariance Matrix Adaptation Evolution Strategy |
| DER | Decentral energy resource |
| DSO | Distribution system operator |
| ENTSO-E | European Network of Transmission System Operators for Electricity |
| FOR | Feasible operation region |
| FPU | Flexibility providing unit |
| GAMS | General algebraic modeling system |
| HV | High voltage |
| ICPF | Interval constrained power flow |
| ICT | Information and communication technology |
| IPOPT | Interior point optimizer |
| LV | Low voltage |
| MV | Medium Voltage |
| NLP | Non-linear programming |
| OLTC | On load tap changing transformer |
| OPF | Optimal power flow |
| PQ | Active and reactive power |
| PSO | Particle swarm optimization |
| PV | Photovoltaic |
| QCLP | Quadratically constrained quadratic programming |
| REvol | Evolutionary Training Algorithm for Artificial Neural Networks |
| TSO | Transmission system operator |
Appendix A. Cigré MV Benchmark Grid

| Type | Vector Group | High Voltage in kV | Low Voltage in kV | Rated Loading in MVA | Short Circuit Voltage in % | Copper Loss in kW | Open Circuit Current in % | Iron Loss in kW |
|---|---|---|---|---|---|---|---|---|
| HV/MV | Yyn0 | 110 | 20 | 25 | 12 | 25 | 0.2 | 0 |
| MV/LV | Dyn0 | 20 | 0.4 | 2 | 8 | 16.7 | 0.2 | 4 |
| Maximum Thermal Current Limit in | Primary LINE constant For The loop resistance in | Primary Line Constant for the loop Inductance in | Primary Line Constant for the Insulator Capacitance in |
|---|---|---|---|
| 680 | 0.501 | 2.2790988 | 0.1511759 |
| Bus i | Nominal bus voltage in kV | Active Power Loads in MW | Reactive Power Loads in Mvar | Active Power Wind Turbines in MW | Active Power PV Units in MW | Bus Voltage V in p.u. | Phase Angle in |
|---|---|---|---|---|---|---|---|
| 1 | 110 | 0 | 0 | 0 | 0 | 1.0000 | 0 |
| 2 | 20 | 7.644 | 1.552 | -3.211 | 0 | 0.9849 | 0.32 |
| 3 | 20 | 0 | 0 | 0 | 0 | 1.0027 | 2.45 |
| 4 | 20 | 0 | 0 | −0.535 | 0 | 1.0327 | 5.65 |
| 5 | 20 | 0 | 0 | −3.479 | 0 | 1.0356 | 5.94 |
| 6 | 20 | 0 | 0 | −1.070 | 0 | 1.0363 | 6.02 |
| 7 | 20 | 0 | 0 | −0.535 | 0 | 1.0370 | 6.09 |
| 8 | 20 | 0 | 0 | −0.535 | 0 | 1.0358 | 5.98 |
| 9 | 20 | 0 | 0 | −0.535 | 0 | 1.0351 | 5.90 |
| 10 | 20 | 0 | 0 | 0 | 0 | 1.0354 | 5.93 |
| 11 | 20 | 0 | 0 | −0.535 | 0 | 1.0360 | 6.00 |
| 12 | 20 | 0 | 0 | −0.535 | 0 | 1.0362 | 6.02 |
| 13 | 0.4 | 0.374 | 0.068 | 0 | −0.272 | 0.9817 | 0.09 |
| 14 | 0.4 | 0.369 | 0.067 | 0 | −0.272 | 0.9817 | 0.10 |
| 15 | 0.4 | 0.340 | 0.062 | 0 | −0.272 | 0.9821 | 0.17 |
| 16 | 0.4 | 0.386 | 0.070 | 0 | −0.272 | 0.9815 | 0.07 |
| 17 | 0.4 | 0.380 | 0.069 | 0 | −0.272 | 0.9816 | 0.08 |
| 18 | 0.4 | 0.369 | 0.067 | 0 | −0.272 | 0.9817 | 0.11 |
| 19 | 0.4 | 0.385 | 0.070 | 0 | −0.272 | 1.0295 | 5.42 |
| 20 | 0.4 | 0.339 | 0.062 | 0 | −0.272 | 1.0329 | 5.81 |
| 21 | 0.4 | 0.374 | 0.068 | 0 | −0.272 | 1.0325 | 5.74 |
| 22 | 0.4 | 0.369 | 0.067 | 0 | −0.272 | 1.0326 | 5.75 |
| 23 | 0.4 | 0.340 | 0.062 | 0 | −0.272 | 1.0329 | 5.81 |
| 24 | 0.4 | 0.386 | 0.070 | 0 | −0.272 | 1.0331 | 5.80 |
| 25 | 0.4 | 0.380 | 0.069 | 0 | −0.272 | 1.0332 | 5.80 |
| 26 | 0.4 | 0.369 | 0.067 | 0 | −0.272 | 1.0340 | 5.90 |
| 27 | 0.4 | 0.385 | 0.070 | 0 | −0.272 | 1.0326 | 5.75 |
| 28 | 0.4 | 0.339 | 0.062 | 0 | −0.272 | 1.0324 | 5.77 |
| 29 | 0.4 | 0.374 | 0.068 | 0 | −0.272 | 1.0330 | 5.80 |
| 30 | 0.4 | 0.369 | 0.067 | 0 | −0.272 | 1.0332 | 5.82 |
References
- Hillberg, E.; Zegers, A.; Herndler, B.; Wong, S.; Pompee, J.; Bourmaud, J.Y.; Lehnhoff, S.; Migliavacca, G.; Uhlen, K.; Oleinikova, I. Flexibility Needs in the Future Power System; ISGAN: Washington, DC, USA, 2019. [Google Scholar]
- Zegers, A.; Brunner, H. TSO-DSO interaction: An Overview of current interaction between transmission and distribution system operators and an assessment of their cooperation in Smart Grids. In International Smart Grid Action Network (ISAGN) Discussion Paper Annex; ISGAN: Washington, DC, USA, 2014; Volume 6. [Google Scholar]
- Gerard, H.; Rivero, E.; Six, D. Basic schemes for TSO-DSO coordination and ancillary services provision. SmartNet Deliv. D 2016, 1, 3. [Google Scholar]
- ENTSO-E. General Guidelines or Reinforcing the Cooperation between TSO and DSO; ENTSO-E: Brussels, Belgium, 2015. [Google Scholar]
- ENTSO-E. Towards Smarter Grids: Developing TSO and DSO Roles and Interactions for the Benefit of Consumers; Technical Report; ENTSO-E: Brussels, Belgium, 2015. [Google Scholar]
- ENTSO-E. Distributed Flexibility and the Value of TSO/DSO Cooperation; ENTSO-E: Brussels, Belgium, 2017. [Google Scholar]
- ENTSO-E. TSO-DSO Report—An Integrated Approach to Active System Management with the Focus on TSO-DSO Coordination in Congestion Management and Balancing; ENTSO-E: Brussels, Belgium, 2019. [Google Scholar]
- ENTSO-E. Distributed Flexibility and the Value of TSO/DSO Cooperation; ENTSO-E: Brussels, Belgium, 2016. [Google Scholar]
- Power, M.; Roggatz, C.; Norlander, C.; Diskin, E.; Power, S.; Kranhold, M.; Probst, A.; Belhomme, R.; Bose, A.; Gaudin, J.; et al. Cigré-733-System Operation Emphasizing DSO/TSO Interaction and Coordination; Cigré Technical Brochures; Study Committee: C2, C6; Working Group: JWG C2/C6.36; CIGRE- International Council on large Electric Systems: Paris, France, 2018. [Google Scholar]
- Han, X.; Heussen, K.; Gehrke, O.; Bindner, H.W.; Kroposki, B. Taxonomy for Evaluation of Distributed Control Strategies for Distributed Energy Resources. IEEE Trans. Smart Grid 2018, 9, 5185–5195. [Google Scholar] [CrossRef]
- Givisiez, A.G.; Petrou, K.; Ochoa, L.F. A Review on TSO-DSO Coordination Models and Solution Techniques. Electr. Power Syst. Res. 2020, 189, 106659. [Google Scholar] [CrossRef]
- Westermann, D.; Wolter, M.; Komarnicki, P.; Schlegel, S.; Schwerdfeger, R.; Richter, A.; Arendarski, B. Control strategies for a fully RES based power system. In Proceedings of the International ETG Congress 2017, Bonn, Germany, 28–29 November 2017; pp. 1–6. [Google Scholar]
- Sarstedt, M.; Kluß, L.; Dokus, M.; Hofmann, L.; Gerster, J. Simulation of Hierarchical Multi-Level Grid Control Strategies. In Proceedings of the IEEE International Conference on Smart Grids and Energy Systems, Perth, Australia, 23–26 November 2020; p. 6. [Google Scholar]
- Schwerdfeger, R.; Schlegel, S.; Westermann, D.; Lutter, M.; Junghans, M. Methodology for Next Generation System Operation between DSO and DSO; CIGRE: Paris, France, 2016; pp. 1–9. [Google Scholar]
- Heleno, M.; Soares, R.; Sumaili, J.; Bessa, R.; Seca, L.; Matos, M.A. Estimation of the Flexibility Range in the Transmission-Distribution Boundary. In Proceedings of the 2015 IEEE Eindhoven PowerTech, Eindhoven, The Netherlands, 29 June–2 July 2015; pp. 1–6. [Google Scholar]
- Landau, D.P.; Binder, K. A Guide to Monte Carlo Simulations in Statistical Physics; Cambridge University Press: Cambridge, UK, 2014. [Google Scholar]
- Mayorga Gonzalez, D.; Hachenberger, J.; Hinker, J.; Rewald, F.; Hager, U.; Rehtanz, C.; Myrzik, J. Determination of the Time-Dependent Flexibility of Active Distribution Networks to Control Their TSO-DSO Interconnection Power Flow. In Proceedings of the 2018 Power Systems Computation Conference (PSCC), Dublin, Ireland, 11–15 June 2018; pp. 1–8. [Google Scholar]
- Ageeva, L.; Majidi, M.; Pozo, D. Analysis of feasibility region of active distribution networks. In Proceedings of the 2019 IEEE International Youth Conference on Radio Electronics, Electrical and Power Engineering (REEPE), Moscow, Russia, 14–15 March 2019; pp. 1–5. [Google Scholar]
- Riaz, S.; Mancarella, P. On Feasibility and Flexibility Operating Regions of Virtual Power Plants and TSO/DSO Interfaces. In Proceedings of the 2019 IEEE Milan PowerTech, Milan, Italy, 23–27 June 2019; pp. 1–6. [Google Scholar]
- Fonseca, N.; Silva, J.; Silva, A.; Sumaili, J.; Seca, L.; Bessa, R.; Pereira, J.; Matos, M.; Matos, P.; Morais, A.C.; et al. EvolvDSO Grid Management Tools to Support TSO-DSO Cooperation; CIRED Workshop: Paris, France, 2016; pp. 1–4. [Google Scholar]
- Silva, J.; Sumaili, J.; Bessa, R.J.; Seca, L.; Matos, M.A.; Miranda, V.; Caujolle, M.; Goncer, B.; Sebastian-Viana, M. Estimating the Active and Reactive Power Flexibility Area at the TSO-DSO Interface. IEEE Trans. Power Syst. 2018, 33, 4741–4750. [Google Scholar] [CrossRef]
- Capitanescu, F. TSO–DSO Interaction: Active Distribution Network Power Chart for TSO Ancillary Services Provision. Electr. Power Syst. Res. 2018, 163, 226–230. [Google Scholar] [CrossRef]
- Contreras, D.A.; Rudion, K. Improved Assessment of the Flexibility Range of Distribution Grids Using Linear Optimization. In Proceedings of the 2018 Power Systems Computation Conference (PSCC), Dublin, Ireland, 11–15 June 2018. [Google Scholar]
- Contreras, D.; Laribi, O.; Banka, M.; Rudion, K. Assessing the Flexibility Provision of Microgrids in MV Distribution Grids; CIRED Workshop: Paris, France, 2018. [Google Scholar]
- Contreras, D.A.; Rudion, K. Impact of Grid Topology and Tap Position Changes on the Flexibility Provision from Distribution Grids. In Proceedings of the 2019 IEEE PES Innovative Smart Grid Technologies Europe (ISGT-Europe), Bucharest, Romania, 29 September–2 October 2019; pp. 1–5. [Google Scholar]
- Rossi, M.; Viganò, G.; Moneta, D.; Vespucci, M.T.; Pisciella, P. Fast estimation of equivalent capability for active distribution networks. CIRED-Open Access Proc. J. 2017, 2017, 1763–1767. [Google Scholar] [CrossRef]
- Viganò, G.; Rossi, M.; Moneta, D. Effects of Distribution System Characteristics on TSO-DSO Ancillary Services Exchange; CIRED Workshop: Paris, France, 2019. [Google Scholar]
- Fortenbacher, P.; Demiray, T. Reduced and Aggregated Distribution Grid Representations Approximated by Polyhedral Sets. arXiv 2019, arXiv:1903.07549. [Google Scholar] [CrossRef]
- Stanković, S.; Söder, L.; Hagemann, Z.; Rehtanz, C. Reactive Power Support Adequacy at the DSO/TSO Interface. Electr. Power Syst. Res. 2020, 190, 106661. [Google Scholar] [CrossRef]
- Optimal Power Flow. In Optimization of Power System Operation; John Wiley & Sons, Ltd.: Hoboken, NJ, USA, 2015; Chapter 8; pp. 297–364. [CrossRef]
- Abido, M.A. Optimal power flow using particle swarm optimization. Int. J. Electr. Power Energy Syst. 2002, 24, 563–571. [Google Scholar] [CrossRef]
- Sharma, T.; Yadav, A.; Jamhoria, S.; Chaturvedi, R. Comparative study of methods for optimal reactive power dispatch. Electr. Electron. Eng. 2014, 3, 53–61. [Google Scholar] [CrossRef]
- Frank, S.; Rebennack, S. An introduction to optimal power flow: Theory, formulation, and examples. IIE Trans. 2016, 48, 1172–1197. [Google Scholar] [CrossRef]
- Stock, D.S.; Venzke, A.; Löwer, L.; Rohrig, K.; Hofmann, L. Optimal reactive power management for transmission connected distribution grid with wind farms. In Proceedings of the 2016 IEEE Innovative Smart Grid Technologies–Asia (ISGT-Asia), Melbourne, Australia, 28 November–1 December 2016; pp. 1076–1082. [Google Scholar] [CrossRef]
- Stock, D.S.; Sala, F.; Berizzi, A.; Hofmann, L. Optimal control of wind farms for coordinated TSO-DSO reactive power management. Energies 2018, 11, 173. [Google Scholar] [CrossRef]
- Kundur, P.; Balu, N.J.; Lauby, M.G. Power System Stability and Control; McGraw-Hill: New York, NY, USA, 1994; Volume 7. [Google Scholar]
- Soroudi, A. Power System Optimization Modeling in GAMS; Springer: Berlin, Germany, 2017; Volume 78. [Google Scholar]
- Leveringhaus, T.; Hofmann, L. Combined and optimized redispatch management of multiple congestions and voltage deviations with active and reactive power based on AC-PTDFs with distributed slack. In Proceedings of the 2015 IEEE Power Energy Society General Meeting, Denver, CO, USA, 26–30 July 2015; pp. 1–5. [Google Scholar] [CrossRef]
- Leveringhaus, T.; Hofmann, L. Optimal power flow comprising congestions and voltage management by global quadratic optimization of active and reactive power. In Proceedings of the 2016 IEEE International Conference on Power System Technology (POWERCON), Wollongong, Australia, 28 September–1 October 2016; pp. 1–6. [Google Scholar] [CrossRef]
- Working Group on Modern Heuristic Optimization (WGMHO) under the IEEE PES Analytic Methods in Power Systems (AMPS) Committee. Available online: https://site.ieee.org/psace-mho/ (accessed on 28 January 2021).
- Sarstedt, M.; Garske, S.; Hofmann, L. Application of PSO-Methods for the Solution of the economic Optimal Reactive Power Dispatch Problem. In Proceedings of the 2018 IEEE Electronic Power Grid (eGrid), Charleston, SC, USA, 12–14 November 2018; pp. 1–6. [Google Scholar] [CrossRef]
- Zhao, B.; Guo, C.; Cao, Y. A multiagent-based particle swarm optimization approach for optimal reactive power dispatch. IEEE Trans. Power Syst. 2005, 20, 1070–1078. [Google Scholar] [CrossRef]
- Coath, G.; Halgamuge, S.K. A comparison of constraint-handling methods for the application of particle swarm optimization to constrained nonlinear optimization problems. In Proceedings of the IEEE 2003 Congress on Evolutionary Computation, Canberra, Australia, 8–12 December 2003; Volume 4, pp. 2419–2425. [Google Scholar]
- Sennewald, T.; Linke, F.; Reck, J.; Westermann, D. Parameter Optimization of Differential Evolution and Particle Swarm Optimization in the Context of Optimal Power Flow. In Proceedings of the 2020 IEEE PES Innovative Smart Grid Technologies Europe (ISGT-Europe), Delft, The Netherlands, 26–28 October 2020; pp. 1045–1049. [Google Scholar] [CrossRef]
- Rudion, K.; Orths, A.; Styczynski, Z.A.; Strunz, K. Design of benchmark of medium voltage distribution network for investigation of DG integration. In Proceedings of the IEEE Power Engineering Society General Meeting, Montreal, QC, Canada, 18–22 June 2006. [Google Scholar]
- VDE-Application Rule: VDE-AR-N 4105: 2018-11 Power Generating Plants in the Low Voltage Grid; VDE: Berlin, Germany, 2018.
- VDE-Application Rule: VDE-AR-N 4110: 2018-11 Technical Connection Rules for Medium-Voltage; VDE: Berlin, Germany, 2018.
- Marcel, S.; Neelotpal, M.; Christoph, B.; Lutz, H. Dataset: Multi-Voltage-Level Electric Power System Data Sets—Survey and Comparison of Optimization-Based Aggregation Methods for the Determination of the Flexibility Potentials at Vertical System Interconnections; Leibniz University Hannover: Hannover, Germany, 2020. [Google Scholar] [CrossRef]
- Parizad, A.; Hatziadoniu, K. Security/stability-based Pareto optimal solution for distribution networks planning implementing NSGAII/FDMT. Energy 2020, 192, 116644. [Google Scholar] [CrossRef]
- Hansen, N. The CMA evolution strategy: A comparing review. In Towards a New Evolutionary Computation. Advances on Estimation of Distribution Algorithms; Lozano, J., Larranaga, P., Inza, I., Bengoetxea, E., Eds.; Springer: Berlin, Germany, 2006; pp. 75–102. [Google Scholar]
- Veith, E.; Ruppert, M.; Steinbach, B. An Evolutionary Training Algorithm for Artificial Neural Networks with Dynamic Offspring Spread and Implicit Gradient Information; IARIA: Porto, Portugal, 2014. [Google Scholar]








| Max. Inertia | Min. Inertia | Max. Iteration | Swarm Size n | Acceleration Coefficients |
|---|---|---|---|---|
| 0.9 | 0.4 | 200 | 100 | 2 |
| GAMS | Modified PSO | Benchmark FOR GAMS | QCLP |
|---|---|---|---|
| 105 s | 640 s | 10910 s | 164 s |
Publisher’s Note: MDPI stays neutral with regard to jurisdictional claims in published maps and institutional affiliations. |
© 2021 by the authors. Licensee MDPI, Basel, Switzerland. This article is an open access article distributed under the terms and conditions of the Creative Commons Attribution (CC BY) license (http://creativecommons.org/licenses/by/4.0/).
Share and Cite
Sarstedt, M.; Kluß, L.; Gerster, J.; Meldau, T.; Hofmann, L. Survey and Comparison of Optimization-Based Aggregation Methods for the Determination of the Flexibility Potentials at Vertical System Interconnections. Energies 2021, 14, 687. https://doi.org/10.3390/en14030687
Sarstedt M, Kluß L, Gerster J, Meldau T, Hofmann L. Survey and Comparison of Optimization-Based Aggregation Methods for the Determination of the Flexibility Potentials at Vertical System Interconnections. Energies. 2021; 14(3):687. https://doi.org/10.3390/en14030687
Chicago/Turabian StyleSarstedt, Marcel, Leonard Kluß, Johannes Gerster, Tobias Meldau, and Lutz Hofmann. 2021. "Survey and Comparison of Optimization-Based Aggregation Methods for the Determination of the Flexibility Potentials at Vertical System Interconnections" Energies 14, no. 3: 687. https://doi.org/10.3390/en14030687
APA StyleSarstedt, M., Kluß, L., Gerster, J., Meldau, T., & Hofmann, L. (2021). Survey and Comparison of Optimization-Based Aggregation Methods for the Determination of the Flexibility Potentials at Vertical System Interconnections. Energies, 14(3), 687. https://doi.org/10.3390/en14030687

