A Detailed Testing Procedure of Numerical Differential Protection Relay for EHV Auto Transformer
Abstract
:1. Introduction
- Detailed insight analysis of numerical differential relay settings including connection details, operating principle, and biasing characteristics. Moreover, important transformer considerations are also discussed.
- A detailed testing procedure of numerical differential relay is conducted through secondary injection testing with actual settings. The testing results include measurement test, pickup test, trip-time test, stability test, bias characteristics test, 2nd and 5th harmonic restraints test, and high stage 1 and high stage 2 test.
- A detailed theoretical and technical analysis is conducted and documented to analyze the practical results.
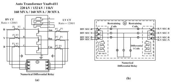
2. Differential Relay
3. Transformers
- Differential relay should cater Vector Group of Transformer [14,15], Zero Sequence Current Flows [16], On Load Tap Changers [17], and must not initiate tripping during normal operation of transformer including energization of transformer (Inrush Current [18,19]), over fluxing [20], and tap changer operation.
- Differential relay should only initiate tripping during in-zone fault (fault inside protection zone of differential relay [23]).
4. Matching Current Transformers of Interposing Transformers
4.1. HV MCT
4.2. LV MCT
5. Settings Implemented in Differential Relay
6. Testing of Differential Relay
6.1. Test Apparatus
6.2. Measurement Test
6.3. Pickup Test
6.4. Trip Time Test
6.5. Stability Test
6.6. Bias Test
6.7. The 2nd and 5th Harmonic Restraint Test
6.8. High Stage 1 and High Stage 2 Test
6.9. Simulation Results and Discussion
7. Conclusions and Future Work
Author Contributions
Funding
Institutional Review Board Statement
Informed Consent Statement
Data Availability Statement
Acknowledgments
Conflicts of Interest
References
- Bak, C.L.; Hansen, M.L.; Nissen, J.O. Distance protection in 150/60 kV transformer 60 kV feeders: Two real blackout case studies. J. Eng. 2018, 2018, 802–806. [Google Scholar] [CrossRef]
- Khan, S.S.; Mehmood, K.T.; Hashmi, M.W.; Rafiq, M.A.; Sheikh, M.F. Power stability of 500/220/132 kV grid station system on single-line-to-ground fault at 500 kv transmission lines. Sci. Int. J. 2015, 27, 3995–3999. [Google Scholar]
- Akhmedova, O.; Soshinov, A.; Gazizov, F.; Ilyashenko, S. Development of an Intelligent System for Distance Relay Protection with Adaptive Algorithms for Determining the Operation Setpoints. Energies 2021, 14, 973. [Google Scholar] [CrossRef]
- Verzosa, Q.; Lee, W.A. Testing Microprocessor-Based Numerical Transformer Differential Protection. IEEE Trans. Ind. Appl. 2017, 53, 56–64. [Google Scholar] [CrossRef]
- Rocha, D.C.G.; Batista, W.H.; Coelho, A.L.M.; Araujo, M.R. Practical approach to testing the transformer differential protection for internal and external faults, CT saturation and inrush transients. J. Eng. 2018, 2018, 1239–1244. [Google Scholar] [CrossRef]
- Andreev, M.; Suvorov, A.; Ruban, N.; Ufa, R.; Gusev, A.; Askarov, A.; Kievets, A.; Bhalja, B.R. Setting determination for numerical transformer differential protection via its detailed mathematical model. IET Gener. Transm. Distrib. 2020, 14, 1962–1972. [Google Scholar] [CrossRef]
- Sevov, L.; Khan, U.; Zhang, Z. Enhancing Power Transformer Differential Protection to Improve Security and Dependability. IEEE Trans. Ind. Appl. 2017, 53, 2642–2649. [Google Scholar] [CrossRef]
- Al-Ameri, S.M.; Kamarudin, M.S.; Yousof, M.F.M.; Salem, A.A.; Siada, A.A.; Mosaad, M.I. Interpretation of Frequency Response Analysis for Fault Detection in Power Transformers. Appl. Sci. 2021, 11, 2923. [Google Scholar] [CrossRef]
- Al-Ameri, S.M.; Kamarudin, M.S.; Yousof, M.F.M.; Salem, A.A.; Banakhr, F.A.; Mosaad, M.I.; Abu-Siada, A. Understanding the Influence of Power Transformer Faults on the Frequency Response Signature Using Simulation Analysis and Statistical Indicators. IEEE Access 2021, 9, 70935–70947. [Google Scholar] [CrossRef]
- Javed, U.; Mughees, N.; Jawad, M.; Azeem, O.; Abbas, G.; Ullah, N.; Chowdhury, M.S.; Techato, K.; Zaidi, K.S.; Tahir, U. A systematic Review of Key Challenges in Hybrid HVAC-HVDC Grids. Energies 2021, 14, 5451. [Google Scholar] [CrossRef]
- So, E.; Verhoeven, R.; Simons, B.; Parks, H.V.; Angelo, D. A High-Precision Current Transformer for Loss Measurements of EHV Shunt Reactors. IEEE Trans. Instrum. Meas. 2019, 68, 1680–1687. [Google Scholar] [CrossRef]
- Medeiros, R.P.; Costa, F.B. A Wavelet-Based Transformer Differential Protection with Differential Current Transformer Saturation and Cross-Country Fault Detection. IEEE Trans. Power Deliv. 2018, 33, 789–799. [Google Scholar] [CrossRef]
- Ji, T.; Mo, C.; Zhang, L.L.; Wu, Q.H. Duty Cycle-Based Differential Protection Scheme for Power Transformers. IEEE Trans. Power Deliv. 2021. [Google Scholar] [CrossRef]
- Prodan, C.; Rata, G. Apparatus for determining the clock hour figure of the vector group of the electrical transformers. In Proceedings of the IEEE International Conference and Exposition on Electrical and Power Engineering (EPE), Iasi, Romania, 18–19 October 2018; pp. 0259–0263. [Google Scholar]
- Zhang, Z.; Mo, M.; Wu, C. Three-phase distribution transformer connections modeling based on matrix operation method by phase-coordinates. EURASIP J. Wirel. Commun. Netw. 2021, 2021, 66. [Google Scholar] [CrossRef]
- Saeed, H.; Kamel, M.; Karrar, A.; Eltom, A.H.; Bowman, M. On-Site Low Voltage Determination of Zero-Sequence Impedances for Power Transformers. IEEE Trans. Power Deliv. 2020, 35, 1048–1057. [Google Scholar] [CrossRef]
- Xu, H.; Domínguez-García, A.D.; Sauer, P.W. Optimal Tap Setting of Voltage Regulation Transformers Using Batch Reinforcement Learning. IEEE Trans. Power Syst. 2020, 35, 1990–2001. [Google Scholar] [CrossRef] [Green Version]
- Mitra, J.; Xu, X.; Benidris, M. Reduction of Three-Phase Transformer Inrush Currents Using Controlled Switching. IEEE Trans. Ind. Appl. 2020, 56, 890–897. [Google Scholar] [CrossRef]
- Ge, W.; Zhao, J.; Wang, Y. Analysis of the residual flux influence on inrush current and electromagnetic force in large power transformer. J. Eng. 2019, 2019, 2426–2429. [Google Scholar] [CrossRef]
- Gunda, S.K.; Dhanikonda, V.S.S.S.S. Discrimination of Transformer Inrush Currents and Internal Fault Currents Using Extended Kalman Filter Algorithm (EKF). Energies 2021, 14, 6020. [Google Scholar] [CrossRef]
- Zheng, T.; Huang, T.; Ma, Y.; Zhang, Z.; Liu, L. Histogram-Based Method to Avoid Maloperation of Transformer Differential Protection Due to Current-Transformer Saturation under External Faults. IEEE Trans. Power Deliv. 2018, 33, 610–619. [Google Scholar] [CrossRef]
- Shah, A.M.; Bhalja, B.R.; Patel, R.M.; Bhalja, H.; Agarwal, P.; Makwana, Y.M.; Malik, O.P. Quartile Based Differential Protection of Power Transformer. IEEE Trans. Power Deliv. 2020, 35, 2447–2458. [Google Scholar] [CrossRef]
- Magrin, F.; Tavares, M.C. Increasing sensitivity for transformer protection using incremental differential. J. Eng. 2018, 2018, 1209–1215. [Google Scholar] [CrossRef]
- GE Grid Solutions, P642: Transformer Protection IED, Technical Manual. Available online: https://www.gegridsolutions.com/app/viewfiles.aspx?prod=P64X&type=3 (accessed on 15 August 2021).
- MiCOM S1 Agile Engineering Tool Suit (1.3.1), Alstom Grid. Available online: https://www.gegridsolutions.com/multilin/catalog/engineering-tool-suite.htm (accessed on 5 August 2021).
- Ameli, A.; Ghafouri, M.; Zeineldin, H.H.; Salama, M.M.A.; El-Saadany, E.F. Accurate Fault Diagnosis in Transformers Using an Auxiliary Current-Compensation-Based Framework for Differential Relays. IEEE Trans. Instrum. Meas. 2021, 70, 1–14. [Google Scholar]
- IEEE Draft Standard for Common Format for Transient Data Exchange (COMTRADE) for Power Systems. In IEEE PC37.111/D4, January 2012 (IEC 60255-24 Ed.2); IEEE: Manhattan, MY, USA, 2012; pp. 1–72.
- SEL-5030 SynchroWAVE Acselerator QuickSet Software, Schweitzer Engineering Laboratories, Inc. Available online: https://selinc.com/products/5030/ (accessed on 10 August 2021).













| Sr. No. | (A) VG YyX or DdX | (B) VG YdX or DyX | ||
|---|---|---|---|---|
| Transformer Vector Group | LV MCT Vector Group | Transformer Vector Group | HV MCT Vector Group | |
| 1 | Yy0 or Dd0 | Yy0 | Yd1 or Dy1 | Yd11 |
| 2 | Yy2 or Dd2 | Yy10 | Yd3 or Dy3 | Yd9 |
| 3 | Yy4 or Dd4 | Yy8 | Yd5 or Dy5 | Yd7 |
| 4 | Yy6 or Dd6 | Yy6 | Yd7 or Dy7 | Yd5 |
| 5 | Yy8 or Dd8 | Yy4 | Yd9 or Dy9 | Yd3 |
| 6 | Yy10 or Dd10 | Yy2 | Yd11 or Dy11 | Yd1 |
| CT and VT Ratios | Value | Address (C.R) |
|---|---|---|
| Aux’ VT Location | HV | 0A.02 |
| Aux’ VT Primary | 220.0 kV | 0A.07 |
| Aux’ VT Sec’ y | 110.0 V | 0A.08 |
| T1 CT | 0A.10 | |
| Polarity | Standard | 0A.11 |
| Primary | 1200 A | 0A.12 |
| Secondary | 1.000 A | 0A.13 |
| T2 CT | 0A.14 | |
| Polarity | Standard | 0A.15 |
| Primary | 1200 A | 0A.16 |
| Secondary | 1.000 A | 0A.17 |
| CT and VT Ratios | Value | Address (C.R) |
|---|---|---|
| Winding Type | Auto | 30.02 |
| HV CT Terminals | 01 | 30.03 |
| LV CT Terminals | 10 | 30.04 |
| Ref Power S | 160.0 MVA | 30.07 |
| HV Connection | Y-Wye | 30.08 |
| HV Grounding | Grounded | 30.09 |
| HV Nominal | 220.0 kV | 30.0A |
| HV Rating | 160.0 MVA | 30.0B |
| Percentage Reactance | 25.00% | 30.0C |
| LV Vector Group | 0 | 30.0D |
| LV Connection | Y-Wye | 30.0E |
| LV Grounding | Grounded | 30.0F |
| LV Nominal | 132.0 kV | 30.10 |
| LV Rating | 160.0 MVA | 30.11 |
| Match Factor CT1 | 2.858 | 30.20 |
| Match Factor CT2 | 1.715 | 30.21 |
| Phase Sequence | Standard ABC | 30.5E |
| CT and VT Ratios | Value | Address (C.R) |
|---|---|---|
| Trans Diff | Enabled | 31.01 |
| Set Mode | Advanced | 31.02 |
| PU | 31.03 | |
| K1 | 30.00% | 31.04 |
| 2.000 PU | 31.05 | |
| K2 | 60.00% | 31.06 |
| tDIFF LS | 0 s | 31.07 |
| PU | 31.08 | |
| 4.000 PU | 31.10 | |
| Status | Enabled | 31.11 |
| 6.000 PU | 31.12 | |
| Zero seq. filt. HV | Enabled | 31.20 |
| Zero seq. filt. LV | Enabled | 31.21 |
| 2nd harmonic blocked | Enabled | 31.28 |
| 15.00% | 31.29 | |
| Cross blocking | Enabled | 31.2A |
| CT-Sat and No-Gap | Enabled | 31.2B |
| 5th harmonic blocked | Enabled | 31.33 |
| 40.00% | 31.34 | |
| Circuitry fail | Disabled | 31.40 |
| Percentage Loading | (A) Transformer HV Side | (B) Transformer LV Side | ||||||||
|---|---|---|---|---|---|---|---|---|---|---|
| HV Sec. Current (A) | Calc. HV Primary Current (A) | Obs. HV Primary (A) | LV Sec. Current (A) | Calc. LV Primary Current (A) | Obs. LV Primary (A) | |||||
| 20% | 0.07 | 84 | 84.4 | 84.3 | 84.7 | 0.116 | 139.92 | 140.8 | 140.5 | 141 |
| 40% | 0.14 | 168 | 169.7 | 168.5 | 169.1 | 0.2332 | 279.84 | 280.1 | 280.7 | 281.3 |
| 60% | 0.21 | 252 | 252.6 | 254.1 | 253.1 | 0.3498 | 419.76 | 421 | 421.8 | 421.1 |
| 80% | 0.28 | 336 | 338.1 | 340.2 | 339.8 | 0.4664 | 559.68 | 564 | 564.4 | 564.3 |
| 100% | 0.35 | 420 | 421.9 | 424.3 | 422.2 | 0.583 | 699.6 | 707.9 | 706.7 | 706.3 |
| Percentage Loading | (A) Transformer HV Side | (B) Transformer LV Side | ||||||
|---|---|---|---|---|---|---|---|---|
| Differential Current (pu) | Bias Current (pu) | Differential Current (pu) | Bias Current (pu) | |||||
| Calc. | Obs. (Avg) | Calc | Obs. | Calc. | Obs. (Avg) | Calc. | Obs. | |
| 20% | 0.2 | 0.201 | 0.1 | 0.101 | 0.2 | 0.202 | 0.1 | 0.102 |
| 40% | 0.4 | 0.406 | 0.2 | 0.202 | 0.4 | 0.404 | 0.2 | 0.202 |
| 60% | 0.6 | 0.608 | 0.3 | 0.303 | 0.6 | 0.603 | 0.3 | 0.302 |
| 80% | 0.8 | 0.811 | 0.4 | 0.405 | 0.8 | 0.809 | 0.4 | 0.403 |
| 100% | 1 | 1.01 | 0.5 | 0.505 | 1 | 1.02 | 0.5 | 0.506 |
| Sr. No. | HV Side | LV Side | ||||
|---|---|---|---|---|---|---|
| Pickup Calc. (A) | Pickup Obs. (A) | Drop off Obs. (A) | Pickup Calc. (A) | Pickup Obs. (A) | Drop off Obs. (A) | |
| Single Phase Pickup Test | ||||||
| R | 0.078 | 0.078 | 0.073 | 0.131 | 0.133 | 0.123 |
| Y | 0.078 | 0.079 | 0.074 | 0.131 | 0.131 | 0.122 |
| B | 0.078 | 0.08 | 0.072 | 0.131 | 0.130 | 0.124 |
| Double Phase Pickup Test | ||||||
| RY | 0.0525 | 0.052 | 0.048 | 0.0874 | 0.087 | 0.082 |
| YB | 0.0525 | 0.051 | 0.047 | 0.0874 | 0.087 | 0.081 |
| BR | 0.0525 | 0.051 | 0.048 | 0.0874 | 0.086 | 0.081 |
| Three Phase Pickup Test | ||||||
| RYB | 0.0525 | 0.052 | 0.048 | 0.0874 | 0.088 | 0.082 |
| Current Applied at HV Side Relay Elements | Current Applied at LV Side Relay Elements | ||||
|---|---|---|---|---|---|
| 1.75∟0° | 2.915∟180° | ||||
| 1.75∟240° | 2.915∟60° | 0.0 | 5.0 | 0.012 | 5.04 |
| 1.75∟120° | 2.915∟300° |
| Point | (A) | Trip/No Trip | |||||
|---|---|---|---|---|---|---|---|
| A | 0.46 | 0.34 | 0.161 | 0.198 | 0.12 | 0.404 | No trip |
| B | 0.49 | 0.31 | 0.171 | 0.180 | 0.18 | 0.404 | Trip |
| C | 1.36 | 1.03 | 0.478 | 0.603 | 0.33 | 1.213 | No trip |
| D | 1.39 | 1.00 | 0.488 | 0.586 | 0.39 | 1.213 | Trip |
| E | 3.57 | 2.42 | 1.251 | 1.413 | 1.16 | 3.028 | No trip |
| F | 3.62 | 2.37 | 1.269 | 1.384 | 1.26 | 3.031 | Trip |
| Relay Current Element | Current Injected (A) 50 Hz | 2nd Harm. Block Th. Setting (%) | 2nd Harm. Block Obs.% | 5th Harm. Block Th. Setting% | 5th Harm. Block Obs.% |
|---|---|---|---|---|---|
| 0.5 | 15 | 14.6 | 40 | 41.1 | |
| 0.5 | 15 | 14.6 | 40 | 40.9 | |
| 0.5 | 15 | 14.2 | 40 | 40.4 |
| HV Side Relay Element | (per Unit) | Current Applied (A) (50 Hz) | 2nd Harmonic Current | Differential Protection Status |
|---|---|---|---|---|
| Red | 3.6 | 1.9 | 14.7% | Blocked |
| 4.10 | 2.16 | ≥14.7% | Unblocked | |
| Yellow | 3.6 | 1.9 | 14.8% | Blocked |
| 4.10 | 2.16 | ≥14.8% | Unblocked | |
| Blue | 3.6 | 1.9 | 14.8% | Blocked |
| 4.10 | 2.16 | ≥14.8% | Unblocked |
| Point | Trip/No Trip | ||||||
|---|---|---|---|---|---|---|---|
| G | 12.6 | 7.4 | 4.41 | 4.31 | 5.23 | 10 | No Trip |
| H | 12.8 | 7.2 | 4.48 | 4.19 | 5.63 | 10.0 | Trip |
| I | 15.2 | 8.8 | 5.32 | 5.13 | 6.44 | 12 | Trip |
| J | 15.4 | 8.6 | 5.39 | 5.01 | 6.84 | 12 | Trip |
| Sr. No. | Test Performed | Observations | Remarks |
|---|---|---|---|
| 1 | Measurement Test | Comparison of meas. and calc. values | Satisfactory |
| 2 | Pickup Test | Single, double, and three phase pickup test results lie in acceptable range specified in [24] | Satisfactory |
| 3 | Trip Time Test | The observed trip time lies in acceptable range (30 to 35 ms) specified in [24] | Satisfactory |
| 4 | Stability Test | Observed and values are comparable to calc. values | Satisfactory |
| 5 | Bias Characteristics Test | Bias characteristics test result for test points shown in Figure 8 are as per respective region (trip/restrain). Additionally, the obs. and currents of relay are comparable to calc. and shown in Figure 8. | Satisfactory |
| 6 | 2nd and 5th Harmonic Restraint Test | Observed 2nd and 5th harmonic restraint test results are comparable to the corresponding setting thresholds | Satisfactory |
| 7 | High Stage 1 and High Stage 2 Test | High Stage 1 and 2 test results for test points shown in Figure 8 are as per respective region (trip/restrain) | Satisfactory |
Publisher’s Note: MDPI stays neutral with regard to jurisdictional claims in published maps and institutional affiliations. |
© 2021 by the authors. Licensee MDPI, Basel, Switzerland. This article is an open access article distributed under the terms and conditions of the Creative Commons Attribution (CC BY) license (https://creativecommons.org/licenses/by/4.0/).
Share and Cite
Ehsan, U.; Jawad, M.; Javed, U.; Shabih Zaidi, K.; Ur Rehman, A.; Rassõlkin, A.; Althobaiti, M.M.; Hamam, H.; Shafiq, M. A Detailed Testing Procedure of Numerical Differential Protection Relay for EHV Auto Transformer. Energies 2021, 14, 8447. https://doi.org/10.3390/en14248447
Ehsan U, Jawad M, Javed U, Shabih Zaidi K, Ur Rehman A, Rassõlkin A, Althobaiti MM, Hamam H, Shafiq M. A Detailed Testing Procedure of Numerical Differential Protection Relay for EHV Auto Transformer. Energies. 2021; 14(24):8447. https://doi.org/10.3390/en14248447
Chicago/Turabian StyleEhsan, Umer, Muhammad Jawad, Umar Javed, Khurram Shabih Zaidi, Ateeq Ur Rehman, Anton Rassõlkin, Maha M. Althobaiti, Habib Hamam, and Muhammad Shafiq. 2021. "A Detailed Testing Procedure of Numerical Differential Protection Relay for EHV Auto Transformer" Energies 14, no. 24: 8447. https://doi.org/10.3390/en14248447
APA StyleEhsan, U., Jawad, M., Javed, U., Shabih Zaidi, K., Ur Rehman, A., Rassõlkin, A., Althobaiti, M. M., Hamam, H., & Shafiq, M. (2021). A Detailed Testing Procedure of Numerical Differential Protection Relay for EHV Auto Transformer. Energies, 14(24), 8447. https://doi.org/10.3390/en14248447

