The Condition of Photovoltaic Modules under Random Operation Parameters
Abstract
:1. Introduction
2. Literature Review
3. Methodology
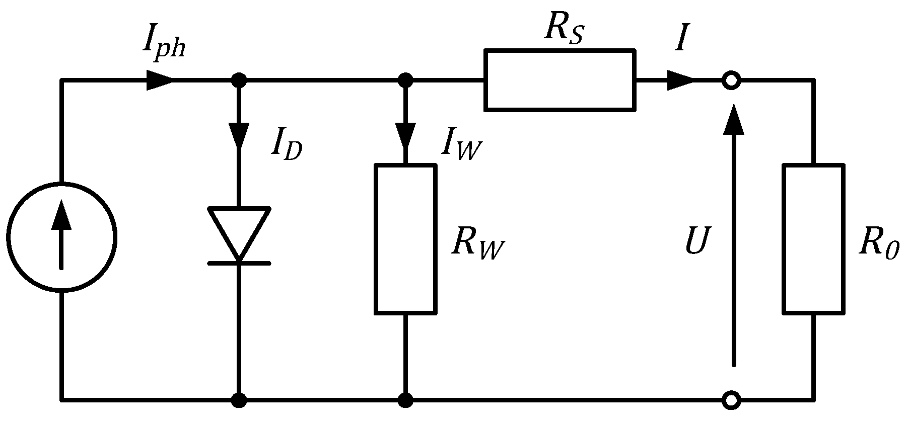
3.1. Equivalent Circuit of the Photovoltaic Panel
3.2. Modification of the Residual Method
- model inaccuracies of linear nature, for example, in the sectional function of the output signal,
- interferences in the actual random measurement values.
3.3. Assessing Photovoltaic Cell Wear/Defects
4. Results and Discussion
4.1. Verification of the Inefficiency Detection Method
- average malfunction levels calculated for samples from the whole power fluctuation range , without satisfying condition (15) in their selection, the results obtained amounted to respectively: 2.716% with no blind, 34.897% with a 30% blind and 62.806% with a 60% blind,
- analogously to the above, the average values obtained when condition (15) was satisfied were as follows: 0% with no blind, 32.627% with a 30% blind, and 57.497% with a 60% blind.
4.2. Establishment and Analysis of Periodic Malfunctions from Diagnostic Data
5. Conclusions
Author Contributions
Funding
Institutional Review Board Statement
Informed Consent Statement
Data Availability Statement
Acknowledgments
Conflicts of Interest
Nomenclature
| PV | Photovoltaic |
| R0 | Load resistance |
| Iph | Current in the cell exposed to solar radiation |
| ID | Current in the diode with large surface area |
| I | Load current |
| U | Voltage decrease in the R0 receiver |
| I0 | Current of the diode field-free |
| q | Elementary charge |
| kB | Boltzmann constant |
| T | Temperature |
| IW | Shunt resistance current |
| RS | Series resistance |
| RW | Shunt resistance |
| T(t) | Stochastic process |
| y | Result of measurements in the simplest residual assessment method |
| Signal generated by the model | |
| r | Residual |
| δr | Relative value of residual |
| P(X) | Gauss normal distribution |
| Rj | Residual value after the modification, estimation of the residual standard deviation caused, for example, by a defect of the monitored object |
| σz | Standard deviation estimate for historical data about correct object operation from the |
| σw | Standard deviation estimate calculated for all the data |
| gj | Determining moving average values |
| Nj | Dynamically calculated time horizon for every j |
| j | Discrete-time instant |
| lj | Estimation of the standard deviation for residuals caused by the inaccuracy of the model |
| Standard deviation estimate in the given time horizon for the original residuals | |
| S%j | Inefficiency (wear) state of a photovoltaic module at the -th moment, the estimate (as arithmetic mean) of ten consecutive values |
| n | Number of last discrete steps |
| Standard deviation characterizing the average value | |
| MPP | Maximum power point |
| Dr | Radiation power density |
| S% | Malfunction state value |
| The current value generated by the model at the discrete moment | |
| Ij | Real current value (from the measurement at the discrete moment) |
| S%r | Values of inefficiency calculated with the assumed frequency of one value per second (according to the condition (15) of modification of the residual method) |
| Time interval between successive calculated values of | |
| , | Beginning and end of period for calculating the next ten values |
| Values of periodic inefficiencies calculated from the set and recorded in the database | |
| Central moment of the second order—variance | |
| Estimate (first order of the central moment), arithmetic mean of temporary failures in the time interval | |
| Probabilistic weighting factor depending on the relative size (percentage) of the failure interval and variance values | |
| Relative size (percentage) of the failure interval | |
| nf | Number of bars lower than the average height in the histogram |
References
- Głuchy, D.; Kurz, D.; Trzmiel, G. The impact of shading on the exploitation of photovoltaic installations. Renew. Energy 2020, 153, 480–498. [Google Scholar] [CrossRef]
- Bugała, A.; Zaborowicz, M.; Boniecki, P.; Janczak, D.; Koszela, K.; Czekała, W.; Lewicki, A. Short-term forecast of generation of electric energy in photovoltaic systems. Renew. Sustain. Energy Rev. 2018, 81, 306–312. [Google Scholar] [CrossRef]
- Zhang, C.X.; Shen, C.; Wei, S.; Zhang, Y.B.; Sun, C. Flexible management of heat/electricity of novel PV/T systems with spectrum regulation by Ag nano fluids. Energy 2021, 221, 119903. [Google Scholar] [CrossRef]
- Tomczewski, A. Operation of a Wind Turbine-Flywheel Energy Storage System under Conditions of Stochastic Change of Wind Energy. Sci. World J. 2014, 2014, 643769. [Google Scholar] [CrossRef] [Green Version]
- Skoplaki, E.; Palyvos, J.A. On the temperature dependence of photovoltaic module electrical performance: A review of efficiency/power correlations. Solar Energy 2009, 83, 614–624. [Google Scholar] [CrossRef]
- Zhang, C.X.; Shen, C.; Yang, Q.R.; Wei, S.; Lv, G.Q.; Sun, C. An investigation on the attenuation effect of air pollution on regional solar radiation. Renew. Energy 2020, 161, 570–578. [Google Scholar] [CrossRef]
- Zhang, C.X.; Shen, C.; Wei, S.; Wang, Y.; Lv, G.Q.; Sun, C. A review on Recent Development of Cooling Technologies for Photovoltaic Modules. J. Therm. Sci. 2020, 29, 1410–1430. [Google Scholar] [CrossRef]
- Ali, E.M.; Abdelsalam, A.K.; Youssef, K.H.; Hossam-Eldin, A.A. An Enhanced Cuckoo Search Algorithm Fitting for Photovoltaic Systems’ Global Maximum Power Point Tracking under Partial Shading Conditions. Energies 2021, 14, 7210. [Google Scholar] [CrossRef]
- Darussalam, R.; Pramana, R.I.; Rajani, A. Experimental investigation of serial parallel and total-cross-tied configuration photovoltaic under partial shading conditions. In Proceedings of the International Conference on Sustainable Energy Engineering and Application (ICSEEA), Jakarta, Indonesia, 23–24 October 2017; pp. 140–144. [Google Scholar]
- Salam, Z.; Ramli, Z.; Ahmed, J.; Amjad, M. Partial shading in building integrated PV system: Causes, effects and mitigating techniques. Int. J. Power Electron. Drive Syst. 2015, 6, 712–722. [Google Scholar] [CrossRef]
- Eltamaly, A.M.; Abdelaziz, A.Y. Modern Maximum Power Point Tracking Techniques for Photovoltaic Energy Systems; Springer: Berlin/Heidelberg, Germany, 2019. [Google Scholar]
- Abolhasani, M.A.; Rezaii, R.; Beiranvand, R.; Varjani, A.Y. A comparison between buck and boost topologies as module integrated converters to mitigate partial shading effects on PV arrays. In Proceedings of the 7th Power Electronics and Drive Systems Technologies Conference (PEDSTC), Tehran, Iran, 16–18 February 2016; pp. 367–372. [Google Scholar]
- Alshareef, M.; Lin, Z.; Ma, M.; Cao, W. Accelerated Particle Swarm Optimization for Photovoltaic Maximum Power Point Tracking under Partial Shading Conditions. Energies 2019, 12, 623. [Google Scholar] [CrossRef] [Green Version]
- Zhang, C.X.; Shen, C.; Yang, Q.R.; Wei, S.; Sun, C. Blended Ag nanofluids with optimized optical properties to regulate the performance of PV/T systems. Solar Energy 2020, 208, 623–636. [Google Scholar] [CrossRef]
- Kaminski, K.; Znaczko, P.; Lyczko, M.; Krolikowski, T.; Knitter, R. Operational Properties Investigation of the Flat-Plate Solar Collector with Poliuretane Foam Insulation. Procedia Comput. Sci. 2019, 159, 1730–1739. [Google Scholar] [CrossRef]
- Alawi, O.A.; Kamar, H.M.; Mallah, A.R.; Monhammed, H.A.; Sabrudin, M.A.S.; Newaz, K.M.S.; Najafi, G.; Yaseen, Z.M. Experimental and Theoretical Analysis of Energy Efficiency in a Flat Plate Solar Collector Using Monolayer Graphene Nanofluids. Sustainability 2021, 13, 5416. [Google Scholar] [CrossRef]
- Alawi, O.A.; Kamar, H.M.; Monhammed, H.A.; Mallah, A.R.; Hussein, O.A. Energy efficiency of a flat-plate solar collector using thermally treated graphene-based nanofluids: Experimental study. Nanomater. Nanotechnol. 2020, 10. [Google Scholar] [CrossRef]
- Kuczynski, W.; Kaminski, K.; Znaczko, P.; Chamier-Gliszczynski, N.; Piatkowski, P. On the correlation between the geometrical features and thermal efficiency of flat-plate solar collectors. Energies 2021, 14, 261. [Google Scholar] [CrossRef]
- Wang, L.; Lin, Y.H. Random fluctuations on dynamic stability of a grid-connected photovoltaic array. IEEE Power Eng. Soc. Winter Meet. 2001, 3, 985–989. [Google Scholar] [CrossRef]
- Trzmiel, G. Determination of a mathematical model of the thin-film photovoltaic panel (CIS) based on measurement data. Maint. Reliabil. 2017, 19, 516–521. [Google Scholar] [CrossRef]
- Kerr, M.; Cuevas, A. Generalized analysis of the illumination intensity vs. open-circuit voltage of solar cells. Solar Energy 2004, 76, 263–267. [Google Scholar] [CrossRef]
- Skowronek, K.; Trzmiel, G. The method for identification of fotocell in real time. In Proceedings of the ISTET—XIV International Symposium on Theoretical Electrical Engineering, Szczecin, Poland, 20–23 June 2007. [Google Scholar]
- Ikegami, T.; Maezono, T.; Nakanishi, F.; Yamagata, Y.; Ebipara, K. Estimation of equivalent circuit parameters of PV module and its application to optimal operation of PV system. Solar Energy 2001, 67, 389–395. [Google Scholar] [CrossRef]
- Trzmiel, G. Stochastic Analysis of the Characteristics of the Photovoltaic Module. Ph.D. Thesis, Poznan University of Technology, Poznań, Poland, 2010. [Google Scholar]
- Skowronek, K.; Trzmiel, G. Generalized analysis of the effect of statistical scatter of the elements of photovoltaic matrix on its equivalent dynamic parameters by random values of darkening fields. In Computer Applications in Electrical Engineering; Publishing House of Poznan University of Technology: Poznan, Poland, 2005; pp. 238–249. [Google Scholar]
- Korbicz, J.; Koscielny, J.M.; Kowalczuk, Z.; Cholewa, W. Fault Diagnosis: Models, Artificial Intelligence, Applications; Springer Science & Business Media: Berlin/Heidelberg, Germany, 2012. [Google Scholar]
- Cox, D.R.; Snell, E.J. A general definition of residuals. J. R. Stat. Soc. Ser. B 1968, 30, 248–265. [Google Scholar] [CrossRef]
- Loynes, R.M. On Cox and Snell’s general definition of residuals. J. R. Stat. Soc. Ser. B 1969, 31, 103–106. [Google Scholar] [CrossRef]
- Haslett, J.; Hayes, K. Residuals for the linear model with general covariance structure. J. R. Stat. Soc. Ser. B 1998, 60, 201–215. [Google Scholar] [CrossRef]
- Skowronek, K.; Trzmiel, G. Identification of photovoltaic matrix in real time. In Proceedings of the Seventh International Conference on AMTEE—Advanced Methods of the Theory of Electrical Engineering, Plzen, Czech Republic, 10–12 September 2007. [Google Scholar]
- Bartol-Smardzewska, M. Application of Artificial Intelligence in Machine Diagnostics; Diagnostyka, Polskie Towarzystwo Diagnostyki Technicznej: Warszawa, Poland, 2005; p. 33. (In Polish) [Google Scholar]
- Witkowski, K. The Possibility of Using Multivalued Evaluation of Residuals in the Diagnostics of Marine Diesel Engine; Diagnostyka, Polskie Towarzystwo Diagnostyki Technicznej: Warszawa, Poland, 2012; pp. 59–62. [Google Scholar]
- Kowal, M.; Korbicz, J. Self-organizing fuzzy Takagi-Sugeno model in the system fault detection. In Proceedings of the 6th National Scientific and Technical Conference “Diagnostics of Industrial Processe”, Władysławowo, Poland, 15–17 September 2003. (In Polish). [Google Scholar]
- Anscombe, F.J.; Tukey, J.W. The examination and analysis of residuals. Technometrics 1963, 5, 141–160. [Google Scholar] [CrossRef]
- Skowronek, K. Electrical Circuits in Stochastic Approach; Poznan University of Technology Publisher: Poznań, Poland, 2011. (In Polish) [Google Scholar]
- Pierce, D.A.; Schafer, D.W. Residuals in generalized linear models. J. Am. Stat. Assoc. 1986, 81, 977–986. [Google Scholar] [CrossRef]
- Mattson, S.G.; Pandit, S.M. Statistical moments of autoregressive model residuals for damage localisation. Mech. Syst. Signal Process. 2006, 20, 627–645. [Google Scholar] [CrossRef]
- Kardas-Cinal, E. Statistical Method for Investigating Transient Enhancements of Dynamical Responses due to Random Disturbances: Application to Railway Vehicle Motion. ASME J. Vib. Acoust. 2020, 142, 061008. [Google Scholar] [CrossRef]
- Trzmiel, G. Verifications of the photovoltaic cell models formulated with the use of multivariable function approximation. In Proceedings of the IC-SPETO—International Conference on Fundamentals of Electrotechnics and Circuit Theory, Ustroń, Poland, 20–23 May 2009. [Google Scholar]
- Gautam, N.; Kaushika, N. Reliability evaluation of solar photovoltaic arrays. Solar Energy 2002, 72, 129–141. [Google Scholar] [CrossRef]
- Pluta, Z. Solar Energy Installations; Warsaw University of Technology Publisher: Warsaw, Poland, 2003. (In Polish) [Google Scholar]












| Condition (15) Satisfied | ||||
|---|---|---|---|---|
| No Blind | 30% Blind | 60% Blind | ||
| 120–150 | NO | −0.432 | 31.328 | 58.291 |
| YES | 0 | 30.872 | 54.794 | |
| 200–210 | NO | 2.036 | 41.351 | 68.012 |
| YES | 0 | 37.831 | 63.810 | |
| 370–400 | NO | 13.605 | 56.021 | 71.470 |
| YES | 2.790 | 42.364 | 65.871 | |
| 490–560 | NO | 18.302 | 56.017 | 76.713 |
| YES | 7.740 | 45.350 | 70.180 | |
| Condition (15) Satisfied | ||||
|---|---|---|---|---|
| No Blind | 30% Blind | 60% Blind | ||
| 120–150 | NO | 2.098 | 32.163 | 60.443 |
| YES | 0 | 28.382 | 58.909 | |
| 200–210 | NO | 0.652 | 40.005 | 70.706 |
| YES | 0 | 33.504 | 65.836 | |
| 200–240 | NO | 1.799 | 33.382 | 65.304 |
| YES | 0 | 29.467 | 61.084 | |
| 370–400 | NO | 1.528 | 43.787 | 70.008 |
| YES | 0 | 34.124 | 62.318 | |
| 490–560 | NO | 0.558 | 42.911 | 74.291 |
| YES | 0 | 35.126 | 70.922 | |
| Diaphragm [%] | = Estimate— (Arithmetic Average) [%] | = Weight Method (according to Formulas (19) and (20)) [%] | |
|---|---|---|---|
| 0 | 43.09 | 6.10 | 0.90 |
| 24 | 1.89 | 24.02 | 24.01 |
Publisher’s Note: MDPI stays neutral with regard to jurisdictional claims in published maps and institutional affiliations. |
© 2021 by the authors. Licensee MDPI, Basel, Switzerland. This article is an open access article distributed under the terms and conditions of the Creative Commons Attribution (CC BY) license (https://creativecommons.org/licenses/by/4.0/).
Share and Cite
Trzmiel, G.; Jajczyk, J.; Kardas-Cinal, E.; Chamier-Gliszczynski, N.; Wozniak, W.; Lewczuk, K. The Condition of Photovoltaic Modules under Random Operation Parameters. Energies 2021, 14, 8358. https://doi.org/10.3390/en14248358
Trzmiel G, Jajczyk J, Kardas-Cinal E, Chamier-Gliszczynski N, Wozniak W, Lewczuk K. The Condition of Photovoltaic Modules under Random Operation Parameters. Energies. 2021; 14(24):8358. https://doi.org/10.3390/en14248358
Chicago/Turabian StyleTrzmiel, Grzegorz, Jaroslaw Jajczyk, Ewa Kardas-Cinal, Norbert Chamier-Gliszczynski, Waldemar Wozniak, and Konrad Lewczuk. 2021. "The Condition of Photovoltaic Modules under Random Operation Parameters" Energies 14, no. 24: 8358. https://doi.org/10.3390/en14248358
APA StyleTrzmiel, G., Jajczyk, J., Kardas-Cinal, E., Chamier-Gliszczynski, N., Wozniak, W., & Lewczuk, K. (2021). The Condition of Photovoltaic Modules under Random Operation Parameters. Energies, 14(24), 8358. https://doi.org/10.3390/en14248358

