Experimental Determination of Parameters of Nonlinear Electrical Load
Abstract
:1. Introduction
2. Research Methods
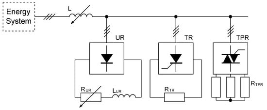
2.1. Laboratory Test Bench
2.2. Method of Determination the Parameters of Nonlinear Electrical Load
3. Experimental Determination of Nonlinear Load Parameters of Various Types
3.1. Experimental Study of Individual Nonlinear Load Parameters
3.2. Experimental Study of Aggregated Load Parameters
4. Determination of Nonlinear Load Parameters Based on Measurements
4.1. Current Harmonics of Nonlinear Load When Filter Is Connected
4.2. Current Harmonics of Aggregated Nonlinear Loads When Filter Is Connected
5. Discussions
- influence of linear electrical load
- influence of resonance phenomena
- influence of harmonics generated from the grid side.
6. Conclusions
Author Contributions
Funding
Institutional Review Board Statement
Informed Consent Statement
Conflicts of Interest
References
- Vasilyev, B.Y.; Shpenst, V.A.; Kalashnikov, O.V.; Ulyanov, G.N. Providing energy decoupling of electric drive and electric grids for industrial electrical installations. J. Min. Inst. 2018, 229, 41–49. [Google Scholar] [CrossRef]
- Simiyu, P.; Davidson, I.E. MVDC railway traction power systems; state-of-the art, opportunities, and challenges. Energies 2021, 14, 4156. [Google Scholar] [CrossRef]
- Veprikov, A.A.; Abramovich, B.N. Prospects for IGBT application in electrical power converters for industrial high-current DC loads. IOP Conf. Ser. Mater. Sci. Eng. 2019, 560, 012131. [Google Scholar] [CrossRef]
- Ahmad, Z.; Torres, J.R.; Kumar, N.V.; Rakhshani, E.; Palensky, P.; van der Meijden, M. A power hardware-in-the-loop based method for FAPR compliance testing of the wind turbine converters control. Energies 2020, 13, 5203. [Google Scholar] [CrossRef]
- Janardhan, K.; Mittal, A.; Ojha, A. Performance investigation of stand-alone solar photovoltaic system with single phase micro multilevel inverter. Energy Rep. 2020, 6, 2044–2055. [Google Scholar] [CrossRef]
- Bi, K.; Liu, Y.; Zhu, Y.; Fan, Q. An impedance source modular DC/DC converter for energy storage system: Analysis and design. Int. J. Electr. Power Energy Syst. 2021, 133, 107261. [Google Scholar] [CrossRef]
- Zheng, L.; Kandula, R.P.; Divan, D. Soft-switching solid-state transformer with reduced conduction loss. IEEE Trans. Power Electron. 2021, 36, 5236–5249. [Google Scholar] [CrossRef]
- Belsky, A.A.; Morenov, V.A.; Kupavykh, K.S.; Sandyga, M.S. Wind turbine electrical energy supply system for oil well heating. Energ. Proc. CIS High. Educ. Inst. Power Eng. Assoc. 2019, 62, 146–154. [Google Scholar] [CrossRef]
- Shklyarskiy, Y.; Skamyin, A.; Vladimirov, I.; Gazizov, F. Distortion load identification based on the application of compensating devices. Energies 2020, 13, 1430. [Google Scholar] [CrossRef] [Green Version]
- Lavrik, A.; Zhukovskiy, Y.; Tcvetkov, P. Optimizing the size of autonomous hybrid microgrids with regard to load shifting. Energies 2021, 14, 5059. [Google Scholar] [CrossRef]
- Zhang, L.; Xie, Y.; Ye, J.; Xue, T.; Cheng, J.; Li, Z.; Zhang, T. Intelligent frequency control strategy based on reinforcement learning of multi-objective collaborative reward function. Front. Energy Res. 2021, 9, 587. [Google Scholar] [CrossRef]
- Belsky, A.; Dobush, V.S.; Haikal, S.F. Operation of a single-phase autonomous inverter as a part of a low-power wind complex. J. Min. Inst. 2019, 239, 564–569. [Google Scholar] [CrossRef]
- Zamyatin, E.; Voytyuk, I.; Zamyatina, E. Increasing the energy efficiency of an enterprise by point compensating of power quality distortions. E3S Web Conf. 2019, 140, 04010. [Google Scholar] [CrossRef] [Green Version]
- Munoz-Guijosa, J.M.; Kryltcov, S.B.; Solovev, S.V. Application of an active rectifier used to mitigate currents distortion in 6–10 KV distribution grids. J. Min. Inst. 2019, 236, 229–238. [Google Scholar] [CrossRef]
- Du, X.; Zhou, L.; Lu, H.; Tai, H.M. DC link active power filter for three-phase diode rectifier. IEEE Trans. Ind. Electron. 2012, 59, 1430–1442. [Google Scholar] [CrossRef]
- SHidlovskij, A.K.; ZHarkin, A.F. High Harmonics in Low-Voltage Electrical Networks; Naukova Dumka: Kiev, Ukraine, 2005; ISBN 966-00-0471-0. [Google Scholar]
- Carpinelli, G.; Iacovone, F.; Russo, A.; Varilone, P.; Verde, P. Analytical modeling for harmonic analysis of line current of VSI-fed drives. IEEE Trans. Power Deliv. 2004, 19, 1212–1224. [Google Scholar] [CrossRef]
- Lian, K.L.; Perkins, B.K.B.K.; Lehn, P.W. Harmonic analysis of a three-phase diode bridge rectifier based on sampled-data model. IEEE Trans. Power Deliv. 2008, 23, 1088–1096. [Google Scholar] [CrossRef]
- Li, F.; Wang, Y.; Wu, F.; Huang, Y.; Liu, Y.; Zhang, X.; Ma, M. Review of real-time simulation of power electronics. J. Mod. Power Syst. Clean Energy 2020, 8, 796–808. [Google Scholar] [CrossRef]
- Xie, Q.; Shi, G. An analytical gm/ID-based harmonic distortion prediction method for multistage operational amplifiers. Int. J. Circuit Theory Appl. 2021, 49, 2047–2073. [Google Scholar] [CrossRef]
- Abramovich, B.N. Uninterruptible power supply system for mining industry enterprises. J. Min. Inst. 2018, 229, 31. [Google Scholar] [CrossRef]
- Estrada, L.; Vázquez, N.; Vaquero, J.; de Castro, Á.; Arau, J. Real-time hardware in the loop simulation methodology for power converters using labview FPGA. Energies 2020, 13, 373. [Google Scholar] [CrossRef] [Green Version]
- Gurrala, G.; Batageri, A.; Dinesha, D.L. Real-time simulation of power converters using adomian decomposition method on mini-FSS. In Proceedings of the 2016 IEEE International Conference on Power Electronics, Drives and Energy Systems (PEDES), Trivandrum, India, 14–17 December 2017; pp. 1–6. [Google Scholar] [CrossRef]
- Hansen, S.; Asiminoaei, L.; Blaabjerg, F. Simple and advanced methods for calculating six-pulse diode rectifier line-side harmonics. In Proceedings of the 38th IAS Annual Meeting on Conference Record of the Industry Applications Conference, Salt Lake City, UT, USA, 12–16 October 2003; Volume 3, pp. 2056–2062. [Google Scholar] [CrossRef]
- ZHezhelenko, I.V. High Harmonics in Electrical Systems of Industrial Enterprices; Energoatomizdat: Moscow, Russia, 1984. [Google Scholar]
- Katic, V.A. A new method of three-phase bridge rectifier current and a new method of three-phase bridge rectifier current and voltage harmonics determination. J. Power Energy Syst. 1994, 14, 44–48. [Google Scholar]
- Grötzbach, M.; Redmann, R. Analytical predetermination of complex linecurrent harmonics in controlled ac/dc converters. IEEE Trans. Ind. Appl. 1997, 33, 601–612. [Google Scholar] [CrossRef]
- Rice, D.E. A detailed analysis of six-pulse converter harmonic currents. IEEE Trans. Ind. Appl. 1994, 30, 294–304. [Google Scholar] [CrossRef]
- Gentile, T.; Grady, M.; El-Hawary, M.E.; Halpin, M.; Xu, W.; Ranade, S.; Ribeiro, P.F. Tutorial on harmonics modeling and Simulation; IEEE Power Engineering Society: Piscataway, NJ, USA, 1998. [Google Scholar]
- Ranade, S.; Xu, W. Task force on harmonics modeling and simulation harmonics working modeling and simulation of the propagation of harmonics in electric power networks: Part I. Concepts, models, and simulation techniques. IEEE Trans. Power Deliv. 1996, 11, 452–465. [Google Scholar]
- Lee, J.; Kwon, Y.C.; Sul, S.K. Identification of IPMSM flux-linkage map for high-accuracy simulation of IPMSM drives. IEEE Trans. Power Electron. 2021, 36, 14257–14266. [Google Scholar] [CrossRef]
- Mayordomo, J.G.; Beites, L.F.; Yang, X.; Xu, W. A detailed procedure for harmonic analysis of three-phase diode rectifiers under discontinuous conduction mode and nonideal conditions. IEEE Trans. Power Deliv. 2018, 33, 741–751. [Google Scholar] [CrossRef]
- Li, Y.; Wang, W.; Yuwen, B.; Wei, S.; Su, W.; Lu, Z. Harmonic model and propagation in power system: A review. In Proceedings of the IECON 2019—45th Annual Conference of the IEEE Industrial Electronics Society, Lisbon, Portugal, 14–17 October 2019; pp. 6147–6151. [Google Scholar] [CrossRef]
- Grbtzbach, M.; Redmann, R. Line current harmonics of VSI-Fed adjustable speed drives. IEEE Trans. Ind. Appl. 2000, 36, 683–690. [Google Scholar] [CrossRef]
- Maksimovic, D.; Stankovic, A.M.; Joseph Thottuvelil, V.; Verghese, G.C. Modeling and simulation of power electronic converters. Proc. IEEE 2001, 89, 898–912. [Google Scholar] [CrossRef]
- Mayordomo, J.G.; Carbonero, Á.; Beites, L.F.; Asensi, R.; Xu, W. A contribution towards a general and systematic procedure for modeling line commutated AC/DC converters in the harmonic domain. IEEE Trans. Power Deliv. 2009, 24, 2415–2427. [Google Scholar] [CrossRef]
- Bolsens, B.; De Brabandere, K.; Van Den Keybus, J.; Driesen, J.; Belmans, R. Model-based generation of low distortion currents in grid-coupled PWM-inverters using an LCL output filter. IEEE Trans. Power Electron. 2006, 21, 1032–1040. [Google Scholar] [CrossRef]
- Smith, B.C.; Watson, N.R.; Wood, A.R.; Arrillaga, J. A sequence components model of the ac/dc converter in the harmonic domain. IEEE Trans. Power Deliv. 1997, 12, 1736–1743. [Google Scholar] [CrossRef]
- Smith, B.C.; Arrillaga, J.; Wood, A.R.; Watson, N.R. A review of iterative harmonic analysis for AC-DC power systems. IEEE Trans. Power Deliv. 1998, 13, 180–185. [Google Scholar] [CrossRef]
- Baghzouz, Y. An accurate solution to line harmonic distortion produced by ac/dc converters with overlap and dc ripple. IEEE Trans. Ind. Appl. 1993, 29, 536–540. [Google Scholar] [CrossRef]
- Grötzbach, M.; Ried, C. Investigation of AC/DC converter harmonics by an analytical based time-discrete approach. IEEE Trans. Power Deliv. 1997, 12, 874–880. [Google Scholar] [CrossRef]
- Jopri, M.H.; Ab Ghani, M.R.; Abdullah, A.R.; Manap, M.; Sutikno, T.; Too, J. K-nearest neighbor and naïve Bayes based diagnostic analytic of harmonic source identification. Bull. Electr. Eng. Inform. 2021, 9, 2650–2657. [Google Scholar] [CrossRef]
- Faifer, M.; Laurano, C.; Ottoboni, R.; Toscani, S.; Zanoni, M. Frequency-domain nonlinear modeling approaches for power systems components—A comparison. Energies 2020, 13, 2609. [Google Scholar] [CrossRef]
- Burch, R.; Chang, G.; Dwyer, R.; Grady, M.; Halpin, M.; Hatziadoniu, C.J.; Liu, Y.; Marz, M.; Medina-Rios, A.; Middledanff, S.; et al. Task force on harmonics modeling and simulation harmonics working group characteristics and modeling of harmonic sources—Power electronic devices. IEEE Trans. Power Deliv. 2001, 16, 791–800. [Google Scholar]









| Elements of the Scheme | Parameters and Values |
|---|---|
| Grid/system parameters | Us = 380 V, L = 0 ± 4 mH |
| Uncontrolled rectifier (UR) | UUR = 380 V, RUR = 42 ± 176 Ω, LUR = 40 mH |
| Thyristor rectifier (TR) | UTR = 380 V, PTR = 0.5 ± 4.0 kW |
| Thyristor power regulator (TPR) | UTPR = 380 V, PTPR = 0.5 ± 4.0 kW |
| Parameter | Value |
|---|---|
| Resistance of the 5th and 7th harmonic filter | 0.2 Ω |
| Inductance of the 5th and 7th harmonic filter | 8.29 mH |
| Capacitance of the 5th/7th harmonic filter | 50/26 μF |
| Type of the Load | Comparison Equation | 5th Harmonic Error, % | 7th Harmonic Error, % | 11th Harmonic Error, % | 13th Harmonic Error, % |
|---|---|---|---|---|---|
| UR | (1) | 10.3 | 32.1 | 21.2 | 33.2 |
| TPR | (2), (3) | 27.9 | 32.5 | 38.1 | 24.2 |
| TR | (4) | 40.4 | 57.5 | 46.3 | 60 |
| Type of the Load | Line Parameters | 5th Harmonic Error, % | 7th Harmonic Error, % |
|---|---|---|---|
| UR | L0\L1\L2 | 3.5\1.0\4.7 | 2.2\2.7\4.0 |
| TRP | L0\L1\L2 | 2.9\0.2\8.1 | 3.2\0.2\2.3 |
| TR | L0\L1\L2 | 1.4\1.7\7.3 | 2.2\0.9\10.2 |
| Line Parameters | Relative Error, % | ||
|---|---|---|---|
| UR + TR | UR + TR + TRP | TR + TRP | |
| L0 | 1.23 | 3.92 | 0.94 |
| L1 | 3.53 | 3.82 | 3.52 |
| L2 | 7.25 | 13.94 | 12.49 |
Publisher’s Note: MDPI stays neutral with regard to jurisdictional claims in published maps and institutional affiliations. |
© 2021 by the authors. Licensee MDPI, Basel, Switzerland. This article is an open access article distributed under the terms and conditions of the Creative Commons Attribution (CC BY) license (https://creativecommons.org/licenses/by/4.0/).
Share and Cite
Skamyin, A.; Shklyarskiy, Y.; Dobush, V.; Dobush, I. Experimental Determination of Parameters of Nonlinear Electrical Load. Energies 2021, 14, 7762. https://doi.org/10.3390/en14227762
Skamyin A, Shklyarskiy Y, Dobush V, Dobush I. Experimental Determination of Parameters of Nonlinear Electrical Load. Energies. 2021; 14(22):7762. https://doi.org/10.3390/en14227762
Chicago/Turabian StyleSkamyin, Aleksandr, Yaroslav Shklyarskiy, Vasiliy Dobush, and Iuliia Dobush. 2021. "Experimental Determination of Parameters of Nonlinear Electrical Load" Energies 14, no. 22: 7762. https://doi.org/10.3390/en14227762
APA StyleSkamyin, A., Shklyarskiy, Y., Dobush, V., & Dobush, I. (2021). Experimental Determination of Parameters of Nonlinear Electrical Load. Energies, 14(22), 7762. https://doi.org/10.3390/en14227762

