Next Article in Journal
Magnetic Coupling-Based Battery Impedance Measurement Method
Previous Article in Journal
Proposal of Priority Schemes for Controlling Electric Vehicle Charging and Discharging in a Workplace Power System with High Penetration of Photovoltaic Systems
Previous Article in Special Issue
A New Design Method for Optimal Parameters Setting of PSSs and SVC Damping Controllers to Alleviate Power System Stability Problem
 
 
Font Type:
Arial Georgia Verdana
Font Size:
Aa Aa Aa
Line Spacing:
Column Width:
Background:
Review

Rotor Position Synchronization in Central-Converter Multi-Motor Electric Actuation Systems

by
Cláudio de Andrade Lima
1,
James Cale
1,2,* and
Kamran Eftekhari Shahroudi
2,3
1
Electrical and Computer Engineering Department, Colorado State University, 200 W Lake Street, Fort Collins, CO 80523, USA
2
Systems Engineering Department, Colorado State University, 200 W Lake Street, Fort Collins, CO 80523, USA
3
Woodward, Inc., 1081 Woodward Way Fort Collins, Colorado, CO 80524, USA
*
Author to whom correspondence should be addressed.
Energies 2021, 14(22), 7485; https://doi.org/10.3390/en14227485
Submission received: 7 October 2021 / Revised: 31 October 2021 / Accepted: 3 November 2021 / Published: 9 November 2021
(This article belongs to the Special Issue Modeling and Simulation of Power Systems and Power Electronics)

Abstract

:
The aerospace industry is increasingly transitioning from hydraulic and pneumatic drives to power-electronic based drive systems for reduced weight and maintenance. Electromechanical thrust reverse actuation systems (EM-TRAS) are currently being considered as a replacement for mechanical based TRAS for future aircraft. An EM-TRAS consists of one or more power-electronic drives, electrical motors, and gear-trains that extend/retract mechanical members to produce a drag force that decelerates the aircraft upon landing. The use of a single (“central”) power electronic converter to simultaneously control a set of parallel induction machines is a potentially inexpensive and robust method for implementing EM-TRAS. However, because the electrical motors may experience different shaft torques—arising from differences in wind forces and a flexible nacelle—a method to implement rotor position synchronization in central-converter multi-motor (CCMM) architectures is needed. This paper introduces a novel method for achieving position synchronization within CCMM architecture by using closed-loop feedback of variable stator resistances in parallel induction machines. The feasibility of the method is demonstrated in several case studies using electromagnetic transient simulation on a set of parallel induction machines experiencing different load torque conditions, with the central converter implementing both voltage-based and current-based primary control strategies. The key result of the paper is that the CCMM architecture with proposed feedback control strategy is shown in these case studies to dynamically drive the position synchronization error to zero. The initial findings indicate that the CCMM architecture with induction motors may be a viable option for implementing EM-TRAS in future aircraft.

1. Introduction

Over the past several decades, the transportation sector has become increasingly electrified [1,2,3,4,5]. This movement towards electrification has been largely enabled by power-electronic drives, energy storage, and advanced control of rotating electrical machinery [1,2,3,4,6,7]. The transition from mechanical (e.g., pneumatic or hydraulic) drives to full-electric or hybrid-electric drives—already observed in naval and vehicle transportation—is expected to revolutionize the aerospace industry in coming years [1,2,5,6,7,8]. The trend towards More Electric Aircraft (MEA) for aerospace applications is partially inspired by the potential for reduced weight (with associated impact on fuel consumption) and maintenance of existing mechanical drive systems.
As an example of this trend, electromechanical drive alternatives are currently being considered as a replacement to pneumatic and/or hydraulic thrust reverse actuation systems (TRAS’s) in future aircraft [8,9,10]. The purpose of a TRAS is to provide deceleration of the aircraft on the runway, particularly after touchdown. This deceleration is accomplished by extending/retracting mechanical members housed in the nacelle to produce a drag force that results in reverse thrust on the aircraft. An example of a mechanical TRAS using a `pivoting-door’ concept is depicted in Figure 1.
In Figure 1, f t represents the forward thrust of the aircraft; f d represents the equivalent drag force produced by the doors, which are extended/retracted by actuators. Although there are different design implementations for TRASs, a critical aspect to any TRAS design is that the aerodynamic and structural characteristics (e.g., flexibility) of the nacelle may result in extended members being subjected to unequal drag forces. For this reason, TRASs are typically designed so that each member may be extended with an independently controlled compensating force by its actuator that results in a synchronous extension of all members, resulting in a more uniform net drag force on the nacelle.
Electromechanical thrust reverse actuation systems, EM-TRAS, refers herein to a means of providing reverse thrust in aircraft where actuation is accomplished by using a combination of electrical and mechanical components. Electrical components include power-electronic drives, electrical motors, and possibly energy storage; mechanical components include gear-trains and actuators. The principle difference between EM-TRAS and traditional (i.e., fully mechanical) TRAS is that the primary actuation force is provided by electromagnetic force/torque rather than hydraulic or pneumatic force. For this reason, EM-TRAS may offer several potential advantages including (a) the elimination of maintenance tasks and costs associated with servicing hydraulic fluid or pneumatic air lines, (b) reduced weight, and (c) increased controllability and diagnostics from additional electrical sensing and controls available in power-electronic drives. However, to serve as a viable alternative, EM-TRAS must provide equivalent or better functional performance, safety, and reliability as traditional TRAS. This paper considers a specific control algorithm and architecture for a possible EM-TRAS implementation (safety and reliability considerations will be discussed in future papers; see discussion on future work in Section 5).
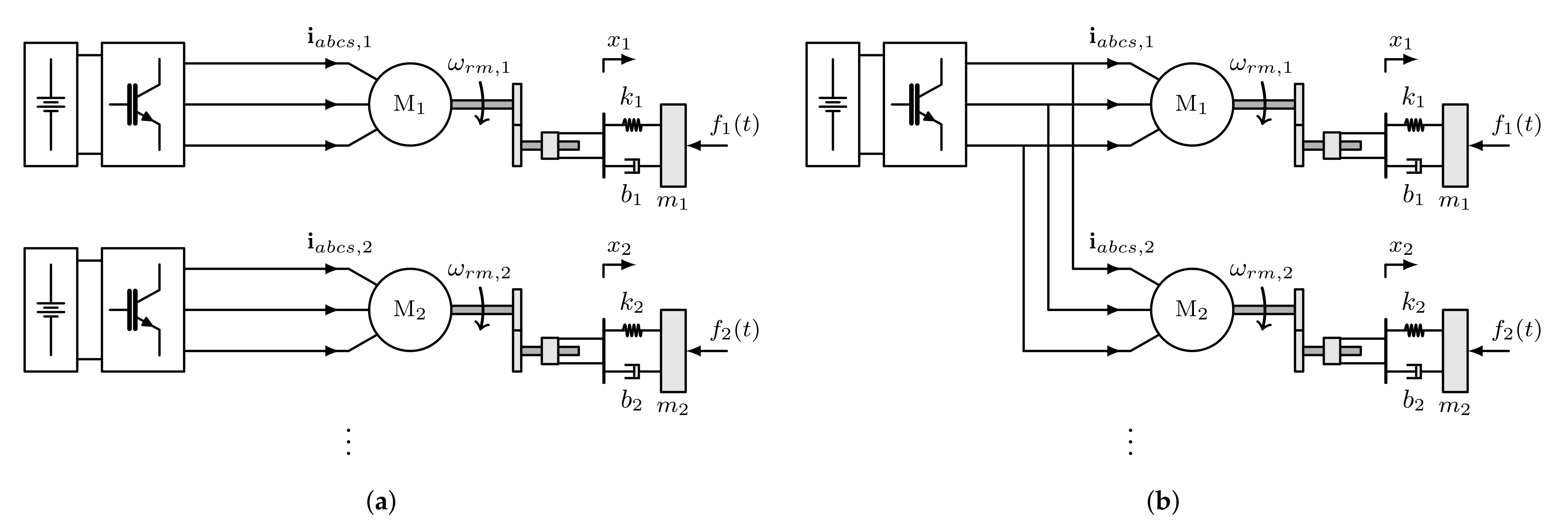
Several possible electrical architectures and electrical motor types could be used to implement EM-TRAS. Perhaps the most direct approach for EM-TRAS is to provide one electromechanical actuator subsystem (EAS) per extending/retracting member. In this context, EAS refers to a (sub)system comprising a power-electronic converter, single electrical motor, and a mechanical drive. The power-electronic converter provides alternating current (AC) to the stator windings of the motor; the motor produces an electromagnetic torque and angular speed/position; the mechanical drive converts the motor output shaft rotation into a linear displacement that drives the mechanical load. Due to the fact that each motor is driven by its own converter, this architecture is referred to herein as the distributed converter multiple-motor (DCMM) architecture, depicted in Figure 2a.
In Figure 2a, i a b c s , n is the set of three-phase stator currents, ω r m , n is the mechanical angular velocity, x n is the linear position, k n is the equivalent spring constant, b n is the equivalent damping constant, m n is the equivalent mass, and f n ( t ) is the equivalent input force for actuation line n N , where N = { 1 , 2 , , N } is the set of actuation line numbers.
Alternatively, another architecture employs a single (’central’) power-electronic converter to simultaneously control the parallel set of motors, thereby eliminating the cost and space needed for distributed converters, as depicted in Figure 2b. In this approach, herein called the central-converter multi-motor (CCMM) architecture, the trade-off for the reduced number of converters is that the CCMM drive must be able to control the motors simultaneously in order to meet (generally unequal) load torques while maintaining required position synchronization. An additional design consideration is the type of electrical motor used in the EM-TRAS; several types of synchronous or asynchronous motors could be used for this application. However, the asynchronous induction machine (IM) is a physically robust and low cost alternative, which makes it a potentially desirable candidate for EM-TRAS and is the drive motor type examined in this research study.
This paper introduces a novel method to achieve simultaneous speed and position synchronization of multiple IMs within a CCMM architecture using controllable stator resistance, with the aim of demonstrating the feasibility of a potential EM-TRAS solution with advantageous cost, space, and weight requirements in comparison to traditional TRAS or EM-TRAS with a DCMM architecture.
Prior research studies investigating multi-motor control approaches using DCMM [11,12,13] and CCMM architectures [14,15,16,17,18,19,20,21,22,23,24,25,26] have been discussed in the literature. In [26], the authors treat the set of motors as a single equivalent motor by employing averaging calculations on state variables (e.g., current and flux) to control the average motor behavior. However, in [23], this approach was demonstrated to introduce instabilities under uneven torque loading conditions. Other researchers have investigated mean and differential calculations, where circulating currents were considered in the control (average and differential control) [14,15,18,19,20,21,22,23]. Other techniques described in the literature are as follows: mean and primary-secondary control [17], weighted vector control [16], a matrix converter combined with direct torque control [18], electronic line virtual shaft [24,25], and smart switching strategies [24,25]. The research in [15,16,18,19,20,21,22,23,24,25] investigated speed control, while torque control was considered in [14,17]. In [15,18,19,20,21,22,23], the researchers eliminated speed and flux sensors to enable sensor-less control in a CCMM context. For induction machine torque control with CCMM, researchers have investigated direct field oriented control [19,20,21,22,23], indirect field oriented control [25], and volts-per-hertz [24,27].
However, none of the prior literature has described simultaneous speed and position synchronization of IMs in a CCMM architecture with unequal load torques. An electronic line virtual shaft was demonstrated in [12] to achieve position synchronization in DCMM but not a CCMM architecture. The work in [15,16,19,20,21,22] demonstrated simultaneous speed (rather than position) control in a CCMM context, but it did not demonstrate that the same speed (or position) could be achieved for all motors under unequal load torques.
Prior research perhaps closest to this paper is [24,25], wherein speed was controlled in an independent manner for two motors using a ’smart switching’ technique. Using three-phase switches in series with each motor, the motors were connected/disconnected to the central inverter in each sample period. The technique was shown to maintain speed control under unbalanced torque load conditions, with the motors given independent speed commands. However, the work conducted in [24,25] did not demonstrate position synchronization, which is the chief focus of this paper. Additionally, the method in [24,25] uses high-power electronic switches between the motors and central converter in addition to the high-power switches in the converter itself. The approach described in this paper requires high-power switches in the central converter only; position synchronization may be achieved by any means of regulating stator resistance, e.g., mechanical means or simple lower-power switching circuits in series with the motors.
In contrast to previous literature, this paper describes a method to achieve simultaneous speed and position synchronization in a CCMM architecture, driving parallel IMs with unequal torque loads. The method employs feedback control of variable in-line stator resistance elements to achieve rotor position synchronization in combination with either a voltage-control or current-control primary control strategy for achieving the desired speed for each motor. The method is demonstrated in several case studies using electromagnetic transient simulation on a set of parallel induction machines, each experiencing independent and dynamic shaft loads of unequal torque magnitudes. The approach is being put forward in this paper as a potential method for implementing EM-TRAS to achieve the required speed and actuator extension/retraction synchronization needed during thrust reversal in aircraft, while potentially reducing cost, space, and weight from converter hardware and employing low-cost and physically robust induction machines. While detailed control design and tuning is not within the scope of this paper, the general feasibility of the approach is demonstrated.
Key contributions of this paper are as follows:
  • Introduction of a novel control strategy for achieving simultaneous speed and position synchronization in a set of parallel IMs with unequal torque loads within a CCMM architecture;
  • Validation of the control approach in several case studies, demonstrating position synchronization error being driven to zero using both voltage-based and current-based primary control strategies;
  • Proposal of a potential low-cost, low-weight, and robust architecture and control for implementation of EM-TRAS for future aircraft.
The remainder of the paper is organized as follows. Section 2 provides a brief background on IMs and IM drive strategies. This is followed by Section 3 with an introduction to the proposed CCMM speed control with combined position synchronization method. The initial validation of the approach in simulation is described in Section 4. Concluding remarks then follows.

2. Background on Induction Machines and Induction Machine Drives

This section provides a brief background on IMs, followed by two commonly employed IM primary control strategies and a voltage-control and current-control strategy, which are referred to in the remainder of the paper.

2.1. Induction Machines

The IM can operate as a motor or generator (its application as a motor is the focus of this paper). It is composed of stationary stator windings and rotor windings mounted inside the rotor. The rotor shaft has roller bearings on both ends, which allows the rotor to rotate while providing a fixed air gap distance between stator and rotor. Figure 3 illustrates a cross-sectional view of a three-phase, two-pole IM. The outside portion is the stator, which contains sinusoidally distributed windings with peak turns displaced by 120 . For phase a, denoted a s and a s , the current enters into the page at a s (designated by crosses) and exits at a s (designated by dots) and similarly for other stator and rotor windings. In this paper, it is assumed that the machine parameters are electrically symmetric and the rotor windings consist of short-circuited rotor bars (’squirrel-cage’ rotor). The arrows in Figure 3 correspond to the primary magnetic axes of the windings, corresponding to the location of peak magnetic flux for assumed positive current.
In Figure 3, the rotational “electrical” angular velocity, ω r , is related to (actual) mechanical angular velocity, ω r m , as ω r = ( P / 2 ) ω r m where P is the number of magnetic poles. The electrical angular position θ r is as follows:
θ r = 0 t ω r ( τ ) d τ + θ r ( 0 ) ,
where θ r ( 0 ) is the initial electrical angular position. Voltage equations for the IM with external stator resistances in series with each winding are expressed as follows:
v a b c s = ( r s + r e ) i a b c s + p λ a b c s
v a b c r = r r i a b c r + p λ a b c r ,
where v a b c s ( r ) , i a b c s ( r ) , and λ a b c s ( r ) are stator (rotor) voltage, current, and flux linkages vectors, respectively; r s , r e , and r r are resistance matrices for the stator windings, external stator resistances, and rotor windings, respectively, and they are expressed as follows:
r s = [ r s 0 0 0 r s 0 0 0 r s ] , r e = [ r e 0 0 0 r e 0 0 0 r e ] , r r = [ r r 0 0 0 r r 0 0 0 r r ] ,
where r s , r e , and r r are the resistances of the stator windings, external resistors, and rotor windings, respectively. As indicated in (3), it is assumed herein that each winding of the stator, each of the external resistors, and each winding of the rotor have equal resistance values on all electrical phases (although generally r s r e r r ).
Flux linkages in (2) for the motor depicted in Figure 3 may be expressed as follows:
λ a b c s = L s i a b c s + L s r i a b c r
λ a b c r = L r i a b c r + L s r T i a b c s ,
where the self inductance matrices, L s , L r , respectively, are as follows:
L s = [ L l s + L m s 1 2 L m s 1 2 L m s 1 2 L m s L l s + L m s 1 2 L m s 1 2 L m s 1 2 L m s L l s + L m s ] ,
L r = [ L l r + L m r 1 2 L m r 1 2 L m r 1 2 L m r L l r + L m r 1 2 L m r 1 2 L m r 1 2 L m r L l r + L m r ] ,
where L l s and L l r are the stator and rotor leakage inductances, respectively; L m s and L m r are the stator and rotor magnetizing inductances, respectively. The mutual inductance matrix is expressed as follows:
L s r = L s r [ cos θ r cos ( θ r + 2 π 3 ) cos ( θ r 2 π 3 ) cos ( θ r 2 π 3 ) cos θ r cos ( θ r + 2 π 3 ) cos ( θ r + 2 π 3 ) cos ( θ r 2 π 3 ) cos θ r ] ,
where L s r is the amplitude of the mutual inductance between stator and rotor windings. To eliminate the angular dependence in the machine equations arising from (7), transformation of the equations to a rotating reference frame is employed. Transformation of the stationary variables to q d 0 variables in the arbitrary rotating reference frame is achieved by the following transformation:
f q d 0 s = K s f a b c s ,
where f can represent voltage, current, or flux linkage, and matrix K s is defined as follows:
K s : = 2 3 [ cos θ cos ( θ 2 π 3 ) cos ( θ + 2 π 3 ) sin θ sin ( θ 2 π 3 ) sin ( θ + 2 π 3 ) 1 2 1 2 1 2 ] ,
where the arbitrary reference frame position angle is computed as follows:
θ = 0 t ω ( τ ) d τ + θ ( 0 ) ,
where ω is the speed of the reference frame, and θ ( 0 ) is its initial angular position. Transformation of the rotor variables to q d 0 variables in the arbitrary rotating reference frame is performed by the following transformation:
f q d 0 r = K r f a b c r ,
where K r is defined as follows:
K r : = 2 3 [ cos ( β ) cos ( β 2 π 3 ) cos ( β + 2 π 3 ) sin ( β ) sin ( β 2 π 3 ) sin ( β + 2 π 3 ) 1 2 1 2 1 2 ] ,
where β : = θ θ r . An additional step is the referral of variables based on the turns ratio between stator and rotor windings; herein the voltage, flux linkages, currents, and electrical parameters of the rotor are referred to the stator side as follows:
v q d r = N s N r v q d r
λ q d r = N s N r λ q d r
i q d r = N r N s i q d r
r r = ( N s N r ) 2 r r
L l r = ( N s N r ) 2 L l r ,
where N s and N r are the equivalent turns of the stator and rotor windings, respectively. After transformation of (2)–(4) to the arbitrary rotating reference frame using (8)–(12) and the referral of variables from (13), the voltage equations in q d variables are expressed as follows:
v q s = ( r s + r e ) i q s + ω λ d s + p λ q s
v d s = ( r s + r e ) i d s ω λ q s + p λ d s
v q r = r r i q r + ( ω ω r ) λ d r + p λ q r
v d r = r r i d r ( ω ω r ) λ q r + p λ d r ,
and flux linkages are expressed as follows:
λ q s = L l s i q s + L M ( i q s + i q r )
λ d s = L l s i d s + L M ( i d s + i d r )
λ q r = L l r i q r + L M ( i q s + i q r )
λ d r = L l r i d r + L M ( i d s + i d r ) ,
where L M : = ( 3 / 2 ) L m s . Note that in (14) and (15) and the remainder of this paper, a balanced operation is assumed, i.e., 0 s ( r ) variables are zero and, therefore, neglected. By inspection of (14) and (15), the differential equations for the q d variables for the stator and rotor circuits can be represented by the equivalent circuits shown in Figure 4.
The electromagnetic torque produced by the induction machine (acting counter-clockwise in Figure 3 by convention) can be expressed in q d variables [28] as follows:
T e = 3 2 P 2 L M L r r ( i q s λ d r i d s λ q r ) ,
where L r r : = L M + L l r is the rotor self-inductance. Finally, the electrical and mechanical torques on the rotor are related as follows:
T e T L = J p ω r m + B m ω r m ,
where T L is the mechanical load torque (acting clockwise in Figure 3), J is the rotor inertia, and B m is a loss coefficient associated with windage and friction.

2.2. Compensated Voltz-per-Hertz Control

Due to the fact that IMs generally operate near synchronous speed, ω e (the radial frequency of the electrical source), a common voltage-source control strategy for regulating rotor speed in IMs is accomplished by altering the frequency of the electrical supply voltage. However, this change in frequency must be offset by a change in the voltage source’s magnitude in order to avoid magnetic saturation. To achieve these two objectives, the voltz-per-hertz control strategy [28,29] is designed to keep the magnetic flux in the motor constant; this is achieved by holding the following ratio constant:
V s ω e = V b ω b ,
where V s is the (rms) magnitude of the voltage source; V b and ω b are the rated (“base”) voltage (rms) magnitude and frequency, respectively. An improvement upon basic volts-per-hertz control that improves performance at lower speeds is the compensated voltz-per-hertz (CVHz) strategy [28]. In CVHz, the voltage source amplitude V s is updated to compensate for the voltage drop across the stator resistance as follows:
V s = V b r ^ s 2 + ω e 2 L ^ s s 2 r ^ s 2 + ω b 2 L ^ s s 2 ,
where L s s : = L M + L l s is the stator self-inductance, and r ^ s and L ^ s s are estimated stator resistance and self-inductance, respectively. The CVHz also includes current feedback to determine the electrical frequency in order to reduce the speed error of the control. The synchronous speed is computed as follows:
ω e = ω r * + a b max ( 0 , ω r * 2 + X c o r r ) 2
where ω r * is the commanded rotor speed, X c o r r = H L P F ( s ) χ c o r r is a correction factor where H L P F ( s ) is a low-pass filter transfer function, and the following is the case:
χ c o r r = 3 P ( v q s e * i q s e 2 r s I s 2 ) K t v ,
where the constant K t v in (21) is computed as follows:
K t v = 3 P L M 2 V b 2 2 r r ( r s 2 + ω b 2 L s s 2 )
and the (rms) source current I s in (21) is computed as follows.
I s = 1 2 ( i q s e ) 2 + ( i d s e ) 2 .
A block diagram of the CVHz strategy is shown in Figure 5.
In Figure 5, the commanded mechanical rotor speed ω r m * is used to obtain electrical frequency, ω e , and voltage magnitude, V s . The slew rate limiter (SRL) limits the ramp rate of the commanded speed within limits α min and α max . Note that reference frame transformation of the stationary current variables is specified as the synchronous reference frame, i.e., ω = ω e ; this is indicated by the superscript ’e’ on q d current and voltage variables. The electrical position angle θ e is obtained by integrating the electrical angular frequency ω e and bounding its range to [ 0 , 2 π ) through the update ω e ω e ( mod   2 π ) . Realization of the commanded voltages in the converter is depicted in Figure 6.
In Figure 6, the desired balanced phase voltages in the stationary reference frame, v a b c s * , are obtained by the inverse transformation v a b c s * = K s 1 ( θ e ) v q d 0 s e * ; these desired voltages are then synthesized by the switching states T derived by the ’Voltage Control,’ e.g., implementing pulse-width or space-vector modulation [30] to invert DC input voltage v d c .

2.3. Indirect Field-Oriented Control

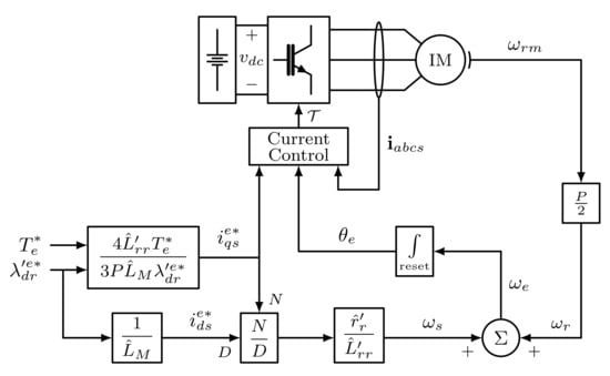
Another IM control technique referred to in this paper is a current-control strategy called indirect field-oriented control (IDFOC). Field-oriented control methods generally operate by establishing and maintaining orthogonality between rotor flux and current vectors, expressed in the q d reference frame [29]. The ’indirect’ method of field-oriented control refers to the lack of direct magnetic flux sensing in the motor, which eliminates the expense of the sensors; rather, flux is estimated in the control algorithm. Derivation of the control equations to achieve conditions for orthogonality are given in [28]; a summary of the control and interface to the converter is depicted in block diagram form in Figure 7.
In Figure 7, T e * and λ d r e * are the commanded electromagnetic torque and d axis rotor flux linkage in the synchronous reference frame, respectively; these quantities serve as inputs to the control algorithm; i q s e * and i d s e * are derived stator current commands for the q and d axis in the synchronous reference frame, respectively; r ^ r , L ^ r r , and L ^ M are estimated values for rotor winding resistance, rotor self inductance, and mutual inductance, respectively; ω s : = ω e ω r is the slip speed. The power-electronic converter provides balanced three-phase AC currents to the stator winding of the IM. Switching states, T , are computed in the ’Current Control’ block to ensure the desired currents match the measured currents, e.g., achieved by a hysteresis-band switching scheme. The commanded torque in Figure 7 is obtained from a speed control loop, such as the one shown in Figure 8.
In Figure 8, K s c p and K s c i are the proportional and integral gains of the speed control, respectively; max and min are the maximum and minimum electromagnetic torques, respectively.

3. Speed and Position Synchronization

As shown in Figure 2a, in the DCMM architecture, each mechanical actuation line is supplied by a dedicated power-electronic converter. Although each actuator may experience a different force/torque, voltage (current) control of the converters may be implemented independently to supply the appropriate commanded voltage (current) waveform magnitudes and phase shifts to achieve position synchronization.
In the CCMM architecture in Figure 2b, however, the central power-electronic converter supplies all of the mechanical actuation lines of the system in parallel. Converter output voltages are, therefore, applied to the stator terminals of each IM equally, with total phase current distributed among the motors. Therefore, in order to achieve position synchronization in CCMM under unequal mechanical forces, the feedback control method proposed herein changes the effective input impedance of the IMs independently in order to enable control of rotor speeds and positions.
Induction machines are designed to operate under rated load near—but not exactly at—the `synchronous’ speed ω r = ω e . From (17), the steady-state equilibrium of the motor (neglecting windage and friction) is achieved when T e = T L . Figure 9 illustrates steady-state electromagnetic torque versus normalized rotor speed, for a 15 hp (11.19 kW) induction machine (see Appendix A for the motor parameters).
In Figure 9, the dashed line represents the applied load torque. The steady-state operating speed, ω r , s s , can be found by the intersection of the electromagnetic torque curve and the load torque on the negative slope of the T e curve (the restriction to negative slopes on the T e curve is required to ensure stable equilibrium; see [28]).
Examination of Figure 9 indicates a method to alter steady-state rotor speed in an IM for a given load torque. In particular, if the slope of the T e curve near synchronous speed (i.e., ω r / ω e = 1 ) is modified, the corresponding steady-state rotor speed will also be altered. One method to achieve a change in the slope of the T e curve is by adding variable external stator resistances in series with the stator windings, which changes the steady-state motor input impedance observed by the power supply (refer to Figure 4). Figure 10 illustrates this concept for various values of external stator resistance.
As shown in Figure 10, increasing the external stator resistance—which changes the total machine input impedance seen by the source—results in a decreasing slope of the equivalent T e vs. speed curve. The observations described in the foregoing provide the motivation for the simultaneous speed and position synchronization approach for parallel IMs in a CCMM architecture in this research. In particular, simultaneous speed and position synchronization in a CCMM topology with unequal torque loads on each motor can be achieved through a combination of speed control utilizing a primary voltage or control strategy (e.g., CVHz or IDFOC) with position synchronization achieved by independent feedback control of variable external three-phase resistances in series with each IM in the system.
Control of the inline stator resistances can be achieved by physical means (e.g., linear or rotary rheostat mechanisms) or by using power-electronic circuitry, where the electronic switches are rated for the current on a single motor phase. In the case studies that follow, the power-electronic circuit with bi-directional MOSFET arrangement shown in Figure 11 was used to vary inline stator resistances.
In Figure 11, r s and C s are the snubber resistance and capacitance, respectively, across the back-to-back MOSFETs; i x s and r x s are the current and (nominal) resistance of stator phase x, respectively; and r is the ’base’ external resistance. The MOSFETs receive the same PMW (fully on or fully off) signal; the bi-directional arrangement allows current to flow in the stator in both directions. Neglecting snubber impedance, the circuit in Figure 11 places either base resistance r or 0 Ω in series with the nominal stator resistance. By modulation of the PWM duty cycle, a desired external resistance can be achieved in a fast-average sense, where the fast-average of a signal f ( t ) is defined as follows:
f ¯ ( t ) : = 1 T s 0 T s f ( t ) d t ,
where the bar over f ( t ) denotes fast-average, and T s = 1 / f s is the time period of the PWM switching cycle with frequency f s .
Consider the CCMM system depicted in Figure 2b. Suppose external variable resistances are added in series with the three stator windings for each of the N motors. The fast-average external resistance of motor n N (assumed to be the same for each phase of motor n) is denoted r ¯ e , n ( t ) . As indicated in Figure 9 and Figure 10, an increase in external resistance of a motor will decrease the slope of its T e curve and, therefore, act to reduce its rotor speed. The first step in the control method is to identify the motor to be designated as ’primary’; index p N is used to designate this motor. The voltage/current control on the central converter uses measurements obtained on motor p for implementation of its primary speed control feedback algorithm. The sets of indices S = N { p } = { s 1 , s 2 , , s N 1 } are used to designate all other (’secondary’) motors.
Now, define the primary and secondary mechanical angular position vectors as follows:
θ r m , p = 1 θ r m , p = [ θ r m , p θ r m , p ] , θ r m , s = [ θ r m , s 1 θ r m , s N 1 ] ,
where 1 is an N 1 dimensional vector of ones, θ r m , p is the angular position of the primary motor, and θ r m , s i , s i S are the angular positions of the secondary motors.
For the CCMM system depicted in Figure 2b, let T be the set of transistor states of the central converter, and U n denotes the sets of transistor states for the inline resistance circuit of motor n. The central control problem for simultaneous speed and position synchronization is to determine the switching states T and U n in order to achieve the conditions:
ω r m , n = ω r m * , n N ,
where ω r m * is the commanded mechanical rotor speed and
Δ θ r m : = | | θ r m , p θ r m , s | | 2 0 ,
where Δ θ r m is the ’normed’ angle difference, and | | · | | 2 is the vector 2 -norm. Denote the ’individual’ angular differences, referenced between secondary and primary motors, as follows:
δ θ r m , s i ( t ) = θ r m , s i θ r m , p ,
where
θ r m , s i ( t ) = 0 t ω r m , s i ( τ ) d τ + θ r m , s i ( 0 ) , s i S
θ r m , p ( t ) = 0 t ω r m , p ( τ ) d τ + θ r m , p ( 0 ) ,
and θ r m , s i ( 0 ) and θ r m , p ( 0 ) are the initial mechanical angular position references for the secondary and primary motors, respectively; in (29), the t = 0 reference indicates when the primary and secondary motor designations are assigned.
The position synchronization condition between all secondary rotor angles and the primary rotor angle stated in (27) can be achieved by using δ θ r m , s i to determine the duty cycle to achieve r ¯ e , s i , e.g., using proportional-integral (PI) feedback control. In particular, the duty cycles for the external variable resistance circuit, D e , s i , of the secondary motors are updated via PI feedback as follows:
D e , s i = K P , s i δ θ r m , s i + K I , s i δ θ r m , s i d t , s i S
where K P , s i is the proportional gain, and K I , s i is the integral gain of the PI controller for secondary motor s i S . During the update in (30), the duty cycle for the external resistance for the primary motor, D e , p , is held at a constant value (the value it had when the motor was designated as primary). Note that while various control strategies could be used to determine the duty cycle of the external resistance signals, in this paper the PI control in (30) was used for its simplicity for initial feasibility and proof-of-concept of the CCMM position synchronization scheme.
Numerical case studies demonstrating the control approach outlined above are described in the following section.

4. Validation Studies

This section describes transient simulation studies used to numerically validate the control strategy outlined in Section 3, applied to the CCMM drive with parallel IMs and unequal torque loads under various control and operating conditions. In the case studies that follow, time-domain simulations were performed in MATLAB®, version R2021b. The central converter was modeled as a six-switch, four-quadrant inverter with ideal (fully on or fully off) switches. The external resistor circuits were also modeled as ideal switches, and snubbing was neglected; it was also assumed herein that the value of r in Figure 11 was suitably large to meet the desired r ¯ e . In the first two case studies, the CCMM system contained three actuation lines. The drive motor for each actuation line consisted of identical 15 hp IMs. Motor n = 1 was arbitrarily selected to be the primary motor in these studies; motors n = { 2 , 3 } served as secondary motors. The mechanical load connected to each drive motor shaft was represented by an equivalent load torque. Parameters for the motors and all control algorithms used in these studies are listed in the Appendix A.

4.1. Case Study I: Unequal Torque Loads with Voltage-Controlled Drive

In this case study, all IMs were driven by the central converter using the CVHz strategy described in Section 2.2 and depicted in Figure 5 and Figure 6 in combination with the position synchronization scheme outlined in Section 3. Converter switching states for implementing the voltage control were generated using sine-triangle modulation with third harmonic injection [28].
In this study, the commanded speed of ω r m * = 188.5 rad/s was first applied at t = 0.1 s, with zero torque load applied to each motor. After reaching steady-state commanded rotor speed, at t = 4 s, torque loads of T L , 1 = 1.0 T rated , T L , 2 = 0,8 T rated , T L , 3 = 0.7 T rated were then applied, where T rated = 61.1 N·m was the torque rating of the (identical) IMs. Transient responses are shown in Figure 12, Figure 13, Figure 14, Figure 15, Figure 16, Figure 17, Figure 18 and Figure 19.
Figure 12 shows mechanical rotor speed for all motors including the initial start-up period; Figure 13 provides a zoomed-in view of the response after the unequal torque loads are applied. As shown in Figure 13, the transient rotor response resolves in approximately 2 s. All IM rotor speeds reach approximately 187.6 rad/s after reaching steady-state; the small steady-state speed error (0.5%) is a result of the open-loop speed control used in this study (see Figure 5).
In Figure 14, a phase stator currents are shown for all motors. After 4 s, the motor currents display different peak currents; these differences correspond to the application of unequal load torques and differences in motor input impedances.
Figure 15 shows electromagnetic torque for all motors. The initial electromagnetic torques ( t < 4 s) are responsible for the initial acceleration of the motors. After t = 4 s, each motor produces a different electromagnetic torque response, corresponding to the differences in load torques and motor input impedances.
Individual rotor angle differences for the secondary motors, referenced from the primary motor, are shown in Figure 16. Just after t = 4 s, synchronization errors are initially observed before being resolved by the proposed control scheme after approximately 1.5 s. The initial transient angular difference behavior is a result of unequal applied load torques; larger torque differences between primary motor load torque and each secondary motor load torque results in a correspondingly higher peak transient angle difference. In this case study, the maximum angle differences relative to the second and third motor, respectively, were 13.1 and 22.1 deg.
Figure 17 shows the normed angle error; the normed error was observed to reach a peak value of 25.7 deg after the load torques are applied. As shown in Figure 17, the normed error is then driven to zero by the proposed control; Δ θ r m < 0.5 deg approximately 1.5 s after the torques are applied, eventually converging to Δ θ r m 0 .
Figure 18 and Figure 19 show the time-domain and fast-average values of the external in-line resistances (phase a) for the two secondary motors, respectively. For t < 4 s, no external resistance is needed since the load torques are balanced (all zero). For t 4 s, the average external resistances are applied in order to provide position synchronization; higher differences between primary load torque and secondary load torque result in a higher value of average external resistance in order to ensure steady-state position synchronization.

4.2. Case Study II: Unequal Torque Loads with Current-Controlled Drive

In this case study, the IMs were all driven by the central converter using the IDFOC control strategy described in Section 2.3 and depicted in Figure 7 and Figure 8 in combination with the position synchronization scheme described in Section 3. Switching states of the converter to achieve the desired current commands in this case study were generated by using a hysteresis-band modulation strategy [28].
The identical speed commands and torque loading conditions used in case study I where applied to the IMs after reaching steady-state and again at t = 4 s. Transient responses are shown in Figure 20, Figure 21, Figure 22, Figure 23, Figure 24, Figure 25 and Figure 26.
Figure 20 shows the mechanical rotor speed for all motors including the initial start-up period; Figure 21 provides a zoomed-in view of the response after the unequal torque loads are applied at t = 4 s. As shown in Figure 21, the transient rotor response resolves in approximately 2 s. All IM rotor speeds reached approximately 188.5 rad/s in the steady-state; close speed tracking (compared to the previous case study) was a result of the closed-loop speed control used in this study (see Figure 8).
In Figure 22, a phase stator currents are shown for all motors. After t = 4 s, the motor currents display different peak currents; these differences correspond to the application of unequal load torques.
Figure 23 shows electromagnetic torque for all motors. The initial electromagnetic torques ( 2 t < 4 s) is zero for all motors since they have already reached free-acceleration speed (refer to Figure 20). After t = 4 s, each motor produces a different electromagnetic torque response, corresponding to the differences in load torques and motor impedances.
Individual rotor angle differences for the secondary motors, referenced from the primary motor, are shown in Figure 24. Just after t = 4 s, synchronization errors are initially observed before being resolved by the proposed control scheme after approximately 1.5 s. As in the previous case study, transient angular difference behavior in the IDFOC with combined synchronization control is a result of unequal applied load torques; larger torque differences between primary motor load torque and each secondary motor load torque result in a correspondingly higher peak transient angle difference. In this case study, the maximum angle differences relative to the second and third motor were 15.7 and 26.4 deg, respectively.
Figure 25 shows the normed angle error; the normed error was observed to reach a peak value of 30.7 deg after the load torques are applied. As shown in Figure 25, the normed error is then driven to zero by the proposed control; Δ θ r m < 0.25 deg approximately 1.5 s after the torques are applied, eventually converging to Δ θ r m 0 .
Finally, Figure 26 shows the fast-average external resistance values (phase a) for the two secondary motors. For t < 4 s, no external resistance is needed since the load torques are balanced (all zero). For t 4 s, external resistances are applied to provide position synchronization; higher differences between primary load torque and secondary load torque result in a higher value of external resistance to ensure steady-state position synchronization.

4.3. Case Study III: Maximum Torque Sufficiency

As described in Section 3 and also indicated in Figure 9 and Figure 10, IM position synchronization achieved by changing external stator resistances results in a subsequent change in the maximum steady-state torque achieved by the motor. It is, therefore, necessary to consider whether the control strategy proposed in this paper ensures that the maximum electromagnetic torque is sufficient to overcome the torque load, even in the case of abrupt changes in load torque. This case study examines maximum torque sufficiency of the approach under an abrupt change in load torque.
Herein, two 15 hp IMs are driven using a CVHz drive (the electrical machine, drive, and its control parameters are identical to those used in case study I). Motor 1 is designated as the primary motor, and motor 2 is designated as the secondary throughout this study. The system starts from a no-load condition. At t = 4 s, the following unbalanced load torques are applied: 1.0 T r a t e d is applied to the primary motor and 0.6 T r a t e d to the secondary. After reaching steady-state and achieving Δ θ r m 0 position synchronization error, the load in the secondary motor is instantaneously stepped to 0.9 T r a t e d at t = 10 s. The resulting dynamic behavior is shown in Figure 27, Figure 28, Figure 29 and Figure 30.
Figure 27 shows the electromagnetic torque of the motors; the electromagnetic of the secondary motor is seen to increase after the step-change in load after t = 10 s.
Figure 28 shows the normed angle error. After the first torque load condition was applied at t = 4 s, the normed error reached a peak of 34.1 deg; after the second load condition at t = 10 s, the maximum normed error was 35.9 deg. As shown in Figure 28, the normed error is driven to zero by the proposed control under both conditions.
Figure 29 shows the fast-average external resistance of the secondary motor (the primary motor resistance is held to zero). The steady-state value of r ¯ e,2 = 1.31   Ω just prior to the step change in load is at t = 10 s; afterwards, the average resistance converges to a decreased steady-state value of r ¯ e,2 = 0.25   Ω . Referring to Figure 10, a decrease in stator resistance results in an increase in maximum torque of the motor, which is also apparent in Figure 27. Therefore, it can be observed that the action of the proposed control in decreasing stator resistance after a change in load torque provides a restoring torque to compensate for an increase in the applied load torque. In order to further illustrate this point, a graphical depiction of the steady-state electromagnetic torque curves (which are a function of average external stator resistance) and the applied torque loads in the study above is shown in Figure 30, demonstrating that the maximum torque for each case is large enough to sufficiently overcome the applied load.

5. Conclusions

In this paper, a control methodology was described to achieve rotor position synchronization in CCMM drives with parallel IMs acting as the actuation motors. Since all of the actuation motors in a CCMM architecture are connected to the central converter in parallel, independent position control was achieved by feedback control of external variable resistors in series with the IM stator windings. The change in total stator resistance of the motors was shown to alter the effective input impedance of the motors, as seen by the converter, in addition to their electromagnetic torque versus speed profile. This ability to alter the electromagnetic torque profile as a function of external stator resistance was used to provide independent adjustment of motor speeds, enabling fine rotor position synchronization by the use of feedback control. While the implementation of resistance control was demonstrated by using power-electronic circuits in this paper, other methods of accomplishing variable resistance could be used.
In addition to its simplicity, a benefit of the proposed position control methodology is that it can be combined with supervisory speed control strategies. In particular, the approach was demonstrated in time-domain numerical case studies using two well-known voltage-control and current-control strategies: Compensated Voltz-per-Hertz and Indirect Field-Oriented Control, respectively. Although the change in external stator resistance results in a potential decrease in maximum torque provided by the motors, an additional case study illustrated how the feedback control automatically accommodates the increases in applied load torque in order to ensure sufficient torque production (up to the torque rating of the machine).
Acknowledged limitations of this paper include the following: (i) employed a simple PI feedback control for resistance updates without a detailed control parameter selection, (ii) did not consider modeling or measurement uncertainties, (iii) modeled the mechanical load as an equivalent torque load (i.e., did not simulate detailed mechanical dynamics), and (iv) demonstrated the methodology in a limited number of case studies. However, the chief objective of this paper was to describe initial results and to propose the general feasibility of the position synchronization approach. The results of these initial case studies indicate that continued refinement of the proposed approach may provide a promising solution for EM-TRAS applications.
Suggested future studies include the development of a comprehensive nonlinear control design to extend this investigation to quantify performance and the stability of position synchronization, consideration of modeling and measurement uncertainties, inclusion of a detailed mechanical model to represent aerodynamic structures and forces in TRAS applications, fault analysis of the combined electrical and mechanical system (cf. [31]), more extensive case studies, and validation of the approach in hardware. Additional future work includes system modeling, trade-off analyses, and hardware validation in order to quantify and compare attributes of EM-TRAS in comparison to traditional TRAS, such as technical function, reliability, safety, space, weight, cost, and other metrics.

Author Contributions

Conceptualization, C.d.A.L., J.C. and K.E.S.; formal analysis, C.d.A.L. and J.C.; investigation, C.d.A.L. and J.C.; methodology, J.C.; resources, K.E.S. and J.C.; software, C.d.A.L.; validation, C.d.A.L.; writing—original draft preparation, J.C. and C.d.A.L.; writing—review and editing, J.C.; funding acquisition, K.E.S. and J.C. All authors have read and agreed to the published version of the manuscript.

Funding

This work was supported by Woodward, Inc., Fort Collins, CO (USA), under a Bi-Directional Master Research and Development Agreement between Woodward, Inc. and The Board of Governors of the Colorado State University System.

Acknowledgments

The authors wish to thank Woodward, Inc. for their generous sponsorship of this research. We also thank the editorial reviewers of this manuscript for their thorough and thoughtful feedback.

Conflicts of Interest

The authors declare no conflict of interest.

Nomenclature

In this paper, bold letters are used to denote matrices or vectors; non-bold letters are used for scalar quantities; subscripts are used to index electrical phase or device numbers; superscripts are used to denote reference frame; { · } T represents the matrix transpose operator; | · | symbolizes the absolute value of a real number or cardinality of a set; { · } ˜ denotes a phasor quantity; R e { · } and I m { · } symbolize the real and imaginary parts of a complex number, respectively; | | · | | represents the magnitude of a complex number; { · } * denotes complex conjugation or commanded variable, depending on the context; { · } ^ denotes estimated parameter or variable; { · } ¯ denotes the average of a variable; and p : = d d t { · } denotes the time derivative operator, j : = 1 . The compact notation is as follows:
f a b c x : = f a x f b x f c x T ,
where f can represent voltage, current, or flux linkage, subscript a (b or c) represents electrical phase a (b or c), and x { s , r } is a label representing stator (s) or rotor (r) variables.

Abbreviations

CCMMCentral-Converter Multi-motor
CVHzCompensated Voltz-per-Hertz
DCMMDistributed-Converter Multi-motor
EM-TRASElectromagnetic Thrust Reverse Actuation System
IDFOCIndirect field-oriented control
IMInduction Machine
TRASThrust Reverse Actuation System
MEAMore Electric Aircraft
PWMPulse-width Modulation
PIProportional-Integral
SLRSlew-rate Limiter

Appendix A

Table A1. Parameters for 15 hp Induction Machine.
Table A1. Parameters for 15 hp Induction Machine.
DescriptionSymbolValue
Machine polesP4
Rated torque T r a t e d 61.1 (N·m)
Stator resistance r s 0.06 ( Ω )
Rotor resistance (referred) r r 0.15 ( Ω )
Stator leakage inductance L s 1.17 (mH)
Rotor leakage inductance (referred) L r 1.14 (mH)
Magnetizing inductance L M 33.4 (mH)
Windage and friction loss coefficient B m 5.41 × 10 4 ( N·m·s)
Rotor inertiaJ 0.45 ( kg·m 2 )
Table A2. Parameters for Speed Control.
Table A2. Parameters for Speed Control.
DescriptionSymbolValue
Speed control proportional gain K s c p 26.7 (N·m·s/rad)
Speed control integral gain K s c i 8.33 (1/s)
Table A3. Parameters for Compensated Volts-per-Hertz Control.
Table A3. Parameters for Compensated Volts-per-Hertz Control.
DescriptionSymbolValue
Low-pass filter time constant τ L P F 0.1 (s)
Slew-rate limiter minimum α min −75.4  (rad/s 2 )
Slew-rate limiter maximum α max 75.4  (rad/s 2 )
Base rotor speed ω b 377  (rad/s)
Base voltage (rms) V b 139  (V)
Converter DC input voltage v d c 339  (V)
PWM switching frequency f s 3  (kHz)
Table A4. Parameters for Indirect Field-Oriented Control.
Table A4. Parameters for Indirect Field-Oriented Control.
Torque command limiter upper maximum T e , max 2 T r a t e d
Torque command limiter lower maximum T e , min 2 T r a t e d
Hysteresis band current tolerance h b 0.1 (A)
Converter DC input voltage v d c 339 (V)
Table A5. Parameters for External Resistor Circuit and Control.
Table A5. Parameters for External Resistor Circuit and Control.
DescriptionSymbolValue
Proportional gain K P , 2 30 ( Ω /rad)
Integral gain K I , 2 60 ( Ω /rad·s)
Proportional gain K P , 3 30 ( Ω /rad)
Integral gain K I , 3 60 ( Ω /rad·s)
Base resistancer1.5 ( Ω )
PWM switching frequency f s 5 (kHz)

References

  1. Rosero, J.; Ortega, J.; Aldabas, E.; Romeral, L. Moving towards a more electric aircraft. IEEE Aerosp. Electron. Syst. Mag. 2007, 22, 3–9. [Google Scholar]
  2. Barzkar, A.; Ghassemi, M. Electric Power Systems in More and All Electric Aircraft: A Review. IEEE Access 2020, 8, 169314–169332. [Google Scholar] [CrossRef]
  3. Wheeler, P.; Bozhko, S. The More Electric Aircraft: Technology and challenges. IEEE Electrif. Mag. 2014, 2, 6–12. [Google Scholar] [CrossRef]
  4. Ni, K.; Liu, Y.; Mei, Z.; Wu, T.; Hu, Y.; Wen, H.; Wang, Y. Electrical and Electronic Technologies in More-Electric Aircraft: A Review. IEEE Access 2019, 7, 76145–76166. [Google Scholar] [CrossRef]
  5. Roboam, X.; Sareni, B.; Andrade, A.D. More Electricity in the Air: Toward Optimized Electrical Networks Embedded in More-Electrical Aircraft. IEEE Ind. Electron. Mag. 2012, 6, 6–17. [Google Scholar] [CrossRef] [Green Version]
  6. Emadi, K.; Ehsani, M. Aircraft power systems: Technology, state of the art, and future trends. IEEE Aerosp. Electron. Syst. Mag. 2000, 15, 28–32. [Google Scholar] [CrossRef]
  7. AbdElhafez, A.; Forsyth, A. A review of more-electric aircraft. In Proceedings of the International Conference on Aerospace Sciences and Aviation Technology (ASAT), Cairo, Egypt, 26–28 May 2009; Volume 13, pp. 1–13. [Google Scholar]
  8. Bennouna, O.; Langlois, N. Modeling and simulation of electromechanical actuators for aircraft nacelles. In Proceedings of the 2013 9th International Symposium on Mechatronics and its Applications (ISMA), Amman, Jordan, 9–11 April 2013; pp. 1–5. [Google Scholar] [CrossRef]
  9. Debiane, A.; Daclat, J.; Denis, R.; Dauphin-Tanguy, G.; Mare, J. PRESAGE: Virtual testing platform application to thrust reverser actuation system. In Proceedings of the 3rd International Conference on Systems and Control, Algiers, Algeria, 29–31 October 2013; pp. 1127–1133. [Google Scholar] [CrossRef]
  10. Grasselt, D.; Höschler, K. Safety assessment of aero engine thrust reverser actuation systems. In Proceedings of the 22nd International Symposium on Air Breathing Engines (ISABE-2015), Phoenix, AZ, USA, 25–30 October 2015. [Google Scholar]
  11. Valenzuela, M.A.; Lorenz, R.D. Electronic line-shafting control for paper machine drives. IEEE Trans. Ind. Appl. 2001, 37, 158–164. [Google Scholar] [CrossRef]
  12. Perez-Pinal, F.J. Improvement of the electronic line-shafting. In Proceedings of the 2004 IEEE 35th Annual Power Electronics Specialists Conference (IEEE Cat. No.04CH37551), Aachen, Germany, 20–25 June 2004; Volume 5, pp. 3260–3265. [Google Scholar] [CrossRef]
  13. Perez-Pinal, F.J.; Nunez, C.; Alvarez, R.; Cervantes, I. Comparison of multi-motor synchronization techniques. In Proceedings of the 30th Annual Conference of IEEE Industrial Electronics Society, Busan, Korea, 2–6 November 2004; Volume 2, pp. 1670–1675. [Google Scholar] [CrossRef]
  14. Kelecy, P.M.; Lorenz, R.D. Control methodology for single inverter, parallel connected dual induction motor drives for electric vehicles. In Proceedings of the 1994 Power Electronics Specialist Conference-PESC’94, Taipei, Taiwan, 20–25 June 1994; Volume 2, pp. 987–991. [Google Scholar]
  15. Matsuse, K.; Kawai, H.; Kouno, Y.; Oikawa, J. Characteristics of speed sensorless vector controlled dual induction motor drive connected in parallel fed by a single inverter. IEEE Trans. Ind. Appl. 2004, 40, 153–161. [Google Scholar]
  16. Ghani, P.; Arasteh, M.; Tayebi, H.R. Analysis of electromechanical model of traction system with single inverter dual induction motor. In Proceedings of the 2016 7th Power Electronics and Drive Systems Technologies Conference (PEDSTC), Tehran, Iran, 16–18 February 2016; pp. 99–104. [Google Scholar]
  17. Joshi, B.M.; Chandorkar, M.C. Two-motor single-inverter field-oriented induction machine drive dynamic performance. Sadhana 2014, 39, 391–407. [Google Scholar]
  18. Jafari, M.; Abbaszadeh, K.; Mohamadian Mustafa, M. A novel DTC-SVM approach for two parallel-connected induction motors fed by matrix converter. Turk. J. Electr. Eng. Comput. Sci. 2018, 26, 1599–1611. [Google Scholar]
  19. Gunabalan, R.; Sanjeevikumar, P.; Blaabjerg, F.; Wheeler, P.W.; Ojo, O.; Ertas, A.H. Speed sensorless vector control of parallel-connected three-phase two-motor single-inverter drive system. FACETS 2017, 1, 1–16. [Google Scholar]
  20. Gunabalan, R.; Sanjeevikumar, P.; Blaabjerg, F.; Ojo, O.; Subbiah, V. Analysis and Implementation of Parallel Connected Two-Induction Motor Single-Inverter Drive by Direct Vector Control for Industrial Application. IEEE Trans. Power Electron. 2015, 30, 6472–6475. [Google Scholar] [CrossRef]
  21. Gunabalan, R.; Subbiah, V.; Sanjeevikumar, P. Vector control of three-phase parallel connected two motor single inverter speed sensorless drive. Turk. J. Electr. Eng. Comput. Sci. 2016, 24, 4027–4041. [Google Scholar] [CrossRef]
  22. Gunabalan, R.; Subbiah, V. Speed -Sensorless Vector Control of Parallel Connected Induction Motor Drive Fed by a Single Inverter using Natural Observer. Int. J. Electr. Comput. Eng. 2010, 4, 1193–1198. [Google Scholar]
  23. Gunabalan, R.; Subbiah, V. Single Inverter Fed Speed Sensorless Vector Control of Parallel Connected Two Motor Drive. Automatika 2016, 57, 416–427. [Google Scholar] [CrossRef]
  24. Perez-Pinal, F.J.; Nunez, C.; Alvarez, R. A Novel Speed Control Approach in Parallel-Connected Induction Motor by using a single inverter and Electronic Virtual Line-Shafting. In Proceedings of the 2005 IEEE 36th Power Electronics Specialists Conference, Dresden, Germany, 16 June 2005; pp. 1339–1345. [Google Scholar] [CrossRef]
  25. Perez-Pinal, F.J.; Nunez, C.; Alvarez, R. Multi-motor synchronization technique applied in traction devices. In Proceedings of the IEEE International Conference on Electric Machines and Drives, San Antonio, TX, USA, 15 May 2005; pp. 1542–1548. [Google Scholar]
  26. Gratzfeld, P.; Skudelny, H. Dynamic performance of two parallel-connected induction machines for traction drives. In Proceedings of the IEEE Industry Applications Society (IEEE-IAS) Annual Meeting, Chicago, IL, USA; 1984; pp. 287–295. [Google Scholar]
  27. Polcuch, E.A. Near Synchronous Controlled Induction Motor Drive Actuation System. U.S. Patent 9,190,942 B2, 17 November 2015. [Google Scholar]
  28. Krause, P.C.; Wasynczuk, O.; Sudhoff, S.D.; Pekarek, S. Analysis of Electric Machinery and Drive Systems; Wiley Online Library: Hoboken, NJ, USA, 2002; Volume 2. [Google Scholar]
  29. Jannati, M.; Anbaran, S.A.; Asgari, S.H.; Goh, W.Y.; Monadi, A.; Aziz, M.J.A.; Idris, N.R.N. A review on Variable Speed Control techniques for efficient control of Single-Phase Induction Motors: Evolution, classification, comparison. Renew. Sustain. Energy Rev. 2017, 75, 1306–1319. [Google Scholar]
  30. Krein, P. Elements of Power Electronics, 2nd ed.; Oxford University Press: Oxford, UK, 2014. [Google Scholar]
  31. Djeziri, M.; Benmouss, S.; Sanchez, R. Hybrid method for remaining useful life prediction in wind turbine systems. Renew. Energy 2018, 116, 173–187. [Google Scholar]
Figure 1. Notional illustration of pivoting-door TRAS.
Figure 1. Notional illustration of pivoting-door TRAS.
Energies 14 07485 g001
Figure 2. Notional depiction of DCMM (a) and CCMM (b) architecture.
Figure 2. Notional depiction of DCMM (a) and CCMM (b) architecture.
Energies 14 07485 g002
Figure 3. Cross section of a three-phase, two-pole induction machine.
Figure 3. Cross section of a three-phase, two-pole induction machine.
Energies 14 07485 g003
Figure 4. Induction machine equivalent q d 0 circuits with external variable stator resistance r e .
Figure 4. Induction machine equivalent q d 0 circuits with external variable stator resistance r e .
Energies 14 07485 g004
Figure 5. Block diagram of the compensated volts-per-hertz control algorithm.
Figure 5. Block diagram of the compensated volts-per-hertz control algorithm.
Energies 14 07485 g005
Figure 6. Compensated volts-per-hertz control drive block diagram.
Figure 6. Compensated volts-per-hertz control drive block diagram.
Energies 14 07485 g006
Figure 7. Indirect field-oriented control drive block diagram.
Figure 7. Indirect field-oriented control drive block diagram.
Energies 14 07485 g007
Figure 8. Closed-loop speed control block diagram.
Figure 8. Closed-loop speed control block diagram.
Energies 14 07485 g008
Figure 9. Steady-state torque vs. normalized speed curve indicating steady-state operating speed, ω r , s s , for applied torque load, T L .
Figure 9. Steady-state torque vs. normalized speed curve indicating steady-state operating speed, ω r , s s , for applied torque load, T L .
Energies 14 07485 g009
Figure 10. Steady-state torque vs. speed for different values of external stator resistance.
Figure 10. Steady-state torque vs. speed for different values of external stator resistance.
Energies 14 07485 g010
Figure 11. Circuit for achieving a desired average external stator resistance.
Figure 11. Circuit for achieving a desired average external stator resistance.
Energies 14 07485 g011
Figure 12. Mechanical rotor velocities including start-up; voltage-source control.
Figure 12. Mechanical rotor velocities including start-up; voltage-source control.
Energies 14 07485 g012
Figure 13. Mechanical rotor velocities (zoomed in); voltage-source control.
Figure 13. Mechanical rotor velocities (zoomed in); voltage-source control.
Energies 14 07485 g013
Figure 14. Phase a stator currents; voltage-source control.
Figure 14. Phase a stator currents; voltage-source control.
Energies 14 07485 g014
Figure 15. Electromagnetic torques; voltage-source control.
Figure 15. Electromagnetic torques; voltage-source control.
Energies 14 07485 g015
Figure 16. Individual angle differences; voltage-source control.
Figure 16. Individual angle differences; voltage-source control.
Energies 14 07485 g016
Figure 17. Normed angle difference; voltage-source control.
Figure 17. Normed angle difference; voltage-source control.
Energies 14 07485 g017
Figure 18. External resistances (phase a); voltage-source control.
Figure 18. External resistances (phase a); voltage-source control.
Energies 14 07485 g018
Figure 19. Fast-average external resistance values (phase a); voltage-source control.
Figure 19. Fast-average external resistance values (phase a); voltage-source control.
Energies 14 07485 g019
Figure 20. Mechanical rotor velocities including start-up; current-source control.
Figure 20. Mechanical rotor velocities including start-up; current-source control.
Energies 14 07485 g020
Figure 21. Mechanical rotor velocities (zoomed in); current-source control.
Figure 21. Mechanical rotor velocities (zoomed in); current-source control.
Energies 14 07485 g021
Figure 22. Phase a stator currents; current-source control.
Figure 22. Phase a stator currents; current-source control.
Energies 14 07485 g022
Figure 23. Electromagnetic torques; current-source control.
Figure 23. Electromagnetic torques; current-source control.
Energies 14 07485 g023
Figure 24. Individual angle differences; current-source control.
Figure 24. Individual angle differences; current-source control.
Energies 14 07485 g024
Figure 25. Normed angle difference; current-source control.
Figure 25. Normed angle difference; current-source control.
Energies 14 07485 g025
Figure 26. Fast-average external resistance values; current-source control.
Figure 26. Fast-average external resistance values; current-source control.
Energies 14 07485 g026
Figure 27. Electromagnetic torque: torque sufficiency study.
Figure 27. Electromagnetic torque: torque sufficiency study.
Energies 14 07485 g027
Figure 28. Normed angle difference: torque sufficiency study.
Figure 28. Normed angle difference: torque sufficiency study.
Energies 14 07485 g028
Figure 29. External stator resistance of secondary motor: torque sufficiency study.
Figure 29. External stator resistance of secondary motor: torque sufficiency study.
Energies 14 07485 g029
Figure 30. Electromagnetic torque of secondary motor for different values of average external stator resistance: torque sufficiency study.
Figure 30. Electromagnetic torque of secondary motor for different values of average external stator resistance: torque sufficiency study.
Energies 14 07485 g030
Publisher’s Note: MDPI stays neutral with regard to jurisdictional claims in published maps and institutional affiliations.

Share and Cite

MDPI and ACS Style

Lima, C.d.A.; Cale, J.; Shahroudi, K.E. Rotor Position Synchronization in Central-Converter Multi-Motor Electric Actuation Systems. Energies 2021, 14, 7485. https://doi.org/10.3390/en14227485

AMA Style

Lima CdA, Cale J, Shahroudi KE. Rotor Position Synchronization in Central-Converter Multi-Motor Electric Actuation Systems. Energies. 2021; 14(22):7485. https://doi.org/10.3390/en14227485

Chicago/Turabian Style

Lima, Cláudio de Andrade, James Cale, and Kamran Eftekhari Shahroudi. 2021. "Rotor Position Synchronization in Central-Converter Multi-Motor Electric Actuation Systems" Energies 14, no. 22: 7485. https://doi.org/10.3390/en14227485

APA Style

Lima, C. d. A., Cale, J., & Shahroudi, K. E. (2021). Rotor Position Synchronization in Central-Converter Multi-Motor Electric Actuation Systems. Energies, 14(22), 7485. https://doi.org/10.3390/en14227485

Note that from the first issue of 2016, this journal uses article numbers instead of page numbers. See further details here.

Article Metrics

Back to TopTop