Hybrid Energy Storage System with Vehicle Body Integrated Super-Capacitor and Li-Ion Battery: Model, Design and Implementation, for Distributed Energy Storage
Abstract
:1. Introduction
2. Concept of Body Integration
3. Analysis of Energy Storage Devices
3.1. Li-Ion Polymer Battery
3.2. Super-Capacitor
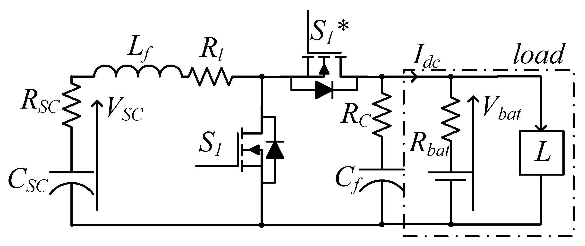
4. Power Converter Analysis
4.1. Discharging Mode Analysis
4.2. Charging or Regenerative Mode
5. Sizing, Design and Performance Indices of the HESS
Performance Indices
6. Control Strategy and Implementation
7. Results and Discussion
8. Conclusions
Author Contributions
Funding
Conflicts of Interest
Abbreviations
| EDLC | Electric double layer capacitors |
| ESD | Energy storage device |
| EV | Electric vehicle |
| SC | Super-capacitor |
| BISC | Body integrated super-capacitor |
| CCM | Continuous current mode |
| BIC | Bi-directional interleaved converter |
| SOC | State-of-charge |
| HESS | Hybrid energy storage system |
| OCV | Open circuit voltage |
| DOD | Depth of discharge |
| BMS | Battery management system |
| SCMS | Super-capacitor management system |
| VCU | Vehicular controller unit |
| SCMU | Super-capacitor management unit |
| BMU | Battery management unit |
| PV | Photo-voltaic |
| Battery voltage (V) | |
| Battery current (A) | |
| Battery series resistance () | |
| Discharge period (s) | |
| Nominal capacity (Ah) | |
| Remaining capacity (Ah) | |
| Super-capacitor voltage (V) | |
| Capacitance of SC (F) | |
| Super-capacitor current (A) | |
| Super-capacitor internal resistance () | |
| Energy stored in the SC (J) | |
| BIC output voltage (V) | |
| BIC output current (A) | |
| Filter inductance (H) | |
| Series resistance of inductor () | |
| Inductor current (A) | |
| BIC output resistance during discharge () | |
| Linear output capacitance of MOSFET (F) | |
| D | Duty cycle of the converter |
| Switching frequency of the converter (Hz) | |
| Filter capacitances (F) | |
| Series resistance of capacitor () | |
| Low side MOSFET | |
| High side MOSFET | |
| MOSFET on-state resistance () | |
| Efficiency | |
| Net power loss (W) | |
| Output power (W) | |
| Switching loss (W) | |
| K | () |
| Total energy consumed (J) | |
| Buck mode output voltage (V) |
References
- Khaligh, A.; Li, Z. Battery, ultracapacitor, fuel cell, and hybrid energy storage systems for electric, hybrid electric, fuel cell, and plug-in hybrid electric vehicles: State of the art. IEEE Trans. Veh. Technol. 2010, 59, 2806–2814. [Google Scholar] [CrossRef]
- Emadi, A.; Williamson, S.S.; Khaligh, A. Power electronics intensive solutions for advanced electric, hybrid electric, and fuel cell vehicular power systems. IEEE Trans. Power Electron. 2006, 21, 567–577. [Google Scholar] [CrossRef]
- Li, W.; Joós, G.; Bélanger, J. Real-Time Simulation of a Wind Turbine Generator Coupled With a Battery Supercapacitor Energy Storage System. IEEE Trans. Ind. Electron. 2010, 57, 1137–1145. [Google Scholar] [CrossRef]
- Wu, D.; Williamson, S.S. A novel design and feasibility analysis of a fuel cell plug-in hybrid electric vehicle. In Proceedings of the Vehicle Power and Propulsion Conference, VPPC’08, Harbin, China, 3–5 September 2008; pp. 1–5. [Google Scholar]
- Ise, T.; Kita, M.; Taguchi, A. A hybrid energy storage with a SMES and secondary battery. IEEE Trans. Appl. Supercond. 2005, 15, 1915–1918. [Google Scholar] [CrossRef]
- Prodromidis, G.N.; Coutelieris, F.A. Simulations of economical and technical feasibility of battery and flywheel hybrid energy storage systems in autonomous projects. Renew. Energy 2012, 39, 149–153. [Google Scholar] [CrossRef]
- Mourembles, D.; Buergler, B.; Gajewski, L.; Cooke, A.; Barchasz, C. Li-S Cells for Space Applications (LISSA). In Proceedings of the European Space Power Conference (ESPC), Juan-les-Pins, France, 30 September–4 October 2019. [Google Scholar]
- Scrosati, B.; Garche, J. Lithium batteries: Status, prospects and future. J. Power Sources 2010, 195, 2419–2430. [Google Scholar] [CrossRef]
- Jayakumar, A.; Chalmers, A.; Lie, T.T. Review of prospects for adoption of fuel cell electric vehicles in New Zealand. IET Electr. Syst. Transp. 2017, 7, 259–266. [Google Scholar] [CrossRef]
- Simon, P.; Gogotsi, Y.; Dunn, B. Where do batteries end and supercapacitors begin? Science 2014, 343, 1210–1211. [Google Scholar] [CrossRef] [Green Version]
- Liu, C.; Yu, Z.; Neff, D.; Zhamu, A.; Jang, B.Z. Graphene-based supercapacitor with an ultrahigh energy density. Nano Lett. 2010, 10, 4863–4868. [Google Scholar] [CrossRef] [PubMed]
- Raman, S.R.; Fong, Y.C.; Fan, Y.; Xue, X.D.; Cheng, K.W.E. Development of a light electric car with body integrated super capacitors. In Proceedings of the 7th International Conference on Power Electronics Systems and Applications-Smart Mobility, Power Transfer & Security (PESA), Hong Kong, China, 12–14 December 2017; pp. 1–7. [Google Scholar]
- Li, J.; Xiong, R.; Mu, H.; Cornélusse, B.; Vanderbemden, P.; Ernst, D.; Yuan, W. Design and real-time test of a hybrid energy storage system in the microgrid with the benefit of improving the battery lifetime. Appl. Energy 2018, 218, 470–478. [Google Scholar] [CrossRef] [Green Version]
- Paul, T.; Mesbahi, T.; Durand, S.; Flieller, D.; Uhring, W. Sizing of Lithium-Ion Battery/Supercapacitor Hybrid Energy Storage System for Forklift Vehicle. Energies 2020, 13, 4518. [Google Scholar] [CrossRef]
- Alvaro, D.; Arranz, R.; Aguado, J.A. Sizing and operation of hybrid energy storage systems to perform ramp-rate control in PV power plants. Int. J. Electr. Power Energy Syst. 2019, 107, 589–596. [Google Scholar] [CrossRef]
- Cheng, K. Classical Switched-Mode and Resonant Power Converters; The Hong Kong Polytechnic University: Hong Kong, 2002. [Google Scholar]
- Cheng, K.W.E.; Evans, P.D. Parallel-mode extended-period quasiresonant convertor. IEE Proc. B 1991, 138, 243–251. [Google Scholar] [CrossRef]
- Ye, Y.; Cheng, K.W.E. An automatic switched-capacitor cell balancing circuit for series-connected battery strings. Energies 2016, 9, 138. [Google Scholar] [CrossRef] [Green Version]
- Wang, M.; Tan, S.; Lee, C.; Hui, S.Y. A Configuration of Storage System for DC Microgrids. IEEE Trans. Power Electron. 2018, 33, 3722–3733. [Google Scholar] [CrossRef]
- Chan, H.; Cheng, K.W.E.; Sutanto, D. Phase-shift controlled DC-DC converter with bi-directional power flow. IEE Proc. Electr. Power Appl. 2001, 148, 193–201. [Google Scholar] [CrossRef]
- Nazir, M.; Ahmad, I.; Khan, M.J.; Ayaz, Y.; Armghan, H. Adaptive Control of Fuel Cell and Supercapacitor Based Hybrid Electric Vehicles. Energies 2020, 13, 5587. [Google Scholar] [CrossRef]
- Passalacqua, M.; Carpita, M.; Gavin, S.; Marchesoni, M.; Repetto, M.; Vaccaro, L.; Wasterlain, S. Supercapacitor Storage Sizing Analysis for a Series Hybrid Vehicle. Energies 2019, 12, 1759. [Google Scholar] [CrossRef] [Green Version]
- Castano, S.; Gauchia, L.; Sanz-Feito, J. Effect of Packaging on Supercapacitors Strings Modeling: Proposal of Functional Unit Defined Around Balancing Circuit. IEEE Trans. Components Packag. Manuf. Technol. 2013, 3, 1390–1398. [Google Scholar] [CrossRef]
- Song, B.; Moon, K.S.; Wong, C.P. Recent Developments in Design and Fabrication of Graphene-Based Interdigital Micro-Supercapacitors for Miniaturized Energy Storage Devices. IEEE Trans. Components Packag. Manuf. Technol. 2016, 6, 1752–1765. [Google Scholar] [CrossRef]
- Cheng, K.W.E. Energy Storage, Fuel Cell and Electric Vehicle Technology. In Proceedings of the 8th International Conference on Power Electronics Systems and Applications (PESA), Hong Kong, China, 7–10 December 2020. [Google Scholar]
- Chang, A.S.F.; Kalawsky, R.S. Future configurable transport for the ageing population. In Proceedings of the 7th International Conference on Power Electronics Systems and Applications—Smart Mobility, Power Transfer & Security (PESA), Hong Kong, China, 12–14 December 2017. [Google Scholar]
- Xue, X.; Cheng, K.W.E.; Raman, S.R.; Chan, J.; Mei, J.; Xu, C. Performance prediction of light electric vehicles powered by body-integrated super-capacitors. In Proceedings of the International Conference on Electrical Systems for Aircraft, Railway, Ship Propulsion and Road Vehicles & International Transportation Electrification Conference (ESARS-ITEC), Toulouse, France, 2–4 November 2016; pp. 1–6. [Google Scholar]
- Raman, S.R.; Xue, X.D.; Cheng, K.W.E. Review of charge equalization schemes for Li-ion battery and super-capacitor energy storage systems. In Proceedings of the IEEE International Conference on Advances in Electronics, Computers and Communications (ICAECC), Bangalore, India, 10–11 October 2014; pp. 1–6. [Google Scholar]
- Xue, X.; Raman, S.R.; Fong, Y.C.; Cheng, K.W.E. Loss analysis of hybrid battery-supercapacitor energy storage system in EVs. In Proceedings of the 7th International Conference on Power Electronics Systems and Applications-Smart Mobility, Power Transfer & Security (PESA), Hong Kong, China, 12–14 December 2017; pp. 1–6. [Google Scholar]
- Xue, X.; Cheng, K.W.E.; Raman, S.R.; Fong, Y.C.; Wang, X. Investigation of energy distribution and power split of hybrid energy storage systems in electric vehicles. In Proceedings of the International Symposium on Electrical Engineering (ISEE), Hong Kong, China, 14 December 2016; pp. 1–7. [Google Scholar]
- Raman, S.R.; Saritha, B.; John, V. Computationally efficient and accurate modeling of Li-ion battery. In Proceedings of the Innovative Smart Grid Technologies-Asia (ISGT Asia), Bangalore, India, 10–13 November 2013; pp. 1–6. [Google Scholar]
- Saxena, S.; Raman, S.R.; Saritha, B.; John, V. A novel approach for electrical circuit modeling of Li-ion battery for predicting the steady-state and dynamic I–V characteristics. Sādhanā 2016, 41, 479–487. [Google Scholar] [CrossRef] [Green Version]
- Cheng, K.W.E.; Divakar, B.; Wu, H.; Ding, K.; Ho, H.F. Battery-management system (BMS) and SOC development for electrical vehicles. IEEE Trans. Veh. Technol. 2011, 60, 76–88. [Google Scholar] [CrossRef]
- Dees, D.W.; Battaglia, V.S.; Bélanger, A. Electrochemical modeling of lithium polymer batteries. J. Power Sources 2002, 110, 310–320. [Google Scholar] [CrossRef]
- Rakhmatov, D.; Vrudhula, S.; Wallach, D.A. A model for battery lifetime analysis for organizing applications on a pocket computer. IEEE Trans. Very Large Scale Integr. VLSI Syst. 2003, 11, 1019–1030. [Google Scholar] [CrossRef]
- Panigrahi, D.; Chiasserini, C.; Dey, S.; Rao, R.; Raghunathan, A.; Lahiri, K. Battery life estimation of mobile embedded systems. In Proceedings of the VLSI Design 2001, Fourteenth International Conference on VLSI Design, Bangalore, India, 7 January 2001; pp. 57–63. [Google Scholar]
- Procedures for Capacitance, ESR, Leakage Current and Self-Discharge Characterizations of Ultracapacitors—Application Note; Maxwell Technologies: San Diego, CA, USA, 2015.
- Musolino, V.; Piegari, L.; Tironi, E. New full-frequency-range supercapacitor model with easy identification procedure. IEEE Trans. Ind. Electron. 2013, 60, 112–120. [Google Scholar] [CrossRef]
- Zhang, L.; Hu, X.; Wang, Z.; Sun, F.; Dorrell, D.G. A review of supercapacitor modeling, estimation, and applications: A control/management perspective. Renew. Sustain. Energy Rev. 2018, 81, 1868–1878. [Google Scholar] [CrossRef]
- Kazimierczuk, M.K. Pulse-Width Modulated DC-DC Power Converters; John Wiley & Sons: Hoboken, NJ, USA, 2015. [Google Scholar]
- Xue, X.; Fan, Y.; Fong, Y.; Raman, S.R.; Mei, J.; Wang, X.; Cheng, K. Development of Battery-Supercapacitor Management System for Battery-Supercapacitor Hybrid Energy Storage System. In Proceedings of the 11th IET International Conference on Advances in Power System Control, Operation and Management(APSCOM), Hong Kong, China, 11–15 November 2018. [Google Scholar]
- Shen, J.; Khaligh, A. A Supervisory Energy Management Control Strategy in a Battery/Ultracapacitor Hybrid Energy Storage System. IEEE Trans. Transp. Electrif. 2015, 1, 223–231. [Google Scholar] [CrossRef]
- Yin, H.; Zhou, W.; Li, M.; Ma, C.; Zhao, C. An Adaptive Fuzzy Logic-Based Energy Management Strategy on Battery/Ultracapacitor Hybrid Electric Vehicles. IEEE Trans. Transp. Electrif. 2016, 2, 300–311. [Google Scholar] [CrossRef]
- Akar, F.; Tavlasoglu, Y.; Vural, B. An Energy Management Strategy for a Concept Battery/Ultracapacitor Electric Vehicle With Improved Battery Life. IEEE Trans. Transp. Electrif. 2017, 3, 191–200. [Google Scholar] [CrossRef]
- Li, G.; Yang, Z.; Li, B.; Bi, H. Power allocation smoothing strategy for hybrid energy storage system based on Markov decision process. Appl. Energy 2019, 241, 152–163. [Google Scholar] [CrossRef]
- Zhang, S.; Xiong, R.; Sun, F. Model predictive control for power management in a plug-in hybrid electric vehicle with a hybrid energy storage system. Appl. Energy 2017, 185, 1654–1662. [Google Scholar] [CrossRef]
- Rathi, M.; Prabha, N. Interval type-2 fuzzy logic controller-based multi-level shunt active power line conditioner for harmonic mitigation. Int. J. Fuzzy Syst. 2019, 21, 104–114. [Google Scholar] [CrossRef]
- Cheng, K.W.E. Computation of the AC Resistance of Multistranded Conductor Inductors with Multilayers for High Frequency Switching Converters. IEEE Trans. Magn. 2000, 36, 831–834. [Google Scholar] [CrossRef] [Green Version]
- Raman, S.R.; Cheng, K.W.E.; Ye, Y. Multi-Input Switched-Capacitor Multilevel Inverter for High-Frequency AC Power Distribution. IEEE Trans. Power Electron. 2018, 33, 5937–5948. [Google Scholar] [CrossRef]




















| RMS Current | |||
|---|---|---|---|
| 0 | |||
| 0 | |||
| - |
| RMS Current | |||
|---|---|---|---|
| 0 | |||
| 0 | |||
| Parameters | Value |
|---|---|
| SC voltage range (input) | 54 V–20 V |
| Battery voltage range (output) | 92.4 V–78 V |
| Max. power | 8 kW |
| per phase | 100 H |
| Switching frequency | 45 kHz |
| Input cap. | 470 F |
| Output cap. | 1000 F |
| FET | IXFN140N20P 200 V, 115 A |
| FET drivers | ADuM3224 |
| PT | LEM LV-25P |
| CT | LEM HTFS 200P |
| MCU | STM32F446ZE |
| Parameters | Value |
|---|---|
| Model | Two-door and two-seat light EV |
| Total mass | 790 kg |
| Tire radius | 0.275 m |
| Gear ratio | 8.25 |
| Rated velocity | 50 km/h |
| Maximum velocity | 70 km/h |
| Motor power | 5 kW |
| Li-ion NMC battery voltage range | 92.4 V to 66 V |
| Battery capacity | 112 Ah |
| SC voltage range | 54 V to 20 V |
| SC rating | 323 F |
Publisher’s Note: MDPI stays neutral with regard to jurisdictional claims in published maps and institutional affiliations. |
© 2021 by the authors. Licensee MDPI, Basel, Switzerland. This article is an open access article distributed under the terms and conditions of the Creative Commons Attribution (CC BY) license (https://creativecommons.org/licenses/by/4.0/).
Share and Cite
Raman, S.R.; Cheng, K.-W.; Xue, X.-D.; Fong, Y.-C.; Cheung, S. Hybrid Energy Storage System with Vehicle Body Integrated Super-Capacitor and Li-Ion Battery: Model, Design and Implementation, for Distributed Energy Storage. Energies 2021, 14, 6553. https://doi.org/10.3390/en14206553
Raman SR, Cheng K-W, Xue X-D, Fong Y-C, Cheung S. Hybrid Energy Storage System with Vehicle Body Integrated Super-Capacitor and Li-Ion Battery: Model, Design and Implementation, for Distributed Energy Storage. Energies. 2021; 14(20):6553. https://doi.org/10.3390/en14206553
Chicago/Turabian StyleRaman, Sekhar Raghu, Ka-Wai (Eric) Cheng, Xiang-Dang Xue, Yat-Chi Fong, and Simon Cheung. 2021. "Hybrid Energy Storage System with Vehicle Body Integrated Super-Capacitor and Li-Ion Battery: Model, Design and Implementation, for Distributed Energy Storage" Energies 14, no. 20: 6553. https://doi.org/10.3390/en14206553
APA StyleRaman, S. R., Cheng, K.-W., Xue, X.-D., Fong, Y.-C., & Cheung, S. (2021). Hybrid Energy Storage System with Vehicle Body Integrated Super-Capacitor and Li-Ion Battery: Model, Design and Implementation, for Distributed Energy Storage. Energies, 14(20), 6553. https://doi.org/10.3390/en14206553

