Multi-Mode Voltage Sag/Swell Generator Based on Three-Phase Inverter Circuit
Abstract
:1. Introduction
2. The Grid-Fault and Its Propagation
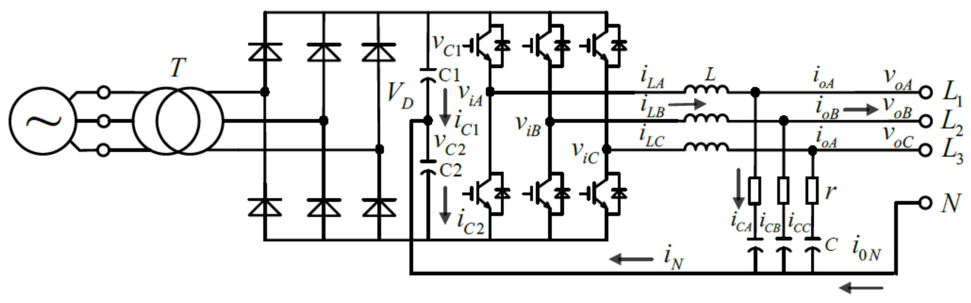
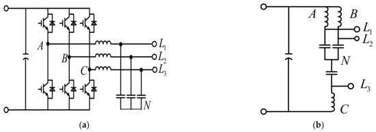
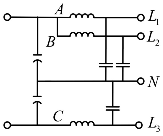
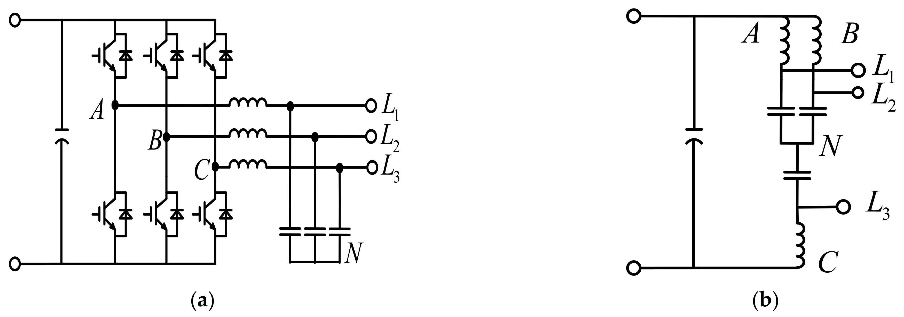
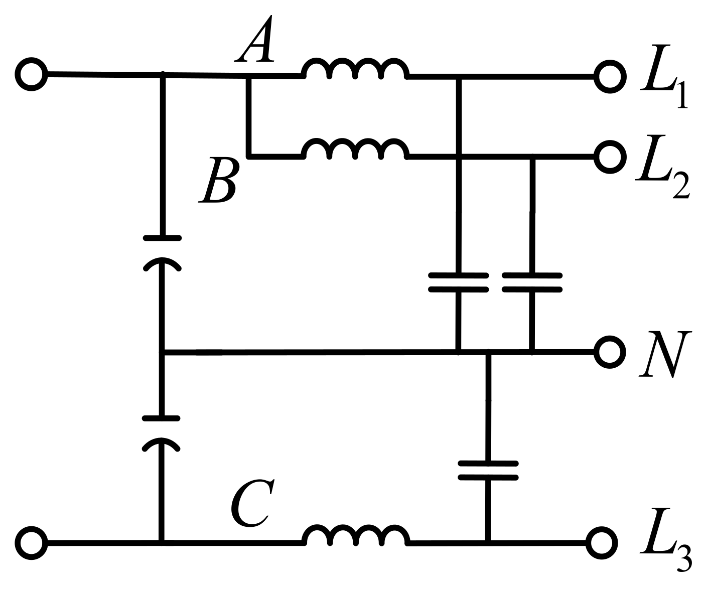
3. Main Circuit and Its Mathematical Model
4. Control Strategy
4.1. Main Control Strategy
4.2. DC Capacitor Voltage Deviation Control Strategy
5. Simulation
- (1)
- Three-phase voltage synchronous swell and sag;
- (2)
- Single-phase voltage swell and sag;
- (3)
- Single-phase voltage swell, sag and phase angle jumping.
6. Experimental Results
7. Conclusions
Author Contributions
Funding
Conflicts of Interest
References
- Tallam, R.M.; Lukaszewski, R.A. Voltage sag and unbalance generator for power quality testing of adjustable speed drives. In Proceedings of the IEEE Energy Conversion Congress and Exposition, Denver, CO, USA, 15–19 September 2013; pp. 4565–4571. [Google Scholar]
- Xu, Y.; Lu, W.; Wang, K.; Li, C.; Aslam, W. Sensitivity of Low-Voltage Variable-Frequency Devices to Voltage Sags. IEEE Access 2018, 7, 2068–2079. [Google Scholar] [CrossRef]
- Han, Q.; Zhu, K.; Shi, W.; Wu, K.; Chen, K. Research on the supercapacitor support schemes for LVRT of variable-frequency drive in the thermal power plant. In Proceedings of the EEEP 2017 The Second International Conference on Energy Engineering and Environmental Protection, Shanya, China, 20–22 November 2017; pp. 1–8. [Google Scholar]
- Abdel-Baqi, O.; Nasiri, A. Series Voltage Compensation for DFIG Wind Turbine Low-Voltage Ride-Through Solution. IEEE Trans. Energy Convers. 2011, 26, 272–280. [Google Scholar] [CrossRef]
- Zeng, R.; Nian, H.; Zhou, P. A three-phase programmable voltage sag generator for low voltage ride-through capability test of wind turbines. In Proceedings of the IEEE Energy Conversion Congress and Exposition (ECCE), Atlanta, GA, USA, 12–16 September 2010; pp. 305–311. [Google Scholar]
- Liu, Q.; Li, Y. An Inductive Filtering-Based Parallel Operating Transformer with Shared Filter for Power Quality Improvement of Wind Farm. IEEE Trans. Power Electron. 2020, 35, 9281–9290. [Google Scholar] [CrossRef]
- Liu, Q.; Li, Y.; Hu, S.; Luo, L. Power quality improvement using controllable inductive power filtering method for industrial DC supply system. Control. Eng. Pract. 2019, 83, 1–10. [Google Scholar] [CrossRef]
- Hajizadeh, A.; Golkar, M.A.; Feliachi, A. Voltage Control and Active Power Management of Hybrid Fuel-Cell/Energy-Storage Power Conversion System under Unbalanced Voltage Sag Conditions. IEEE Trans. Energy Convers. 2010, 25, 1195–1208. [Google Scholar] [CrossRef]
- Tafti, H.D.; Maswood, A.I.; Konstantinou, G.; Townsend, C.D.; Acuna, P.; Pou, J. Flexible Control of Photovoltaic Grid-Connected Cascaded H-Bridge Converters During Unbalanced Voltage Sags. IEEE Trans. Ind. Electron. 2018, 65, 6229–6238. [Google Scholar] [CrossRef]
- Shabestary, M.M.; Mohamed, Y.A.I. Asymmetrical Ride-Through and Grid Support in Converter-Interfaced DG Units under Unbalanced Conditions. IEEE Trans. Ind. Electron. 2019, 66, 1130–1141. [Google Scholar] [CrossRef]
- Gabe, I.J.; Gründling, H.A.; Pinheiro, H. Design of a voltage sag generator based on impedance switching. In Proceedings of the IECON 2011–37th Annual Conference on IEEE Industrial Electronics Society, Melbourne, VIC, Australia, 7–10 November 2011; pp. 3140–3145. [Google Scholar]
- Chung, Y.H.; Kwon, G.H.; Park, T.B.; Lim, G.Y. Voltage sag and swell generator with thyristor controlled reactor. In Proceedings of the International Conference on Power System Technology, Kunming, China, 13–17 October 2002; pp. 1933–1937. [Google Scholar]
- Yang, Y.; Blaabjerg, F.; Zou, Z. Benchmarking of Voltage Sag Generators. In Proceedings of the IECON 2012—38th Annual Conference on IEEE Industrial Electronics Society, Montreal, QC, Canada, 25–28 October 2012; pp. 943–948. [Google Scholar]
- Collins, E.R.; Morgan, R.L. A three-phase sag generator for testing industrial equipment. IEEE Trans. Power Deliv. 1996, 11, 526–532. [Google Scholar] [CrossRef]
- Kumsuwan, Y.; Boonmee, C.; Premrudeepreechacharn, S. Implementation of a 1-kVA programmable balanced three-phase voltage sag generator. In Proceedings of the 2009 6th International Conference on Electrical Engineering/Electronics, Computer, Telecommunications and Information Technology, Pattaya, Thailand, 6–9 May 2009; pp. 46–49. [Google Scholar]
- Ma, Y.; Karady, G.G. A single-phase voltage sag generator for testing electrical equipments. In Proceedings of the 2008 IEEE/PES Transmission and Distribution Conference and Exposition, Chicago, IL, USA, 21–24 May 2009; pp. 1–5. [Google Scholar]
- Wessels, C.; Lohde, R.; Fuchs, F.W. Transformer based voltage sag generator to perform LVRT and HVRT tests in the laboratory. In Proceedings of the of 14th International Power Electronics and Motion Control Conference EPE-PEMC 2010, Ohrid, Macedonia, 6–8 September 2010; pp. T11–T18. [Google Scholar]
- Senturk, O.S.; Hava, A.M. A Simple Sag Generator Using SSRs. IEEE Trans. Ind. Appl. 2012, 48, 172–180. [Google Scholar] [CrossRef]
- İncı, M.; Demırdelen, T.; Tan, A.; Köroğlu, T.; Cuma, M.U.; Bayindir, K.Ç.; Tümay, M. A novel low cost sag/swell generator. In Proceedings of the 2015 IEEE 6th International Symposium on Power Electronics for Distributed Generation Systems (PEDG), Aachen, Germany, 22–25 June 2015; pp. 1–4. [Google Scholar]
- Chung, Y.H.; Kwon, G.H.; Park, T.B.; Kim, H.J.; Moon, J.I. Voltage sag, swell and flicker generator with series injected inverter. In Proceedings of the IEEE Power Engineering Society General Meeting, San Francisco, CA, USA, 16 June 2005; pp. 1308–1313. [Google Scholar]
- Chung, Y.H.; Kwon, G.H.; Park, T.B.; Kim, H.J.; Jeon, Y.S. Voltage sag and swell generator with series injected inverter for the KCPP. In Proceedings of the 2004 International Conference on Power System Technology, Singapore, 21–24 November 2004; pp. 1589–1594. [Google Scholar]
- Oranpiroj, K.; Premrudeepreechacharn, S.; Ngoudech, M.; Muangjai, W.; Yingkayun, K.; Boonsai, T. The 3-phase 4-wire voltage sag generator based on three dimensions space vector modulation in abc coordinates. In Proceedings of the 2009 IEEE International Symposium on Industrial Electronics, Seoul, Korea, 5–8 July 2009; pp. 275–280. [Google Scholar]
- Muangjai, W.; Premrudeepreechacharn, S.; Higuchi, K.; Oranpiroj, K.; Jantee, W. An implementation algorithm of a carrier-based PWM technique for three-phase four-leg voltage sag generator with microcontroller. In Proceedings of the 2013 IEEE 10th International Conference on Power Electronics and Drive Systems (PEDS), Kitakyushu, Japan, 22–25 April 2013; pp. 852–855. [Google Scholar]
- Daychosawang, K.; Kumsuwan, Y. Balanced and unbalanced three-phase voltage sag generator for testing electrical equipment. In Proceedings of the IEEE 2014 11th International Conference on Electrical Engineering/Electronics, Computer, Telecommunications and Information Technology (ECTI-CON), Nakhon Ratchasima, Thailand, 14–17 May 2014; pp. 1–6. [Google Scholar]
- Wu, K.; Han, Q.; Huang, X.; Quan, Y. Research on a Three-Phase Voltage Sag and Swell Generator Based on PWM Technology. Power Electron. 2015, 49, 56–58. (In Chinese) [Google Scholar]
- Han, Y.; Feng, Y.; Yang, P.; Xu, L.; Xu, Y.; Blaabjerg, F. Cause Classification of Voltage Sag and Voltage Sag Emulators and Applications: A Comprehensive Overview. IEEE Access 2020, 8, 1922–1934. [Google Scholar] [CrossRef]
- Cardenas, R.; Juri, C.; Pena, R.; Clare, J.; Wheeler, P. Analysis and Experimental Validation of Control Systems for Four-Leg Matrix Converter Applications. IEEE Trans. Ind. Electron. 2012, 59, 141–153. [Google Scholar] [CrossRef]
- Díaz, M.; Cárdenas, R.; Soto, G. 4-wire Matrix Converter based voltage sag/swell generator to test LVRT in renewable energy systems. In Proceedings of the IEEE 2014 Ninth International Conference on Ecological Vehicles and Renewable Energies (EVER), Monte-Carlo, Monaco, 25–27 March 2014; pp. 1–10. [Google Scholar]
- Díaz, M.; Cárdenas, R.; Rojas, F.; Clare, J. 3-Phase 4-wire matrix converter-based voltage sag/swell generator to test low-voltage ride through in wind energy conversion systems. IET Power Electron. 2014, 7, 3116–3125. [Google Scholar] [CrossRef]
- Bollen, M.H.J. Algorithms for characterizing measured three-phase unbalanced voltage dips. IEEE Trans. Power Deliv. 2003, 18, 937–944. [Google Scholar] [CrossRef]
- Didden, M.; de Jaeger, E.; D’Haeseleer, W.; Belmans, R. How to connect a voltage sag-measuring device: Phase to phase or phase to neutral. IEEE Trans. Power Deliv. 2005, 20, 1174–1181. [Google Scholar] [CrossRef]
- Zhou, L.; Jian, X.; Zhang, K.; Shi, P. A High Precision Multiple Loop Control Strategy for Three Phase PWM Inverters. In Proceedings of the IECON 2006 32nd Annual Conference on IEEE Industrial Electronics, Paris, France, 6–10 November 2006; pp. 1781–1786. [Google Scholar]















| Three Single-Phase-Inverters-Based [22] | 3-Phase 3-Wire 4-Legs Inverter-Based [20,21] | Proposed 3-Phase 4-Wire Inverter with Neutral Control | |
|---|---|---|---|
| Circuit structure | Complex | Less complex | Simple |
| No. of IGBT | 12 | 8 | 6 |
| Step-less adjustment | Yes | Yes | Yes |
| Angle jumping | No | No | Yes |
| Voltage Swell | No | No | Yes |
| Cost | High | High | Low |
| Fault Type | Neutral Effective Grounding | Neutral Non-Effective Grounding |
|---|---|---|
| Single-phase earthing | ![]() | ![]() |
| Inter-phase short circuit | ![]() | ![]() |
| Two-phase earthing | ![]() | ![]() |
| Three-phase short circuit | ![]() | ![]() |
| Fault Type (Neutral Ground) | Eigenvector Diagram of Original Fault | Eigenvector Diagram after Propagation through Transformer |
|---|---|---|
| Single-phase earthing (phase A) | ![]() | ![]() |
| Inter-phase short circuit (phase B\C) | ![]() | ![]() |
| Two-phase earthing (phase B\C) | ![]() | ![]() |
| Symbol | Meaning | Symbol | Meaning |
|---|---|---|---|
| L | filter inductor | vc1 | voltage on capacitor C1 |
| C | filter capacitor | vc2 | voltage on capacitor C2 |
| r | damping resistance | voA, voB, voC | three-phase output voltages |
| VD | DC-link voltage | ioA, ioB, ioC | three-phase output currents |
| iCA, iCB, iCC | Currents in Filter capacitors | viA, viB, viC | three-phase output voltages before filter |
| iLA, iLB, iLC | Currents through inductors | vrA, vrB, vrC | three-phase modulation input voltages |
| Parameter | Value |
|---|---|
| DC-link Voltage, VD | 900 V |
| Switching Frequency, fs | 6 kHz |
| DC-link Capacitance, C1 / C2 | 800 μF |
| Filter Capacitance, C | 250 μF |
| Filter inductance, L | 1.7 mH |
| Load Capacity | 8 + j6 Ω |
| Power Factor | 0.8 |
| Component Name | Component Parameters | Max. Operating Parameters |
|---|---|---|
| Step-up Transformer | 380 V/660 V/20 kVA | 380/560 V/15 kVA |
| Rectifier Bridge | 150 A/1200 VDC | 25 A/760 VDC |
| Inverter Bridge | 150 A/1200 VDC | 125 A/760 VDC |
| DC-link Capacitance, C1/C2 | 800 μF/450 VDC | 800 μF/440 VDC |
| Filter Capacitance, C | 250 μF/1000 VAC | 250 μF/560 VAC |
| Filter inductance, L | 1.7 mH/150 A | 1.7 mH/125 A |
Publisher’s Note: MDPI stays neutral with regard to jurisdictional claims in published maps and institutional affiliations. |
© 2021 by the authors. Licensee MDPI, Basel, Switzerland. This article is an open access article distributed under the terms and conditions of the Creative Commons Attribution (CC BY) license (https://creativecommons.org/licenses/by/4.0/).
Share and Cite
Han, Q.; Wang, X.; Hu, P.; Wang, M.; Luo, X.; Hou, W. Multi-Mode Voltage Sag/Swell Generator Based on Three-Phase Inverter Circuit. Energies 2021, 14, 6520. https://doi.org/10.3390/en14206520
Han Q, Wang X, Hu P, Wang M, Luo X, Hou W. Multi-Mode Voltage Sag/Swell Generator Based on Three-Phase Inverter Circuit. Energies. 2021; 14(20):6520. https://doi.org/10.3390/en14206520
Chicago/Turabian StyleHan, Qiguo, Xing Wang, Pengfei Hu, Maolin Wang, Xu Luo, and Weihua Hou. 2021. "Multi-Mode Voltage Sag/Swell Generator Based on Three-Phase Inverter Circuit" Energies 14, no. 20: 6520. https://doi.org/10.3390/en14206520
APA StyleHan, Q., Wang, X., Hu, P., Wang, M., Luo, X., & Hou, W. (2021). Multi-Mode Voltage Sag/Swell Generator Based on Three-Phase Inverter Circuit. Energies, 14(20), 6520. https://doi.org/10.3390/en14206520














