Design and Validation of Energy Management Strategy for Extended-Range Fuel Cell Electric Vehicle Using Bond Graph Method
Abstract
1. Introduction
2. Extended-Range Fuel Cell Electric Vehicle (E-RFCEV) Powertrain Modeling Based on Bond Graph
2.1. E-RFCEV Performance Requirements and Structure
2.2. Overall Structure of Fuel Cell Power System Simulation Model
2.3. Bond Graph Model of Battery
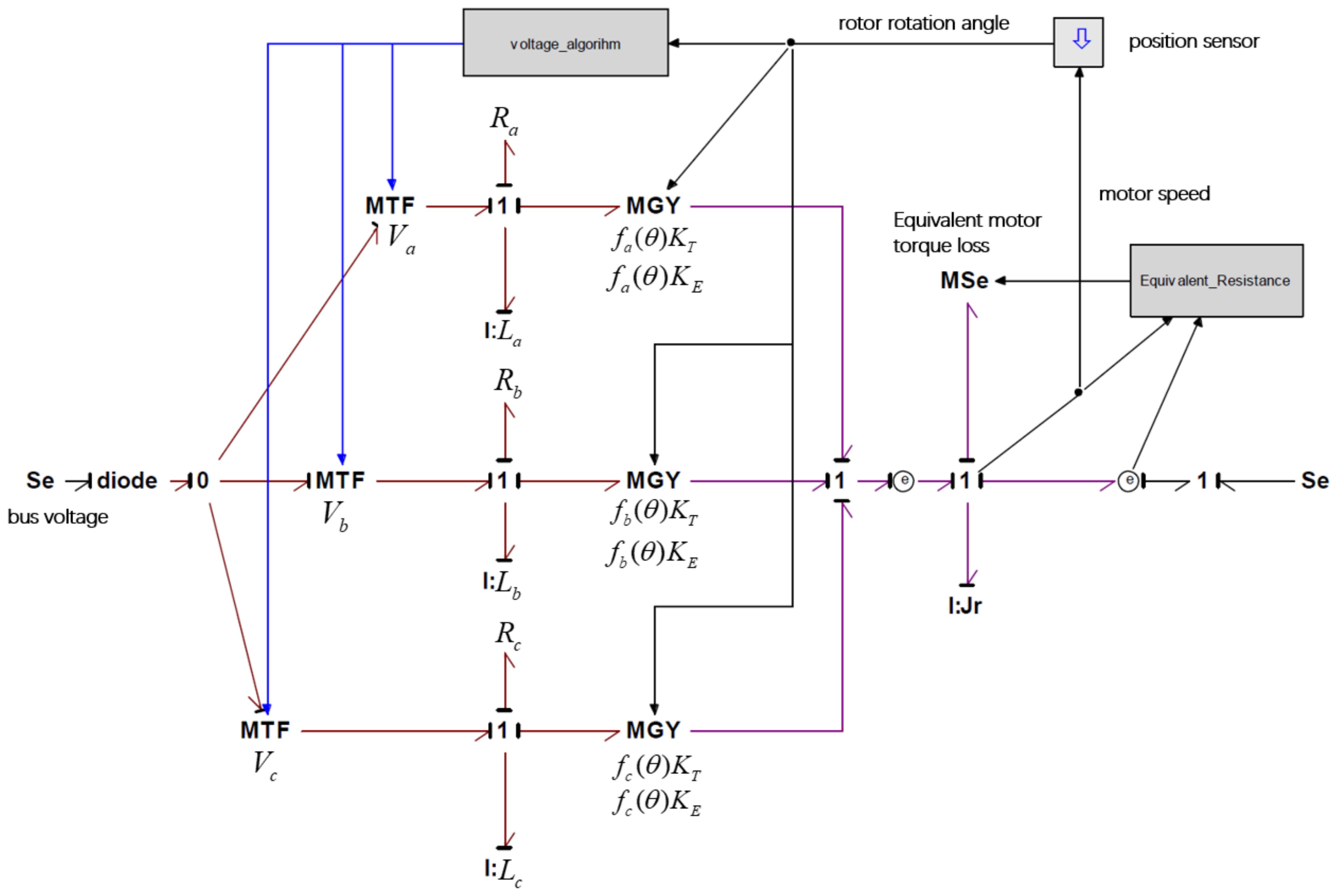
2.4. Bond Graph Model of Permanent Magnet Synchronous Motor (PMSM)
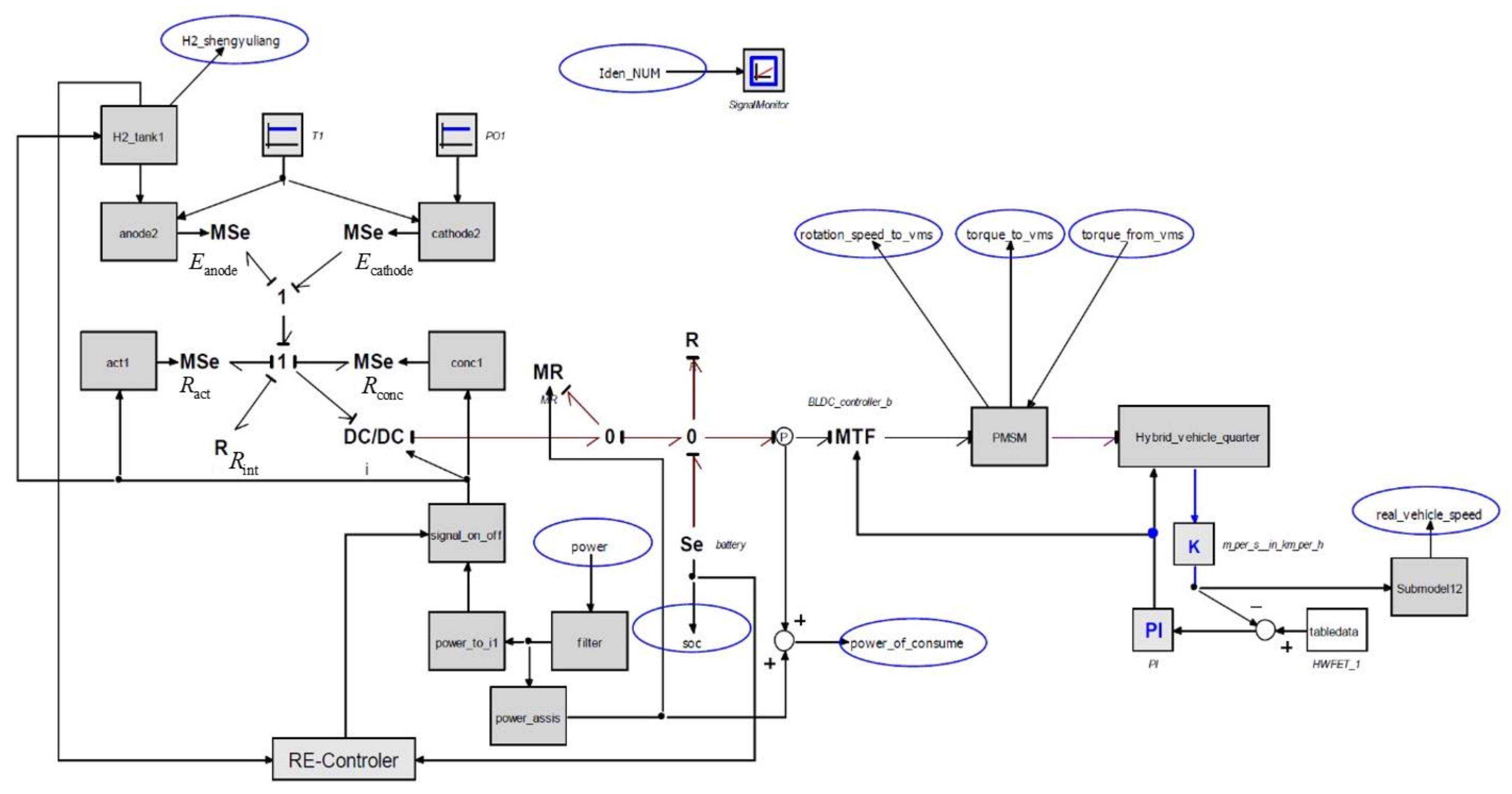
2.5. Bond Graph Model of Range Extender
- (1)
- The pressures of H2 and O2 in the electrode are constant;
- (2)
- The reaction temperature is constant, and the temperature of each cell is equal; and
- (3)
- The model is used to simulate steady-state reactions, without considering transient changes.
2.6. Bond Graph Model of Vehicle and Driver
2.7. Bond Graph Model of Powertrain System
3. Research on Energy Management Strategy (EMS)
3.1. Selection and Modification of Typical Operating Conditions
- (1)
- Constant_30
- (2)
- UDDS_40
- (3)
- HWFET_40
- (4)
- ECE_40
3.2. Power-Following EMS
- (1)
- Power configuration: The battery’s power is large, opposite to that of the fuel cell. The fuel cell changes in a relatively small power range, and the corresponding speed is comparatively fast. The battery’s power response is also fast. Therefore, the part of the load demand power that cannot be satisfied by the extender can be replenished by the battery;
- (2)
- Energy configuration: The battery of an FCEV has a larger energy reserve. Thus, the battery can replenish energy (power) for a longer time.
3.3. EMS Based on Fuzzy Logic Control
4. Research on Bond Graph-Based Hardware-in-the-Loop (HiL)
4.1. Simulation Platform of HiL Based on 20-sim4C
4.2. HiL Simulation Test Based on 20-sim4C
5. Results and Discussion
5.1. Efficiency Analysis
5.2. Economic Analysis
- (1)
- The power-following EMS achieved good economic performance at a constant speed. This was because the fuel cells worked steadily at higher efficiencies according to the load size requirements, and there was no excess electricity for battery charging (avoiding repeated unnecessary charging and discharging of electric energy). Thus, there was a higher hydrogen efficiency, i.e., a better utilization rate;
- (2)
- In the power-following EMS, the operating point of the fuel cell stack varied with the vehicle speed (load power), and the working efficiency of the fuel cell stack was very low in the low-power section. This resulted in the worst fuel economy for the power-following strategy in conditions with large dynamic changes in vehicle speed;
- (3)
- In CEC_40, the hydrogen consumption of the fuzzy control strategy was larger than that of the power-following strategy. The reason it was not dominant at a low SOC was that the initial SOC of the battery was 0.6 in the HiL test; with a decrease in the SOC, the operating point power of the extender rises, but the system efficiency was reduced. Therefore, the fuzzy logic strategy in the low-SOC state had no advantage in terms of fuel economy. The main advantage was that the fuel cell has small changes in the operating range, which was beneficial to the fuel cell life. Moreover, the battery SOC decreased gently, and the backup power was sufficient. In other conditions, the fuzzy control strategy was better than the power-following strategy;
- (4)
- The test results in Table 5 fit the simulation results (economic rankings are consistent), verifying the correctness of the model simulation results, and the validity of the power-following EMS.
6. Conclusions
Author Contributions
Funding
Institutional Review Board Statement
Informed Consent Statement
Data Availability Statement
Conflicts of Interest
Nomenclature
| Acronyms | |
| EMF | Electromotive force |
| E-RFCEV | Extended-range fuel cell vehicle |
| EMS | Energy management strategy |
| EV | Electric vehicle |
| FCEV | Fuel cell electric vehicle |
| GHG | Greenhouse gas |
| HiL | Hardware-in-the-loop |
| PMSM | Permanent magnet synchronous motor |
| PWM | Pulse width modulation |
| PEMFC | Proton exchange membrane fuel cell |
| PID | Proportional–integral–derivative |
| SOC | State of charge |
| VMS | Vehicle management system |
| Roman Symbols | |
| Counter electromotive force (EMF) () | |
| Equivalent hydrogen consumption () | |
| Faraday constant () | |
| Electromagnetic torque constant () | |
| EMF constant () | |
| Inductance () | |
| Torque () | |
| Power () | |
| Pressure () | |
| Resistance () | |
| Ideal gas constant () | |
| Temperature (°C) | |
| Theoretical electromotive force () | |
| Potential variable | |
| Voltage () | |
| Gibbs free energy () | |
| Enthalpy change () | |
| Entropy change () | |
| Potential variable | |
| Flow variable | |
| Factor of influence | |
| Gravity acceleration () | |
| Current () | |
| Exchange current () | |
| Vehicle mass () | |
| Number of free electrons | |
| Time () | |
| Velocity () | |
| Greek Symbols | |
| Constant related to the type of gas | |
| Constant related to the type of gas | |
| Constant related to the type of gas | |
| Empirical value related to diffusion phenomena | |
| Conversion charge transfer coefficient | |
| Average efficiency of DC/DC | |
| Rotation angle () | |
| Angular velocity () | |
| Subscripts and superscripts | |
| H2 | Hydrogen |
| H2O | Water vapor |
| O2 | Oxygen |
| RE | Range-extender |
| RE_limit | Limit range-extender |
| 0 | Standard atmospheric pressure |
| a | a-phase |
| act | Activating polarization |
| anode | Anode |
| b | b-phase |
| bat | Battery |
| c | c-phase |
| cathode | Cathode |
| cell | Fuel cell |
| conc | Concentration polarization |
| cycle_max | Maximum value of the original typical working conditions |
| int | Total of PEMFC |
| lim | Limit |
| ohm | Ohmic polarization |
| out | Output |
| r | Required |
| req | Request |
| t_E-REV | New test conditions when t |
| t_cycle | Original test conditions when t |
| theo | Theoretical electromotive force |
References
- Akdag, S.; Yildirim, H. Toward a sustainable mitigation approach of energy efficiency to greenhouse gas emissions in the European countries. Heliyon 2020, 6. [Google Scholar] [CrossRef] [PubMed]
- Greene, D.L.; Ogden, J.M.; Lin, Z. Challenges in the designing, planning and deployment of hydrogen refueling infrastructure for fuel cell electric vehicles. eTransportation 2020, 6, 100086. [Google Scholar] [CrossRef]
- Ren, L.; Zhou, S.; Ou, X. Life-cycle energy consumption and greenhouse-gas emissions of hydrogen supply chains for fuel-cell vehicles in China. Energy 2020, 209, 118482. [Google Scholar] [CrossRef]
- Deng, Z.; Chen, Q.; Zhang, L.; Zong, Y.; Zhou, K.; Fu, Z. Control oriented data driven linear parameter varying model for proton exchange membrane fuel cell systems. Appl. Energy 2020, 277, 115540. [Google Scholar] [CrossRef]
- Xiao, T.; Wang, R.; Chang, Z.; Fang, Z.; Zhu, Z.; Xu, C. Electrolyte membranes for intermediate temperature proton exchange membrane fuel cell. Prog. Nat. Sci. Mater. Int. 2020. [Google Scholar] [CrossRef]
- Chen, L.; Wang, Y.F.; Tao, W.Q. Experimental study on the effect of temperature and water content on the thermal conductivity of gas diffusion layers in proton exchange membrane fuel cell. Therm. Sci. Eng. Prog. 2020, 19, 100616. [Google Scholar] [CrossRef]
- Yang, Y.; Zhang, X.; Guo, L.; Liu, H. Local degradation in proton exchange membrane fuel cells with dead-ended anode. J. Power Sources 2020, 477, 229021. [Google Scholar] [CrossRef]
- Huang, Z.; Shen, J.; Chan, S.H.; Tu, Z. Transient response of performance in a proton exchange membrane fuel cell under dynamic loading. Energy Convers. Manag. 2020, 226, 113492. [Google Scholar] [CrossRef]
- Kang, J.E.; Brown, T.; Recker, W.W.; Samuelsen, G.S. Refueling hydrogen fuel cell vehicles with 68 proposed refueling stations in California: Measuring deviations from daily travel patterns. Int. J. Hydrog. Energy 2014, 39, 3444–3449. [Google Scholar] [CrossRef]
- UK H2 Mobility Project. 2020. Available online: http://www.ukh2mobility.co.uk/ (accessed on 10 December 2020).
- Song, P.; Sui, Y.; Shan, T.; Hou, J.; Wang, X. Assessment of hydrogen supply solutions for hydrogen fueling station: A Shanghai case study. Int. J. Hydrog. Energy 2020. [Google Scholar] [CrossRef]
- García, A.; Carlucci, P.; Monsalve-Serrano, J.; Valletta, A.; Martínez-Boggio, S. Energy management strategies comparison for a parallel full hybrid electric vehicle using Reactivity Controlled Compression Ignition combustion. Appl. Energy 2020, 272, 115191. [Google Scholar] [CrossRef]
- Peng, J.; He, H.; Xiong, R. Rule based energy management strategy for a series–parallel plug-in hybrid electric bus optimized by dynamic programming. Appl. Energy 2017, 185, 1633–1643. [Google Scholar] [CrossRef]
- Wang, Y.; Sun, Z.; Chen, Z. Rule-based energy management strategy of a lithium-ion battery, supercapacitor and PEM fuel cell system. Energy Procedia 2019, 158, 2555–2560. [Google Scholar] [CrossRef]
- Wang, Y.; Sun, Z.; Chen, Z. Development of energy management system based on a rule-based power distribution strategy for hybrid power sources. Energy 2019, 175, 1055–1066. [Google Scholar] [CrossRef]
- Zhang, Z.; He, H.; Guo, J.; Han, R. Velocity prediction and profile optimization based real-time energy management strategy for Plug-in hybrid electric buses. Appl. Energy 2020, 280, 116001. [Google Scholar] [CrossRef]
- Koubaa, R.; Krichen, L. Double layer metaheuristic based energy management strategy for a Fuel Cell/Ultra-Capacitor hybrid electric vehicle. Energy 2017, 133, 1079–1093. [Google Scholar] [CrossRef]
- Carignano, M.G.; Costa-Castelló, R.; Roda, V.; Nigro, N.M.; Junco, S.; Feroldi, D. Energy management strategy for fuel cell-supercapacitor hybrid vehicles based on prediction of energy demand. J. Power Sources 2017, 360, 419–433. [Google Scholar] [CrossRef]
- Zhou, D.; Al-Durra, A.; Gao, F.; Ravey, A.; Matraji, I.; Godoy Simões, M. Online energy management strategy of fuel cell hybrid electric vehicles based on data fusion approach. J. Power Sources 2017, 366, 278–291. [Google Scholar] [CrossRef]
- Kim, N.; Ha, S.; Jeong, J.; Cha, S.W. Sufficient conditions for optimal energy management strategies of fuel cell hybrid electric vehicles based on Pontryagin’s minimum principle. Proc. Inst. Mech. Eng. Part D J. Automob. Eng. 2016. [Google Scholar] [CrossRef]
- Zhou, D.; Ravey, A.; Al-Durra, A.; Gao, F. A comparative study of extremum seeking methods applied to online energy management strategy of fuel cell hybrid electric vehicles. Energy Convers. Manag. 2017, 151, 778–790. [Google Scholar] [CrossRef]
- Hong, Z.; Li, Q.; Han, Y.; Shang, W.; Zhu, Y.; Chen, W. An energy management strategy based on dynamic power factor for fuel cell/battery hybrid locomotive. Int. J. Hydrog. Energy 2018, 43, 3261–3272. [Google Scholar] [CrossRef]
- Nissimagoudar, P.C.; Mane, V.; Gireesha, H.M.; Iyer, N.C. Hardware-in-the-loop (HIL) Simulation Technique for an Automotive Electronics Course. Procedia Comput. Sci. 2020, 172, 1047–1052. [Google Scholar] [CrossRef]
- Tumasov, A.V.; Vashurin, A.S.; Trusov, Y.P.; Toropov, E.I.; Moshkov, P.S.; Kryaskov, V.S. The application of hardware-in-the-loop (HIL) simulation for evaluation of active safety of vehicles equipped with electronic stability control (ESC) systems. Procedia Comput. Sci. 2019, 150, 309–315. [Google Scholar] [CrossRef]
- Raikwar, S.; Jijyabhau Wani, L.; Arun Kumar, S.; Sreenivasulu Rao, M. Hardware-in-the-Loop test automation of embedded systems for agricultural tractors. Meas. J. Int. Meas. Confed. 2019, 133, 271–280. [Google Scholar] [CrossRef]
- Mayyas, A.R.; Kumar, S.; Pisu, P.; Rios, J.; Jethani, P. Model-based design validation for advanced energy management strategies for electrified hybrid power trains using innovative vehicle hardware in the loop (VHIL) approach. Appl. Energy 2017, 204, 287–302. [Google Scholar] [CrossRef]
- Yi, L.; He, H.; Peng, J. Hardware-in-loop simulation for the energy management system development of a plug-in hybrid electric bus. Energy Procedia 2016, 88, 950–956. [Google Scholar] [CrossRef]
- Mohd Zulkefli, M.A.; Mukherjee, P.; Sun, Z.; Zheng, J.; Liu, H.X.; Huang, P. Hardware-in-the-loop testbed for evaluating connected vehicle applications. Transp. Res. Part C Emerg. Technol. 2017, 78, 50–62. [Google Scholar] [CrossRef]
- Zhou, X.; Qin, D.; Hu, J. Multi-objective optimization design and performance evaluation for plug-in hybrid electric vehicle powertrains. Appl. Energy 2017, 208, 1608–1625. [Google Scholar] [CrossRef]
- Chacko, P.J.; Sachidanandam, M. Optimization & validation of Intelligent Energy Management System for pseudo dynamic predictive regulation of plug-in hybrid electric vehicle as donor clients. eTransportation 2020, 3, 100050. [Google Scholar] [CrossRef]
- Zhang, Y.; Liu, H.; Zhang, Z.; Luo, Y.; Guo, Q.; Liao, S. Cloud computing-based real-time global optimization of battery aging and energy consumption for plug-in hybrid electric vehicles. J. Power Sources 2020, 479, 229069. [Google Scholar] [CrossRef]
- Yahi, F.; Belhamel, M.; Bouzeffour, F.; Sari, O. Structured dynamic modeling and simulation of parabolic trough solar collector using bond graph approach. Sol. Energy 2020, 196, 27–38. [Google Scholar] [CrossRef]
- Olivier, P.; Bourasseau, C.; Bouamama, B. Dynamic and multiphysic PEM electrolysis system modelling: A bond graph approach. Int. J. Hydrog. Energy 2017, 42, 14872–14904. [Google Scholar] [CrossRef]
- Ben-Ali, S. Modeling of a double effect evaporator: Bond graph approach. Chem. Eng. Res. Des. 2018, 138, 554–567. [Google Scholar] [CrossRef]
- Benchouia, N.E.; Elias, H.A.; Khochemane, L.; Mahmah, B. Bond graph modeling approach development for fuel cell PEMFC systems. Int. J. Hydrog. Energy 2014, 39, 15224–15231. [Google Scholar] [CrossRef]
- Vasilyev, A.; Andrews, J.; Jackson, L.M.; Dunnett, S.J.; Davies, B. Component-based modelling of PEM fuel cells with bond graphs. Int. J. Hydrog. Energy 2017, 42, 29406–29421. [Google Scholar] [CrossRef]
- Louzazni, M.; Khouya, A.; Amechnoue, K.; Mussuta, M.; Herbazi, R. Bond Graph Modelling of Different Equivalent Models of Photovoltaic Cell. Procedia Manuf. 2019, 32, 802–809. [Google Scholar] [CrossRef]
- Borutzky, W. A hybrid bond graph model-based—Data driven method for failure prognostic. Procedia Manuf. 2020, 42, 188–196. [Google Scholar] [CrossRef]
- Nishijiri, N.; Ishikawa, T.; Kawabata, N.; Tanaka, K. Modeling of ventilation system for vehicle tunnels by means of bond graph. In Proceedings of the IECON Proceedings (Industrial Electronics Conference), Nagoya, Japan, 22–28 October 2000. [Google Scholar] [CrossRef]
- Coudert, N.; Dauphin-Tanguy, G.; Rault, A. Mechatronic design of an automatic gear box using bond graphs. In Proceedings of the IEEE International Conference on Systems, Man and Cybernetics, Le Touquet, France, 17–20 October 1993. [Google Scholar] [CrossRef]
- Kuang, M.L.; Fodor, M.; Hrovat, D.; Tran, M. Hydraulic brake system modeling and control for active control of vehicle dynamics. In Proceedings of the American Control Conference, San Diego, CA, USA, 2–4 June 1999. [Google Scholar] [CrossRef]
- Truscott, A.J.; Wellstead, P.E. Bond graphs modelling for chassis control. In IEE Colloquium (Digest); Institute of Electrical Engineers: London, UK, 1990. [Google Scholar]
- Silva, L.I.; de Angelo, C.H. Bond graph-based models of lead-acid batteries. Application to Electric Vehicles. IFAC 2012, 8. [Google Scholar] [CrossRef]
- Silva, L.I.; Bouscayrol, A.; de Angelo, C.H.; Lemaire-Semail, B. Coupling bond graph and energetic macroscopic representation for electric vehicle simulation. Mechatronics 2014, 24, 906–913. [Google Scholar] [CrossRef]
- Jha, M.S.; Dauphin-Tanguy, G.; Ould-Bouamama, B. Robust fault detection with Interval Valued Uncertainties in Bond Graph Framework. Control. Eng. Pract. 2018, 71, 61–78. [Google Scholar] [CrossRef]
- Benmoussa, S.; Merzouki, R.; Bouamama, B.O. Plant fault diagnosis using bond graph approach: Application to intelligent autonomous vehicle. IFAC 2012, 45. [Google Scholar] [CrossRef]
- Margolis, D.; Shim, T. Bond graph model incorporating sensors, actuators, and vehicle dynamics for developing controllers for vehicle safety. J. Frankl. Inst. 2001, 338, 21–34. [Google Scholar] [CrossRef]
- Jha, M.S.; Bressel, M.; Ould-Bouamama, B.; Dauphin-Tanguy, G. Particle filter based hybrid prognostics of proton exchange membrane fuel cell in bond graph framework. Comput. Chem. Eng. 2016. [Google Scholar] [CrossRef]
- Vaz, A.; Dhami, S.S.; Trivedi, S. Bond graph modeling and simulation of three phase PM BLDC motor. In Proceedings of the 14th National Conference on Machines and Mechanisms, NaCoMM, Durgapur, India, 17–18 December 2009. [Google Scholar]
- Hung, Y.H.; Hong, C.W. Bond graph modelling of fuel cell and engine hybrid electric scooters. Int. J. Veh. Des. 2007. [Google Scholar] [CrossRef]
- Benabdelaziz, K.; Maaroufi, M. Battery dynamic energy model for use in electric vehicle simulation. Int. J. Hydrog. Energy 2017, 42, 19496–19503. [Google Scholar] [CrossRef]
- Ben Salem, W.; Mzoughi, D.; Allagui, H.; Mami, A. The bond graphs to the study of interactions between the PEM fuel cell and static converters. In Proceedings of the 2016 17th International Conference on Sciences and Techniques of Automatic Control and Computer Engineering, STA 2016—Proceedings, Sousse, Tunisia, 19–21 December 2016. [Google Scholar] [CrossRef]
- Srinivasarao, G.; Samantaray, A.K.; Ghoshal, S.K. Bond graph modeling and multi-body dynamics of a twin rotor system. Proc. Inst. Mech. Eng. Part I J. Syst. Control Eng. 2021, 235, 117–144. [Google Scholar] [CrossRef]
- Barjuei, E.S.; Caldwell, D.G.; Ortiz, J. Bond graph modeling and kalman filter observer design for an industrial back-support exoskeleton. Designs 2020, 4, 53. [Google Scholar] [CrossRef]
- MathWorks, Inc. MATLAB and Simulink; MathWorks, Inc.: Natick, MA, USA.
- Lin, C.F.; Tseng, C.Y.; Tseng, T.W. A hardware-in-the-loop dynamics simulator for motorcycle rapid controller prototyping. Control Eng. Pract. 2006. [Google Scholar] [CrossRef]
- Kleijn, C. 20-Sim 4C 2.0 Reference Manual; Controllab Products B.V.: Hengelosestraat, The Netherlands, 2011. [Google Scholar]
- Cellier, F. The Dymola Bond-Graph Library Version 2.3; ETH Zürich: Zürich, Switzerland, 2007. [Google Scholar]
- Cellier, F.; Greifeneder, J. Object-Oriented Modeling of Convective Flows Using the Dymola Thermo-Bond-Graph Library. In Proceedings of the International Conference on Bond Graph Modeling and Simulation, Orlando, FL, USA, 8–9 December 2003. [Google Scholar]
- Groothuis, M. Distributed HIL Simulation for Boderc. Control Engineering. Master’s Thesis, University of Twente, Enschede, The Netherlands, 2004. [Google Scholar]
- Meijer, M. A Real-Time Simulink Test Environment Using 20-Sim 4C; Controllab Products B.V.: Hengelosestraat, The Netherlands, 2010. [Google Scholar]
































| Name | Value |
|---|---|
| Curb mass (kg) | 1160 |
| Half load mass (kg) | 1600 |
| Full load mass (kg) | 2040 |
| Tire radius (m) | 0.269 |
| Pure electric driving range (km) | >25 (20 km/h constant, ΔSOC = 0.65) |
| Drag coefficient | 0.35 |
| Front area (m2) | 2.8 |
| Rolling resistance coefficient | 0.01 |
| Extended-range mode driving range (km) | >75 (20 km/h constant) |
| Name | Value |
|---|---|
| Maximum speed (km/h) | >40 |
| Maximum grade | Climbing grade greater than 10% when 10 km/h (full load) |
| Acceleration capability | Acceleration time is less than 10 s from 0 to 30 km/h |
| Cruise speed (km/h) | 30 |
| Driving Pattern | Constant_30 | UDDS_40 | HWFET_40 | ECE_40 |
|---|---|---|---|---|
| Time (s) | 5400 | 1369 | 765 | 195 |
| Distance (km) | 44.75 | 5.26 | 6.85 | 0.8 |
| Maximum speed (km/h) | 30 | 40 | 40 | 40 |
| Average speed (km/h) | 30 | 13.81 | 32.19 | 14.61 |
| Maximum acceleration (m/s2) | 0 | 0.65 | 0.59 | 0.84 |
| Average acceleration (m/s2) | 0 | 0.22 | 0.08 | 0.51 |
| Maximum deceleration (m/s2) | 0 | −0.65 | −0.61 | −0.67 |
| Average deceleration (m/s2) | 0 | −0.25 | −0.09 | −0.6 |
| Idling time (s) | 0 | 259 | 6 | 64 |
| Parking number | 0 | 17 | 1 | 3 |
| SOC | ||||||
|---|---|---|---|---|---|---|
| SL | SNL | SN | SNH | SH | ||
| PS | NL | N | NS | NS | NS | |
| PNS | L | N | NS | S | NS | |
| PN | L | NL | N | NS | NS | |
| PNH | VL | L | NL | NS | S | |
| PH | VL | VL | VL | NL | S | |
| Conditions | Constant_30 | UDDS_40 | ECE_40 | HWFET_40 | |||||
|---|---|---|---|---|---|---|---|---|---|
| Power Follow | Fuzzy | Power Follow | Fuzzy | Power Follow | Fuzzy | Power Follow | Fuzzy | ||
| State of charge (SOC) | Initial | 0.6 | 0.6 | 0.6 | 0.6 | 0.6 | 0.6 | 0.6 | 0.6 |
| End | 0.3 | 0.3 | 0.3 | 0.3 | 0.3 | 0.3 | 0.3 | 0.3 | |
| Hydrogen consumption (g) | 188.7 | 188.7 | 188.7 | 188.7 | 132.0 | 188.7 | 188.7 | 188.7 | |
| Equivalent hydrogen consumption (g) | 273.3 | 273.3 | 282.5 | 274.5 | 228.1 | 277.0 | 288.7 | 259.7 | |
| Mileage (km) | 36.9 | 36.9 | 20.9 | 21.7 | 13.6 | 18.4 | 30.2 | 33.8 | |
| Equivalent hundred kilometers hydrogen consumption (g/100 km) | 740.9 | 740.9 | 1354.6 | 1263.2 | 1682.2 | 1506.1 | 954.9 | 767.9 | |
Publisher’s Note: MDPI stays neutral with regard to jurisdictional claims in published maps and institutional affiliations. |
© 2021 by the authors. Licensee MDPI, Basel, Switzerland. This article is an open access article distributed under the terms and conditions of the Creative Commons Attribution (CC BY) license (http://creativecommons.org/licenses/by/4.0/).
Share and Cite
Song, K.; Wang, Y.; An, C.; Xu, H.; Ding, Y. Design and Validation of Energy Management Strategy for Extended-Range Fuel Cell Electric Vehicle Using Bond Graph Method. Energies 2021, 14, 380. https://doi.org/10.3390/en14020380
Song K, Wang Y, An C, Xu H, Ding Y. Design and Validation of Energy Management Strategy for Extended-Range Fuel Cell Electric Vehicle Using Bond Graph Method. Energies. 2021; 14(2):380. https://doi.org/10.3390/en14020380
Chicago/Turabian StyleSong, Ke, Yimin Wang, Cancan An, Hongjie Xu, and Yuhang Ding. 2021. "Design and Validation of Energy Management Strategy for Extended-Range Fuel Cell Electric Vehicle Using Bond Graph Method" Energies 14, no. 2: 380. https://doi.org/10.3390/en14020380
APA StyleSong, K., Wang, Y., An, C., Xu, H., & Ding, Y. (2021). Design and Validation of Energy Management Strategy for Extended-Range Fuel Cell Electric Vehicle Using Bond Graph Method. Energies, 14(2), 380. https://doi.org/10.3390/en14020380

