Next Article in Journal
An Explicit Finite Element Method for Thermal Simulations of Buildings with Phase Change Materials
Next Article in Special Issue
Low-Cost Sensors for Indoor PV Energy Harvesting Estimation Based on Machine Learning
Previous Article in Journal
Prediction of Power Generation Performance of Wound Rotor Synchronous Generator Using Nonlinear Magnetic Equivalent Circuit Method
Previous Article in Special Issue
The Selection of the Most Cost-Efficient Distributed Generation Type for a Combined Cooling Heat and Power System Used for Metropolitan Residential Customers
 
 
Font Type:
Arial Georgia Verdana
Font Size:
Aa Aa Aa
Line Spacing:
Column Width:
Background:
Article

Towards the Flexible Distribution Networks Design Using the Reliability Performance Metric

1
Department of Power Supply and Electrical Engineering, Irkutsk National Research Technical University, 664074 Irkutsk, Russia
2
Department of Research on the Relationship between Energy and the Economy, Energy Research Institute of the Russian Academy of Sciences, 117186 Moscow, Russia
3
Baikal School of BRICS, Irkutsk National Research Technical University, 664074 Irkutsk, Russia
4
Energy Systems Institute of Siberian Branch of Russian Academy of Sciences, 664000 Irkutsk, Russia
*
Author to whom correspondence should be addressed.
Energies 2021, 14(19), 6193; https://doi.org/10.3390/en14196193
Submission received: 27 August 2021 / Revised: 19 September 2021 / Accepted: 22 September 2021 / Published: 28 September 2021
(This article belongs to the Special Issue Machine Learning for Energy Systems 2021)

Abstract

:
At present, the entire world is moving towards digitalization, including in the electric power industry. Digitalization is in its heyday and a lot of articles and reports are devoted to this topic. At the same time, the least digitalized of the electrical networks are distribution networks that account for a very large share in electric power systems. The article proposes a methodology for creating a flexible distribution network based on the use of digital technology. Additionally, we elaborate a methodology with the identification and collection of the necessary information to create digital networks, develop ways to adapt the required equipment, and suggest methods of recognition of some short circuits. Furthermore, we address the issue of reliability of the information obtained from digital devices, develop a technique for arranging the devices to cover the entire network as required to improve the power system protection of electrical power distribution networks. The above measures make it possible to ensure the flexibility of the active distribution network, as well as to adjust the parameters of the actuation of power system protection depending on changes in external conditions and in the event of emergencies. We propose a technique for controlling the distribution network, based on the factoring-in of the type of damage during an emergency in real time, as well as a technique for arranging the measuring devices and the creation of an information and communication network. We provide recommendations for the design and operation of electric power distribution networks with digital network control technology.

1. Introduction

The last decade is characterized by the employment of advanced smart devices capable of implementing the most modern and efficient algorithms for forming a rational distribution network, actuation of power system protection, and reconfiguration of active networks in the event of emergencies. In the case of reconfiguration of an active electrical network, its basic electrical parameters change. First, in this case, the load flow changes, which entails changes in the values of currents under normal operating conditions, as well as changes in the values of short-circuit currents. This circumstance significantly complicates the process of selecting the main power equipment as well as calculations of the operating conditions of such electrical networks. On the other hand, the adoption of the IEC 61850 Relay Protection and Emergency Control (RPEC) standard allows the obtaining of more information not only about the measuring devices but also about other RPEC devices. For control and proper operation of active distribution systems, it is necessary to use microprocessor-based relay systems of protection, which should be intelligent, adaptable, and trainable.
In this regard, it is necessary to modify the existing methods and develop new methods for building intelligent active power supply systems and ensuring the reliability of power supply to consumers. This is very important for the survivability of the power distribution network and providing reliable power supply. It is to noted that self-healing methods are vital technologies for various power systems in modern urban infrastructure [1] and autonomous shipboard power systems [2].

2. The State of the Art

The study of distribution network operating conditions is one of those tasks that should be taken into account in the design and operation of electrical systems. In this case, the analysis of the steady-state conditions of the electrical power system plays a significant role.
Usually, for medium- and low-voltage distribution networks a radial configuration is used. For example, city networks can be either meshed or ringed. However, networks topology is actually dynamically unstable: even under normal conditions city networks can operate as radial causing unidirectional flow in any state of the network.
On fly understanding of the network topology is essential challenge. In fact, in the case of power distribution networks’ operation in non-radial mode, such situations need new approaches in each case. If one enables the active nature of the power distribution network, then the radial structure can be both preserved and broken. In such a scenario, when power distribution networks operate as non-radial, it is very difficult to analyze operating conditions, and this requires special consideration.
The idea of active power distribution network is considered in [3,4,5,6,7] based on existing concepts [8,9]. It is necessary to clarify and detail it as follows. The active nature of the power supply system implies the use of automatic devices to control the configuration and parameters of the system to rationally (optimally) meet the requirements for economic performance under normal, maintenance, post-emergency, and other conditions as well as for reliability of power supply to consumers. Disconnectors can be used to implement control actions [10].
We guess, the active nature of power supply systems is to be understood as their ability to automatically recover the circuit on self-healing feature making possible to guarantee to selection of optimal parameters of the operating conditions by the action of the corresponding control systems for distributed generation units and the reconfiguration of the power distribution network [11].
The distribution power network management model is based on the reliability model [12]. The formalization of the problem of choosing a rational configuration of the power supply system is presented in [13]. Mathematical models and methods for the complex optimization of the power supply system structure and parameters, considering, in particular, the distributed generation, are addressed mainly in the publications by the following researchers: [14,15,16,17,18,19].
The security of power supply systems is in the core of modern power supply systems. The security of the power supply system as well as the security of the entire electric power system is understood as the ability of the system to maintain an acceptable state in the case of changes in operating conditions, component failures, and sudden disturbances [20].
For various methods of power supply systems’ security estimation and evaluation readers may refer to [21,22,23,24,25]. Previously, these methods targeted the passive power distribution network that supplied electricity to the power supply system from power supply points in the main network of the electric power system. Integration of modern multifunctional switchgear, development of power system protection systems, and the necessity to coordinate their operation have significantly altered the response of the distribution power network to the changes in operating conditions, failures of components, and sudden disturbances owing to the automatic measures (reconfiguration of the network) All these features make it possible to make the network flexible. In a sense, the power distribution network becomes capable of ‘self-healing’, i.e., capable of automatically restoring power supply to consumers to the fullest within the minimum time [26].
The self-healing property based on active nature of distribution network makes it possible to build the advanced security model of flexible distribution network considered in this paper.
Let us consider the principles of choosing the optimal structure of a flexible distribution network using combinatorial optimization. The formation of the set of alternative structures of a distribution network that are to be compared is based on the topological layout of the nodes of generation and load with respect to the criterion of minimum cost of its construction. Next, one solves the problem of transforming the original structure of the distribution network to make it flexible by introducing backup normally disconnected power lines with remotely controlled switchgear into the schematic diagram.
When solving combinatorial optimization problems various methods are widely used; they can be tentatively subdivided into approximate and exact ones. In particular, the exact methods include the exhaustive search method, the method of implicit search, the branch-and-bound method, the method of dynamic programming, etc. This study uses the exhaustive search method.
When selecting the structure of a flexible distribution network, it is advisable to use the algorithm whose flowchart is shown in Figure 1.
At Step 1, we will determine the initial structure of the power distribution network with respect to the criterion of the minimum cost of its construction. The distribution network under analysis is characterized by a fairly dense arrangement of consumers and, consequently, by the presence of short power transmission lines between load nodes.
At Step 2, we will determine the number and locations of backup power transmission lines with remotely controlled switchgear to provide the network with flexibility.
At Step 3, we will provide the rationale for the reconstruction of the initial network structure to ensure its reconfiguration. To do this, we will form several possible distribution network structures that are similar to respect to the criterion of minimum construction costs. This is necessary for their subsequent analysis from the point of view of reliability and the choice of measures to ensure reliability. In this case, there may be minor deviations from the results of calculations with respect to the criterion of minimum construction costs.
In the process of justification, the concept of operating areas is used, the delimiting of which makes it possible to restore the distribution network operation under emergency disturbances with failures of individual components. The issue of selecting operating areas is discussed in detail in Section 5 of this article.
The reconfiguration of the network ensures a reliable power supply to as many consumers as possible. Backup power transmission lines are normally disconnected, and the network operates as a radial network. The switchgear is equipped with automatic switching of backup facilities, which restores power supply to consumers in the case of power failure from the main source.
At Step 4, we form several distribution network structures, which are technically possible to be implemented, based on the initial structure of the network, for subsequent selection of the optimal structure based on the results of the analysis of reliability performance metrics. This minimizes the number of backup power transmission lines and their length to minimize the cost of their construction.
Figure 2 represents the initial circuit of the power distribution network. The distribution network voltage is 10 kV. This network is powered by two different sources—S1 and S2. The voltage of its sources is 110 kV. The distribution network supplies power to 15 buses indicated as N1–N15 in the Figure 2. Transformers, power transmission lines, and load feeders are connected to circuit breakers.
Table 1 shows the maximum loads at the substations during the winter peak load period for the initial network structure.
The choice of information on the values of loads during the winter peak period for calculations is because it is the most difficult for the operation of the distribution network in the region under consideration. During this period, the probability of emergency shutdowns is the highest. For other regions, where the highest loads in the distribution network are recorded during the summer peak period, it is these loads that should be taken into account in the calculations.
The major task is to ensure electric power supply to consumers in the necessary amounts and of the required quality, taking into account their reliability classes. The calculations assume the following input data: voltage U = 10 kV, the total active load of the distribution network P = 31.98 MW, power factor cosφ = 0.86, the frequency in the network f = 50 Hz.
Let us consider various alternatives for reconstructing the original network structure to provide reconfiguration, with such alternatives making use of different numbers of backup power transmission lines. Four basic structures of the distribution network were chosen to make them have the minimum number of backup power transmission lines (Figure 3, Figure 4, Figure 5 and Figure 6).
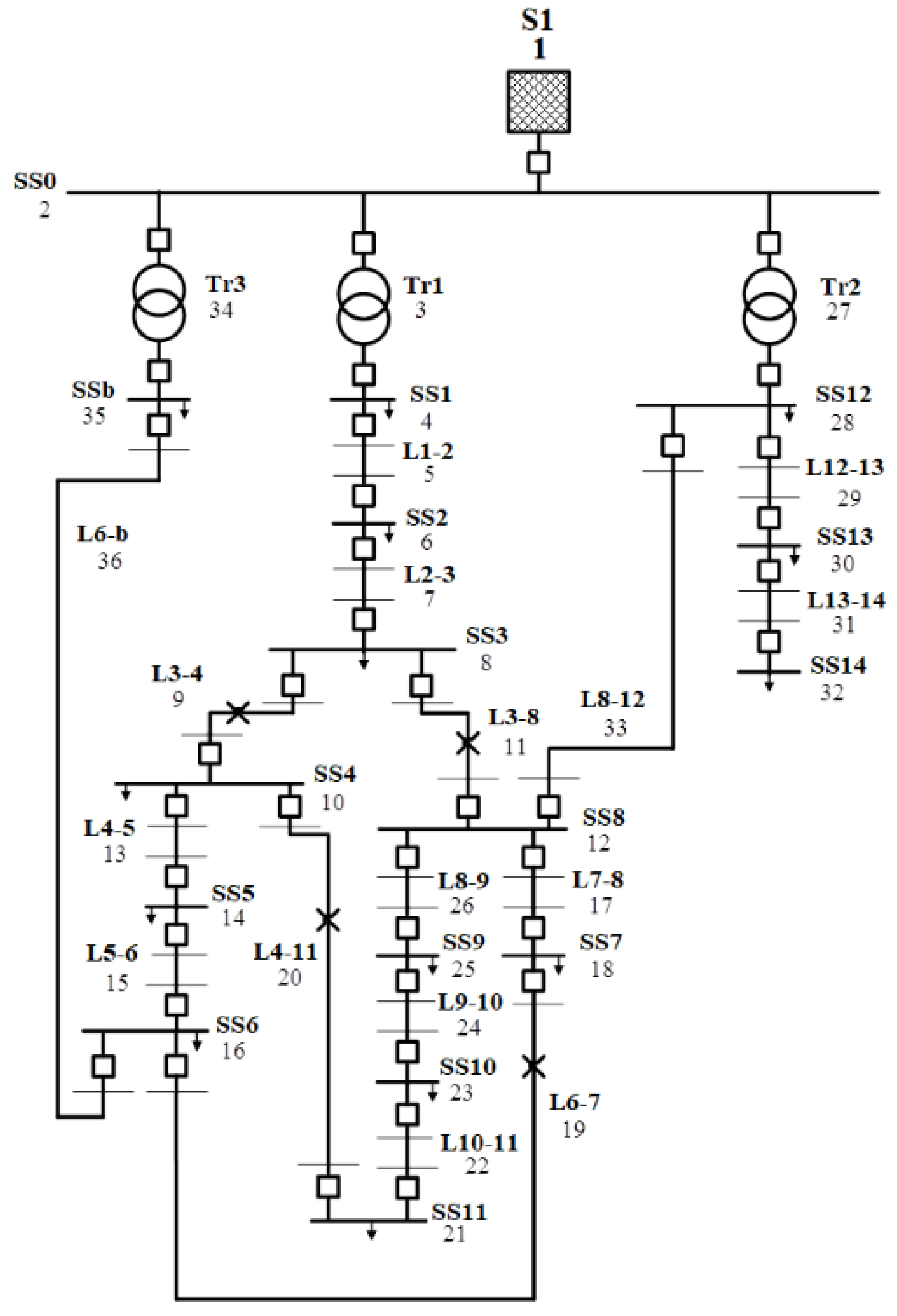
Structure 1 is presented in Figure 3. In this structure, during the normal operation of the distribution network, the backup power transmission lines L3-4, L6-7, L9-10 are in the disconnected state. These power transmission lines are switched on only if the relay protection devices localize the damaged section of the network, which leads to a disruption of power supply to consumers. In addition, the distribution network is reconfigured in such a way that the substations that provide power to consumers remain operational.
Structure 2 is shown in Figure 4. The structure of the distribution network differs from Structure 1 in that SS6 is powered from SS1 and not from SS0. In this structure, during the normal operation of the distribution network, the backup power transmission lines L3-4, L6-7, L4-11 are in the disconnected state. If a component of the network fails, the latter is reconfigured to restore the serviceability of the substations and provide a reliable power supply to consumers.
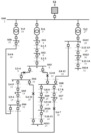
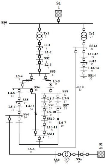
Structure 3 is shown in Figure 5. The structure of the distribution network differs from Structure 1 in that under the normal operation the power supply to the substations is arranged using a different circuit. In addition, the reconstructed distribution network has a significantly modified power supply arrangement. In this structure, during the normal operation of the distribution network, the backup power transmission lines L3-4, L6-7, L4-11 are in the disconnected state. The above power transmission lines are activated in the event of a failure of any component of the distribution network, allowing the network to be reconfigured so that all substations remain operational and continue to provide power to all consumers.
Structure 4 is shown in Figure 6. The structure of the distribution network differs from Structure 1 in that under the normal operating conditions of the distribution network the backup lines L3-4, L3-8, L6-7, L4-11 are in a disconnected state. This structure has a power transmission line connecting substations SS12 and SS8, as well as several other changes compared to all previous schematic diagrams. Backup power lines are switched on by automatically switching on the backup facilities if any component of the distribution network fails.
The choice of the optimal structure of the flexible distribution network is carried out in the process of solving the problem of ensuring reliability.

3. Study of the Reliability of Flexible Distribution Networks

Published research indicates the need for taking into account the parameters of electrical operating conditions when analyzing the reliability of the considered structures of the distribution network, i.e., conducting an analysis of security [27].
Consequently, when selecting network reconfiguration options, the capacity of backup power transmission lines and the total capacity of loads at substations should be taken into account. When reconfiguring, none of the power transmission lines should be overloaded. This is an important condition because otherwise, it will lead to the disconnection of both those substations that are normally supplied from the initially switched-on power transmission lines and those that are connected during the reconfiguration of the network. In addition, when reconfiguring the network, the voltage levels should not fall below the minimum allowable values as this is related to ensuring the normal operation of the current-using equipment of consumers.
Consequently, when selecting network reconfiguration options, the capacity of backup power transmission lines and the total capacity of loads at substations should be taken into account. When reconfiguring, none of the power transmission lines should be overloaded. This is an important condition because otherwise, it will lead to the disconnection of both those substations that are normally supplied from the initially switched-on power transmission lines and those that are connected during the reconfiguration of the network. In addition, when reconfiguring the network, the voltage levels should not fall below the minimum allowable values as this is related to ensuring the normal operation of the current-using equipment of consumers.
A.
The assumptions for calculating the reliability of the distribution network.
When planning the expansion of flexible distribution networks, there is much concern about ensuring the reliability of their operation. A very important factor in this is the consideration of security. In this study, security is understood as the ability of a distribution network to withstand sudden disturbances and to maintain operation as specified despite changing working conditions, as well as failures of various components.
Conventional methods for assessing security have been developed for passive distribution networks, which include neither distributed generation sources nor active network components. Consequently, in assessing security one considers the conventional vertically integrated distribution network, in which power supply to consumers is carried out only from substations that receive power from the main grid. Methods for assessing the security of conventional vertically integrated distribution networks are given in studies [19,24,27,28].
In flexible distribution networks, distributed generation sources, power storage units, remotely controlled switching devices, etc., have become widespread, which has significantly changed the properties of the network. The introduction of modern devices of relay protection and automation requires the coordination of their operation because the distribution network responds differently to failures of individual components or changes in operating conditions during sudden disturbances. This response is provided by implementing automatic actions, including reconfiguration of the network. Network flexibility is especially important in islanded electric power supply systems. The use of remotely controlled switchgear and other control systems can improve the reliability of distribution networks.
B.
Model and method for investigating the reliability of expanding flexible distribution networks.
When analyzing the reliability of flexible distribution networks operating under conditions that include the islanded mode, they are treated as a system consisting of components topologically connected with each other. In addition, the system is considered as a whole. The components of the system are generation sources (distributed generation sources; electricity storage, etc.), power transmission lines, and substations.
Secondary components of the distribution network (power system protection devices; remotely controlled switchgear) are taken into account indirectly in the reliability assessment in such metrics as the failure and recovery rates of components.
If an individual component of the distribution network fails, the situation may arise where consumers located between the normally disconnected power transmission line and the failed component are left without a power supply. In this case, the action of automatic switching on of backup facilities will put in operation the power transmission line that was in the normally disconnected state.
The article assumes that each component of the system can be in only two possible states, either operational or non-operational. A non-operational state is a failure state. For each component of the flexible distribution network, the following initial metrics of component (hardware) reliability are specified: the failure rate λ and recovery rate μ.
When performing the calculations, the assumption is made that the flow of failures and recoveries of components of a flexible distribution network operating in an islanded mode has the Markov property λ = const and μ = const.
The calculations determine the following metrics of system reliability:
  • average failure rate
ω = i I ( ω i ) I
where I is the number of nodes in the electric power supply system that have a load; i is the number of the node in this system; ωi is the failure frequency at the ith node.
  • average duration of failures
t B = i I ( t B i ) I
where tBi is the time to restore power supply at the ith node.
  • average availability factor
k r = i I ( p i ) I
where pi is the probability of failure at the ith node.
The fact of occurrence of power shortage is the case of failure at the ith node of the distribution network. The states of a flexible distribution network are analyzed in accordance with the principles of ensuring security by taking into account the n − 1 (failure of one component) or n − 2 criteria (simultaneous failure of two components). For each state, the network operating conditions are calculated.
If the current running in the component exceeds the allowable emergency value, it is switched off by the action of the (overcurrent) relay protection. If the voltage on the substation buses drops below the minimum allowable value, the substation is switched off by the action of the relay protection (minimum voltage).
The results of distribution network reliability calculations show that the coincidence of failures of more than two components yields no significant change in the resulting reliability metrics of the system as a whole.
This article uses a modified topological method for calculating reliability, which allows one to take into account the topology of the distribution network. It is based on the formation of successive topological matrices, which reproduce the steps of the calculation algorithm. A topological matrix reflecting the initial state of the components of the distribution network and the relationships between them is used as an initial matrix.
To calculate the reliability metrics of flexible distribution networks, we have developed an application based on NETOMAC and MATLAB software platforms. It is based on the reliability assessment model and topological method. The application allows one to calculate the main metrics of distribution network reliability: failure probability, failure frequency, as well as the duration of failures of components of the schematic diagram.
Calculations of reliability metrics for the four structures of the flexible distribution network were performed. The n − 2 criterion was chosen to compare the results. The calculation of reliability metrics was carried out in two versions: with the calculations of operating conditions factored out and with the calculations of operating conditions factored in.
The calculations used the following input data obtained from the processing of statistical data:
recovery rate of components (for substations) μ = 533.82;
recovery rate of components (for power transmission lines) μ = 128.4;
failure rate of components (for substations) λ = 0.0039;
failure rates of components (for power transmission lines) for the four structures of the flexible distribution network are shown in Table 2.
The results of calculations of reliability metrics for the four alternative structures of the flexible distribution network structure are shown in Figure 7, Figure 8, Figure 9 and Figure 10.
Analysis of the results of calculations (Figure 7, Figure 8, Figure 9 and Figure 10) allows us to conclude that the factoring-in of distribution network operating conditions when calculating reliability indicators enables obtaining more complete information about the serviceability of its components.
Formulas (1)–(3) were used to perform calculations of system reliability metrics. Table 3 summarizes the results of the calculations in two versions: with the calculations of operating conditions factored out and with the calculations of operating conditions factored in.
Comparison of the results of calculations of system reliability metrics for the four alternative structures of the flexible distribution network revealed that the failure rate and recovery time were the lowest (while the availability factor was the highest) for Structure 3. It is obvious that in terms of reliability metrics, Structure 3 of the flexible distribution network is preferable.
C.
Technical and economic analysis of flexible distribution network structures as performed by the interval method.
The interval method is often used for technical and economic comparison of network versions that takes into account the reliability. This method allows one to compare the value of specific damage from a power shortage with the costs of construction, to choose the best structure of the distribution network. The interval method is effective when the specific damage has high uncertainty, including due to the fact that different consumers of electricity with different values of specific damages are connected to substations.
The choice of the optimal structure of the distribution network was then carried out based on a sequential pairwise comparison of alternatives and the choice of the better alternative out of each pair. When making a choice the following rule was adhered to: if d0 bound for the considered pair of alternatives is less than the lower value of specific damage d0min, the more expensive and more reliable alternative is chosen, it participates in the subsequent comparative assessments; if d0 bound is more than the upper value of specific damage d0max, the cheaper but less reliable alternative is chosen, it participates in the subsequent comparative assessments; if the value of d0gr lies inside the range d0min, d0max, alternatives compared should be considered equivalent.
The article used a modified interval method, for which it was necessary to set the range of values of the specific damage from the electricity shortage. Let us set the range between y0min and y0max, assuming that there is no damage from a sudden power outage. To determine this range, let us calculate the cost of construction of a flexible distribution network. The calculations are performed for the two compared structures of the flexible distribution network i and j.
The formula for determining the total discounted costs while taking damage into account is as follows:
C = E · K + M + D   ,
where E—investment efficiency factor; K—capital investment (construction costs); M—annual maintenance and repair costs; D—annual consumer damage from unreliability.
If the damage from a sudden power outage is not taken into account, the annual damage from the shortage of electricity can be calculated using the following formula:
D t = d 0 Δ E   ,
where d0 is the value of specific damage, rubles/kW∙h; ΔE is the value of a power shortage at consumers, kW∙h.
Using only the first two terms of Formula (4), without the value of the annual damage from unreliability, let us equate the sum of costs and damage from a power shortage for the alternative network structures being compared:
C i + d 0 Δ E = C j + d 0 Δ E
where C i = E i · K + M i ; C j = E j · K j + M j
Next, let us determine the value of the so-called boundary specific damage
d 0 bound = C i C j Δ E j Δ E i
where i, j are alternative structures of the flexible distribution network that are being compared.
When determining construction costs, the cost of building power transmission lines, substations, and remotely controlled switchgear was factored in.
Table 4 shows the lengths of power transmission lines for all four alternative structures of the flexible distribution network being compared (Figure 3, Figure 4, Figure 5 and Figure 6).
Table 5 shows the construction costs for each of the four alternative structures of the flexible distribution network.
In the calculations, the annual cost of maintenance and repair is assumed at a rate of 5% of the value of the cost of construction, and the efficiency of investment is assumed at a rate of 6.25% per annum.
Table 6 shows the values of annual maintenance costs for different alternative structures of the flexible distribution network.
Due to the fact that the consumers in the four alternatives of the structure of the flexible distribution network are of the same reliability class, the value of the specific damage for all electricity consumers will be the same. In this case, the value of a power shortage for each alternative structure will be different, as shown in Table 7.
Using a modified interval method, we will determine the costs for the different alternative structures:
C1 = 126,120 + d0 ∙ 321.17;
C2 = 121,947 + d0 ∙ 387.15;
C3 = 111,613 + d0 ∙ 268.32;
C4 = 96,773+ d0 ∙ 244.31.
Calculations of the values of the boundary specific damage from a power shortage were performed (see Table 8). To this end, we used Formula (7) and based them on the calculated annual maintenance costs (Table 6) and the values of the amount of a power shortage (Table 7) for each alternative structure of the flexible distribution network under consideration.
The values of the specific damage from a power shortage are in the range of d0f = 0.69–0.88 USD/kWh. This range was determined for consumers operating in the flexible distribution network under consideration by comparing estimates and numerical data.
A comprehensive analysis of the results of calculations for the four alternatives for the structure of the flexible distribution network attested to the following:
  • when comparing Structures 4 and 2, the cheaper Structure 4 is preferable, because in this case, the boundary damage is higher than the range of specific damage;
  • when comparing Structures 4 and 3, where the boundary damage is lower than the range of specific damage, one should choose Structure 3, since it has better reliability performance;
  • when comparing Structures 1 and 4, where the boundary damage is lower than the lower bound of the range of specific damage, Structure 1 is preferable;
  • when comparing Structures 2 and 3, the cheaper Structure 3 of the schematic diagram should be chosen, because in this case, the boundary damage is higher than the upper bound of the range of specific damage;
  • when comparing Structures 3 and 1, the value of the boundary damage falls within the range of specific damage, so we can assume that from the standpoint of the interval method these structures are equivalent.
Thus, the two best and equally preferable structures of the flexible distribution network were identified: they were Structures 3 and 1. Additional expert analysis was performed to select the single best structure. Given that the consumers connected to the flexible distribution network in question are in areas with extreme climates, the Structure 3 of the network was finally chosen as having the best reliability performance.

4. Control of Power Distribution Network to Maintain Both Flexibility and Security

Next, we solve the problem of reconstructing the selected schematic diagram of the electrical distribution network to make it active by introducing additional normally open lines with remotely controlled switchgear.
As our basis, we take the conventional model of the power distribution network reliability. This model adheres to these main principles:
  • As the initial reliability metrics of each basic component (line, transformer) we use the parameter of the flow of failures λ and recovery rate μ of the component.
  • On their basis, assuming that the flow of failures and recoveries has the Markov property, i.e., λ = const and μ, we determine the probability of failure, the frequency of failures, and the recovery time of the component as per the known formulas.
  • Taking into account the specified metrics for network components, the average failure frequency, the average duration of failures, and the average system availability factor are calculated.
  • Failures of some of the components (protection devices and circuit breakers) are taken into account indirectly in the values of failure flow parameters and recovery rates of the main components.
Let us describe in detail the proposed approach to flexible active distribution systems. The flowchart of an algorithm for analyzing the reliability of flexible power distribution networks is presented in Figure 11.
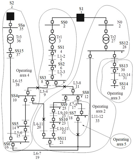
Let us consider what is unique about taking into account (as part of the reliability model) the factors that are determined by the active nature of the distribution network, with the selected distribution network schematic diagram serving as an illustration (Figure 5).
Let us consider a 10 kV distribution network that receives power from two main sources, S1 and S2 with a voltage of 110 kV. The distribution network supplies power to 15 power takeoff points, marked as 1–15 in the figure.
Based on Figure 2 we create an active electrical distribution network.
The goal is to reconstruct the distribution network to transform it from “passive” to “active” using additional switchgear (marked with X). In doing so, new nodes appear in the distribution network; the methodology for selecting such a schematic diagram to take into account the reliability was presented above in this paper.
The reconstructed circuit of the power distribution network with operating areas is shown in Figure 12. It should be noted that this distribution network under normal conditions operates as a radial one. In this case, backup distribution lines are disconnected.
In this study, we use the concept of an “operating area” [11]. Backed by this concept the power distribution network becomes controllable and flexible. When using this concept, all relay protection devices installed directly on the circuit breakers are combined into one common system and exchange data with each other. This is in line with the IEC 61850 standard.
The necessity of introducing operating areas is due to the logic of the operation of switchgear. Operating areas are formed based on the network structure and are a set of components grouped by function as determined by the principles of operation of the switchgear. It should also be noted that operating areas are formed based on the structure and topology of the distribution network.
Let us consider the principles of operation and the principles of switching in the presented operating areas of the distribution network. These principles are based on the studies [3] (Figure 12).
Operating area No. 1. If the transformer Tr1 fails in a given operating area, the backup line 3-4 is switched on, thus changing the power source for this area and reconfiguring the network structure. One more example: there is a short circuit on the line 1-2, the latter was disconnected by the overcurrent protection. Automatic activation of the backup line 3-4 provides power to consumers connected to points 2 and 3. Similarly, in the event of a short circuit on the line 2-3 and its disconnection by the overcurrent protection, the automatic switching on of the backup line 3-4 provides power to consumers connected to point 3. In the case of a failure at point 3, the backup line 3-4 is not switched on, but the power supply to consumers connected to points 1 and 2 can be preserved as coming from the source S1 when the line 2-3 is switched off.
In operating area No. 2, the reconfiguration of the schematic diagram occurs in a similar way: when components in this area fail, the line 3-8 is automatically switched on, while the consumers connected to the power takeoff points of this area remain powered, depending on which component has failed. If point 8 fails, the backup line 3-8 is not switched on, but the other consumers are kept supplied from the main source S1.
If a component fails in operation area No. 3, network reconfiguration is not performed, as this area has a radial structure.
In operating zone No. 4 the automatic switching operations do not differ in meaning from those in areas No. 1 and No. 2, but in the case of a failure, the backup line 4-11 is automatically switched on.
The reconfiguration of the electrical circuitry in operating area No. 5 is done in a similar way by automatically switching on the line 6-7.
The model takes into account the operating conditions of the maximum overcurrent protection in the lines and the minimum voltage protection at the power takeoff points. The proposed model will enable the power distribution network flexibility and survivability, therefore increasing the reliability of the power supply.

5. Model of Sensor Placement in the Power Distribution Network

Historically, electrical distribution networks have a relatively low level of automation. These networks are often equipped with switchgear that can be controlled only manually. If one adds control drives to the disconnectors, one can control them remotely. These disconnectors require a control system. In the above sections of the paper, we have proposed a flexibility-based method for controlling the power distribution network. This method can also be applied to a network with disconnectors. However, this poses a question that concerns relay protection devices, that of how to identify these or those failures and emergencies. Installation of complex microprocessor-based protection devices would be too expensive, but the solution to this problem is the option of creating a network of information transfer with sensors.
Traditionally, sensors are used for power distribution networks to obtain information about the current state of the network. There are many studies that deal with this issue [28,29,30]. In our case, the sensors are used to provide flexibility for the power distribution network in post-emergency situations. To this end, we used IKI-Overhead fault indicators intended for the detection of faults on overhead power distributions lines. These indicators transmit information using the GSM and are fully compliant with the IEC 60870 standard. The indicators are installed directly on the wires without additional mounting devices. According to the control model of the power distribution network, all switchgear is integrated into a single information-and-switching network with a common control center. Information from the IKI indicators is transmitted to this center. Figure 13 shows the network, in which the locations for installation of these indicators are indicated by circles. These devices can determine the following parameters: short circuit, single-phase ground fault, overhead line break, and maximum load of the overhead line.
Thus, superimposing the distribution network control model over the model of installation of state control sensors, we can say that the distribution network is made flexible, as monitoring of network parameters allows us to redistribute the load, isolate faulty sections, and maintain power supply to the consumer.
Currently, various metrics are used that characterize different aspects of the reliability of electric power systems and power supply to consumers [25]: SAIFI, CAIFI, SAIDI, CAIDI, ASAI, etc.
The most common metric of the safety of the power system is risk. Risk is defined as the sum of the probabilities of a sequence of events with respect to the value of the effects resulting from each event, usually in the form of a lack of power or inadequate power supply [31,32]. At the same time, the risk is also assessed for the implementation of various measures to improve the operational reliability of the power supply system [33,34]. In the study [31], a formula is given for an overall risk assessment taking into account all the factors considered.
In the case when as a result of cascade development of failures in the final post-failure state, the steady-state condition is acceptable. In this case, it is necessary to perform an assessment of the power shortage in the system and its probability. In this case, the value of risk in the analyzed state of the electric distribution network is calculated. In addition, the probabilities of system states as a result of compound failures are determined by the well-known formula [25]:
p k ( D k ) = i , j i q i j i p j ,
where pk(Dk) is the probability of power shortage equal to Dk in the considered state k of the power supply system; pj is the probability of failure-free operation of the component j or its protection; qi is the probability of failure of the component i or its protection; i, j are the numbers of power supply components.
The study [3] presents a methodology for risk assessment.
The conventional approach to risk mitigation during the estimation of the power supply system security is represented by the equation [25]:
R k = k p k ( D k ) · D k
It should be noted that the risk Formula (9) does not take into account the different severity of the consequences of power shortages for different types of consumers’ current-using equipment. Given that security is assessed for a certain point in time at which a sudden power shortage can occur, the severity of the consequences can be determined by the specific damage from the sudden power shortage yintl. Currently, estimates yint l for different types of consumers’ current-using equipment can be taken according to the study [34]. Therefore, it is possible to apply a modified formula to determine the risk in assessing security:
R k y = k = 1 K p k ( D k ) . l = 1 n D l y i n t   l
where n is the number of nodes in the circuit of the power supply system, and K is the number of states of the power supply system.
The number of states K of the distribution network depends on the total number of primary failures of components of the schematic diagram: lines, transformers, distributed generation sources. By analyzing the risk estimates together with specific schematic diagram components, it is possible to identify weaknesses in the distribution network in terms of its security. Based on this assessment, recommendations and measures to improve security are formed.
Figure 14 shows the results of calculating the safety risk indices of the initial circuit using the formula for calculating the risk when assessing the security of the power supply system, taking into account the specific damage from a sudden power outage at consumers and the probabilities of a power shortage in the state under consideration. power supply systems.
In this case, the failure probabilities of the primary components (power transmission lines, transformers, buses), as well as circuit breakers and protection devices are assumed in accordance with [3]. The values of specific damages caused by power supply interruption as a function of the structure of consumers in the considered power supply system are applied according to [11].
The diagram of risk metrics for the initial network (Figure 14) shows that the failures of buses 8, 10, 12, 14, transformers 34 and, particularly, 15 are dangerous from the security standpoint. The highest risk value assigned to the failure of transformer 15 is due to the fact that the source S2 supplies power to more essential consumers than the source S1, which yields high values of specific damages. The zero risk values for components 7, 16, 17, 21 are explained by the absence of these backup transmission lines in the initial power supply system.
Figure 15 shows the estimates of risk metrics for the reconfigured schematic diagram of the power supply system (Figure 5) given the same input data.
It is assumed that the disconnector’s work on the reconfiguration of distribution networks is performed efficiently, and their accuracy is high, although no specific data are available yet. It should be noted that the failure of any line when it is connected is very unlikely. It should also be noted that disconnector failures when connecting backup distribution network lines will lead to results identical to those for the original schematic diagram.
Figure 15 demonstrates active power distribution network efficiency improvement causing higher level of power supply system security.
Next, system reliability metrics were calculated for the entire active distribution network under consideration. The calculations were performed while factoring in the operating conditions and operation principles of network protection systems.
The following parameters were calculated using Formulas (1)–(3).
The impact of using data records from different sensors is shown in Figure 16 in terms of system reliability metrics.
Thus, the results attest to the high efficiency of the proposed methodology for the creation of flexible electrical distribution networks.

6. Conclusions

Adoption of new principles of operation in electric distribution networks, the use of modern multifunctional switchgear, development of protection and automated control systems, as well as the need to coordinate their operation, have led to a change in the principles of emergency control towards their automation to reconfigure the power distribution network and ensure its flexibility in responding to equipment failures and emergencies.
We developed methods that allow one to choose the optimal configuration of the active distribution network.
Based on the principles of delimiting operational areas, we developed a method for selecting a rational distribution network structure and enabling it with the properties ensuring its active nature.
Proper sensor placement is very important for ensuring the active nature of the network and its flexibility. To maximize the efficiency of the power distribution network, the authors propose an arrangement of network state sensors in such a network.
This article introduces distribution network control models. This model allows for the flexibility of such distribution power networks and significantly increase the reliability of the power supply.
The use of the methods developed herein enables one to improve the efficiency of distribution power networks and makes it possible to implement the principle of activity of the distribution network of the islanded power supply system.

Author Contributions

Conceptualization, K.S. and P.I.; methodology, I.S.; software, I.S.; validation, D.N.S., K.S. and I.S.; formal analysis, I.S.; investigation, I.S. and P.I.; resources, K.S.; data curation, I.S.; writing—original draft preparation, K.S.; writing—review and editing, K.S.; visualization, I.S. and K.S.; supervision, I.S.; project administration, D.N.S.; funding acquisition, P.I. All authors have read and agreed to the published version of the manuscript.

Funding

The research was carried out within the state assignment of Ministry of Science and Higher Education of the Russian Federation (project code: FZZS-2020-0039).

Institutional Review Board Statement

Not applicable.

Informed Consent Statement

Not applicable.

Data Availability Statement

Data sharing not applicable.

Conflicts of Interest

The funders had no role in the design of the study; in the collection, analyses, or interpretation of data; in the writing of the manuscript, or in the decision to publish the results.

References

  1. Dreglea, A.; Foley, A.; Häger, U.; Sidorov, D.; Tomin, N. Hybrid renewable energy systems, load and generation forecasting, new grids structure, and smart technologies. In Solving Urban Infrastructure Problems Using Smart City Technologies; Elsevier: Amsterdam, The Netherlands, 2021; pp. 475–484. [Google Scholar]
  2. Panasetsky, D.; Sidorov, D.; Li, Y.; Ouyang, L.; Xiong, J.; He, L. Centralized emergency control for multiterminal VSC-based shipboard power systems. Int. J. Electr. Power Energy Syst. 2019, 104, 205–214. [Google Scholar] [CrossRef]
  3. Voropai, N.I.; Styczynski, Z.; Shushpanov, I.N.; Son, P.T.; Suslov, K.V. Security model of active distribution electric networks. Therm. Eng. 2013, 60, 1024–1030. [Google Scholar] [CrossRef]
  4. Zeng, B.; Wen, J.; Shi, J.; Zhang, J.; Zhang, Y. A multi-level approach to active distribution system planning for efficient renewable energy harvesting in a deregulated environment. Energy 2016, 96, 614–624. [Google Scholar] [CrossRef]
  5. Mokryani, G.; Hu, F.; Pillai, P.; Rajamani, H.-S. Active distribution networks planning with high penetration of wind power. Renew. Energy 2017, 104, 40–49. [Google Scholar] [CrossRef] [Green Version]
  6. Xie, M.; Ji, X.; Hu, X.; Cheng, P.; Du, Y.; Liu, M. Autonomous optimized economic dispatch of active distribution system with multi-microgrids. Energy 2018, 153, 479–489. [Google Scholar] [CrossRef]
  7. Ghadi, M.J.; Rajabi, A.; Ghavidel, S.; Azizivahed, A.; Li, L.; Zhang, J. From active distribution systems to decentralized microgrids: A review on regulations and planning approaches based on operational factors. Appl. Energy 2019, 253, 113543. [Google Scholar] [CrossRef]
  8. McDonald, J. Adaptive intelligent power systems: Active distribution networks. Energy Policy 2008, 36, 4346–4351. [Google Scholar] [CrossRef]
  9. Celli, G.; Giani, E.; Soma, G.G.; Pilo, F. Planning of reliable active distribution systems. In Proceedings of the 44th Session CIGRE 2012, Paris, France, 26–31 August 2012. [Google Scholar]
  10. Begovic, M.M. (Ed.) Electrical Transmission Systems and Smart Grids: Selected Entries from the Encyclopedia of Sustainability Science and Technology; Springer Science + Business Media: New York, NY, USA, 2013. [Google Scholar]
  11. Svezhentseva, O.; Voropai, N. Optimization of supply source allocation in the problem of rational configuration of electricity supply system. In Proceedings of the 2012 3rd IEEE PES Innovative Smart Grid Technologies Europe (ISGT Europe), Berlin, Germany, 14–17 October 2012; pp. 1–7. [Google Scholar] [CrossRef]
  12. Voropai, N.; Styczysnki, Z.; Shushpanov, I.; Suslov, K. Mathematical model and topological method for reliability calculation of distribution networks. In Proceedings of the 2013 IEEE Grenoble Conference PowerTech, Grenoble, France, 16–20 June 2013. [Google Scholar]
  13. Khator, S.; Leung, L. Power distribution planning: A review of models and issues. IEEE Trans. Power Syst. 1997, 12, 1151–1159. [Google Scholar] [CrossRef]
  14. Georgilakis, P.S.; Hatziargyriou, N.D. A review of power distribution planning in the modern power systems era: Models, methods and future research. Electr. Power Syst. Res. 2015, 121, 89–100. [Google Scholar] [CrossRef]
  15. Conte, F.; D’Agostino, F.; Silvestro, F. Operational constrained nonlinear modeling and identification of active distribution networks. Electr. Power Syst. Res. 2019, 168, 92–104. [Google Scholar] [CrossRef]
  16. Ehsan, A.; Yang, Q. State-of-the-art techniques for modelling of uncertainties in active distribution network planning: A review. Appl. Energy 2019, 239, 1509–1523. [Google Scholar] [CrossRef]
  17. Ilyushin, P.; Suslov, K. Operation of Automatic Transfer Switches in the Networks with Distributed Generation. In 2019 IEEE Milan PowerTech; Institute of Electrical and Electronics Engineers (IEEE): Piscataway, NJ, USA, 2019; pp. 1–6. [Google Scholar]
  18. Alberto Escalera, A.; Prodanović, M.; Castronuovo, E.D. Analytical methodology for reliability assessment of distri-bution networks with energy storage in islanded and emergency-tie restoration modes. Int. J. Electr. Power Energy Syst. 2019, 107, 735–744. [Google Scholar] [CrossRef]
  19. North American Electric Reliability Council. Reliability Concepts in Bulk Electric Power Systems; North American Electric Reliability Council: New York, NY, USA, 1985. [Google Scholar]
  20. Balu, N.; Bertram, T.; Bose, A.; Brandwajn, V.; Cauley, G.; Curtice, D.; Fouad, A.; Fink, L.; Lauby, M.G.; Wollenberg, B.F.; et al. On-line power system security analysis. Proc. IEEE 1992, 80, 682–699. [Google Scholar] [CrossRef]
  21. Marceau, R.J.; Endrenyi, J.; Allan, R.; Alvarado, F.L.; Bloemhof, G.A.; Carlsen, T.; Couto, G.; Dialynas, E.N.; Hatziargyriou, N.; Holmberg, D.; et al. Power system security assessment: A position paper. Electra 1997, 175, 77–91. [Google Scholar]
  22. Jensen, R.; Endrenyi, J. Reliability Modeling in Electric Power Systems. J. Oper. Res. Soc. 1979, 30, 769. [Google Scholar] [CrossRef]
  23. Jiyan, F.; Borlase, S. The evolution of distribution. IEEE Power Energy Mag. 2009, 7, 37–43. [Google Scholar]
  24. Billinton, R.; Allan, R. Reliability Evaluation of Power Systems; Plenum Press: New York, NY, USA, 1996. [Google Scholar]
  25. Nepomnyashchy, V.A. Economic and mathematical model of reliability in electric power systems and electrical net-works. Elektrichestvo 2011, 2, 31–37. (In Russian) [Google Scholar]
  26. Li, W.; Wei Zhao, W.; Mou, X. A technique for network modeling and reliability evaluation of complex radial distribution systems. In Proceedings of the 2009 IEEE Power & Energy Society General Meeting, Calgary, Canada, 26–30 July 2009. [Google Scholar]
  27. Krajnak, D.J. Faulted Circuit Indicators and System Reliability. In Proceedings of the Rural Electric Power Conference, Louisville, KY, USA, 7–9 May 2000. [Google Scholar]
  28. Grilo, A.; Casaca, A.; Nunes, M.; Fortunato, C. Wireless Sensor Networks for the Protection of an Electrical Energy Distribution Infrastructure. In Proceedings of the International Conference CIP 2010, Brisbane, Australia, 20–23 September 2010; Springer: Berlin/Heidelberg, Germany, 2010; pp. 373–383. [Google Scholar]
  29. Gavrilov, D.; Gouzman, M.; Luryi, S. Monitoring large-scale power distribution grids. Solid-state Electron. 2019, 155, 57–64. [Google Scholar] [CrossRef]
  30. McCalley, J.D.; Vittal, V.; Abi-Samra, N. An over view of risk based security assessment. In Proceedings of the 1999 IEEE PES Summer Meeting, Edmonton, AB, Canada, 18–22 July 1999. [Google Scholar]
  31. Li, W. Risk Assessment of Power Systems: Models, Methods and Applications; John Wiley and Sons: Hoboken, NJ, USA, 2005. [Google Scholar]
  32. Schwan, M.; Ettinger, A.; Gunaltay, S. Probabilistic reliability assessment in distribution network master plan development and in distribution automation implementation. In Proceedings of the CIGRE, 2012 Session, Paris, France, 26–30 August 2012. Rep. C4-203. [Google Scholar]
  33. McDonald, J.; Pal, B. Representing the risk imposed by different strategies of distribution system operation. In Proceedings of the 2006 IEEE Power Engineering Society General Meeting, Montreal, QC, Canada, 18–22 June 2006. [Google Scholar] [CrossRef]
  34. Hua, X.-J.; Wan, Q.-L.; Wang, L. Security assessment of power systems based on entropy weight-based gray relational method. In Proceedings of the 2008 IEEE Power and Energy Society General Meeting—Conversion and Delivery of Electrical Energy in the 21st Century, Pittsburgh, PA, USA, 20–24 July 2008; pp. 1–6. [Google Scholar] [CrossRef]
Figure 1. Flowchart of the method for selecting the structure of a flexible distribution network.
Figure 1. Flowchart of the method for selecting the structure of a flexible distribution network.
Energies 14 06193 g001
Figure 2. The initial structure of the power distribution network.
Figure 2. The initial structure of the power distribution network.
Energies 14 06193 g002
Figure 3. Structure 1 of the distribution network (S—System, Tr—Transformer, L—Line, SS—Substation).
Figure 3. Structure 1 of the distribution network (S—System, Tr—Transformer, L—Line, SS—Substation).
Energies 14 06193 g003
Figure 4. Structure 2 of the distribution network.
Figure 4. Structure 2 of the distribution network.
Energies 14 06193 g004
Figure 5. Structure 3 of the distribution network.
Figure 5. Structure 3 of the distribution network.
Energies 14 06193 g005
Figure 6. Structure 4 of the distribution network.
Figure 6. Structure 4 of the distribution network.
Energies 14 06193 g006
Figure 7. Reliability metrics for Structure 1 of the distribution network.
Figure 7. Reliability metrics for Structure 1 of the distribution network.
Energies 14 06193 g007
Figure 8. Reliability metrics for Structure 2 of the distribution network.
Figure 8. Reliability metrics for Structure 2 of the distribution network.
Energies 14 06193 g008
Figure 9. Reliability metrics for Structure 3 of the distribution network.
Figure 9. Reliability metrics for Structure 3 of the distribution network.
Energies 14 06193 g009
Figure 10. Reliability metrics for Structure 4 of the distribution network.
Figure 10. Reliability metrics for Structure 4 of the distribution network.
Energies 14 06193 g010
Figure 11. Flowchart of an algorithm for analyzing the reliability of flexible power distribution networks.
Figure 11. Flowchart of an algorithm for analyzing the reliability of flexible power distribution networks.
Energies 14 06193 g011
Figure 12. Reconfigured distribution network with operating areas.
Figure 12. Reconfigured distribution network with operating areas.
Energies 14 06193 g012
Figure 13. Power distribution network with points of installation of current and voltage sensors.
Figure 13. Power distribution network with points of installation of current and voltage sensors.
Energies 14 06193 g013
Figure 14. The diagram of risk metrics for the initial network.
Figure 14. The diagram of risk metrics for the initial network.
Energies 14 06193 g014
Figure 15. The diagram of risk metrics for the reconfigured power network.
Figure 15. The diagram of risk metrics for the reconfigured power network.
Energies 14 06193 g015
Figure 16. The diagram of system reliability metrics for the entire power distribution network.
Figure 16. The diagram of system reliability metrics for the entire power distribution network.
Energies 14 06193 g016
Table 1. Maximum loads at substations.
Table 1. Maximum loads at substations.
Substation No. Active Power P, MW
SS15.11
SS22.27
SS31.61
SS40.54
SS51.18
SS61.47
SS73.39
SS83.24
SS92.48
SS106.52
SS111.12
SS122.27
SS130.49
SS140.29
Total31.98
Table 2. Failure rate of components (for power transmission lines).
Table 2. Failure rate of components (for power transmission lines).
Power
Transmission Line Designation
Failure Rate of Components λ for Different Structures of the Flexible Distribution Network
Structure 1Structure 2Structure 3Structure 4
L1-20.08130.08130.08130.0813
L2-30.06220.06220.06220.0622
L3-40.08600.08600.08600.0860
L4-50.07900.07900.07900.0790
L5-60.21700.21700.21700.2170
L6-70.03400.03400.03400.0340
L7-80.02350.02350.02350.0235
L8-90.00450.00450.00450.0045
L9-100.01080.01080.01080.0108
L10-110.00460.00460.00460.0046
L12-130.11420.11420.11420.1142
L13-140.04580.04580.04580.0458
L4-110.00690.00690.00690.0069
L3-80.08130.08130.08130.134
L0-1---0.134
L0-60.1482-0.1482-
L0-120.1340.1340.1340.134
L1-6-0.1399--
L11-120.13650.13650.1365-
L8-12--0.0912-
Table 3. System reliability metrics for different alternative structures of the distribution network.
Table 3. System reliability metrics for different alternative structures of the distribution network.
StructureFailure FrequencyRecovery TimeAvailability Factor
with Operating Conditions Factored outwith Operating Conditions Factored inwith Operating Conditions Factored outwith Operating Conditions Factored inwith Operating Conditions Factored outwith Operating Conditions Factored in
10.18090.18090.285610.320070.99996740.9999634
20.17120.17120.289040.349990.99996700.9999600
30.15630.15630.281510.315620.99996790.9999639
40.15520.15520.288580.310220.99996710.9998742
Table 4. Lengths of power transmission lines for different alternative structures of flexible distribution network.
Table 4. Lengths of power transmission lines for different alternative structures of flexible distribution network.
Designation of Power Transmission LinesLengths of Power Transmission Lines, km
Structure 1Structure 2Structure 3Structure 4
L1-20.08130.08130.08130.0813
L2-30.06220.06220.06220.0622
L3-40.08600.08600.08600.0860
L4-50.07900.07900.07900.0790
L5-60.21700.21700.21700.2170
L6-70.03400.03400.03400.0340
L7-80.02350.02350.02350.0235
L8-90.00450.00450.00450.0045
L9-100.01080.01080.01080.0108
L10-110.00460.00460.00460.0046
L12-130.11420.11420.11420.1142
L13-140.04580.04580.04580.0458
L4-110.00690.00690.00690.0069
L3-80.08130.08130.08130.134
L0-1---0.134
L0-60.1482-0.1482-
L0-120.1340.1340.1340.134
L1-6-0.1399--
L11-120.13650.13650.1365-
L8-12--0.0912-
Table 5. The construction costs for alternative structures of the flexible distribution network.
Table 5. The construction costs for alternative structures of the flexible distribution network.
Number of the Network Structure AlternativeConstruction Costs, USD
11,051,427
21,033,826
3966,053
4883,720
Table 6. Annual maintenance costs of alternative structures of the flexible distribution network.
Table 6. Annual maintenance costs of alternative structures of the flexible distribution network.
Number of the Network Structure AlternativeAnnual Maintenance Costs, USD
1126,120
2121,947
3111,613
496,773
Table 7. The value of a power shortage for alternative structures of the flexible distribution network.
Table 7. The value of a power shortage for alternative structures of the flexible distribution network.
Number of the Network Structure Alternative Power Shortage,
Wshortage Annual, MW∙h
1126,120
2121,947
3111,613
496,773
Table 8. Values of the boundary specific damage from a power shortage.
Table 8. Values of the boundary specific damage from a power shortage.
Alternatives Being ComparedValue of Boundary Damage, USD/kWh
d0bound(4-2)1.07
d0bound(4-3)0.23
d0bound(4-1)0.48
d0bound(3-2)2.44
d0bound(2-1)−2.17
d0bound(3-1)0.74
Publisher’s Note: MDPI stays neutral with regard to jurisdictional claims in published maps and institutional affiliations.

Share and Cite

MDPI and ACS Style

Shushpanov, I.; Suslov, K.; Ilyushin, P.; Sidorov, D.N. Towards the Flexible Distribution Networks Design Using the Reliability Performance Metric. Energies 2021, 14, 6193. https://doi.org/10.3390/en14196193

AMA Style

Shushpanov I, Suslov K, Ilyushin P, Sidorov DN. Towards the Flexible Distribution Networks Design Using the Reliability Performance Metric. Energies. 2021; 14(19):6193. https://doi.org/10.3390/en14196193

Chicago/Turabian Style

Shushpanov, Ilia, Konstantin Suslov, Pavel Ilyushin, and Denis N. Sidorov. 2021. "Towards the Flexible Distribution Networks Design Using the Reliability Performance Metric" Energies 14, no. 19: 6193. https://doi.org/10.3390/en14196193

APA Style

Shushpanov, I., Suslov, K., Ilyushin, P., & Sidorov, D. N. (2021). Towards the Flexible Distribution Networks Design Using the Reliability Performance Metric. Energies, 14(19), 6193. https://doi.org/10.3390/en14196193

Note that from the first issue of 2016, this journal uses article numbers instead of page numbers. See further details here.

Article Metrics

Back to TopTop