On-Line EIS Measurement for High-Power Fuel Cell Systems Using Simulink Real-Time
Abstract
:1. Introduction
2. On-Line EIS Measurement for High-Power Fuel Cell Systems
2.1. Difference between Laboratory EIS and Proposed On-Line EIS
2.2. Building On-Line EIS by Real-Time Target
3. Development On-Line EIS Model for Real-Time Application
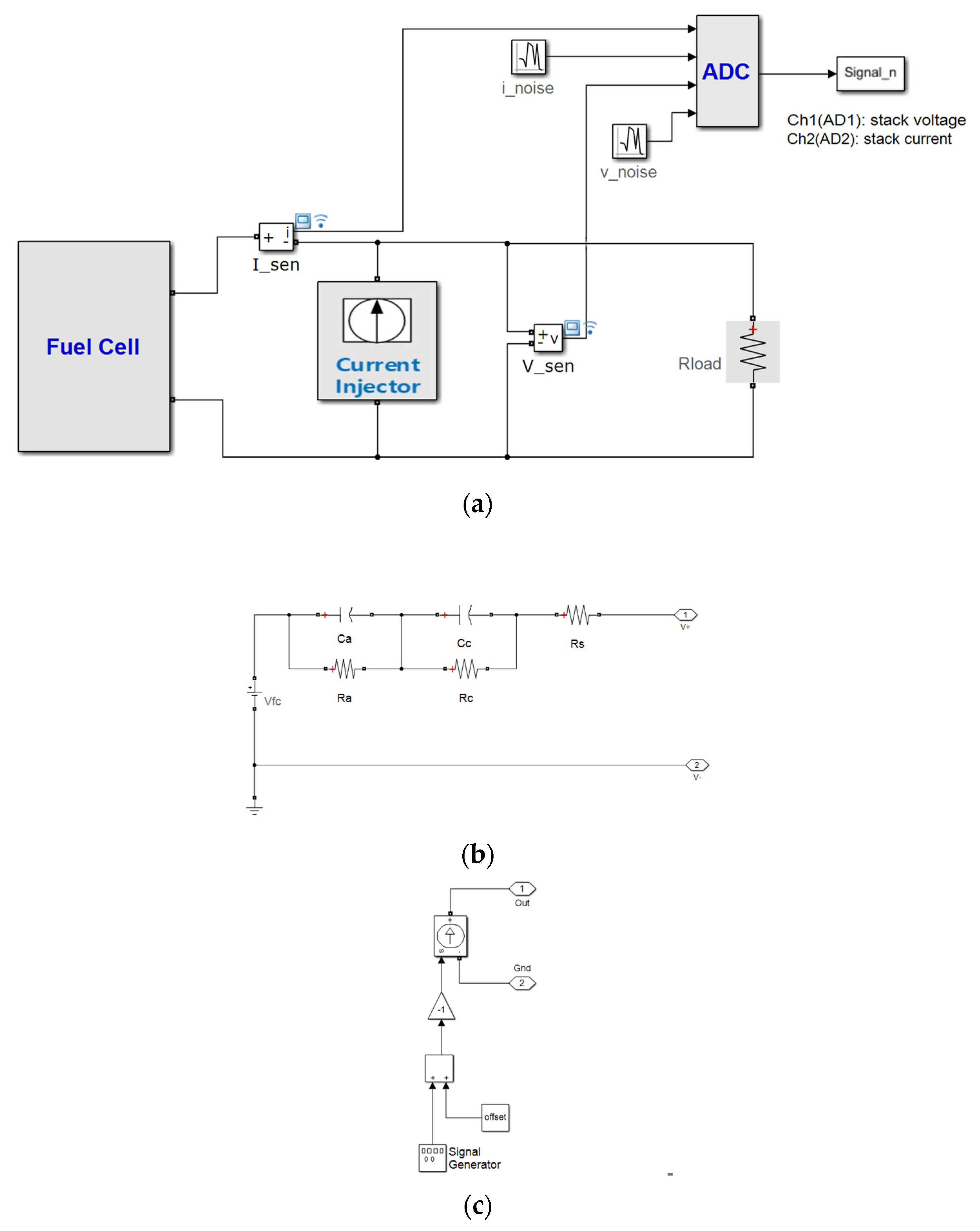
3.1. Building Model and Simulation for Testing the Proposed Method
3.2. Building On-Line EIS by Real-Time Target
4. Experiment with a Fuel Cell System and Discussion
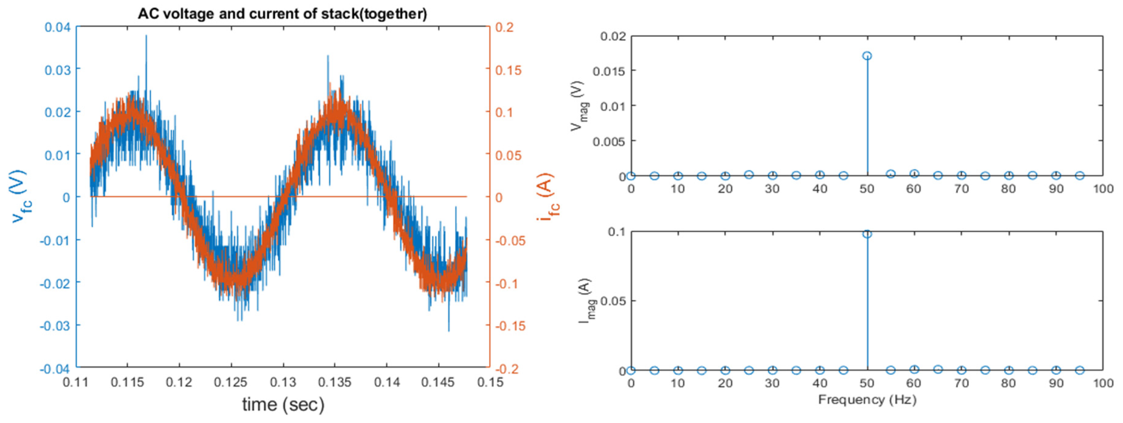
4.1. Experiment with a Fuel Cell Impedance Simulator
4.2. Experiment with a Fuel Cell Stack
5. Conclusions
Author Contributions
Funding
Institutional Review Board Statement
Informed Consent Statement
Data Availability Statement
Acknowledgments
Conflicts of Interest
References
- Staffell, I.; Scamman, D.; Velazquez Abad, A.; Balcombe, P.; Dodds, P.E.; Ekins, P.; Shah, N.; Ward, K.R. The role of hydrogen and fuel cells in the global energy system. Energy Environ. Sci. 2019, 12, 463–491. [Google Scholar] [CrossRef] [Green Version]
- Larminie, J.; Dicks, A. Fuel Cell Systems Explained, 3rd ed.; J. Wiley: Chichester, UK, 2018; ISBN 9781118613528. [Google Scholar]
- Holmström, N.; Wiezell, K.; Lindbergh, G. Studying Low-Humidity Effects in PEFCs Using EIS. J. Electrochem. Soc. 2012, 159, F369–F378. [Google Scholar] [CrossRef]
- Wagner, N. Characterization of membrane electrode assemblies in polymer electrolyte fuel cells using a.c. impedance spectroscopy. J. Appl. Electrochem. 2002, 32, 859–863. [Google Scholar] [CrossRef]
- Tang, Y.; Zhang, J.; Song, C.; Liu, H.; Zhang, J.; Wang, H.; Mackinnon, S.; Peckham, T.; Li, J.; McDermid, S.; et al. Temperature Dependent Performance and In Situ AC Impedance of High-Temperature PEM Fuel Cells Using the Nafion-112 Membrane. J. Electrochem. Soc. 2006, 153, A2036. [Google Scholar] [CrossRef]
- Yuan, X.; Wang, H.; Colin Sun, J.; Zhang, J. AC impedance technique in PEM fuel cell diagnosis-A review. Int. J. Hydrogen Energy 2007, 32, 4365–4380. [Google Scholar] [CrossRef]
- Tang, Z.; Huang, Q.A.; Wang, Y.J.; Zhang, F.; Li, W.; Li, A.; Zhang, L.; Zhang, J. Recent progress in the use of electrochemical impedance spectroscopy for the measurement, monitoring, diagnosis and optimization of proton exchange membrane fuel cell performance. J. Power Sources 2020, 468, 228361. [Google Scholar] [CrossRef]
- Meddings, N.; Heinrich, M.; Overney, F.; Lee, J.S.; Ruiz, V.; Napolitano, E.; Seitz, S.; Hinds, G.; Raccichini, R.; Gaberšček, M.; et al. Application of electrochemical impedance spectroscopy to commercial Li-ion cells: A review. J. Power Sources 2020, 480. [Google Scholar] [CrossRef]
- O’Rourke, J.; Ramani, M.; Arcak, M. Using electrochemical impedance to determine airflow rates. Int. J. Hydrogen Energy 2008, 33, 4694–4701. [Google Scholar] [CrossRef]
- De Beer, C.; Barendse, P.S.; Pillay, P.; Bullecks, B.; Rengaswamy, R. Online diagnostics of HTPEM fuel cells using small amplitude transient analysis for CO poisoning. IEEE Trans. Ind. Electron. 2015, 62, 5175–5186. [Google Scholar] [CrossRef]
- Zhang, Q.; Lin, R.; Técher, L.; Cui, X. Experimental study of variable operating parameters effects on overall PEMFC performance and spatial performance distribution. Energy 2016, 115, 550–560. [Google Scholar] [CrossRef]
- Hink, S.; Roduner, E. Application of a contact mode AFM for spatially resolved electrochemical impedance spectroscopy measurements of a Nafion membrane electrode assembly. Phys. Chem. Chem. Phys. 2013, 15, 1408–1416. [Google Scholar] [CrossRef]
- Baricci, A.; Mereu, R.; Messaggi, M.; Zago, M.; Inzoli, F.; Casalegno, A. Application of computational fluid dynamics to the analysis of geometrical features in PEM fuel cells flow fields with the aid of impedance spectroscopy. Appl. Energy 2017, 205, 670–682. [Google Scholar] [CrossRef]
- Ihonen, J.; Mikkola, M.; Lindbergh, G. Flooding of Gas Diffusion Backing in PEFCs. J. Electrochem. Soc. 2004, 151, A1152. [Google Scholar] [CrossRef] [Green Version]
- Kim, J.; Lee, I.; Tak, Y.; Cho, B.H. Impedance-based diagnosis of polymer electrolyte membrane fuel cell failures associated with a low frequency ripple current. Renew. Energy 2013, 51, 302–309. [Google Scholar] [CrossRef]
- Ren, P.; Pei, P.; Li, Y.; Wu, Z.; Chen, D.; Huang, S.; Jia, X. Diagnosis of water failures in proton exchange membrane fuel cell with zero-phase ohmic resistance and fixed-low-frequency impedance. Appl. Energy 2019, 239, 785–792. [Google Scholar] [CrossRef]
- Araya, S.S.; Zhou, F.; Sahlin, S.L.; Thomas, S.; Jeppesen, C.; Kær, S.K. Fault characterization of a proton exchange membrane fuel cell stack. Energies 2019, 12, 152. [Google Scholar] [CrossRef] [Green Version]
- Laribi, S.; Mammar, K.; Sahli, Y.; Koussa, K. Analysis and diagnosis of PEM fuel cell failure modes (flooding & drying) across the physical parameters of electrochemical impedance model: Using neural networks method. Sustain. Energy Technol. Assess. 2019, 34, 35–42. [Google Scholar] [CrossRef]
- Lee, J.H.; Lee, J.H.; Choi, W.; Park, K.W.; Sun, H.Y.; Oh, J.H. Development of a method to estimate the lifespan of proton exchange membrane fuel cell using electrochemical impedance spectroscopy. J. Power Sources 2010, 195, 6001–6007. [Google Scholar] [CrossRef]
- Petrone, R.; Vitagliano, C.; Péra, M.C.; Chamagne, D.; Sorrentino, M. Characterization of an H2/O2 PEMFC Short-Stack Performance Aimed to Health-State Monitoring and Diagnosis. Fuel Cells 2018, 18, 279–286. [Google Scholar] [CrossRef]
- Evgenij Barsoukov, J.R.M. Impedance Spectroscopy: Theory, Experiment, and Application, 3rd ed.; J. Wiley: Hoboken, NJ, USA, 2018; ISBN 9781119074083. [Google Scholar]
- MathWorks. Simulink Real-Time User’s Guide; MathWorks: Natick, MA, USA, 2019. [Google Scholar]
- Solartron. 1260A Impedance/Gain-Phase Analyzer; Solartron Analytical: Wokingham, UK, 2017. [Google Scholar]
- Yuan, X.; Sun, J.C.; Blanco, M.; Wang, H.; Zhang, J.; Wilkinson, D.P. AC impedance diagnosis of a 500 W PEM fuel cell stack. Part I: Stack impedance. J. Power Sources 2006, 161, 920–928. [Google Scholar] [CrossRef]
- Dhirde, A.M.; Dale, N.V.; Salehfar, H.; Mann, M.D.; Han, T.H. Equivalent electric circuit modeling and performance analysis of a PEM fuel cell stack using impedance spectroscopy. IEEE Trans. Energy Convers. 2010, 25, 778–786. [Google Scholar] [CrossRef]
- Bouaicha, A.; Allagui, H.; Mami, A.; Rouane, A. Study of an electronic load for measuring the internal impedance of a PEM fuel cell. In Proceedings of the 10th International Multi-Conferences on Systems, Signals & Devices 2013 (SSD13), Hammamet, Tunisia, 18–21 March 2013; pp. 1–5. [Google Scholar] [CrossRef]
- Lee, Y.; Member, S.; Park, S.; Han, S. Online Embedded Impedance Measurement Using High-Power Battery Charger. IEEE Trans. Ind. Appl. 2015, 51, 498–508. [Google Scholar] [CrossRef]
- Huang, W.; Qahouq, J.A. An online battery impedance measurement method using DC-DC power converter control. IEEE Trans. Ind. Electron. 2014, 61, 5987–5995. [Google Scholar] [CrossRef]
- Speedgoat. Available online: https://www.speedgoat.com/ (accessed on 22 September 2021).
- Pérez-Page, M.; Pérez-Herranz, V. Study of the electrochemical behaviour of a 300 W PEM fuel cell stack by Electrochemical Impedance Spectroscopy. Int. J. Hydrogen Energy 2014, 39, 4009–4015. [Google Scholar] [CrossRef] [Green Version]
- Oh, H.; Lee, W.Y.; Won, J.; Kim, M.; Choi, Y.Y.; Han, S. Bin Residual-based fault diagnosis for thermal management systems of proton exchange membrane fuel cells. Appl. Energy 2020, 277, 115568. [Google Scholar] [CrossRef]
- Asghari, S.; Mokmeli, A.; Samavati, M. Study of PEM fuel cell performance by electrochemical impedance spectroscopy. Int. J. Hydrogen Energy 2010, 35, 9283–9290. [Google Scholar] [CrossRef]
- Yan, X.; Hou, M.; Sun, L.; Liang, D.; Shen, Q.; Xu, H.; Ming, P.; Yi, B. AC impedance characteristics of a 2 kW PEM fuel cell stack under different operating conditions and load changes. Int. J. Hydrogen Energy 2007, 32, 4358–4364. [Google Scholar] [CrossRef]
- Rezaei Niya, S.M.; Phillips, R.K.; Hoorfar, M. Process modeling of the impedance characteristics of proton exchange membrane fuel cells. Electrochim. Acta 2016, 191, 594–605. [Google Scholar] [CrossRef] [Green Version]














| Stack Voltage Range | Stack Current Range | Injection Current Range | Real-Time Target |
|---|---|---|---|
| 10–200 (V) | No limit (when sensor is available) | Waveform: sine wave Frequency: 0.01–2000 (Hz) Amplitude: 0.01–1 (A) | Machine: Mobile (Speedgoat) Sampling time: 20 (μs) Measurement Cycle: 16 OS: Simulink Real-Time R2019b |
| Fuel Cell Model | Current Injector Model | ADC Model | Rload |
|---|---|---|---|
| Ra = 130 (mohm) Ca = 8000 (μF) Rc = 470 (mohm) Cc = 90,000 (μF) Rs = 500 (mohm) Vfc = 20 (V) | Frequency: 0.1–5000 (Hz) Amplitude: 0.1 (A) Offset: 0.1 (A) | Vgain = 0.26 Igain = 0.096 | 1 (ohm) 5 (ohm) |
Publisher’s Note: MDPI stays neutral with regard to jurisdictional claims in published maps and institutional affiliations. |
© 2021 by the authors. Licensee MDPI, Basel, Switzerland. This article is an open access article distributed under the terms and conditions of the Creative Commons Attribution (CC BY) license (https://creativecommons.org/licenses/by/4.0/).
Share and Cite
Han, S.-B.; Oh, H.; Lee, W.-Y.; Won, J.; Chae, S.; Baek, J. On-Line EIS Measurement for High-Power Fuel Cell Systems Using Simulink Real-Time. Energies 2021, 14, 6133. https://doi.org/10.3390/en14196133
Han S-B, Oh H, Lee W-Y, Won J, Chae S, Baek J. On-Line EIS Measurement for High-Power Fuel Cell Systems Using Simulink Real-Time. Energies. 2021; 14(19):6133. https://doi.org/10.3390/en14196133
Chicago/Turabian StyleHan, Soo-Bin, Hwanyeong Oh, Won-Yong Lee, Jinyeon Won, Suyong Chae, and Jongbok Baek. 2021. "On-Line EIS Measurement for High-Power Fuel Cell Systems Using Simulink Real-Time" Energies 14, no. 19: 6133. https://doi.org/10.3390/en14196133
APA StyleHan, S.-B., Oh, H., Lee, W.-Y., Won, J., Chae, S., & Baek, J. (2021). On-Line EIS Measurement for High-Power Fuel Cell Systems Using Simulink Real-Time. Energies, 14(19), 6133. https://doi.org/10.3390/en14196133

