Electrical Stress on the Medium Voltage Medium Frequency Transformer
Abstract
:1. Introduction
2. Transformer Prototype for the Simulation
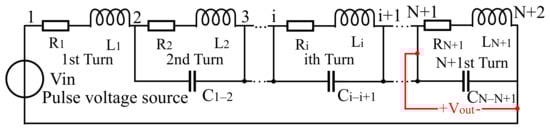
3. Equivalent Model of HV Winding
3.1. Stray Capacitance
3.2. Inductance and Resistance
4. Analysis on the Mechanism of Overvoltage
5. Parameters of the Simulation on the Complete Model
5.1. Rise Time
5.2. Insulation Relative Permittivity
5.3. Winding Structure
6. Results of Simulation on the Complete Model
6.1. Interturn Voltage
6.2. Interlayer Voltage
7. Conclusions
- Based on the FEM calculation, an equivalent circuit model of a 1.5 kV, 1 kHz transformer‘s HV winding is built. Simulations and mechanism analysis verify the correctness of this model and its ability to obtain the transient electrical stress in the winding of MVMF transformer quantitatively.
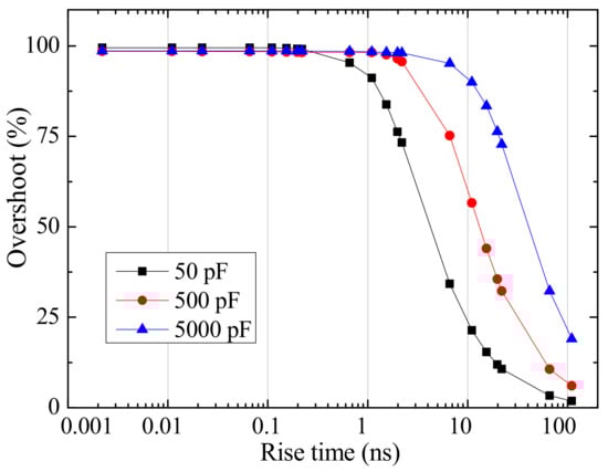
- Transient interturn/layer voltage simulation on the model shows the characteristics of transient voltage overshoot in the winding fed by pulse voltage that cannot be observed by steady-state voltage/electric field analysis. The results also indicate that pulse voltage with shorter rise time can induce higher interturn and interlayer overvoltage. Based on that, guidelines about choosing appropriate voltage waveform for aging and endurance lifetime studies on the MVMF transformer insulation can be given. This would help researchers build a life-time model of the insulation with more accuracy.
- Electrical stress of the MVMF transformer’s winding with different design parameters (in this paper, mainly different insulation materials and winding structures) can be obtained through this model. Simulation results show that using insulation material with lower relative permittivity and changing the winding structure from C-type to Z-type can reduce the interturn and interlayer overvoltage. Based on that, we propose limiting the voltage overshoot and, thereafter, enhancing the MVMF transformer’s insulation capability in its design phase, which throws light on the MVMF transformer’s insulation design.
Author Contributions
Funding
Informed Consent Statement
Data Availability Statement
Conflicts of Interest
References
- Heinemann, L. An actively cooled high power high frequency transformer with high insulation capability. In Proceedings of the 2002 7th Annual IEEE Applied Power Electronics Conference and Exposition, Dallas, TX, USA, 10–14 March 2002; pp. 352–357. [Google Scholar] [CrossRef]
- Mogorovic, M. Modeling and Design Optimization of Medium Frequency Transformers for Medium-Voltage High-Power Converters. Ph.D. Thesis, Swiss Federal Institute of Technology in Lausanne, Lausanne, Switzerland, 2019. [Google Scholar] [CrossRef]
- Liu, T.; Li, Q.M.; Huang, X.W.; Lu, Y.F.; Asif, M.; Wang, Z.D. Partial discharge behavior and ground insulation life expectancy under different voltage frequencies. IEEE Trans. Dielectr. Electr. Insul. 2018, 25, 603–613. [Google Scholar] [CrossRef]
- Wan, J.; Lin, Z.; Yu, H. Research of PWM Pulse Voltage Distribution in Motor Winding. In Proceedings of the 2001 5th International Conference on Electrical Machines and Systems, Shenyang, China, 18–20 August 2001; pp. 43–46. [Google Scholar] [CrossRef]
- Melfi, M.; Sung, A.M.J.; Bell, S.; Skibinski, G.L. Effect of surge voltage risetime on the insulation of low-voltage machines fed by PWM converters. IEEE Trans. Ind. Appl. 1998, 34, 766–775. [Google Scholar] [CrossRef]
- Kaufhold, M.; Borner, G.; Eberhardt, M.; Speck, J. Failure mechanism of the interturn insulation of low voltage electric machines fed by pulse controlled inverters. IEEE Elect. Insul. Mag. 1996, 12, 9–16. [Google Scholar] [CrossRef]
- Fabiani, D.; Montanari, G.C.; Contin, A. Aging Acceleration of Insulating Materials for Electrical Machine Windings Supplied by PWM in the Presence and in the Absence of Partial Discharges. In Proceedings of the 2001 7th IEEE International Conference on Solid Dielectrics, Eindhoven, The Netherlands, 25–29 June 2001; pp. 283–286. [Google Scholar] [CrossRef]
- Huang, P.; Mao, C.; Wang, D. Electric Field Simulations and Analysis for High Voltage High Power Medium Frequency Transformer. Energies 2017, 10, 371. [Google Scholar] [CrossRef] [Green Version]
- Zheng, Z.H.; Lu, B.; Tao, J.; Li, L.G.; Chu, P.; Wen, Q.Y. Study on Insulation Design of High Power High Frequency High Voltage Transformer. In Proceedings of the 2018 2nd IEEE Conference on Energy Internet and Energy System Integration, Beijing, China, 20–22 October 2018. [Google Scholar] [CrossRef]
- Lu, F.C.; Li, D.R.; Guo, Y.X.; Fu, C.; Wang, H. Optimal design of compact main insulation structure of PETT. In Proceedings of the 2015 18th International Conference on Electrical Machines and Systems, Pattaya, Thailand, 25–28 October 2015; pp. 303–306. [Google Scholar] [CrossRef]
- Chen, Q.; Raju, R.; Dong, D.; Agamy, M. High Frequency Transformer Insulation in Medium Voltage SiC enabled Air-cooled Solid-State Transformers. In Proceedings of the 2018 IEEE Energy Conversion Congress and Exposition, Portland, OR, USA, 23–27 September 2018; pp. 1–10. [Google Scholar] [CrossRef]
- Guillod, T.; Krismer, F.; Kolar, J.W. Electrical shielding of MV/MF transformers subjected to high dv/dt PWM voltages. In Proceedings of the 2017 Applied Power Electronics Conference and Exposition, Tampa, FL, USA, 26–30 March 2017; pp. 2502–2510. [Google Scholar] [CrossRef]
- Wan, J.R.; Liu, H.C.; Yu, H.J. Voltage distribution in stator windings of the motor driven by PWM inverter. In Proceedings of the IEEE International Conference on Power System Technology, Kunming, China, 13–17 October 2002; pp. 727–731. [Google Scholar] [CrossRef]
- Wen, F.X.; Zhang, L.L.; Wu, G.N.; He, E.G. Modeling and Simulation of Inter-Turn Voltage Distribution in the Stator Windings of the Pulling Motor. In Proceedings of the 2004 IEEE International Conference on Solid Dielectrics, Toulouse, France, 5–9 July 2004; pp. 900–903. [Google Scholar] [CrossRef]
- Krings, A.; Paulsson, G.; Sahlen, F.; Holmgren, B. Experimental investigation of the voltage distribution in form wound windings of large AC machines due to fast transients. In Proceedings of the 2016 International Conference on Electrical Machines, Lausanne, Switzerland, 4–7 September 2016; pp. 1700–1706. [Google Scholar] [CrossRef]
- Moghadam, D.E.; Speck, J.; Grossmann, S.; Stahl, J. Voltage Distribution in the Stator Windings of High Voltage Motors Fed by PWM Drives Part I: Effects of the Pulse Characteristics. In Proceedings of the 2018 2nd IEEE International Conference on Dielectrics, Budapest, Hungary, 1–5 July 2018. [Google Scholar] [CrossRef]
- Fergested, P.I.; Henriksen, T. Transient Oscillations in Multiwinding Transformers. IEEE Trans. Power Appar. Syst. 1974, 93, 500–508. [Google Scholar] [CrossRef]
- Stein, G.M. A study of the Initial Surge Distribution in Concentric Transformer Windings. IEEE Trans. Power Appar. Syst. 1974, 83, 877–893. [Google Scholar] [CrossRef]
- Huang, P.; Mao, C.X.; Wang, D.; Wang, L.B.; Duan, Y.P.; Qiu, J.; Xu, G. Optimal Design and Implementation of High-Voltage High-Power Silicon Steel Core Medium-Frequency Transformer. IEEE Trans. Ind. Electr. 2017, 64, 4391–4401. [Google Scholar] [CrossRef]
- Guillod, G.; Jonans, E.H.; Gabriel, O.; Ankan, D.; Christian, M.F.; Johann, W.K. Characterization of the Voltage and Electric Field Stresses in Multi-Cell Solid-State Transformers. In Proceedings of the 2014 IEEE Energy Conversion Congress and Exposition, Pittsburgh, PA, USA, 14–18 September 2014. [Google Scholar] [CrossRef]
- Brigham, E. Fast Fourier Transform and its Applications; Pearson Education: Cranbury, NJ, USA, 1988. [Google Scholar]
- Skibinski, G.; Kerkman, R.; Leggate, D.; Pankau, J.; Schlegel, D. Reflected wave modeling techniques for PWM AC motor drives. In Proceedings of the 1998 13th Annual Applied Power Electronics Conference and Exposition, Anaheim, CA, USA, 15–19 February 1998; pp. 1021–1029. [Google Scholar] [CrossRef]
- Richard, C.D.; Robert, H.B. Modern Control Systems, 12th ed.; Pearson Education: Cranbury, NJ, USA, 2011. [Google Scholar]
- Zhao, Y.K.; Zhang, G.Q.; Guo, R.R.; Yang, F.Y. The breakdown characteristics of thermostable insulation materials under high-frequency square waveform. IEEE Trans. Dielectr. Electr. Insul. 2019, 26, 1073–1080. [Google Scholar] [CrossRef]
- Sumangala, B.V.; Nagabhushana, G.R. Analysis of Surge Voltage Distribution in a Model Transformer for Different Types of Surges with Turn Resolution and its Validation. In Proceedings of the TENCON 2006—2006 IEEE Region 10 Conference, Hong Kong, China, 14–17 November 2006. [Google Scholar] [CrossRef]






















| Reference Number | Contribution | Inadequacies | Advantage of This Paper |
|---|---|---|---|
| [8,9,10,11,12] |
|
|
|
| [13,14,15,16] |
|
|
|
| Electrical Parameters | Value |
|---|---|
| Operation frequency | 1 kHz |
| Rated power | 35 kW |
| Turn ratio | 120:32 |
| Rated voltage of HV winding | 1500 V |
| Rated voltage of LV winding | 400 V |
| Design Parameters | Type |
| Core material | Ferrite (with permeability 1900) |
| Core size (width/height/thick) | 27 cm/19 cm/10 cm |
| Core structure | Core type |
| Window area | 105 cm2 |
| Primary winding conductor | 2 mm × 5 mm flat copper wire |
| Secondary winding conductor | 0.4 mm × 110 mm copper foil |
| Insulation material | Polyimide |
| Interturn insulation distance | 1 mm (primary)/0.3 mm (secondary) |
| Inter-winding insulation distance | 1.5 mm |
| Parameters | Range |
|---|---|
| Resistor (R) | 0.03–0.06 Ω |
| Inductance (L) | 50–70 nH |
| Capacitance (C) | 50–80 pF |
| Group | L (nH) | R (Ω) | C (pF) | σ (%) |
|---|---|---|---|---|
| A | 50 | 0.04 | 50 | 10.7 |
| B | 500 | 0.04 | 50 | 32.84 |
| C | 50 | 0.4 | 50 | 8.46 |
| D | 50 | 0.04 | 500 | 32.24 |
| Group | tr (ns) | ɛr | Winding Structure |
|---|---|---|---|
| 1 | 100 | 3.9 | C-type |
| 2 | 200 | 3.9 | C-type |
| 3 | 500 | 3.9 | C-type |
| 4 | 1000 | 3.9 | C-type |
| 5 | 100 | 2.7 | C-type |
| 6 | 200 | 2.7 | C-type |
| 7 | 500 | 2.7 | C-type |
| 8 | 100 | 1.6 | C-type |
| 9 | 200 | 1.6 | C-type |
| 10 | 500 | 1.6 | C-type |
| 11 | 200 | 3.9 | Z-type |
| Simulation Results | Simplified Model | Complete Model |
|---|---|---|
| Overshoot on voltage rising edge exists? | Yes | Yes |
| Peak voltage value with shorter rise time | Higher | Higher |
| Peak voltage value with larger stray capacitance | Higher | Higher |
Publisher’s Note: MDPI stays neutral with regard to jurisdictional claims in published maps and institutional affiliations. |
© 2021 by the authors. Licensee MDPI, Basel, Switzerland. This article is an open access article distributed under the terms and conditions of the Creative Commons Attribution (CC BY) license (https://creativecommons.org/licenses/by/4.0/).
Share and Cite
Changjiang, Z.; Qian, W.; Huai, W.; Zhan, S.; Bak, C.L. Electrical Stress on the Medium Voltage Medium Frequency Transformer. Energies 2021, 14, 5136. https://doi.org/10.3390/en14165136
Changjiang Z, Qian W, Huai W, Zhan S, Bak CL. Electrical Stress on the Medium Voltage Medium Frequency Transformer. Energies. 2021; 14(16):5136. https://doi.org/10.3390/en14165136
Chicago/Turabian StyleChangjiang, Zheng, Wang Qian, Wang Huai, Shen Zhan, and Claus Leth Bak. 2021. "Electrical Stress on the Medium Voltage Medium Frequency Transformer" Energies 14, no. 16: 5136. https://doi.org/10.3390/en14165136
APA StyleChangjiang, Z., Qian, W., Huai, W., Zhan, S., & Bak, C. L. (2021). Electrical Stress on the Medium Voltage Medium Frequency Transformer. Energies, 14(16), 5136. https://doi.org/10.3390/en14165136

