Analysis of the Effect of Mass Parameters on Motorcycle Vibration and Stability
Abstract
:1. Introduction
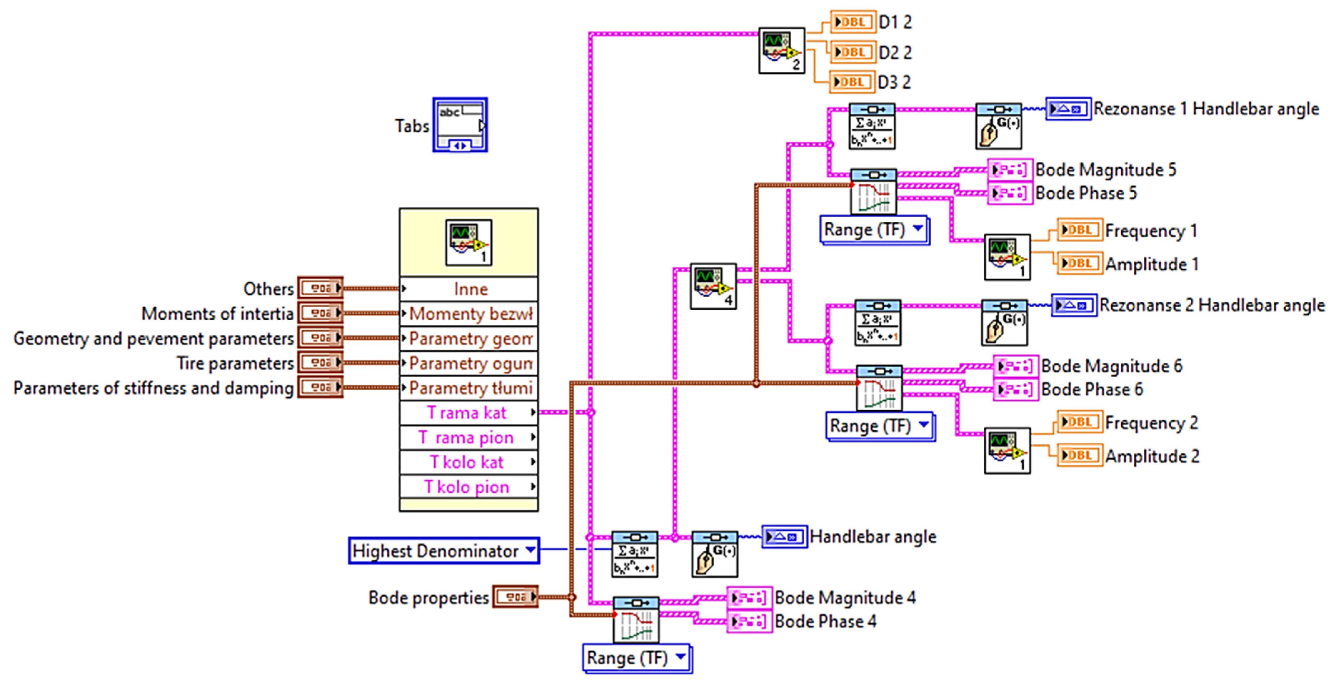
2. Method and Tools Used
- Development of the mathematical model;
- Linearization of the equations describing the system dynamics;
- Writing the equations in the operator form and determining the transmittance;
- Perform stability analysis of the system;
- Breaking down of transmittance into summation form;
- Frequency analysis of each of the members of transmittance.
3. Discussion of Simulation Results
4. Summary and Conclusions
Funding
Institutional Review Board Statement
Informed Consent Statement
Data Availability Statement
Conflicts of Interest
Abbreviations
| X, Y, Z | main axes of the coordinate system; |
| Mnk, Mb, Mor, Msk, W0 | a torque that adequately stimulates vibrations, driving from the drum and resistance to movement, steering, excitation from the road surface; |
| ψ1, ψ2 | the steering angle respectively of the wheel and handlebar; |
| φ1 | wheel rotation angle; |
| φ2 | steering head angle (24 deg); |
| z1, z2 | vertical displacement of the elements associated with the wheel and the frame, respectively; |
| J1, J2 | the equivalent moment of inertia of the components associated with the wheel (0.21 kgm2) and handlebar (0.4 kgm2), respectively; |
| m1, m2, m | reduced weight of the components associated with the wheel (15 kg) and frame (230 kg), and sum of masses m1 i m2, respectively; |
| cr, ca, csz, cz, Co | damping coefficient of the driver’s hands (0.2 Nms/rad), torsional vibration damper (0 Nms/rad), torsional damping of suspensions (3 Nms/rad), longitudinal damping of suspension (2.6 kNs/m), tire damping coefficient (150 Ns/m), respectively; |
| kr, ksz, kz | stiffness coefficient of the driver’s hands (1 kN/rad), torsional stiffness (7 kNm/rad), longitudinal stiffness (14 kN/m), respectively; |
| Kz, Kα, Kx | radial tire (190 kN/m), cornering stiffness coefficient (10 kN/rad), longitudinal stiffness coefficient (180 kN/m), respectively; |
| p1, p2, p3 | the point of suspension end, wheel rim, and wheel/road contact, respectively; |
| rd | dynamic wheel radius (0.3 m); |
| l, l1, lk | wheelbase (1.35 m), distance between the center of mass and the front wheel’s axis of rotation (0.6 m), offsetting the wheel axis from the control axis of the frame head (0.03 m); |
| wpo | tire profile height (0.08 m); |
| a1 | actual overtaking distance (0.1 m); |
| ω | angular velocity; |
| χ | wheel camber angle; |
| Fx, Fy, Fz | longitudinal, lateral, and vertical reaction forces, respectively; |
| ex | displacement of normal force; |
| Sx | longitudinal slip. |
References
- Piantini, S.; Pierini, M.; Delogu, M.; Baldanzini, M.; Franci, A.; Mangini, M.; Peris, A. Injury Analysis of Powered Two-Wheeler versus Other Vehicle Urban Accidents. In Proceedings of the 2016 IRCOBI Conference; IRCOBI: Malaga, Spain, 2016. [Google Scholar] [CrossRef]
- Prochowski, L.; Pusty, T. Charakterystyka Obrotu i Unoszenia Motocykla po Uderzeniu w Bok Samochodu; The Archives of Automotive Engineering (Archiwum Motoryzacji): Warszawa, Poland, 2012. [Google Scholar]
- Wypadki drogowe w Polsce w 2019 roku; Technical Report; Biuro Ruchu Drogowego Zespół Profilaktyki i Analiz: Warszawa, Poland, 2020.
- Stan bezpieczeństwa ruchu drogowego oraz działania realizowane w tym zakresie w 2019r. Available online: https://www.krbrd.gov.pl/baza-wiedzy/raporty-o-stanie-brd/ (accessed on 18 August 2021).
- Dukalski, P.; Będkowski, B.; Parczewski, K.; Wnęk, H.; Urbaś, A.; Augustynek, K. Dynamics of the vehicle rear suspension system with electric motors mounted in wheels. Eksploat. I Niezawodn. Maint. Reliab. 2019, 21, 125–136. [Google Scholar] [CrossRef]
- Nader, M.; Korzeb, J. Przegląd Biomechanicznych Modeli do Oceny Oddziaływania Drgań na Organizm Ludzki, Materiały III Krajowego Sympozjum, Komputerowe Systemy Wspomagania Prac Inżynierskich w Przemyśle i Transporcie; Politechnika Radomska: Zakopane, Poland, 1999. [Google Scholar]
- Praca Zbiorowa, Tłumienie Drgań. 1997. Available online: https://tezeusz.pl/tlumienie-drgan-zbigniew-osinski?sortowanie=cena_malejaco (accessed on 18 August 2021).
- International Organization for Standardization. ISO-2631—Mechanical vibration and shock. In Evaluation of Human Exposure to Whole-Body Vibration; ISO: New Dheli, India, 1997. [Google Scholar]
- Shivakumara, B.S.; Sridhar, V. Study of Vibration and Its Effect on Health of the Motorcycle Rider; Online Journal of Health and Allied Sciences Peer Reviewed, Open Access; Free Online Journal Published Quarterly: Mangalore, South India, 2012; Volume 9, ISSN 0972-5997. [Google Scholar]
- Di Massa, G.; Pagano, S.; Strano, S.; Terzo, M. A Mono-axial Wheel Force Transducer for the Study of the Shimmy Phenomenon. In Proceedings of the World Congress on Engineering, London, UK, 3–5 July 2013. [Google Scholar]
- Grzegożek, W.; Weigel-Millert, K. Analiza możliwości wykorzystania badań stanowiskowych do oceny stabilności pojazdu jednośladowego. Arch. Automot. Eng. Arch. Motoryz. 2015, 67, 165–173. [Google Scholar]
- Ślusarczyk, P. Analiza Modelowa Stateczności Pojazdu Jednośladowego, Czasopismo Techniczne; Wyd, P.K., Ed.; Zeszyt 7-M: Kraków, Poland, 2004; pp. 165–173. [Google Scholar]
- Dębowski, A. Analiza Możliwości Ograniczenia Drgań Skrętnych w Układzie Kierowniczym Motocykla, Rozprawa Doktorska; Military University of Technology: Warszawa, Poland, 2019. [Google Scholar]
- Available online: http://andrzejdebowski.wat.edu.pl/galeria.html (accessed on 14 April 2021).
- Sharp, R.S. The stability and control of motorcycles. J. Mech. Eng. Sci. 1971, 13, 313–329. [Google Scholar] [CrossRef] [Green Version]
- Sharp, R.S. The Influence of Frame Flexibility on the Lateral Stability of Motorcycles. J. Mech. Eng. Sci. 1974, 16, 117–120. [Google Scholar] [CrossRef]
- Sharp, R.S.; Alstead, C.J. The influence of structural flexibilities on the straight-running stability of motorcycles. Veh. Syst. Dyn. 1980, 9, 327–357. [Google Scholar] [CrossRef]
- Kane, T.R. The Effect of Frame Flexibility on High Speed Weave of Motorcycles; SAE Technical Paper 780306; SAE International: Warrendale, PA, USA, 1978. [Google Scholar]
- Cossalter, V. Motorcycle Dynamics; LULU: Morrisville, NC, USA, 2006. [Google Scholar]
- Cossalter, V.; Lot, R.; Massaro, M. An Advanced Multibody Code for Handling and Stability Analysis of Motorcycles; Springer Meccanica: Berlin/Heidelberg, Germany, 2011; Volume 46, pp. 943–958. [Google Scholar] [CrossRef]
- De Falco, D.; Di Massa, G.; Pagano, S.; Strano, S. Wheel Force Transducer for Shimmy Investigation. In Proceedings of the World Congress on Engineering, London, UK, 1–3 July 2015. [Google Scholar]
- Sharp, R.S.; Limbeer, D.J.N. On steering wobble oscillations of motorcycles. J. Mech. Eng. Sci. 2004, 14, 1449–1456. [Google Scholar] [CrossRef] [Green Version]
- Żardecki, D.; Dębowski, A. Badania procedur obliczeniowych pod kątem zastosowań w symulacji drgań skrętnych w układzie kierowniczym motocykla z uwzględnieniem luzu i tarcia. Arch. Automot. Eng. 2014, 64, 79–95. [Google Scholar]
- Pacejka, H. Tyre and Vehicle Dynamics; Elsevier: Waltham, MA, USA, 2012. [Google Scholar]
- Sharp, R.S. A Review of Motorcycle Steering Behaviour on Straight Line Stability Characteristics; SAE Paper n 780303; SAE International: Warrendale, PA, USA, 1978. [Google Scholar] [CrossRef]
- Sharp, R.S.; Watanabe, Y. Chatter vibrations of high-performance motorcycles, Vehicle System Dynamics. Int. J. Veh. Mech. Mobil. 2013, 51, 393–404. [Google Scholar]
- Żardecki, D.; Dębowski, A. Metoda Analizy Drgań Skrętnych w Układzie Kierowniczym Motocykla na Płaszczyźnie Fazowej. Arch. Automot. Eng. 2017, 72, 137–154. [Google Scholar]
- Praca Zbiorowa: Zarys Dynamiki i Automatyki Układów. 1991. Available online: https://bcpw.bg.pw.edu.pl/Content/767/PDF/01zdau_poczatek.pdf (accessed on 18 August 2021).
- Adamiec-Wójcik, I.; Maczyński, A.; Wojciech, S. Zastosowanie Metody Przekształceń Jednorodnych w Modelowaniu Dynamiki Urządzeń Offshore; Wydawnictwo Komunikacji i Łączności: Warszawa, Poland, 2008. [Google Scholar]
- Bhargava, A. Algorytmy. In Ilustrowany przewodnik; Wydawnictwo Helion: Gliwice, Poland, 2017. [Google Scholar]
- Chang, Y.P.; El-Gindy, M.; Streit, A. Literature survey of transient dynamic response tyre models. Int. J. Veh. Des. 2004, 34, 354–386. [Google Scholar] [CrossRef]
- Mann, V.; Dechwayukul, C.; Thongruang, W.; Srewaradachpisal, S.; Kaewpradit, P.; Kaew Apichai, W.; Bui, H.-T. Design and Fabrication a Lightweight Spring Made of Natural Rubber for a Motorcycle’s Shock Absorber. Int. J. Automot. Mech. Eng. 2020, 17, 7758–7770. [Google Scholar] [CrossRef] [Green Version]
- Stańczyk, T.L. Metoda Modeli Częściowych Jako Podstawa Tworzenia Komputerowych Systemów Analizy Dynamiki Złożonych Układów Mechanicznych; Rozprawa Habilitacyjna, Politechnika Świętokrzyska: Kielce, Poland, 1994. [Google Scholar]
- Żardecki, D. Modelowanie i Badania Symulacyjne Dynamiki Ruchu Samochodu z Uwzględnieniem Luzu i Tarcia w Układzie Kierowniczym z Zastosowaniem Odwzorowań luz(…) i tar(…). In Proceedings of the Konferencja Między Teorią a Zastosowaniami: Matematyka w Działaniu, Poznań, Poland, 17–20 September 2014. [Google Scholar]













| Changing Parameter | From Mas m1 | From Mas m2 | ||||||||
|---|---|---|---|---|---|---|---|---|---|---|
| Frequency | Max. Amplitude | Stability | Oscillation Period | Relative Suppression | Frequency | Max. Amplitude | Stability | Oscillation Period | Relative Suppression | |
| (rad/s) | (dB) | (-) | (s) | (-) | (rad/s) | (dB) | (-) | (s) | (-) | |
| 0.2 kgm2 | 46.88742 | −15.5666 | 0.000310 | 0.021285 | 0.007291 | 312.4292 | −63.5229 | 0.000141 | 0.003194 | 0.022028 |
| 0.3 kgm2 | 40.65839 | −10.9375 | 0.000313 | 0.024546 | 0.006386 | 294.1920 | −64.3485 | 0.000138 | 0.003392 | 0.020282 |
| 0.4 kgm2 | 36.38159 | −7.58916 | 0.000315 | 0.027432 | 0.005746 | 284.7340 | −65.3905 | 0.000136 | 0.003504 | 0.019382 |
| 0.5 kgm2 | 33.21640 | −4.96667 | 0.000316 | 0.030046 | 0.005264 | 278.9454 | −66.4172 | 0.000135 | 0.003577 | 0.018834 |
| 0.6 kgm2 | 30.75335 | −2.81362 | 0.000317 | 0.032452 | 0.004885 | 275.0379 | −67.3769 | 0.000134 | 0.003628 | 0.018465 |
| Changing Parameter | From Mas m1 | From Mas m2 | ||||||||
|---|---|---|---|---|---|---|---|---|---|---|
| Frequency | Max. Amplitude | Stability | Oscillation Period | Relative Suppression | Frequency | Max. Amplitude | Stability | Oscillation Period | Relative Suppression | |
| (rad/s) | (dB) | (-) | (s) | (-) | (rad/s) | (dB) | (-) | (s) | (-) | |
| 0.11 kgm2 | 39.88838 | 7.73275 | 0.000320 | 0.025020 | 0.006398 | 656.7857 | −85.4846 | 0.000131 | 0.001518 | 0.043121 |
| 0.16 kgm2 | 38.02698 | −3.21068 | 0.000318 | 0.026245 | 0.006051 | 358.2607 | −70.5517 | 0.000133 | 0.002785 | 0.023963 |
| 0.21 kgm2 | 36.38159 | −7.58916 | 0.000315 | 0.027432 | 0.005746 | 284.7340 | −65.3905 | 0.000136 | 0.003504 | 0.019382 |
| 0.26 kgm2 | 34.91741 | −10.3023 | 0.000313 | 0.028582 | 0.005476 | 248.8033 | −62.6528 | 0.000138 | 0.004011 | 0.017207 |
| 0.31 kgm2 | 33.60604 | −12.2465 | 0.000311 | 0.029697 | 0.005237 | 227.0204 | −60.9958 | 0.000140 | 0.004396 | 0.015926 |
| Changing Parameter | From Mas m1 | From Mas m2 | ||||||||
|---|---|---|---|---|---|---|---|---|---|---|
| Frequency | Max. Amplitude | Stability | Oscillation Period | Relative Suppression | Frequency | Max. Amplitude | Stability | Oscillation Period | Relative Suppression | |
| (rad/s) | (dB) | (-) | (s) | (-) | (rad/s) | (dB) | (-) | (s) | (-) | |
| 0.32 kgm2 | 35.62876 | −9.07527 | 0.000314 | 0.028011 | 0.005607 | 264.219 | −63.8366 | 0.000137 | 0.003777 | 0.018132 |
| 0.37 kgm2 | 35.99977 | −8.37082 | 0.000315 | 0.027723 | 0.005675 | 273.6848 | −64.5580 | 0.000136 | 0.003646 | 0.018707 |
| 0.42 kgm2 | 36.38159 | −7.58916 | 0.000315 | 0.027432 | 0.005746 | 284.7340 | −65.3905 | 0.000136 | 0.003504 | 0.019382 |
| 0.47 kgm2 | 36.78380 | −6.60721 | 0.000316 | 0.027138 | 0.005818 | 298.3647 | −66.3273 | 0.000135 | 0.00335 | 0.020188 |
| 0.52 kgm2 | 37.17963 | −5.71695 | 0.000316 | 0.026843 | 0.005893 | 313.6558 | −67.5049 | 0.000135 | 0.003181 | 0.021168 |
| Changing Parameter | From Mas m1 | From Mas m2 | ||||||||
|---|---|---|---|---|---|---|---|---|---|---|
| Frequency | Max. Amplitude | Stability | Oscillation Period | Relative Suppression | Frequency | Max. Amplitude | Stability | Oscillation Period | Relative Suppression | |
| (rad/s) | (dB) | (-) | (s) | (-) | (rad/s) | (dB) | (-) | (s) | (-) | |
| 11 kg | 9.752281 | 43.017107 | 0.071647 | 0.078168 | 0.458287 | 132.194115 | −31.761882 | 0.012178 | 0.006956 | 0.875390 |
| 13 kg | 9.746465 | 41.622516 | 0.071632 | 0.078237 | 0.457791 | 117.681195 | −30.264714 | 0.012193 | 0.007562 | 0.806202 |
| 15 kg | 9.740655 | 40.435734 | 0.071618 | 0.078306 | 0.457297 | 117.681195 | −28.993801 | 0.012207 | 0.008122 | 0.751427 |
| 17 kg | 9.734852 | 39.404514 | 0.071604 | 0.078375 | 0.456804 | 104.761575 | −27.843054 | 0.012221 | 0.008647 | 0.706683 |
| 19 kg | 9.729055 | 38.494112 | 0.071590 | 0.078444 | 0.456313 | 97.544519 | −26.834981 | 0.012235 | 0.009141 | 0.669250 |
| Changing Parameter | From Mas m1 | From Mas m2 | ||||||||
|---|---|---|---|---|---|---|---|---|---|---|
| Frequency | Max. Amplitude | Stability | Oscillation Period | Relative Suppression | Frequency | Max. Amplitude | Stability | Oscillation Period | Relative Suppression | |
| (rad/s) | (dB) | (-) | (s) | (-) | (rad/s) | (dB) | (-) | (s) | (-) | |
| 11 kg | 36.458999 | −18.859719 | 0.000316 | 0.027373 | 0.005771 | 288.253307 | −64.962969 | 0.000136 | 0.003462 | 0.019600 |
| 13 kg | 36.420204 | −18.850010 | 0.000316 | 0.027403 | 0.005758 | 286.471864 | −64.832420 | 0.000136 | 0.003483 | 0.019490 |
| 15 kg | 36.381594 | −18.840356 | 0.000315 | 0.027432 | 0.005746 | 284.734004 | −64.704775 | 0.000136 | 0.003504 | 0.019382 |
| 17 kg | 36.343169 | −18.830756 | 0.000315 | 0.027461 | 0.005733 | 283.038060 | −64.579941 | 0.000136 | 0.003525 | 0.019277 |
| 19 kg | 36.304927 | −18.821209 | 0.000315 | 0.027490 | 0.005721 | 281.382448 | −64.457829 | 0.000136 | 0.003546 | 0.019174 |
| Changing Parameter | From Mas m1 | From Mas m2 | ||||||||
|---|---|---|---|---|---|---|---|---|---|---|
| Frequency | Max. Amplitude | Stability | Oscillation Period | Relative Suppression | Frequency | Max. Amplitude | Stability | Oscillation Period | Relative Suppression | |
| (rad/s) | (dB) | (-) | (s) | (-) | (rad/s) | (dB) | (-) | (s) | (-) | |
| 190 kg | 9.929478 | 23.353815 | 0.071281 | 0.070308 | 0.506918 | 117.681195 | −21.872242 | 0.012544 | 0.008233 | 0.761811 |
| 210 kg | 9.863696 | 23.577621 | 0.071469 | 0.074423 | 0.480156 | 117.681195 | −23.015869 | 0.012356 | 0.008171 | 0.756067 |
| 230 kg | 9.740655 | 23.806457 | 0.071618 | 0.078306 | 0.457297 | 117.681195 | −24.020465 | 0.012207 | 0.008122 | 0.751427 |
| 250 kg | 9.600872 | 24.033914 | 0.071739 | 0.081994 | 0.437463 | 117.681195 | −24.916998 | 0.012086 | 0.008083 | 0.747599 |
| 270 kg | 9.405021 | 24.256714 | 0.071839 | 0.085516 | 0.420033 | 117.681195 | −25.726974 | 0.011986 | 0.008051 | 0.744385 |
| Changing Parameter | From Mas m1 | From Mas m2 | ||||||||
|---|---|---|---|---|---|---|---|---|---|---|
| Frequency | Max. Amplitude | Stability | Oscillation Period | Relative Suppression | Frequency | Max. Amplitude | Stability | Oscillation Period | Relative Suppression | |
| (rad/s) | (dB) | (-) | (s) | (-) | (rad/s) | (dB) | (-) | (s) | (-) | |
| 190 kg | 9.929478 | 37.839789 | 0.071281 | 0.070308 | 0.506918 | 104.761575 | −27.041897 | 0.012544 | 0.008233 | 0.761811 |
| 210 kg | 9.863696 | 39.202653 | 0.071469 | 0.074423 | 0.480156 | 104.761575 | −28.076808 | 0.012356 | 0.008171 | 0.756067 |
| 230 kg | 9.740655 | 40.435734 | 0.071618 | 0.078306 | 0.457297 | 117.681195 | −28.993801 | 0.012207 | 0.008122 | 0.751427 |
| 250 kg | 9.600872 | 41.561546 | 0.071739 | 0.081994 | 0.437463 | 117.681195 | −29.814093 | 0.012086 | 0.008083 | 0.747599 |
| 270 kg | 9.405021 | 42.597395 | 0.071839 | 0.085516 | 0.420033 | 117.681195 | −30.561990 | 0.011986 | 0.008051 | 0.744385 |
Publisher’s Note: MDPI stays neutral with regard to jurisdictional claims in published maps and institutional affiliations. |
© 2021 by the author. Licensee MDPI, Basel, Switzerland. This article is an open access article distributed under the terms and conditions of the Creative Commons Attribution (CC BY) license (https://creativecommons.org/licenses/by/4.0/).
Share and Cite
Dębowski, A. Analysis of the Effect of Mass Parameters on Motorcycle Vibration and Stability. Energies 2021, 14, 5090. https://doi.org/10.3390/en14165090
Dębowski A. Analysis of the Effect of Mass Parameters on Motorcycle Vibration and Stability. Energies. 2021; 14(16):5090. https://doi.org/10.3390/en14165090
Chicago/Turabian StyleDębowski, Andrzej. 2021. "Analysis of the Effect of Mass Parameters on Motorcycle Vibration and Stability" Energies 14, no. 16: 5090. https://doi.org/10.3390/en14165090
APA StyleDębowski, A. (2021). Analysis of the Effect of Mass Parameters on Motorcycle Vibration and Stability. Energies, 14(16), 5090. https://doi.org/10.3390/en14165090

