Next Article in Journal
Coconut Shell-Derived Activated Carbon for High-Performance Solid-State Supercapacitors
Next Article in Special Issue
Verification and Validation of COMSOL Magnetohydrodynamic Models for Liquid Metal Breeding Blankets Technologies
Previous Article in Journal
Special Issue “Advances and Challenges in Harvesting Ocean Energy”
Previous Article in Special Issue
CFD Optimization of the Resistivity Meter for the IFMIF-DONES Facility
 
 
Font Type:
Arial Georgia Verdana
Font Size:
Aa Aa Aa
Line Spacing:
Column Width:
Background:
Article

Numerical Simulations with RELAP5-3D and RELAP5/mod3.3 of the Second Experimental Campaign on In-Box LOCA Transients for HCLL TBS

1
ENEA Brasimone, 40032 Camugnano, BO, Italy
2
Dipartimento di Ingegneria Civile e Industriale, University of Pisa, Largo Lucio Lazzarino 2, 56122 Pisa, PI, Italy
*
Author to whom correspondence should be addressed.
Energies 2021, 14(15), 4544; https://doi.org/10.3390/en14154544
Submission received: 27 April 2021 / Revised: 16 July 2021 / Accepted: 25 July 2021 / Published: 27 July 2021
(This article belongs to the Special Issue Thermal-Hydraulics in Nuclear Fusion Technology: R&D and Applications)

Abstract

:
In-box LOCA was identified as one of the worst accidental scenarios for the HCLL TBS (Helium Cooled Lithium-Lead Test Blanket System). Aiming to experimentally analyze the consequences of this transient, ENEA designed and built THALLIUM (Test HAmmer in Lead LIthiUM), a facility that reproduces the LiPb loop of the HCLL TBS. Two experimental campaigns were carried out by simulating the rupture of a stiffening plate and the related helium injection in the LiPb loop. The obtained experimental data were used to check the capabilities of RELAP5 system code to reproduce the pressure wave propagation that follows this accident. The first simulations were made with RELAP5-3D using LBE (Lead–Bismuth Eutectic) as a system fluid, as the thermophysical properties of LiPb are tabulated only up to a maximum value of 40 bar in this version of the code. Then, LiPb properties were implemented in RELAP5/mod3.3, after selecting the proper correlations from a literature review. This work summarizes the numerical simulations of the second experimental campaign, which was simulated with both versions of the code. The simulations highlight that the code is able to accurately reproduce the experimental results and that RELAP5-3D is slightly more precise than RELAP5/mod3.3 in predicting the pressure trends.

1. Introduction

This work reports the numerical simulations with RELAP5 system code (Idaho National Laboratoriy, Idaho, USA), in the 3D [1] and mod3.3 [2] versions, of the second experimental campaign performed in THALLIUM (Test HAmmer in Lead LIthiUM). THALLIUM is a facility operated at ENEA R.C. Brasimone that accurately reproduces the LiPb (Lead-Lithium Eutectic) loop of the HCLL TBS (Helium Cooled Lithium-Lead Test Blanket System) [3,4]. The LiPb loop allows the circulation of the liquid breeder through the Test Blanket Module (TBM) by means of a mechanical pump. It also hosts the system that extracts the generated tritium from the LiPb and the system to purify the alloy from corrosion products and other impurities (cold trap). THALLIUM was designed and built in 2015–2016 within the framework of the agreement F4E-FPA-372, which dealt with experimental tests in support of the preliminary design of the European TBS.
The main purpose of THALLIUM is to study the pressure wave propagation that follows the injection of high pressure helium in the LiPb loop during the transient named In-box LOCA (Loss Of Coolant Accident). This accidental transient is considered one of the worst conceivable accidents for the HCLL TBS by the ITER (International Thermonuclear Experimental Reactor) classification system [3]. The preliminary safety report of the HCLL TBS [5] lists the In-box LOCA among the six accidents which were considered as the reference ones “because they have the highest expected consequences—i.e., those that establish the system safety design requirements, or because they present some peculiarities from the design point of view”. In particular, the In-box LOCA is considered in this group of six reference accidents because it can lead to consequential leaks into the Vacuum Vessel.
THALLIUM, described in detail in [6], was used to perform two experimental campaigns, whose results are reported in [7] and in [8]. The rupture of a stiffening plate of the HCLL TBS and the resulting injection of helium at high pressure were simulated. Two injection valves with different flow area and opening times were used in the experimental campaigns. Helium for the injection was supplied by the facility HeFUS3 (Helium for FUSion 3, [9,10]), at 400 °C and up to 80 bar, while LiPb was loaded in THALLIUM by means of the IELLLO (Integrated European Lead Lithium LOop, [11,12]) facility.
The two experimental campaigns in THALLIUM produced the first results on In-box LOCA for HCLL TBS, while few numerical analyses were found from a literature review on HCLL TBS and on other helium-cooled liquid Breeding Blanket concepts ([4,13]). Instead, a lot of efforts have been recently devoted to experimentally and numerically investigating the In-box LOCA transient for the WCLL (Water Cooled Lithium-Lead) Breeding Blanket e.g., [14,15,16]. The simulations with RELAP5-3D of the THALLIUM first experimental campaign are described in [17].
RELAP5 is a thermo-hydraulic system code based on a non-homogenous non-equilibrium six-equation model for two-phase systems, solved by a semi-implicit numerical scheme for transient analysis. The idea behind the development of RELAP5, carried out by the Idaho National Laboratory, is to have a code that is able to predict at a system level how operational and accidental transients evolve. Parametric and sensitivity analyses are also possible with this code. The code has been extensively validated for light water nuclear reactors, and it can also work with several system fluids (e.g., Heavy Liquid Metals, helium, heavy water, etc.). The code includes specific models, often coming from experimental observations that allow for simulating complex phenomena and also models of components that are common in power plants (e.g., pumps, valves, etc.).
The work presented in this paper aims to assess the capability of RELAP5 to be used for LiPb/helium systems, as almost no previous activities with this code have been found from a literature review. In particular, the possibility to accurately simulate the consequences of an In-box LOCA transient is demonstrated by showing the good agreement between numerical and experimental pressure trends in different parts of the THALLIUM facility on the six injections whose results are reported in [8]. This outcome might be useful for the design or the safety of Breeding Blankets that use a combination of helium and LiPb (besides the HCLL, there are the American Dual-Coolant Lithium Lead and the Chinese Dual-functional Lithium Lead). Generally, the availability of a system code that is accurate in reproducing the behavior of LiPb systems might prove to be useful for many Breeding Blankets and/or Test Blanket Systems.

2. Brief Description of the Facility and of the Tests

This section gives a general overview of the facility layout, aiming to give enough details to make the following analyses understandable without the need to read the previous activities on THALLIUM. However, a full description of the facility and its systems is shown in the paper [6] or in the ENEA internal report [18].
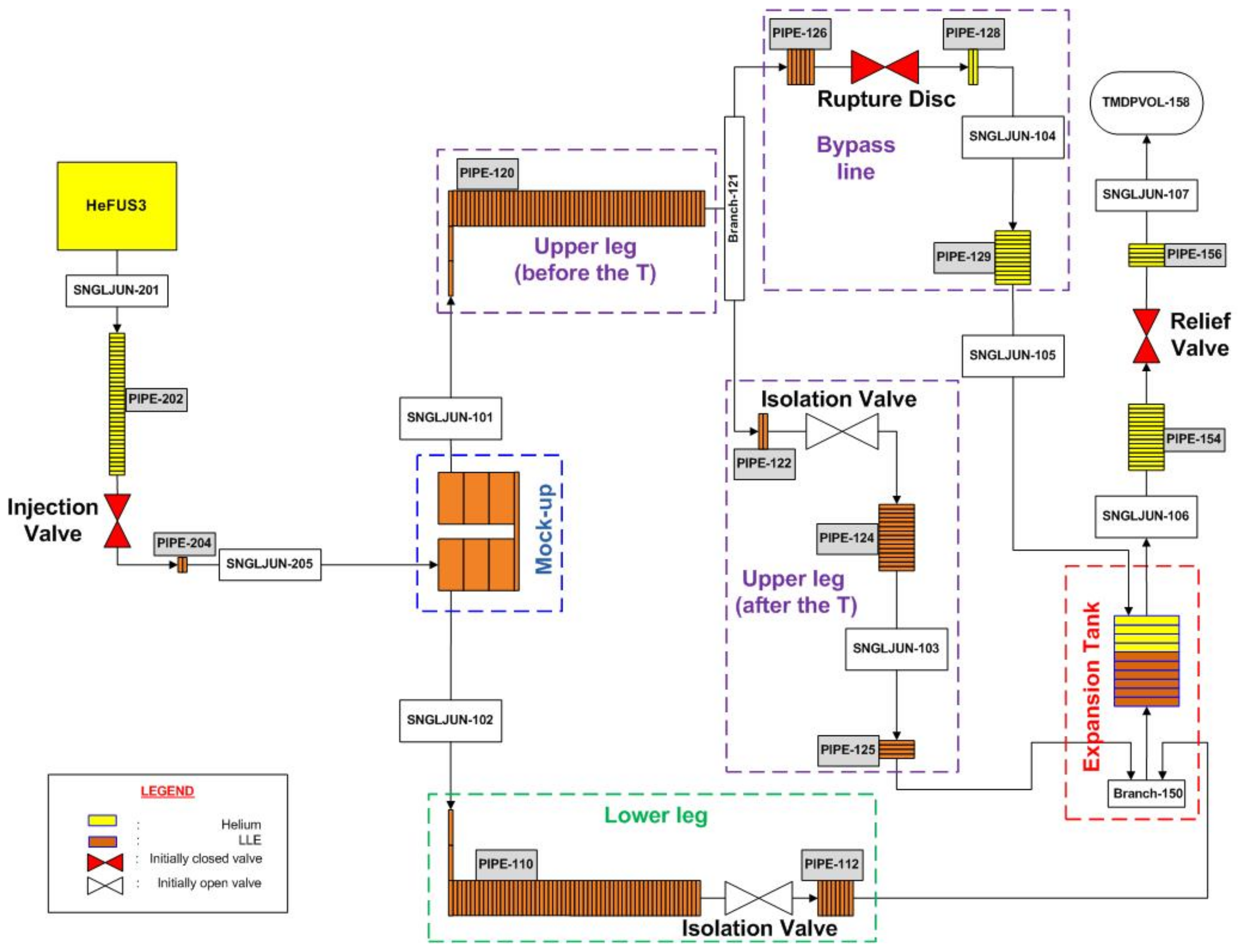
Figure 1 shows the main components, the valves, and the instruments of THALLIUM (the pressure transducers are indicated in red). THALLIUM aims to mimic the LiPb loop of the HCLL TBS, in the 2014 configuration [3].
The main components of THALLIUM are:
  • the TBM (Test Blanket Module) mock-up: a steel box which reproduces 1:1 a breeding unit of the HCLL TBM. It is internally divided by a horizontal plate with a hole that connects the lower chamber to the upper one. The plate simulates the stiffening plate that breaks giving rise to the accident.
  • an expansion tank: a reduced mock-up of the storage/recirculation tank of the HCLL TBS, without the pumping system. A relief valve (VS205) is installed on a branch above the expansion tank. The valve is controlled by a pre-loaded spring.
  • upper and lower leg: these pipes reproduce the pipe forest of the HCLL TBS, with the same dimensions and the same geometry, with the aim to simulate as precisely as possible the pressure wave propagation. The two legs are almost symmetrical, apart from the final part, in which the upper leg bifurcates.
  • the bypass line: one of the ends of the upper leg. The bypass line is composed of two segments, divided by a rupture disc. The segment upstream of the rupture disc is initially filled with LiPb, while helium initially fills the segment connected to the gas dome of the expansion tank. When the pressure wave breaks the disc, part of the energy of the pressure wave is dissipated. LiPb starts to flow from the bypass to the gas dome of the expansion tank.
  • two isolation valves (IV): valves with closing time lower than 0.2 s are installed on both legs.
  • the injection line: this line supplies helium to the facility. A Venturi flow meter allows for monitoring the injected flow rate, while the injection pressure is measured by a pressure transducer. A fast opening valve has the task to start the injection. This valve has been kept as close as possible to the TBM mock-up (about 26 cm), so that the possibility of LiPb plugs in the line is minimum, while the injection also does not lose too much energy before reaching the mock-up.
With respect to the first experimental campaign, THALLIUM was equipped with a bigger injection valve with the idea of analyzing the consequences of a transient with larger injected flow rates (in the range 60–300 g/s). The orifice of this valve has a flow area of 9.503∙10−5 m2.
Six tests were performed in the second experimental campaign (Table 1). Each test begins with the opening of the injection valve: high pressure helium is put into contact with low pressure LiPb. In the first part of the transient, LiPb is still practically stagnant, while a single-phase pressure wave propagates at about 1.1 km/s [6] in the facility. Then, helium forces LiPb to move towards the expansion tank by passing through the lower and upper legs, as well as through the bypass line after having broken the rupture disc. The relief valve opens at about 9 bar, discharging helium into a dedicated tank. The transient ends when the injection valve closes. The isolation valves were kept open during the six tests of the second experimental campaign.
The results of the first five experiments showed that the transient ends in less than 15 s. For this reason, this was chosen to be the duration of the experiments of the second campaign. However, tests #9 and #10 have different durations. An issue with the injection valve caused test #9 to be halted after 9 s. Instead, the idea behind the different duration of test #10 was to investigate the different transient behavior with shorter timescales.
As the five tests of the first experimental campaign were performed with a helium pressure of 80 bar, the injection pressure was varied in this second campaign with the aim to have some data on the impact of helium pressure on the transient evolution. This was further motivated by the fact that the helium pressure could be lower than 80 bar in some operational transients foreseen for the HCLL TBS.
A total of seven absolute pressure transducers measure the propagation of the pressure wave throughout the facility. The total measuring error of these instruments has been evaluated to be about 1.1 bar, with the exception of the transducer in the gas dome of the expansion tank. This transducer is different from the other six as it works in gas. Its measuring error has been evaluated to be about 0.65 bar. Including the error bars in the following figures would completely jeopardize their readability and thus error bars were not shown in the plots. The six transducers and their use in LiPb are better presented in [11]. Details on the experimental results, including an evaluation of the experimental uncertainties, are described in [8].

3. RELAP5 Nodalization

This section briefly describes the nodalization used in the simulations, as its full description has been already reported in [17]. The nodalization (Figure 2) is composed of 269 nodes, each measuring between 0.1 and 0.2 m. This length is a compromise between a detailed representation of the system and a reasonable calculation time. Heat structures were not included in the inputs, as the transient is fast enough to make neglecting heat transfers acceptable.
Time steps of 10−5 s were necessary in the first part of the transient (first 5 s of the injection); however, even smaller time steps (down to 10−6 s) were needed for some critical parts of the transient. The plot frequencies were set to a value that, multiplied by the time step of the corresponding time period, would have given a time resolution of 1 ms, the same given by the pressure transducers used in the experimental campaign.
The key difference between the input files used for RELAP5-3D and for RELAP5/mod3.3 is the working fluid. Indeed, the fact that the thermodynamic tables are limited to 40 bar for LiPb in RELAP5-3D forced to adopt LBE (Lead–Bismuth Eutectic) as working fluid. Instead, LiPb could be used as system fluid in RELAP5/mod3.3 as its properties were implemented in the code [19] to make possible a comparison of the simulations with the two versions. A brief comparison of the properties of LBE and LiPb that have the biggest impact on the In-box LOCA transient (density and speed of sound) is reported in the following paragraph.
The non-condensable gas model was used to simulate the injected He. The pressure at the beginning of the transient was set to 3 bar for the liquid metal and to a pressure corresponding to the experimental one for helium. The temperature of the entire system was 400 °C at the beginning of the transient.
The valves and the rupture disc were simulated through motor valves. The opening time of the injection valve was checked with the experimental one test by test (thanks to micro-switches installed on the valve). The relief valve is opened when the pressure in the pipe 154 exceeds 9 bar. A difference of 9 bar in the pressures of the two volumes across the rupture disc was the input for its opening.
The handbook by Idelchik [20] was used to derive the coefficients for the pressure losses of common geometries. The values of the coefficients can be found in [17].

4. Modification of RELAP5/Mod3.3 and Discussion over the Expected Differences with RELAP5-3D

The property library for LiPb in RELAP5-3D has a limited range of pressures, with an upper threshold of 40 bar. Moreover, discrepancies were found between the properties implemented in the code and correlations available in literature, including some properties of particular importance for the In-box LOCA transient (density and speed of sound). For this reason, a literature review of the LiPb thermophysical properties was carried out in order to select a correlation for each property among the many proposed by different authors. RELAP5/mod3.3 was then modified at the University of Pisa by implementing the chosen LiPb properties, as described in [19]. The literature review is described in detail in [21].
As density and speed of sound are the two properties that primarily affect the results of these calculations, it is interesting to assess how much they differ for LiPb and LBE in the thermodynamic conditions typical of the injections (400 °C, ~room pressure). Among the many correlations for density as a function of temperature available in literature, the ones chosen for this comparison are:
ρ L i P b kg / m 3 = 10,520.35 1.19051 · T 508 T K 880
ρ L B E kg / m 3 = 10,981.7 1.1369 · T 410 T K 726 .
These correlations, plotted in Figure 3, were found in the work by Stankus et al. [22] for LiPb and in the OECD-NEA Handbook [23] for LBE. From these, it is possible to evaluate the relative difference:
d i f f d e n s i t y =   ρ L i P b ρ L B E   ρ L i P b   T = 400   ° C 5   %
As far as the speed of sound is concerned, only one reference was found for LiPb (in the work by Ueki et al. [24]), while the correlation suggested in the work by Sobolev [25] was chosen for LBE:
c L L E m / s = 1876 0.306 · T 513 T K 783
c L B E m / s = 1855 0.212 · T 433 T K 1073
The two correlations are plotted in Figure 4 in the range 250–650 °C. The relative difference for speed of sound is:
d i f f s o u n d =   c L L E c L B E   c L L E   T = 400   ° C 2.5   %
As a consequence of the results of Equations (3) and (6), a large discrepancy in the results of the simulations is not expected because of the use of a different system fluid (LiPb or LBE).
However, to further assess the differences in the results caused by the use of different lead alloys, two simulations were performed with initial He pressure of 35 bar, in order to be able to use both LiPb and LBE with the same version of the code. Figure 5 presents some of the results of these simulations, showing the pressure trend in the TBM mock-up and in the expansion tank. The difference due to the use of LBE or LiPb is practically negligible and in accordance with the results of Equations (3) and (6).
Moreover, as shown in the next paragraphs, the average difference of the numerical simulations performed using LBE in RELAP5-3D and using LiPb in RELAP5/mod3.3 is lower than 1 bar, much smaller than the difference between the numerical and experimental results. Indeed, as shown in the next section, the pressures predicted by RELAP5-3D had an average discrepancy of about 3 bar with respect to the experimental values, while RELAP5/mod3.3 was slightly less accurate, with an average discrepancy of about 4 bar.
Hence, the use of LBE to simulate this transient proved to introduce a discrepancy which is, at worst, similar to the experimental error of measurement (i.e., about 1 bar) and, thus, it can be considered acceptable.

5. Numerical Simulation of the Second Experimental Campaign of THALLIUM

The same nodalization, time steps, and boundary conditions were used to perform the simulations with RELAP5-3D and RELAP5/mod3.3. The only difference was the system fluid used in the two versions of the code.
The plots shown from Figure 6, Figure 7, Figure 8, Figure 9, Figure 10, Figure 11, Figure 12, Figure 13, Figure 14, Figure 15, Figure 16, Figure 17, Figure 18, Figure 19, Figure 20, Figure 21, Figure 22, Figure 23, Figure 24, Figure 25, Figure 26, Figure 27, Figure 28, Figure 29 and Figure 30 highlight that RELAP5 is able to simulate the In-box LOCA transient, presenting a general good agreement with the experimental data. In particular, the average discrepancy between RELAP5-3D and the experimental data turned out to be about 3.2 bar, considering the six injections and all the transducers, except PT10 in the injection #10 because of its malfunctioning in that particular test. Instead, the same evaluation for RELAP5/mod3.3 resulted in an average discrepancy of about 4.0 bar with the experimental data. The percentage difference between these two values is about 21.0%, taking RELAP5/mod3.3 as a reference. Considering the maximum pressure measured in these injections, which is about 65 bar by pressure transducer PT12 in test#8, the percentage discrepancy is 4.9% for RELAP5-3D and 6.2% for RELAP5/mod3.3. The data reported from Table 2, Table 3, Table 4, Table 5, Table 6 and Table 7 show the rounded-up average discrepancies between RELAP5-3D and the experimental data and between the two versions of the code for each point of measurement.
However, RELAP5 fails to simulate the pressure peaks which appear during the final pressure increase. These peaks, positive in the trends measured by the transducers upstream of the isolation valves and negative downstream of the isolation valves, are less evident in the trends of the second experimental campaign, but still present in several injections.
The two discrepancies highlighted in simulating the first experimental campaign between the qualitative trends of RELAP5-3D and the experimental data are still relevant in these simulations with both versions of the code:
(1)
the numerical simulations show a delay in the phenomena that follow the opening of the relief valve. The effect of the relief valve is observed at about 5 s in the experimental trends and consists of a depressurization for the transducers located before the isolation valves or in a pressurization downstream of the isolation valves. These effects are also present in the simulations, but they happen with almost 1 s delay. This delay can be motivated by two events: the pressure which causes the valve to open is reached later in the simulations than in the experiments or the numerical opening time of the relief valve is too long. Unfortunately, both parameters are uncertain as there are no pressure meters close to the relief valve, and the opening time is also not monitored with micro-switches. However, a sensitivity has been performed on the opening time, showing that this parameter has little impact on the delay. For this reason, it is deemed that the delay in the simulation of the relief valve effect is caused by a slow pressure increase in the piping that connects the expansion tank to the valve itself.
(2)
the second experimental peak is not present in the numerical results. This peak has an unclear origin, but it was linked with the propagation of a pressure wave produced by the elasticity of the piping or of the expansion tank. Of course, RELAP5 cannot simulate such a phenomenon.
Moreover, a third difference between experimental and numerical results is new to the simulations of the second experimental campaign: RELAP5-3D, and in part also RELAP5/mod3.3, tends to underestimate the minimum following the opening of the relief valve (i.e., the minimum before the final pressure increase).
The particular behaviors in the simulation of each injection are showed and described in the following sections. Moreover, particular discrepancies in some pressure peaks, usually the first peak in the locations of PT11 and PT14, are highlighted.

5.1. Test VI

Figure 6, Figure 9, and Figure 10 show the comparison between the experimental pressure trends and the numerical trends evaluated by RELAP5-3D and RELAP5/mod3.3 for test #6. The simulations qualitatively agree with the experimental trends, even though the codes tend to generally overestimate the pressure in the whole transient, with an average discrepancy of less than 2.5 bar. Table 2 shows the rounded-up average discrepancies between RELAP5-3D and the experimental data and between the two versions of the code for each point of measurement. The value of the first peak in the TBM mock-up, the most important value for the design team, is about the same in the comparison between the experimental value and the value calculated by RELAP5-3D (about 29 bar). Instead, the difference is about 3.5 bar in the comparison between the experimental value (29 bar) and the value calculated by RELAP5/mod3.3 (25.5 bar). This difference corresponds to about the 12% of the experimental value. It is impossible to distinguish the first peak from Figure 6; thus, Figure 7 shows a zoom of the very first phase of the injection.
Table 2. Average discrepancies between RELAP5-3D, RELAP5/mod3.3, and the experimental data (test #6).
Table 2. Average discrepancies between RELAP5-3D, RELAP5/mod3.3, and the experimental data (test #6).
TransducerRELAP5-3D vs. Exp. [bar]RELAP5-3D vs. RELAP5/mod3.3 [bar]
PT102.01.3
PT212.61.3
PT111.61.1
PT121.81.2
PT151.60.8
PT131.51.2
PT141.81.0
Figure 6. Experimental pressure trends in the TBM mock-up (a) and in the expansion tank (b), compared with results from RELAP5-3D and RELAP5/mod3.3 (test #6). The green ellipse and rectangle highlight the zoomed portions of the plot that are shown in Figure 7a,b, respectively.
Figure 6. Experimental pressure trends in the TBM mock-up (a) and in the expansion tank (b), compared with results from RELAP5-3D and RELAP5/mod3.3 (test #6). The green ellipse and rectangle highlight the zoomed portions of the plot that are shown in Figure 7a,b, respectively.
Energies 14 04544 g006
Figure 7. Zooms of the first peak (a) and of the first seconds following the peak (b) in the TBM mock-up (test #6).
Figure 7. Zooms of the first peak (a) and of the first seconds following the peak (b) in the TBM mock-up (test #6).
Energies 14 04544 g007
Figure 8 shows the time evolution of the difference between experimental and numerical values for four transducers. The behavior in the locations of the other three transducers is very similar and they are not plotted here for the sake of brevity. In the simulations of the first experimental campaign, the two general differences mentioned in Section 5 (the one-second delay on the effect of the relief valve and the absence of the second experimental peak) were the biggest contributors to the value of the average discrepancy [17]. Here, these two contributions are flanked by a third one related to the pressurization in the very first part of the transient: indeed, the codes move slightly up the first pressurization, causing the behavior shown in Figure 8.
The largest average discrepancy shown by RELAP5/mod3.3 with respect to RELAP5-3D is motivated by the large hump exhibited between 5 and 9 s.
Similar considerations also apply to tests from #7 to #11. The discrepancy vs. time plots for those tests were omitted to not burden the readability of the paper.
Figure 8. Time evolution of the discrepancy between the experimental pressure trends in four locations of the facility and the corresponding numerical trends with RELAP5-3D (blue curve) and with RELAP5/mod3.3 (red curve). (a) TBM mock-up—PT10; (b) upper leg—PT12; (c) lower leg—PT15; (d) expansion tank—PT21.
Figure 8. Time evolution of the discrepancy between the experimental pressure trends in four locations of the facility and the corresponding numerical trends with RELAP5-3D (blue curve) and with RELAP5/mod3.3 (red curve). (a) TBM mock-up—PT10; (b) upper leg—PT12; (c) lower leg—PT15; (d) expansion tank—PT21.
Energies 14 04544 g008
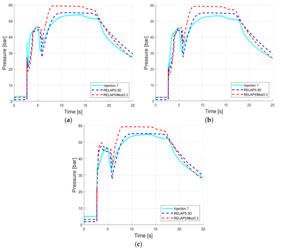
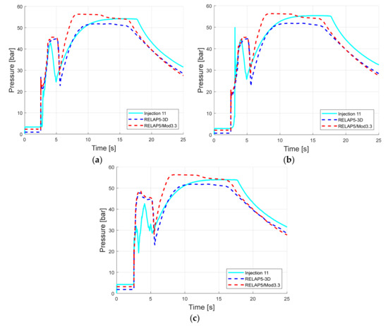
The first peaks in two locations highlight high discrepancies. The first peak in the location of PT11 is about 30.5 bar in the experimental measurement, about 26 bar simulations by RELAP5-3D (−15% of the experimental value) and about 24 bar in the simulation by RELAP5/mod3.3 (−21%). Instead, in the location of PT14, the experimental value is about 13 bar, while the value calculated by RELAP5-3D is about 10 bar (−23% of the experimental value) and the one calculated by RELAP5/mod3.3 is about 9.5 bar (−27%).
Figure 9. Experimental pressure trends in the upper and lower legs upstream of the isolation valves measured by PT11 (a), PT12 (b), and PT15 (c), compared with results from RELAP5-3D and RELAP5/mod3.3 (test #6).
Figure 9. Experimental pressure trends in the upper and lower legs upstream of the isolation valves measured by PT11 (a), PT12 (b), and PT15 (c), compared with results from RELAP5-3D and RELAP5/mod3.3 (test #6).
Energies 14 04544 g009aEnergies 14 04544 g009b
Figure 10. Experimental pressure trends in the upper and lower legs downstream of the isolation valves measured by PT13 (a) and PT14 (b), compared with results from RELAP5-3D and RELAP5/mod3.3 (test #6).
Figure 10. Experimental pressure trends in the upper and lower legs downstream of the isolation valves measured by PT13 (a) and PT14 (b), compared with results from RELAP5-3D and RELAP5/mod3.3 (test #6).
Energies 14 04544 g010

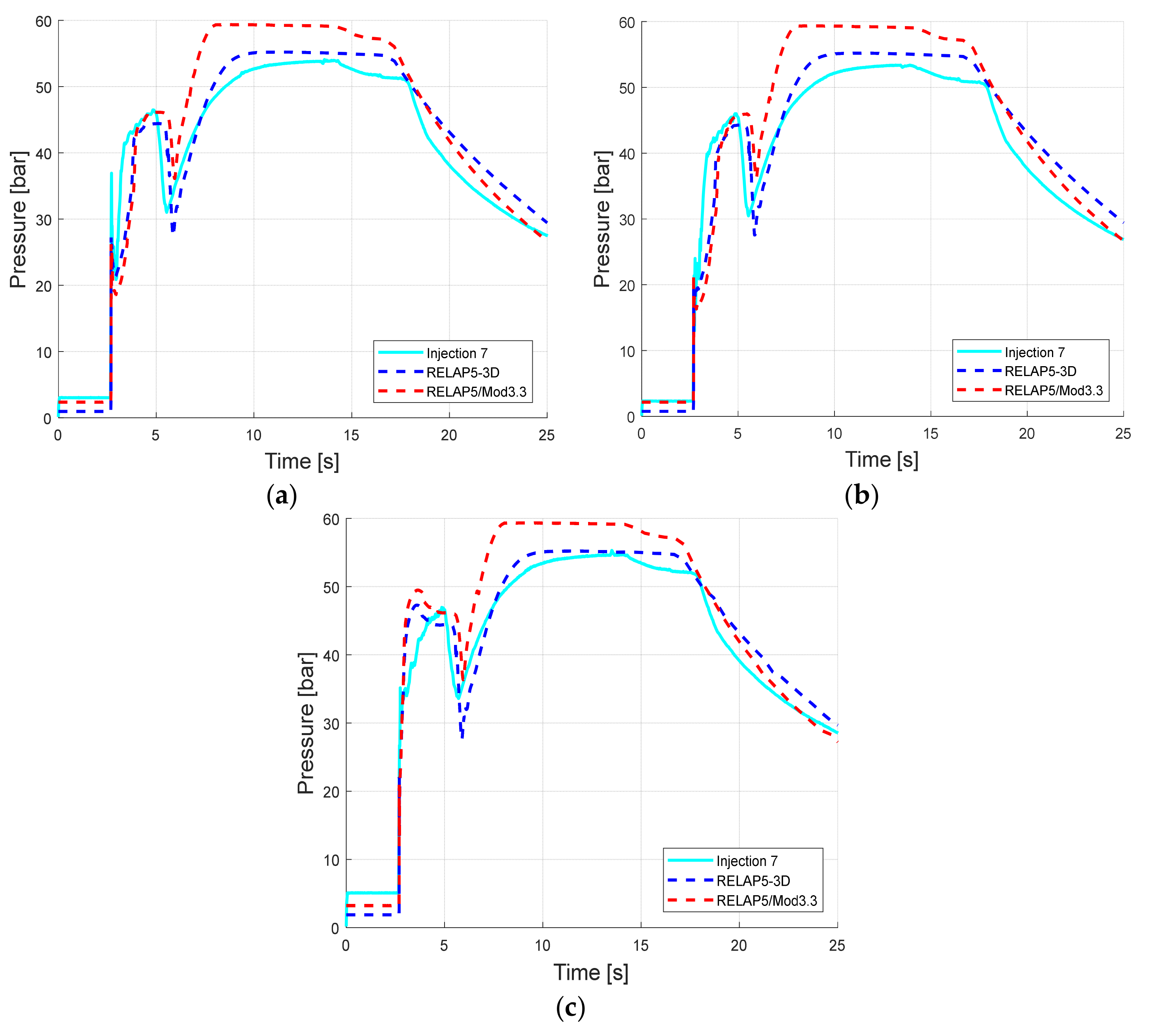
5.2. Test VII

Figure 11, Figure 13 and Figure 14 show the comparison between the experimental pressure trends and the numerical trends evaluated by RELAP5-3D and RELAP5/mod3.3 for test #7. Even in this test, the codes tend to generally overestimate the pressure trends, with an average discrepancy of slightly more than 4.5 bar, the largest among the tests of the second experimental campaign.
Figure 11. Experimental pressure trends in the TBM mock-up (a) and in the expansion tank (b), compared with results from RELAP5-3D and RELAP5/mod3.3 (test #5).
Figure 11. Experimental pressure trends in the TBM mock-up (a) and in the expansion tank (b), compared with results from RELAP5-3D and RELAP5/mod3.3 (test #5).
Energies 14 04544 g011
The experimental value of the first peak in the TBM mock-up is about 37 bar. The values calculated by the two versions of RELAP5 are about 31 bar for RELAP5-3D (−16% of the experimental value) and about 29 bar for RELAP5/mod3.3 (−21.5%). As it is impossible to distinguish, the first peak from Figure 11 and Figure 12 shows a zoom of the very first phase of the injection.
Figure 12. Zoom of the first peak in the TBM mock-up (test #7).
Figure 12. Zoom of the first peak in the TBM mock-up (test #7).
Energies 14 04544 g012
Table 3 shows the rounded-up average discrepancies between RELAP5-3D and the experimental data and between the two versions of the code for each point of measurement.
The discrepancy between the experimental and numerical values for the first peaks in PT11 and PT14 proved to be relatively high also in test #7. The first peak measured by PT11 is about 37 bar, RELAP5-3D predicted about 27 bar (−27% of the experimental value), and RELAP5/mod3.3 about 26 bar (−30%). Instead, in the location of PT14, the experimental value is about 16 bar, while the value calculated by RELAP5-3D is about 11 bar (−31% of the experimental value), and the one calculated by RELAP5/mod3.3 is about 10 bar (−37.5%).
Table 3. Average discrepancies between RELAP5-3D, RELAP5/mod3.3, and the experimental data (test #7).
Table 3. Average discrepancies between RELAP5-3D, RELAP5/mod3.3, and the experimental data (test #7).
TransducerRELAP5-3D vs. Exp. [bar]RELAP5-3D vs. RELAP5/mod3.3 [bar]
PT102.90.8
PT215.31.3
PT113.91.7
PT124.21.8
PT153.41.5
PT134.11.5
PT143.61.4
Figure 13. Experimental pressure trends in the upper and lower legs upstream of the isolation valves measured by PT11 (a), PT12 (b), and PT15 (c), compared with results from RELAP5-3D and RELAP5/mod3.3 (test #7).
Figure 13. Experimental pressure trends in the upper and lower legs upstream of the isolation valves measured by PT11 (a), PT12 (b), and PT15 (c), compared with results from RELAP5-3D and RELAP5/mod3.3 (test #7).
Energies 14 04544 g013
Figure 14. Experimental pressure trends in the upper and lower legs downstream of the isolation valves measured by PT13 (a) and PT14 (b), compared with results from RELAP5-3D and RELAP5/mod3.3 (test #7).
Figure 14. Experimental pressure trends in the upper and lower legs downstream of the isolation valves measured by PT13 (a) and PT14 (b), compared with results from RELAP5-3D and RELAP5/mod3.3 (test #7).
Energies 14 04544 g014

5.3. Test VIII

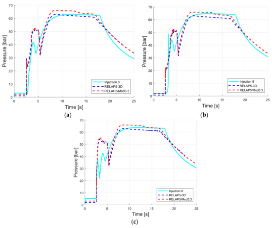
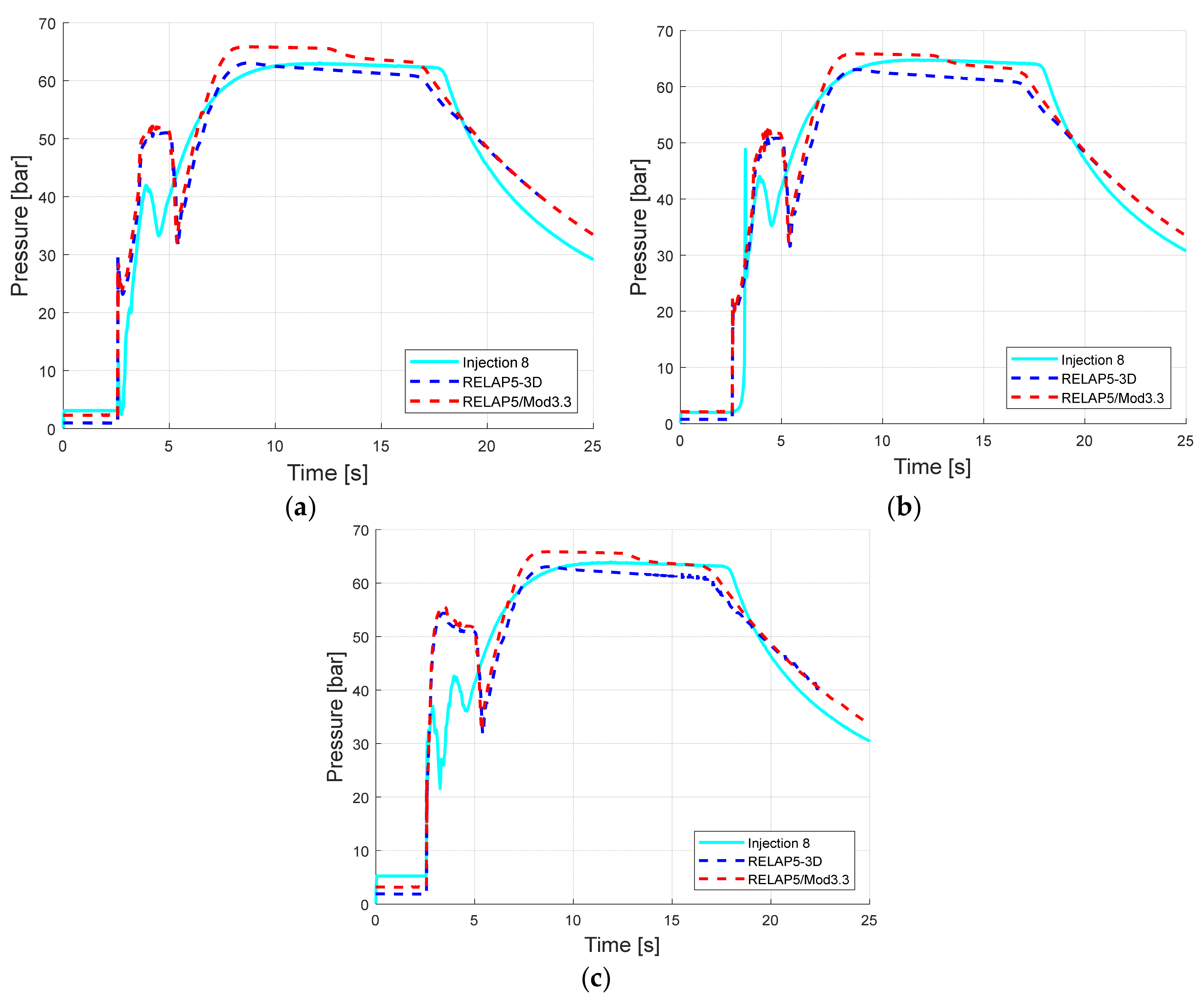
Figure 15, Figure 17 and Figure 18 show the comparison between the experimental pressure trends and the numerical trends evaluated by RELAP5-3D and RELAP5/mod3.3 for test #8. Even in this test, the codes tend to generally overestimate the pressure trends, with an average discrepancy of about 4 bar.
Figure 15. Experimental pressure trends in the TBM mock-up (a) and in the expansion tank (b), compared with results from RELAP5-3D and RELAP5/mod3.3 (test #8).
Figure 15. Experimental pressure trends in the TBM mock-up (a) and in the expansion tank (b), compared with results from RELAP5-3D and RELAP5/mod3.3 (test #8).
Energies 14 04544 g015
The experimental value of the first peak in the TBM mock-up is about 38 bar. The values calculated by the two versions of RELAP5 are about 34 bar for RELAP5-3D (−10% of the experimental value) and about 30.5 bar for RELAP5/mod3.3 (−19.5%). Moreover, the two codes predict the first peak at about 2.6 s, approximately the same time of tests #6 and #7. Instead, the experimental peak occurs at about 2.9 s, likely because of a slightly slower opening of the injection valve. As it is impossible to distinguish the first peak from Figure 15 and Figure 16 shows a zoom of the very first phase of the injection.
Table 4 shows the rounded-up average discrepancies between RELAP5-3D and the experimental data and between the two versions of the code for each point of measurement.
Figure 16. Zoom of the first peak in the TBM mock-up (test #8).
Figure 16. Zoom of the first peak in the TBM mock-up (test #8).
Energies 14 04544 g016
Table 4. Average discrepancies between RELAP5-3D, RELAP5/mod3.3, and the experimental data (test #8).
Table 4. Average discrepancies between RELAP5-3D, RELAP5/mod3.3, and the experimental data (test #8).
TransducerRELAP5-3D vs. Exp. [bar]RELAP5-3D vs. RELAP5/mod3.3 [bar]
PT104.60.7
PT214.50.4
PT113.60.5
PT123.7−0.3
PT154.00.1
PT133.30.6
PT143.50.5
As far as the first peaks in the other parts of the loop are concerned, in test #8, the codes predict lower first peaks in PT14, while higher values in PT11. The first peak measured by PT11 is about 11 bar, while RELAP5-3D predicted about 30 bar (+172% of the experimental value) and RELAP5/mod3.3 about 28 bar (+154%). The low experimental value and the discrepancies being so much higher than the average ones raises doubts about the correct measurement of this particular peak. The experimental value measured by PT14 is about 16 bar, while the value calculated by RELAP5-3D is about 10 bar (−37.5% of the experimental value) and the one calculated by RELAP5/mod3.3 is about 11 bar (−31%). Moreover, in the case of PT12, the pressurization happens earlier in the codes with respect to the experiment. The experimental trend seems to lack of the first peak, reaching directly the pressure typical of the second peak, almost 50 bar. This anomalous behavior makes useless a comparison with the codes on the value of the first peak.
Figure 17. Experimental pressure trends in the upper and lower legs upstream of the isolation valves measured by PT11 (a), PT12 (b), and PT15 (c), compared with results from RELAP5-3D and RELAP5/mod3.3 (test #8).
Figure 17. Experimental pressure trends in the upper and lower legs upstream of the isolation valves measured by PT11 (a), PT12 (b), and PT15 (c), compared with results from RELAP5-3D and RELAP5/mod3.3 (test #8).
Energies 14 04544 g017
Figure 18. Experimental pressure trends in the upper and lower legs downstream of the isolation valves measured by PT13 (a) and PT14 (b), compared with results from RELAP5-3D and RELAP5/mod3.3 (test #8).
Figure 18. Experimental pressure trends in the upper and lower legs downstream of the isolation valves measured by PT13 (a) and PT14 (b), compared with results from RELAP5-3D and RELAP5/mod3.3 (test #8).
Energies 14 04544 g018

5.4. Test IX

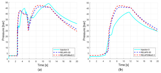
Figure 19, Figure 21 and Figure 22 show the comparison between the experimental pressure trends and the numerical trends evaluated by RELAP5-3D and RELAP5/mod3.3 for test #9. Even in this test, the codes tend to generally overestimate the pressure trends, with an average discrepancy of less than 4 bar.
Figure 19. Experimental pressure trends in the TBM mock-up (a) and in the expansion tank (b), compared with results from RELAP5-3D and RELAP5/mod3.3 (test #9).
Figure 19. Experimental pressure trends in the TBM mock-up (a) and in the expansion tank (b), compared with results from RELAP5-3D and RELAP5/mod3.3 (test #9).
Energies 14 04544 g019
The experimental value of the first peak in the TBM mock-up is about 30 bar. The values calculated by the two versions of RELAP5 are about 29 bar for RELAP5-3D (−3% of the experimental value) and about 25.5 bar for RELAP5/mod3.3 (−15%). Even in this injection, the two codes predict the first peak earlier than in the experimental trend. The reason is likely the same: the slightly slower opening of the injection valve. As it is impossible to distinguish the first peak from Figure 19 and Figure 20 shows a zoom of the very first phase of the injection.
Table 5 shows the rounded-up average discrepancies between RELAP5-3D and the experimental data and between the two versions of the code for each point of measurement.
Figure 20. Zoom of the first peak in the TBM mock-up (test #9).
Figure 20. Zoom of the first peak in the TBM mock-up (test #9).
Energies 14 04544 g020
Table 5. Average discrepancies between RELAP5-3D, RELAP5/mod3.3, and the experimental data (test #9).
Table 5. Average discrepancies between RELAP5-3D, RELAP5/mod3.3, and the experimental data (test #9).
TransducerRELAP5-3D vs. Exp. [bar]RELAP5-3D vs. RELAP5/mod3.3 [bar]
PT104.00.6
PT215.0−0.1
PT113.50.4
PT123.30.6
PT153.50.4
PT133.50.4
PT143.40.5
Figure 21. Experimental pressure trends in the upper and lower legs upstream of the isolation valves measured by PT11 (a), PT12 (b) and PT15 (c), compared with results from RELAP5-3D and RELAP5/mod3.3 (test #9).
Figure 21. Experimental pressure trends in the upper and lower legs upstream of the isolation valves measured by PT11 (a), PT12 (b) and PT15 (c), compared with results from RELAP5-3D and RELAP5/mod3.3 (test #9).
Energies 14 04544 g021
As far as the first peaks in the other parts of the loop are concerned, in test #9, the codes predict lower first peaks in PT14, while higher values in PT11. The first peak measured by PT11 is about 19 bar, while RELAP5-3D predicted about 25.5 bar (+34% of the experimental value) and RELAP5/mod3.3 about 23 bar (+154%). The low experimental value and the discrepancies being so much higher than the average ones raises doubts to the correct measurement of this particular peak. The experimental value measured by PT14 is about 13 bar, while the value calculated by RELAP5-3D is about 10 bar (−23% of the experimental value) and the one calculated by RELAP5/mod3.3 is about 8 bar (−38%).
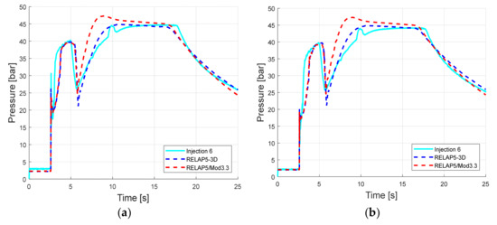
Figure 22. Experimental pressure trends in the upper and lower legs downstream of the isolation valves measured by PT13 (a) and PT14 (b), compared with results from RELAP5-3D and RELAP5/mod3.3 (test #9).
Figure 22. Experimental pressure trends in the upper and lower legs downstream of the isolation valves measured by PT13 (a) and PT14 (b), compared with results from RELAP5-3D and RELAP5/mod3.3 (test #9).
Energies 14 04544 g022

5.5. Test X

Figure 23, Figure 25 and Figure 26 show the comparison between the experimental pressure trends and the numerical trends evaluated by RELAP5-3D and RELAP5/mod3.3 for test #10. Even in this test, the codes tend to generally overestimate the pressure trends, with an average discrepancy of about 2.5 bar. An error in the Data Acquisition and Control System prevented measuring the pressure trend in the mock-up; for this reason, Figure 23a shows only the pressure trends computed by the two versions of RELAP5.
Figure 23. Numerical pressure trend in the TBM mock-up (a) and experimental pressure trend in the expansion tank (b), compared with results from RELAP5-3D and RELAP5/mod3.3 (test #10).
Figure 23. Numerical pressure trend in the TBM mock-up (a) and experimental pressure trend in the expansion tank (b), compared with results from RELAP5-3D and RELAP5/mod3.3 (test #10).
Energies 14 04544 g023
The values of the first peak calculated by the two versions of RELAP5 are about 30.5 bar for RELAP5-3D and about 28 bar for RELAP5/mod3.3, with a discrepancy of about 8% using RELAP5-3D as a reference. Figure 24 shows a zoom of the very first phase of the injection.
As far as the first peaks in the other parts of the loop are concerned, also in test #10, the codes predict lower first peaks in PT14, while higher values in PT11. The first peak measured by PT11 is about 22 bar, while RELAP5-3D predicted about 27 bar (+23% of the experimental value) and RELAP5/mod3.3 about 26 bar (+18%). The experimental value measured by PT14 is about 12 bar, while the value calculated by RELAP5-3D is about 9 bar (−13% of the experimental value), and the one calculated by RELAP5/mod3.3 is about 10 bar (−9%). Table 6 shows the rounded-up average discrepancies between RELAP5-3D and the experimental data and between the two versions of the code for each point of measurement.
Figure 24. Zoom of the first peak in the TBM mock-up (test #10).
Figure 24. Zoom of the first peak in the TBM mock-up (test #10).
Energies 14 04544 g024
Table 6. Average discrepancies between RELAP5-3D, RELAP5/mod3.3, and the experimental data (test #10).
Table 6. Average discrepancies between RELAP5-3D, RELAP5/mod3.3, and the experimental data (test #10).
TransducerRELAP5-3D vs. Exp. [bar]RELAP5-3D vs. RELAP5/mod3.3 [bar]
PT10-−0.4
PT211.60.6
PT113.3−0.1
PT123.8−0.7
PT153.6−0.4
PT132.4−0.2
PT141.10.8
Figure 25. Experimental pressure trends in the upper and lower legs upstream of the isolation valves measured by PT11 (a), PT12 (b), and PT15 (c), compared with results from RELAP5-3D and RELAP5/mod3.3 (test #10).
Figure 25. Experimental pressure trends in the upper and lower legs upstream of the isolation valves measured by PT11 (a), PT12 (b), and PT15 (c), compared with results from RELAP5-3D and RELAP5/mod3.3 (test #10).
Energies 14 04544 g025
Figure 26. Experimental pressure trends in the upper and lower legs downstream of the isolation valves measured by PT13 (a) and PT14 (b), compared with results from RELAP5-3D and RELAP5/mod3.3 (test #10).
Figure 26. Experimental pressure trends in the upper and lower legs downstream of the isolation valves measured by PT13 (a) and PT14 (b), compared with results from RELAP5-3D and RELAP5/mod3.3 (test #10).
Energies 14 04544 g026

5.6. Test XI

Figure 27, Figure 29 and Figure 30 show the comparison between the experimental pressure trends and the numerical trends evaluated by RELAP5-3D and RELAP5/mod3.3 for test #11. Even in this test, the codes tend to generally overestimate the pressure trends, with an average discrepancy of about 4 bar.
Figure 27. Experimental pressure trends in the TBM mock-up (a) and in the expansion tank (b), compared with results from RELAP5-3D and RELAP5/mod3.3 (test #11).
Figure 27. Experimental pressure trends in the TBM mock-up (a) and in the expansion tank (b), compared with results from RELAP5-3D and RELAP5/mod3.3 (test #11).
Energies 14 04544 g027
The experimental value of the first peak in the TBM mock-up is about 35 bar. The values calculated by the two versions of RELAP5 are about 30 bar for RELAP5-3D (−14% of the experimental value) and about 28.5 bar for RELAP5/mod3.3 (−18.5%). Figure 28 shows a zoom of the very first phase of the injection.
Table 7 shows the rounded-up average discrepancies between RELAP5-3D and the experimental data and between the two versions of the code for each point of measurement. This test highlighted the biggest difference between RELAP5-3D and RELAP5/mod3.3, with an average of about 1.7 bar.
As far as the first peaks in the other parts of the loop are concerned, in test #8, the codes predict lower first peaks in PT14, while higher values in PT11. The first peak measured by PT11 is about 14 bar, while RELAP5-3D predicted about 26.5 bar (+89% of the experimental value) and RELAP5/mod3.3 about 26 bar (+93%). The experimental value measured by PT14 is about 15 bar, while the value calculated by RELAP5-3D is about 9.5 bar (−36.5% of the experimental value) and the one calculated by RELAP5/mod3.3 is about 10 bar (−33%).
Figure 28. Zoom of the first peak in the TBM mock-up (test #11).
Figure 28. Zoom of the first peak in the TBM mock-up (test #11).
Energies 14 04544 g028
Table 7. Average discrepancies between RELAP5-3D, RELAP5/mod3.3, and the experimental data (test #11).
Table 7. Average discrepancies between RELAP5-3D, RELAP5/mod3.3, and the experimental data (test #11).
TransducerRELAP5-3D vs. Exp. [bar]RELAP5-3D vs. RELAP5/mod3.3 [bar]
PT103.62.2
PT212.62.2
PT113.31.6
PT123.81.0
PT153.71.5
PT132.12.0
PT142.81.4
Figure 29. Experimental pressure trends in the upper and lower legs upstream of the isolation valves measured by PT11 (a); PT12 (b); and PT15 (c), compared with results from RELAP5-3D and RELAP5/mod3.3 (test #11).
Figure 29. Experimental pressure trends in the upper and lower legs upstream of the isolation valves measured by PT11 (a); PT12 (b); and PT15 (c), compared with results from RELAP5-3D and RELAP5/mod3.3 (test #11).
Energies 14 04544 g029
Figure 30. Experimental pressure trends in the upper and lower legs downstream of the isolation valves measured by PT13 (a) and PT14 (b), compared with results from RELAP5-3D and RELAP5/mod3.3 (test #11).
Figure 30. Experimental pressure trends in the upper and lower legs downstream of the isolation valves measured by PT13 (a) and PT14 (b), compared with results from RELAP5-3D and RELAP5/mod3.3 (test #11).
Energies 14 04544 g030

6. Conclusions

Simulations with RELAP5-3D were carried out using LBE instead of LiPb, as the property library of LiPb only reaches 40 bar in this version of the code. As a consequence, and also because errors were found in some properties (including density and speed of sound, particularly important for this transient), LiPb was added in RELAP5/mod3.3 at the University of Pisa.
The experimental campaign, the second one with the THALLIUM facility, allowed for strengthening the knowledge on the In-box LOCA evolution for the HCLL TBS. The results confirmed that the transient can be roughly divided into two parts: the first one, which goes from the injection up to the opening of the relief valve, is dominated by the fast pressure increase linked with the propagation of the pressure wave. This part of the transient is heavily influenced by the presence of the isolation valves: the small orifice of these valves protects the downstream section of the facility from the pressurization, by dampening the pressure wave. Instead, the second part of the transient sees a new pressurization linked with the arrival of high pressure helium from the injection line. This part of the transient is ruled by the ratio between the relief valve and the injection valve flow areas. In THALLIUM, the former is smaller than the latter, leading to a pressurization of the system. For this reason, a careful choice of the relief valve might help to protect the Test Blanket System, or similar systems, against these kinds of scenarios.
This experimental campaign has also underlined the impact of the opening time of the injection valve on the first pressure peak. Indeed, if the pressure peak in the first campaign, whose injection valve opened in about 40 ms, was about 70% of the helium pressure, and the slower opening time of the new injection valve (about 500 ms) caused this percentage to decrease to 60% of the injection pressure.
The numerical simulations of the second experimental campaign showed an excellent agreement in the comparison of the two versions of the code (average discrepancy of about 0.8 bar) and a general good agreement with the experimental data (average discrepancy of about 3.2 bar and about 4 bar. The two general discrepancies highlighted during the simulations of the first experimental campaign (i.e., delayed effect of the relief valve and absence of the second pressure peak) are still present here, even though they are less evident.
The comparison between RELAP5-3D and RELAP5/mod3.3 showed that the first one is slightly more accurate in reproducing the experimental results of the second campaign (average discrepancy of about 3.2 bar vs. about 4 bar), even though LiPb was implemented and used as system fluid in RELAP5/mod3.3. This accessorily confirms that the differences in the properties of LiPb and LBE have little impact on this type of transient.
These results demonstrate that RELAP5 accurately predicts the pressure trends. This confirms that its use in the design of the LiPb loops can be taken into consideration.

Author Contributions

Conceptualization, M.U. and A.V.; methodology, A.V.; software, A.V.; validation, A.V.; formal analysis, A.V.; investigation, A.V.; resources, M.U. and N.F.; data curation, A.V.; writing—original draft preparation, A.V.; writing—review and editing, A.V.; visualization, A.V.; supervision, M.U.; project administration, M.U.; funding acquisition, M.U. All authors have read and agreed to the published version of the manuscript.

Funding

This research was partially funded by Fusion for Energy, Grant No. FPA-372-SG02.

Institutional Review Board Statement

Not applicable.

Informed Consent Statement

Not applicable.

Data Availability Statement

Not applicable.

Acknowledgments

The first author wants to express his gratitude to EURO fusion for funding his Engineering Grant.

Conflicts of Interest

The authors declare no conflict of interest.

References

  1. INL. RELAP5-3D© Code Manual Volume I: Code Structure, System Models and Solution Methods; INL/MIS-15-36723; Idaho National Laboratories: Idaho Falls, ID, USA, 2015.
  2. INL. RELAP5/MOD3 Code Manual Volume I: Code Structure, System Models, and Solution Methods; Idaho National Laboratories: Idaho Falls, ID, USA, 2003.
  3. ITER. ITER D2.3: Final STR_56.A1.LP. (v.2.1 2014/08/07); ITER PbLi Loop—Final Technical Report; ITER: St. Paul-lez-Durance, France, 2014. [Google Scholar]
  4. Aiello, G.; De Dinechin, G.; Forest, L.; Gabriel, F.; Puma, A.L.; Rampal, G.; Rigal, E.; Salavy, J.F.; Simon, H. HCLL TBM design status and development. Fus. Eng. Des. 2011, 86, 2129–2134. [Google Scholar] [CrossRef]
  5. Panayotov, D. HCLL-TBS Preliminary Safety Report, Internal F4E Report Number 239WLJ (v 2.4); F4E: Barcelona, Spain, 2013. [Google Scholar]
  6. Utili, M.; Venturini, A.; Lanfranchi, M.; Calderoni, P.; Malavasi, A.; Zucchetti, M. THALLIUM: An experimental facility for simulation of HCLL In-box LOCA and validation of RELAP5-3D system code. Fus. Eng. Des. 2017, 123, 102–106. [Google Scholar] [CrossRef]
  7. Venturini, A.; Utili, M.; Martelli, D.; Ricapito, I.; Malavasi, A. Experimental campaign on pressure wave propagation in LLE. Fus. Eng. Des. 2018, 136, 809–814. [Google Scholar] [CrossRef]
  8. Venturini, A.; Utili, M.; Martelli, D.; Malavasi, A.; Ricapito, I.; Tarantino, M. Experimental investigation on HCLL-TBS In-box LOCA. Fus. Eng. Des. 2019, 146, 173–177. [Google Scholar] [CrossRef]
  9. Barone, G.; Martelli, D.; Forgione, N.; Utili, M.; Ricapito, I. Experimental campaign on the upgraded He-FUS3 facility. Fus. Eng. Des. 2017, 123, 181–185. [Google Scholar] [CrossRef]
  10. Barone, G.; Coscarelli, E.; Forgione, N.; Martelli, D.; Del Nevo, A.; Tarantino, M.; Utili, M.; Ricapito, I.; Calderoni, P. Development of a model for the thermal-hydraulic characterization of the He-FUS3 loop. Fus. Eng. Des. 2015, 96, 212–216. [Google Scholar] [CrossRef]
  11. Venturini, A.; Utili, M.; Gabriele, A.; Ricapito, I.; Malavasi, A.; Forgione, N. Experimental and RELAP5-3D results on IELLLO (Integrated European Lead Lithium LOop) operation. Fus. Eng. Des. 2017, 123, 143–147. [Google Scholar] [CrossRef]
  12. Venturini, A.; Papa, F.; Utili, M.; Forgione, N. Experimental Qualification of New Instrumentation for Lead-Lithium Eutectic in IELLLO Facility. Fus. Eng. Des. 2020, 156, 111683. [Google Scholar] [CrossRef]
  13. Lee, D.W.; Jin, H.G.; Shin, K.I.; Lee, E.H.; Kim, S.K.; Yoon, J.S.; Ahn, M.Y.; Cho, S. Investigation into the In-box LOCA consequence and structural integrity of the KO HCCR TBM in ITER. Fus. Eng. Des. 2014, 89, 1177–1180. [Google Scholar] [CrossRef]
  14. Moghanaki, S.K.; Galleni, F.; Eboli, M.; Del Nevo, A.; Paci, S.; Forgione, N. Analysis of Test D1.1 of the LIFUS5/Mod3 facility for In-box LOCA in WCLL-BB. Fus. Eng. Des. 2020, 160, 111832. [Google Scholar] [CrossRef]
  15. Eboli, M.; Forgione, N.; Del Nevo, A. Assessment of SIMMER-III code in predicting Water Cooled Lithium Lead Breeding Blanket “in-box-Loss Of Coolant Accident”. Fus. Eng. Des 2021, 163, 112127. [Google Scholar] [CrossRef]
  16. Eboli, M.; Crugnola, R.M.; Cammi, A.; Khani, S.; Forgione, N.; Del Nevo, A. Test Series D experimental results for SIMMER code validation of WCLL BB in-box LOCA in LIFUS5/Mod3 facility. Fus. Eng. Des. 2020, 156, 111582. [Google Scholar] [CrossRef]
  17. Venturini, A.; Utili, M.; Forgione, N. Numerical simulations with RELAP5-3D of the first experimental campaign on In-box LOCA transient for HCLL TBS. Fus. Eng. Des. 2021, 163, 112160. [Google Scholar] [CrossRef]
  18. Utili, M.; Venturini, A.; Martelli, D.; Malavasi, A.; Laffi, L. Tests Simulating LLE-Loop Pressurisation due to LOCA Accident; ENEA Internal Report IT-T-R 228; ENEA: Rome, Italy, 2016. [Google Scholar]
  19. Barone, G.; Martelli, D.; Forgione, N. Implementation of the lead lithium eutectic properties in RELAP5/Mod.3.3 for nuclear fusion system applications. Fus. Eng. Des. 2019, 146, 1308–1312. [Google Scholar] [CrossRef]
  20. Idelchik, I.E. Handbook of Hydraulic Resistance, 3rd ed.; Jaico Publishing House: Mumbai, India, 2008. [Google Scholar]
  21. Martelli, D.; Venturini, A.; Utili, M. Literature review of lead-lithium thermophysical properties. Fus. Eng. Des. 2019, 138, 183–195. [Google Scholar] [CrossRef]
  22. Stankus, S.V.; Khairulin, R.A.; Mozgovoi, A.G. An Experimental Investigation of the Density and Thermal Expansion of Advanced Materials and Heat–Transfer Agents of Liquid–Metal Systems of Fusion Reactor: Lead–Lithium Eutectic. High Temperature 2006, 44, 829–837. [Google Scholar] [CrossRef]
  23. Handbook on Lead-Bismuth Eutectic Alloy and Lead Properties, Materials Compatibility, Thermal-Hydraulics and Technologies, 2015 ed.; OECD: Paris, France; NEA: Paris, France, 2015; Available online: https://www.oecd-nea.org/jcms/pl_14972/handbook-on-lead-bismuth-eutectic-alloy-and-lead-properties-materials-compatibility-thermal-hydraulics-and-technologies-2015-edition?details=true (accessed on 27 April 2021).
  24. Ueki, Y.; Hirabayashi, M.; Kunugi, T.; Yokomine, T.; Ara, K. Acoustic Properties of Pb-17li Alloy for Ultrasonic Doppler Velocimetry. Fus. Sc. Tech. 2009, 56, 846–850. [Google Scholar] [CrossRef]
  25. Sobolev, V. Database of Thermophysical Properties of Liquid Metal Coolants for GEN-IV; Scientific Report SCK•CEN-BLG-1069; Belgian Nuclear Research Centre: Mol, Belgium, 2010; Available online: https://inis.iaea.org/search/search.aspx?orig_q=RN:43095088 (accessed on 27 April 2021).
Figure 1. Sketch of the facility.
Figure 1. Sketch of the facility.
Energies 14 04544 g001
Figure 2. RELAP5 nodalization adopted for the simulations.
Figure 2. RELAP5 nodalization adopted for the simulations.
Energies 14 04544 g002
Figure 3. Density of LiPb and LBE as a function of temperature.
Figure 3. Density of LiPb and LBE as a function of temperature.
Energies 14 04544 g003
Figure 4. Speed of sound of LiPb and LBE as a function of temperature.
Figure 4. Speed of sound of LiPb and LBE as a function of temperature.
Energies 14 04544 g004
Figure 5. Pressure trends in the TBM mock-up (a) and in the expansion tank (b) with LBE and LiPb as system fluids.
Figure 5. Pressure trends in the TBM mock-up (a) and in the expansion tank (b) with LBE and LiPb as system fluids.
Energies 14 04544 g005
Table 1. Main parameters used in the second experimental campaign.
Table 1. Main parameters used in the second experimental campaign.
Test NumberInjection Time [s]He Pressure [bar]
61550
71560
81570
9950
101.560
111560
Publisher’s Note: MDPI stays neutral with regard to jurisdictional claims in published maps and institutional affiliations.

Share and Cite

MDPI and ACS Style

Venturini, A.; Utili, M.; Forgione, N. Numerical Simulations with RELAP5-3D and RELAP5/mod3.3 of the Second Experimental Campaign on In-Box LOCA Transients for HCLL TBS. Energies 2021, 14, 4544. https://doi.org/10.3390/en14154544

AMA Style

Venturini A, Utili M, Forgione N. Numerical Simulations with RELAP5-3D and RELAP5/mod3.3 of the Second Experimental Campaign on In-Box LOCA Transients for HCLL TBS. Energies. 2021; 14(15):4544. https://doi.org/10.3390/en14154544

Chicago/Turabian Style

Venturini, Alessandro, Marco Utili, and Nicola Forgione. 2021. "Numerical Simulations with RELAP5-3D and RELAP5/mod3.3 of the Second Experimental Campaign on In-Box LOCA Transients for HCLL TBS" Energies 14, no. 15: 4544. https://doi.org/10.3390/en14154544

APA Style

Venturini, A., Utili, M., & Forgione, N. (2021). Numerical Simulations with RELAP5-3D and RELAP5/mod3.3 of the Second Experimental Campaign on In-Box LOCA Transients for HCLL TBS. Energies, 14(15), 4544. https://doi.org/10.3390/en14154544

Note that from the first issue of 2016, this journal uses article numbers instead of page numbers. See further details here.

Article Metrics

Back to TopTop