Design and Implementation of Improved High Step-Down DC-DC Converter for Electric Vehicles
Abstract
:1. Introduction
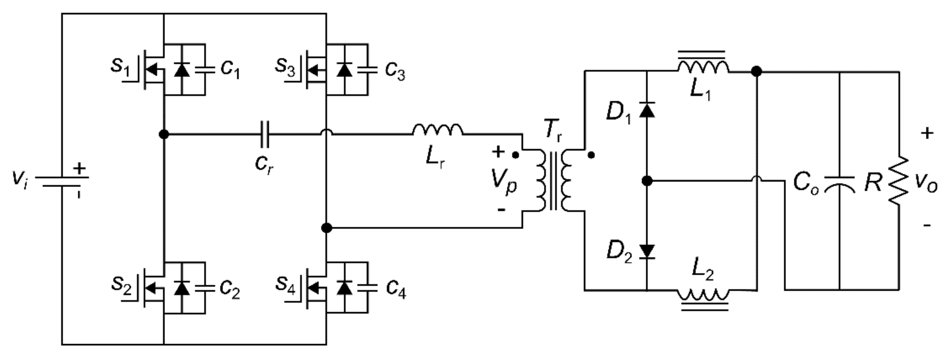
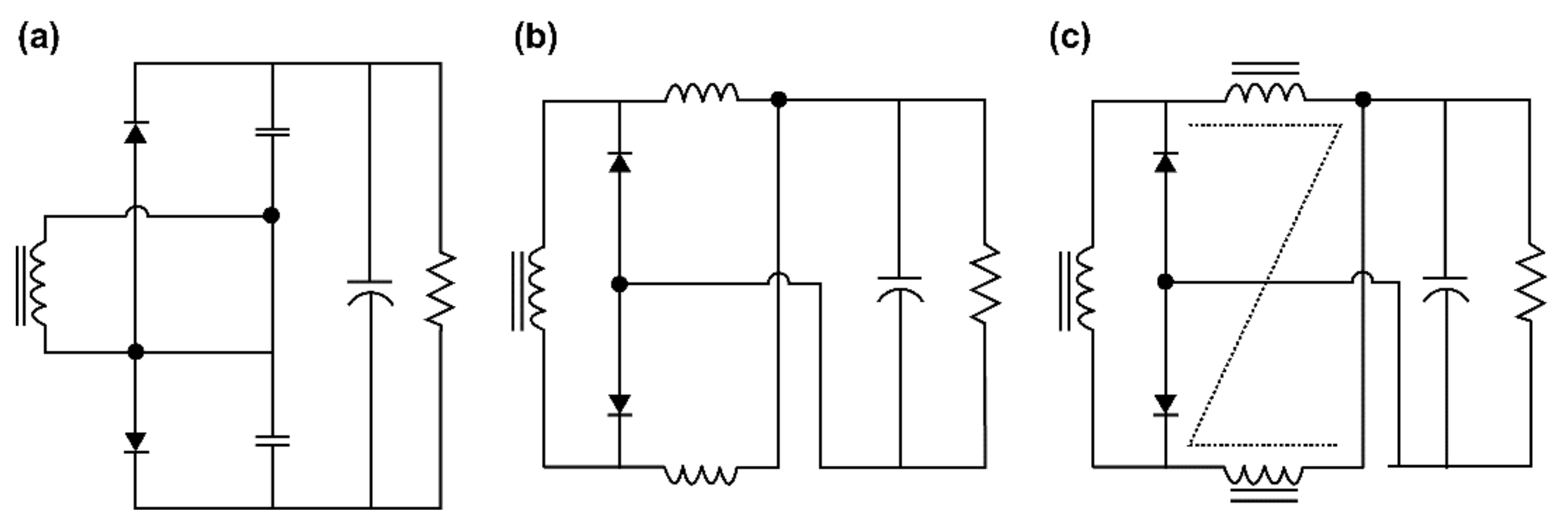
2. Derivation and Operating Principles of the Proposed Converter
2.1. Circuit Derivation
2.2. Analysis of Operating States of Modes
- The switching devices are ideal MOSFETs except for the internal body diodes and parasitic capacitors.
- The transformer ideally operates according to the turns on the primary and secondary sides, i.e., Np and Ns, respectively.
- The output filter inductors have the same magnitude, i.e., L1 = L2, and the output current ripples are the same, i.e., .
- The output filter capacitor Co is large enough to be treated as a voltage source with output voltage Vo.
- —Input voltage
- vo—Output voltage
- —voltage of the switch capacitor
- —Input current
- —Output current
- —Turns ratio of the transformer
- —Leakage inductance of the transformer
- —Output capacitance of the switch
- —Switching frequency
3. Characteristics of the Proposed Converter
3.1. Voltage Gain and Effective Duty Cycle
3.2. Voltage Stress
3.3. Resonant Capacitance
3.4. Resonant Inductance
4. Design Considerations
- (1)
- Input voltage range : 360–400 V;
- (2)
- Output voltage : 12 V;
- (3)
- Rated output power : 600 W;
- (4)
- Switching frequency : 100 kHz;
- (5)
- Maximum output current : 50 A;
- (6)
- Output filter ripple voltage : 0.12 V;
- (7)
- Output filter ripple current : 9 A.
4.1. Design of the Isolation Transformer
4.2. Selection of the Filter Coupled Inductors and Capacitor
4.3. Selection of the Rectifier Diodes and Power Switches
5. Experimental Verification
6. Conclusions
- The CICDR rectification method can achieve high output current and high step-down voltage gain for EVs;
- The voltage stress of the rectifier diode is low. Consequently, the losses of the rectifier diode can be reduced and high efficiency can be obtained;
- The leakage energy can turn on the switch under the ZVS condition. This reduces conduction loss and improves efficiency.
Author Contributions
Funding
Institutional Review Board Statement
Informed Consent Statement
Data Availability Statement
Acknowledgments
Conflicts of Interest
References
- Wu, T.F.; Tsai, C.T.; Chang, Y.D. Analysis and implementation of an improved current-doubler rectifier with coupled inductor. IEEE Trans. Power Electron. 2008, 23, 2681–2693. [Google Scholar]
- Karfopoulos, E.L.; Hatziargyriou, N.D. A multi-agent system for controlled charging of a large population of electric vehicles. IEEE Trans. Power Syst. 2013, 28, 1196–1204. [Google Scholar] [CrossRef]
- Aharon, I.; Kuperman, A. Topological overview of powertrains for battery-powered vehicles with range extenders. IEEE Trans. Power Electron. 2011, 26, 868–876. [Google Scholar] [CrossRef]
- Cao, J.; Emadi, A. A new battery/ultracapacitor hybrid energy storage system for electric, hybrid, and plug-in hybrid electric vehicles. IEEE Trans. Power Electron. 2012, 27, 122–132. [Google Scholar]
- Camara, M.B.; Gualous, H.; Gustin, F.; Berthon, A.; Dakyo, B. DC/DC converter design for supercapacitor and battery power management in hybrid vehicle applications—Polynomial control strategy. IEEE Trans. Ind. Electron. 2010, 57, 589–597. [Google Scholar] [CrossRef]
- Whitaker, B.; Barkley, A.; Cole, Z.; Passmore, B.; Martin, D.; McNutt, T.R.; Lostetter, A.B.; Lee, J.S.; Shiozaki, K. A high-density, high-efficiency, isolated on-board vehicle battery charger utilizing silicon carbide power devices. IEEE Trans. Power Electron. 2014, 29, 2606–2617. [Google Scholar] [CrossRef]
- Musavi, F.; Craciun, M.; Gautam, D.S.; Eberle, W.; Dunford, W.G. An LLC resonant DC-DC converter for wide output voltage range battery charging applications. IEEE Trans. Power Electron. 2013, 28, 5437–5445. [Google Scholar] [CrossRef]
- Singh, B.; Singh, B.N.; Chandra, A.; Al-Haddad, K.; Pandey, A.; Kothari, D.P. A review of single-phase improved power quality AC-DC converters. IEEE Trans. Ind. Electron. 2003, 50, 962–981. [Google Scholar] [CrossRef] [Green Version]
- Petersen, L.; Andersen, M. Two-stage power factor corrected power supplies: The low component-stress approach. In Proceedings of the IEEE Applied Power Electronics Conference and Exposition, Dallas, TX, USA, 10–11 March 2002; Volume 2, pp. 1195–1201. [Google Scholar]
- Yilmaz, M.; Krein, P.T. Review of battery charger topologies, charging power levels, and infrastructure for plug-in electric and hybrid vehicles. IEEE Trans. Power Electron. 2013, 28, 2151–2169. [Google Scholar] [CrossRef]
- Kim, J.H.; Lee, I.O.; Moon, G.W. Integrated dual full-bridge converter with current-doubler rectifier for EV Charger. IEEE Trans. Power Electron. 2016, 31, 942–951. [Google Scholar] [CrossRef]
- Kim, Y.S.; Oh, C.Y.; Sung, W.Y.; Lee, B.K.; Park, G.C. Optimal design and control of OBC-LDC integrated power unit for electric vehicles. In Proceedings of the IEEE Applied Power Electronics Conference and Exposition, Fort Worth, TX, USA, 16–20 March 2014; pp. 3192–3198. [Google Scholar]
- Nguyen, H.V.; To, D.-D.; Lee, D.-C. On-board battery chargers for plug-in electric vehicles with dual functional circuit for low-voltage battery charging and active power decoupling. IEEE Access 2018, 6, 70212–70222. [Google Scholar]
- Moon, D.O.; Park, J.S.; Choi, S.W. New interleaved current-fed resonant converter with significantly reduced high current side output filter for EV and HEV applications. IEEE Trans. Power Electron. 2015, 30, 4264–4271. [Google Scholar] [CrossRef]
- Kim, H.B.; Kim, J.S. Implementation of high-efficiency 1.5kW LDC for xEV using GaN HEMT. KIEE Trans. 2020, 69, 276–282. [Google Scholar] [CrossRef]
- Lee, J.Y.; Kang, F.S. Low voltage dc-to-dc converter combining flyback and boost converter for charging an auxiliary battery in hybrid electric vehicle. In Proceedings of the IEEE 10th International Conference on Power Electronics and Drive Systems, Kitakyushu, Japan, 22–25 April 2013. [Google Scholar]
- Mweene, L.H.; Wright, C.A.; Schlecht, M.F. A 1 kW 500 kHz front-end converter for a distributed power supply system. IEEE Trans. Power Electron. 1991, 6, 398–407. [Google Scholar] [CrossRef]
- Sabate, J.A.; Vlatkovic, V.; Ridley, R.B.; Lee, F.C.; Cho, B.H. Design considerations for high-voltage high-power full-bridge zero-voltage-switched PWM converter. In Proceedings of the IEEE Applied Power Electronics Conference and Exposition, Los Angeles, CA, USA, 11–16 March 1990; pp. 275–284. [Google Scholar]
- Redl, R.; Sokal, N.O.; Balogh, L. A novel soft-switching full-bridge DC/DC converter; analysis, design considerations, and experimental results at 1.5 kW, 100 kHz. IEEE Trans. Power Electron. 1991, 6, 530–534. [Google Scholar] [CrossRef]
- Jang, Y.; Jovanovic, M.M.; Chang, Y.M. A new ZVS-PWM full-bridge converter. IEEE Trans. Power Electron. 2003, 18, 1122–1129. [Google Scholar] [CrossRef] [Green Version]
- Ibrahim, O.; Nor, Z.Y.; Nordin, S.; Khalid, Y.A. Development of observer state output feedback for phase-shifted full-bridge DC-DC converter control. IEEE Access 2017, 5, 18143–18154. [Google Scholar] [CrossRef]
- Shen, Y.; Zhao, W.; Chen, Z.; Cai, C. Full-bridge LLC resonant converter with series-parallel connected transformers for electric vehicle on-board charger. IEEE Access 2018, 6, 13490–13500. [Google Scholar] [CrossRef]
- Yadav, G.N.B.; Narasamma, N.L. An active soft switched phase-shifted full-bridge DC–DC converter: Analysis, modeling, design, and implementation. IEEE Trans. Power Electron. 2014, 29, 4538–4550. [Google Scholar] [CrossRef]
- Lee, I.; Moon, G. Soft-switching DC/DC converter with a full ZVS range and reduced output filter for high-voltage applications. IEEE Trans. Power Electron. 2013, 28, 112–122. [Google Scholar] [CrossRef]
- Shin, Y.; Kim, C.; Han, S. A pulse-frequency-modulated full-bridge DC/DC converter with series boost capacitor. IEEE Trans. Ind. Electron. 2011, 58, 5154–5162. [Google Scholar] [CrossRef]
- Chen, W.; Ruan, X.; Zhang, R. A novel zero-voltage-switching PWM full bridge converter. IEEE Trans. Power Electron. 2008, 23, 793–801. [Google Scholar] [CrossRef]
- Chen, W.; Ruan, X.; Chen, Q.; Ge, J. Zero-voltage-switching PWM full-bridge converter employing auxiliary transformer to reset the clamping diode current. IEEE Trans. Power Electron. 2010, 25, 1149–1162. [Google Scholar] [CrossRef]
- Bae, J.; Kim, Y. A study on the secondary rectification-methods for the three-level converter. JEET 2007, 2, 81–88. [Google Scholar] [CrossRef]
- Lee, D.; Lee, B.; Yoo, S.; Hyun, D. An improved full-bridge zero-voltage-transition PWM DC/DC converter with zero-voltage/zero-current switching of the auxiliary switches. IEEE Trans. Power Electron. 2000, 36, 558–566. [Google Scholar]
- Kutkut, N.H.; Divan, D.M.; Gascoigne, R.W. An improved full-bridge zero-voltage switching PWM converter using a two-inductor rectifier. IEEE Trans. Ind. Electron. 1995, 31, 119–126. [Google Scholar] [CrossRef]
- Wu, X.; Xie, X.; Zhao, C.; Qian, Z.; Zhao, R. Low voltage and current stress ZVZCS full bridge DC–DC converter using center tapped rectifier reset. IEEE Trans. Ind. Electron. 2008, 55, 1470–1477. [Google Scholar] [CrossRef]
- Sayed, K.; Ali, Z.M.; Aldhaifallah, M. Phase-shift PWM-controlled DC-DC converter with secondary-side current doubler rectifier for on-board charger application. Energies 2020, 13, 2298. [Google Scholar] [CrossRef]
- Jain, R.; Mohan, N.; Ayyanar, R.; Button, R. A comprehensive analysis of hybrid phase-modulated converter with current-doubler rectifier and comparison with its center-tapped counterpart. IEEE Trans. Ind. Electron. 2006, 53, 1870–1880. [Google Scholar] [CrossRef]


















Publisher’s Note: MDPI stays neutral with regard to jurisdictional claims in published maps and institutional affiliations. |
© 2021 by the authors. Licensee MDPI, Basel, Switzerland. This article is an open access article distributed under the terms and conditions of the Creative Commons Attribution (CC BY) license (https://creativecommons.org/licenses/by/4.0/).
Share and Cite
Park, D.-R.; Kim, Y. Design and Implementation of Improved High Step-Down DC-DC Converter for Electric Vehicles. Energies 2021, 14, 4206. https://doi.org/10.3390/en14144206
Park D-R, Kim Y. Design and Implementation of Improved High Step-Down DC-DC Converter for Electric Vehicles. Energies. 2021; 14(14):4206. https://doi.org/10.3390/en14144206
Chicago/Turabian StylePark, Dong-Ryeol, and Yong Kim. 2021. "Design and Implementation of Improved High Step-Down DC-DC Converter for Electric Vehicles" Energies 14, no. 14: 4206. https://doi.org/10.3390/en14144206
APA StylePark, D.-R., & Kim, Y. (2021). Design and Implementation of Improved High Step-Down DC-DC Converter for Electric Vehicles. Energies, 14(14), 4206. https://doi.org/10.3390/en14144206

