Effect of Mainstream Velocity on the Optimization of a Fan-Shaped Film-Cooling Hole on a Flat Plate
Abstract
1. Introduction
2. Experimental Approach
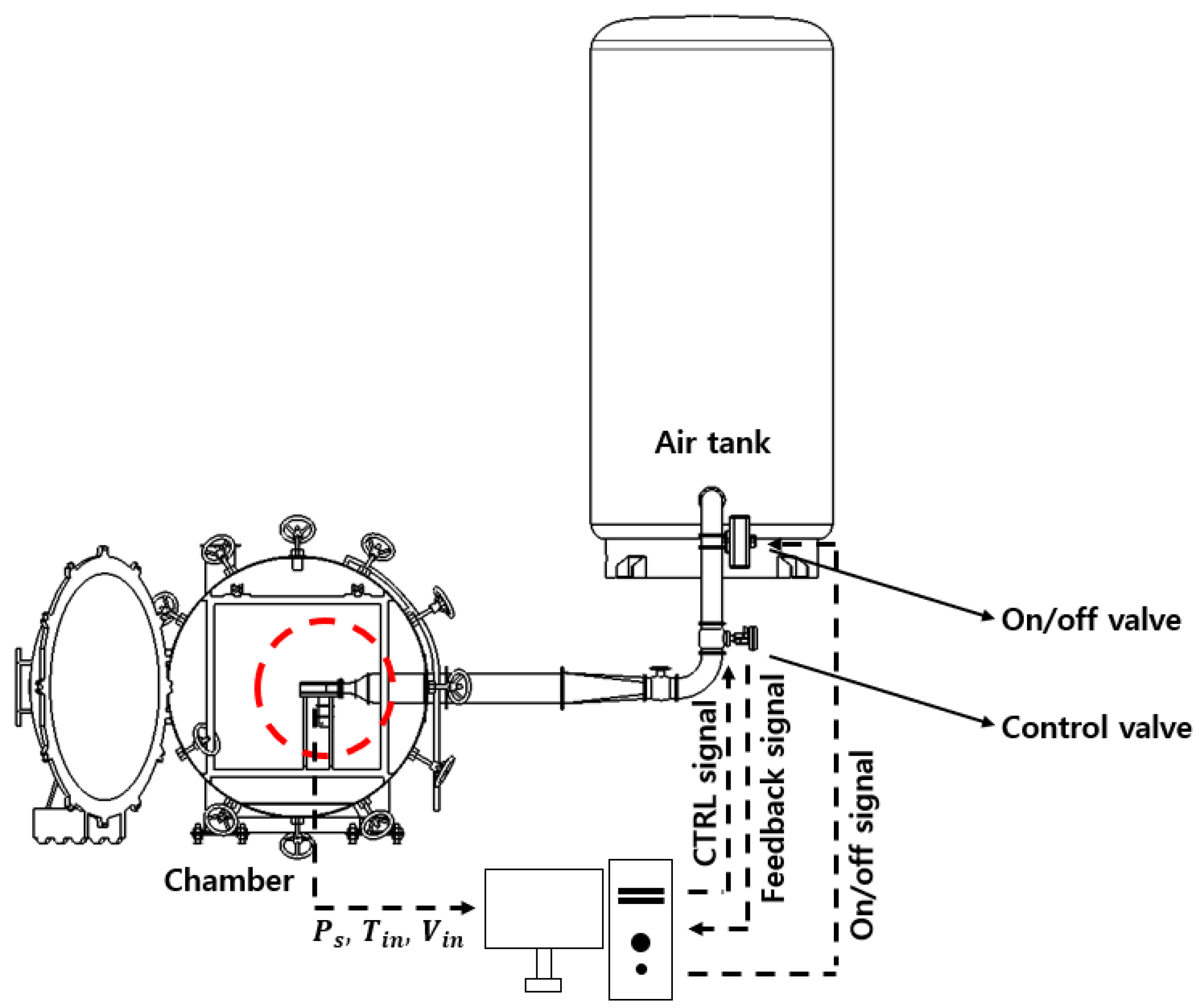
2.1. Test Setup and Test Conditions
2.2. Experimental Technique
3. Results and Discussion
3.1. Effects of the Forward Expansion Angle
3.2. Effects of the Metering Length Ratio
3.3. Effects of the Lateral Expansion Angle
3.4. Optimized Fan-Shaped Hole
3.5. Effects of the Area Ratio
4. Conclusions
- The effect of the blowing ratio on the FCE was inconsistent for each hole shape, and this tendency was the same as that in the low-speed tests.
- For the optimized hole, the hole exit area tended to increase as the blowing ratio increased, and this trend was also the same as that in the low-speed condition results.
- Under the 2.0 density ratio condition, the overall FCE for cases with smaller area ratios (AR < 2.1) decreased as the blowing ratio increased. For the cases with larger area ratios (AR > 3.5), the opposite trend was observed.
- An optimized hole at the blowing ratio (M) of 2.0 and density ratio (DR) of 2.0 was manufactured and tested under the same conditions, and the difference between the measured and predicted FCE was about 1.7%. The optimized hole showed a 49.3% improvement in performance compared to the reference hole under the same conditions.
Author Contributions
Funding
Institutional Review Board Statement
Informed Consent Statement
Data Availability Statement
Conflicts of Interest
Nomenclature
| Area ratio = | ||
| Hole exit area | () | |
| Hole inlet area | () | |
| Boundary layer | () | |
| Hole diameter (=1.5 mm) | () | |
| Density ratio = | ||
| Hole length | () | |
| Forward expansion section length | () | |
| Metering section length | () | |
| Blowing ratio = | ||
| Inlet static pressure | () | |
| Air tank pressure | () | |
| Inlet temperature | (K) | |
| Thickness of the test plate | ||
| Coolant velocity | () | |
| Mainstream velocity | () | |
| Reference | ||
| Optimized | ||
| Inlet velocity | () | |
| Hole injection angle | () | |
| Forward expansion angle | () | |
| Lateral expansion angle | () | |
| Coolant density | () | |
| Mainstream density | () | |
| Film-cooling effectiveness | ||
| Overall averaged film-cooling effectiveness |
References
- Han, J.C.; Dutta, S.; Ekkad, S. Gas Turbine Heat Transfer and Cooling Technology; CRC Press: Boca Raton, FL, USA, 2012. [Google Scholar]
- Bogard, D.G.; Thole, K.A. Gas turbine film cooling. Propuls. Power 2006, 22, 249–270. [Google Scholar] [CrossRef]
- Goldstein, R.J.; Eckert, E.R.G.; Ramsey, J.W. Film cooling with injection through holes: Adiabatic wall temperatures downstream of a circular hole. J. Eng. Power 1968, 90, 384–393. [Google Scholar] [CrossRef]
- Liess, C. Experimental investigation of film cooling with ejection from a row of holes for the application to gas turbine blades. ASME J. Eng. Power 1975, 97, 21–27. [Google Scholar] [CrossRef]
- Singh, K.; Premachandran, B.; Ravi, M.R. Experimental assessment of film cooling performance of short cylindrical holes on a flat surface. Heat Mass Transf. 2016, 52, 2849–2862. [Google Scholar] [CrossRef]
- Yamawaki, S.; Maya, T.; Haven, B.A.; Yamagata, D.K.; Kurosaka, M.; Yamawaki, S.; Maya, T. Anti-kidney pair of vortices in shaped holes and their influence on film cooling effectiveness. In Proceedings of the ASME 1997 International Gas Turbine and Aeroengine Congress and Exhibition, Volume 3: Heat Transfer; Electric Power; Industrial and Cogeneration, Orlando, FL, USA, 2–5 June 1997. V003T09A007. [Google Scholar]
- Kohil, A.; Bogard, D.G. Effects of hole shape on film cooling with large angle injection. In Proceedings of the ASME 1999 International Gas Turbine and Aeroengine Congress and Exhibition, Volume 3: Heat Transfer; Electric Power; Industrial and Cogeneration, Indianapolis, IN, USA, 7–10 June 1999. V003T01A045. [Google Scholar]
- Lu, Y.; Dhungel, A.; Ekkad, S.V.; Bunker, R.S. Film cooling measurements for cratered cylindrical inclined holes. J. Turbomach. 2009, 131, 011005. [Google Scholar] [CrossRef]
- Gritsch, M.; Colban, W.; Schär, H.; Döbbeling, K. Effect of hole geometry on the thermal performance of fan-shaped film cooling holes. ASME Pap. 2005, 127, 718–725. [Google Scholar] [CrossRef]
- Anderson, J.B.; Wilkes, E.K.; McClintic, J.W.; Bogard, D.G. Effects of freestream Mach number, Reynolds number, and boundary layer thickness on film cooling effectiveness of shaped holes. In Proceedings of the ASME Turbo Expo 2016: Turbomachinery Technical Conference and Exposition, Volume 5C: Heat Transfer, Seoul, Korea, 13–17 June 2016. V05CT19A003. [Google Scholar]
- Haydt, S.; Lynch, S.; Lewis, S. The effect of area ratio change via increased hole length for shaped film cooling holes with constant expansion angles. J. Turbomach. 2018, 140, 140. [Google Scholar] [CrossRef]
- Zhang, C.; Wang, J.; Liu, X.; Song, L.; Li, J.; Feng, Z. Experimental and numerical study on the flat-plate film cooling enhancement using the vortex generator downstream for the fan-shaped hole configuration. J. Turbomach. 2020, 142, 031006. [Google Scholar] [CrossRef]
- Bezerra, M.A.; Santelli, R.E.; Oliveira, E.P.; Villar, L.S.; Escaleira, L.A. Response surface methodology (RSM) as a tool for optimization in analytical chemistry. Talanta 2008, 76, 965–977. [Google Scholar] [CrossRef] [PubMed]
- Park, S.H.; Kang, Y.J.; Seo, H.J.; Kwak, J.S.; Kang, Y.S. Experimental optimization of a fan-shaped film cooling hole with 30 degrees-injection angle and 6-hole length-to-diameter ratio. Int. J. Heat Mass Transf. 2019, 144, 118652. [Google Scholar] [CrossRef]
- Kim, J.H.; Kim, K.Y. Performance evaluation of a converging-diverging film-cooling hole. Int. J. Therm. Sci. 2019, 142, 295–304. [Google Scholar] [CrossRef]
- Kim, S.M.; Lee, K.D.; Kim, K.Y. A comparative analysis of various shaped film-cooling holes. Heat Mass Transf. 2012, 48, 1929–1939. [Google Scholar] [CrossRef]
- Seo, H.J.; Kang, Y.J.; Lee, H.C.; Kwak, J.S.; Park, J.S.; Lee, K.D. Optimization of the configuration of the laidback fan-shaped film cooling hole with a lateral expansion angle of 10 degrees. Appl. Therm. Eng. 2019, 153, 379–389. [Google Scholar] [CrossRef]
- Han, J.C.; Rallabandi, A. Turbine blade film cooling using PSP technique. Front. Heat Mass Transf. (FHMT) 2010, 1, 1. [Google Scholar] [CrossRef]
- Chen, A.F.; Li, S.J.; Han, J.C. Film cooling for cylindrical and fan-shaped holes using pressure-sensitive paint measurement technique. J. Thermophys. Heat Transf. 2015, 29, 775–784. [Google Scholar] [CrossRef]
















| Case No. | AR | |||
|---|---|---|---|---|
| Reference | 7 | 7 | 3 | 2.18 |
| Case 1 | 0 | 10 | 2 | 2.41 |
| Case 2 | 0 | 10 | 4 | 1.51 |
| Case 3 | 14 | 10 | 2 | 4.50 |
| Case 4 | 14 | 10 | 4 | 2.01 |
| Case 5 | 7 | 7 | 2 | 2.85 |
| Case 6 | 7 | 7 | 4 | 1.58 |
| Case 7 | 7 | 13 | 2 | 4.04 |
| Case 8 | 7 | 13 | 4 | 1.94 |
| Case 9 | 0 | 7 | 3 | 1.60 |
| Case 10 | 14 | 7 | 3 | 2.70 |
| Case 11 | 0 | 13 | 3 | 2.25 |
| Case 12 | 14 | 13 | 3 | 3.60 |
| Case 13 | 7 | 10 | 3 | 2.54 |
| M = 1.0 | M = 1.5 | M = 2.0 | M = 2.5 | |
|---|---|---|---|---|
| Case 1 | 0.1952 | 0.2109 | 0.1982 | 0.1837 |
| Case 2 | 0.1567 | 0.1292 | 0.0923 | 0.0671 |
| Case 3 | 0.1493 | 0.1832 | 0.2062 | 0.2195 |
| Case 4 | 0.1545 | 0.1476 | 0.1230 | 0.0997 |
| Case 5 | 0.1797 | 0.1992 | 0.1976 | 0.1835 |
| Case 6 | 0.1479 | 0.1290 | 0.0913 | 0.0650 |
| Case 7 | 0.1661 | 0.2063 | 0.2309 | 0.2461 |
| Case 8 | 0.1448 | 0.1333 | 0.1038 | 0.0735 |
| Case 9 | 0.1529 | 0.1226 | 0.0909 | 0.0711 |
| Case 10 | 0.1698 | 0.1917 | 0.1890 | 0.1770 |
| Case 11 | 0.2008 | 0.2064 | 0.1798 | 0.1464 |
| Case 12 | 0.1546 | 0.1892 | 0.1958 | 0.1933 |
| Case 13 | 0.1718 | 0.1917 | 0.1738 | 0.1497 |
| AR | |||||
|---|---|---|---|---|---|
| M = 1.0 | 2.8331 | 0.2072 | |||
| M = 1.5 | 2.8331 | 0.2329 | |||
| M = 2.0 | 3.2422 | 0.2339 | |||
| M = 2.5 | 5.2677 | 0.2544 |
Publisher’s Note: MDPI stays neutral with regard to jurisdictional claims in published maps and institutional affiliations. |
© 2021 by the authors. Licensee MDPI, Basel, Switzerland. This article is an open access article distributed under the terms and conditions of the Creative Commons Attribution (CC BY) license (https://creativecommons.org/licenses/by/4.0/).
Share and Cite
Lee, S.I.; Jung, J.Y.; Song, Y.J.; Kwak, J.S. Effect of Mainstream Velocity on the Optimization of a Fan-Shaped Film-Cooling Hole on a Flat Plate. Energies 2021, 14, 3573. https://doi.org/10.3390/en14123573
Lee SI, Jung JY, Song YJ, Kwak JS. Effect of Mainstream Velocity on the Optimization of a Fan-Shaped Film-Cooling Hole on a Flat Plate. Energies. 2021; 14(12):3573. https://doi.org/10.3390/en14123573
Chicago/Turabian StyleLee, Soo In, Jin Young Jung, Yu Jin Song, and Jae Su Kwak. 2021. "Effect of Mainstream Velocity on the Optimization of a Fan-Shaped Film-Cooling Hole on a Flat Plate" Energies 14, no. 12: 3573. https://doi.org/10.3390/en14123573
APA StyleLee, S. I., Jung, J. Y., Song, Y. J., & Kwak, J. S. (2021). Effect of Mainstream Velocity on the Optimization of a Fan-Shaped Film-Cooling Hole on a Flat Plate. Energies, 14(12), 3573. https://doi.org/10.3390/en14123573

