Interface Converters for Residential Battery Energy Storage Systems: Practices, Difficulties and Prospects
Abstract
1. Introduction
2. Motivation and Driving Factors for Use of Battery Energy Storage Systems
2.1. Development of Electrochemical Energy Storages
2.2. Extensive Use of Battery Energy Storages in Transport
2.3. Recent Challenges in the Field of Power and Energy Supply
- (1)
- Uneven generation profile—regardless of the kind, the renewable energy sources typically do not provide constant power. In particular, the generation of PV panels depends on solar irradiation and varies with the daytime, cloudiness, season, location of PV and solar activity. The generation of wind turbines depends on the wind strength, which is unique for its location, season and occasional weather fluctuation. The generation of hydro and waves turbines depends on the amount of water that is a long-term function of seasonal and global weather changes.
- (2)
- Variety of power ratings and types of energy sources exist even within the same group. For example, the power of PV depends on the local properties and financial abilities of a particular household.
- (3)
- Variety of allocation of the renewable energy sources—depending on the particular economic conditions and policy of energy operator, these sources may be allocated differently.
2.4. Standards and Other Regulations Applicable to Battery Energy Storage Systems
3. Commercially Available Residential Storage Systems
3.1. Typical Example of Battery Energy Storage Systems Dedicated to Household Applications
3.2. Summary of Parameters and Features of Commercial Residential BESs
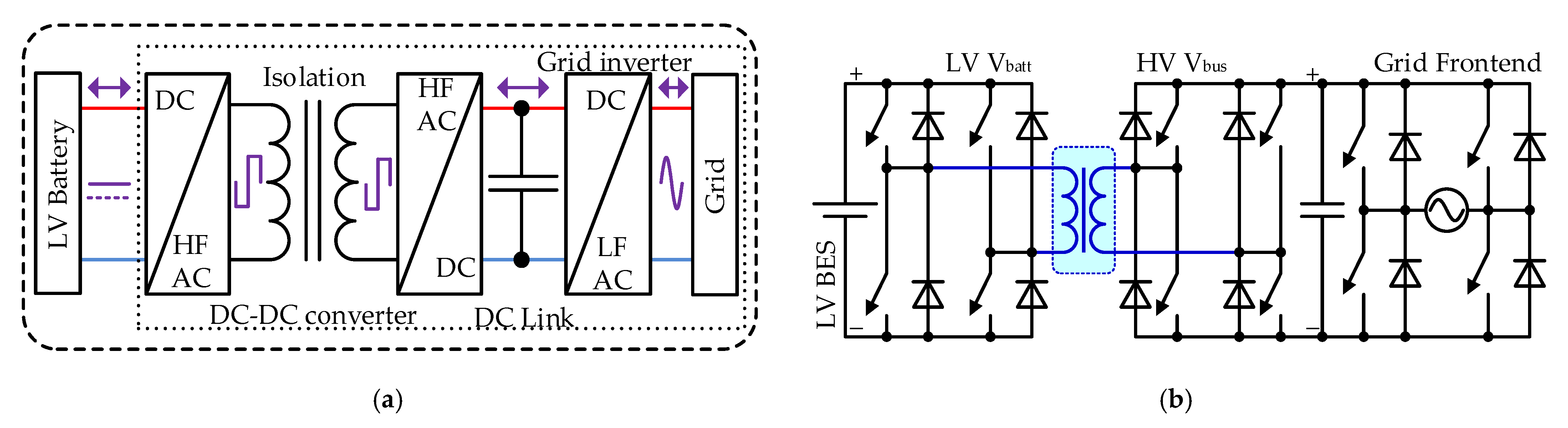
3.3. Isolated Converters of Commercially Available Residential BESSs
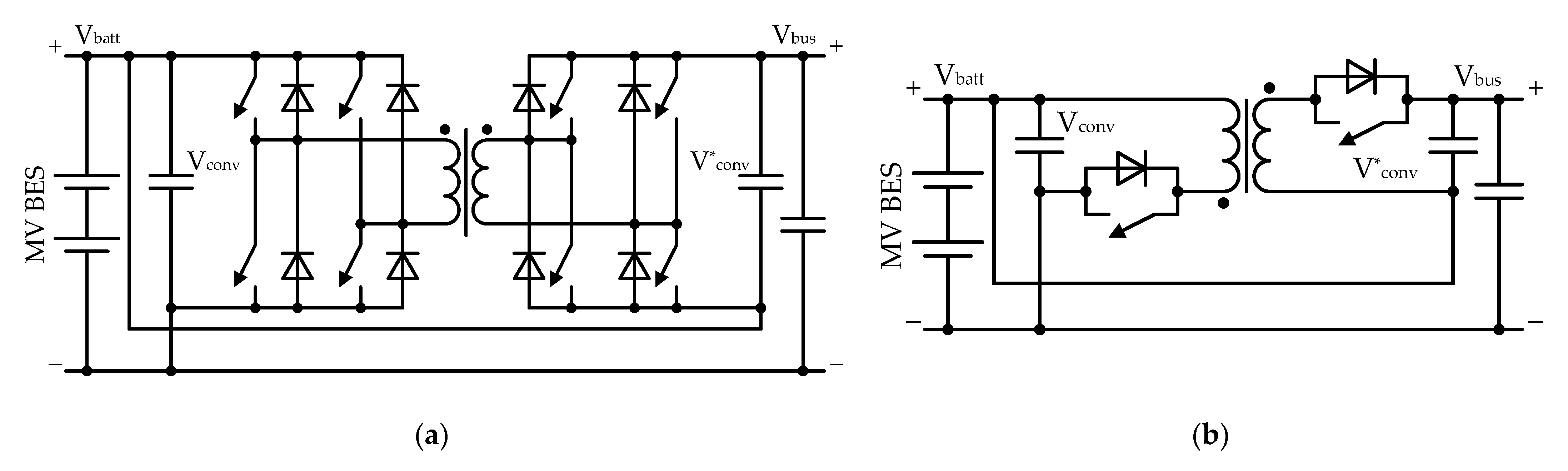
3.3.1. Converters with Grid-Frequency Isolating Transformers at AC Side
3.3.2. Converters with High-Frequency Isolating Transformers
4. Topologies of Non-Isolated Interface Converters for High-Voltage Battery Energy Storage Systems
4.1. Functions and Structure of Interface Converters for BES
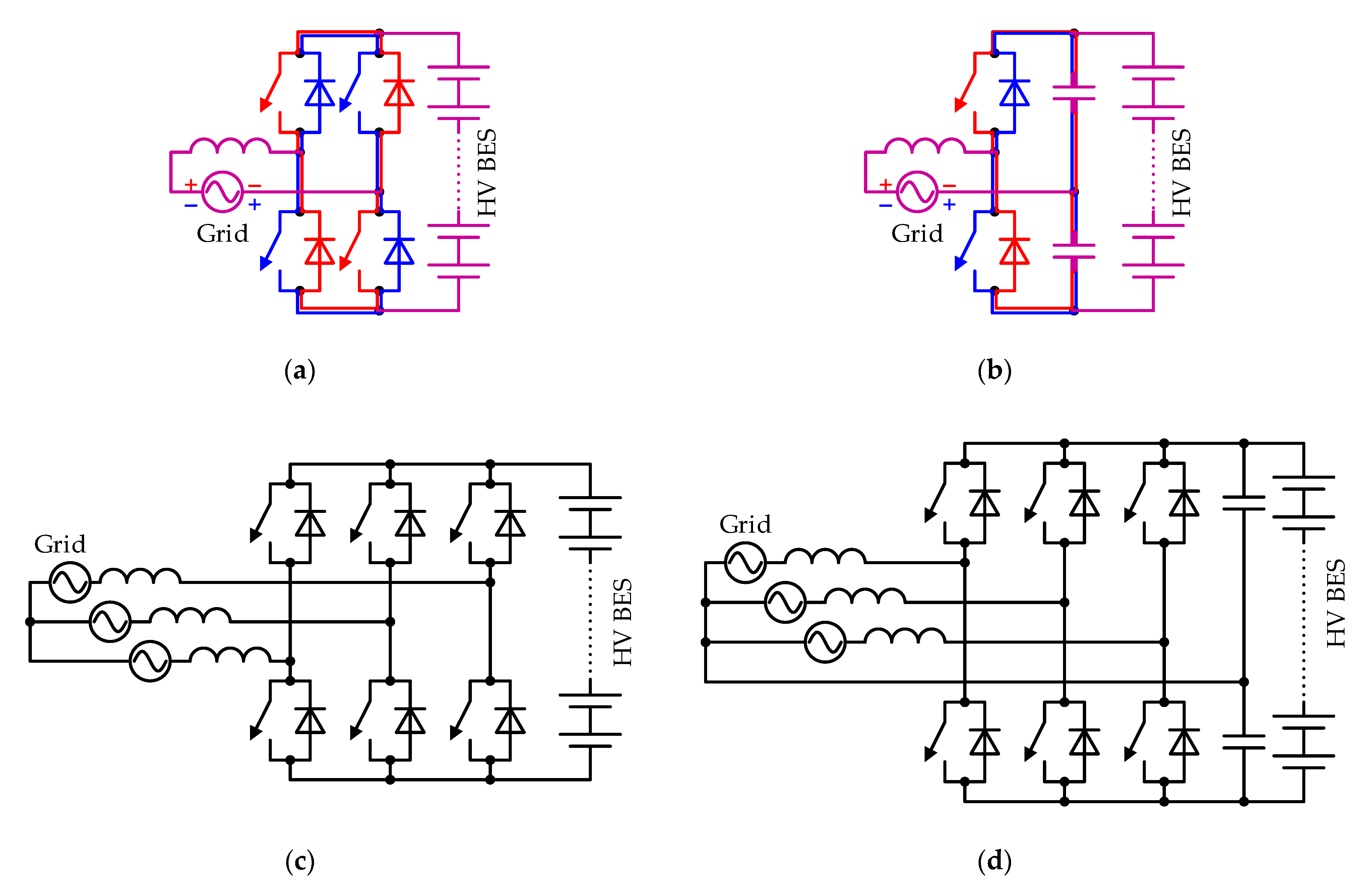
4.2. Single Stage DC-AC Bidirectional Inverters/Rectifiers
4.2.1. Bridge Converters
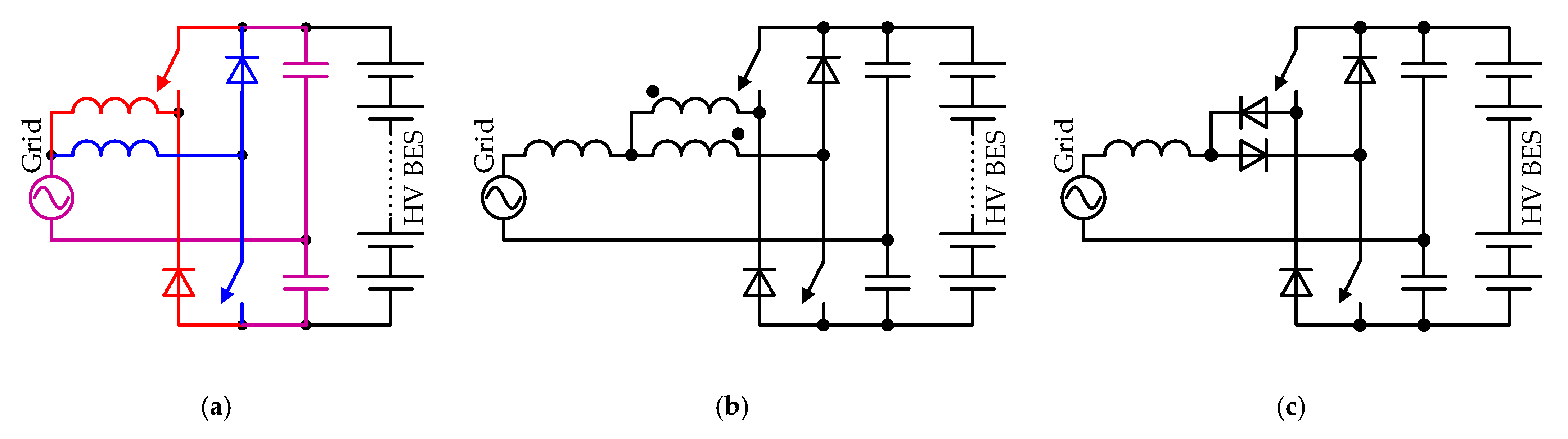
4.2.2. Topologies without Explicit Bridge
4.2.3. Multilevel Converters
Cascaded H-Bridge Converter Structures
Neutral Point Clamped Multilevel Converters
Multilevel Inverter with Flying Capacitors
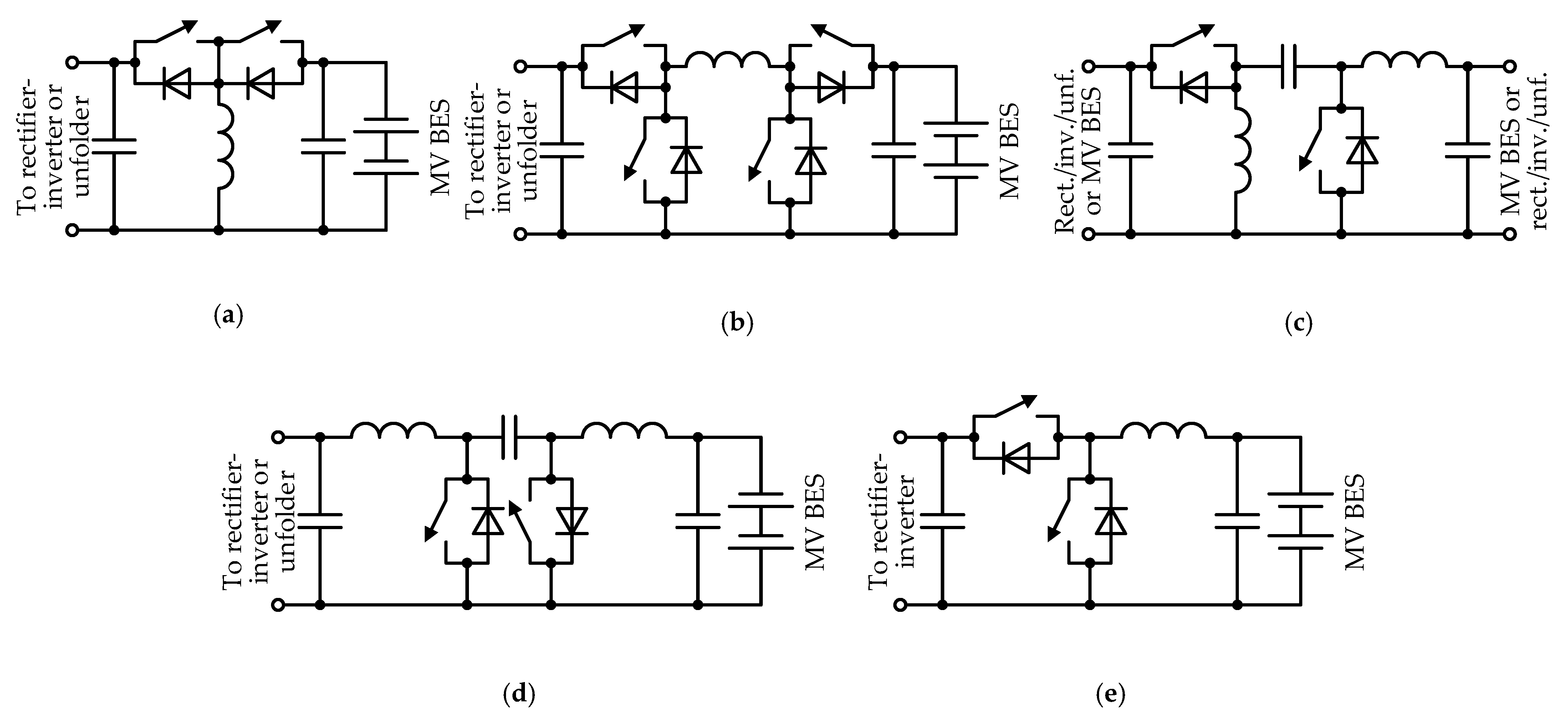
4.3. Impedance-Source Bidirectional Inverters/Rectifiers
4.4. Bidirectional Two-Stage DC-AC Converters
4.4.1. Two-Stage Converters with Stabilized DC-Link
Standard Topologies of DC-DC Converters
Differential Power Converters
Partial Power Converters
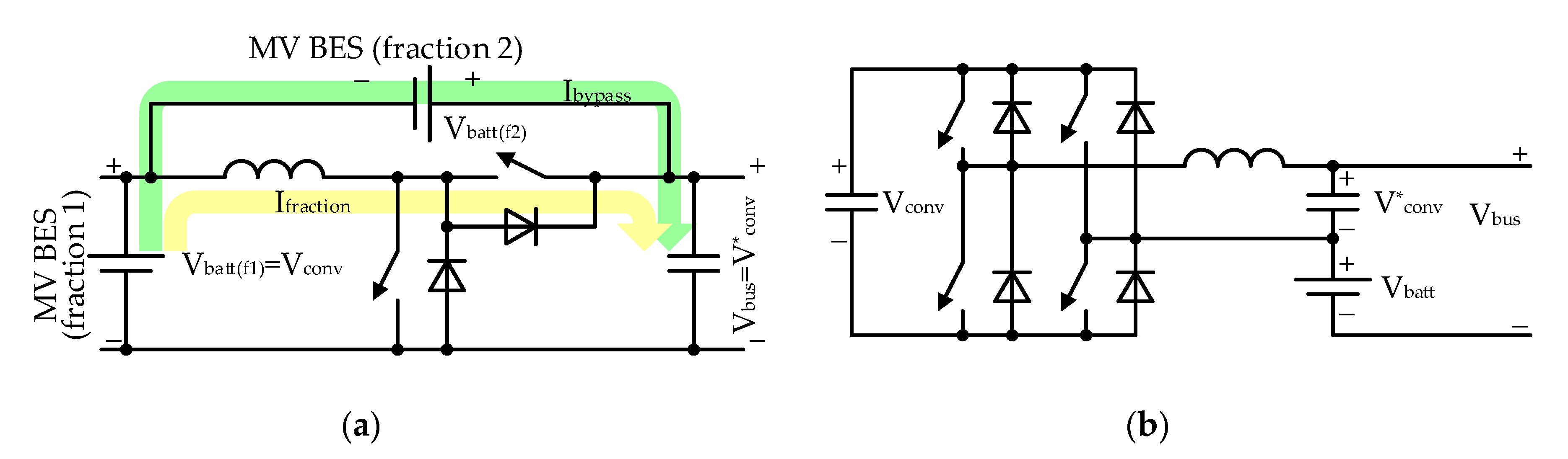
Fractional Power Converters
4.4.2. Two-Stage Converters with Pulsating DC-Link
1-ph Unfolders
3-ph Unfolders
5. Generalizations and Discussion
6. Conclusions and Future Trends
Author Contributions
Funding
Institutional Review Board Statement
Informed Consent Statement
Data Availability Statement
Conflicts of Interest
References
- The European Parliament and Council of the European Union. Directive 2009/28/EC on the promotion of the use of energy from renewable sources. Off. J. Eur. Union 2009, L140, 16–62. [Google Scholar]
- The European Parliament and Council of the European Union. Directive (EU) 2018/2001 on the promotion of the use of energy from renewable sources. Off. J. Eur. Union 2018, L328, 82–209. [Google Scholar]
- European Commission. Energy Strategy. Available online: https://ec.europa.eu/energy/topics/energy-strategy-and-energy-union_en (accessed on 13 November 2020).
- Andrijanovits, A.; Hoimoja, H.; Vinnikov, D. Comparative Review of Long-Term Energy Storage Technologies for Renewable Energy Systems. Elektron. Elektrotechnika 2012, 118, 21–26. [Google Scholar] [CrossRef]
- Vinnikov, D.; Hoimoja, H.; Andrijanovits, A.; Roasto, I.; Lehtla, T.; Klytta, M. An improved interface converter for a medium-power wind-hydrogen system. In Proceedings of the 2009 International Conference on Clean Electrical Power, Capri, Italy, 9–11 June 2009; Institute of Electrical and Electronics Engineers (IEEE): New York, NY, USA, 2009; pp. 426–432. [Google Scholar] [CrossRef]
- Liang, M.; Liu, Y.; Xiao, B.; Yang, S.; Wang, Z.; Han, H. An analytical model for the transverse permeability of gas diffusion layer with electrical double layer effects in proton exchange membrane fuel cells. Int. J. Hydrog. Energy 2018, 43, 17880–17888. [Google Scholar] [CrossRef]
- Liang, M.; Fu, C.; Xiao, B.; Luo, L.; Wang, Z. A fractal study for the effective electrolyte diffusion through charged porous media. Int. J. Heat Mass Transf. 2019, 137, 365–371. [Google Scholar] [CrossRef]
- Vinnikov, D.; Andrijanovits, A.; Roasto, I.; Jalakas, T. Experimental study of new integrated DC/DC converter for hydrogen-based energy storage. In Proceedings of the 2011 10th International Conference on Environment and Electrical Engineering, Rome, Italy, 8–11 May 2011; Institute of Electrical and Electronics Engineers (IEEE): New York, NY, USA, 2011; pp. 1–4. [Google Scholar]
- Stecca, M.; Elizondo, L.R.; Soeiro, T.; Bauer, P.; Palensky, P. A Comprehensive Review of the Integration of Battery Energy Storage Systems into Distribution Networks. IEEE Open J. Ind. Electron. Soc. 2020, 1, 46–65. [Google Scholar] [CrossRef]
- Wang, G.; Konstantinou, G.; Townsend, C.D.; Pou, J.; Vazquez, S.; Demetriades, G.D.; Agelidis, V.G. A Review of Power Electronics for Grid Connection of Utility-Scale Battery Energy Storage Systems. IEEE Trans. Sustain. Energy 2016, 7, 1778–1790. [Google Scholar] [CrossRef]
- Pires, V.F.; Romero-Cadaval, E.; Vinnikov, D.; Roasto, I.; Martins, J. Power converter interfaces for electrochemical energy storage systems–A review. Energy Convers. Manag. 2014, 86, 453–475. [Google Scholar] [CrossRef]
- Yao, Z. Review of Dual-Buck Type Single-Phase Grid-Connected Inverters. IEEE J. Emerg. Sel. Top. Power Electron. 2020, 1. [Google Scholar] [CrossRef]
- Available online: https://nakedsolar.co.uk/storage/ (accessed on 7 June 2021).
- Available online: https://www.which.co.uk/reviews/solar-panels/article/solar-panels/solar-panel-battery-storage-a2AfJ0s5tCyT (accessed on 7 June 2021).
- Saez-De-Ibarra, A.; Laserna, E.M.; Stroe, D.-I.; Swierczynski, M.J.; Rodriguez, P. Sizing Study of Second Life Li-ion Batteries for Enhancing Renewable Energy Grid Integration. IEEE Trans. Ind. Appl. 2016, 52, 4999–5008. [Google Scholar] [CrossRef]
- Rezania, R.; Prüggler, W. Business models for the integration of electric vehicles into the Austrian energy system. In 2012 9th International Conference on the European Energy Market; Institute of Electrical and Electronics Engineers (IEEE): New York, NY, USA, 2012; pp. 1–8. [Google Scholar]
- Robert, S. Introduction to Batteries—An IEEE Course; IEEE: New York, NY, USA, 2013. [Google Scholar]
- Hu, X.; Zou, C.; Zhang, C.; Li, Y. Technological Developments in Batteries: A Survey of Principal Roles, Types, and Management Needs. IEEE Power Energy Mag. 2017, 15, 20–31. [Google Scholar] [CrossRef]
- Electricity Storage and Renewables: Costs and Markets to 2030; The International Renewable Energy Agency (IRENA): Abu Dhabi, United Arab Emirates, 2017; pp. 36–49.
- Cao, J.; Emadi, A. Batteries Need Electronics. IEEE Ind. Electron. Mag. 2011, 5, 27–35. [Google Scholar] [CrossRef]
- Ferreira, B. Batteries, the New Kids on the Block. IEEE Power Electron. Mag. 2019, 6, 32–34. [Google Scholar] [CrossRef]
- Chen, C.; Plunkett, S.; Salameh, M.; Stoyanov, S.; Al-Hallaj, S.; Krishnamurthy, M. Enhancing the Fast Charging Capability of High-Energy-Density Lithium-Ion Batteries: A Pack Design Perspective. IEEE Electrif. Mag. 2020, 8, 62–69. [Google Scholar] [CrossRef]
- Fulli, G.; Masera, M.; Spisto, A.; Vitiello, S. A Change is Coming: How Regulation and Innovation Are Reshaping the European Union’s Electricity Markets. IEEE Power Energy Mag. 2019, 17, 53–66. [Google Scholar] [CrossRef]
- Lukic, S.; Emadi, A. Charging ahead. IEEE Ind. Electron. Mag. 2008, 2, 22–31. [Google Scholar] [CrossRef]
- Khaligh, A.; Li, Z. Battery, Ultracapacitor, Fuel Cell, and Hybrid Energy Storage Systems for Electric, Hybrid Electric, Fuel Cell, and Plug-In Hybrid Electric Vehicles: State of the Art. IEEE Trans. Veh. Technol. 2010, 59, 2806–2814. [Google Scholar] [CrossRef]
- Quiros-Tortos, J.; Ochoa, L.; Butler, T. How Electric Vehicles and the Grid Work Together: Lessons Learned from One of the Largest Electric Vehicle Trials in the World. IEEE Power Energy Mag. 2018, 16, 64–76. [Google Scholar] [CrossRef]
- Chen, N.; Ma, J.; Li, M.; Wang, M.; Shen, X.S. Energy Management Framework for Mobile Vehicular Electric Storage. IEEE Netw. 2019, 33, 148–155. [Google Scholar] [CrossRef]
- Chandler, S.; Gartner, J.; Jones, D. Integrating Electric Vehicles with Energy Storage and Grids: New Technology and Specific Capabilities Spur Numerous Applications. IEEE Electrif. Mag. 2018, 6, 38–43. [Google Scholar] [CrossRef]
- Al-Rubaye, S.; Al-Dulaimi, A.; Ni, Q. Power Interchange Analysis for Reliable Vehicle-to-Grid Connectivity. IEEE Commun. Mag. 2019, 57, 105–111. [Google Scholar] [CrossRef]
- Arboleya, P.; Bidaguren, P.; Armendariz, U. Energy Is on Board: Energy Storage and Other Alternatives in Modern Light Railways. IEEE Electrif. Mag. 2016, 4, 30–41. [Google Scholar] [CrossRef]
- Sinhuber, P.; Rohlfs, W.; Sauer, D.U. Study on power and energy demand for sizing the energy storage systems for electrified local public transport buses. In 2012 IEEE Vehicle Power and Propulsion Conference; Institute of Electrical and Electronics Engineers (IEEE): New York, NY, USA, 2012; pp. 315–320. [Google Scholar] [CrossRef]
- Guarnieri, M.; Morandin, M.; Ferrari, A.; Campostrini, P.; Bolognani, S. Electrifying Water Buses: A Case Study on Diesel-to-Electric Conversion in Venice. IEEE Ind. Appl. Mag. 2017, 24, 71–83. [Google Scholar] [CrossRef]
- Sorensen, A.J.; Skjetne, R.; Bo, T.; Miyazaki, M.R.; Johansen, T.A.; Utne, I.B.; Pedersen, E. Toward Safer, Smarter, and Greener Ships: Using Hybrid Marine Power Plants. IEEE Electrif. Mag. 2017, 5, 68–73. [Google Scholar] [CrossRef]
- Paul, D. A History of Electric Ship Propulsion Systems [History]. IEEE Ind. Appl. Mag. 2020, 26, 9–19. [Google Scholar] [CrossRef]
- Vicenzutti, A.; Bosich, D.; Giadrossi, G.; Sulligoi, G. The Role of Voltage Controls in Modern All-Electric Ships: Toward the all electric ship. IEEE Electrif. Mag. 2015, 3, 49–65. [Google Scholar] [CrossRef]
- Roboam, X.; Sareni, B.; De Andrade, A. More Electricity in the Air: Toward Optimized Electrical Networks Embedded in More-Electrical Aircraft. IEEE Ind. Electron. Mag. 2012, 6, 6–17. [Google Scholar] [CrossRef]
- Misra, A. Energy Storage for Electrified Aircraft: The Need for Better Batteries, Fuel Cells, and Supercapacitors. IEEE Electrif. Mag. 2018, 6, 54–61. [Google Scholar] [CrossRef]
- Crittenden, M. Ultralight batteries for electric airplanes. IEEE Spectr. 2020, 57, 44–49. [Google Scholar] [CrossRef]
- Manz, D.; Piwko, R.; Miller, N. Look before You Leap: The Role of Energy Storage in the Grid. IEEE Power Energy Mag. 2012, 10, 75–84. [Google Scholar] [CrossRef]
- Farrokhabadi, M.; Solanki, B.V.; Canizares, C.A.; Bhattacharya, K.; Koenig, S.; Sauter, P.S.; Leibfried, T.; Hohmann, S. Energy Storage in Microgrids: Compensating for Generation and Demand Fluctuations While Providing Ancillary Services. IEEE Power Energy Mag. 2017, 15, 81–91. [Google Scholar] [CrossRef]
- Cagnano, A.; De Tuglie, E.; Mancarella, P. Microgrids: Overview and guidelines for practicalimplementations and operation. Appl. Energy 2020, 258, 114039. [Google Scholar] [CrossRef]
- Torres-Moreno, J.L.; Gimenez-Fernandez, A.; Perez-Garcia, M.; Rodriguez, F. EnergyManagement Strategy for Micro-Grids with PV-Battery Systems and Electric Vehicles. Energies 2018, 11, 522. [Google Scholar] [CrossRef]
- Lezynski, P.; Szczesniak, P.; Waskowicz, B.; Smolenski, R.; Drozdz, W. Design andimplementation of a fully controllable cyber-physical system for testing energy storage systems. IEEE Access 2019, 7, 47259–47272. [Google Scholar] [CrossRef]
- Restrepo, C.; Salazar, A.; Schweizer, H.; Ginart, A. Residential Battery Storage: Is the Timing Right? IEEE Electrif. Mag. 2015, 3, 14–21. [Google Scholar] [CrossRef]
- González, I.; Calderón, A.J.; Portalo, J.M. Innovative Multi-Layered Architecture forHeterogeneous Automation and Moni-toring Systems: Application Case of a Photovoltaic SmartMicrogrid. Sustainability 2021, 13, 2234. [Google Scholar] [CrossRef]
- James, G.; Peng, W.; Deng, K. Managing Household Wind-Energy Generation. IEEE Intell. Syst. 2008, 23, 9–12. [Google Scholar] [CrossRef]
- Duryea, S.; Islam, S.; Lawrance, W. A battery management system for stand-alone photovoltaic energy systems. IEEE Ind. Appl. Mag. 2001, 7, 67–72. [Google Scholar] [CrossRef]
- Lu, X.; Wang, J. A Game Changer: Electrifying Remote Communities by Using Isolated Microgrids. IEEE Electrif. Mag. 2017, 5, 56–63. [Google Scholar] [CrossRef]
- Zhong, Q.-C.; Wang, Y.; Ren, B. Connecting the Home Grid to the Public Grid: Field Demonstration of Virtual Synchronous Machines. IEEE Power Electron. Mag. 2019, 6, 41–49. [Google Scholar] [CrossRef]
- Ma, Z.; Pesaran, A.; Gevorgian, V.; Gwinner, D.; Kramer, W. Energy Storage, Renewable Power Generation, and the Grid: NREL Capabilities Help to Develop and Test Energy-Storage Technologies. IEEE Electrif. Mag. 2015, 3, 30–40. [Google Scholar] [CrossRef]
- Rodriguez-Diaz, E.; Chen, F.; Vasquez, J.C.; Guerrero, J.M.; Burgos, R.; Boroyevich, D. Voltage-Level Selection of Future Two-Level LVdc Distribution Grids: A Compromise Between Grid Compatibiliy, Safety, and Efficiency. IEEE Electrif. Mag. 2016, 4, 20–28. [Google Scholar] [CrossRef]
- IEC TC 120 Group BESS Systems Standardization Plan. Available online: https://assets.iec.ch/public/miscfiles/sbp/120.pdf (accessed on 28 February 2021).
- UL STD 1741. Inverters Converters and Controllers for Use in Independent Power Systems; IEEE: New York, NY, USA, 2018.
- IEC TS 62933-5-1. Electrical Energy Storage (EES) Systems-Part 5-1: Safety Considerations for Grid-Integrated EES Systems-General Specification; IEEE: New York, NY, USA; ISO/IEC: Geneva, Switzerland, 2017.
- IEC T R 62543. High-Voltage Direct Current (HVDC) Power Transmission Using Voltage Sourced Converters (VSC); ISO/IEC: Geneva, Switzerland, 2017.
- Standard IEC TR 61850-90-7. Communication Networks and Systems for Power Utility Automation-Part 90-7: Object Models for Power Converters in Distributed Energy Resources (DER) Systems; ISO/IEC: Geneva, Switzerland, 2013.
- Standard IEC 62920. Photovoltaic Power Generating Systems-EMC Requirements and Test Methods for Power Conversion Equipment; ISO/IEC: Geneva, Switzerland, 2017.
- Standard IEC 62909-1. Bi-Directional Grid Connected Power Converters-Part 1: General Requirements; ISO/IEC: Geneva, Switzerland, 2017.
- Standard IEC 62040-5-3. Uninterruptible Power Systems (UPS)-Part 5-3: DC Output UPS-Performance and Test Requirements; ISO/IEC: Geneva, Switzerland, 2016.
- Standard IEC 62040-4. Uninterruptible Power Systems (UPS)-Part 4: Environmental Aspects-Requirements and Reporting; ISO/IEC: Geneva, Switzerland, 2013.
- Standard IEC62040-3. Uninterruptible Power Systems (UPS)-Part 3: Method of Specifying the Performance and Test Requirements; ISO/IEC: Geneva, Switzerland, 2011.
- The EMerge Alliance Data/Telecom Center Standard Creates an Integrated, Open Platform for Power, Infrastructure, Peripheral Device and Control Applications to Facilitate the Hybrid Use of AC and DC Power within Data Centers and Telecom Central Offices. Available online: https://www.emergealliance.org/standards/data-telecom/standard-faqs/ (accessed on 28 February 2021).
- Tesla Powerwall Review. Available online: https://www.cleanenergyreviews.info/blog/tesla-powerwall-2-solar-battery-review (accessed on 25 April 2021).
- Sonnen Documentation. Available online: http://www.sonnensupportaustralia.com.au/documentation.html (accessed on 25 April 2021).
- Available online: https://store.enphase.com/storefront/en-us/pub/media/productattach/e/n/envoys-ds-en-us.pdf (accessed on 7 June 2021).
- Available online: https://store.enphase.com/storefront/en-us/pub/media/productattach/e/n/enphase_encharge_3_datasheet.pdf (accessed on 7 June 2021).
- Available online: https://store.enphase.com/storefront/en-us/pub/media/productattach/e/n/encharge_10_datasheet.pdf (accessed on 7 June 2021).
- Victron Energy Blue Power. Available online: https://www.victronenergy.com/upload/documents/Brochure-Energy-Storage-EN_web.pdf (accessed on 25 February 2021).
- ADARA Power Commercial Energy Storage System. Available online: http://www.adarapower.com/home/commercial-energy-storage-system/ (accessed on 25 February 2021).
- Adara Power Introduces 20-kWh Residential Energy Storage Solution. Available online: https://www.solarpowerworldonline.com/2017/04/adara-power-introduces-20-kwh-residential-energy-storage-solution/ (accessed on 25 February 2021).
- Schnoder Electric Hybrid Inverter/Charger XW+. Available online: https://solar.schneider-electric.com/wp-content/uploads/2020/08/DS20200812_XW-120-240-V.pdf (accessed on 25 February 2021).
- Sunverge Energy AC-Coupled Solar Integration System (SIS). Available online: https://cdn2.hubspot.net/hubfs/2472485/WebsiteContent/Sunverge_ACSIS_NA_12092016.pdf?t=1485218396447 (accessed on 25 February 2021).
- LG Home Battery RESU. Available online: https://www.lgessbattery.com/eu/main/main.lg (accessed on 25 April 2021).
- Solax Triple Power Battery–LFP. Available online: https://www.solaxpower.com/triple-power-battery/ (accessed on 25 April 2021).
- StorEdge™ On-Grid Solution. Available online: https://www.solaredge.com/solutions/self-consumption#/ (accessed on 25 April 2021).
- 4 kWh Powervault Lead-Acid Solar Energy Storage Systems. Available online: https://www.ecopowersupplies.com/4kwh-powervault-lead-acid-solar-energy-storage-systems (accessed on 25 February 2021).
- Purestorage, I.I. Available online: https://www.puredrive-energy.co.uk/ (accessed on 25 April 2021).
- Duracell Energy Bank. Available online: https://www.duracellenergybank.com/ (accessed on 25 April 2021).
- Enphase Encharge 3. Available online: https://store.enphase.com/storefront/en-us/enphase_encharge_3 (accessed on 25 April 2021).
- Enphase Encharge 10. Available online: https://store.enphase.com/storefront/en-us/enphase_encharge_10 (accessed on 25 April 2021).
- Available online: https://www.eaton.com/content/eaton/gb/en-gb/catalog/energy-storage/xstorage-home.html/ (accessed on 25 April 2021).
- xStorage Home. Available online: https://www.samsungsdi.com/ess/index.html (accessed on 25 April 2021).
- VARTA Pulse Neo. Available online: https://www.varta-ag.com/en/consumer/product-categories/energy-storage-systems/varta-pulse-neo (accessed on 25 April 2021).
- Sunny Boy Storage 2.5. Available online: https://www.sma.de/en/products/battery-inverters/sunny-boy-storage-25.html (accessed on 25 April 2021).
- EasySolar. Available online: https://www.victronenergy.ru/inverters-chargers/easysolar (accessed on 25 April 2021).
- EssProTM-Battery Energy Storage. The Power to Control Energy. Available online: https://new.abb.com/docs/librariesprovider78/eventos/jjtts-2017/presentaciones-peru/(dario-cicio)-bess---battery-energy-storage-system.pdf?sfvrsn=2 (accessed on 28 February 2021).
- Battery Energy Storage Solutions for Stable Power Supply. Available online: https://www.nidec-industrial.com/markets/renewable-energy/battery-energy-storage-solutions/ (accessed on 28 February 2021).
- Kheraluwala, M.; Gascoigne, R.; Divan, D.; Baumann, E. Performance characterization of a high-power dual active bridge DC-to-DC converter. IEEE Trans. Ind. Appl. 1992, 28, 1294–1301. [Google Scholar] [CrossRef]
- Stynski, S.; Luo, W.; Chub, A.; Franquelo, L.G.; Malinowski, M.; Vinnikov, D. Utility-Scale Energy Storage Systems: Converters and Control. IEEE Ind. Electron. Mag. 2020, 14, 32–52. [Google Scholar] [CrossRef]
- Inoue, S.; Akagi, H. A Bidirectional DC–DC Converter for an Energy Storage System with Galvanic Isolation. IEEE Trans. Power Electron. 2007, 22, 2299–2306. [Google Scholar] [CrossRef]
- Manias, S.; Ziogas, P.; Olivier, G. Bilateral DC to AC convertor using a high frequency link. IEE Proc. B Electr. Power Appl. 1987, 134, 15. [Google Scholar] [CrossRef]
- Blinov, A.; Korkh, O.; Chub, A.; Vinnikov, D.; Peftitsis, D.; Norrga, S.; Galkin, I. High Gain DC-AC High-Frequency Link Inverter with Improved Quasi-Resonant Modulation. IEEE Trans. Ind. Electron. 2021. [Google Scholar] [CrossRef]
- Korkh, O.; Blinov, A.; Vinnikov, D.; Chub, A. Review of Isolated Matrix Inverters: Topologies, Modulation Methods and Applications. Energies 2020, 13, 2394. [Google Scholar] [CrossRef]
- Chung, H.; Cheung, W.-L.; Tang, K. A ZCS Bidirectional Flyback DC/DC Converter. IEEE Trans. Power Electron. 2004, 19, 1426–1434. [Google Scholar] [CrossRef]
- Lessing, M.H.; Agostini, E.; Barbi, I. An improved modulation strategy for the high-frequency-isolated DC-AC flyback converter with differential output connection. In Proceedings of the 2016 12th IEEE International Conference on Industry Applications (INDUSCON), Curitiba, Brazil, 20–23 November 2016; Institute of Electrical and Electronics Engineers (IEEE): New York, NY, USA, 2017; pp. 1–7. [Google Scholar]
- Ponnaluri, S.; Linhofer, G.; Steinke, J.; Steimer, P.K. Comparison of single and two stage topologies for interface of BESS or fuel cell system using the ABB standard power electronics building blocks. In Proceedings of the 2005 European Conference on Power Electronics and Applications, Dresden, Germany, 11–14 September 2005; Institute of Electrical and Electronics Engineers (IEEE): New York, NY, USA, 2005. [Google Scholar]
- Srinivasan, R.; Oruganti, R. A unity power factor converter using half-bridge boost topology. IEEE Trans. Power Electron. 1998, 13, 487–500. [Google Scholar] [CrossRef]
- Vazquez, S.; Lukic, S.M.; Galvan, E.; Franquelo, L.G.; Carrasco, J.M. Energy Storage Systems for Transport and Grid Applications. IEEE Trans. Ind. Electron. 2010, 57, 3881–3895. [Google Scholar] [CrossRef]
- Stanley, G.; Bradshaw, K. Precision DC-to-AC power conversion by optimization of the output current waveform-the half bridge revisited. IEEE Trans. Power Electron. 1999, 14, 372–380. [Google Scholar] [CrossRef]
- Zhang, L.; Zhu, T.; Chen, L.; Sun, K. A systematic topology generation method for dual-buck inverters. In 2016 IEEE Energy Conversion Congress and Exposition (ECCE); Institute of Electrical and Electronics Engineers (IEEE): New York, NY, USA, 2017; pp. 1–6. [Google Scholar]
- Xie, J.; Zhang, F.; Ren, R.; Wang, X.; Wang, J. A novel high power density dual-buck inverter with coupled filter inductors. In IECON 2014-40th Annual Conference of the IEEE Industrial Electronics Society; Institute of Electrical and Electronics Engineers (IEEE): New York, NY, USA, 2014; pp. 1111–1117. [Google Scholar]
- Zhou, L.; Gao, F. Dual buck inverter with series connected diodes and single inductor. In 2016 IEEE Applied Power Electronics Conference and Exposition (APEC); Institute of Electrical and Electronics Engineers (IEEE): New York, NY, USA, 2016; pp. 2259–2263. [Google Scholar]
- Araujo, S.V.; Zacharias, P.; Mallwitz, R. Highly Efficient Single-Phase Transformerless Inverters for Grid-Connected Photovoltaic Systems. IEEE Trans. Ind. Electron. 2010, 57, 3118–3128. [Google Scholar] [CrossRef]
- Gu, B.; Dominic, J.; Lai, J.-S.; Chen, C.-L.; Labella, T.; Chen, B. High Reliability and Efficiency Single-Phase Transformerless Inverter for Grid-Connected Photovoltaic Systems. IEEE Trans. Power Electron. 2012, 28, 2235–2245. [Google Scholar] [CrossRef]
- Colak, I.; Kabalci, E.; Bayindir, R. Review of multilevel voltage source inverter topologies and control schemes. Energy Convers. Manag. 2011, 52, 1114–1128. [Google Scholar] [CrossRef]
- Liu, C.; Cai, X.; Chen, Q. Self-Adaptation Control of Second-Life Battery Energy Storage System Based on Cascaded H-Bridge Converter. IEEE J. Emerg. Sel. Top. Power Electron. 2018, 8, 1428–1441. [Google Scholar] [CrossRef]
- Ling, Z.; Zhang, Z.; Li, Z.; Li, Y. State-of-charge balancing control of battery energy storage system based on cascaded H-bridge multilevel inverter. In Proceedings of the 2016 IEEE 8th International Power Electronics and Motion Control Conference (IPEMC-ECCE Asia); Institute of Electrical and Electronics Engineers (IEEE): New York, NY, USA, 2016; pp. 2310–2314. [Google Scholar]
- Yoscovich, I.; Glovinsky, T.; Sella, G.; Galin, Y. SolarEdge Patent for HD-Wave Inverters-Distributed Power System Using Direct Current Power Sources. U.S. Patent 9368964B2, 14 June 2016. [Google Scholar]
- Demetriades, G.D. Modular Multilevel Converter with Cell-Connected Battery Storages. European Patent EP2695273B1, 25 November 2015. [Google Scholar]
- Moradpour, M.; Ghani, P.; Pirino, P.; Gatto, G. A GaN-Based Battery Energy Storage System for Three-Phase Residential Application with Series-Stacked Devices and Three-Level Neutral Point Clamped Topology. In 2019 1st International Conference on Energy Transition in the Mediterranean Area (SyNERGY MED); Institute of Electrical and Electronics Engineers (IEEE): New York, NY, USA, 2019; pp. 1–6. [Google Scholar]
- Abronzini, U.; Attaianese, C.; Di Monaco, M.; Tomasso, G.; Damiano, A.; Porru, M.; Serpi, A. A Dual-Source DHB-NPC Power Converter for Grid Connected Split Battery Energy Storage System. In 2018 IEEE Energy Conversion Congress and Exposition (ECCE); Institute of Electrical and Electronics Engineers (IEEE): New York, NY, USA, 2018; pp. 2483–2488. [Google Scholar]
- Trintis, I.; Teodorescu, R.; Munk-Nielsen, S. Single stage grid converters for battery energy storage. In Proceedings of the 5th IET International Conference on Power Electronics, Machines and Drives (PEMD 2010), Brighton, UK, 19–21 April 2010; Institution of Engineering and Technology (IET): London, UK, 2010; p. 234. [Google Scholar]
- Bragard, M.; Soltau, N.; Thomas, S.; De Doncker, R.W. The Balance of Renewable Sources and User Demands in Grids: Power Electronics for Modular Battery Energy Storage Systems. IEEE Trans. Power Electron. 2010, 25, 3049–3056. [Google Scholar] [CrossRef]
- Cheng, Y.; Qian, C.; Crow, M.L.; Pekarek, S.; Atcitty, S. A Comparison of Diode-Clamped and Cascaded Multilevel Converters for a STATCOM with Energy Storage. IEEE Trans. Ind. Electron. 2006, 53, 1512–1521. [Google Scholar] [CrossRef]
- Barth, C.B.; Assem, P.; Foulkes, T.; Chung, W.H.; Modeer, T.; Lei, Y.; Pilawa-Podgurski, R.C.N. Design and Control of a GaN-Based, 13-Level, Flying Capacitor Multilevel Inverter. IEEE J. Emerg. Sel. Top. Power Electron. 2019, 8, 2179–2191. [Google Scholar] [CrossRef]
- Modeer, T.; Pallo, N.; Foulkes, T.; Barth, C.B.; Pilawa-Podgurski, R.C.N. Design of a GaN-Based Interleaved Nine-Level Flying Capacitor Multilevel Inverter for Electric Aircraft Applications. IEEE Trans. Power Electron. 2020, 35, 12153–12165. [Google Scholar] [CrossRef]
- Siwakoti, Y.P.; Peng, F.Z.; Blaabjerg, F.; Loh, P.C.; Town, G.E. Impedance-Source Networks for Electric Power Conversion Part I: A Topological Review. IEEE Trans. Power Electron. 2015, 30, 699–716. [Google Scholar] [CrossRef]
- Mande, D.; Trovão, J.P.; Ta, M.C. Comprehensive Review on Main Topologies of Impedance Source Inverter Used in Electric Vehicle Applications. World Electr. Veh. J. 2020, 11, 37. [Google Scholar] [CrossRef]
- You, K.; Rahman, M.F. A Matrix–Z-Source Converter with AC–DC Bidirectional Power Flow for an Integrated Starter Alternator System. IEEE Trans. Ind. Appl. 2009, 45, 239–248. [Google Scholar] [CrossRef]
- Matiushkin, O.; Husev, O.; Strzelecki, R.; Ivanets, S.; Fesenko, A. Novel single-stage buck-boost inverter with unfolding circuit. In Proceedings of the 2017 IEEE First Ukraine Conference on Electrical and Computer Engineering (UKRCON), Kyiv, Ukraine, 29 May–2 June 2017; Institute of Electrical and Electronics Engineers (IEEE): New York, NY, USA, 2017; pp. 538–543. [Google Scholar]
- Han, B.; Lai, J.-S.; Kim, M. Bridgeless Cuk-Derived Single Power Conversion Inverter with Reactive-Power Capability. IEEE Trans. Power Electron. 2019, 35, 2629–2645. [Google Scholar] [CrossRef]
- Pal, A.; Basu, K. A Single-Stage Soft-Switched Isolated Three-Phase DC–AC Converter with Three-Phase Unfolder. IEEE Trans. Power Electron. 2019, 35, 3601–3615. [Google Scholar] [CrossRef]
- Tytelmaier, K.; Husev, O.; Veligorskyi, O.; Yershov, R. A review of non-isolated bidirectional dc-dc converters for energy storage systems. In 2016 II International Young Scientists Forum on Applied Physics and Engineering (YSF); Institute of Electrical and Electronics Engineers (IEEE): New York, NY, USA, 2016; pp. 22–28. [Google Scholar]
- Anzola, J.; Aizpuru, I.; Romero, A.A.; Loiti, A.A.; Lopez-Erauskin, R.; Sevil, J.S.A.; Bernal, C. Review of Architectures Based on Partial Power Processing for DC-DC Applications. IEEE Access 2020, 8, 103405–103418. [Google Scholar] [CrossRef]
- Pape, M.; Kazerani, M. An Offshore Wind Farm with DC Collection System Featuring Differential Power Processing. IEEE Trans. Energy Convers. 2019, 35, 222–236. [Google Scholar] [CrossRef]
- Pape, M.; Kazerani, M. Turbine Startup and Shutdown in Wind Farms Featuring Partial Power Processing Converters. IEEE Open Access J. Power Energy 2020, 7, 254–264. [Google Scholar] [CrossRef]
- Iyer, V.M.; Gulur, S.; Gohil, G.; Bhattacharya, S. An Approach towards Extreme Fast Charging Station Power Delivery for Electric Vehicles with Partial Power Processing. IEEE Trans. Ind. Electron. 2020, 67, 8076–8087. [Google Scholar] [CrossRef]
- Schaef, C.; Stauth, J.T. Multilevel Power Point Tracking for Partial Power Processing Photovoltaic Converters. IEEE J. Emerg. Sel. Top. Power Electron. 2014, 2, 859–869. [Google Scholar] [CrossRef]
- Shenoy, P.S. Improving Performance, Efficiency, and Reliability of DC/DC Conversion Systems by Differential Power Processing. Ph.D. Thesis, Graduate College of the University of Illinois at Urbana-Champaign, Champaign, IL, USA, 2012. [Google Scholar]
- Zientarski, J.R.R.; Martins, M.L.D.S.; Pinheiro, J.R.; Hey, H.L. Evaluation of Power Processing in Series-Connected Partial-Power Converters. IEEE J. Emerg. Sel. Top. Power Electron. 2019, 7, 343–352. [Google Scholar] [CrossRef]
- Zientarski, J.R.R.; Martins, M.L.D.S.; Pinheiro, J.R.; Hey, H.L. Series-Connected Partial-Power Converters Applied to PV Systems: A Design Approach Based on Step-Up/Down Voltage Regulation Range. IEEE Trans. Power Electron. 2018, 33, 7622–7633. [Google Scholar] [CrossRef]
- Zapata, J.W.; Kouro, S.; Carrasco, G.; Renaudineau, H.; Meynard, T.A. Analysis of Partial Power DC–DC Converters for Two-Stage Photovoltaic Systems. IEEE J. Emerg. Sel. Top. Power Electron. 2019, 7, 591–603. [Google Scholar] [CrossRef]
- Agamy, M.S.; Harfman-Todorovic, M.; Elasser, A.; Chi, S.; Steigerwald, R.L.; Sabate, J.A.; McCann, A.J.; Zhang, L.; Mueller, F.J. An Efficient Partial Power Processing DC/DC Converter for Distributed PV Architectures. IEEE Trans. Power Electron. 2014, 29, 674–686. [Google Scholar] [CrossRef]
- Marti-Arbona, E.; Mandal, D.; Bakkaloglu, B.; Kiaei, S. PV panel power optimization using sub-panel MPPT. In Proceedings of the 2015 IEEE Applied Power Electronics Conference and Exposition (APEC), Charlotte, NC, USA, 15–19 March 2015; Institute of Electrical and Electronics Engineers (IEEE): New York, NY, USA, 2015; pp. 235–238. [Google Scholar]
- Loera-Palomo, R.; Morales-Saldaña, J.A.; Palacios-Hernández, E. Quadratic step-down dc–dc converters based on reduced redundant power processing approach. IET Power Electron. 2013, 6, 136–145. [Google Scholar] [CrossRef]
- Spiazzi, G. Reduced redundant power processing concept: A reexamination. In Proceedings of the 2016 IEEE 17th Workshop on Control and Modeling for Power Electronics (COMPEL), Trondheim, Norway, 27–30 June 2016; pp. 1–8. [Google Scholar] [CrossRef]
- Xue, F.; Yu, R.; Huang, A. Fractional converter for high efficiency high power battery energy storage system. In Proceedings of the 2017 IEEE Energy Conversion Congress and Exposition (ECCE), Cincinnati, OH, USA, 1–5 October 2017; Institute of Electrical and Electronics Engineers (IEEE): New York, NY, USA, 2017; pp. 5144–5150. [Google Scholar]
- Xue, F.; Yu, R.; Huang, A. A Family of Ultrahigh Efficiency Fractional dc–dc Topologies for High Power Energy Storage Device. IEEE J. Emerg. Sel. Top. Power Electron. 2021, 9, 1420–1427. [Google Scholar] [CrossRef]
- Neumayr, D.; Knabben, G.C.; Varescon, E.; Bortis, D.; Kolar, J.W. Comparative Evaluation of a Full- and Partial-Power Processing Active Power Buffer for Ultracompact Single-Phase DC/AC Converter Systems. IEEE J. Emerg. Sel. Top. Power Electron. 2021, 9, 1994–2013. [Google Scholar] [CrossRef]
- Bala, S.; Tengner, T.; Rosenfeld, P.; Delince, F. The effect of low frequency current ripple on the performance of a Lithium Iron Phosphate (LFP) battery energy storage system. In 2012 IEEE Energy Conversion Congress and Exposition (ECCE); Institute of Electrical and Electronics Engineers (IEEE): New York, NY, USA, 2012; pp. 3485–3492. [Google Scholar]
- Brand, M.J.; Hofmann, M.H.; Schuster, S.S.; Keil, P.; Jossen, A. The Influence of Current Ripples on the Lifetime of Lithium-Ion Batteries. IEEE Trans. Veh. Technol. 2018, 67, 10438–10445. [Google Scholar] [CrossRef]
- Husev, O.; Matiushkin, O.; Roncero-Clemente, C.; Blaabjerg, F.; Vinnikov, D. Novel Family of Single-Stage Buck–Boost Inverters Based on Unfolding Circuit. IEEE Trans. Power Electron. 2018, 34, 7662–7676. [Google Scholar] [CrossRef]
- Zhao, B.; Abramovitz, A.; Liu, C.; Yang, Y.; Huangfu, Y. A Family of Single-Stage, Buck-Boost Inverters for Photovoltaic Applications. Energies 2020, 13, 1675. [Google Scholar] [CrossRef]
- Oguchi, K.; Ikawa, E.; Tsukiori, Y. A three-phase sine wave inverter system using multiple phase-shifted single-phase resonant inverters. IEEE Trans. Ind. Appl. 1993, 29, 1076–1083. [Google Scholar] [CrossRef]
- Rabkowski, J.; Blinov, A.; Zinchenko, D.; Wrona, G.; Zdanowski, M. Grid-frequency Vienna rectifier and isolated current-source DC-DC converters for efficient off-board charging of electric vehicles. In Proceedings of the 2020 22nd European Conference on Power Electronics and Applications (EPE’20 ECCE Europe), Piscataway, NJ, USA, 7–11 September 2020; IEEE: New York, NY, USA, 2020. [Google Scholar]
- Jacobson, B.S.; Holmansky, E.N. Methods and Apparatus for Three-Phase Inverter with Reduced Energy Storage. U.S. Patent 7839023B2, 23 November 2010. [Google Scholar]
- Chen, W.W.; Zane, R.; Corradini, L. Isolated Bidirectional Grid-Tied Three-Phase AC–DC Power Conversion Using Series-Resonant Converter Modules and a Three-Phase Unfolder. IEEE Trans. Power Electron. 2017, 32, 9001–9012. [Google Scholar] [CrossRef]
- Van Soest, H. Peer-to-peer electricity trading: A review of the legal context. Compet. Regul. Netw. Ind. 2018, 19, 180–199. [Google Scholar] [CrossRef]
- Zhang, D.; Guacci, M.; Kolar, J.W.; Everts, J. Synergetic Control of a 3-Φ Buck-Boost Current DC-Link EV Charger Considering Wide Output Range and Irregular Mains Conditions. In Proceedings of the 2020 IEEE 9th International Power Electronics and Motion Control Conference (IPEMC2020-ECCE Asia), Nanjing, China, 31 May–3 June 2020; pp. 1688–1695. [Google Scholar]
- Husev, O.; Roncero-Clemente, C.; Romero-Cadaval, E.; Vinnikov, D.; Stepenko, S. Single phase three-level neutral-point-clamped quasi-Z-source inverter. IET Power Electron. 2015, 8, 1–10. [Google Scholar] [CrossRef]
- Panfilov, D.; Husev, O.; Blaabjerg, F.; Zakis, J.; Khandakji, K. Comparison of three-phase three-level voltage source inverter with intermediate dc–dc boost converter and quasi-Z-source inverter. IET Power Electron. 2016, 9, 1238–1248. [Google Scholar] [CrossRef]
- Baier, T.; Piepenbreier, B. Bidirectional magnetically coupled T-Source Inverter for extra low voltage application. In Proceedings of the 2016 IEEE Applied Power Electronics Conference and Exposition (APEC), Long Beach, CA, USA, 20–24 March 2016; pp. 2897–2904. [Google Scholar]
- Hu, S.; Liang, Z.; He, X. Ultracapacitor-Battery Hybrid Energy Storage System Based on the Asymmetric Bidirectional Z -Source Topology for EV. IEEE Trans. Power Electron. 2016, 31, 7489–7498. [Google Scholar] [CrossRef]



























| Reference | Application Area of the Standard |
|---|---|
| [53] | USA, Converter housing and selection of components |
| [54] | IEC, Classification of BESS locations in households |
| [55] | IEC, Voltage inverters for high voltage DC networks |
| [56] | IEC, Controlling of converters in microgrids |
| [57] | IEC, Connection of PV to the grid and requirements for electromagnetic compatibility parameters |
| [58] | IEC, Bidirectional low voltage (up to 1000 V AC and 1500 V DC) converters connected to the grid and description of the terms used in these networks |
| [59,60] | IEC, Test methods and acceptable parameters for low voltage uninterruptible power supplies |
| [61] | IEC, Disposal of converters of uninterruptible power supplies |
| [62] | USA, Safety regulations within data centers and telecom central offices |
| BESS Manufacturer/Model | Maximal Energy Capacity [kWh] | Charge/Discharge BES Power [kW] | Battery Voltage [V] | Coupling | Reference |
|---|---|---|---|---|---|
| Tesla PowerWall | 13.5 | 5 | 50 | AC | [63] |
| Sonnen Batterie Eco | 15 | 3.3 | 48 | AC | [64] |
| Adara Power (Residential) | 20 | 12 | 50 | AC/DC | [70] |
| Sunverge | Modular up to 19.4 | 6 | 48 | AC/DC | [72] |
| Solax X-ESS G4 or Hybrid X1/X3 + Triple Power (BES) | Stackable up to 23 (4 modules) | 4 | 300 | AC/DC | [74] |
| SolarEdge + RESU10H | 9.8 | 5 | 400 | AC/DC | [75] |
| PowerVault 3 | 20 | 3.3/5.5 | 52 | AC | [76] |
| Puredrive Storage II AC 5 kWh | 5/10 | 3 | 50 | AC | [77] |
| Duracell Energy Bank | 3.3 | 3.3 | 52 | AC | [78] |
| Enphase Encharge 3 | 3.5 | 1.3 | 67 | AC | [79,80] |
| Enphase Encharge 10 | 10.5 | 3.8 | |||
| Nissan/Eaton xStorage | 4.2…10 | 3.6…6 | 90 | AC/DC | [81] |
| Samsung SDI All in One | 3.6 | 4.6 | 60 | AC/DC | [82] |
| Varta Pulse/Pulse Neo 3 | 3.3 | 1.6/1.4 | 50 | AC | [83] |
| Varta Pulse/Pulse Neo 6 | 6.5 | 2.5/2.3 | |||
| Sunny Boy Storage | External battery | 3.7/5/6 | 360 | AC | [84] |
| Victron Energy EasySolar | External battery | 0.9/1.7/3.5 | 12.8–51.2 | DC | [85] |
| Stage | Main Function | Peculiarities |
|---|---|---|
| Full Power Switch-Mode Rectifiers/Inverter (origin for comparison) | Forming AC | + Established technology, − High voltage input, high switching frequency, bulky filter |
| Full Power Switch-Mode DC/DC Converters | Forming DC | + Established technology, wide regulation range, − Full power operation, high switching frequency |
| Partial Power Converters | Forming DC | + Operation with part of rated power − Developing technology, limited regulation range |
| Multilevel Converters | Forming AC or DC | + Established technology, small grid filter − Control and hardware complexity |
| Unfolding Circuits | Commutation | + No switching losses − Developing technology, no regulation |
| Configuration | Advantages | Disadvantages |
|---|---|---|
| Single stage DC-AC Bidirectional Inverters/Rectifiers | Max. efficiency at a particular operation point | Lower efficiency at most of the operation points, Minimal battery voltage > amplitude of grid voltage |
| Impedance-Source Bidirectional Inverters/Rectifiers | Battery voltage pre-regulation Short-Circuit Proof | Voltage stress on semiconductors and volume of components is larger Complicated bidirectional operation Developing technology |
| Bidirectional inverter/rectifier + Full Power DC-DC | Higher efficiency at the most of operation points, Wide battery voltage range, Allows integration of renewables into DC-link | Lower maximal efficiency, Both stages operate at full power and high switching frequency |
| Bidirectional inverter/rectifier + PPC DC-DC | Higher efficiency at the most of operation points, Allows integration of renewables into DC-link, DC-DC operates with part of rated power | Narrow battery voltage range, Developing technology |
| Multilevel DC-DC and DC-AC | Low grid filter size and volume, Utilization of low voltage semiconductors, Modular design | High component count Complex control |
| Unfolder + Full Power DC-DC | Higher efficiency at the most of operation points, Wide battery voltage range, No switching losses in grid stage, No DC-link capacitor | No integration of renewables into DC-link |
Publisher’s Note: MDPI stays neutral with regard to jurisdictional claims in published maps and institutional affiliations. |
© 2021 by the authors. Licensee MDPI, Basel, Switzerland. This article is an open access article distributed under the terms and conditions of the Creative Commons Attribution (CC BY) license (https://creativecommons.org/licenses/by/4.0/).
Share and Cite
Galkin, I.A.; Blinov, A.; Vorobyov, M.; Bubovich, A.; Saltanovs, R.; Peftitsis, D. Interface Converters for Residential Battery Energy Storage Systems: Practices, Difficulties and Prospects. Energies 2021, 14, 3365. https://doi.org/10.3390/en14123365
Galkin IA, Blinov A, Vorobyov M, Bubovich A, Saltanovs R, Peftitsis D. Interface Converters for Residential Battery Energy Storage Systems: Practices, Difficulties and Prospects. Energies. 2021; 14(12):3365. https://doi.org/10.3390/en14123365
Chicago/Turabian StyleGalkin, Ilya A., Andrei Blinov, Maxim Vorobyov, Alexander Bubovich, Rodions Saltanovs, and Dimosthenis Peftitsis. 2021. "Interface Converters for Residential Battery Energy Storage Systems: Practices, Difficulties and Prospects" Energies 14, no. 12: 3365. https://doi.org/10.3390/en14123365
APA StyleGalkin, I. A., Blinov, A., Vorobyov, M., Bubovich, A., Saltanovs, R., & Peftitsis, D. (2021). Interface Converters for Residential Battery Energy Storage Systems: Practices, Difficulties and Prospects. Energies, 14(12), 3365. https://doi.org/10.3390/en14123365

