Non-Integer Order Approximation of a PID-Type Controller for Boost Converters
Abstract
1. Introduction
- Reduced levels of noise due to lower order derivatives;
- Robustness against parameters variations;
- Better description of certain system frequency response;
- Ladder and fractal arrangements of typical electrical elements are used to implement fractional relations.
2. Materials and Methods
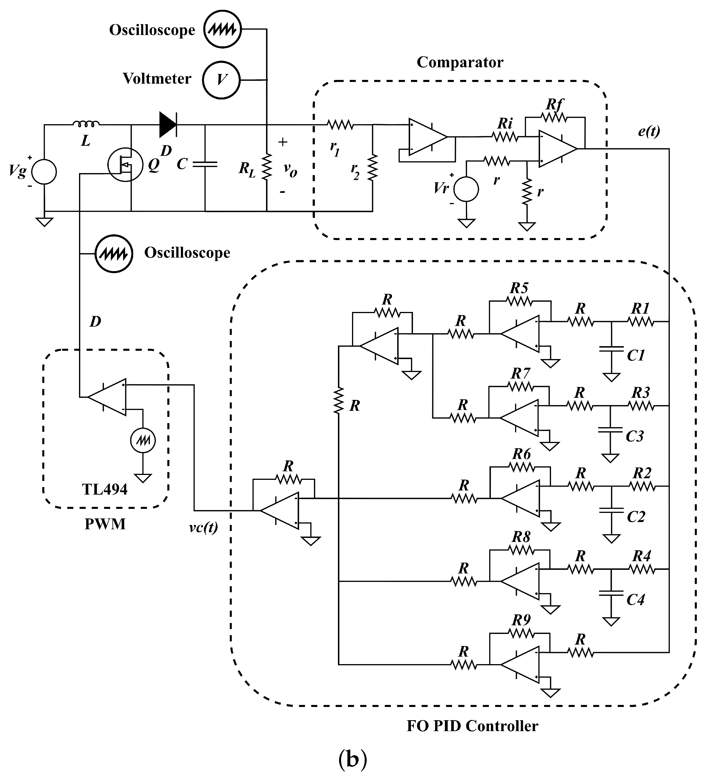
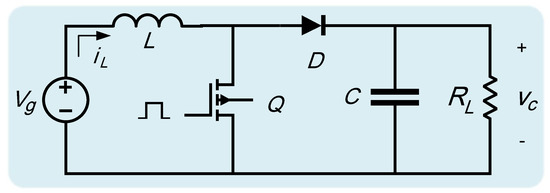
2.1. Boost Converter Model
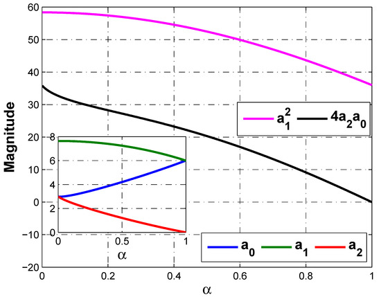
2.2. The Approximation of Non-Integer Order for Laplacian Operator
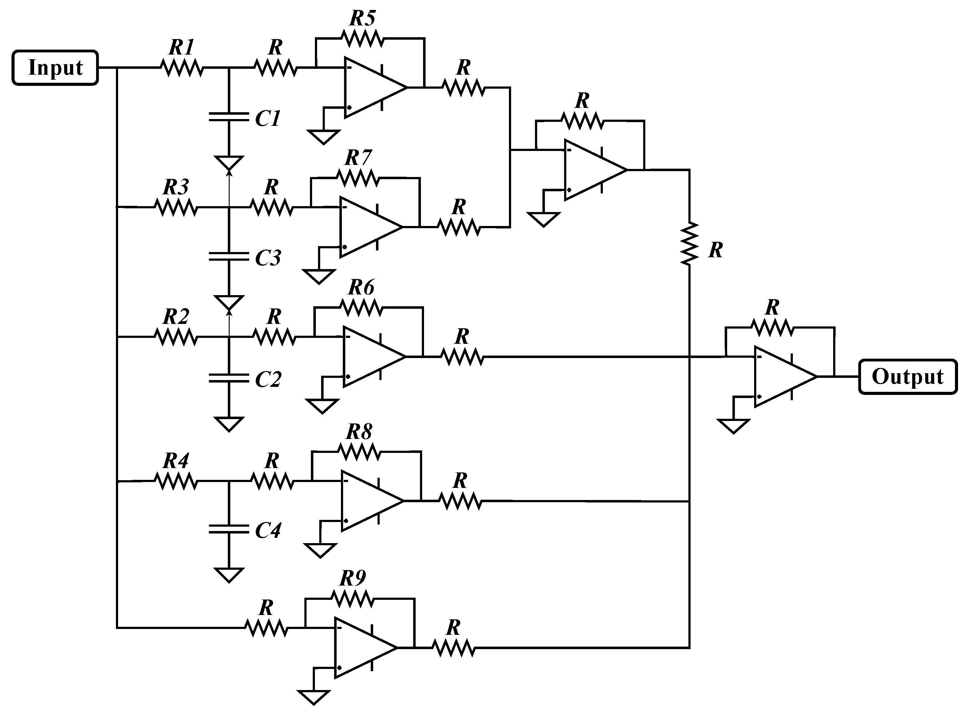
2.3. The Synthesis of the Approximation of a Fractional-Order PID Controller
3. Results
3.1. Control Design
- Consider the boost converter transfer function divided into minimum/non-minimum phase parts and , respectively;
- Consider the minimum phase transfer function as the uncontrolled plant;
- Determine the phase contribution of the uncontrolled plant with no control effort;
- Compute the controller phase contribution ;
- Compute the corresponding fractional order through (15);
- Compute the fractional-order Laplacian operator through (10);
- Compute the controller structure as a function of and gains;
- Obtain the closed-loop transfer function and evaluate the stability margins;
- Determine the regulation and tracking performance of the closed-loop response.
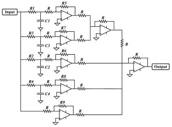
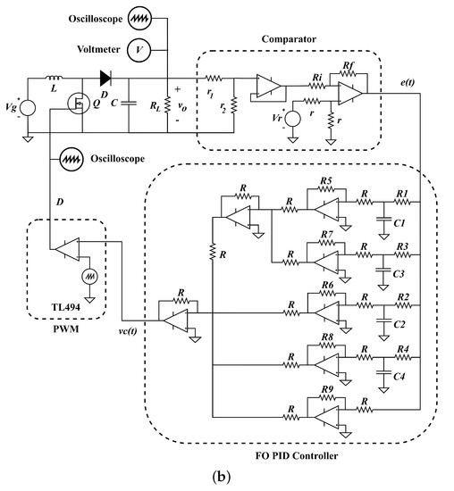
3.2. Results of Electrical Implementation
- As a linear technique, it regulated the output voltage in a non-linear system;
- Effective regulation in a non-minimum phase system;
- Closed-loop instability caused by the RHP zero was avoided effectively;
- Acceptable stability margins and good robustness;
- Fast regulation velocity;
- Simplicity in structure;
- Viability for implementation.
4. Discussion
5. Conclusions
Author Contributions
Funding
Acknowledgments
Conflicts of Interest
References
- Zhao, Z.; He, X. Research on Digital Synchronous Rectification for a High-Efficiency DC–DC Converter in an Auxiliary Power Supply System of Magnetic Levitation. Energies 2020, 13, 51. [Google Scholar] [CrossRef]
- Darcy Gnana Jegha, A.; Subathra, M.; Manoj Kumar, N.; Subramaniam, U.; Padmanaban, S. A High Gain DC–DC Converter with Grey Wolf Optimizer Based MPPT Algorithm for PV Fed BLDC Motor Drive. Appl. Sci. 2020, 10, 2797. [Google Scholar] [CrossRef]
- Kumar, P.S.; Chandrasena, R.; Ramu, V.; Srinivas, G.; Babu, K.V.S.M. Energy Management System for Small Scale Hybrid Wind Solar Battery Based Microgrid. IEEE Access 2020, 8, 8336–8345. [Google Scholar] [CrossRef]
- Martinez-Treviño, B.A.; El Aroudi, A.; Cid-Pastor, A.; Martinez-Salamero, L. Nonlinear Control for Output Voltage Regulation of a Boost Converter With a Constant Power Load. IEEE Trans. Power Electron. 2019, 34, 10381–10385. [Google Scholar] [CrossRef]
- Yuan, H.B.; Kim, Y.B. Compensated active disturbance rejection control for voltage regulation of a DC–DC boost converter. IET Power Electron. 2021, 14, 432–441. [Google Scholar] [CrossRef]
- Derbeli, M.; Barambones, O.; Farhat, M.; Ramos-Hernanz, J.A.; Sbita, L. Robust high order sliding mode control for performance improvement of PEM fuel cell power systems. Int. J. Hydrogen Energy 2020, 45, 29222–29234. [Google Scholar] [CrossRef]
- Yang, T.; Liao, Y. Discrete Sliding Mode Control Strategy for Start-Up and Steady-State of Boost Converter. Energies 2019, 12, 2990. [Google Scholar] [CrossRef]
- Wu, J.; Lu, Y. Adaptive backstepping sliding mode control for boost converter with constant power load. IEEE Access 2019, 7, 50797–50807. [Google Scholar] [CrossRef]
- Qi, Q.; Ghaderi, D.; Guerrero, J.M. Sliding mode controller-based switched-capacitor-based high DC gain and low voltage stress DC–DC boost converter for photovoltaic applications. Int. J. Electr. Power Energy Syst. 2021, 125, 106496. [Google Scholar] [CrossRef]
- Cunha, R.; Inomoto, R.; Altuna, J.; Costa, F.; Di Santo, S.; Sguarezi Filho, A. Constant switching frequency finite control set model predictive control applied to the boost converter of a photovoltaic system. Sol. Energy 2019, 189, 57–66. [Google Scholar] [CrossRef]
- Kim, S.K.; Ahn, C.K. Nonlinear tracking controller for DC/DC boost converter voltage control applications via energy-shaping and invariant dynamic surface approach. IEEE Trans. Circuits Syst. II Express Briefs 2019, 66, 1855–1859. [Google Scholar] [CrossRef]
- Gandhi, M.R.; Rathore, S. Comparative Study of Different Passivity-Based Non-linear Control of DC–DC Boost Converter. In Proceedings of the 2019 Innovations in Power and Advanced Computing Technologies (i-PACT), Vellore, India, 22–23 March 2019; Volume 1, pp. 1–7. [Google Scholar]
- Murakawa, Y.; Sadanda, Y.; Hikihara, T. Parallelization of Boost and Buck Type DC–DC Converters by Individual Passivity-Based Control. IEICE Trans. Fundam. Electron. Commun. Comput. Sci. 2020, 103, 589–595. [Google Scholar] [CrossRef]
- Kobaku, T.; Jeyasenthil, R.; Sahoo, S.; Ramchand, R.; Dragicevic, T. Quantitative Feedback Design Based Robust PID Control of Voltage Mode Controlled DC–DC Boost Converter. IEEE Trans. Circuits Syst. II Express Briefs 2020, 68, 286–290. [Google Scholar] [CrossRef]
- Khleaf, H.K.; Nahar, A.K.; Jabbar, A.S. Intelligent control of DC–DC converter based on PID-neural network. Int. J. Power Electron. Drive Syst. 2019, 10, 2254. [Google Scholar] [CrossRef]
- Shoja-Majidabad, S.; Hajizadeh, A. Decentralized adaptive neural network control of cascaded DC–DC converters with high voltage conversion ratio. Appl. Soft Comput. 2020, 86, 105878. [Google Scholar] [CrossRef]
- Ardhenta, L.; Subroto, R.K. Application of direct MRAC in PI controller for DC–DC boost converter. Int. J. Power Electron. Drive Syst. 2020, 11, 851. [Google Scholar] [CrossRef]
- Nalepa, R.; Najdek, K.; Strong, B. Hybrid Tuning of a Boost Converter PI Voltage Compensator by Means of the Genetic Algorithm and the D-Decomposition. Energies 2021, 14, 173. [Google Scholar] [CrossRef]
- Hidalgo-Reyes, J.; Gómez-Aguilar, J.; Escobar-Jiménez, R.; Alvarado-Martínez, V.; López-López, M. Classical and fractional-order modeling of equivalent electrical circuits for supercapacitors and batteries, energy management strategies for hybrid systems and methods for the state of charge estimation: A state of the art review. Microelectron. J. 2019, 85, 109–128. [Google Scholar] [CrossRef]
- Tarasov, V.E. Review of some promising fractional physical models. Int. J. Mod. Phys. B 2013, 27, 1330005. [Google Scholar] [CrossRef]
- Saleem, O.; Rizwan, M.; Khizar, A.; Ahmad, M. Augmentation of fractional-order PI controller with nonlinear error-modulator for enhancing robustness of DC–DC boost converters. J. Power Electron. 2019, 19, 835–845. [Google Scholar]
- Mohamed, A.T.; Mahmoud, M.F.; Swief, R.; Said, L.A.; Radwan, A.G. Optimal fractional-order PI with DC–DC converter and PV system. Ain Shams Eng. J. 2021. [Google Scholar] [CrossRef]
- Fekik, A.; Azar, A.T.; Kamal, N.A.; Denoun, H.; Almustafa, K.M.; Hamida, L.; Zaouia, M. Fractional-Order Control of a Fuel Cell-Boost Converter System. In Proceedings of the International Conference on Advanced Machine Learning Technologies and Applications, Cairo, Egypt, 20–22 March 2020; pp. 713–724. [Google Scholar]
- Seo, S.W.; Choi, H.H. Digital Implementation of Fractional Order PID-Type Controller for Boost DC–DC Converter. IEEE Access 2019, 7, 142652–142662. [Google Scholar] [CrossRef]
- Zhuo, S.; Gaillard, A.; Xu, L.; Paire, D.; Gao, F. Extended State Observer-Based Control of DC–DC Converters for Fuel Cell Application. IEEE Trans. Power Electron. 2020, 35, 9925–9934. [Google Scholar] [CrossRef]
- Wang, J.; Xu, D.; Zhou, H.; Zhou, T. Adaptive fractional order sliding mode control for Boost converter in the Battery/Supercapacitor HESS. PLoS ONE 2018, 13, e0196501. [Google Scholar] [CrossRef]
- Erickson, R.W.; Maksimovic, D. Fundamentals of Power Electronics; Springer Science & Business Media: Norwell, MA, USA, 2007. [Google Scholar]
- Ang, S.; Oliva, A.; Griffiths, G.; Harrison, R. Continuous-Time Modeling of Switching Converters. In Power-Switching Converters, 3rd ed.; CRC Press: Boca Raton, FL, USA, 2010. [Google Scholar]
- Åström, K.J.; Murray, R.M. Frequency Domain Design. In Feedback Systems: An Introduction for Scientists and Engineers, 1st ed.; Princeton University Press: Princeton, NJ, USA, 2010. [Google Scholar]
- El-Khazali, R. Fractional-order PIλDμ controller design. Comput. Math. Appl. 2013, 66, 639–646. [Google Scholar] [CrossRef]
- El-Khazali, R. On the biquadratic approximation of fractional-order Laplacian operators. Analog Integr. Circuits Signal Process. 2015, 82, 503–517. [Google Scholar] [CrossRef]
- Podlubny, I.; Petráš, I.; Vinagre, B.M.; O’leary, P.; Dorčák, L. Analogue realizations of fractional-order controllers. Nonlinear Dyn. 2002, 29, 281–296. [Google Scholar] [CrossRef]
- Wallén, A.; ÅRström, K.; Hägglun, T. Loop-Shaping Design Of PID Controllers with Constant Ti/Td RATIO. Asian J. Control 2002, 4, 403–409. [Google Scholar] [CrossRef]
- Monje, C.A.; Vinagre, B.M.; Feliu, V.; Chen, Y. Tuning and auto-tuning of fractional order controllers for industry applications. Control Eng. Pract. 2008, 16, 798–812. [Google Scholar] [CrossRef]
- Ogata, K. Modern Control Engineering; Prentice Hall: Upper Saddle River, NJ, USA, 2009. [Google Scholar]
- Birs, I.; Nascu, I.; Muresan, C.I. Fractional Order Internal Model Control Strategies for a Submerged Nanorobot. In Proceedings of the 2020 International SAUPEC/RobMech/PRASA Conference, Cape Town, South Africa, 29–31 January 2020; pp. 1–6. [Google Scholar]
- Flores, C.; Muñoz, J.; Monje, C.A.; Milanés, V.; Lu, X.Y. Iso-damping fractional-order control for robust automated car-following. J. Adv. Res. 2020, 25, 181–189. [Google Scholar] [CrossRef]
- Packard, A.; Doyle, J. The complex structured singular value. Automatica 1993, 29, 71–109. [Google Scholar] [CrossRef]
- Soriano-Sánchez, A.G.; Rodríguez-Licea, M.A.; Pérez-Pinal, F.J.; Vázquez-López, J.A. Fractional-order approximation and synthesis of a PID controller for a buck converter. Energies 2020, 13, 629. [Google Scholar] [CrossRef]













| Element | Notation | Value |
|---|---|---|
| DC voltage source | 18 V | |
| Capacitor | C | 20 μF |
| Inductor | L | 22 mH |
| Resistance (Load) | 13.5 | |
| Switching frequency | 20 kHz |
| 0.001 | 5.5 | 50.4 | 1 | 0.185 | 50.4 |
| 0.01 | 5.2 | 50.4 | 1.5 | 0.075 | 50.8 |
| 0.0894 | 3.3 | 50.3 | 2 | 0.035 | 50.6 |
| 0.3 | 1.3 | 50.6 | 2 | 0.8 | 50.2 |
| Constant | Coefficient |
|---|---|
| Parameter | Value 1 | Parameter | Value |
|---|---|---|---|
| 6.62 | 1.1 k | ||
| 7.64 | 12.7 k | ||
| 9.7 | R | 1 k | |
| 16 | 0.2 μF | ||
| 4.5 k | 0.34 μF | ||
| 0.4 k | 0.9 μF | ||
| 1.7 k | 1.1 μF |
| Parameter | Notation | Proposed PID | Typical PID |
|---|---|---|---|
| Steady-state error | 0.001 | 0 | |
| Time constant | 1.09 μs | 1.58 μs | |
| Rising time | 1.68 μs | 2.24 μs | |
| Peak time | 4.48 μs | 5.71 μs | |
| Settling time | 9.65 μs | 18.1 μs | |
| Overshoot | %M | 20% | 29.8% |
Publisher’s Note: MDPI stays neutral with regard to jurisdictional claims in published maps and institutional affiliations. |
© 2021 by the authors. Licensee MDPI, Basel, Switzerland. This article is an open access article distributed under the terms and conditions of the Creative Commons Attribution (CC BY) license (https://creativecommons.org/licenses/by/4.0/).
Share and Cite
Sánchez, A.G.S.; Pérez-Pinal, F.J.; Rodríguez-Licea, M.A.; Posadas-Castillo, C. Non-Integer Order Approximation of a PID-Type Controller for Boost Converters. Energies 2021, 14, 3153. https://doi.org/10.3390/en14113153
Sánchez AGS, Pérez-Pinal FJ, Rodríguez-Licea MA, Posadas-Castillo C. Non-Integer Order Approximation of a PID-Type Controller for Boost Converters. Energies. 2021; 14(11):3153. https://doi.org/10.3390/en14113153
Chicago/Turabian StyleSánchez, Allan G. S., Francisco J. Pérez-Pinal, Martín A. Rodríguez-Licea, and Cornelio Posadas-Castillo. 2021. "Non-Integer Order Approximation of a PID-Type Controller for Boost Converters" Energies 14, no. 11: 3153. https://doi.org/10.3390/en14113153
APA StyleSánchez, A. G. S., Pérez-Pinal, F. J., Rodríguez-Licea, M. A., & Posadas-Castillo, C. (2021). Non-Integer Order Approximation of a PID-Type Controller for Boost Converters. Energies, 14(11), 3153. https://doi.org/10.3390/en14113153
