Next Article in Journal
Machine Learning Techniques for Energy Efficiency and Anomaly Detection in Hybrid Wireless Sensor Networks
Next Article in Special Issue
Improved Virtual Inertia of PMSG-Based Wind Turbines Based on Multi-Objective Model-Predictive Control
Previous Article in Journal
Physical Simulation and Mathematical Model of the Porous Flow Characteristics of Gas-Bearing Tight Oil Reservoirs
Previous Article in Special Issue
Real-Time Implementation of the Predictive-Based Control with Bacterial Foraging Optimization Technique for Power Management in Standalone Microgrid Application
 
 
Font Type:
Arial Georgia Verdana
Font Size:
Aa Aa Aa
Line Spacing:
Column Width:
Background:
Article

Efficiency Optimization Design of L-LLC Resonant Bidirectional DC-DC Converter

1
School of Electrical Engineering, Xi’an University of Technology, Xi’an 710048, China
2
Department of Electrical and Computer Engineering & Technology, Minnesota State University, Mankato, MN 56001, USA
*
Author to whom correspondence should be addressed.
Energies 2021, 14(11), 3123; https://doi.org/10.3390/en14113123
Submission received: 28 March 2021 / Revised: 8 May 2021 / Accepted: 19 May 2021 / Published: 27 May 2021
(This article belongs to the Special Issue Power Management of Microgrids)

Abstract

:
The new type of L-LLC resonant bidirectional DC-DC converter (L-LLC-BDC) has merits of high efficiency, high-power density and wide gain and power ranges, and it is suitable for energy interface between energy storage systems and DC micro grid. However, the resonances are sensitive to the parasitic parameters, which will deteriorate the efficiency. This paper investigates the intrinsic mechanism of parasitic parameters on the L-LLC-BDC operating principle and working characteristics based on the analysis of working modes and resonance tank. By taking the oscillation of parasitic parameters produced in the stage for the freewheeling stage into consideration, a parameter optimization method is proposed to reduce the resonant current oscillation while maintaining the characteristic of the natural soft switching. The experiment results not only validated the proposed parameter optimization design method, but also testified to the improvement of the efficiency through the minimization of the conduction and switching loss.

1. Introduction

The energy storage systems (ESSs) in the DC micro grid have a wide range of output voltages and currents, which requires a bi-directional DC-DC converter with a wide range of voltage gain and power receptivity. L-LLC resonant bidirectional DC-DC converter (L-LLC-BDC) can be used as the key equipment for interaction between ESSs and the DC micro-grid for stabilization of the DC bus voltage.
In the literature [1], the additional inductance is added to the traditional LLC resonant converter to form L-LLC-BDC, enabling a symmetrical topology that can work in both the forward and reverse directions. As this converter’s operating characteristics not only depend on its working point, but also its working frequency and load condition as well, it is difficult to analyze. Ref. [2] redesigned the converter with the fundamental harmonic approximation, and the resonant voltage and current are proximately equivalent to sinusoidal waveform at resonant frequency. However, the low approximation accuracy at those points outside the resonance point cannot meet the requirements, and the gain formula obtained is deviated from the actual values to some extent. Although the parameters of the converter are designed, the key parameters are empirical values, and the design method is difficult to popularize and apply. In practical application, due to the influence of parasitic parameters, the real resonant frequency is deviated from the theoretical value, and the operating characteristics of the converter will be different from the theoretical analysis as well. Methods such as the third harmonic approximation and extended describing function are used to improve the accuracy of analysis [3,4]. However, the analytic solutions are in nature obtained through approximation.
In order to improve the efficiency of the traditional LLC resonant converter, other methods are used, e.g., optimal control strategy [5,6,7], optimization of the dead time and magnetic inductance [8], and peak gain method [9,10]. Recently, the new design method considering peak gain is proposed [11,12], the LLC resonant converter will get the peak gain point when the input square-wave voltage is synchronous with the resonant current. A modified gain model and its corresponding design method for LLC resonant converter are proposed [13], in which both resonant and load factor are considered and discussed in detail by combining time and frequency domain together. As complete charging and discharging within the dead time, it is necessary for the converter to achieve soft switching, then influence of the output capacitance of the switch should be taken into consideration [14,15,16,17]. The existing literature usually considers the output capacitance of the primary side switch, but rarely the secondary side capacitance. Ref. [18] proposes a primary side switch in parallel with the capacitance to mitigate the problem of the high output voltage under light load condition. Ref. [19] analyzes the output voltage oscillation caused by the parasitic capacitance of the rectifier side diode under different switching frequencies for the center-tapped LLC converter, and they proposed a new parameter design idea, which has certain limitations. Ref. [20] proposed a new topology of LLC to improve the efficiency with the increase of components; however, the power flow was unidirectional. The more accurate time domain analysis was adopted in [21,22,23,24,25].
Based on an accurate time domain analysis of the L-LLC-BDC operation process, this paper proposes a parameter optimization design method, which takes into account the effect of the output capacitance of the switch. The proposed method effectively eliminated the current oscillation when switches turn on by configuring switching frequency, the conduction and switching loss of the converter are reduced by larger magnetizing inductance of the converter on the basis of satisfying the voltage gain of the converter. The efficiency is increased.
This paper is organized as follows: Section 2 introduces the working principle of the Bi-directional L-LLC resonant converter; Section 3 describes the time-domain analysis of the converter; Section 4 proposed a parameter optimization design; Section 5 provides the experimental results, and Section 6 concludes this paper.

2. Working Principle of the L-LLC Resonant Bi-Directional DC-DC Converter

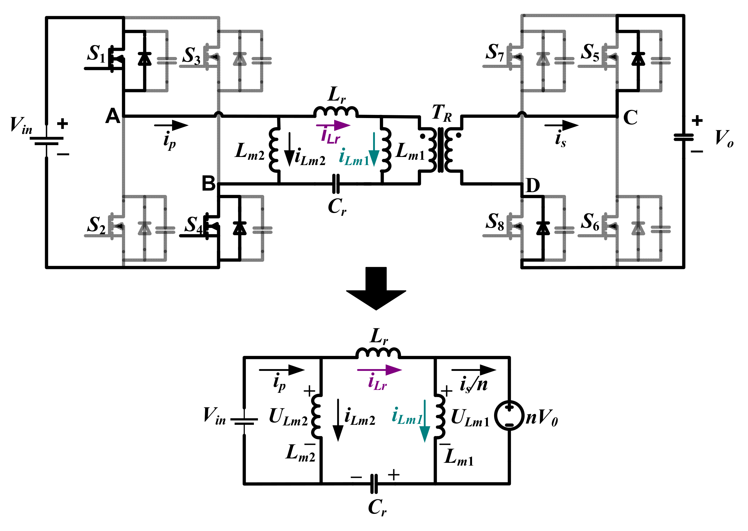
Figure 1 shows the topology of L-LLC-BDC, whose primary and secondary sides are connected to a full-bridge converter, respectively. Where Vin and VO represent the voltage of ESSs and the DC bus, respectively, Lm1 represents magnetizing inductance of the transformer, Lr and Cr are resonant inductor and capacitor, and Lm2 is the additional inductor. S1S4 and S5–S8 are switches on the primary and secondary converter, respectively. D1D8 and C1C8 are body diodes and output capacitors corresponding to S1S8. As indicated in Figure 1, the forward power direction is defined as from the primary side to the secondary side. To simplify the analysis as well as control, Lm2 is set the same as Lm1 so that the working principles in forward and reverse power direction are exactly the same. Therefore, only the working principle analysis in the forward mode is provided. In the forward mode, the output voltage is regulated with the frequency modulation method. When the converter works in the continuous conduction mode, Lr and Cr form a resonant tank, while in the discontinuous conduction mode, Lm1 and Lm2 participates the resonance in the forward and reverse mode, respectively. For example, in the forward mode, the Lm2 does not participate in the resonance, but it helps the switches on the primary-side switch to realize ZVS. Therefore, so does Lm1 in the reverse mode.
Considering the influence of the MOSFET output capacitor on the working process of L-LLC-BDC, Figure 2 is intended to show the main steady-state waveforms of the converter, according to the status of the switches, and there are a total 6 modes. Due to the symmetric waveforms in the positive and negative period, the working principles in these periods are similar, only the analysis in the first half of the cycle is provided in this paper. The primary side currents are ip = iLr + iLm2 and is = n (iLriLm1).

2.1. Mode I

Mode I: t∈ [t0, t1] (see Figure 2), during which switches S1 and S4 are turned on. Before t0, the output capacitors of the switches S1 and S4 discharge to zero voltage through ip, thus the switches S1 and S4 can be turned on under the ZVS condition, vAB = Vin. The body diodes of the secondary side switches S5 and S8 are conducted, which clamping vCD = VO energy is delivered to the load.

2.2. Mode II

Mode II: t∈ [t1, t2] (see Figure 2), during which switches S1 and S4 are still turned on, Lr and Lm1 resonate with Cr, the resonant current is equal to the magnetizing current and the secondary side current is is zero. With the current being zero, the body diodes D5 and D8 are shut off naturally without reverse recovery loss, realizing ZCS of the secondary switch. The output voltage no longer clamps the two points of C–D, and the output capacitor C5C8 participate in the resonance. This mode is actually a continuous current stage.

2.3. Mode III

Mode III: t∈ [t2, t3] (see Figure 2), during which switches S1 and S4 are off, entering into the dead time. The ip charges the C1 and C4 until their voltage reach to Vin meanwhile. C2 and C3 discharges and their voltage drops to zero, which enables S2 and S3 to be turned on under the ZVS condition. The secondary current is charges C5 and C8 to a voltage of VO, and the voltage S6 and S7 decreases to zero. At the end of this stage, after the charging and discharging, the voltage at A–B is −Vin, and the voltage at C–D is clamped at −VO. Figure 3, Figure 4 and Figure 5 show the equivalent circuits for Modes I, II and III and the differential equations are established, respectively, and we can get the expression of resonant inductor current and resonant capacitor voltage.

3. The Time-Domain Analysis of L-LLC Resonant Bi-Directional DC-DC Converter

The first harmonic approximation (FHA) only considers the component at the fundamental frequency, while the high order harmonics are neglected, which makes it lack the capability to identify different operating modes. Therefore, it is necessary to build an accurate steady-state model to describe the converter’s operating process and characteristics. In the period of Mode II, the output capacitor of the secondary side switch participates in resonance, and the four output capacitors are connected in series in pairs and then in parallel, which can be then equivalent to the capacitance Co. In the Mode III, which corresponds to the dead time, C1 ~ C4 and C5 ~ C8 are connected in series in pairs and then in parallel, equivalent to the capacitor Cin and Co, respectively. Due to the short time of Mode III, both iLm1 and iLm2 can be taken as unchanged. With the simplified circuit and initial conditions of each resonant operating mode in Figure 3, Figure 4 and Figure 5, the voltage of the resonant capacitor, i.e., uCr, ip as well as is can be obtained in each mode.

3.1. Mode I

The time-domain expression of Mode I:
u C r ( t ) = I L r 0 Z 0 sin [ ω 0 ( t t 0 ) ] + [ U C r 0 ( V i n V O ) ] cos [ ω 0 ( t t 0 ) ] + V i n n V O i P ( t ) = I L r 0 cos [ ω 0 ( t t 0 ) ] + [ U C r 0 ( V i n V O ) ] Z 0 sin [ ω 0 ( t t 0 ) ] + V i n L m 2 ( t t 0 ) I m i s ( t ) = n I L r 0 cos [ ω 0 ( t t 0 ) ] + [ U C r 0 ( V i n V O ) ] Z 0 n sin [ ω 0 ( t t 0 ) ] n V i n L m 2 ( t t 0 ) + n I m
where, ILr0 and Ucr0 are the current of resonant inductor Lr and voltage of the capacitor Cr at time t0, respectively; Im represents the peak current of magnetizing inductance Lm1 and additional inductance Lm2; Z0 the characteristic impedance, the initial value of the voltage of resonant capacitor at time t0, and ω0 is the resonant frequency, which can be calculated as follows:
Z 0 = L r / C r ω 0 = 1 L r C r

3.2. Mode II

The time-domain expression of Mode II:
u C r ( t ) = A 1 cos ( ω 11 t ) + A 2 sin ( ω 11 t ) + A 3 cos ( ω 12 t ) + A 4 sin ( ω 12 t ) + V i n u C O ( t ) = ( C r ( L m 1 + L r ) L m 1 n C O L m 1 n C O ) A 1 cos ( ω 11 t ) + A 2 sin ( ω 11 t ) L m 1 L r + L m 1 A 3 cos ( ω 12 t ) + A 4 sin ( ω 12 t ) i s ( t ) = ω 1 ( L m 1 + L r ) C r L m 1 A 1 sin ( ω 11 t ) + A 2 cos ( ω 11 t ) ω 2 L m 1 C o s s 1 L r + L m 1 A 3 sin ( ω 12 t ) + A 4 cos ( ω 12 t ) i p = C r ω 1 A 1 sin ( ω 11 t ) + A 2 cos ( ω 11 t ) + C r ω 2 A 3 sin ( ω 12 t ) + A 4 cos ( ω 12 t ) + n V O L m ( t 2 t 1 ) I m
where, A1, A2, A3 and A4 are
A 1 = L m 1 2 ( L m 1 + L r ) 2 n C O C r [ U C r 1 V i n ] + L m 1 n C O C r ( L m 1 + L r ) U C O 1 A 2 = L m 1 n C O I L r 1 ( L m 1 + L r ) 2 C r 2 ω 11 A 3 = U C r 1 V i n L m 1 n C O ( L m 1 + L r ) C r u C O 1 A 4 = I L r 1 C r ω 12
where t1 < t < t2, ILr1 is the initial value of the current of resonant inductor at time t1, UCr1 the initial value of the voltage of resonant capacitor at time t1, and UCo1 the initial value of the voltage of output capacitor at time t1.
ω 11 = 1 L r L m 1 n C o L m 1 + L r ω 12 = 1 ( L m 1 + L r ) C r

3.3. Mode III

Since the dead time is very short, it can be considered that in this period both current of magnetizing inductance Lm1 and additional inductance Lm2 are constant at Im. The voltage of the equivalent capacitor Cin and Co are constant at U1 and U2, respectively.
The time-domain expression of Mode III:
u C r ( t ) = I L r 2 Z 2 sin [ ω 2 ( t t 2 ) ] + [ U C r 2 ( U 1 U 2 ) ] cos [ ω 2 ( t t 2 ) ] i p ( t ) = I L r 2 cos [ ω 2 ( t t 2 ) ] U C r 2 ( U 1 U 2 ) Z 2 sin [ ω 2 ( t t 2 ) ] + I m i s ( t ) = n I L r 2 cos [ ω 2 ( t t 2 ) ] U C r 2 ( U 1 U 2 ) Z 2 n sin [ ω 2 ( t t 2 ) ] n I m
In the expression, ILr2 is the initial value of the resonant inductor current at time t2, and UCr2 the initial value of the resonant capacitor voltage at time t2. Z2 represents the characteristic impedance, and ω2 the resonant frequency.
Z 2 = L r / C r ω 2 = 1 / L r C r
During this period, the switches S1S4 are all turned off, ip and is are charged and discharged C1C4 and C5C8, respectively. The operating principle is shown in Figure 6 below.
The voltage expressions of uC2(t) and uC6(t) in this period can be obtained.
u C 2 ( t ) = 1 2 ω 2 C 2 I L r 2 sin [ ω 2 ( t t 2 ) ] + U C r 2 ( U 1 U 2 ) 2 Z 2 ω 2 C 2 cos [ ω 2 ( t t 2 ) ] + I m ( t t 2 ) 2 C 2 + V i n u C 6 ( t ) = 1 2 ω 2 C 6 I L r 2 sin [ ω 2 ( t t 2 ) ] + U C r 2 ( U 1 U 2 ) 2 Z 2 ω 2 C 6 cos [ ω 2 ( t t 2 ) ] I m ( t t 2 ) 2 C 6 + n V o

4. The Parameter Optimization Design of L-LLC Resonant Bi-Directional DC-DC Converter

It can be seen from Figure 2 and the mathematical analysis for each working mode that the output capacitor of the switch participates in the operation of the circuit only in Mode II and III. When t1 < t < t2, vCD is no longer clamped to VO, the output capacitors of the switches and Lm1 form a resonant tank, which results in the high frequency oscillation at both primary and secondary side switches. Such, oscillation not only increases the conduction loss of the switch, but also affects the charging and discharging of the output capacitor during the dead time., i.e., t2 < t < t3. At the dead time, both side switches are disconnected, C1–C4 and C5–C8 are charged by ip and discharged by is, respectively. To maintain the same topology in forward and reverse modes, parameters such as the output capacitance of MOSFET are kept to be symmetric, so that capacitance referred from the secondary side is equal to that on the primary side. The decrease of the primary side current ip will affect the soft switch of the converter. If the primary side current flows in reverse and drops the zero before the end of this period, the capacitors cannot be fully discharged, which results in the failure of the primary side switch to realize ZVS. Moreover, the change of current in dead-time makes the converter continue to a continuous current stage even when the switching frequency equals the resonant frequency.
The effect of the aforementioned output capacitor of MOSFET toward the operation of the converter can be eliminated by parameter optimization to improve the performance of the converter. The first consideration in the design of the resonant component is to reduce the loss of the converter to improve its efficiency. As L-LLC-BDC has the characteristic of the natural ZVS soft switching, the conduction loss accounts for a major part. It was testified that the current circulation can be reduced by increasing the magnetic inductance. However, there are trade-offs, with the increasing of magnetizing inductor, its current will be decreased, which prevents switches from achieving ZVS soft-switching.
As can be seen from Figure 2, the voltage variation range of the output capacitance is the largest in the dead time, large ip and is are required for charging and discharging the capacitance. In practice, due to the presence of the stray inductance in the circuit, the voltage and current oscillation in the stage of Mode II are both attenuated. Therefore, the design should be based on the first zero crossing of is to guarantee the ZVS soft-switching. Then, there is no operating Mode II.
According to the optimization goal of L-LLC-BDC, the starting point of the proposed improvement design method is to ensure that the magnetizing current fully charges and discharges the output capacitor of the switch within the dead time Td, so as to achieve ZVS. From uC2 (t3) = 0, uC6 (t3) = 0, namely
u C 2 ( t ) = 1 2 ω 2 C 2 I L r 2 sin ( ω 2 T d ) + U C r 2 ( U 1 U 2 ) 2 Z 2 ω 2 C 2 cos ( ω 2 T d ) + I m T d 2 C 2 + V i n = 0 u C 6 ( t ) = 1 2 ω 2 C 6 I L r 2 sin ( ω 2 T d ) + U C r 2 ( U 1 U 2 ) 2 Z 2 ω 2 C 6 cos ( ω 2 T d ) I m T d 2 C 6 + n V o = 0
From Equation (5), the peak magnetizing current can be obtained:
I m = 2 C 2 V i n T d
It can be seen from Equation (6) that with the selected device and given dead time, the peak magnetizing inductor current Im can be obtained. When ip and is fully charges and discharges the primary side output capacitor and secondary side capacitor of the switch within the dead time, the waveform of the converter is the same as Figure 7.
This is the resonant mode of the converter, and the resonant frequency is slightly higher than the resonant frequency. Under this condition, the charge and discharge of the capacitors are completed in the dead time, but due to the current on the additional inductance, the primary switch can realize ZVS completely. The resonant current has little distortion when the switch is turned on, and the expressions of the primary and secondary side current in the period TB (from t0 to t12) can be obtained. Since the instantaneous value of iLr at time t0 is 0, and the instantaneous value of iLr at time t12 is Im, then is can be obtained:
i s ( t ) = n I m sin ( ω 0 T B ) sin [ ω 0 ( t t 0 ) ] + n I m V i n L m 1 ( t t 0 )
The field current iLm1 at t12 in the period of Mode 1 can be linearly approximated as:
L m 1 = V i n T B 4 I m
When the converter works in the resonant mode, energy from is to the load within period as shown in the following expressions:
1 T B + T d 0 T B i s d t = P O V O
cos ( π T B T 0 + T d ) + 1 π T 0 + T d sin ( π T B T 0 + T d ) = P O ( T B + T d ) n V O I m
Given the resonant frequency f0, rated power PO, output voltage VO and dead time Td, the value of the period TB from t0 to t12 can be obtained. At this time, the ideal resonant frequency is f = 1/(2TB + 2Td).
To analyze the effect of output capacitance toward the voltage gain M, simulation studies are carried under the different switching frequency with and without output capacitance. Figure 8 shows that voltage gain vs. switching frequency under the different load with the parasitic capacitance. Its characteristic curve is basically the same as that of the converter that does not consider the output capacitance. However, the gain has a sudden increase with the increase of switching frequency when there is no load or the load is very light.
In order to facilitate the calculation, the gain curve can be obtained without considering the transient expression of the output capacitance. Appendix A shows the time domain equation when the converter operates at fs = f, fs > f, fs < f, respectively. The maximum gain M can be obtained when the switching frequency fs is the minimum.
According to reference [9], the required maximum gain expressed by the minimum and maximum input voltages Uinmax and Uinmin is the maximum gain at full load:
M max = U i n max U i n min L m 1 / L r ( L m 1 L r + 1 ) cos ( π f 2 L m 1 L r + 1 f max )
where, Mmax is the maximum gain which is achieved at full load when fs = fmin. More details of Mmax can be found in Equation (A1). Uinmax and Uinmin are the maximum and minimum input voltage, fmax is the maximum switching frequency.
As the Lm1 is known, the resonant inductance ratio Lr can be calculated from Equation (11), and the resonant capacitor can be derived by the resonant frequency f0. In practical design, the current and voltage oscillation in the continuous current stage can also be reduced by increasing the resonant capacitance value properly.
The optimum design flow is a simple mathematical expression, the design flow of L-LLC-BDC resonance parameters is shown in Figure 9.
According to the initial conditions, the RMS current expressions of the magnetizing inductance Ip and the additional inductance ILm1 and ILm2 at the quasi-resonant frequency are as follows:
I P = 1 T B 0 T B i P 2 ( t ) d t = V O 8 n R O 2 n 4 R L 2 T B 2 L m 1 2 + 8 π 2 + T B n V O 4 3 L m 1
As the ideal resonant period is less than the resonance period, i.e., TB < T0, the optimal Lm1 (meaning the magnetic inductance is large enough) is calculated according to charging and discharging of the output capacitance of the switch in the dead time. When the output voltage and the load is constant, the effective value of the primary side current Ip and the effective values of the magnetic inductance current as shown in expressions Equation (12) will decrease, leading to improved efficiency of the converter. Even working at the other frequency, the reduced magnetizing current can also improve the efficiency of the converter.

5. Experimental Verification

To verify the optimization design method proposed in this paper, the prototype of L-LLC resonant bidirectional DC-DC converter is built. The overall experiment set-up is shown in Figure 10.
The input voltage varies from 630 V to 890 V, while the output voltage is 380 V. The operating frequency range is 80–120 kHz, the actual working resonant frequency f is 104 kHz, dead time is 100 ns, and output capacitor is 92 pF. A 220 pF capacitor is connected in parallel to the secondary side switch to ensure the forward and reverse topology of the converter are exactly the same. The all SiC MOSFET are mounted on the heat sink, and adopts air cooling at the same time. The comparison between parameter II before [1] and after optimization is listed in Table 1.
To regulate the output voltage, a feedback controller is designed. Figure 11 shows the simplified control block diagram. A conventional linear regulator, such as PI compensator, controls the switching frequency to regulate the output voltage VO to deal with the load change. The pulse frequency modulation (PFM) is applied to the converter, and the control system is built in TMS320F28335.

5.1. Steady State Waveforms

The waveforms of the voltage Uds1 at both ends of the primary side switch which work with the forward direction and the primary side current iLr and their detailed waveforms are shown in Figure 12. As shown in Figure 12a, when the switch is off, there is high frequency oscillation before the parameter’s optimization because the capacitor of the switch is not fully charged or discharged during the dead time. It can be seen from Figure 12b that in the continuous flow stage, the output capacitance of S1 is fully discharged in the dead time, the oscillation has been significantly reduced compare what is shown in Figure 12a, which validates the effectiveness of the parameter optimization. The waveforms of the voltage Uds1 at both ends of the primary side switch that work with the forward direction and the primary side current iLr and their detailed waveforms are shown in Figure 12. As shown in Figure 12a, when the switch is off, there is a high frequency oscillation before the parameter’s optimization because the capacitor of the switch is not fully charged or discharged during the dead time. It can be seen from Figure 12b that in the continuous flow stage, the output capacitance of S1 is fully discharged in the dead time, and the oscillation has been significantly reduced compare the shown in Figure 12a, which validates the effectiveness of the parameter optimization.

5.2. ZVS Soft Switching

Figure 13, Figure 14 and Figure 15 show the experiment waveforms with the reverse transmission when the converter is half loaded, lightly loaded, and fully loaded, respectively. Figure 13 shows the driving waveforms of switch, the waveforms of the voltage Uds5 at both ends of the primary side switch that works in the reverse direction at light load, the primary side current is, the resonant capacitor voltage Ucr, and their detailed waveforms. As can be seen from Figure 13, Figure 14 and Figure 15, the ZVS is achieved in a wide range of loads, e.g., the ZVS is achieved when the output current is 0.4 A, 4 A and 8 A.
Similarly, Figure 16 compares the waveforms of the secondary side with and without optimization. Uds5 has oscillation in the forward direction, which is caused by the parasitic oscillation between the resonant inductor and the MOSFET parasitic capacitor when all switches are turned off after half a resonant period.
Figure 17 shows the waveforms of the voltage Uds5 and the secondary side current is when the load current is 0.4 A in forward transmission power. The waveforms of the voltage Uds1 of the secondary side switch S1, and the secondary side current iP when the load current is 0.4 A in reverse transmission power is shown in Figure 18. It can be seen that both voltage and current oscillations are decreased with forward transmission and reverse transmission significantly after the optimization.

5.3. Dynamic Waveforms

Figure 19 and Figure 20 show the waveforms of the output voltage and the resonant current iLr when load step-up and step-down with forward transmission power by PID closed-loop control. The pulse frequency modulation (PFM) is applied to the converter, the control system is built in TMS320F28335, and control the switching frequency to regulate the output voltage VO. According to the figure, the output voltage is constant at 380 V, indicating that L-LLC resonant bidirectional DC-DC converter has the ability to keep the output voltage constant under different loading conditions.
In order to carry out a bi-directional power transmission experiment, the control block diagram of charging and discharging battery experiment system is designed, as shown in Figure 21. When the reference current is −10 A, the DC power supply charges the battery, the converter operates in forward power transmission. When the reference current is 10 A, the battery is discharged to the DC power supply, and the converter runs in reverse. The dynamic waveforms of the charging and discharging battery are shown in Figure 22. The figure shows that the charge and discharge current can follow the reference, and forward and reverse power flow can be achieved.

5.4. Efficiency

The operation efficiency is measured by a power analyzer under different input voltage levels and load conditions, and electronic load is used for load regulation. Figure 23 and Figure 24 show the efficiency curves of the design method under different loading conditions with forward and inverse transmission power. As can be seen from Figure 23 especially, when the output power is 3 kW, the maximum efficiency of the experimental device can reach up to 94.9% with forward transmission power. The design method that has been optimized delivers improved loading efficiency compared with that in the literature [4]. This is due to uncontrolled rectifier is used in the secondary side to reduce the driving loss and maximum magnetic inductance also reduces the turn-off current of the switch. In particular, light or moderate loading efficiency is 1% higher than that in the literature [4], because the time domain analysis method is taken to obtain the maximum value of Lm1, which is independent of load change. The loss ratio iLm1 increases under light load, so the efficiency increases greatly under light load. The oscillation at full load is significantly reduced, and the efficiency is increased.
The output voltage of the converter is constant by adjusting the frequency when the input voltage changes. The ideal switching frequency of the converter is 104 kHz when the input voltage is the rated voltage 760 V. The experiment waveforms are given in Figure 25, Figure 26 and Figure 27 showing resonant current and output voltage at full load.
The figures show that the optimized parameters in this paper can realize the closed-loop control of the converter by adjusting the frequency of the switch under different input voltages.
Figure 28 shows the operation efficiency of L-LLC-BDC resonant converter in forward mode under the different input voltage. The efficiency can reach up to 96% at rated power with an input voltage of 760 V.
From reference [26], for the Sic device, the ratio of hysteresis energy loss Ediss and Coss stored energy Eoss is less than 0.1, even to 0.01. The device selected in this paper is C2M0080120D, EOSS is 27 μJ when the input voltage is 760 V from the datasheet, so the maximum hysteresis energy loss Ediss is less than 2.7 μJ, even to 0.27 μJ, and maximum hysteresis loss of a single device is 0.27 W when the switching frequency is 100 kHz, even to 0.027 W. The proportion of the hysteresis loss is very small for the 6 kW converter.
Switching loss includes turn-on loss and turn-off loss. (1) Turn-on loss: The resonant converter achieves soft switching, which ideally yields zero losses, but various studies show that even if the soft switching is realized, there is hysteresis loss in the switch. The loss is very small by analysis quantitatively in the second question. (2) Turn-off loss: The turn-off loss of the switch in the primary side is about 2 W, turn-off loss of the switch in the secondary side ideally yields zero because the ZCS is realized when the converter operates at the main mode. In the actual state, Coss transfers most loss to the conduction loss, However, the overall loss of the switch remains unchanged.
The main loss of the resonant converter is the conduction loss of the switch. The efficiency is improved because the current value passing through the switch of primary side is reduced in the design. Due to the large magnetic inductance of the transformer, the core loss of the transformer is slightly larger than that before optimization.
The power loss distribution and comparison of the before optimization and after optimization have been done and presented in Figure 29, and the loss breakdown has been down at full load and 760 V input.

6. Conclusions

For L-LLC resonant bidirectional DC-DC converter, with the effect of the output capacitance of the power device taken into account, a parameter optimization design method is proposed by configuring switching frequency and satisfying the gain range of the converter to achieve high efficiency.
Based on the complete charging and discharging of the output capacitance of the switch in the dead time, the magnetizing inductance is calculated. The configured switching frequency is calculated according to energy conservation law, and the inductance ratio satisfying the gain condition can be calculated according to the maximum voltage gain, and finally all the resonant parameters can be calculated. The experimental results show that the voltage and current oscillation is obviously eliminated, and the conduction and switching loss of the converter are reduced. The high efficiency can be ensured.

Author Contributions

Conceptualization, J.L. and X.T.; methodology, J.L.; software, J.L.; validation, J.L., M.S. and J.Y.; formal analysis, J.Z.; investigation, J.L.; resources, X.T.; data curation, J.L.; writing—original draft preparation, J.L. and J.Z.; writing—review and editing, J.L.; visualization, M.S.; supervision, X.T.; project administration, X.T.; funding acquisition, X.T. All authors have read and agreed to the published version of the manuscript.

Funding

This research was funded by the Natural Science Foundation of China, grant number 51677151.

Institutional Review Board Statement

Not applicable.

Informed Consent Statement

Not applicable.

Conflicts of Interest

The authors declare no conflict of interest.

Appendix A

The time domain equation when the converter operates at fs = f, fs > f, fs < f, respectively. The subscript 1, 2 and 3 represent the converter operating at fs = f, fs > f and fs < f, respectively, N represents the normalized values of the physical quantities.
1. fs = f
By normalizing all voltages with the voltage UN = nVo, and all currents with the current factor IN = nVo/Zr.
i L r 1 N ( ω t ) = I L r 1 N sin [ ω ( t + t 10 ) ] i P 1 N ( ω t ) = I P 1 N + ω t k u C r 1 N ( ω t ) = I L r 1 N cos [ ω ( t + t 10 ) ] + 1 M 1 i L m 11 N ( ω t ) = I L m 11 N + ω t k M
where, Zr is the characteristic impedance, k = L m 1 / L r , ω is resonance angle frequency, ω = 2 π f , M is the voltage gain, M = n V O / V i n , 0 ω t ω t 1 , ILr1N, ILm1N, IP1N, ω t , ω t 10 and M are unknown quantities.
2. fs > f
i L r 2 N ( ω t ) = I L r 2 N sin [ ω ( t + t 20 ) ] i P 2 N ( ω t ) = I P 2 N ω t k u C r 2 N ( ω t ) = I L r 2 N cos [ ω ( t + t 20 ) ] + 1 M + 1 i L m 12 N ( ω t ) = I L m 12 N + ω t k M
where, 0 ω t ω t 2 , ILr2N, ILm12N, IP2N, ω t , ω t 20 , and M are unknown quantities.
3. fs < f
i L r 3 N ( ω t ) = i P 3 N = I L r 3 N sin [ ω ( 1 / 1 + k t + t 30 ) ] i L m 13 N ( ω t ) = I L m 13 N + ω t k M u C r 3 N ( ω t ) = I L r 3 N cos [ ω ( 1 / 1 + k t + t 30 ) ] + 1 M u L m 13 N ( ω t ) = 1 M u C r 3 N ( ω t ) 1 + k
where, 0 ω t ω t 3 , ILr3N, ILM13N, ω t , ω t 30 and M are unknown quantities, u L m 13 N ( ω t ) is the voltage of magnetizing inductance.
Stage indirect continuity condition:
i L r 1 N [ ω ( t + t 10 ) ] = i L r 3 N ( 0 ) i L m 11 N [ ω ( t + t 10 ) ] = i L r 3 N ( 0 ) u C r 1 N [ ω ( t + t 10 ) ] = u C r 3 N ( 0 ) i P 1 N [ ω ( t + t 10 ) ] = i P 3 N ( 0 )
i L r 3 N [ ω ( t + t 30 ) ] = i L r 3 N ( 0 ) i L m 13 N [ ω ( t + t 30 ) ] = i L r 3 N ( 0 ) u C r 3 N [ ω ( t + t 30 ) ] = u C r 3 N ( 0 ) u L m 1 N [ ω ( t + t 30 ) ] = 1 i P 3 N [ ω ( t + t 30 ) ] = i P 3 N ( 0 )
Symmetry condition of switching moment:
i L r 1 N ( 0 ) = i L r 2 N [ ω ( t + t 20 ) ] i L r 1 N ( 0 ) = i L m 12 N [ ω ( t + t 20 ) ] u C r 1 N ( 0 ) = u C r 2 N [ ω ( t + t 20 ) ] i P 1 N ( 0 ) = i P 2 N [ ω ( t + t 20 ) ]
Modal phase angle satisfies the equation when working state is continuous under fs = f, fs > f and fs < f is:
ω ( t + t 10 ) + ω ( t + t 20 ) + ω ( t + t 30 ) = f s π f
The zero current peak gain is:
i L r 1 N ( 0 ) = i L r 2 N [ ω ( t + t 20 ) ] = 0
Given the minimum switching frequency fs, peak gain M and other unknown parameters can be solved.

References

  1. Jiang, T.; Zhang, J.; Wu, X. Bidirectional LLC resonant converter with synchronous control method. Trans. China Electro Tech. Soc. 2015, 30, 87–96. [Google Scholar]
  2. Jiang, T.; Zhang, J.; Wu, X. A Bidirectional LLC resonant converter with automatic forward and back mode transition. IEEE Trans. Power Electron. 2015, 30, 757–770. [Google Scholar] [CrossRef]
  3. Chen, Q.; Ji, Y.; Wang, J. Analysis and design of bidirectional CLLC resonant DC-DC transformers. Proc. CSEE 2014, 34, 2898–2905. [Google Scholar]
  4. Lv, Z.; Yan, X.; Sun, L. A L-LLC resonant bidirectional DC-DC converter based on hybrid control of variable frequency and phase shift. Trans. China Electrotech. Soc. 2017, 32, 12–24. [Google Scholar]
  5. Lee, I. Hybrid DC–DC Converter with Phase-Shift or Frequency Modulation for NEV Battery Charger. IEEE Trans. Ind. Electron. 2016, 63, 884–893. [Google Scholar] [CrossRef]
  6. Wei, Y.; Fred, C.L.; Mattavelli, P. Optimal Trajectory Control of Burst Mode for LLC Resonant Converter. IEEE Trans. Power Electron. 2013, 28, 457–466. [Google Scholar]
  7. Shi, L.; Liu, B.; Duan, S. Burst-Mode and Phase-Shift Hybrid Control Method of LLC Converters for Wide Output Range Applications. IEEE Trans. Ind. Electron. 2020, 67, 1013–1023. [Google Scholar] [CrossRef]
  8. Ren, R.; Zhang, F.; Liu, S. Optimal design for Efficiency based on the dead time and magnetizing inductance of LLC DC transformer. Trans. China Electrotech. Soc. 2014, 29, 141–146. [Google Scholar]
  9. Hu, H.; Wang, W.; Sun, W.; Ding, S.; Xing, Y. Optimal efficiency design of LLC resonant converter. Proc. CSEE 2013, 33, 48–56. [Google Scholar]
  10. Fang, X.; Hu, H.; Shen, J.; Batarseh, I. Operation Mode Analysis and Peak Gain Approximation of the LLC Resonant Converter. IEEE Trans. Power Electron. 2012, 27, 1985–1995. [Google Scholar] [CrossRef]
  11. Hu, Z.; Wang, L.; Wang, H.; Liu, Y.; Sen, P.C. An Accurate Design Algorithm for LLC Resonant Converters-Part I. IEEE Trans. Power Electron. 2016, 31, 5435–5447. [Google Scholar] [CrossRef]
  12. Hu, Z.; Wang, L.; Wang, H.; Liu, Y.; Sen, P.C. An Accurate Design Algorithm for LLC Resonant Converters—Part II. IEEE Trans. Power Electron. 2016, 31, 5448–5460. [Google Scholar] [CrossRef]
  13. Liu, J.; Zhang, J.; Zheng, T.Q.; Yang, J. A Modified Gain Model and the Corresponding Design Method for an LLC Resonant Converter. IEEE Trans. Power Electron. 2017, 32, 6716–6727. [Google Scholar] [CrossRef]
  14. Lee, B.H.; Kim, M.Y.; Kim, C.E. Analysis of LLC resonant converter considering effects of parasitic components. In Proceedings of the INTELEC 2009—31st International Telecommunications Energy Conference, Incheon, Korea, 18–22 October 2009; pp. 1–6. [Google Scholar]
  15. Musavi, F.; Craciun, M.; Edington, M.; Eberle, W.; Dunford, W.G. Practical design considerations for a LLC multi-resonant DC-DC converter in battery charging applications. In Proceedings of the 2012 Twenty-Seventh Annual IEEE Applied Power Electronics Conference and Exposition (APEC), Orlando, FL, USA, 5–9 February 2012; pp. 2596–2602. [Google Scholar]
  16. Shafiei, N.; Ordonez, M.; Craciun, M.; Botting, C.; Edington, M. Burst Mode Elimination in High-Power LLC Resonant Battery Charger for Electric Vehicles. IEEE Trans. Power Electron. 2016, 31, 1173–1188. [Google Scholar] [CrossRef]
  17. Wang, D.; Zhang, P.; Jin, Y.; Wang, M.; Liu, G.; Wang, M. Influences on Output Distortion in Voltage Source Inverter Caused by Power Devices’ Parasitic Capacitance. IEEE Trans. Power Electron. 2018, 33, 4261–4273. [Google Scholar] [CrossRef]
  18. Kim, J.H.; Kim, C.E.; Kim, J.K.; Moon, G.W. Analysis for LLC resonant converter considering parasitic components at very light load condition. In Proceedings of the 8th International Conference on Power Electronics—ECCE Asia, Jeju, Korea, 30 May–3 June 2011; pp. 1863–1868. [Google Scholar]
  19. Park, K.B.; Lee, B.H.; Moon, G.W.; Youn, M.J. Analysis on Center-Tap Rectifier Voltage Oscillation of LLC Resonant Converter. IEEE Trans. Power Electron. 2012, 27, 2684–2689. [Google Scholar] [CrossRef]
  20. Zhao, X.; Zhang, L.; Born, R.; Lai, J.-S. A High-Efficiency Hybrid Resonant Converter with Wide-Input Regulation for Photovoltaic Applications. IEEE Trans. Ind. Electron. 2017, 64, 3684–3695. [Google Scholar] [CrossRef]
  21. Chen, W.; Rong, P.; Lu, Z. Snubberless Bidirectional DC–DC Converter with New CLLC Resonant Tank Featuring Minimized Switching Loss. IEEE Trans. Ind. Electron. 2010, 57, 3075–3086. [Google Scholar] [CrossRef]
  22. Jung, J.H.; Kim, H.S.; Ryu, M.H.; Baek, J.W. Design Methodology of Bidirectional CLLC Resonant Converter for High-Frequency Isolation of DC Distribution Systems. IEEE Trans. Power Electron. 2013, 28, 1741–1755. [Google Scholar] [CrossRef]
  23. Chen, Q.; Ji, Y.; Wang, J.; Pan, Y.; Ma, C. Analysis of the influence of MOSFET output capacitance on the bidirectional CLLC resonant converter. Trans. China Electrotech. Soc. 2015, 30, 26–35. [Google Scholar]
  24. Lv, Z.; Yan, X. Mode analysis and optimal design of CLLC-type Bidirectional DC-DC transformers for high-frequency isolation in DC nanogrids. Proc. CSEE 2016, 36, 5918–5929. [Google Scholar]
  25. Menke, M.F.; Seidel, A.R.; Tambara, R.V. LLC LED Driver Small-Signal Modeling and Digital Control Design for Active Ripple Compensation. IEEE Trans. Ind. Electron. 2019, 66, 387–396. [Google Scholar] [CrossRef]
  26. Perera, N.; Jafari, A.; Nela, L.; Kampitsis, G.; Nikoo, M.S.; Matioli, E. Output-Capacitance Hysteresis Losses of Field-Effect Transistors. In Proceedings of the 2020 IEEE 21st Workshop on Control and Modeling for Power Electronics (COMPEL), Aalborg, Denmark, 9–12 November 2020; pp. 1–8. [Google Scholar]
Figure 1. The circuit topology of L-LLC-BDC.
Figure 1. The circuit topology of L-LLC-BDC.
Energies 14 03123 g001
Figure 2. The main steady-state waveforms of the converter.
Figure 2. The main steady-state waveforms of the converter.
Energies 14 03123 g002
Figure 3. Resonant operation Mode I and equivalent circuit of L-LLC-BDC.
Figure 3. Resonant operation Mode I and equivalent circuit of L-LLC-BDC.
Energies 14 03123 g003
Figure 4. Resonant operation Mode II and equivalent circuit of L-LLC-BDC.
Figure 4. Resonant operation Mode II and equivalent circuit of L-LLC-BDC.
Energies 14 03123 g004
Figure 5. Resonant operation Mode III and equivalent circuit of L-LLC-BDC.
Figure 5. Resonant operation Mode III and equivalent circuit of L-LLC-BDC.
Energies 14 03123 g005
Figure 6. The operation mechanism for the dead time.
Figure 6. The operation mechanism for the dead time.
Energies 14 03123 g006
Figure 7. The working waveform under optimization design.
Figure 7. The working waveform under optimization design.
Energies 14 03123 g007
Figure 8. Effect of the parasitic capacitors on the voltage gain curve.
Figure 8. Effect of the parasitic capacitors on the voltage gain curve.
Energies 14 03123 g008
Figure 9. Flow chart of optimization design for L-LLC-BDC resonant parameters.
Figure 9. Flow chart of optimization design for L-LLC-BDC resonant parameters.
Energies 14 03123 g009
Figure 10. The experimental setup.
Figure 10. The experimental setup.
Energies 14 03123 g010
Figure 11. Control block for L-LLC resonant converter.
Figure 11. Control block for L-LLC resonant converter.
Energies 14 03123 g011
Figure 12. Comparison of the waveforms at primary side in the forward mode before and after parameter. (a) Before optimization. (b) After optimization.
Figure 12. Comparison of the waveforms at primary side in the forward mode before and after parameter. (a) Before optimization. (b) After optimization.
Energies 14 03123 g012
Figure 13. Test waveforms of L-LLC-BDC resonant converter at light load.
Figure 13. Test waveforms of L-LLC-BDC resonant converter at light load.
Energies 14 03123 g013
Figure 14. Test waveforms of L-LLC-BDC resonant converter at half load.
Figure 14. Test waveforms of L-LLC-BDC resonant converter at half load.
Energies 14 03123 g014
Figure 15. Test waveforms of L-LLC-BDC resonant converter at full load.
Figure 15. Test waveforms of L-LLC-BDC resonant converter at full load.
Energies 14 03123 g015
Figure 16. Experimental waveforms at the secondary side under full load with forward transmission power. (a) Before optimization. (b) After optimization.
Figure 16. Experimental waveforms at the secondary side under full load with forward transmission power. (a) Before optimization. (b) After optimization.
Energies 14 03123 g016
Figure 17. Experimental waveforms at secondary side under light load with forward transmission power. (a) Before optimization. (b) After optimization.
Figure 17. Experimental waveforms at secondary side under light load with forward transmission power. (a) Before optimization. (b) After optimization.
Energies 14 03123 g017
Figure 18. Experimental waveforms at secondary side under light load with reverse transmission power. (a) Before optimization. (b) After optimization.
Figure 18. Experimental waveforms at secondary side under light load with reverse transmission power. (a) Before optimization. (b) After optimization.
Energies 14 03123 g018
Figure 19. Dynamic response (from 3 A–12 A) when load step-up with forward transmission power.
Figure 19. Dynamic response (from 3 A–12 A) when load step-up with forward transmission power.
Energies 14 03123 g019
Figure 20. Dynamic response (from 12 A–3 A) when load step-down with forward transmission power.
Figure 20. Dynamic response (from 12 A–3 A) when load step-down with forward transmission power.
Energies 14 03123 g020
Figure 21. Bi-directional control block for L-LLC resonant converter.
Figure 21. Bi-directional control block for L-LLC resonant converter.
Energies 14 03123 g021
Figure 22. The dynamic waveforms of charging and discharging battery using L-LLC resonant converter.
Figure 22. The dynamic waveforms of charging and discharging battery using L-LLC resonant converter.
Energies 14 03123 g022
Figure 23. Operation efficiency of L-LLC-BDC under different load condition with forward transmission power.
Figure 23. Operation efficiency of L-LLC-BDC under different load condition with forward transmission power.
Energies 14 03123 g023
Figure 24. Operation efficiency of L-LLC-BDC under different load conditions with reverse transmission power.
Figure 24. Operation efficiency of L-LLC-BDC under different load conditions with reverse transmission power.
Energies 14 03123 g024
Figure 25. Experiment waveforms (Vin = 640 V).
Figure 25. Experiment waveforms (Vin = 640 V).
Energies 14 03123 g025
Figure 26. Experiment waveforms (Vin = 710 V).
Figure 26. Experiment waveforms (Vin = 710 V).
Energies 14 03123 g026
Figure 27. Experiment waveforms (Vin = 740 V).
Figure 27. Experiment waveforms (Vin = 740 V).
Energies 14 03123 g027
Figure 28. Operation efficiency of L-LLC-BDC resonant converter with forward transmission under different input voltage.
Figure 28. Operation efficiency of L-LLC-BDC resonant converter with forward transmission under different input voltage.
Energies 14 03123 g028
Figure 29. Power loss comparison between before optimization and after optimization of L-LLC-BDC.
Figure 29. Power loss comparison between before optimization and after optimization of L-LLC-BDC.
Energies 14 03123 g029
Table 1. The model parameters of the converter.
Table 1. The model parameters of the converter.
SymbolQuantityParameter IParameter II
SSiC MOSFETC2M0080120DC2M0080120D
VinBDC primary side rated voltage760 V760 V
VoBDC secondary side rated voltage380 V380 V
pBDC rated power6 kW6 kW
Lm1BDC magnetic inductance0.308 mH0.614 mH
nBDC transformer ratio2:12:1
LrBDC resonant inductance0.044 mH0.087 mH
CrBDC resonant capacitance58 nF29.1 nF
Lm2BDC additional
inductance
0.308 mH0.614 mH
fSwitching frequency100 kHz104 kHz
Publisher’s Note: MDPI stays neutral with regard to jurisdictional claims in published maps and institutional affiliations.

Share and Cite

MDPI and ACS Style

Lu, J.; Tong, X.; Zeng, J.; Shen, M.; Yin, J. Efficiency Optimization Design of L-LLC Resonant Bidirectional DC-DC Converter. Energies 2021, 14, 3123. https://doi.org/10.3390/en14113123

AMA Style

Lu J, Tong X, Zeng J, Shen M, Yin J. Efficiency Optimization Design of L-LLC Resonant Bidirectional DC-DC Converter. Energies. 2021; 14(11):3123. https://doi.org/10.3390/en14113123

Chicago/Turabian Style

Lu, Jing, Xiangqian Tong, Jianwu Zeng, Ming Shen, and Jun Yin. 2021. "Efficiency Optimization Design of L-LLC Resonant Bidirectional DC-DC Converter" Energies 14, no. 11: 3123. https://doi.org/10.3390/en14113123

APA Style

Lu, J., Tong, X., Zeng, J., Shen, M., & Yin, J. (2021). Efficiency Optimization Design of L-LLC Resonant Bidirectional DC-DC Converter. Energies, 14(11), 3123. https://doi.org/10.3390/en14113123

Note that from the first issue of 2016, this journal uses article numbers instead of page numbers. See further details here.

Article Metrics

Back to TopTop