Next Article in Journal
Determining Factors and Scenarios of Influence on Consumer Migration from the Regulated Market to the Deregulated Electricity Market
Next Article in Special Issue
Current Sharing Control of an Interleaved Three-Phase Series-Resonant Converter with Phase Shift Modulation
Previous Article in Journal
Power System Impedance Estimation Using a Fast Voltage and Current Changes Measurements
 
 
Font Type:
Arial Georgia Verdana
Font Size:
Aa Aa Aa
Line Spacing:
Column Width:
Background:
Article

Stacked Buck Converter: Current Ripple Elimination Effect and Transient Response

1
Department of Electronic and Computer Engineering, National Taiwan University of Science and Technology, Taipei 10607, Taiwan
2
Department of Electronical Engineering, National Ilan University, Ilan 260007, Taiwan
*
Author to whom correspondence should be addressed.
Energies 2021, 14(1), 64; https://doi.org/10.3390/en14010064
Submission received: 22 November 2020 / Revised: 21 December 2020 / Accepted: 21 December 2020 / Published: 24 December 2020
(This article belongs to the Special Issue Power Converters Design, Control and Applications)

Abstract

To balance the cost and volume when applying a low output current ripple, the power supply design should be able to eliminate the current ripple under any duty cycle in medium and high switching frequencies, and considerably reduce filter volume to improve power density. A stacked buck converter was eventually selected after reviewing the existing solutions and discussing their advantages and disadvantages. A stacked buck converter is used as a basis to propose the transient response and output current ripple elimination effect, boundary limit control method, and low output ripple dead time modulation method to make individual improvements. The principle, mathematical derivation, small-signal model, and compensator design method of the improvement method are presented in detail. Moreover, simulation results are used to mutually verify the correctness and effectiveness of the improvement method. A stacked buck converter with 330-V input, 50-V output, and 1-kW output power was implemented to verify the effect of the low output current ripple dead time modulation. Experimental results showed that the peak-to-peak value of the output current ripple was reduced from 2.09 A to 559 mA, and the RMS value was reduced from 551 mA to 91 mA, thereby effectively improving the output current ripple.

1. Introduction

With the development of technology, batteries have been extensively used in daily life. Batteries are used in electric vehicles [1,2,3], wearable devices, and large energy storage systems [4,5,6]. Therefore, the efficiency, life, and reliability of batteries are becoming increasingly critical. A battery management system (BMS) [7,8,9] is widely used to improve the utilization of batteries. Apart from preventing overcharge and over-discharge of batteries, BMS diagnoses and analyzes battery life and health status by recording battery-related data and residual capacity to optimize their overall performance.
One of the standard test methods for batteries’ usable capacity is the coulomb measurement method [10,11]. This method is used to calculate the current value flowing into or out of batteries and integrates the current value over time to determine the number of coulombs flowing through. This method can accurately estimate the available battery capacity. In battery capacity measurement, the accuracy of voltage and current measurements is related to the final calculation error. To achieve an accurate battery capacity calculation, the battery charging current must be accurately measured. The current ripple elimination mechanism is particularly important to prevent the output current ripple from causing measurement errors and reduce the volume of the output capacitor to increase power density.
Standard current ripple elimination techniques are mainly divided into three categories. The first category uses multi-phase buck converters in parallel and alternately switched with one another [12,13]. Through the sum of the current ripples of different phases, the final synthesized overall output current can reduce the total ripple amount and period, thereby increasing the equivalent current ripple frequency to reduce the capacitance of the output capacitor. However, the combined current ripples with this approach can only cancel each other under a specific duty cycle and number of parallel connections, thereby achieving an ideal current ripple elimination effect. Moreover, the use of multiple units in parallel increases the circuit cost and layout area, and the current sharing between multiple converters also requires additional control [14,15], thereby increasing the overall complexity. The second category uses coupled inductors to generate reverse ripple current [16,17]. The coupled inductor automatically generates the reverse ripple current, and the current ripple cancellation function can be achieved under any duty cycle. However, this cancellation function is fundamentally a fourth-order LC filter [18], which is based on filtering to obtain the characteristics of low output current ripple. A converter’s output current filtering capability and transient response often have opposite design indicators when designing a fourth-order LC filter. To achieve a superior filtering effect, the inductance value of the filter should be increased, which directly reduces the transient response speed of the converter. Therefore, the converter’s transient response will be fundamentally limited in the application of low current ripple output. The third category uses a stacked architecture [19,20], which utilizes the complementary operation of the upper and lower switches of the two bridge arms to superimpose the two arms’ inductor currents. In this way, the output inductor current ripple can be canceled under any switching duty cycle. This architecture can accelerate the rising or falling slope of the overall output current when both arms are turned on simultaneously on the upper or lower bridge switch, thereby improving the transient response. However, the literature [19,20] has only extensively discussed complementary switching signals. Moreover, these studies have not focused on the dead time of the upper and lower bridge switching signals in practical applications and the parasitic capacitance of switching elements. Consequently, the current ripple elimination effect is affected. The RC delay control method proposed in the pattern [21] improves the transient response by increasing a converter’s transient response. However, this method has flaws. After the feedback compensator is saturated, the area where the switching signals of the two arms overlap simultaneously cannot be generated, and the ability to increase the transient response is lost. On the basis of the preceding literature discussion, this study proposes a low output ripple dead time modulation and boundary limit control methods to improve the stacked buck converter’s output current ripple elimination effect and increase the transient response.
The remainder of this paper is structured as follows. Section 1 presents the research background and introduction. Section 2 reviews the two architectures proposed in the literature [16,17] and briefly describes their operating principles. Thereafter, the coupling mutual inductance form is converted into a fourth-order LC filter form [18]. The fourth-order filter is used to illustrate why the output current ripple filtering ability and transient response cannot be considered. Section 3 reviews the stacked buck converter [19] and explains its operation and current ripple elimination principle. Moreover, this section uses the perspective of large signals to describe the fastest response speed that the converter can provide when the signals overlap simultaneously. Section 4 reviews the RC delay control method [21] and explains its limitations. Thereafter, this restriction is used as a basis to propose a new type of control method called the boundary limit control method. Section 4 also explains its principle and uses simulation to verify the effect of the boundary limit control method. Section 5 presents the influence of the switching dead time and switching parasitic capacitance of the stacked buck converter on the current ripple elimination effect and proposes a mathematical analysis of the principle. The dead time modulation method and formulation of the modulation variables are verified using mathematical derivation and simulation to confirm the feasibility and effectiveness of this modulation method. Section 6 organizes the small-signal model of the coupled-inductor stacked buck converter. The small-signal model contains the small-signal model under the general two-arm switch complementary operation and boundary limit control method to design closed-loop compensation. Lastly, simulations are used to show the transient response of the system under different compensators. Section 7 implements a sample circuit. This section likewise measures the effect of the switching dead time modulation method on the current ripple elimination ability. Lastly, Section 8 summarizes this research.

2. Review of the Two Architectures and the Process of Converting Them to a Fourth-Order LC Filter

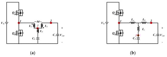
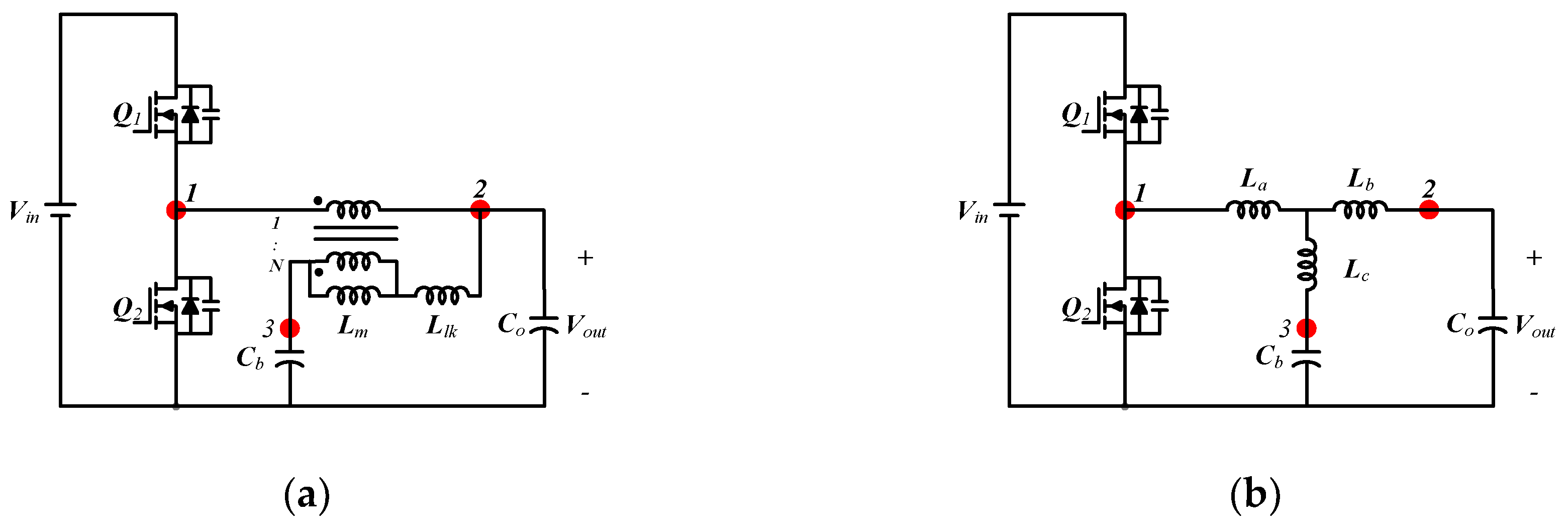
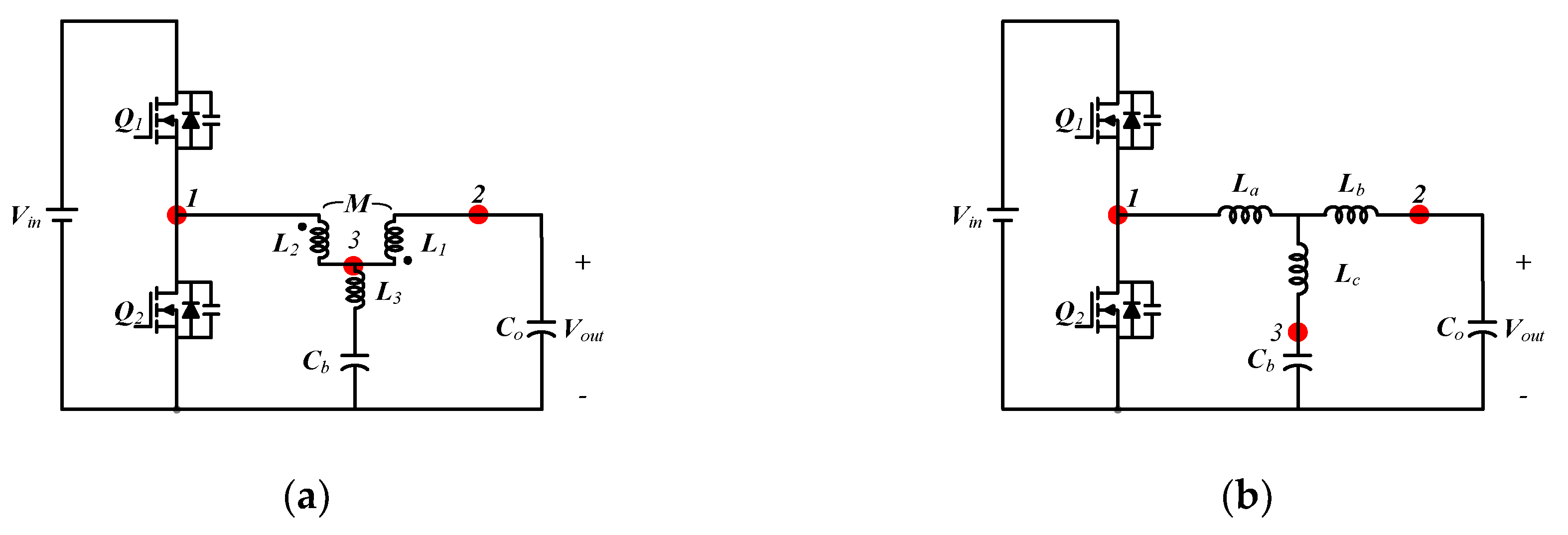
Figure 1 shows the circuit architecture and operation sequence diagram of the Ripple Current Cancellation Circuit (RCCC) [16]. The entire architecture includes a blocking capacitor Cb, coupled inductor, primary side magnetizing inductance L1, secondary side equivalent leakage inductance L2, and the primary and secondary turns ratio of 1:N.
From the steady-state volt-second balance of the equivalent leakage inductance L2, the voltage on Cb can be deduced to equal the output voltage Vout. If Cb and Cout are assumed to be sufficiently large to disregard the voltage ripple on the capacitor, then the equations for iL1, iL2, and i3 can be derived as follows:
d i L 1 d t = v S W V o u t L 1 ,
d i L 2 d t = N L 1 L 2 d i L 1 d t ,
d i 3 d t = N d i L 2 d t .
To satisfy the ripple of the output current to zero amperes, the equation should be as follows:
d i L 1 d t + d i L 2 d t + d i 3 d t = 0 .
By substituting Equations (1)–(3) into Equation (4), the relational equation can be derived as follows:
N 2 N + L 2 L 1 = 0 .
From Equation (5), N can be obtained as follows:
N = 1 2 ± 1 4 L 2 L 1 .
When N satisfies Equation (6) in the RCC architecture, the output current can obtain the best elimination effect.
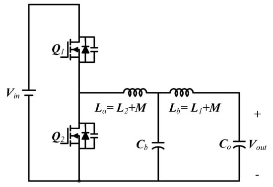
Figure 2 shows the circuit architecture diagram and operation sequence diagram of the three-terminal LL-LC network for current ripple cancellation (LL-LC) [17]. The entire LL-LC architecture includes a blocking capacitor Cb, coupled inductor, primary self-inductance L1, secondary side self-inductance L2, and a mutual inductance M between the primary side and secondary side winding, and an external inductor L3.
Figure 2 also shows that through the operating interval when switches Q1 and Q2 are turned on, Equations (7) and (8) can be respectively written as follows:
( L 2 + M ) d i L 2 d t + ( L 1 + M ) d i L 1 d t = V i n V o u t ,
( L 2 + M ) d i L 2 d t + ( L 1 + M ) d i L 1 d t = V o u t .
According to Kirchhoff’s Current Law (KCL) and Kirchhoff’s Voltage Law (KVL), the following two equations can be obtained:
i L 2 = i L 1 + i L 3 ,
( L 1 + M ) d i L 1 d t ( L 3 M ) d i L 3 d t = V C b V o u t .
In a steady-state operation, the average voltage across the inductor is zero. Hence, the voltage across VCb is equal to the output voltage Vout. Assuming that the C3 capacitor is sufficiently large, its ripple can be disregarded. Equation (10) can be rewritten as follows:
( L 1 + M ) d i L 1 d t ( L 3 M ) d i L 3 d t = 0 .
When the inductance designed by L3 is equal to the mutual inductance M, the current change of iL1 in Equation (11) must be zero to satisfy this equation. Hence, iL1 can achieve the function of eliminating the current ripple.
RCCC and LL-LC can achieve zero current ripple output under the condition that the voltage ripple on the blocking capacitor is disregarded, and the ideal winding turns ratio and external inductance are ideally matched. However, this conclusion must be established on the fact that voltage ripple on blocking capacitor Cb is minimal, and Cb is simplified as a constant voltage source. In addition, the capacitance value is finite, given the blocking capacitor in the actual circuit. Given that the voltage ripple on the blocking capacitor must be considered, the two architectures’ actual effects on the elimination of the output current ripple should be re-discussed. A review of the circuit structure diagram of RCCC shows that the primary side inductance is equivalent to the secondary side, and the name of the capacitor and inductance is changed, as shown in Figure 3a. Furthermore, Figure 3b shows that the RCCC equivalent circuit diagram of the transformer model changed to the T equivalent model.
To make a conversion between the transformer and T-type equivalent models, the three nodes marked on the transformer in Figure 3 must be described, and the impedance of any two nodes should be observed. Hence, the following three equations can be obtained:
L a + L b = L m N 2 ,
L b + L c = L m + L l k ,
L a + L c = ( 1 1 N ) ( N 1 N L m ) + L l k .
Equations (12)–(14) show that La, Lb, and Lc can be derived as follows:
L a = L m ( N 1 ) N 2 ,
L b = L m N ,
L c = L m L m N + L l k .
In rewriting Equation (5), set L1 = N2Lm, L2 = Llk, then:
N 2 N + N 2 L l k L m = 0 .
The following equation is obtained when Equation (18) is substituted into Equation (17):
L c = L m L m N + L l k = L m N 2 ( N 2 N + N 2 L l k L m ) = 0 .
From the result of Equation (19), Lc in the T-type model will become zero. The entire RCCC circuit will be converted into an LCLC fourth-order filter architecture, as shown in Figure 4.
Using the same method, the coupled inductor in LL-LC is converted to a T-type model, as shown in Figure 5.
To make a conversion between the transformer and T-type equivalent models, the three nodes marked on the transformer in Figure 5 are described, and the impedance of any two nodes is presented. Thus, the following three equations can be obtained:
L a + L b = L 1 + L 2 + 2 M ,
L b + L c = L 1 ,
L a + L c = L 2 .
Equations (20)–(22) show that La, Lb, and Lc can be deduced as follows:
L a = L 2 + M ,
L b = L 1 + M ,
L c = M .
Comparing the design in Equations (11) and (25), when L3 = M, then:
L 3 + L c = M M = 0 .
The result of Equation (26) indicates that if the design conditions of LL-LC are met, then Lc and L3 in the T model will cancel each other out to zero. Furthermore, the entire LL-LC circuit will be converted into an LCLC fourth-order filter architecture, as shown in Figure 6.
Two things can be learned in comparing the results of the conversion of RCCC and LL-LC into an equivalent fourth-order LCLC filter in Figure 4 and Figure 6. First, if the specific design conditions are met, then RCCC and LL-LC are essential fourth-order LCLC filters. Second, the ratios of La and Lb in the two equivalent fourth-order LCLC filters are not the same, but both have the function of current ripple filtering.
Given a fourth-order filter structure, the final filtering result of the output current ripple is determined by two aspects: (1) amount of ripple of the La inductor current and (2) ripple split ratio of Lb and Cb. To achieve an excellent current ripple filtering result, the inductance value of La should be considerably increased to reduce the inductance and capacitance values required by the current sharing circuit composed of Lb and Cb. Therefore, to pursue an excellent current ripple filtering effect for a fourth-order filter, the component value of the filter should be increased. However, such a design inevitably reduces the transient response of the converter.

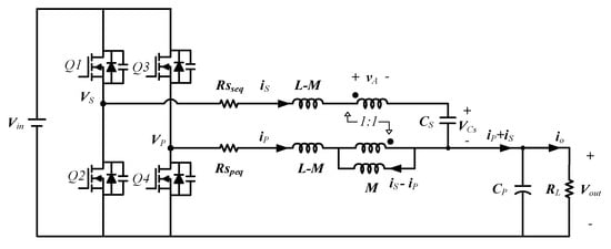
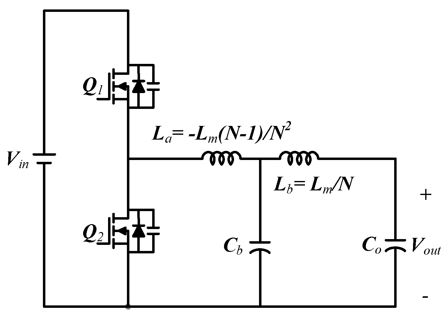
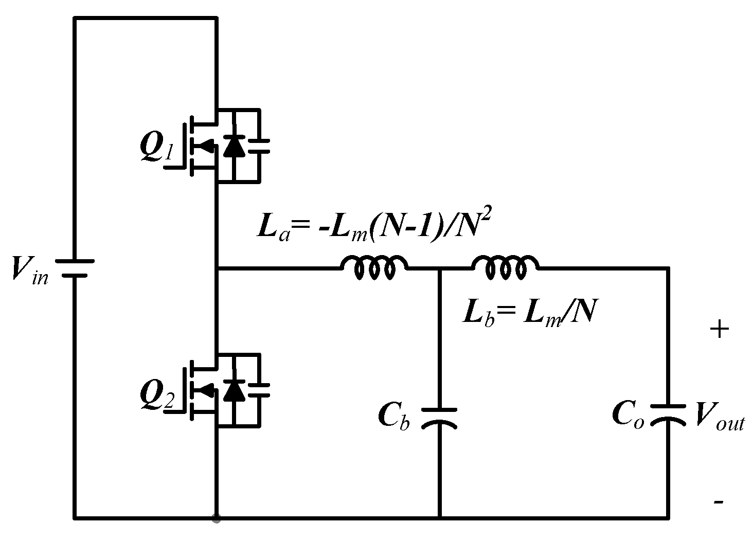
3. Review of the Stacked Buck Converter

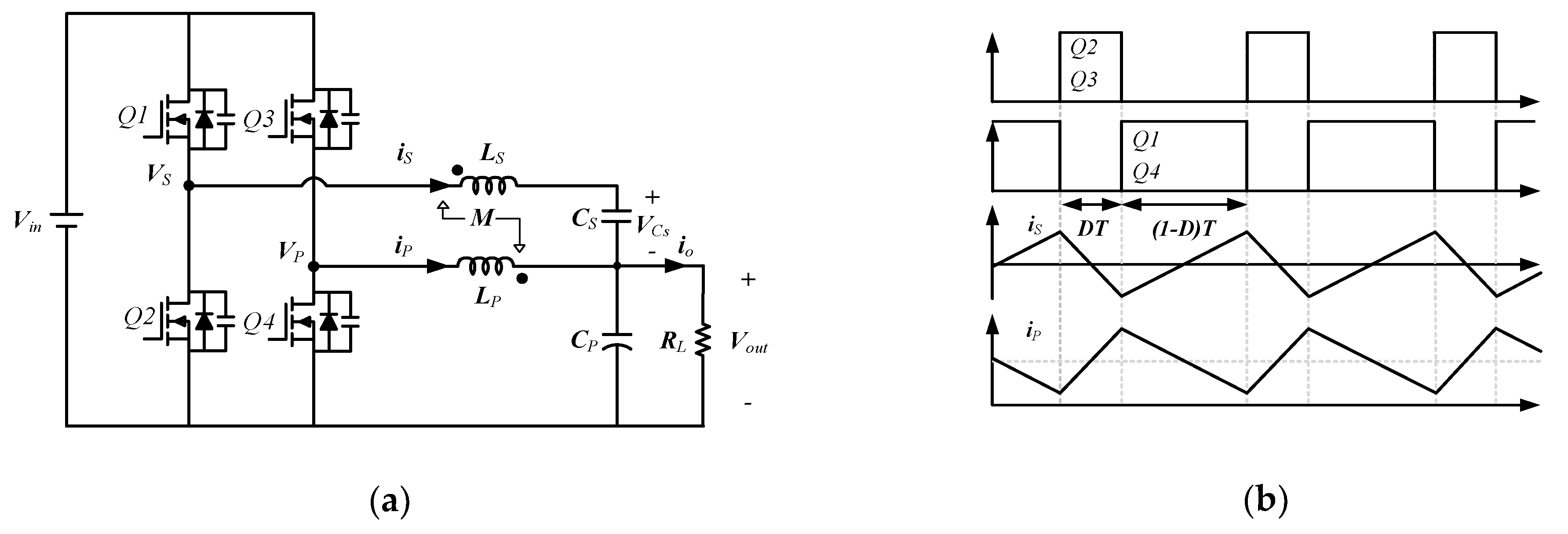
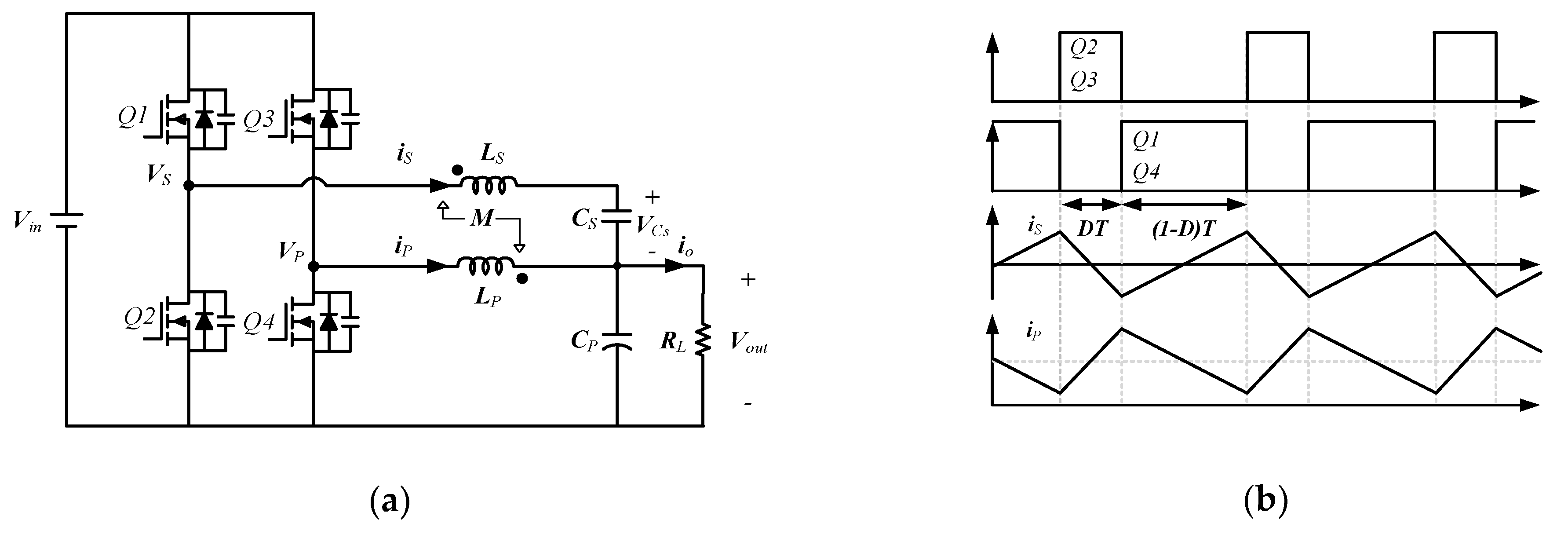
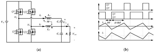
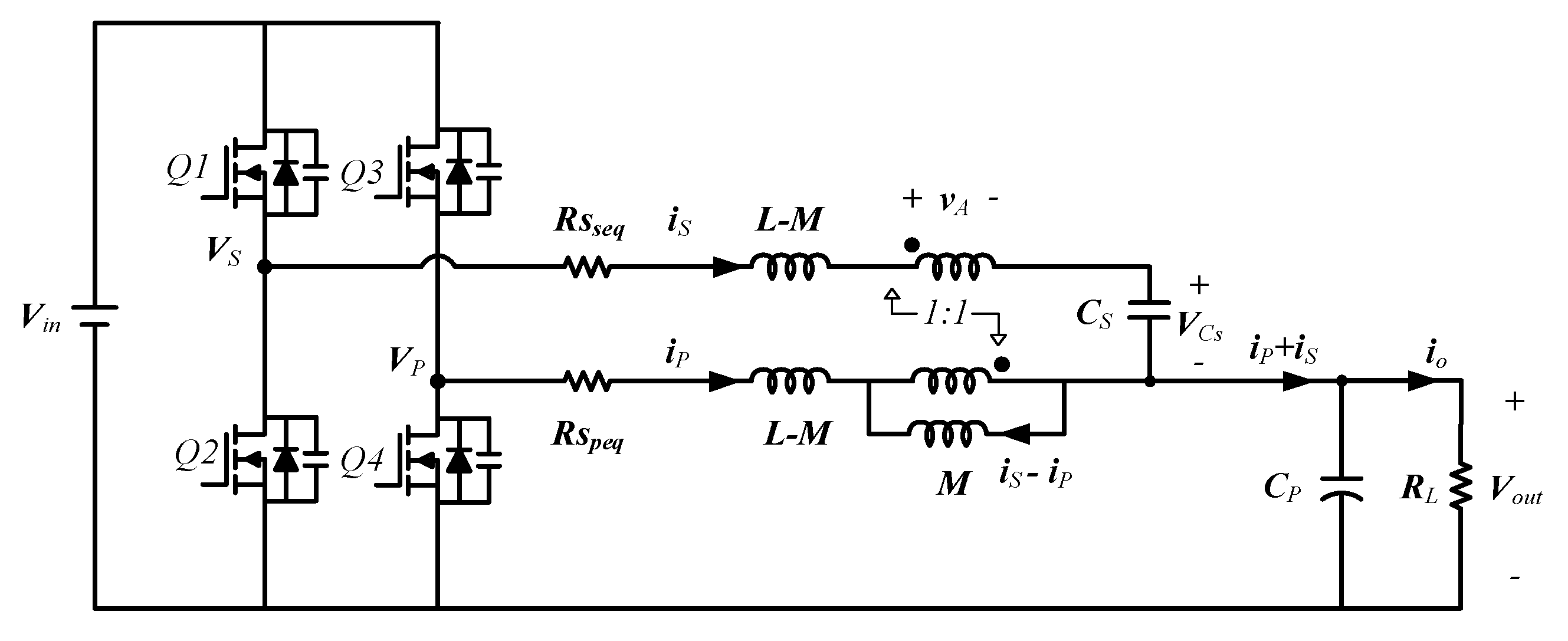
Figure 7 shows the circuit structure and operation sequence diagram of the stacked buck converter [19]. Q1, Q2, and Ls, and CS and CP in Figure 7 constitute the first group of bucks, where Q1 and Q2 are collectively called P-arms. Moreover, Q3, Q4, LP, and CP form the second group of buck converters, among which Q3 and Q4 are collectively called the S-arms. The iP current provides energy for the load, and the iS current provides a reverse ripple current to cancel the ripple of the iP current.
Compared to the two architectures reviewed in Section 2, the stacked buck converter’s main idea is not to use a fourth-order filter to suppress the output current ripple. Therefore, substantial capacitance and inductance values are not required to suppress the output current ripple well. Therefore, the stacked buck converter can use a smaller inductor and capacitance value to achieve the same current ripple suppression effect. In other words, the stacked buck converter essentially has better transient response performance.
The duty cycle of Q3 as DP is defined. Given that the inductance LP satisfies the volt-second balance in the steady-state, Vout = DPVin can be obtained from the second group of buck converters. Vout + VCs = Vin(1 − DP) can be obtained from the first group of buck converters. Moreover, we can deduce that VCs = Vin(1 2DP).
When Q2 and Q3 are turned on, the current change slopes of iP and iS are respectively expressed as follows:
d i P d t = L P ( V P V o u t ) + M ( V S V C s V o u t ) L P 2 M 2 = L P V i n ( D P ) + M V i n ( D P ) ( L P + M ) ( L P M ) ,
d i S d t = M ( V P V o u t ) + L S ( V S V C s V o u t ) L S 2 M 2 = M V i n ( D P ) + L S V i n ( D P ) ( L S + M ) ( L S M ) .
When LP = LS = L, Equations (27) and (28) are added to obtain the following equation:
d i P d t + d i S d t = V P + V S 2 V o u t V C s L M = V i n + 0 2 D P V i n V i n ( 1 2 D P ) L M = 0 .
Evidently, Equation (29) is zero and does not contain the variable of the duty. The preceding derivation indicates that the cascaded buck converter can eliminate current ripples under any duty cycle. The stacked buck converter’s output current ripple elimination mechanism cancels the output current ripple by generating currents with opposite slopes from two sets of inductors. Such characteristics can ideally design the inductance value arbitrarily without affecting the output current ripple’s cancellation effect. To achieve an ideal current ripple elimination effect, the voltages of CS and CP should approximate the ideal voltage source. However, the transient response of the converter, in this case will have a detrimental effect.
If VCp is set as an ideal voltage source, then VCs is a variable capacitor voltage. Accordingly, VP + VS = Vin because the two arm switches are entirely complementary.
A review of Equation (29) indicates that if the slope of change of iP + iS is desired to be positive, then the voltage of VCs should be less than (1 − DP)Vin, which is below the steady-state value of the steady VCs voltage. That iss, when the CS capacitance is low, the voltage of VCs is considerably susceptible to the iS current, and the overall transient response of the converter is improved. However, this design concept will increase the ripple of VCs and reduce the effect of the current ripple elimination.
Compared with the fourth-order filter architecture, the stacked buck converter can use the upper or lower switches of the P and S arms to be turned on simultaneously to increase the transient response. Moreover, there is no need to deliberately reduce the capacitance of the CS capacitor to sacrifice the current ripple elimination effect in exchange for the transient response speed. Review Equation (29) again, and substitute the VP and VS of Equation (29) into the input voltage Vin, representing that the upper bridge switches of the P- and S-arms are turned on. VCp and VCs are regarded as ideal voltage sources, and the rate of change of iP + iS is as follows:
d i P d t + d i S d t = V i n + V i n 2 D P V i n V i n ( 1 2 D P ) L M .
If VP and VS are substituted into the ground level, then the lower bridge switches representing the P- and S-arms are turned on. Moreover, VCp and VCs are regarded as ideal voltage sources, and the rate of change of iP + iS is as follows:
d i P d t + d i S d t = 0 + 0 2 D P V i n V i n ( 1 2 D P ) L M .
Equations (30) and (31) show that although VCs and VCp are constant voltage sources, the total inductor current change rate when the numerators of these equations are not zero can still be based on the control signal. Hence, VP = VS = Vin or VP = VS = 0 to achieve the rising or falling slope. Moreover, the design of L and M can adjust the magnitude of the change slope. By simultaneously turning on the upper or lower switches of the two arms, the stacked buck converter can retain the current ripple elimination characteristics and meet transient response needs.

4. Boundary Limit Control Method

The description in Section 3 indicates that the stacked buck converter should be synchronized with the upper or lower bridge switches of the P- and S-arms to meet the transient response requirements.
To achieve this control interval, the literature [21] has indicated that adding an RC delay circuit to the feedback compensation output VEA of the original complementary controller can easily and simultaneously manufacture the upper and lower bridge switches of the P- and S-arms. The conduction period can improve the transient response. Figure 8a,b shows complementary and RC delay controllers, respectively. Duty_P is the driving signal of the P-arm upper bridge switch Q3, and Duty_S is the driving signal of the S-arm upper bridge switch Q1.
Figure 9 illustrates the operation sequence diagram of the RC delay type controller. When the output load increases, the compensator output VEA changes from steady-state operation to positive saturation VEA_sat, which is the operation sequence diagram of VEA relative to PWM in this changing interval. Figure 9 can be divided into three regions. Region I is the steady-state operation area, region II is the transient operation area, and region III is the saturation area. In region I, VEA and VEA_Delay can be regarded as the same signal, and Duty_P and Duty_S can be regarded as ideal complementary signals because the system reaches a steady-state. The output current ripple elimination mechanism is often operational. In region II, the output loading is increasing. The VEA voltage begins to increase owing to the feedback system. VEA and VEA_Delay can no longer be regarded as the same signal because of the RC delay circuit, and the voltage amplitude VEA is greater than VEA_Delay. Therefore, Duty_P and Duty_S in region II have a duty overlap area, and the length of this area depends on the voltage difference between VEA and VEA_Delay. Duty overlap enables the converter to increase transient response. However, given that the system output voltage cannot stabilize immediately, the VEA and VEA_Delay voltages reach positive saturation and enter region III. In this region, the overlapping area of Duty_P and Duty_S disappears, returning to the general complementary operation, which significantly reduces the rising slope of the overall output current. However, the output load should receive energy at this time. Such an operation behavior further prolongs the time required for the output voltage to stabilize, and the depth of the output voltage undershoot increases. Therefore, the RC delay type control method cannot effectively adjust the converter’s output when the compensator reaches saturation.
Given the lack of RC delay control, this study proposes a boundary limit control method suitable for stacked buck converters. Apart from accelerating the transient response, the boundary limit control method is not limited by the saturation of the compensator. Figure 10 shows a schematic of the boundary limit control method. The control principle aims to set the upper and lower limits of VEA, and the limit value is fixed at the steady-state VEA and take a settable boundary to generate a feedback compensation output VEA_Limit.
Figure 11 shows the switch and control signal under the boundary limit control method. In region I, VEA and VEA_Limit maintain the same voltage because the system reaches a steady-state, and Duty_P and Duty_S maintain complementary operations. In region II, VEA increases owing to an increase in load. When VEA deviates from the steady-state VEA value and the set limit boundary, the VEA voltage is maintained, and VEA_Limit is limited by the upper and lower limits. The result is the voltage difference between VEA and VEA_Limit, thereby making the duty of the P- and S-arm switches have an overlapping interval. In region III, although VEA reaches positive saturation, the P- and S-arm switch signals maintain an overlapping interval because VEA_Limit is limited, thereby continuously increasing the transient response of the system.
Figure 12 and Figure 13 show the simulation results of the complementary and boundary limit controllers for the transient response. The system architecture diagram, circuit parameters, and compensator parameters are shown in Table 1, and Equation (56), respectively. The load resistance switches from RL = 2.5 Meg Ω to RL = 2.5 Ω at t = 70 mS, and switches from RL = 2.5 Ω to 2.5 Meg Ω again at t = 120 mS. Figure 12 and Figure 13 show that both control methods can achieve the effect of eliminating current ripples in the steady-state. Regarding the performance of the overshoot and undershoot of the output voltage, the boundary limit control method was superior to the complementary control method. Using the boundary limit control method to replace the complementary control method, the overshoot performance of the output voltage decreased from 417 mV to 361 mV, and the undershoot performance decreased from 370 mV to 324 mV.

5. Dead Time Modulation Method for Low Output Ripple

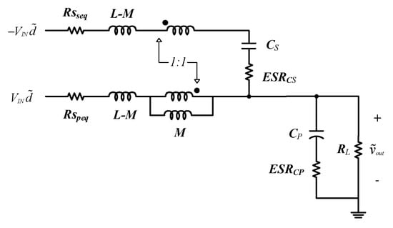
The output current ripple cancellation effect of the stacked buck converter in the existing system is affected by the actual dead time between the lower bridge switches. Hence, a necessary step is to understand the origin of the steady-state voltage value on the CS capacitor and the relationship between the voltage on the CS capacitor and the cancellation effect of the output current ripple.
Figure 14 shows the equivalent circuit diagram redrawn by converting the coupled inductor in Figure 7a into a T-type model and unifying the symbols with LS = LP = L.
To immediately understand and analyze the impact caused by dead time, the discussion of the circuit mode is limited to the idea that the output load condition is sufficiently large to make the current of iP constantly above zero.
To simplify the analysis, Vout and VCs can be regarded as fixed DC voltages by assuming that the capacitances of CP and CS are sufficiently large. In the dead time, the inductor L-M’s current change is small to be regarded as a constant current source. The switch’s parasitic capacitance Coss is fixed and does not change with the voltage across it. Moreover, the turn-on voltage drop of the body diode of the switch is disregarded as 0 V.
First, the steady-state voltage value of VCs is derived with an ideal stacked buck converter. Given that the switching signals are entirely complementary, the node voltages VP and VS have only two states: State 1, VS = Vin, VP = 0; and State 2, VS = 0, VP = Vin. Solving VCs for these two states, the derivation process is as follows.
State 1, VS = Vin, VP = 0, according to KCL and KVL, the equation can be written as follows:
i S ( s ) = s 1 ( V i n v A V C s V o u t ) s ( L M ) ,
i P ( s ) = s 1 ( 0 + v A V o u t ) s ( L M ) ,
v A ( s ) = [ i S ( s ) i P ( s ) ] M .
Substituting Equations (32) and (33) into Equation (34) can solve for vA, and rename vA in state 1 to vA1. The resulting equation is as follows:
v A 1 ( s ) = s 1 ( V i n V C s ) L M M + 2 .
State 2, VS = 0, VP = Vin, according to KCL and KVL, the equation can be written as follows:
i S ( s ) = s 1 ( 0 v A V C s V o u t ) s ( L M ) ,
i P ( s ) = s 1 ( V i n + v A V o u t ) s ( L M ) ,
v A ( s ) = [ i S ( s ) i P ( s ) ] M .
Substituting Equations (36) and (37) into Equation (38) can solve for vA, and rename vA in state 2 to vA2. The resulting equation is as follows:
v A 2 ( s ) = s 1 ( V i n V C s ) L M M + 2 .
The steady-state indicates that the inductance M must satisfy the volt-second balance to write Equation (40), where VA1 and VA2 are the DC voltage levels obtained by the inverse Laplace conversion of vA1 and vA2, respectively, as follows:
V A 1 ( 1 D P ) + V A 2 D P = 0 .
Substituting Equations (35) and (39) into Equation (40) after the inverse Laplace transformation, we obtain the following equation:
1 L M M + 2 [ ( V i n V C s ) ( 1 D P ) + ( V i n V C s ) D P ] = 0 .
Thereafter, solving Equation (41) can obtain VCs as follows:
V A 1 ( 1 D P ) + V A 2 D P = 0 .
A review of Equation (29) indicates that when VP + VSVCs = 2DPVin must be satisfied (i.e., when VCs = (1 − 2DP)Vin), the slope of iP + iS will be zero. In an ideal stacked buck converter, the relationship of Equation (29) is satisfied because the switching signals are completely complimentary. Hence, the output current ripple elimination behavior can be ideally achieved. However, in practical applications, the upper and lower bridge switches inevitably contain a dead time. Thus, the stacked buck converter’s current ripple elimination effect should be re-discussed.
Figure 15 shows an operation sequence diagram of a stacked buck converter with conventional dead time. Dead time is fixed, and four switches are turned off simultaneously. The operation sequence diagram in Figure 15 can be divided into three sections: switch conduction section (t0~t1, t2~t3) and two different dead times (t1~t2, t3~t0+T).
The action sequence diagram shows that the ripple slope of iP + iS rises in the conduction interval of the two switches. In the two switch dead time intervals, the ripple slope change phenomenon of iP + iS is different, but both make iP + iS present an equivalent falling slope. Moreover, the voltage amplitude of VCs is slightly lower than (1 2DP)Vin.
The following discussion focuses on the three intervals to explain the behavior of the current ripple slope change of iP + iS. To make the waveform more convenient for discussion, the two dead time intervals of t1~t2 and t3~t0+T in Figure 15 are enlarged, leaving the VP and VS node voltage waveforms vP and vS, which are redrawn as Figure 16.
First, we discuss the dead time interval (t1~t2).
When t = t1, all switches are off. Given that iP > 0, the current will automatically flow through the body diode of Q4 after switch Q4 is turned off. The vP voltage is maintained at 0 V until Q3 is turned on at t = t2 and the vP voltage increases vertically from 0V to Vin. Given that iS > 0, after Q1 is turned off, the iS current charges and discharges the Coss of Q1 and Q2. The initial value of the current is the peak value of the iS current. When the vS voltage decreases to 0 V, the body diode of Q2 turns on, clamping vS to 0 V. When t = t1, Q2 turns on and Vs continues to maintain 0 V.
Given that the current of is in the dead time is regarded as a fixed value, the voltage of vS decreases linearly. The vS discharge falling interval is taken as half of its falling time, and the equivalent vS waveform vS equivalent can be drawn. From the equivalent vS waveform, there is evidently a duty cycle Da1 between t = t1 and t = t2, and its equivalent vP and vS are 0 V.
From Equation (29), the slope of iP + iS is controlled by vP + vS 2Vout − vCs. When vCs is equal to (1 − 2DP)Vin, and vP + vS is Vin, the current ripple offset can be achieved. However, in the dead time t = t1~t2 interval, except that vCs is slightly lower than (1 − 2DP)Vin, and vP + vS is smaller than Vin. Given that vP + vS 2Vout − vCs < 0, the change slope of iP + iS during the entire dead time interval is negative.
Second, we discuss the dead time interval (t3~t0+T).
When t = t3, all switches are off. Given that iP > 0, after the switch, Q3 is turned off, the peak current of iP charges and discharges the Coss of Q3 and Q4. When the vP voltage drops to 0 V, the body diode of Q4 turns on and clamps vP to 0 V. When t = t0+T, Q4 turns on, and vP continues to maintain 0 V.
Note that the peak direct current of iP will change with load conditions. Thus, vP’s discharge slope will become rapid as load increases.
Given that iS < 0 after Q2 is turned off, the peak current of is charges and discharges Coss of Q1 and Q2. When the vS voltage rises to Vin, the body diode of Q1 is turned on, clamping vS to Vin; and when t = t0+T, Q1 is turned on and vS continues to maintain Vin. Moreover, given that the average current of iS is zero in the steady-state, the positive and negative peak currents of iS are equal in magnitude. Therefore, the time for the vS voltage in the dead time t = t3~t0+T to rise from 0 V to Vin is the same as the time for the vS voltage to fall from Vin to zero in the dead time t = t1~t2.
Given that the currents of iP and iS in the dead time are regarded as fixed values, vS and vP change voltages linearly. If half of the time of the voltage linear change of vP and vS, then the equivalent waveforms of vS and vP, vS equivalent and vP equivalent can be drawn. From the equivalent vS and equivalent vP waveforms, it can be observed that there is a duty period Da2 between time t3 and t0+T, and the equivalent vP and vS are both 0 V.
The slope of iP + iS is controlled by vP + vS 2Vout − vCs. When vCS is equal to (1 − 2DP)Vin and vP + vS is Vin, the current ripple cancellation can be achieved. However, in the dead time t = t3~t0+T, except that vCs is slightly lower than (1 − 2DP)Vin, vP + vS = Vin after the body diodes of Q1 and Q4 are turned on. Therefore, in the dead time interval’s front and back zone, given that vP + vS 2Vout − vCs > 0, the slope of change of iP+iS rises slightly. However, the equivalent vP and vS waveforms shows a Da2 equivalent duty cycle, and the vP and vS are both 0 V. The resulting falling slope of iP + iS is considerably larger than the other slight rising slopes. Hence, the overall iP+iS change continues to decrease in the dead time interval from t = t3~t0+T.
Lastly, we discuss the switch conduction interval (t0~t1, t2~t3):
The previous two dead time intervals show equivalent duty cycles Da1 and Da2. Hence, vP and vS are both 0 V. We define a new equivalent duty cycle DA, where DA = Da1+Da2. Given the converter’s new state, the previous derivation of vA and VCs should be imitated and VCs voltage amplitude under the DA duty cycle should be derived. From Figure 14, we can deduce that the circuit equation of the circuit state under the DA duty cycle is as follows.
State 3, VS = 0, VP = 0, according to KCL and KVL, the equations can be written as follows:
i S ( s ) = s 1 ( 0 v A V C s V o u t ) s ( L M ) ,
i P ( s ) = s 1 ( 0 + v A V o u t ) s ( L M ) ,
v A ( s ) = [ i S ( s ) i P ( s ) ] M .
Substituting Equations (43) and (44) into Equation (45) can solve for vA, and rename vA in state 3 to vA3 as follows:
v A 3 ( s ) = s 1 ( V C s ) L M M + 2 .
According to the steady-state, the volt-second balance of the inductance M can be written as Equation (47), where VA1, VA2, and VA3 are the DC voltage levels obtained by the inverse Laplace transformation of vA1, vA2, and vA3, respectively:
V A 1 ( 1 D P D A ) + V A 2 D P + V A 3 D A = 0 .
Substituting Equations (35) and (39) into Equation (40) after the inverse Laplace transformation can be obtained as follows:
1 L M M + 2 [ ( V i n V C s ) ( 1 D P D A ) + ( V i n V C s ) D P + ( V C s ) D A ] = 0 .
Thereafter, solving (48) can obtain the modified equation of VCs as follows:
V C s = ( 1 2 D P D A ) V i n .
From Equation (49), when DA > 0, VCs will be lower than (1 − 2DP)Vin. Although in the conduction interval (t0~t1, t2~t3), vP + vS = Vin, Equation (29) still cannot be established. Hence, the slope of iP + iS remains positive, and the ripple cannot be eliminated correctly.
This study proposes a dead time modulation method for low output ripple based on the preceding theoretical analysis. The modulation method is shown in Figure 17. Changing the timing of the on and off of the Q3 switch can achieve the effect of low output ripple.
The dead time modulation method for low output ripple aims to adjust the equivalent vP and vS waveforms to complement each other. Therefore, the Q3 switch is turned on in advance and turned off later. Figure 17 shows that the equivalent vP and vS can be completely complementary through the dead time modulation method.
The minimum switching dead time (t2-t1, t3~t0+T) of the remaining switches and the time of Te1 and Te2 can be obtained through the following design steps.
Step 1, design the minimum switch dead time.
The dead time t1~t2 and t3~t0+T interval must be sufficiently long to enable the completion of the voltage transition of vP and vS in the dead time. Hence, the minimum switching dead time must be longer than the maximum voltage transition time of vP and vS. The longest transition time occurs when the S-arm switch is turned off, and the time required for the S-arm Coss capacitor to charge and discharge through the peak current of iS. The peak current of iS, IS_pk, can be derived from the VA1 obtained by the inverse Laplace transformation Equation (35), the ideal VCs in Equation (42), and duty cycle DP:
I S _ p k = ( V i n V A 1 V C s V o u t ) ( 1 D P ) T S 2 ( L M ) ,
where Ts is the switching period.
The voltage waveform conversion time of vS can be derived as follows:
T S _ t r a n = 2 C o s s V i n I S _ P K
Therefore, the minimum switching dead time must be designed to be longer than TS_tran.
Step 2, design the trigger time of Te1:
Figure 17 shows that the time of Te1 is half of TS_tran. The time of Te1 will not change with the output load and is a fixed value. It is written as an equation as follows:
T e 1 = T S _ t r a n 2 .
Step 3, design the Te2 delay closing time:
Figure 17 shows that the time of Te2 is jointly determined by TS_tran and the time when vP transition from Vin to 0 V. When Q3 is off, the peak current of iP charges and discharges the Coss of the upper and lower bridge switches of the P-arm. Thus, the transition time of the vP voltage is as follows:
T P _ t r a n = 2 C o s s V i n I P _ P K ,
where IP_PK is the output load current IO plus IS_PK, and its current value changes with load conditions.
Thereafter, the delayed closing time Te2 is as follows:
T e 2 = T S _ t r a n T P _ t r a n 2 .
Figure 18 and Figure 19 show the simulation results of the output current ripple of the stacked buck converter under the conventional dead time and low output ripple dead time modulation. The system architecture diagram and system parameters are shown in Figure 27 and Table 1, respectively. Moreover, RL = 10 Ω, and the dead time is set to 100 nS, Te1 = 32.67 nS, and Te2 = 20.34 nS. Figure 18 and Figure 19 show that with the conventional dead time simulation results, the peak-to-peak value of the output current ripple is 2.4 A and the RMS value of the current ripple is 745 mA. Given that simulation results of the low output ripple dead time modulation, the peak-to-peak output current ripple decreases to 443.53 mA, and the RMS value of the current ripple is 15.78 mA. Note that the dead time modulation method of the low ripple output can significantly reduce the amount of current ripple. The result is consistent with the theoretical analysis.

6. Small-Signal Model and Compensation Design

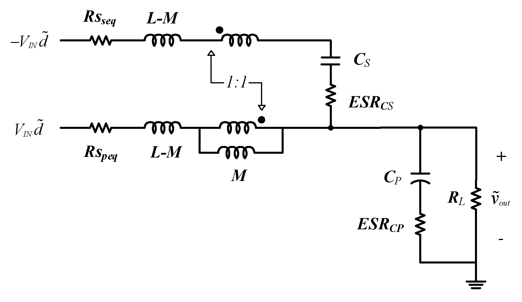
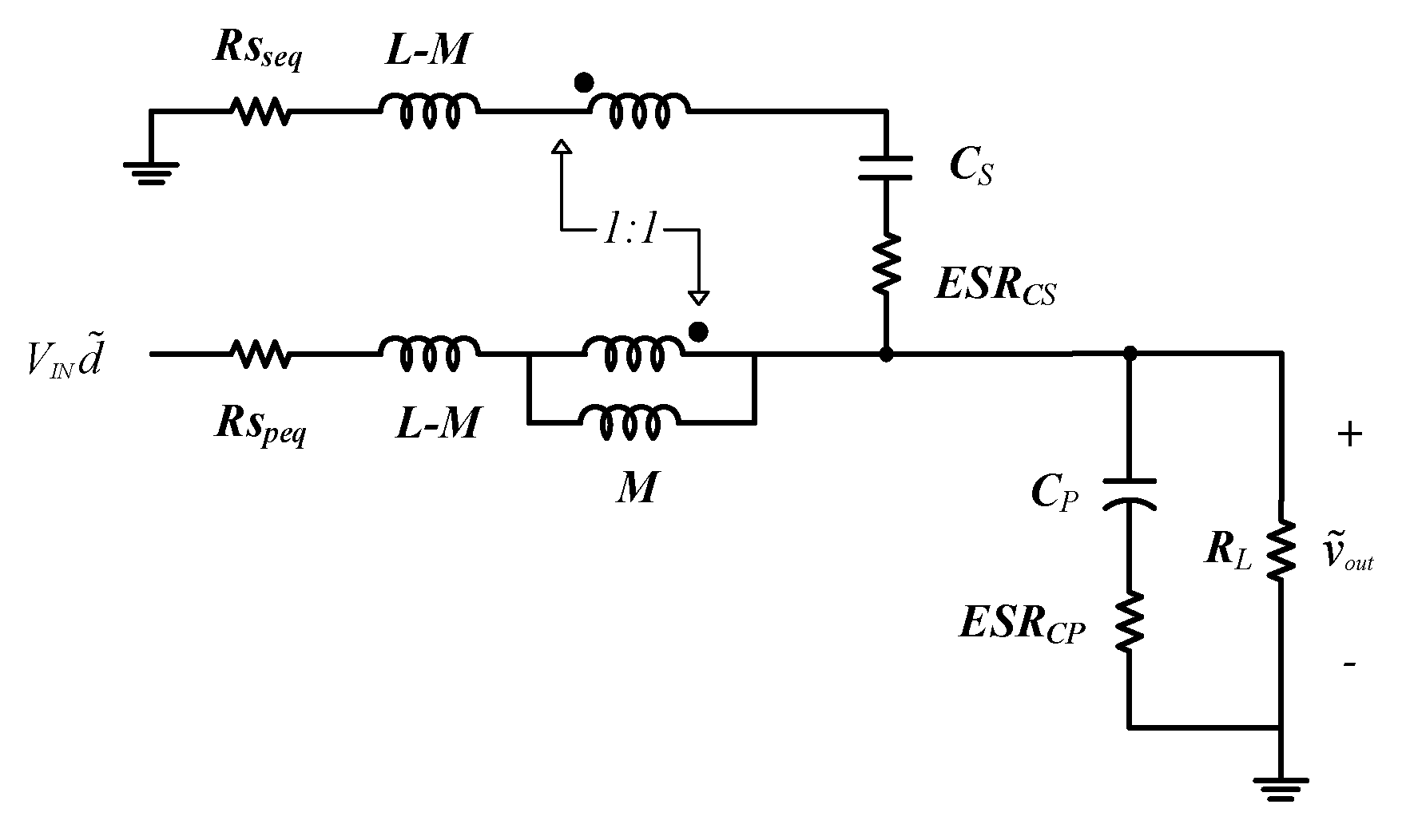
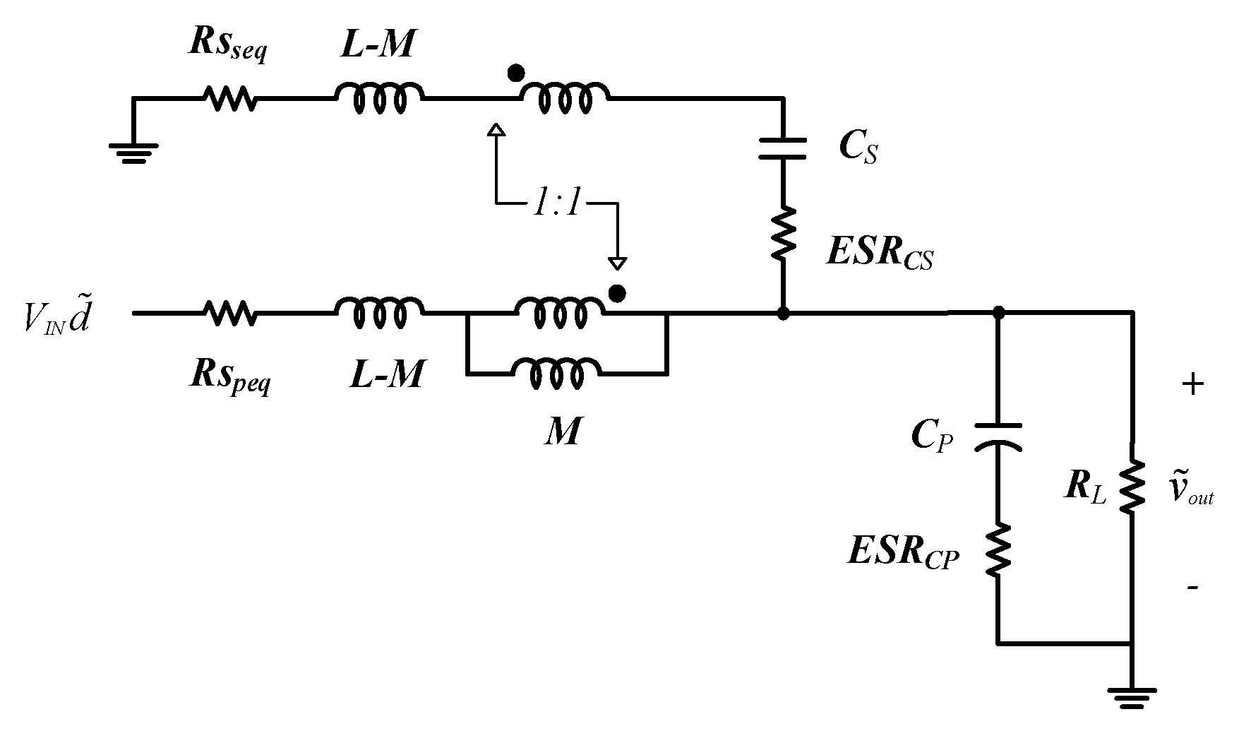
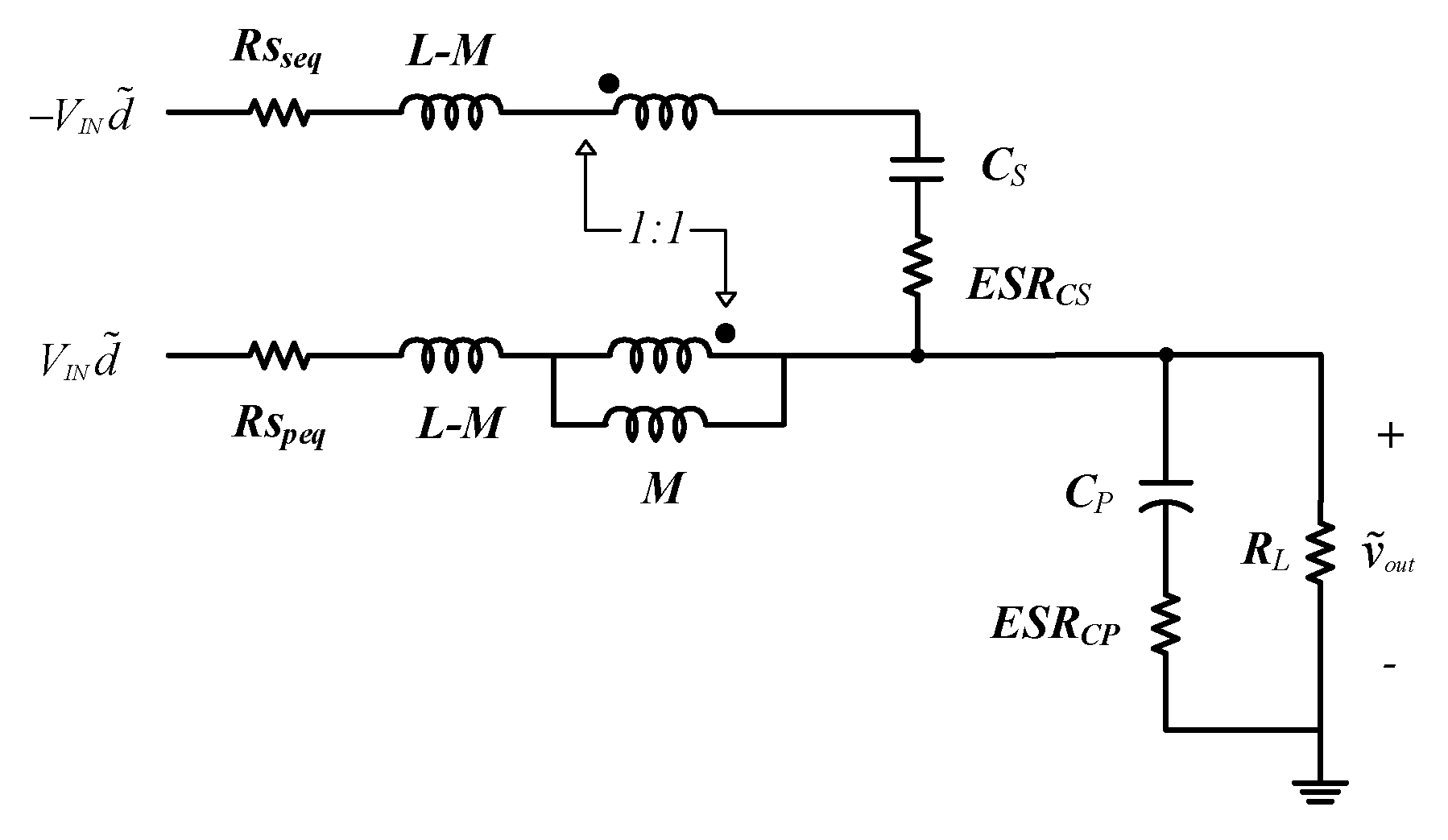
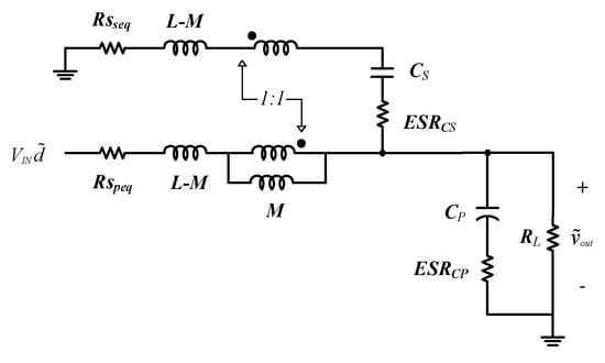
The small-signal model of the independent inductor cascaded buck converter has been proposed in the literature [22]. Its small-signal model is extended to a coupled-inductor stacked buck converter, as shown in Figure 20. In particular, RSseq and RSpeq are the total series resistance on the series path, and the resistance value is the sum of the on-resistance of the power switch and resistance of the inductor winding. Furthermore, ESRCS and ESRCP are the equivalent series resistances of the CS and CP capacitors, respectively.
To verify the accuracy of the small-signal model and determine the disturbance transfer function Gdv of duty to vout under different load conditions, the circuit parameters are shown in Table 1. RL is substituted into 2.5 Meg Ω and 2.5 Ω. Using the actual circuit operation and small-signal model, we use the simulation software to run the individual Gdv Bode diagrams, respectively Gdv_circuit and Gdv_model, as shown in Figure 21. Moreover, Figure 21 shows that Gdv_circuit and Gdv_model are consistent with each other, which proves the correctness of the small-signal model. Moreover, the worst case is when RL = 2.5 Meg Ω. Therefore, the compensator should be designed under the converter’s no-load condition. Given that Gdv_circuit is consistent with Gdv_model, the following articles will use Gdv notation to represent the disturbance transfer function of duty to vout, where Gdv = Gdv_model = Gdv_circuit.
When considering the use of boundary limit control, the stacked buck converter’s small-signal model within the boundary-limited interval should be discussed. Given that the S-arm’s duty disturbance in the boundary-limited interval is 0, the small-signal model in the boundary control interval can ground the S-arm’s duty disturbance in Figure 20. This result becomes the small-signal model of the stacked buck converter of the coupled inductance forms in the boundary limit interval. The model is shown in Figure 22.
Substitute the RL of Figure 22 into 2.5 Meg Ω, plot the disturbance transfer function Gdv_bd of duty to vout in the boundary control interval, and place it in Figure 23 together with the Gdv in Figure 21 for comparison. Figure 23 shows that the Bode plots of Gdv and Gdv_bd are extremely different regardless of the changes in gain and phase. Such characteristics will make it challenging to design the compensator with one compensator while satisfying the two closed loops’ high-frequency bandwidth and stability.
If the compensator’s design aims to satisfy Gdv and Gdv_bd, then the easiest method is to reduce the closed-loop bandwidth. Therefore, the first compensator example’s design parameters are shown in Equation (55), using single-pole compensation. Figure 24 shows the closed-loop gain under the first type of compensator, where Tv = GdvCompType1 and Tv_db = Gdv_bdCompType1. Note that Tv and Tv_bd are stable and contain sufficient gain and phase margins. However, the closed-loop bandwidth is extremely narrow.
C o m p T y p e 1 ( s ) = 2 π 10 330 1 s .
As the boundary control mode will eventually return to the ordinary operation mode, and Gdv is used as the basis for the final system stability, the second type of compensator design concept aims to design only for Gdv and disregard the stability of Gdv_bd. The design parameters of the second type of compensator are shown in Equation (56). Figure 25 shows the closed-loop gain using the second type of compensator, where Tv = GdvCompType2 and Tv_db = Gdv_bdCompType2. Note that only the closed-loop gain of Gdv is stable, while the closed-loop gain of Gdv_bd has insufficient GM and PM in two places. Although the closed-loop bandwidth of Gdv is increased, the system has unstable factors in the boundary limit control mode.
C o m p T y p e 2 ( s ) = ( 1 + s 2 π 800 ) ( 1 + s 2 π 800 ) ( 1 + s 2 π 5 ) ( 1 + s 2 π 14 k ) ( 1 + s 2 π 16 k ) .
Figure 26 compares the simulation results of the system transient response of the first and second compensators. The load resistance is switched from RL = 2.5 Meg Ω to RL = 2.5 Ω when RL is t = 70 mS. When t = 120 mS, the load resistance is switched from RL = 2.5 Ω to 2.5 Meg Ω again. Figure 26 shows that the transient response of the first type of compensator is considerably slow, the boundary limit mode is not triggered, and the system is stable but takes a long time to reach the steady-state. However, the transient response of the second type of compensator has a short recovery time. It triggers the boundary limit mode. Hence, the performance of undershoot and overshoot is better, the output voltage is stabilized for a short time, and the system returns to stability in the general operation mode. Figure 26 shows that with the second type of compensator, the system can eventually return to stability even though Tv_db has unstable factors.

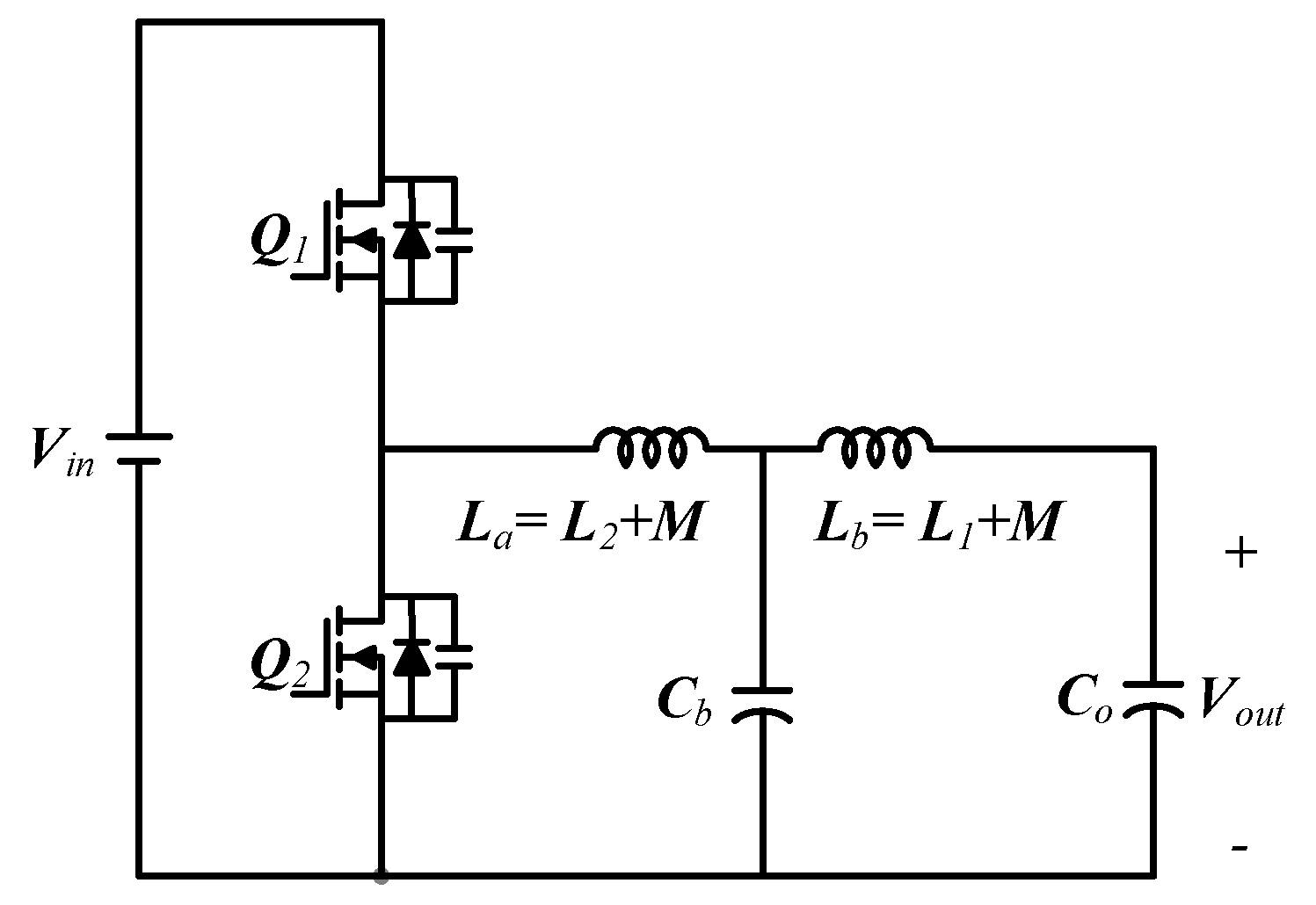
7. Implementation Verification Results

To verify the effectiveness of the low ripple dead time modulation method proposed in this study, a prototype circuit is actually made for verification. Figure 27 shows the implementation circuit diagram. Table 1 presents the implementation circuit parameters. The dead time modulation parameters are full load as an example, using the modulation parameters when RL = 2.5 Ohm. The relevant parameters are shown in Table 2.
Figure 28 shows the waveforms of vP, vS, iP, and iS, using the conventional dead time and low output ripple dead time modulation with RL = 2.5 Ω. Figure 28a shows that using the conventional dead time stacked buck converter, the iP and iS current waveforms both show a steep falling slope in the dead time interval, and it is expected that the current ripple of iP + iS cannot be accurately cancellate. Moreover, Figure 28b shows that the stacked buck converter using the low output ripple dead time modulation, the current waveforms of iP and iS present a reverse slope in the dead time interval, and the current ripple of the entire switching cycle presents a complete triangle wave. It can be expected to accurately cancellate the current ripple of iP + iS.
Figure 29 shows waveforms of vP, vS, iP + iS(AC), and io, using the conventional dead time with RL = 2.5 Ω. Figure 29 shows that using the conventional dead time stacked buck converter, in the dead time interval (t1~t2, t3~t0+T), because vP + vS < Vin, the current ripple of iP + iS has a steep falling slope.
Figure 30 shows waveforms of vP, vS, iP + iS(AC), and io, using the low output ripple dead time modulation with RL = 2.5 Ω. Figure 30 shows that using the low output ripple dead time modulation, in the dead time interval (t1~t2, t3~t0+T), since the equivalent voltage of the switching node voltage is complementary, the ripple of iP + iS can be minimized. Because the switching node’s voltage has switching noise, and the parasitic capacitance Coss of the switch will change the capacitance value with the difference of the cross voltage, the calculated Te1 and Te2 are different from the time required on the existing system. Therefore, the current ripple elimination effect in practice is not as good as the simulation result. However, it can be seen from the actual measurement results that the ripple of iP + iS has been greatly reduced, and the maximum peak to peak amount comes from the switching noise rather than the operation interval where vP and vS voltage overlap.
Figure 31 shows the waveforms of vP, vS, iP, and iS, using the conventional dead time and low output ripple dead time modulation with RL = 2.5 Ω. Figure 31a shows that using the conventional dead time stacked buck converter, the peak-to-peak ripple current of iP + iS is 2.09 A, and its RMS value is 551 mA. Moreover, Figure 28b shows that the stacked buck converter using the low output ripple dead time modulation has a peak-to-peak ripple current of iP + iS of 559 mA and its RMS value is 91 mA. The implementation results show that the use of the low output ripple dead time modulation can significantly reduce the current ripple of iP + iS.

8. Conclusions

This study aims to apply low output current ripple, comprehensively discuss existing solutions, and review their advantages and disadvantages. To save the volume of the converter and increase the transient response of the system at medium switching frequencies, a stacked buck converter was eventually selected to meet the requirements of eliminating current ripples under any duty cycle and reducing the inductance of magnetic components. Individual improvements were made to enhance the transient response and current ripple elimination function.
In terms of increasing transient response, this research proposes a boundary limit control method to replace the existing RC delay control method. The proposed method avoids the specific shortcoming that the RC delay control method cannot accelerate transient response after the compensator is saturated. Simultaneously, the small-signal model of the coupled-inductor stacked buck converter is derived. A complete description of the closed-loop compensation design under the boundary limit control method is also provided with the simulation results as support.
In terms of the current ripple elimination function, a low output ripple dead time modulation is proposed to correct the ripple elimination effect that is reduced owing to the dead time. The theoretical derivation of the dead time modulation method is properly explained in this research. The simulation and actual results show that the low output ripple dead time modulation can significantly improve the output current ripple elimination effect under the conventional dead time modulation method.

Author Contributions

Conceptualization, C.-C.H.; Data curation, C.-C.H., C.-C.L. and C.-Y.N.; Formal analysis, C.-C.H.; Funding acquisition, H.-J.C.; Investigation, C.-C.H.; Methodology, C.-C.H.; Project administration, C.-C.H.; Software, C.-C.L. and C.-Y.N.; Supervision, C.-C.H.; Validation, C.-C.H., C.-C.L. and C.-Y.N.; Visualization, C.-C.H.; Writing—original draft, C.-C.H.; Writing—review & editing, C.-C.H., Y.-C.L. and H.-J.C. All authors have read and agreed to the published version of the manuscript.

Funding

This research received no external funding.

Informed Consent Statement

Informed consent was obtained from all subjects involved in the study.

Data Availability Statement

Data available in a publicly accessible repository.

Acknowledgments

Thanks to Chroma ATE, Inc. for technical exchange and financial support in the industry-university cooperation case.

Conflicts of Interest

The authors declare no conflict of interest.

References

  1. Cusenza, M.A.; Bobba, S.; Ardente, F.; Cellura, M.; Di Persio, F.T. Energy and Environmental Assessment of a Traction Lithium-Ion Battery Pack for Plug-in Hybrid Electric Vehicles. J. Clean. Prod. 2019, 215, 634–649. [Google Scholar] [CrossRef] [PubMed]
  2. Zeng, X.; Li, M.; Abd El-Hady, D.; Alshitari, W.; Al-Bogami, A.S.; Lu, J.; Amine, K. Commercialization of Lithium Battery Technologies for Electric Vehicles. Adv. Energy Mater. 2019, 9, 1900161. [Google Scholar] [CrossRef]
  3. Miao, Y.; Hynan, P.; von Jouanne, A.; Yokochi, A. Current Li-Ion Battery Technologies in Electric Vehicles and Opportunities for Advancements. Energies 2019, 12, 1074. [Google Scholar] [CrossRef]
  4. Dehghani-Sanij, A.R.; Tharumalingam, E.; Dusseault, M.B.; Fraser, R. Study of Energy Storage Systems and Environmental Challenges of Batteries. Renew. Sustain. Energy Rev. 2019, 104, 192–208. [Google Scholar] [CrossRef]
  5. Mehrjerdi, H.; Hemmati, R. Modeling and Optimal Scheduling of Battery Energy Storage Systems in Electric Power Distribution Networks. J. Clean. Prod. 2019. [Google Scholar] [CrossRef]
  6. Li, X.; Wang, S. A Review on Energy Management, Operation Control and Application Methods for Grid Battery Energy Storage Systems. CSEE J. Power Energy Syst. 2019. [Google Scholar] [CrossRef]
  7. Cheng KW, E.; Divakar, B.P.; Wu, H.; Ding, K.; Ho, H.F. Battery-Management System (BMS) and SOC Development for Electrical Vehicles. Ieee Trans. Veh. Technol. 2011, 60, 76–88. [Google Scholar] [CrossRef]
  8. Elsayed, A.T.; Lashway, C.R.; Mohammed, O.A. Advanced Battery Management and Diagnostic System for Smart Grid Infrastructure. IEEE Trans. Smart Grid 2016, 7, 897–905. [Google Scholar] [CrossRef]
  9. Ali, M.U.; Zafar, A.; Nengroo, S.H.; Hussain, S.; Junaid Alvi, M.; Kim, H.-J. Towards a Smarter Battery Management System for Electric Vehicle Applications: A Critical Review of Lithium-Ion Battery State of Charge Estimation. Energies 2019, 12, 446. [Google Scholar] [CrossRef]
  10. Zhang, S.; Guo, X.; Dou, X.; Zhang, X. A Rapid Online Calculation Method for State of Health of Lithium-Ion Battery based on Coulomb Counting Method and Differential Voltage Analysis. J. Power Sources 2020, 479, 228740. [Google Scholar] [CrossRef]
  11. Gismero, A.; Schaltz, E.; Stroe, D.I. Recursive State of Charge and State of Health Estimation Method for Lithium-Ion Batteries Based on Coulomb Counting and Open Circuit Voltage. Energies 2020, 13, 1811. [Google Scholar] [CrossRef]
  12. Mayer, R.; Berrehil El Kattel, M.; Oliveira, S.V.G. Multi-Phase Interleaved Bidirectional DC/DC Converter with Coupled Inductor for Electrified-Vehicle Applications. IEEE Trans. Power Electron. 2020, 36, 2533–2547. [Google Scholar] [CrossRef]
  13. Wong, P.L.; Xu, P.; Yang, P.; Lee, F.C. Performance Improvements of Interleaving VRMs with Coupling Inductors. IEEE Trans. Power Electron. 2001, 16, 499–507. [Google Scholar] [CrossRef]
  14. Ting, C.Y.; Ko, C.C.; Lin, J.Y.; Chen, C.C.P. An Inductor Current Balancing Technique for FLDLL Based Four-phase Buck Converter with Transient-modulated Constant On-time Control for Load Transient Response. In Proceedings of the 2019 4th International Conference on Intelligent Green Building and Smart Grid (IGBSG), Yi-chang, China, 6–9 September 2019. [Google Scholar] [CrossRef]
  15. Mahmud, M.H.; Zhao, Y.; Zhang, Y. A Sliding Mode Duty-ratio Control with Current Balancing Algorithm for Interleaved Buck Converters. In Proceedings of the 2018 IEEE Applied Power Electronics Conference and Exposition (APEC), San Antonio, TX, USA, 4–8 March 2018. [Google Scholar] [CrossRef]
  16. Schutten, M.J.; Steigerwald, R.L.; Sabate, J.A. Ripple Current Cancellation Circuit. In Proceedings of the Eighteenth Annual IEEE Applied Power Electronics Conference and Exposition, Miami Beach, FL, USA, 9–13 February 2003. [Google Scholar] [CrossRef]
  17. Nag, S.S.; Mishra, S.; Joshi, A. A Passive Filter Building Block for Input or Output Current Ripple Cancellation in a Power Converter. IEEE J. Emerg. Sel. Top. Power Electron. 2016, 4, 564–575. [Google Scholar] [CrossRef]
  18. Huang, C.-C. A Wide-Output-Range Bi-directional DC-DC Converter with High-Bandwidth and Low-Switching-Noise Features. Ph.D. Thesis, Electronic and Computer Engineering. National Taiwan University of Science and Technology, Taipei, Taiwan, 2019. [Google Scholar]
  19. Wibben, J.; Harjani, R. A High-Efficiency DC–DC Converter Using 2 nH Integrated Inductors. IEEE J. Solid-State Circuits 2008, 43, 844–854. [Google Scholar] [CrossRef]
  20. Guilbert, D.; Sorbera, D.; Vitale, G. A Stacked Interleaved DC-DC Buck Converter for Proton Exchange Membrane Electrolyzer Applications: Design and Experimental Validation. Int. J. Hydrogen Energy 2019, 45, 64–79. [Google Scholar] [CrossRef]
  21. Carsten, B.W. Computer Products Inc. Ripple Cancellation Circuit with Fast Load Response for Switch Mode Voltage Regulators with Synchronous Rectification. US Patent 5,929,692, 27 July 1999. [Google Scholar]
  22. Liu, P.; Liao, C.; Kuo, M. A Spur-Reduction DC–DC Converter With Active Ripple Cancelation Technique. IEEE J. Emerg. Sel. Top. Power Electron. 2018, 6, 2206–2214. [Google Scholar] [CrossRef]
Figure 1. Ripple current cancellation circuit: (a) circuit architecture diagram; (b) operation sequence diagram.
Figure 1. Ripple current cancellation circuit: (a) circuit architecture diagram; (b) operation sequence diagram.
Energies 14 00064 g001
Figure 2. LL-LC circuit: (a) circuit architecture diagram; (b) operation sequence diagram.
Figure 2. LL-LC circuit: (a) circuit architecture diagram; (b) operation sequence diagram.
Energies 14 00064 g002
Figure 3. Ripple current cancellation circuit: (a) transformer type; (b) T-type equivalent form.
Figure 3. Ripple current cancellation circuit: (a) transformer type; (b) T-type equivalent form.
Energies 14 00064 g003
Figure 4. Structure diagram of the equivalent fourth-order LCLC filter of the RCCC circuit.
Figure 4. Structure diagram of the equivalent fourth-order LCLC filter of the RCCC circuit.
Energies 14 00064 g004
Figure 5. LL-LC circuit: (a) transformer type; (b) T-type equivalent form.
Figure 5. LL-LC circuit: (a) transformer type; (b) T-type equivalent form.
Energies 14 00064 g005
Figure 6. Structure diagram of the equivalent fourth-order LCLC filter of the LC-CC circuit.
Figure 6. Structure diagram of the equivalent fourth-order LCLC filter of the LC-CC circuit.
Energies 14 00064 g006
Figure 7. Stacked buck converter: (a) Circuit architecture diagram; (b) Operation sequence diagram.
Figure 7. Stacked buck converter: (a) Circuit architecture diagram; (b) Operation sequence diagram.
Energies 14 00064 g007
Figure 8. PWM controller: (a) Complementary type; (b) RC delay type.
Figure 8. PWM controller: (a) Complementary type; (b) RC delay type.
Energies 14 00064 g008
Figure 9. PWM signal of the RC delay controller in the VEA steady-, transient, and saturation states.
Figure 9. PWM signal of the RC delay controller in the VEA steady-, transient, and saturation states.
Energies 14 00064 g009
Figure 10. Schematic of the boundary limit control method.
Figure 10. Schematic of the boundary limit control method.
Energies 14 00064 g010
Figure 11. PWM signal of the boundary limit controller in the VEA steady-, transient, and saturation states.
Figure 11. PWM signal of the boundary limit controller in the VEA steady-, transient, and saturation states.
Energies 14 00064 g011
Figure 12. Simulation result of the transient response of the stacked buck converter with the complementary control method.
Figure 12. Simulation result of the transient response of the stacked buck converter with the complementary control method.
Energies 14 00064 g012
Figure 13. Simulation result of the transient response of the stacked buck converter with the boundary limit control method.
Figure 13. Simulation result of the transient response of the stacked buck converter with the boundary limit control method.
Energies 14 00064 g013
Figure 14. Stacked buck converter with coupled inductor equivalent T model.
Figure 14. Stacked buck converter with coupled inductor equivalent T model.
Energies 14 00064 g014
Figure 15. Operation sequence diagram of a stacked buck converter with conventional dead time.
Figure 15. Operation sequence diagram of a stacked buck converter with conventional dead time.
Energies 14 00064 g015
Figure 16. Operation sequence diagram of a stacked buck converter with conventional dead time (zoom in).
Figure 16. Operation sequence diagram of a stacked buck converter with conventional dead time (zoom in).
Energies 14 00064 g016
Figure 17. Operation sequence diagram of a stacked buck converter with low output ripple dead time modulation (zoom in).
Figure 17. Operation sequence diagram of a stacked buck converter with low output ripple dead time modulation (zoom in).
Energies 14 00064 g017
Figure 18. Simulation results of the output current ripple of a stacked buck converter with conventional dead time.
Figure 18. Simulation results of the output current ripple of a stacked buck converter with conventional dead time.
Energies 14 00064 g018
Figure 19. Simulation results of the output current ripple of a stacked buck converter with low output ripple dead time modulation.
Figure 19. Simulation results of the output current ripple of a stacked buck converter with low output ripple dead time modulation.
Energies 14 00064 g019
Figure 20. The small-signal model of a stacked buck converter in the form of coupled inductance.
Figure 20. The small-signal model of a stacked buck converter in the form of coupled inductance.
Energies 14 00064 g020
Figure 21. Bode plot of the Gdv transfer function of the small-signal model and the actual circuit operation of the cascaded buck converter in the form of coupled inductance.
Figure 21. Bode plot of the Gdv transfer function of the small-signal model and the actual circuit operation of the cascaded buck converter in the form of coupled inductance.
Energies 14 00064 g021
Figure 22. The small-signal model of a stacked buck converter in the form of coupled inductance within the boundary-limited interval.
Figure 22. The small-signal model of a stacked buck converter in the form of coupled inductance within the boundary-limited interval.
Energies 14 00064 g022
Figure 23. Bode plots of Gdv and Gdv_bd.
Figure 23. Bode plots of Gdv and Gdv_bd.
Energies 14 00064 g023
Figure 24. Bode plot of the closed-loop transfer function using the first compensator.
Figure 24. Bode plot of the closed-loop transfer function using the first compensator.
Energies 14 00064 g024
Figure 25. Bode plot of the closed-loop transfer function using the second compensator.
Figure 25. Bode plot of the closed-loop transfer function using the second compensator.
Energies 14 00064 g025
Figure 26. Comparison of the simulation results of the system transient response of the first and second compensators.
Figure 26. Comparison of the simulation results of the system transient response of the first and second compensators.
Energies 14 00064 g026
Figure 27. Implementation circuit diagram of a stacked buck converter in the form of coupled inductor.
Figure 27. Implementation circuit diagram of a stacked buck converter in the form of coupled inductor.
Energies 14 00064 g027
Figure 28. Measured waveforms of the switching node voltage and inductor current: (a) conventional dead time; (b) low output ripple dead time modulation. [scale vP (Ch1): 200 V/div; iP (Ch2): 5 A/div; vS (Ch3): 200V/div; iS (Ch4): 5A/div; time: 2 µs/div].
Figure 28. Measured waveforms of the switching node voltage and inductor current: (a) conventional dead time; (b) low output ripple dead time modulation. [scale vP (Ch1): 200 V/div; iP (Ch2): 5 A/div; vS (Ch3): 200V/div; iS (Ch4): 5A/div; time: 2 µs/div].
Energies 14 00064 g028aEnergies 14 00064 g028b
Figure 29. Measured waveforms of the switching node voltage, sum of inductor current ripple and output current using the conventional dead time: (a) dead time interval: t1~t2; (b) dead time interval: t3~t0+T. [scale vP (Ch1): 200 V/div; iP + iS (AC) (Ch2): 5 A/div; vS (Ch3): 200V/div; iO (Ch4): 1A/div; time: 80 ns/div].
Figure 29. Measured waveforms of the switching node voltage, sum of inductor current ripple and output current using the conventional dead time: (a) dead time interval: t1~t2; (b) dead time interval: t3~t0+T. [scale vP (Ch1): 200 V/div; iP + iS (AC) (Ch2): 5 A/div; vS (Ch3): 200V/div; iO (Ch4): 1A/div; time: 80 ns/div].
Energies 14 00064 g029
Figure 30. Measured waveforms of the switching node voltage, sum of inductor current ripple and output current using the low output ripple dead time modulation e: (a) dead time interval: t1~t2; (b) dead time interval: t3~t0+T. [scale vP (Ch1): 200 V/div; iP + iS (AC) (Ch2): 5 A/div; vS (Ch3): 200V/div; iO (Ch4): 1A/div; time: 80 ns/div].
Figure 30. Measured waveforms of the switching node voltage, sum of inductor current ripple and output current using the low output ripple dead time modulation e: (a) dead time interval: t1~t2; (b) dead time interval: t3~t0+T. [scale vP (Ch1): 200 V/div; iP + iS (AC) (Ch2): 5 A/div; vS (Ch3): 200V/div; iO (Ch4): 1A/div; time: 80 ns/div].
Energies 14 00064 g030
Figure 31. Measured waveforms of the switching node voltage and inductor current: (a) conventional dead time; (b) low output ripple dead time modulation. (scale vP (Ch1): 200 V/div; iP + iS(AC) (Ch2): 1 A/div; vS (Ch3): 200V/div; iO (Ch4): 1A/div; time: 2 µs/div).
Figure 31. Measured waveforms of the switching node voltage and inductor current: (a) conventional dead time; (b) low output ripple dead time modulation. (scale vP (Ch1): 200 V/div; iP + iS(AC) (Ch2): 1 A/div; vS (Ch3): 200V/div; iO (Ch4): 1A/div; time: 2 µs/div).
Energies 14 00064 g031aEnergies 14 00064 g031b
Table 1. Circuit parameters.
Table 1. Circuit parameters.
SymbolsParameter NamesSpecifications
fswSwitching frequency100 kHz
VinInput voltage330 V
VoutOutput voltage48 V
LSelf-inductance40 μH
MMutual inductance30 μH
CSBlocking capacitance200 μF
ESRCsBlocking capacitance series resistance30 mΩ
CPOutput capacitance150 μF
ESRCpOutput capacitance series resistance10 mΩ
RLLoad Resistance2.5 Ω
RSseqS-arm loop series equivalent impedance10 mΩ
RSpeqP-arm loop series equivalent impedance10 mΩ
CossParasitic capacitance of the Q1 to Q4 switches300 pF
Table 2. Dead time modulation parameters.
Table 2. Dead time modulation parameters.
SymbolsParameter NamesSpecifications
Tdead timeDead time100 ns
Te1The time difference between Q4 switch off and Q3 switch on32.67 ns
Te2The time difference between Q2 switch off and Q3 switch off28.37 ns
Publisher’s Note: MDPI stays neutral with regard to jurisdictional claims in published maps and institutional affiliations.

Share and Cite

MDPI and ACS Style

Huang, C.-C.; Liu, Y.-C.; Lin, C.-C.; Ni, C.-Y.; Chiu, H.-J. Stacked Buck Converter: Current Ripple Elimination Effect and Transient Response. Energies 2021, 14, 64. https://doi.org/10.3390/en14010064

AMA Style

Huang C-C, Liu Y-C, Lin C-C, Ni C-Y, Chiu H-J. Stacked Buck Converter: Current Ripple Elimination Effect and Transient Response. Energies. 2021; 14(1):64. https://doi.org/10.3390/en14010064

Chicago/Turabian Style

Huang, Chien-Chun, Yu-Chen Liu, Chia-Ching Lin, Chih-Yu Ni, and Huang-Jen Chiu. 2021. "Stacked Buck Converter: Current Ripple Elimination Effect and Transient Response" Energies 14, no. 1: 64. https://doi.org/10.3390/en14010064

APA Style

Huang, C.-C., Liu, Y.-C., Lin, C.-C., Ni, C.-Y., & Chiu, H.-J. (2021). Stacked Buck Converter: Current Ripple Elimination Effect and Transient Response. Energies, 14(1), 64. https://doi.org/10.3390/en14010064

Note that from the first issue of 2016, this journal uses article numbers instead of page numbers. See further details here.

Article Metrics

Back to TopTop