Operational Risk Assessment of Electric-Gas Integrated Energy Systems Considering N-1 Accidents
Abstract
1. Introduction
2. The Steady-State Modeling and Power Flow Calculation of EGIES
2.1. Gas Turbine Condition Analysis Model
2.2. Energy Flow Model of Gas Pressure Regulator
2.3. Natural Gas Pipeline Model
2.4. The Steady-State Power Flow Model of EGIES
2.5. Flow Calculation for EGIES
- (1)
- According to the law of conservation of mass, Kirchhoff’s first law and Kirchhoff’s second law are also applicable in natural gas systems. Correspondingly, natural gas flow solutions can be formed focusing on nodes and closed loops [20].
- (2)
- The key to solving power flow of power system and natural gas system is to use high-efficiency iterative algorithm to solve high-dimensional nonlinear equations. Therefore, the solution method represented by Newton’s method can be extended to natural gas systems [21].
3. Accident Severity Assessment Indexes of EGIES
3.1. Low-Pressure Severity Index for Natural Gas System Nodes
3.2. Gas Pipeline Overload Severity Index
3.3. Gas Flow Distribution Severity Index of Natural Gas System
3.4. Gas Load Loss Severity Index
4. EGIES Risk Assessment Considering N-1 Failure
4.1. EGIES Failure Probability Considering N-1 Failure
4.2. Risk Assessment Model of EGIES
4.3. EGIES Security Assessment Process Based on Risk Theory
- (1)
- Select the target component and formulate the corresponding component accident set for the target component; Through the simulation of component failure scenarios, the ability of EGIES to maintain normal operation was analyzed.
- (2)
- Update the running state of each component according to the proposed component accident set; EGIES steady-state model was established to analyze the operation status of typical accident scenarios. In the convergence calculation of the model, not only the convergence of the power flow of the EGIES coupling system is guaranteed, but also the operation of the system is guaranteed to meet the constraint conditions. If not, the cycle iteration is conducted by adjusting the energy coupling variable or optimizing load reduction to finally meet the operating conditions.
- (3)
- Calculate the EGIES risk. Through the established EGIES evaluation system, the vulnerability and importance of each component of the system were identified horizontally, and the main impact of the component on the system operation was evaluated vertically.
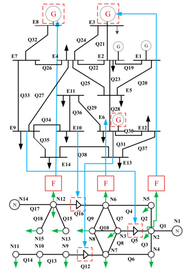
5. Case Study
- (1)
- The voltage limit range of power system nodes is between 0.95 and 1.05. The transmission power of the line is within the limit range.
- (2)
- The lower limit of the gas pressure at the natural gas pipeline network system is 45 bar; the amount of natural gas flowing through the pipeline cannot exceed its limit value; the injected gas volume of the gas sources does not exceed 25,700; the compression ratio of the compressor does not exceed 1.6, the gas volume does not exceed 7200, 1500, 8000 at the compressors Q5, Q12 and Q16.
6. Summary
Author Contributions
Funding
Conflicts of Interest
Appendix A
| Start of Pipeline i | End of Pipeline j | Length L(m) | Diameter D(mm) |
|---|---|---|---|
| 1 | 2 | 750 | 5000 |
| 2 | 3 | 400 | 5000 |
| 2 | 4 | 275 | 5000 |
| 2 | 5 | 275 | 5000 |
| 3 | 6 | 250 | 6000 |
| 3 | 7 | 275 | 6000 |
| 3 | 8 | 275 | 5000 |
| 4 | 7 | 175 | 5000 |
| 5 | 6 | 175 | 6000 |
| 6 | 8 | 200 | 500 |
| 6 | 12 | 400 | 5000 |
| 7 | 8 | 175 | 500 |
| 7 | 9 | 250 | 500 |
| 9 | 10 | 200 | 500 |
| 10 | 11 | 150 | 500 |
| 12 | 13 | 350 | 2000 |
| 12 | 14 | 750 | 5000 |
| 12 | 15 | 350 | 2000 |
| Node Number | Gas Load (m3/h) |
|---|---|
| 2 | 14,595 |
| 3 | 2000 |
| 4 | 1750 |
| 5 | 1570 |
| 6 | 8500 |
| 7 | 1500 |
| 8 | 1860 |
| 9 | 650 |
| 10 | 450 |
| 11 | 290 |
| 12 | 100,00 |
| 13 | 4000 |
| 15 | 4000 |
References
- Huang, A.Q.; Crow, M.L.; Heydt, G.T.; Zheng, J.P.; Dale, S.J. The future renewable electric energy delivery and management (FREEDM) system: The energy internet. Proc. IEEE 2011, 99, 133–148. [Google Scholar] [CrossRef]
- Geidl, M.; Koeppel, G.; Favre-Perrod, P.; Klockl, B.; Andersson, G.; Frohlich, K. Energy hubs for future. IEEE Power Energy Mag. 2007, 5, 24–30. [Google Scholar] [CrossRef]
- Wang, W.; Wang, D.; Jia, H.; Chen, Z.; Guo, B.; Zhou, H.; Fan, M. Steady state analysis of electricity-gas regional integrated energy system with consideration of NGS network status. Proc. CSEE 2017, 37, 1293–1304. [Google Scholar]
- Chen, S.; Wei, Z.; Sun, G.; Wang, D.; Zhang, Y.; Ma, Z. Stochastic look-ahead dispatch for coupled electricity and natural-gas networks. Electr. Power Syst. Res. 2018, 164, 159–166. [Google Scholar] [CrossRef]
- Shahidehpour, M.; Fu, Y.; Wiedman, T. Impact of natural gas infrastructure on electric power systems. Proc. IEEE 2005, 93, 1042–1056. [Google Scholar] [CrossRef]
- Qiao, X.; Zou, Y.; Li, Y.; Chen, Y.; Liu, F.; Jiang, L.; Cao, Y. Impact of uncertainty and correlation on operation of micro-integrated energy system. Int. J. Electr. Power Energy Syst. 2019, 112, 262–271. [Google Scholar] [CrossRef]
- Martinez-Mares, A.; Fuerte-Esquivel, C.R. A unified gas and power flow analysis in natural gas and electricity coupled networks. IEEE Trans. Power Syst. 2012, 27, 53–63. [Google Scholar] [CrossRef]
- Unsihuay-Vila, C.; Marangon-Lima, J.W.; de Souza, A.C.Z.; Perez-Arriaga, I.J.; Balestrassi, P.P. A model to long-term, multiarea, multistage and integrated expansion planning of electricity and natural gas systems. IEEE Trans. Power Syst. 2010, 25, 1154–1168. [Google Scholar] [CrossRef]
- Wu, X.; Li, Y.; Tan, Y.; Cao, Y.; Rehtanz, C. Optimal energy management for the residential MES. IET Gener. Transm. Distrib. 2019, 13, 1786–1793. [Google Scholar] [CrossRef]
- Badal, F.R.; Das, P.; Sarker, S.K.; Das, S.K. A survey on control issues in renewable energy integration and microgrid. Prot. Control Mod. Power Syst. 2019, 4, 87–113. [Google Scholar] [CrossRef]
- Annamraju, A.; Nandiraju, N. Robust frequency control in a renewable penetrated power system: An adaptive fractional order-fuzzy approach. Prot. Control Mod. Power Syst. 2019, 4, 181–195. [Google Scholar] [CrossRef]
- Wu, L.; Meng, K.; Xu, S.; Li, S.; Ding, M.; Suo, Y. Planning and optimal energy management of combined cooling, hearting and power microgrid: A review. Int. J. Energy Syst. 2014, 54, 26–37. [Google Scholar]
- Chertkov, M.; Backhaus, S.; Lebedev, V. Cascading of fluctuations in interdependent energy infrastructures: Gas-grid coupling. Appl. Energy 2015, 160, 541–551. [Google Scholar] [CrossRef]
- Zlotnik, A.; Chertkov, M.; Turitsyn, K. Assessing risk of gas shortage in coupled gas-electricity infrastructures. In Proceedings of the 2016 49th Hawaii International Conference on System Sciences (HICSS), Koloa, HI, USA, 5–8 January 2016. [Google Scholar]
- Chen, B.; Liao, Q.; Liu, T.; Wang, W.; Wang, Z.; Chen, S. Comprehensive evaluation indices and methods for regional integrated energy system. Autom. Electr. Power Syst. 2018, 42, 174–182. [Google Scholar]
- Antenucc, N.; Sansavini, D. Adequacy and security analysis of interdependent electric and gas networks. Proc. Inst. Mech. Eng. Part O J. Risk Reliab. 2018, 232, 121–129. [Google Scholar]
- Yu, J.; Liao, Q.; Ma, M.; Guo, L.; Zhang, S. Reliability evaluation of integrated electrical and natural-gas system with power-to-gas. Proc. CSEE 2018, 38, 708–715. [Google Scholar]
- Zhang, Y. Study on the Methods for Analyzing Combined Gas and Electricity Networks; China Electric Power Research Institute: Beijing, China, 2005. [Google Scholar]
- Osiadacz, A.J. Simulation and Analysis of Gas Network; E. & F.N. Spon Ltd.: London, UK, 1986. [Google Scholar]
- Abeysekera, M.; Wu, J.; Jenkins, N.; Rees, M. Steady state analysis of gas networks with distributed injection of alternative gas. Appl. Energy 2016, 164, 991–1002. [Google Scholar] [CrossRef]
- Munoz, J.; Jimenez-Redondo, N.; Perez-Ruiz, J. Natural gas network modeling for power systems reliability studies. In Proceedings of the 2003 IEEE Power Tech Conference Proceedings, Bologna, Italy, 23–26 June 2003. [Google Scholar]
- Liu, P.; Li, H.; Zhao, Y. Power grid security risk assessment considering comprehensive element importance index. Electr. Power Autom. Equip. 2015, 35, 132–138. [Google Scholar]
- Cao, Y.; Wang, G.; Cao, L.; Ding, L. An identification model for self-organized criticality of power flow entropy. Autom. Electr. Power Syst. 2011, 35, 1–6. [Google Scholar]
- Praks, P.; Kopustinskas, V.; Masera, M. Probabilistic modelling of security of supply in gas networks and evaluation of new infrastructure. Reliab. Eng. Syst. Saf. 2015, 144, 254–264. [Google Scholar] [CrossRef]
- Chen, H.; Jiang, Q.; Cao, Y.; Han, Z. Risk-Based Vulnerability Assessment in Complex Power Systems. Power Syst. Technol. 2005, 29, 12–17. [Google Scholar]
- Hua, W.; McCalley, J.D.; Vittal, V. Risk based voltage security assessment. IEEE Trans. Power Syst. 2000, 15, 1247–1254. [Google Scholar]
- Tee, K.F.; Pesinis, K. Reliability prediction for corroding natural gas pipelines. Tunn. Undergr. Space Technol. 2017, 65, 91–105. [Google Scholar] [CrossRef]
- San, M.; Bao, M.; Ding, Y.; Xue, Y.; Yang, Y. Identification of Vulnerable Lines in Power Grid Considering Impact of Natural Gas Network. Autom. Electr. Power Syst. 2019, 43, 34–43. [Google Scholar]







| Ranking | Element | Comprehensive Risk Index Value |
|---|---|---|
| 1 | Q32 | 3.874359 |
| 2 | Q1 | 3.547659 |
| 3 | Q17 | 3.005848 |
| 4 | Q33 | 2.898421 |
| 5 | Q5 | 2.687361 |
| 6 | Q35 | 2.308918 |
| 7 | Q16 | 2.143113 |
| 8 | Q29 | 1.904551 |
| 9 | Q24 | 1.583715 |
| 10 | Q8 | 1.285279 |
| Ranking | The Method in This Paper | The Method in Reference [28] |
|---|---|---|
| 1 | Q32 | Q32 |
| 2 | Q1 | Q1 |
| 3 | Q17 | Q5 |
| 4 | Q33 | Q16 |
| 5 | Q5 | Q24 |
| 6 | Q35 | Q8 |
| 7 | Q16 | Q12 |
| 8 | Q29 | Q23 |
| 9 | Q24 | Q35 |
| 10 | Q8 | Q33 |
© 2020 by the authors. Licensee MDPI, Basel, Switzerland. This article is an open access article distributed under the terms and conditions of the Creative Commons Attribution (CC BY) license (http://creativecommons.org/licenses/by/4.0/).
Share and Cite
Liu, H.; Li, Y.; Cao, Y.; Zeng, Z.; Sidorov, D. Operational Risk Assessment of Electric-Gas Integrated Energy Systems Considering N-1 Accidents. Energies 2020, 13, 1208. https://doi.org/10.3390/en13051208
Liu H, Li Y, Cao Y, Zeng Z, Sidorov D. Operational Risk Assessment of Electric-Gas Integrated Energy Systems Considering N-1 Accidents. Energies. 2020; 13(5):1208. https://doi.org/10.3390/en13051208
Chicago/Turabian StyleLiu, Hua, Yong Li, Yijia Cao, Zilong Zeng, and Denis Sidorov. 2020. "Operational Risk Assessment of Electric-Gas Integrated Energy Systems Considering N-1 Accidents" Energies 13, no. 5: 1208. https://doi.org/10.3390/en13051208
APA StyleLiu, H., Li, Y., Cao, Y., Zeng, Z., & Sidorov, D. (2020). Operational Risk Assessment of Electric-Gas Integrated Energy Systems Considering N-1 Accidents. Energies, 13(5), 1208. https://doi.org/10.3390/en13051208

