Effects of Organ-Pipe Chamber Geometry on the Frequency and Erosion Characteristics of the Self-Excited Cavitating Waterjet
Abstract
1. Introduction
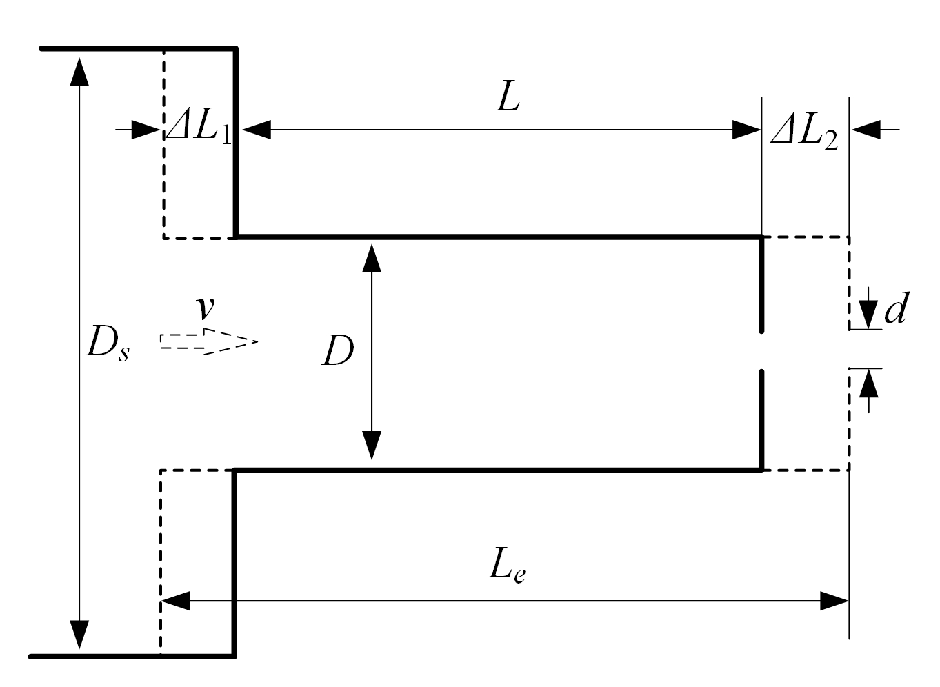
2. Experiment
3. Results and Discussion
3.1. Resonant Frequency Characteristics of the Self-Excited Waterjet
3.2. Frequency and Erosion Characteristics with Various Upstream Contraction Ratios
3.3. Frequency and Erosion Characteristics with Various Downstream Contraction Ratios
3.4. Discussion
4. Conclusions
Author Contributions
Funding
Conflicts of Interest
References
- Fang, Z.; Wu, Q.; Zhang, M.; Liu, H.; Jiang, P.; Li, D. Large Eddy Simulation of Self-Excited Oscillation Pulsed Jet (SEOPJ) Induced by a Helmholtz Oscillator in Underground Mining. Energies 2019, 12, 2161. [Google Scholar] [CrossRef]
- Liu, C.; Xia, B.; Lu, Y. Coalbed Methane Extraction Using the Self-Oscillating Water Jet Slotting Method. Energies 2018, 11, 897. [Google Scholar] [CrossRef]
- Careddu, N.; Akkoyun, O. An investigation on the efficiency of water-jet technology for graffiti cleaning. J. Cult. Herit. 2016, 19, 426–434. [Google Scholar] [CrossRef]
- Tripathi, R.; Hloch, S.; Chattopadhyaya, S.; Klichová, D.; Ščučka, J.; Das, A.K. Application of the pulsating and continous water jet for granite erosion. Int. J. Rock Mech. Min. Sci. 2020, 126, 104209. [Google Scholar] [CrossRef]
- Shanmugam, D.; Masood, S. An investigation on kerf characteristics in abrasive waterjet cutting of layered composites. J. Mater. Process. Technol. 2009, 209, 3887–3893. [Google Scholar] [CrossRef]
- Raj, P.; Hloch, S.; Tripathi, R.; Srivastava, M.; Nag, A.; Klichová, D.; Klich, J.; Hromasová, M.; Muller, M.; Miloslav, L.; et al. Investigation of sandstone erosion by continuous and pulsed water jets. J. Manuf. Process. 2019, 42, 121–130. [Google Scholar] [CrossRef]
- Foldyna, J.; Sitek, L.; Švehla, B.; Švehla, Š. Utilization of ultrasound to enhance high-speed water jet effects. Ultrason. Sonochem. 2004, 11, 131–137. [Google Scholar] [CrossRef]
- Selvam, R.; Karunamoorthy, L.; Arunkumar, N. Investigation on performance of abrasive water jet in machining hybrid composites. Mater. Manuf. Process. 2017, 32, 700–706. [Google Scholar] [CrossRef]
- Soyama, H. Key factors and applications of cavitation peening. Int. J. Peen. Sci. Technol. 2017, 1, 3–60. [Google Scholar]
- Conn, A.F.; Johnson, V., Jr.; Liu, H.; Frederick, G. Evaluation of CAVIJET Cavitating Jets for Deep-Hole Rock Cutting; Technical Report; Hydronautics, Inc.: Laurel, MD, USA, 1981. [Google Scholar]
- Hloch, S.; Adamčík, P.; Nag, A.; Srivastava, M.; Čuha, D.; Müller, M.; Hromasová, M.; Klich, J. Hydrodynamic ductile erosion of aluminium by a pulsed water jet moving in an inclined trajectory. Wear 2019, 428, 178–192. [Google Scholar] [CrossRef]
- Ball, C.; Fellouah, H.; Pollard, A. The flow field in turbulent round free jets. Prog. Aerosp. Sci. 2012, 50, 1–26. [Google Scholar] [CrossRef]
- Li, D.; Wang, Z.; Yuan, M.; Fan, Q.; Wang, X. Effects of Nozzle Exit Angle on the Pressure Characteristics of SRWJs Used for Deep-Hole Drilling. Appl. Sci. 2019, 9, 155. [Google Scholar] [CrossRef]
- Johnson, V., Jr.; Lindenmuth, W.; Conn, A.; Frederick, G. Feasibility Study of Tuned-Resonator, Pulsating Cavitating Water Jet for Deep-Hole Drilling; Technical Report; Sandia National Labs.: Albuquerque, NM, USA; Hydronautics, Inc.: Laurel, MD, USA, 1981. [Google Scholar]
- Chahine, G. Mechanics and application of self-resonating cavitating jets. In Proceedings of the International Symposium on Jets & Cavities, Miami Beach, FL, USA, 17–22 Novermber 1985; pp. 21–33. [Google Scholar]
- Li, D.; Kang, Y.; Ding, X.; Liu, W. Experimental study on the effects of feeding pipe diameter on the cavitation erosion performance of self-resonating cavitating waterjet. Exp. Therm Fluid Sci. 2017, 82, 314–325. [Google Scholar] [CrossRef]
- Gensheng, L.; Zhonghou, S.; Changshan, Z.; Debin, Z.; Hongbing, C. Investigation and application of self-resonating cavitating water jet in petroleum engineering. Pet. Sci. Technol. 2005, 23, 1–15. [Google Scholar] [CrossRef]
- Chahine, G.L.; Johnson, V.E., Jr.; Lindenmuth, W.T.; Frederick, G.S. The use of self-resonating cavitating water jets for underwater sound generation. J. Acoust. Soc. Am. 1985, 77, 113–126. [Google Scholar] [CrossRef]
- Pan, Y.; Cai, T.; Ma, F.; Qiu, L.; Cui, L. Self-excited Frequency Estimation Model of Organ-pipe Waterjet under Confining Pressure. J. Mech. Eng. 2018, 54, 220–225. (In Chinese) [Google Scholar] [CrossRef]
- Cai, T.; Liu, B.; Ma, F.; Pan, Y. Influence of nozzle lip geometry on the Strouhal number of self-excited waterjet. Exp. Therm Fluid Sci. 2020, 112, 109978. [Google Scholar] [CrossRef]
- Chahine, G.; Genoux, P.F.; Johnson, V., Jr.; Frederick, G. Analytical and Experimental Study of the Acoustics and the Flow Field Characteristics of Cavitating Self-Resonating Water Jets; Technical Report; Tracor Hydronautics, Inc.: Laurel, MD, USA, 1984. [Google Scholar]
- Wang, X.; Kang, Y.; Zhang, M.; Yuan, M.; Li, D. The Effects of the Downstream Contraction Ratio of Organ-Pipe Nozzle on the Pressure Oscillations of Self-Resonating Waterjets. Energies 2018, 11, 3137. [Google Scholar] [CrossRef]
- Li, D.; Kang, Y.; Ding, X.; Wang, X.; Fang, Z. Effects of area discontinuity at nozzle inlet on the characteristics of self-resonating cavitating waterjet. Chin. J. Mech. Eng. 2016, 29, 813–824. [Google Scholar] [CrossRef]
- Johnson, V.; Chahine, G.; Lindenmuth, W.; Conn, A.; Frederick, G.; Giacchino, G. Cavitating and structured jets for mechanical bits to increase drilling rate Part I: Theory and concepts. J. Energy Res. Technol. 1984, 106, 282–288. [Google Scholar] [CrossRef]
- Cai, T.; Pan, Y.; Ma, F.; Cui, L.; Qiu, L. Detection method of the self-resonating waterjet characteristic based on the flow signal in a pipeline. Chin. J. Eng. 2019, 41, 377–383. [Google Scholar]
- Johnson, V.E., Jr.; Lindenmuth, W.T.; Chahine, G.L.; Conn, A.F.; Frederick, G.S. Research and Development of Improved Cavitating Jets for Deep-hole Drilling; Technical Report; Hydronautics, Inc.: Laurel, MD, USA, 1984. [Google Scholar]
- Soyama, H. Effect of nozzle geometry on a standard cavitation erosion test using a cavitating jet. Wear 2013, 297, 895–902. [Google Scholar] [CrossRef]
- Chahine, G.L.; Johnson, V.E., Jr.; Frederick, G.S. Self Resonating Pulsed Water Jets for Aircraft Coating Removal: Feasibility Study; Technical Report; HYDRONAUTICS INC.: Laurel, MD, USA, 1982. [Google Scholar]
- Petersen, R.; Clough, R. The influence of higher harmonics on vortex pairing in an axisymmetric mixing layer. J. Fluid Mech. 1992, 239, 81–98. [Google Scholar] [CrossRef]
- Black, A.; Chahine, G.; Raymond, D.W.; Matthews, O.; Grossman, J.W.; Bertagnolli, K.U.; Vail, M.U. Development and Testing of a Mudjet-Augmented PDC Bit; Technical Report; Sandia National Laboratories: Albuquerque, NM, USA, 2006. [Google Scholar]
- Kinsler, L.E.; Frey, A.R.; Coppens, A.B.; Sanders, J.V. Fundamentals of Acoustics, 4th ed.; Lawrence, E.K., Austin, R.F., Alan, B.C., James, V.S., Eds.; Wiley-VCH: Hoboken, NJ, USA, 1999; p. 560. ISBN 0-471-84789-5. [Google Scholar]










| Performance | Parameters |
|---|---|
| Model | 102B03 |
| Measurement Range | 69 MPa |
| Maximum Pressure | 103.42 MPa |
| Resonant frequency | ≥500 kHz |
| Non-Linearity | ≤1% FS |
| Performance | Parameters |
|---|---|
| Model | RSH-10 |
| Usable frequency range | 1–200 kHz |
| Linear frequency range | 1–100 kHz |
| Receiving sensitivity nominal | ≥210 dB |
| d (mm) | L (mm) | ||
|---|---|---|---|
| 1.5–6 | 5 | 2 | 24 |
| 3 | 2–12 | 2 | 24 |
| Name | Parameters |
|---|---|
| Upstream pressure | 15 MPa |
| Material | Aluminum |
| Attack angle | |
| Water temperature | 18 °C |
| Erosion time t | 5 min |
© 2020 by the authors. Licensee MDPI, Basel, Switzerland. This article is an open access article distributed under the terms and conditions of the Creative Commons Attribution (CC BY) license (http://creativecommons.org/licenses/by/4.0/).
Share and Cite
Cai, T.; Pan, Y.; Ma, F.; Xu, P. Effects of Organ-Pipe Chamber Geometry on the Frequency and Erosion Characteristics of the Self-Excited Cavitating Waterjet. Energies 2020, 13, 978. https://doi.org/10.3390/en13040978
Cai T, Pan Y, Ma F, Xu P. Effects of Organ-Pipe Chamber Geometry on the Frequency and Erosion Characteristics of the Self-Excited Cavitating Waterjet. Energies. 2020; 13(4):978. https://doi.org/10.3390/en13040978
Chicago/Turabian StyleCai, Tengfei, Yan Pan, Fei Ma, and Pingping Xu. 2020. "Effects of Organ-Pipe Chamber Geometry on the Frequency and Erosion Characteristics of the Self-Excited Cavitating Waterjet" Energies 13, no. 4: 978. https://doi.org/10.3390/en13040978
APA StyleCai, T., Pan, Y., Ma, F., & Xu, P. (2020). Effects of Organ-Pipe Chamber Geometry on the Frequency and Erosion Characteristics of the Self-Excited Cavitating Waterjet. Energies, 13(4), 978. https://doi.org/10.3390/en13040978
