Self-Powered Autonomous Wireless Sensor Node by Using Silicon-Based 3D Thermoelectric Energy Generator for Environmental Monitoring Application
Abstract
1. Introduction
2. Device and System Design Issues
2.1. Thermoelectric Device Design Issues
2.2. Proposed EMIC and WSN System Design Issues
3. Thermoelectric Generator
3.1. TEG Device Fabrication Process
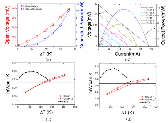
3.2. TEG Module Fabrication and Measurement
4. Energy Management IC for Silicon TEG
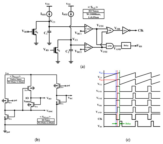
4.1. Proposed Energy Management IC
4.2. Energy Management IC Measurement Results
5. Self-Powered Autonomous Wireless Sensor Node
5.1. Proposed RF Module with Bluetooth Module, MCU, and Sensor
5.2. Autonomous Wireless Sensor Node System
5.3. Rechargeable Battery Charging Experiment with 3D Silicon TEG
6. Conclusions
Author Contributions
Funding
Conflicts of Interest
References
- Tiwari, H.D.; Kim, J.H. Novel Method for DNA-Based Elliptic Curve Cryptography for IoT Devices. ETRI J. 2018, 40, 396–409. [Google Scholar] [CrossRef]
- Yoon, Y.S.; Zo, H.; Choi, M.; Lee, D.; Lee, H.W. Exploring the Dynamic Knowledge Structure of Studies on the Internet of Things: Keyword Analysis. ETRI J. 2018, 40, 745–758. [Google Scholar] [CrossRef]
- Cicioğlu, M.; Çalhan, A. SDN-based wireless body area network routing algorithm for healthcare architecture. ETRI J. 2019, 41, 452–464. [Google Scholar] [CrossRef]
- Dong, Y.; Wang, T.; Li, S.; Cui, M.; Wu, H. Energy Harvesting Technologies for Tire Pressure Monitoring Systems. ETRI J. 2019, 41, 326–336. [Google Scholar] [CrossRef]
- Roundy, S.; Wright, P.K. A Piezoelectric Vibration Based Generator for Wireless Electronics. Smart Mater. Struct. 2004, 13, 1131–1142. [Google Scholar] [CrossRef]
- Kang, T.; Kim, J.; Park, S.; Son, K.; Park, K.; Lee, J.; Kang, S.; Choi, B. Evaluation of a Betavoltaic Energy Converter Supporting Scalable Modular Structure. ETRI J. 2019, 41, 254–261. [Google Scholar] [CrossRef]
- Hudak, N.S.; Amatucci, G.G. Small-Scale Energy Harvesting Through Thermoelectric, Vibration, and Radiofrequency Power Conversion. J. Appl. Physics 2008, 103, 101301–101324. [Google Scholar] [CrossRef]
- Kim, M.Y.; Oh, T.S.; Kim, J.S. Annealing Behavior of Bi2Te3 Thermoelectric Semiconductor Electrodeposited for Nanowire Applications. J. Korean Phys. Soc. 2007, 50, 670–676. [Google Scholar]
- Liu, H.; Zhong, J.; Lee, C.; Lee, S.W.; Lin, L. A comprehensive review on piezoelectric energy harvesting technology: Materials, mechanisms, and applications. Appl. Physics Rev. 2018, 5, 041306. [Google Scholar] [CrossRef]
- Shi, Q.; He, T.; Lee, C. More than energy harvesting—Combining triboelectric nanogenerator and flexible electronics technology for enabling novel micro-/nano-systems. Nano Energy 2019, 57, 851–871. [Google Scholar] [CrossRef]
- Wang, J.; He, T.; Lee, C. Development of neural interfaces and energy harvesters towards self-powered implantable systems for healthcare monitoring and rehabilitation purposes. Nano Energy 2019, 65, 104039. [Google Scholar] [CrossRef]
- Haras, M.; Skotnicki, T. Thermoelectricity for IoT—A review. Nano Energy 2018, 54, 461–476. [Google Scholar] [CrossRef]
- Yan, J.; Liao, X. Review of Micro Thermoelectric Generator. IEEE JMEMS 2018, 27, 1–18. [Google Scholar] [CrossRef]
- Petsagkourakis, I.; Tybrandt, K.; Crispin, X.; Ohkubo, I.; Satoh, N.; Mori, T. Thermoelectric materials and applications for energy harvesting power generation. STAM 2018, 19, 836–862. [Google Scholar] [PubMed]
- Liu, H.; Zhang, J.; Shi, Q.; He, T.; Chen, T.; Sun, L.; Dziuban, J.A.; Lee, C. Development of a Thermoelectric and Electromagnetic Hybrid Energy Harvester from Water Flow in an Irrigation System. Micromachines 2018, 9, 395. [Google Scholar] [CrossRef] [PubMed]
- Kim, S.J.; We, J.H.; Cho, B.J. A wearable thermoelectric generator fabricated on a glass fabric. Energy Environ. Sci. 2014, 7, 1959. [Google Scholar] [CrossRef]
- Xie, J.; Lee, C.; Wang, M.F.; Feng, H. Seal and encapsulate cavities for CMOS MEMS thermoelectric power generators. J. Vacuum Sci. Technol. B 2011, 29, 021401. [Google Scholar] [CrossRef]
- Kao, P.H.; Shih, P.J.; Dai, C.L.; Liu, M.C. Design, Fabrication and characterization of CMOS MEMS-Based Thermoelectric Power Generators. IEEE/ASME J. Microelectromech. Syst. 2010, 19, 317–324. [Google Scholar]
- Xie, J.; Lee, C.; Liu, Y.; Wang, M.F.; Skotnicki, T. Characterization of heavily doped polysilicon films for CMOS-MEMS thermoelectric power generators. J. Micromech. Microeng. 2009, 19, 125029. [Google Scholar] [CrossRef]
- Choi, W.; Jun, D.; Kim, S.; Shin, M.; Jang, M. Thermoelectric characteristics of Pt-silicide/silicon multi-layer structured p-type silicon. Energy 2015, 82, 180–183. [Google Scholar] [CrossRef]
- Watanabe, T. Silicon-based Micro Thermoelectric Generator Fabricated by CMOS Compatible Process. In Proceedings of the 2017 IEEE International Meeting for Future of Electron Devices, Kansai (IMFEDK), Kyoto, Japan, 29–30 June 2017. [Google Scholar]
- Perez-Marín, A.P.; Ferrando, P.; Lopeandía, A.F.; Garcia, G.; Abad, L.; Lopez, A.M.; Muñoz-Pascial, F.X.; Rpdrígiez-Viejo, J. Micropower thermoelectric generator from thin Si membranes. Nano Energy 2014, 4, 73–80. [Google Scholar] [CrossRef]
- LTC3108 Datasheet, Linear Tech. Available online: https://www.analog.com/media/en/technical-documentation/data-sheets/LTC3108.pdf (accessed on 1 October 2019).
- TI bq25504 Datasheet, Texas Ins. Available online: http://www.ti.com/lit/ds/symlink/bq25504.pdf (accessed on 1 October 2019).
- Im, J.P.; Moon, S.E.; Lyuh, C.G. Transformer-Reuse Reconfigurable Synchronous Boost Converter with 20 mV MPPT-Input, 88% Efficiency, and 37 mW Maximum Output Power. ETRI J. 2016, 38, 654–664. [Google Scholar]
- Im, J.P.; Wang, S.W.; Lee, K.H.; Woo, Y.J.; Yuk, U.S.; Kong, T.H.; Hong, S.W.; Ryu, S.T.; Cho, G.H. A 40 mV transformer-reuse self-startup boost converter with MPPT control for thermoelectric energy harvesting. In Proceedings of the 2012 IEEE International Solid-State Circuits Conference, ISSCC 2012, San Francisco, CA, USA, 19–23 February 2012; pp. 104–105. [Google Scholar]
- Im, J.P.; Wang, S.W.; Ryu, S.T.; Cho, G.H. A 40 mV Transformer-Reuse Self-Startup Boost Converter with MPPT Control for Thermoelectric Energy Harvesting. IEEE J. Solid-State Circuits 2012, 47, 3055–3067. [Google Scholar] [CrossRef]
- FerroTec. Available online: http://www.ferrotec-global.com/tech_2_2.php?lang=en (accessed on 28 January 2020).
- Eom, Y.-S.; Choi, K.-S.; Moon, S.-H.; Park, J.H.; Lee, J.H.; Moon, J.T. Characterization of a Hybrid Cu Paste as an Isotropic Conductive Adhesive. ETRI J. 2011, 33, 864–870. [Google Scholar] [CrossRef]
- Livingcare Development. Available online: http://lcdm.co.kr/ (accessed on 28 January 2020).
- Cho, S.K.; Kim, N.; Park, S.; Kim, S. A Coreless Maximum Power Point Tracking Circuit of Thermoelectric Generators for Battery Charging Systems. In Proceedings of the 2010 IEEE Asian Solid-State Circuits Conference, Beijing, China, 8–10 November 2010; pp. 1–4. [Google Scholar]
- Seok, M.; Kim, G.; Blaauw, D.; Sylvester, D. A Portable 2-Transistor Picowatt Temperature Compensated Voltage Reference Operating at 0.5 V. IEEE J. Solid-State Circuits 2012, 47, 2534–2545. [Google Scholar] [CrossRef]
- Ramadass, Y.K.; Chandrakasan, A.P. A Battery-Less Thermoelectric Energy Harvesting Interface Circuit With 35 mV Startup Voltage. IEEE J. Solid-State Circuits 2011, 46, 333–341. [Google Scholar] [CrossRef]


















| HCP Components | Value |
|---|---|
| Fluxing resin (wt.%) | 20.7 |
| Ag-Coated Cu (wt.%) | 43.4 |
| Sn/3.0Ag/0.5Cu (wt.%) | 35.9 |
| Thermal Conductivity (W/m×K) at 25°C | 3.79 |
| Internal Voltage | Value |
|---|---|
| VRO (reference voltage for output regulation) | 0.8 V |
| VRC1 (reference voltage for C1) | 0.35 V |
| VRC2 (reference voltage for C2) | 0.35 V |
| VRMC (reference voltage for mode change) | 0.35 V |
| Input Voltage | Efficiency |
|---|---|
| 50 mv | 43.30% |
| 100 mV | 73.70% |
| 200 mV | 77.50% |
| 300 mV | 78.70% |
| 400 mV | 78.40% |
| 500 mV | 78.30% |
| 600 mV | 78.40% |
| 700 mV | 78.10% |
| 800 mV | 78.30% |
| 900 mV | 78.00% |
| 1 V | 77.50% |
| Components | Value |
|---|---|
| PTO (TEG output Power) | 10 mW |
| PEI (EMIC Input Power) | 5 mW |
| LE (EMIC Loss) | 1 mW |
| PSRS (Standby power of TM module with Sensor) | 2.8 mW |
| EORS (Operating Energy of TM module with Sensor) | 60 mJ |
© 2020 by the authors. Licensee MDPI, Basel, Switzerland. This article is an open access article distributed under the terms and conditions of the Creative Commons Attribution (CC BY) license (http://creativecommons.org/licenses/by/4.0/).
Share and Cite
Im, J.-P.; Kim, J.H.; Lee, J.W.; Woo, J.Y.; Im, S.Y.; Kim, Y.; Eom, Y.-S.; Choi, W.C.; Kim, J.S.; Moon, S.E. Self-Powered Autonomous Wireless Sensor Node by Using Silicon-Based 3D Thermoelectric Energy Generator for Environmental Monitoring Application. Energies 2020, 13, 674. https://doi.org/10.3390/en13030674
Im J-P, Kim JH, Lee JW, Woo JY, Im SY, Kim Y, Eom Y-S, Choi WC, Kim JS, Moon SE. Self-Powered Autonomous Wireless Sensor Node by Using Silicon-Based 3D Thermoelectric Energy Generator for Environmental Monitoring Application. Energies. 2020; 13(3):674. https://doi.org/10.3390/en13030674
Chicago/Turabian StyleIm, Jong-Pil, Jeong Hun Kim, Jae Woo Lee, Ji Yong Woo, Sol Yee Im, Yeriaron Kim, Yong-Sung Eom, Won Chul Choi, Jun Soo Kim, and Seung Eon Moon. 2020. "Self-Powered Autonomous Wireless Sensor Node by Using Silicon-Based 3D Thermoelectric Energy Generator for Environmental Monitoring Application" Energies 13, no. 3: 674. https://doi.org/10.3390/en13030674
APA StyleIm, J.-P., Kim, J. H., Lee, J. W., Woo, J. Y., Im, S. Y., Kim, Y., Eom, Y.-S., Choi, W. C., Kim, J. S., & Moon, S. E. (2020). Self-Powered Autonomous Wireless Sensor Node by Using Silicon-Based 3D Thermoelectric Energy Generator for Environmental Monitoring Application. Energies, 13(3), 674. https://doi.org/10.3390/en13030674
