Abstract
Modern power systems must provide efficient, reliable, and environmentally responsible energy. Recently, the inclusion of Microgrids (MGs) has allowed us to overcome some difficulties and face important challenges in this direction, especially related to the use of alternative energy sources. Increased and probabilistic demand, as well as limited energy supply, pose the need to evaluate the reliability of any distribution system (DS) when MGs are introduced. Here we reviewed and classified the state-of-the-art of reliability assessment (RA) in MGs. Initially, we contextualize RA in distribution systems. Next, each of the MGs subsystems components are introduced and the questions (1) why is it important to evaluate the reliability in Microgrids? (2) how do Microgrids influence the reliability of distribution systems? and (3) how does each of its subsystems influence the reliability of the Microgrids? are addressed. A total of 1395 research studies were published between 2002 and 2020. Using the PRISMA model, 147 met the inclusion criteria (71% correspond to research papers and 29% to reviews; 62% were published in journals, 34% were conference papers and 4% were books). The first study dates from 1971. Despite immense advances in MGs, we identified that (1) real test systems constitute an emerging trend; (2) although new MG configurations sound promising, the development and application of new RA techniques are a necessary step towards the identification of potential pitfalls of such architectures; (3) new RA methods or variations of the existing ones, whether analytical or simulation-based, are constantly being proposed, but their comparison for a particular DS, including MGs, are yet to be performed; and (4) more research studies are needed to assess how new control strategies and information and communications technology impact MGs reliability. Future lines of research could build upon these gaps to enhance reliability, especially when alternative energy resources are available.
1. Introduction
Modern power systems face great challenges due to the growing energy demand, which is expected to double in 20 years, the aging of current transmission and distribution electricity networks, and global warming, since electricity generation currently causes 24% of greenhouse gas emissions [1]. These problems, as well as their possible solutions, affect the reliability of distribution systems (DSs). To overcome the challenges of modern power systems, reliability evaluation is a fundamental tool. From the operators’ point of view, based on the performance of the power system, this evaluation is necessary to determine investments in infrastructure, establish the quantity of energy not supplied because of interruptions, calculate network availability as well as maintenance management policies, manage demand, and comply with national regulations, etc. From the customers’ perspective, the economic benefits of any change in the power system can be evaluated to improve service continuity [2].
In response to these challenges, the concept of Smart Grids (SGs) was born. SGs integrate the conventional power systems with renewable energy distributed generation (DG) systems, energy storage systems (ESS) and electric vehicles, employing systems of automatic protection, intelligent control, information and communication technology (ICT), and power electronic devices [3]. Within SGs, Microgrids (MGs) play a key role because they constitute a small piece of SGs, and involve almost all the components of the SGs but in a smaller size version.
MGs are a fundamental component of the SGs; their implementation is expected to improve the system’s reliability and quality of supply, increase efficiency and provide cheaper and cleaner energy. However, despite the advantages of MGs, major technological challenges arise when introducing MGs to modern power systems [4]. Thus, a large amount of research on MGs is currently taking place with the aim of establishing a dependable theoretical framework to support their inclusion. Due to the potential of MGs to increase the reliability of a system’s load points, reliability evaluation is a current areas of great interest.
The exponential growth of publications in the area creates the need for review articles organizing and classifying information. We queried the words “Microgrids” and “Reliability” in the Web of Science (WOS) database. Figure 1 shows that publications have grown exponentially from 2002 to 2020, with a total of 1395 publications (244 publications only in 2019), providing evidence that many developments and changes have occurred in the last two decades.
Figure 1.
Search results for the words “Microgrids” and “Reliability” in the Web of Science (WOS) database. A total of 1395 publications were retrieved.
Several publications addressed the state-of-the-art of MGs [4,5,6,7,8,9,10]. Regarding reliability evaluation in DSs, few papers were published between 1964 and 1999 covering the most relevant probabilistic methods [11,12,13,14,15]. Existing approaches and how they can be used and/or adapted to meet the needs of modern power systems, in relation to distribution systems, are reviewed in [16]. A general description of reliability models and methods for DSs with renewable energy DG is provided in [17]. Furthermore, a review of studies that evaluate the impact on the reliability of the power system when ESS are integrated is reported in [18]. On the other hand, [19] reviews studies assessing the reliability of the DS with and without MGs when renewable DG systems are available. In [20], the authors provide a review of reliability evaluation techniques used for the evaluation of DSs, emphasizing the importance of a greater penetration of DG resources and a more widespread application of control, protection and ICT.
After conducting the first bibliographic search in the WOS database, the next step was to select the papers covering the topic. We used the Preferred Reporting Items for Systematic Reviews and Meta-Analyses (PRISMA) model [21]. A total of 302 articles in English were chosen. Only papers (1) evaluating reliability in MGs or in any of their subsystems, (2) modeling the DG and type of DG, (3) load and type of load, (4) ESS and type of ESS, (5) performing reliability assessment when protection systems and control systems were used, and (6) included ICT were selected for further analysis; techniques and indexes used for reliability assessment were also registered.
We identified only two research studies reviewing the state-of-the-art of reliability evaluation of modern DSs considering MGs [19,20]. With the aim of deepening this line, this document presents the concept of MG in detail, and integrates a literature review on reliability evaluation in DSs when MG is introduced. In addition, a classification of the state-of-the-art is offered, analyzing different parameters (i.e., the reliability evaluation techniques used among others). A total of 147 met the inclusion criteria and were selected for further analysis (Supplementary Materials); the first study dates from 1971 [11], 71% correspond to research papers and 29% to reviews. According to the number of papers published in the topic, the top three journals are Renewable and Sustainable Energy Reviews (n = 15, 17.2%), IEEE Transactions on Power Systems (n = 12, 13.8%) and Electric Power Systems Research (n = 4, 4.6%), and the more prolific years were 2015 (n = 23, 15.6%) and 2016 (n = 31, 21.1%) (Supplementary Material). Furthermore, 62% of selected studies were published in journals, 34% as conference papers and 4% as books. Out of the selected studies, 80% analyzed MGs, and 84%, 54%, 38%, 11%, 7% and 8% modeled the DG, load, ESS, protection system, the control system and CIT, respectively. Among papers modeling DG, 54% modeled photovoltaic systems, 46% modeled wind turbine systems and 35% modeled both. Among papers modeling ESS, 11 included batteries and five used electrical vehicles. Regarding the technique used for reliability assessment, we identified that only 85 (57.8%) used either analytical (n = 41; 48.2%) or Monte Carlo simulation (MCS) techniques (n = 44; 51.8%). Among research studies using MCS, 40 (90.9%) used sequential MCS and 4 (9.1%) utilized nonsequential MCS.
The remaining of this review is organized as follows: Section 2 defines the basic concepts of the conventional power system and how the reliability assessment is performed. In Section 3, SGs, MGs and each of their subsystems are defined. In Section 4, research papers assessing reliability of the DSs in the presence of MGs are reviewed and classified. In addition, research articles assessing reliability of MGs for each of these systems are classified. Finally, the discussion is presented in Section 5.
2. Theoretical Framework
As mentioned above, MGs were born in response to the challenges faced by current power systems. Therefore, before analyzing the impact of MGs on reliability, we briefly examine the structure of the conventional power system (CPS) and how reliability in such systems is evaluated.
2.1. Structure of the Power System
Under the traditional approach, the main function of the CPS is to provide electric power to customers at an optimal operating cost, guaranteeing a certain level of reliability and quality. In principle, the CPS is comprised of three basic subsystems: the generator system, the transmission system and the distribution system. These three subsystems are interconnected in such a way that energy generated in the generating system is transmitted through the transmission and distribution networks to the consumers with the required quality and reliability levels [22,23,24,25,26].
Out of the three systems, the most important for this study is the DS; MGs are part of it. The DS is the last section of the energy system and supplies a connection between end consumers and the rest of the system. The most important components of a DS are consumer connections, distribution transformers, primary and lateral feeders, distribution substations, and subtransmission circuits. The most common DS has a single-circuit main feeder and is known as radial DS. There are also numerous DSs that, even if they were built using mesh circuits, are operated as radial systems using protection systems in the mesh circuit [22,25,26].
2.2. Reliability Assessment in the Power System
Reliability assessment in the CPS is defined as “the probability that it performs its functions properly, without any failure within a stipulated period of time, when it is subjected to normal operating conditions” [24,26,27]. This is divided into two basic aspects of the system: adequacy and security. The first is the capacity of the CPS to satisfy customers’ load needs and operational constraints in a range of technical values, related only to static conditions of the CPS; the latter is the capacity of the CPS to respond to transient phenomena or dynamic disturbances that arise in the system [22,24,25].
2.3. Adequacy Indexes of the Distribution Systems
Most of the research reviewed herein is in the domain of the adequacy assessment. Adequacy indexes imply the calculation of indexes in customers’ real load points. For a radial DS, these indexes the average failure rate , the average time of annual interruption , and the average interruption time of the ith load point, which are calculated as follows [23,24,25]:
being is the total number of components that affect the load point , is the average failure rate of component , and is the average recovery time to restore the load at point due to the failure of the component [23].
Using these basic indexes, the performance indexes for the DS can be calculated. Some of these performance indexes are the System Average Interruption Frequency Index (SAIFI), the System Average Interruption Duration Index (SAIDI), the Customer Average Interruption Frequency Index (CAIFI) and Customer Average Interruption Distribution Index (CAIDI), the Energy Not Supplied (ENS), the Expected Energy not Supplied (EENS), the Average Energy Not Supplied (AENS) indexes, and the Availability of the Average Service Index (ASAI). The SAIFI, SAIDI and ENS can be calculated as follows:
where , and are the average failure rate, the average time of annual interruption (in hours/year) and the number of customers at load point i, respectively. In addition, is the set of load points in the system, and is the average load (in kW) connected to the load point . A wider explanation about these indexes is presented in [23,24]. We identified that, out of the 147 research papers included in this review (Supplementary Material), 54% calculated the SAIFI, 50% the SAIDI, 7% the CAIFI, 11% the CAIDI, 17% the ASAI, 24% the ENS, 11% the AENS, 32% the EENS, and 27% calculated other indexes.
2.4. Test Systems
For assessing the reliability of power systems, the IEEE Reliability Test System (IEEE-RTS) and the Roy Billinton Test System (RBTS) have been mainly used over time. However, some authors either use their own test systems or perform reliability assessment directly in real systems [24].
2.5. Reliability Assessment Techniques of DS
Techniques for a reliability assessment of DS can be classified as (1) analytical methods, and (2) methods based on MCS [22,23,24,25]. Analytical techniques represent the system through mathematical models to calculate reliability indexes using solutions based on the probability theory. Generally speaking, these techniques are used to evaluate the average values of such indexes, which are extremely useful and have been utilized for years. However, an average value does not provide any information about the variability of the reliability index per se. In order to overcome this and take into account the variability inherent to the reliability index, the probability distributions are derived; such distributions provide important information about events that, though occurring very rarely, can have very serious effects on the DS. The inability of the analytical methods to provide such probability distributions is one of its main disadvantages [22,23,24,25].
MCS is the general designation for a stochastic simulation using random numbers. When assessing reliability of the DS using MCS, reliability indexes are estimated by simulating the real process and the system’s random behavior. Therefore, the MCS method treats the problem as a series of experiments.
There are mainly two types of MCS: sequential and the non-sequential MCS [22,23,24,25]. The former is based on sampling the state duration for each system’s component from its corresponding probability distribution. In this technique, the chronological state transition processes of each system component are simulated first using sampling. The next step is to combine these results to create the chronological state transition process for the complete system. This is accomplished by using the probability distributions of the state duration for each component. In a two-state component representation, for instance, these are the probability distribution functions, generally assumed to be exponential, of the duration of each component in the operation and repair states. The main advantage of sequential MCS is that they can be used to calculate the actual reliability indexes in addition to the associated probability distributions [24].
Assuming that the time to failure follows an exponential distribution with parameter λ > 0 representing the failure rate, it follows that the probability density and cumulative probability distribution functions are given by:
Applying the inverse transformation method in Equation (8), it would be possible to randomly generate time to failure (TTF) numbers from such distribution using the following expression [24]:
where is a uniformly distributed random number obtained from a pseudo-random number generator. Since is uniformly distributed in the same way as in the interval , it follows that [24]:
The expression above is used when the component is in active state and is the component failure rate. When the component is in idle state, is replaced by (i.e., the component repair rate) and is replaced by the time to repair (). Thus,
3. Microgrids and Their Subsystems
In this section we introduce the concept of SGs and define MGs and their subsystems. Defining SGs is important as MGs are a key component of them.
3.1. Smart Grids
Following the definition by the United States Department of Energy (DOE), an SG is “a grid that is intelligent, efficient, accommodating, motivating, opportunistic, quality-focused, resilient and green” [28]. For the European Regulators’ Group for Electricity and Gas, SGs “are an electricity network that can cost efficiently integrate the behavior and actions of all users connected to it (generators, consumers and prosumers) in order to ensure economically efficient, sustainable power system with low losses and high levels of quality and security of supply and safety” [1].
The SGs concept has considerably developed in recent years. This can be evidenced by several research and review papers on the topic. In these papers, the concept of SGs and their components is first defined [29], and then other characteristics of the SG are considered. In a review of critical parameters of SGs, reliability comes up as the first critical parameter, which demonstrates its relevance [30]. Authors have also discussed some characteristics of SGs, such as MGs, and some difficulties with the integration of DG [31]. Finally, other authors investigated the initiatives led by several countries and their vision for the future of SGs, addressing in detail the current scenario in the United States, Canada, China, Republic of Korea, India, Australia and countries of the European Union [32,33]. Based on these articles, three conclusions are derived. First, SGs will be designed to handle the unpredicted load and distributed energy resources (DER) using ESS, protection systems, control systems, and ICT systems [34]. Secondly, despite the numerous advantages, SGs face many barriers including bidirectional communication systems, the integration into the grid with renewable energy resources and the inadequate network infrastructure and storage [1]. Thirdly, reliability is one of the main critical parameters of SGs. To face all these challenges, MGs are key.
3.2. Microgrids
The inclusion of many DGs in the power system can cause more problems than they can solve; MGs are born with the purpose of solving those problems. Thus, MGs are an instrumental part of SGs and constitute a small piece of a larger network, which involves almost all the components of the SGs in a smaller size version. While SGs take place on a larger scale, such as large transmission and distribution lines, MGs are smaller in scale and can operate independently of the electric grid [1].
Many theoretical studies define the concept of MG; the first study dates from 2004. This study developed a conceptual solution of the MGs and defined several of its components [35]. In the following years some authors focused on founding the bases for the MGs by discussing recent advances in their development [36]. However, no specific definition about MG exists nowadays. According to the DOE [37], MGs are “a group of interconnected loads and DER with clearly defined electrical limits, which acts as a single controllable entity respectively to the network and can connect and disconnect from it, so that it can work both in connection to the network and in island mode”.
To determine the current status of MGs, we reviewed research studies on the state-of-the-art presenting the main lines of research currently in progress. For instance, Reference [4] offers an overview of the activities of MGs being carried out within the United States Office of Distribution of Electricity and Energy Reliability and its Research and Development SG program. Also, in [5], they present the activities and Research and Development projects in the European Union, Japan and the USA. On the other hand, Reference [6] identified common barriers for the implementation of MGs in the real world, grouping them into four categories: technical, regulatory, financial and stakeholders. The most common technical barriers include problems with technological components, dual modes of operation (ranging from the mode connected to the network to the island mode), quality and control of energy, and problems of the protection systems.
In [38], authors define the role of MGs in the future of DS, and identified the following challenges: new business models, operation plans to coordinate the different actors, hierarchical and robust control, flexible, fast and reliable communication infrastructure, and to improve the use of local DERs. Moreover, Reference [8] provides a review of all the key issues of MGs and their potential solutions. The author concluded that, despite the progress made in recent years, technologies are still immature and are not yet ready for the commercial phase due to the large number of different methods, strategies and current policies. Therefore, many research, development and engineering efforts are still necessary to transform current MGs into a fully commercial, reliable and profitable electricity grid.
In summary, it is expected that, in the future, the MGs will allow DGs to be close to the loads, reducing the transmission of electrical energy in the system. At the same time, MGs will have the capacity to separate from the system during the disturbances and operate in island mode without problems, with little or no interruption, improving the quality of the energy and the reliability in the load. In addition, MGs will include electricity storage and controllable local loads, which will increase the efficiency of renewable energy supply and reduce both electricity costs and the carbon footprint in electricity grids.
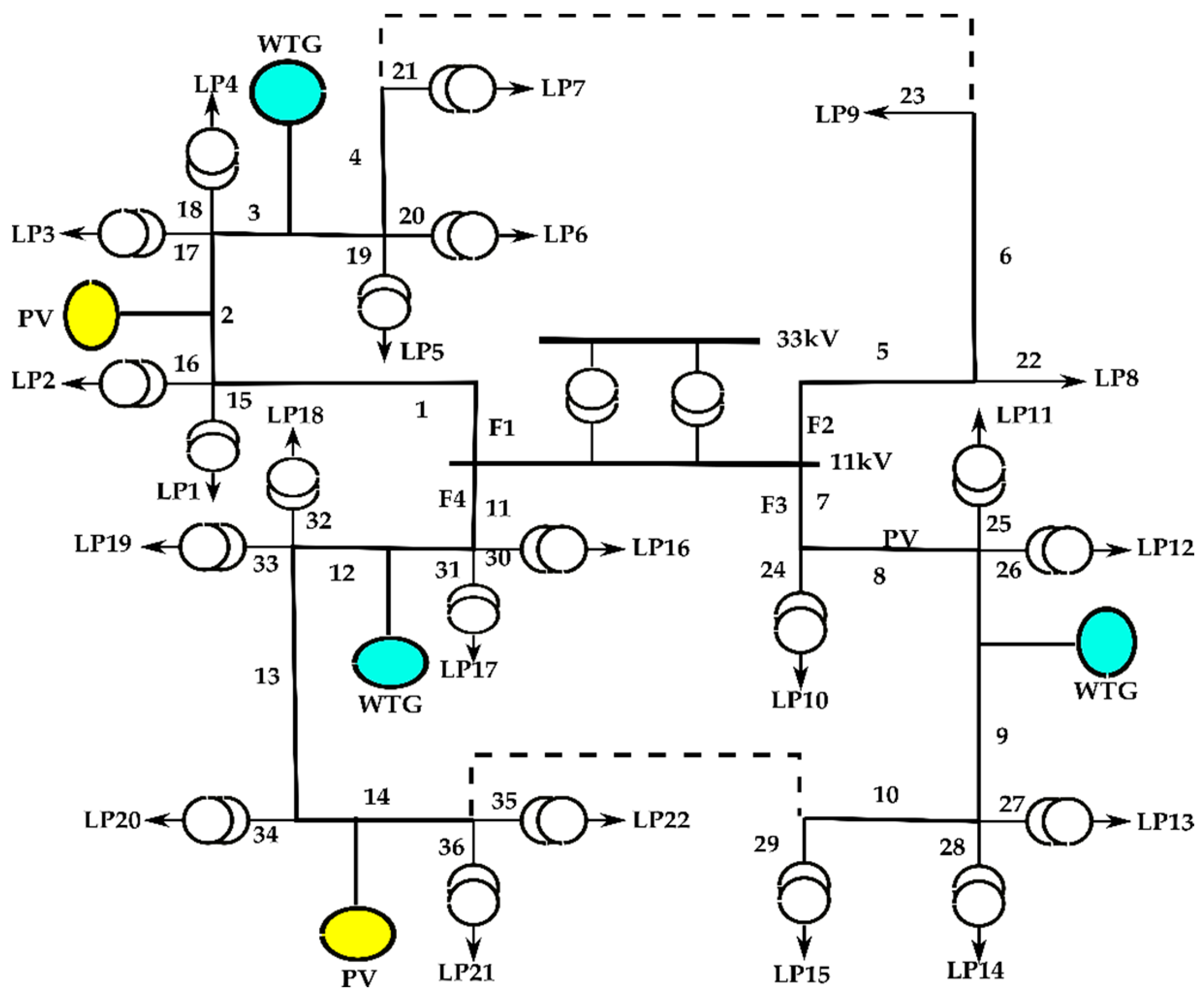
A great variety of systems are essential to meet the operating conditions of a MG. These systems are, first of all, a combination of DER, which can be a DG unit, an active load or an ESS. Secondly, a physical network to connect them all. This network includes intelligent protection systems, advanced control systems and ICT systems [39,40]. Figure 2 shows a typical architecture of MGs, which will be used as the basis for this work. In the following sections a more detailed description of each of the systems presented in Figure 2 is provided.
Figure 2.
A typical microgrid (MG) architecture. MVMG—medium voltage MG; LVMG—low voltage MG; PV—photovoltaic; WTG—wind turbine generator; EV—electric vehicles; LC—local controls; CDG—control of the DG; CCMG—central control of the MG; CCP—common coupling point; CB—circuit breaker; SCB—sectionalizer CB.
MG Architectures
The most used MG architecture is the alternating current (AC) since it provides a direct way to integrate the DG units in the current public grid with minimal modifications and has a high capacity of fault management. However, it has some drawbacks such as the need to synchronize DG units or the reactive power circulation, which increases the power losses in the transmission system, due to the high penetration of DG and ESS units, and direct current (DC) loads [7,41,42,43,44].
These disadvantages opened the door to the DC configuration. Its main advantages are a greater overall efficiency, since fewer interface converters are used and there is no reactive current circulation in the grid, and that there is no need to synchronize the DG units. However, in this configuration the cost increases drastically as it requires a great modification of the current distribution grid [41,42,43,45]. To overcome this, hybrid AC/DC MGs architectures have been proposed [41].
3.3. Distributed Generation
Distributed Generation (DG) can be defined as the generation of electrical energy within the DS or on the customer’s grid side [46]. Figure 3 shows how DG units could be introduced to the DS (i.e., RBTS-BUS 2). DER, defined as demand and supply resources that can be implemented through a DS to satisfy the needs of energy and reliability of the clients served by that system [46], is an important concept within the DG. One of the great advantages DGs is that many of the generation technologies developed so far make use of renewable energy resources (RERs).
Figure 3.
Distribution system (DS) RBTS-BUS 2, when entering DGs. Note: RBTS—Roy Billinton Test System.
According to the International Energy Agency, RERs are “resources that are generally not subject to depletion” (i.e., heat, sunlight, wind force, biomass, rain, ocean energy and geothermal heat). Among others, DG could include the combination of photovoltaic (PV), wind turbine generation (WTG), fuel cell (FC), micro turbines (MT), and combined heat and power (CHP), among others [46,47]. Of these, PV and WTG are the most frequently used for reliability assessment in DS and MGs.
3.4. Loads
There are diverse types of load to which MGs can supply electrical power, among which are industrial, commercial and residential loads. Furthermore, such loads can be classified as critical and non-critical loads. Typically, most residential loads are rated as non-critical. On the other hand, due to the high degree reliability and quality of the service required by commercial and industrial users, such loads are classified as critical [1]. Ideally, an advanced forecast of these loads should be made to control them and hence provide more flexibility in adjusting the demand to the supply. In addition, load classification is important to achieve the expected operative strategy to: (1) comply with the net power of import/export in the “connected to the grid” mode, and stabilize the voltage and frequency in island mode by facilitating the dumping of charge/generation, and (2) improve the quality of energy and the reliability of critical and sensitive loads [6].
3.5. Energy Storage Systems
Energy storage devices in MG applications are used to correct problems associated with DG and load matching, improving power imbalance, power quality, and reliability and stability between loads and the production of DG resources. This is a consequence of the ability of the storage system to provide power when generation deficiencies take place, provide conduction capacity for short periods of time, and reduce grid losses, thus helping to avoid failure currents [6,48]. Storage devices include batteries (B), flywheels, super-capacitors, but EVs are also seen as an alternative option for storing energy [1,6].
3.6. Protection Systems
The flexibility of MGs to commute between the modes connected-to-the-network or in island, allows to provide auto-recovery, improving quality and reliability. However, this produces large changes in the current protection systems. Therefore, one of the main technical problems in the practical application of a MG is the design of the appropriate protection scheme. New schemes must be capable of satisfying the basic protection requirements of selectivity, sensitivity and reliability, not only in the connected-to-the-network mode, but also in the island mode. Since the introduction of MGs, many researchers have proposed new protection schemes to be incorporated in medium and low voltage MGs. Figure 4 presents the classification of the most developed protection schemes. For further reading on protection systems, see [5,7,42,43,45,49,50].
Figure 4.
Classification of protection systems in MGs. FCL—Fault Current Limiters.
3.7. Control Systems
Control schemes must guarantee flexible and safe transitions between the connected to the network, island and resynchronization modes, in addition to the regulation of voltage and frequency, load rapid release, power flow control and an economical operation. Several control schemes have been proposed, including centralized, decentralized and hierarchical structures. The control center in the centralized system plays a fundamental role in the management of all local controllers. However, if it fails, the result may be the loss of control capacity of the entire MG. Conversely, no control center is needed in the decentralized system, where multiple local controllers are used. The hierarchical system combines the two previous types, hence operating more efficiently due to the bidirectional power flow between MGs and the main power network. As shown in Figure 5, hierarchical control consists of primary, secondary and tertiary control [5,7,38,43,51,52].
Figure 5.
Key functional blocks of hierarchical control.
3.8. Information and Communication Technology Systems
An ICT system is essential to operate an MG efficiently and reliably. For example, it is needed for communication between controllers, which integrate the components of the MG as a controllable and functional entity and allows advanced control algorithms that improve the MG economically and optimally. Likewise, modern meters and protection devices also depend on communication links to record data, forecasts and diagnostics. Finally, the MG Supervisory Control and Data Acquisition (SCADA) systems collect real-time status and configuration through communication systems that interact with the MG management software and system operator to perform an advanced operation of the MG (that is, intelligent elimination of the load, the response to the demand, the readjustment of the grid, the generation of islands, etc.). Figure 6 shows the different communication links and protocols currently used in MGs [7]. To expand the concepts of communication systems in MG, see [7,53,54,55].
Figure 6.
Communications systems and protocols used in microgrids. TCP/IP—Transmission Control Protocol/Internet Protocol; PLC—Power Line Carrier; GSM—Global System for Mobile; HSPA—High Speed Packet Access; LTE—Long Term Evolution; LTE-A—LTE-Advanced; WiMAX—Worldwide Interoperability for Microwave Access; DNP3—Distributed Network Protocol.
3.9. Power Electronic Devices
Power electronic devices are highly integrated into MGs and are found in almost every subsystem that composes them. For example, modern protection systems are power electronic systems. In addition, all DG systems and ESS will be connected to the existing DS through power electronic converters. These converters are mainly made up of switching devices (i.e., insulated gate bipolar transistors (IGBTs), diodes and capacitors) [56,57].
4. Reliability Assessment in Distribution Systems with Microgrids: Issues and Opportunities
In this section we address why the reliability assessment of a distribution system with MGs is important. Then, each of the systems exposed in the previous section are analyzed from the reliability point of view.
4.1. Why Is the Reliability Assessment of DS with Microgrids Important?
A large amount of research on MGs is currently taking place with the aim of establishing a dependable theoretical framework to support the idea. The improvement of the MGs concept involves the identification of the benefits that these can bring. Among other aspects, the use of MGs simplifies the implementation of many of the functions of the SGs, including reliability, auto-recovery, and load control. MGs have the potential to increase the reliability and quality of energy at system load points due to the decentralization of supply; this is caused by the proximity of the DG with the load, which could decrease the duration and frequency of interruptions, as well as the level of energy not supplied.
Therefore, reliability assessment is of vital importance to determine the reliability increase of the power system in the presence of MGs. In addition, the appearance of MGs in the energy supply systems has posed additional technical, economic and regulatory problems. For example, with the coincidence of generation and load, important technical problems arise in the operations of MGs such as maintenance management, the management of the reactive power, and the regulation of the voltages and minimizing energy losses; these problems are of greater relevance when MGs are used in island mode [39]. Therefore, MGs have their own reliability problems, which must be evaluated every time that some of the systems comprising them are modified.
Finally, reliability will play a crucial role in the management of demand. For example, when MGs are connected to the grid, interruptions of the main grid may lead to operation of MGs in island mode. In this mode, the master controller is based on production and storage in the MGs to balance the load with the generation and avoid load cuts. Decisions to balance the loads with the generation in the MGs in island mode can depend on the priority and reliability requirements of the loads [39], which makes reliability assessment necessary to make these decisions.
4.2. Reliability Assessment in SGs
Although it is not the main goal of this study, we also reviewed some articles focusing on reliability assessment in SG (Table 1). For instance, in [58], they analyze the effect of SGs on improving the reliability of energy distribution networks when the behavior of the protection systems and the DG are considered. The authors use the IEEE-RTS test system and compare the reliability indexes when (1) an automatic recloser is placed in different arbitrary positions; and (2) instead of an automatic recloser, several DGs were placed. Using the analytical method implemented in the distributed industrial system reliability (DISREL) evaluation algorithm, the behavior of the SAIFI, SAIDI, and CAIDI reliability indexes was assessed.
Table 1.
Classification of research papers assessing reliability in Smart Grids (SGs).
4.3. Reliability Assessment in DS When MGs Are Introduced
We also reviewed papers addressing the state-of-the-art of reliability assessment (RA) and quantifying how MGs influence DS reliability. Papers were characterized based on whether the load, DG and ESS were modeled, which RA techniques and reliability indexes were used, and the test system where it was applied. A total of 18 research papers were identified (Table 2). For example, Reference [63] quantified reliability improvement in the DS in the presence of MGs, using no MGs, MGs in island mode without load prioritization, and MGs in island mode with load prioritization. The authors developed an analytical method to model the load, the DG, and the storage, applied this method to the RBTS and assessed the system’s reliability using the SAIFI, SAIDI and CAIFI traditional reliability indexes. Figure 7 shows a flow chart for the reliability evaluation of distribution systems using the SMCS method, when MGs are introduced, considering the DG and load models.
Table 2.
Classification of reliability assessment (RA) articles when introducing MGs.
Figure 7.
Flow chart for the reliability evaluation of distribution systems using the SMCS method when MGs are introduced.
Research studies performing optimization considering reliability as an objective function were not classified in Table 2. For instance, in [85], authors presented a systematic and optimized approach considering the adequacy and security of the DS by defining a combined probabilistic reliability index that includes both the real and reactive power balance. In this study, the PG and E69 bus distribution system were used as a test system, loads were variable, and different DG technologies were considered. In addition, the authors of [86] propose a structure where MGs are in interconnected mode and an energy exchange is allowed between them. The authors applied a particle swarm optimization algorithm to determine the optimal energy dispatch and compared their results using sequential MCS (SMCS). On the other hand, Reference [87] considered the safety of the DS and use the weighted graph partition method to create MG clusters. The authors defined new indexes to assess the reliability in terms of real and reactive power and proposed an interactive diffuse method and test it in the IEEE-RTS system. Finally, the authors of [76] introduced the concept of “Energy Hub” to capture the coupling between multiple energy forms in an Integrated Energy System (IES). The authors presented a reliability assessment approach based on the SAC algorithm and the “Energy Hub” model combined with SMCS.
Reliability Assessment of MG Architectures
In [88], authors perform a reliability evaluation study in MGs analyzing different architectures, namely AC, DC, AC/DC hybrids and an architecture called 3-NET. The article compares the benefit of each of these MG architectures based on economic performance in market models and their reliability characteristics. For the latter, the authors used four reliability indexes, employed the SMCS reliability assessment technique, and applied their approach to a customized test system.
4.4. Reliability Assessment in Distribution Systems and MGs with Distributed Generation
As mentioned in Section 3.4, renewable WTG and PV distributed generation units are frequently used in RA. In this section, we present some reliability models of said DG units and reviewed papers addressing RA in such DG units are classified.
4.4.1. Reliability Models of Renewable DG Units WTG and PV
The physical and statistical models below are two available in the literature for modeling energy in PV and WTG units. For example, for wind energy, the wind speed model is established first, and then wind power simulation data are obtained through energy conversion. Under statistical modeling, historical data on wind energy production is used directly to simulate the energy output sequence. For the reliability evaluation, statistical modeling is more appropriate since it ignores the energy conversion and simplifies the modeling process, while improving the accuracy of the data [89].
4.4.2. Probability Model of the WTG Output Power
The output power of a wind turbine depends on the wind speed. The relationship between output power and wind speed (Figure 8) can be expressed with the following equation [90]:
where A, B and C are constants that can be calculated in terms of and [90], is the nominal output power, is the wind cut-in speed, is the nominal wind speed, and is the wind cut-out speed.
Figure 8.
Relationship between the output power and the wind speed. Modified from [91].
Figure 8 represents the power curve of a turbine of 600 kW with cut-in, nominal and cut-out speeds of 4, 15 and 25 m/s, respectively. When the wind speed is between the nominal and cutting speeds, nominal power will be generated. Conversely, when the wind speed is lower than the cut-in speed or higher than the cut-out speed, the output power of the turbine would be zero. Thus, the actual power generation capacity of a renewable DG unit can be modeled as a stochastic parameter. A Markov model could be used to describe a stochastic process such as transitions between probable states, in which each state represents a discrete value [90,91,92].
To develop the WTG reliability model, the output power is divided into finite states, which reflect certain characteristics of wind energy production (i.e., seasons, weather conditions and time of the day). However, the number of states is arbitrary and depends on the required precision of the model. For example, the output power of the turbine of 600 kW can be divided into five states, namely 0, 150, 300, 450 and 600 kW.
Figure 9 shows a 5-state reliability model of the WTG. States WT1 to WT5 represent 600, 450, 300, 150 and 0 kW for the WTG, respectively, and generate a matrix P for n states given by [90,91,92]
the entries of which represent the transition probability between different states in the Markov chain.
Figure 9.
Reliability model of a 5-states wind turbine generation. Here, states WT1 to WT5 represent 600, 450, 300, 150 and 0 kW, respectively; λij—Transition rates from state i to state j.
4.4.3. Probability Model of the Output Power of the PV
PV devices are robust, simple in design and require little maintenance. PV generation directly converts sunlight into electricity without the interference of any thermal engine. The main advantage of PV generation is its construction as independent systems to provide outputs, ranging from micro to megawatts. The solar cell is the basic unit of the PV generator, and converts the rays or photons of the sun directly into electrical energy. A solar cell is usually represented by a circuit diagram as shown in Figure 10 [91,92,93].
Figure 10.
Circuit diagram for the photovoltaic (PV) model. —Resistance of the module series; = derivation resistance of the module; —PV current; —dark saturation current; —photo generated current; —PV voltage.
The model of the PV system can be developed according to the characteristic of current and voltage of the modules. The characteristic of the solar cell is based on the diode model is given by:
where is the photo generated current, is the dark saturation current, is the resistance of the module series, is the derivation resistance of the module, is the quality factor of the diode, is the Boltzmann constant, is the absolute temperature of the cell, and is the electron charge [91,92,93]. The power is then calculated as:
For the statistical model, the modeling process is similar. However, failure states can be added to the model. Figure 11 shows a diagram of three Markov states for a PV system with intermittent failures and repair. The model stipulates that the system can go from a normal state (NS) to a state of permanent failure (PF) or intermittent failure (IF) at rates and , respectively. From the IF state, the PV system can go to the NS state at an automatic repair rate , or to the PF state at a failure rate ; the system can also switch from the PF state to the NF state at a manual repair rate [94].
Figure 11.
State diagram in the presence of intermittent failure with repair. NS—normal state; PF—permanent failure; IF—intermittent failure; λ and µ are the transitions of states.
4.4.4. Classification of Reliability Assessment Studies in Modern Power Systems Focused on DG
One of the biggest problems of integrating the DG into the power system is that, in certain scenarios, reliability worsens [95]. Given the importance of the DG in modern power systems and its direct influence on reliability, it is expected that most of the RA research in current power systems considers the DG. In what follows, we review research articles analyzing the impact of introducing DG into either the MGs or the CPS. Research considering DGs combined with other systems of the MGs will be analyzed in the following sections.
In [90], authors present the reliability assessment of a DG in the presence of MGs; such MGs include PV, WTG and diesel turbine generators (DTG). These DGs help to supply part of the load when in “connected to the network” mode but could also provide 100% of the load when the MG is in island mode. RA was accomplished via SMCS using the SAIFI and SAIDI indexes of the conventional distribution system, and the EENS, an index of the conventional generation system.
Table 3 summarizes all research studies performing RA in modern power systems analyzing DG. We found that most papers follow the methodology proposed in [90], and were performed on the field of system’s adequacy. The relevant aspects considered in this classification were whether the load and/or the ESS were modeled, the type of DG being used, and the system where the DG was integrated. In addition, we included which types of RA techniques were used, which reliability indexes were calculated, and the test system utilized.
Table 3.
Classification of RA articles analyzing the DG.
4.5. Reliability Assessment in MGs Analyzing the Influence on Loads
4.5.1. Load Probability Model
The behavior of loads in the DS is a frequent pattern during normal conditions. Consequently, a variable loading model over time can be developed using historical data [90]. Therefore, in the proposed modeling method, monthly and hourly weight factors are used to build a load model over time. The estimated load for each load point at any given time for different sectors (i.e., residential, commercial and industrial), can be calculated as follows [113]:
where is the load value at time , , and are the hourly weight factor, the monthly weight factor and the peak load value for the load point , respectively [24,90,96].
4.5.2. Classification of RA Studies in MG focused on the Load
Almost all reviewed papers consider the DG model and analyzed the load type. Since all the articles studied were in the field of system adequacy and RA was performed to determine the impact of loads on the MGs, a classification was performed. Table 4 summarizes our findings. For example, in [113] authors studied the stochastic effects of integrating intermittent energy sources, WTG and PV, into a distribution system. The authors used SMCS and executed simulations over a 10-year period at a load point consisting of multiple scenarios, and three different types of loads (i.e., residential, commercial, and industrial). For each type of load, four different simulations were performed: no DG, using PV as DG, using WTG as DG, and using PV and WTG as a combined DG. All DGs were used as a backup to the grid, tests were carried out in the RBTS system and the ENS index was calculated.
Table 4.
Classification of reliability assessment studies in MG focused on the load.
4.6. Reliability Assessment in MGs, Analyzing the Influence of the ESS
4.6.1. Probabilistic Model for Batteries
In reliability studies, batteries require a particular probabilistic model that considers their operational characteristics, which do not follow a Markovian process, and the load state, which depends on the system’s operation and batteries lifetime. Also, a possible failure unrelated to battery lifetime use, such as a failure caused by a battery defect, should also be considered in the model [119]. Hence, formulating such a model is a difficult task. However, these characteristics are not necessary when it is of interest to quantify the impact on reliability when, in order to supply the energy that the generators cannot supply for any reason, batteries are put in parallel with the DG. In this scenario, the battery’s availability is used to quantify the influence on the reliability indexes if the battery would not be available 100% of the time. Figure 12 shows a 3-state Markov process in which states represent 100%, 50% and 0% battery’s availability [120].
Figure 12.
A typical energy storage system (ESS) state diagram [120]. SB—state Battery; λ and µ are the transitions rates between states.
4.6.2. Classification of Reliability Assessment Studies in MG, Focused on ESS
One of the main objectives of introducing storage systems in MGs is to improve reliability, especially when the MG works with renewable DGs. Table 5 summarizes research papers quantifying the effect on MGs reliability when ESS are introduced. All papers were framed in the field of system adequacy, and most of them followed the organization proposed by in [120], who investigated the impact of adding PV generation and ESS (i.e., batteries) to a MG. To model the PV, ESS and the DS, the authors used the analytical and Markov methods, and testing was performed in the RBTS system through different indexes [120]. Furthermore, most research papers assessing reliability in MGs evaluating the impact of the storage system considered batteries. However, vehicle-to-grid (V2G) technology has recently emerged as a suitable alternative [121].
Table 5.
Classification of reliability assessment studies in MG focused on ESS.
4.7. Classification of Reliability Assessment Studies in MG Focused on Protection Systems
We classified research literature quantifying the effect of including protection systems on MG reliability. Results are presented in Table 6. This classification was based on the fact that all research studies were in the field of system adequacy, and included the (1) type of analysis performed on the protection systems, (2) RA techniques, (3) test system where it was applied, (4) DG type, and (5) the reliability indexes used. For example, the authors of [132] investigated the effects of the protection system on the reliability of an MG integrated with DG. The authors developed a stochastic model to simulate the existing challenges in the current protection schemes, and considered different operating conditions (i.e., over-current, over-voltage and sub-voltage). For the analysis, the authors proposed three new indexes of diffuse reliability. Simulations were performed in a modified version of the test system proposed in [133]. Finally, an evaluation strategy, combined with diffuse simulation and load restoration is presented as a solution tool.
Table 6.
Classification of RA Studies in MG, focused on protection systems.
4.8. Classification of Reliability Assessment Studies in MG Focused on Control Systems
The island operation of MGs helps to improve the local and general reliability. However, the interruption time of the load point of the MGs and the interruption frequency are directly affected by the control strategy. Here, we classify research papers quantitatively analyzing the impact of several control strategies on MG reliability. Only studies modeling the load, DG and ESS, and in the scope of the adequacy of the system, were included. Our results are summarized in Table 7. A specific example of such research is [142], which proposed a probabilistic methodology to evaluate the impact of control strategies in the MG on the reliability of the distribution network. This evaluation is conducted considering the primary and secondary controls of the MG when it operates in island mode. The optimal power flow (OPF) and the power flow with slack bus distribution (PFDS), combined with OPF, were used for the primary and secondary controls, respectively. The SMCS was used to select the system scenarios, which considered some of the uncertainties associated with the system (i.e., load fluctuations, load forecast errors, unavailability and intermittency of the WTG). This methodology allows to estimate the impact on the operation of the MG island at a load point based on the ASIDI, ASIFI, SAIDI, and SAIFI reliability indices. Tests were carried out on a 33-nodes modified IEEE-RTS system [142].
Table 7.
Classification of RA studies in MG focused on control systems.
4.9. Classification of Reliability Assessment Studies in MG Focused on ICT Systems
Here we classify research articles quantitatively analyzing the impact of ICTs on MG reliability. Our findings are summarized in Table 8. A total of three studies were included, all of which were in the field of system adequacy, and model the load, DG and ESS. For instance, the authors of [148] performed RA of systems with DG considering the inherent uncertainties of renewable energy sources, load and energy price. Their main contribution was the analysis of the impact of the degradation of communication networks on system’s performance. The degraded behavior of communication networks is modeled considering the two most common types of failures (i.e., stochastic continuous time transmission delays and packet abandonments). The authors also developed an OPF computational framework with MCS (MCS-OPF), which can generate consecutive operating scenarios dependent on entire system time. This framework was applied to a modified 13-node IEEE-RTS test feeder and uses the ENS and EENS reliability indices.
Table 8.
Classification of RA studies in MG focused on ICT systems.
4.10. RA Studies in MGs Analyzing the Influence the Power Electronic Systems
Power electronic systems are found in the vast majority of the MGs subsystems. However, there are few studies evaluating the impact of such systems on MGs reliability. Nevertheless, the impact of power electronic systems on the reliability of some of the MG subsystems has been addressed, especially in renewable DG subsystems such as PV [56,93,152,153,154] or WTG [155,156]. For example, authors in [93] classify components that fail the most in a large-scale PV system, and conclude that the inverters are the most critical component. Further, Reference [56] states that capacitors are the most critical elements of inverters. These findings highlight the importance of analyzing the impact of power electronic systems on the reliability evaluation of MGs. In this line, the authors of [79] evaluate the reliability of island MGs with high penetration of renewable DGs, taking into account failures in the power electronic equipment. The authors build an analytical model of the integral failure rate of said system, applied in a modified reference system and calculate the SAIFI, SAIDI and ENS reliability indices.
5. Discussion
Among the modern electric power systems, MGs are fundamental since their implementation would improve the reliability of the system and the quality of supply. Therefore, RA plays an important role in the development of MGs. Under this perspective, this paper presented a wide literature review and a categorization of the most relevant research studies in the field. With the aim of offering an introduction to readers new to the subject or for those professionals who do not belong to the field of electrical engineering, the concept of RA in MGs was introduced. First, a contextualization of RA in the electrical system was first presented since many of these concepts are the bases of the reliability evaluation in MGs. Then, the MGs and each of their subsystems were defined. In this context, we addressed two question: (1) why is it important to assess reliability in MGs? and (2) how do MGs influence the reliability of distribution systems? In addition, we analyzed how each of the subsystems of an MG affects reliability. We also discussed the most common reliability models currently in use and outlined future lines of research.
From a general point of view, we identified that 40 countries from all continents, led by China and the United States, have made contributions regarding RA in distribution systems with MGs, demonstrating the intense research efforts carried out worldwide. Such research efforts are focused, among other aspects, on modeling the random characteristics of each of the subsystems of the MGs. Among these subsystems, in this review we identified that the tendency is to integrate the DGs, the load and the ESS to the MGs model, in order to represent the complexities of the system. Regarding DGs, the most widely used are those of renewable nature, namely PV and WTG. In terms of ESS systems, the most frequently used are batteries (BESS), although there is a recent trend to analyze hybrid ESS (HESS) and electric vehicles as storage systems. On the other hand, the RBTS test system is the most widely used, although real systems constitute an emerging trend.
We witnessed first-hand the considerable number of research papers on RA in MGs reported in literature (Figure 1). A potential research line oriented by topics such as distribution systems in the presence of MGs, MGs in the presence of DG, advanced forecasting of loads, ESS, protection systems, control systems and ICT systems, allows a better representation of the state-of-the-art in the field. However, more research, development and engineering work are required to transform a current MG into a fully commercial, reliable, and profitable electrical network.
Despite considerable advances in MGs, one common problem is the large number of MG configurations (i.e., Multi-MGs, Nanogrids, rural MGs, community MGs, among others). This implicates that, although a new MG configuration could sound prominent or promising, it must necessarily undergo RA.
We identified that SMCS is the most widely used method for RA. However, new methods or variations of the existing ones, whether analytical or SMC methods, are constantly being proposed. Some examples include dynamic fault tree analysis, network equivalence techniques, universal generating function method, Semi-Markov Models, hybrid SMC, Discrete-event Simulation, and artificial intelligence techniques. Based on these findings, comparing different RA methods could represent an interesting line of research.
MGs need flexible protection systems, which should be able to operate both in a grid-connected mode and in an island mode, with appropriate relay trip currents considering the operational state of each component. Consequently, future protection systems must have overcurrent relays, fault detection and diagnosis systems (FDDS), switches and remote-controlled disconnectors. We observed that few research studies assessed MG to evaluate the reliability of MGs in the presence of such systems; some of these studies focused on the quantifying of the impact locating protection components (i.e., fuse, circuit breaker, sectionalizer, interconnection protection, recloser, overcurrent protection, and relay) on a system’s reliability, but not on the protection systems per se. Despite the fact that many types of protection systems for MGs are available in the literature, References [122,139,142] only include overcurrent protection systems and more in-depth RA analysis. Thus, RA in MGs with different protection systems are a line of research of great potential.
The MGs need hierarchical, decentralized and robust control systems that can monitor large areas. In addition, controls are needed for the generation units, the ESS and the local control systems of the MG, which include voltage control and optimization, the optimal power flow control, the demand response control and multi-agent control, among others. Although the control strategies for MGs have been widely studied, we only identified five studies comparing new control strategies in MGs from the reliability point of view (Table 7). Therefore, more research studies are needed to assess how these new control strategies impact MGs reliability.
Similarly, MGs need flexible, distributed, fast and reliable communication infrastructure, in relation to reliability. Although some communication infrastructure has been evaluated considering failures of the communication system and intentional failures caused by intruders, only four research studies were identified in this review where the impact of ICT on the reliability of MG was assessed (Table 8). Therefore, more research works are necessary to evaluate the reliability of MGs in the presence of ICT. This implies that defining a robust communication protocol could represent a better remote connection, and further become an important open issue.
Finally, we identified that MGs require power electronic devices for their systems protection and control. Research studies assessing the impact of power electronic devices on the reliability of distribution systems with applications of MGs are scarce, despite the use of these devices in almost all the MGs subsystems. Therefore, we suggest paying close attention to the low reliability of the electronic power systems in some of the subsystems of the MGs (i.e., converters in photovoltaic systems).
Supplementary Materials
The following are available online at https://www.mdpi.com/1996-1073/13/23/6189/s1.
Author Contributions
Conceptualization, J.L.L.-P. and G.A.G.-L.; methodology, J.L.L.-P., J.I.V. and G.A.G.-L.; validation, J.L.L.-P., J.I.V. and G.A.G.-L.; formal analysis, J.L.L.-P.; investigation, J.L.L.-P.; resources, J.L.L.-P. and G.A.G.-L.; data curation, J.L.L.-P.; writing—original draft preparation, J.L.L.-P.; writing—review and editing, J.L.L.-P., J.I.V. and G.A.G.-L.; visualization, J.L.L.-P.; supervision, J.I.V., G.A.G.-L.; project administration, G.A.G.-L.; funding acquisition, J.L.L.-P. and G.A.G.-L. All authors have read and agreed to the published version of the manuscript.
Funding
This research received no external funding.
Acknowledgments
We appreciate the support of the program Ecosistema Científico, Project # 58667 “Estrategia de Transformación del Sector Energético Colombiano en el Horizonte 2030” conferred to J.L.L.-P.
Conflicts of Interest
The authors declare no conflict of interest.
References
- Yoldaş, Y.; Önen, A.; Muyeen, S.; Vasilakos, A.V.; Alan, I. Enhancing smart grid with microgrids: Challenges and opportunities. Renew. Sustain. Energy Rev. 2017, 72, 205–214. [Google Scholar] [CrossRef]
- Conti, S.; Rizzo, S.A.; El-Saadany, E.F.; Essam, M.; Atwa, Y.M. Reliability Assessment of Distribution Systems Considering Telecontrolled Switches and Microgrids. IEEE Trans. Power Syst. 2013, 29, 598–607. [Google Scholar] [CrossRef]
- Celli, G.; Ghiani, E.; Pilo, F.; Soma, G.G. Reliability assessment in smart distribution networks. Electr. Power Syst. Res. 2013, 104, 164–175. [Google Scholar] [CrossRef]
- Smith, M.; Ton, D. Key Connections: The U.S. Department of Energys Microgrid Initiative. IEEE Power Energy Mag. 2013, 11, 22–27. [Google Scholar] [CrossRef]
- Li, Q.; Xu, Z.; Yang, L. Recent advancements on the development of microgrids. J. Mod. Power Syst. Clean Energy 2014, 2, 206–211. [Google Scholar] [CrossRef]
- Soshinskaya, M.; Crijns-Graus, W.H.; Guerrero, J.M.; Vasquez, J.C. Microgrids: Experiences, barriers and success factors. Renew. Sustain. Energy Rev. 2014, 40, 659–672. [Google Scholar] [CrossRef]
- Fu, Q.; Nasiri, A.; Solanki, A.; Bani-Ahmed, A.; Weber, L.; Bhavaraju, V. Microgrids: Architectures, Controls, Protection, and Demonstration. Electr. Power Compon. Syst. 2015, 43, 1453–1465. [Google Scholar] [CrossRef]
- Sabzehgar, R. A review of AC/DC microgrid-developments, technologies, and challenges. In Proceedings of the 2015 IEEE Green Energy and Systems Conference, Long Beach, CA, USA, 9 November 2015. [Google Scholar]
- Hirsch, A.; Parag, Y.; Guerrero, J.M. Microgrids: A review of technologies, key drivers, and outstanding issues. Renew. Sustain. Energy Rev. 2018, 90, 402–411. [Google Scholar] [CrossRef]
- Choudhury, S. A comprehensive review on issues, investigations, control and protection trends, technical challenges and future directions for Microgrid technology. Int. Trans. Electr. Energy Syst. 2020, 30, 1–16. [Google Scholar] [CrossRef]
- Billinton, R. Bibliography on the Application of Probability Methods in Power System Reliability Evaluation. IEEE Trans. Power Appar. Syst. 1972, 649–660. [Google Scholar] [CrossRef]
- Allan, R.N.; Billinton, R.; Shahidehpour, S.; Singh, C. Bibliography on the Application of Probability Methods in Power System Reliability evaluation. IEEE Trans. Power Syst. 1988, 3, 1555–1564. [Google Scholar] [CrossRef]
- Allan, R.N.; Billinton, R.; Breipohl, A.M.; Grigg, C.H. Bibliography on the Application of Probability Methods in Power System Reliability Evaluation. IEEE Trans. Power Syst. 1994, 9, 41–49. [Google Scholar] [CrossRef]
- Allan, R.; Billinton, R.; Breipohl, A.; Grigg, C. Bibliography on the application of probability methods in power system reliability evaluation. IEEE Trans. Power Syst. 1999, 14, 51–57. [Google Scholar] [CrossRef]
- Billinton, R.; Fotuhi-Firuzabad, M.; Bertling, L.B. Bibliography on the application of probability methods in power system reliability evaluation 1996–1999. IEEE Trans. Power Syst. 2001, 16, 595–602. [Google Scholar] [CrossRef]
- Lin, J.; Cheng, L.; Chang, Y.; Zhang, K.; Shu, B.; Liu, G. Reliability based power systems planning and operation with wind power integration: A review to models, algorithms and applications. Renew. Sustain. Energy Rev. 2014, 31, 921–934. [Google Scholar] [CrossRef]
- Borges, C.L.T. An overview of reliability models and methods for distribution systems with renewable energy distributed generation. Renew. Sustain. Energy Rev. 2012, 16, 4008–4015. [Google Scholar] [CrossRef]
- Mohamad, F.; Teh, J. Impacts of Energy Storage System on Power System Reliability: A Systematic Review. Energies 2018, 11, 1749. [Google Scholar] [CrossRef]
- Khan, B.; Alhelou, H.H.; Mebrahtu, F. A holistic analysis of distribution system reliability assessment methods with conventional and renewable energy sources. AIMS Energy 2019, 7, 413–429. [Google Scholar] [CrossRef]
- Escalera, A.; Hayes, B.; Prodanović, M. A survey of reliability assessment techniques for modern distribution networks. Renew. Sustain. Energy Rev. 2018, 91, 344–357. [Google Scholar] [CrossRef]
- Liberati, A.; Altman, D.G.; Tetzlaff, J.; Mulrow, C.D.; Gøtzsche, P.C.; Ioannidis, J.P.; Clarke, M.; Devereaux, P.; Kleijnen, J.; Moher, D. The PRISMA statement for reporting systematic reviews and meta-analyses of studies that evaluate health care interventions: Explanation and elaboration. J. Clin. Epidemiol. 2009, 62, e1–e34. [Google Scholar] [CrossRef]
- Elmakias, D. New Computational Methods in Power System Reliability; Springer: Berlin, Germany, 2008. [Google Scholar]
- Faulin, J.; Juan, A.; Martorell, S.; Ramírez, J. Simulation Methods for Reliability and Availability of Complex Systems; Springer: London, UK, 2010. [Google Scholar]
- Billinton, R.; Li, W. Reliability Assessment of Electric Power Systems Using Monte Carlo Methods; Springer Science+Business Media, LLC.: New York, NY, USA, 1994. [Google Scholar]
- Billinton, R.; Allan, R.N. Reliability Evaluation of Power Systems; Plenum Press: New York, NY, USA, 1996. [Google Scholar]
- Billinton, R.; Allan, R.N. Reliability Evaluation of Engineering Systems; Springer Science+Business Media, LLC.: New York, NY, USA, 1992. [Google Scholar]
- Blischke, W.R.; Murthy, D.N.P. Reliability: Modeling, Prediction and Optimization; JOHN WILEY & SONS, INC.: New York, NY, USA, 2000. [Google Scholar]
- Elgenedy, M.A.; Massoud, A.M.; Ahmed, S. Smart grid self-healing: Functions, applications, and developments. In Proceedings of the 2015 First Workshop on Smart Grid and Renewable Energy, Doha, Qatar, 22 March 2015. [Google Scholar]
- El-Hawary, M.E. The Smart Grid—State-of-the-art and Future Trends. Electr. Power Compon. Syst. 2014, 42, 239–250. [Google Scholar] [CrossRef]
- Bhatt, J.; Shah, V.; Jani, O. An instrumentation engineer’s review on smart grid: Critical applications and parameters. Renew. Sustain. Energy Rev. 2014, 40, 1217–1239. [Google Scholar] [CrossRef]
- Bari, A.; Jiang, J.; Saad, W.; Jaekel, A. Challenges in the Smart Grid Applications: An Overview. Int. J. Distrib. Sens. Netw. 2014, 10. [Google Scholar] [CrossRef]
- IqtiyaniIlham, N.; Hasanuzzaman, M.; Hosenuzzaman, M. European smart grid prospects, policies, and challenges. Renew. Sustain. Energy Rev. 2017, 67, 776–790. [Google Scholar] [CrossRef]
- Selvam, M.M.; Gnanadass, R.; Padhy, N.P. Initiatives and technical challenges in smart distribution grid. Renew. Sustain. Energy Rev. 2016, 58, 911–917. [Google Scholar] [CrossRef]
- Vineetha, C.P.; Babu, C.A. Smart grid challenges, issues and solutions. In Proceedings of the 2014 International Conference on Intelligent Green Building and Smart Grid, Taipei, Taiwan, 23–25 April 2014. [Google Scholar]
- Lasseter, R.H.; Paigi, P. Microgrid: A conceptual solution. In Proceedings of the 2004 IEEE 35th Annual Power Electronics Specialists Conference, Aachen, Germany, 20–25 June 2004. [Google Scholar]
- Lasseter, R.H. Smart Distribution: Coupled Microgrids. Proc. IEEE 2011, 99, 1074–1082. [Google Scholar] [CrossRef]
- De Quevedo, P.M.; Contreras, J.; Mazza, A.; Chicco, G.; Porumb, R. Modeling and reliability assessment of microgrids including renewable distributed generation. In Proceedings of the 2016 IEEE 16th International Conference on Environment and Electrical Engineering, Florence, Italy, 7–10 June 2016. [Google Scholar]
- Kueck, J.D.; Kirby, B.J. The Distribution System of the Future. Electr. J. 2003, 16, 78–87. [Google Scholar] [CrossRef]
- Khodayar, M.E.; Barati, M.; Shahidehpour, M. Integration of High Reliability Distribution System in Microgrid Operation. IEEE Trans. Smart Grid 2012, 3, 1997–2006. [Google Scholar] [CrossRef]
- Nikmehr, N.; Ravadanegh, S.N. Reliability evaluation of multi-microgrids considering optimal operation of small scale energy zones under load-generation uncertainties. Int. J. Electr. Power Energy Syst. 2016, 78, 80–87. [Google Scholar] [CrossRef]
- Unamuno, E.; Barrena, J.A. Hybrid ac/dc microgrids—Part I: Review and classification of topologies. Renew. Sustain. Energy Rev. 2015, 52, 1251–1259. [Google Scholar] [CrossRef]
- Justo, J.J.; Mwasilu, F.; Lee, J.; Jung, J.-W. AC-microgrids versus DC-microgrids with distributed energy resources: A review. Renew. Sustain. Energy Rev. 2013, 24, 387–405. [Google Scholar] [CrossRef]
- Planas, E.; Andreu, J.; Gárate, J.I.; De Alegría, I.M.; Ibarra, E. AC and DC technology in microgrids: A review. Renew. Sustain. Energy Rev. 2015, 43, 726–749. [Google Scholar] [CrossRef]
- Patrao, I.; Figueres, E.; Garcerá, G.; González-Medina, R. Microgrid architectures for low voltage distributed generation. Renew. Sustain. Energy Rev. 2015, 43, 415–424. [Google Scholar] [CrossRef]
- Dragicevic, T.; Lu, X.; Vasquez, J.C.; Guerrero, J.M. DC Microgrids—Part II: A Review of Power Architectures, Applications, and Standardization Issues. IEEE Trans. Power Electron. 2016, 31, 3528–3549. [Google Scholar] [CrossRef]
- Ackermann, T.; Andersson, G.; Söder, L. Distributed generation: A definition. Electr. Power Syst. Res. 2001, 57, 195–204. [Google Scholar] [CrossRef]
- Makandar, M.; Atla, C.S.R.; Velamuri, S. Reliability assessment of distribution system with renewable Distributed Generation. In Proceedings of the Biennial International Conference on Power and Energy Systems: Towards Sustainable Energy, Bengaluru, India, 21–23 January 2016. [Google Scholar]
- Jing, W.; Lai, C.H.; Wong, S.H.W.; Wong, M.L.D. Battery-supercapacitor hybrid energy storage system in standalone DC microgrids: A review. IET Renew. Power Gener. 2017, 11, 461–469. [Google Scholar] [CrossRef]
- Memon, A.A.; Kauhaniemi, K. A critical review of AC Microgrid protection issues and available solutions. Electr. Power Syst. Res. 2015, 129, 23–31. [Google Scholar] [CrossRef]
- Brearley, B.J.; Prabu, R.R. A review on issues and approaches for microgrid protection. Renew. Sustain. Energy Rev. 2017, 67, 988–997. [Google Scholar] [CrossRef]
- Mahmoud, M.S.; Alyazidi, N.M.; Abouheaf, M.I. Adaptive intelligent techniques for microgrid control systems: A survey. Int. J. Electr. Power Energy Syst. 2017, 90, 292–305. [Google Scholar] [CrossRef]
- Bouzid, A.M.; Guerrero, J.M.; Cheriti, A.; Bouhamida, M.; Sicard, P.; Benghanem, M. A survey on control of electric power distributed generation systems for microgrid applications. Renew. Sustain. Energy Rev. 2015, 44, 751–766. [Google Scholar] [CrossRef]
- Hauser, C.; Bakken, D.; Bose, A. A failure to communicate: Next generation communication requirements, technologies, and architecture for the electric power grid. IEEE Power Energy Mag. 2005, 3, 47–55. [Google Scholar] [CrossRef]
- Kalalas, C.; Thrybom, L.; Alonso-Zarate, J. Cellular Communications for Smart Grid Neighborhood Area Networks: A Survey. IEEE Access 2016, 4, 1469–1493. [Google Scholar] [CrossRef]
- Babu, S.; Hilber, P.; Jurgensen, J.H.; Babu, S. On the status of reliability studies involving primary and secondary equipment applied to power system. In Proceedings of the 2014 International Conference on Probabilistic Methods Applied to Power Systems, Durham, UK, 7–10 July 2014. [Google Scholar]
- Zhang, P.; Li, W.; Li, S.; Wang, Y.; Xiao, W. Reliability assessment of photovoltaic power systems: Review of current status and future perspectives. Appl. Energy 2013, 104, 822–833. [Google Scholar] [CrossRef]
- Boroyevich, D.; Cvetkovic, I.; Dong, D.; Burgos, R.; Wang, F.; Lee, F. Future electronic power distribution systems a contemplative view. In Proceedings of the 2010 12th International Conference on Optimization of Electrical and Electronic Equipment, Brasov, Romania, 20–22 May 2010. [Google Scholar]
- Aljohani, T.M.; Beshir, M.J. Distribution System Reliability Analysis for Smart Grid Applications. Smart Grid Renew. Energy 2017, 8, 240–251. [Google Scholar] [CrossRef]
- Aljohani, T.M.; Beshir, M.J. Matlab Code to Assess the Reliability of the Smart Power Distribution System Using Monte Carlo Simulation. J. Power Energy Eng. 2017, 5, 30–44. [Google Scholar] [CrossRef]
- Lei, H.; Singh, C. Non-Sequential Monte Carlo Simulation for Cyber-Induced Dependent Failures in Composite Power System Reliability Evaluation. IEEE Trans. Power Syst. 2016, 32, 1. [Google Scholar] [CrossRef]
- Xiang, Y.; Wang, L.; Fu, T. A preliminary study of power system reliability considering cloud service reliability. In Proceedings of the 2014 International Conference on Power System Technology, Chengdu, China, 20–22 October 2014. [Google Scholar]
- Li, G.; Bie, Z.; Xie, H.; Lin, Y. Customer satisfaction based reliability evaluation of active distribution networks. Appl. Energy 2016, 162, 1571–1578. [Google Scholar] [CrossRef]
- Maleki, B.; Gandomkar, M.; Maleki, T.; Gandoman, F.H. Method of evaluating reliability of microgrids in Island mode by using load prioritization. In Proceedings of the 2014 19th Conference on Electrical Power Distribution Networks, Tehran, Iran, 6–7 May 2014. [Google Scholar]
- Costa, P.M.; Matos, M.A. Reliability of distribution networks with microgrids. In Proceedings of the 2005 IEEE Russia Power Tech, St. Petersburg, Russia, 27–30 June 2005. [Google Scholar]
- Conti, S.; Nicolosi, R.; Rizzo, S.A. Generalized Systematic Approach to Assess Distribution System Reliability with Renewable Distributed Generators and Microgrids. IEEE Trans. Power Deliv. 2012, 27, 261–270. [Google Scholar] [CrossRef]
- Syrri, A.L.A.; Martinez Cesena, E.A.; Mancarella, P. Contribution of Microgrids to distribution network reliability. In Proceedings of the 2015 IEEE Eindhoven Power Tech, Eindhoven, The Netherlands, 29 June–2 July 2015. [Google Scholar] [CrossRef]
- Sagar, E.V.; Kumar, G.K. Reliability improvement of radial distribution systems using Microgrids placed on distributors. In Proceedings of the 2015 Conference on Power, Control, Communication and Computational Technologies for Sustainable Growth, Kurnool, India, 11–12 December 2015. [Google Scholar]
- Lovelady, D.; Yang, B.; Natti, S.; Mueller, H.; Tao, L. A scenario driven reliability assessment approach for microgrids. In Proceedings of the 2013 IEEE Power & Energy Society General Meeting, Vancouver, BC, Canada, 21–25 July 2013. [Google Scholar]
- Huang, X.; Shen, Y.; Zeng, F.; Chen, C.; Cao, Y. Reliability evaluation of microgrid cluster based on Monte-Carlo hierarchical dynamic reliability model. In Proceedings of the 10th IET International Conference on Advances in Power System Control, Operation & Management, Hong Kong, China, 8–12 November 2015. [Google Scholar]
- Chen, Q.; Mili, L. Optimal placement and sizing of microgrids in composite reliability of a deregulated power system. Int. J. Crit. Infrastruct. 2016, 12, 37. [Google Scholar] [CrossRef]
- Conti, S.; Rizzo, S.A. Monte Carlo Simulation by Using a Systematic Approach to Assess Distribution System Reliability Considering Intentional Islanding. IEEE Trans. Power Deliv. 2015, 30, 64–73. [Google Scholar] [CrossRef]
- Fan, T.; Du, S.; Liu, K.; Su, J.; Liu, Y. Reliability evaluation based on Monte Carlo simulation considering islanded operation in distribution network with micogrid. In Proceedings of the International Conference on Renewable Power Generation, Beijing, China, 17–18 October 2015. [Google Scholar]
- Liang, H.; Su, J.; Liu, S. Reliability evaluation of distribution system containing microgrid. In Proceedings of the 2010 China International Conference on Electricity Distribution, Nanjing, China, 13–16 September 2010. [Google Scholar]
- Wang, C.; Jiao, B.; Guo, L.; Yuan, K.; Sun, B. Optimal planning of stand-alone microgrids incorporating reliability. J. Mod. Power Syst. Clean Energy 2014, 2, 195–205. [Google Scholar] [CrossRef]
- Xu, X.; Mitra, J.; Wang, T.; Mu, L. Reliability Evaluation of a Microgrid Considering Its Operating Condition. J. Electr. Eng. Technol. 2016, 11, 47–54. [Google Scholar] [CrossRef]
- Li, G.; Kou, Y.; Jiang, J.; Lin, Y.; Bie, Z. Researches on the reliability evaluation of integrated energy system based on Energy Hub. In Proceedings of the 2016 China International Conference on Electricity Distribution, Xi’an, China, 10–13 August 2016. [Google Scholar]
- Wang, S.; Li, Z.; Wu, L.; Shahidehpour, M.; Li, Z. New Metrics for Assessing the Reliability and Economics of Microgrids in Distribution System. IEEE Trans. Power Syst. 2013, 28, 2852–2861. [Google Scholar] [CrossRef]
- Costa, P.M.; Matos, M.A. Assessing the contribution of microgrids to the reliability of distribution networks. Electr. Power Syst. Res. 2009, 79, 382–389. [Google Scholar] [CrossRef]
- Zhong, W.; Wang, L.; Liu, Z.; Hou, S. Reliability Evaluation and Improvement of Islanded Microgrid Considering Operation Failures of Power Electronic Equipment. J. Mod. Power Syst. Clean Energy 2020, 8, 111–123. [Google Scholar] [CrossRef]
- Ren, Y.; Cui, B.; Yang, D.; Yang, D.; Fan, D.; Yang, D.; Li, M. A reliability evaluation method for radial multi-microgrid systems considering distribution network transmission capacity. Comput. Ind. Eng. 2020, 139, 106145. [Google Scholar] [CrossRef]
- Ecike, D. Using microgrids featuring PV panels and batteries connected to the grid to improve the reliability of a low-voltage feeder in Kinshasa. Energy Procedia 2019, 159, 117–122. [Google Scholar] [CrossRef]
- De Quevedo, P.M.; Contreras, J.; Mazza, A.; Chicco, G.; Porumb, R. Reliability Assessment of Microgrids With Local and Mobile Generation, Time-Dependent Profiles, and Intraday Reconfiguration. IEEE Trans. Ind. Appl. 2017, 54, 61–72. [Google Scholar] [CrossRef]
- Chen, B.; Zhang, X.; Zhang, B.; Wang, L.; Li, W.; Wang, S. Multi-microgrids system reliability assessment algorithm considering energy dispatch strategy among microgrids. Energy Procedia 2018, 145, 15–19. [Google Scholar] [CrossRef]
- Zhang, X.; Chen, B.; Wang, F.; Wang, X.; Cheng, Y.; Li, G. Multi-microgrids System Reliability Assessment Considering Difference Characteristics and Inter-connection Ability among Microgrids. J. Electr. Eng. Technol. 2019, 14, 1957–1962. [Google Scholar] [CrossRef]
- Arefifar, S.A.; Mohamed, Y.A.-R.I.; El-Fouly, T.H.M. Optimum Microgrid Design for Enhancing Reliability and Supply-Security. IEEE Trans. Smart Grid 2013, 4, 1567–1575. [Google Scholar] [CrossRef]
- Nikmehr, N.; Najafi-Ravadanegh, S. Reliability evaluation in multi-microgrids under probabilistic optimum operation using heuristic algorithm. In Proceedings of the 2015 Smart Grid Conference, Tehran, Iran, 22–23 December 2015. [Google Scholar]
- Hasanvand, S.; Nayeripour, M.; Waffenschmidt, E.; Fallahzadeh-Abarghouei, H. A new approach to transform an existing distribution network into a set of micro-grids for enhancing reliability and sustainability. Appl. Soft Comput. 2017, 52, 120–134. [Google Scholar] [CrossRef]
- Nguyen, M.Y.; Yoon, Y.T. A Comparison of Microgrid Topologies Considering Both Market Operations and Reliability. Electr. Power Compon. Syst. 2014, 42, 585–594. [Google Scholar] [CrossRef]
- Liu, X.; Wang, Y.; Song, C.; Qu, H. Reliability assessment of micro-grid based on Markov model. In Proceedings of the 2016 IEEE PES Asia-Pacific Power and Energy Engineering Conference, Xi’an, China, 25–28 October 2016. [Google Scholar]
- Alkuhayli, A.A.; Raghavan, S.; Chowdhury, B.H. Reliability evaluation of distribution systems containing renewable distributed generations. In Proceedings of the 2012 North American Power Symposium, Champaign, IL, USA, 9–11 September 2012. [Google Scholar]
- Tanrioven, M. Reliability and cost–benefits of adding alternate power sources to an independent micro-grid community. J. Power Sources 2005, 150, 136–149. [Google Scholar] [CrossRef]
- Ansarian, M.; Sadeghzadeh, S.M.; Fotuhi-Firuzabad, M. Optimum generation dispatching of distributed resources in smart grids. Int. Trans. Electr. Energy Syst. 2014, 25, 1297–1318. [Google Scholar] [CrossRef]
- Ahadi, A.; Ghadimi, N.; Mirabbasi, D. Reliability assessment for components of large scale photovoltaic systems. J. Power Sources 2014, 264, 211–219. [Google Scholar] [CrossRef]
- Cai, B.; Liu, Y.; Ma, Y.; Huang, L.; Liu, Z. A framework for the reliability evaluation of grid-connected photovoltaic systems in the presence of intermittent faults. Energy 2015, 93, 1308–1320. [Google Scholar] [CrossRef]
- Liu, J.; Zhang, J.; Zhang, D. Effect of Distributed Generation on Power Supply Reliability of Distribution Network. In Proceedings of the 2015 8th International Conference on Grid and Distributed Computing, Jeju Island, South Korea, 25–28 November 2015. [Google Scholar]
- Yahaya, A.; AlMuhaini, M. Reliability assessment of load points including solar and wind DGs. In Proceedings of the 2015 International Symposium on Smart Electric Distribution Systems and Technologies, Vienna, Austria, 8–11 September 2015. [Google Scholar]
- Chowdhury, A.A.; Agarwal, S.K.; Koval, D.O. Reliability modeling of distributed generation in conventional distribution systems planning and analysis. In Proceedings of the Conference Record of the 2002 IEEE Industry Applications Conference, 37th IAS Annual Meeting, Pittsburgh, PA, USA, 13–18 October 2002. [Google Scholar]
- Arya, R.; Choube, S.; Arya, L. Reliability evaluation and enhancement of distribution systems in the presence of distributed generation based on standby mode. Int. J. Electr. Power Energy Syst. 2012, 43, 607–616. [Google Scholar] [CrossRef]
- Qi, X.; Zhang, L.; Zhang, J.; Chang, L. Reliable power supply capability analysis for electric distribution network including distributed generations based on probabilistic reliability. In Proceedings of the 2016 IEEE 7th International Symposium on Power Electronics for Distributed Generation Systems, Vancouver, BC, Canada, 27–30 June 2016. [Google Scholar]
- Zhi-Jian, L.; Gui-Hong, W.; Dong-Hui, Y.; Qi, S. Reliability assessment of distribution network considering the randomness of distributed generation. In Proceedings of the 2016 China International Conference on Electricity Distribution, Xi’an, China, 10–13 August 2016. [Google Scholar]
- Qin, Z.; Li, W.; Xiong, X. Incorporating multiple correlations among wind speeds, photovoltaic powers and bus loads in composite system reliability evaluation. Appl. Energy 2013, 110, 285–294. [Google Scholar] [CrossRef]
- Sousa, B.J.D.O.E.; Humayun, M.; Pihkala, A.; Millar, R.J.; Lehtonen, M. Block-Layer Reliability Method for Distribution Systems under Various Operating Scenarios. IEEE Trans. Power Syst. 2016, 32, 1. [Google Scholar] [CrossRef]
- Sun, G.; Zhao, J.; Zhang, X.; Liu, C.; Zhang, Y.; Kong, X.; Lv, X. Reliability analysis method for microgrid with intermittent distributed generations. In Proceedings of the 2016 China International Conference on Electricity Distribution, Xi’an, China, 10–13 August 2016. [Google Scholar]
- Wang, Y.; Wang, L.; Xu, L.; Sun, J. Monte Carlo Based Operating Reserve Adequacy Evaluation of a Stand-Alone Microgrid Considering High Penetrations of Correlated Wind Energy. In Proceedings of the 2016 3rd International Conference on Information Science and Control Engineering, Beijing, China, 8–10 July 2016. [Google Scholar]
- Yokoyama, R.; Niimura, T.; Saito, N. Modeling and evaluation of supply reliability of microgrids including PV and wind power. In Proceedings of the 2008 IEEE Power and Energy Society General Meeting—Conversion and Delivery of Electrical Energy in the 21st Century, Pittsburgh, PA, USA, 20–24 July 2008. [Google Scholar] [CrossRef]
- Chiradeja, P.; Ngaopitakkul, A. The impact of capacity and location of multidistributed generator integrated in the distribution system on electrical line losses, reliability, and interruption cost. Environ. Prog. Sustain. Energy 2015, 34, 1763–1773. [Google Scholar] [CrossRef]
- Ahadi, A.; Reza, S.E.; Liang, X. Probabilistic reliability evaluation for power systems with high penetration of renewable power generation. In Proceedings of the 2017 IEEE International Conference on Industrial Technology, Toronto, ON, Canada, 22–25 March 2017. [Google Scholar]
- Zhao, Q.; Wang, P.; Goel, L.; Ding, Y. Evaluation of nodal reliability risk in a deregulated power system with photovoltaic power penetration. IET Gener. Transm. Distrib. 2013, 8, 421–430. [Google Scholar] [CrossRef]
- Bae, I.-S.; Kim, J.-O. Reliability Evaluation of Customers in a Microgrid. IEEE Trans. Power Syst. 2008, 23, 1416–1422. [Google Scholar] [CrossRef]
- Nosratabadi, S.M.; Hooshmand, R.-A.; Gholipour, E.; Rahimi, S. Modeling and simulation of long term stochastic assessment in industrial microgrids proficiency considering renewable resources and load growth. Simul. Model. Pract. Theory 2017, 75, 77–95. [Google Scholar] [CrossRef]
- Li, N.; Wang, X.; Zhu, Z.; Lin, Y.; Li, M.; Hui, J. Research on the Improved Reliability Evaluation Method of Active Distribution System. IOP Conf. Ser.: Mater. Sci. Eng. 2018, 366, 1–6. [Google Scholar] [CrossRef]
- Bagheri, A.; Monsef, H.; Lesani, H. Integrated distribution network expansion planning incorporating distributed generation considering uncertainties, reliability, and operational conditions. Int. J. Electr. Power Energy Syst. 2015, 73, 56–70. [Google Scholar] [CrossRef]
- Al-Muhaini, M.; Bizrah, A.; Heydt, G.; Khalid, M. Impact of wind speed modelling on the predictive reliability assessment of wind-based microgrids. IET Renew. Power Gener. 2019, 13, 2947–2956. [Google Scholar] [CrossRef]
- Ansari, O.A.; Safari, N.; Chung, C.Y. Reliability assessment of microgrid with renewable generation and prioritized loads. In Proceedings of the 2016 IEEE Green Energy and Systems Conference, Long Beach, CA, USA, 7 November 2016. [Google Scholar] [CrossRef]
- De Nadai, N.; De Souza, A.Z.; Costa, J.; Marujo, D.; Portelinha, F.; Oliveira, D. A Monte Carlo Simulation Approach to Determine Critical Buses in Islanded Microgrids. In Proceedings of the 5th IET International Conference on Renewable Power Generation, London, UK, 21–23 September 2016. [Google Scholar]
- Kennedy, S.; Marden, M.M. Reliability of islanded microgrids with stochastic generation and prioritized load. In Proceedings of the 2009 IEEE Bucharest Power Tech, Bucharest, Romania, 28 June–2 July 2009. [Google Scholar] [CrossRef]
- Louie, H.; Dauenhauer, P. Effects of load estimation error on small-scale off-grid photovoltaic system design, cost and reliability. Energy Sustain. Dev. 2016, 34, 30–43. [Google Scholar] [CrossRef]
- Kennedy, S. Reliability evaluation of islanded microgrids with stochastic distributed generation. In Proceedings of the 2009 IEEE Power & Energy Society General Meeting, Calgary, AB, Canada, 26–30 July 2009. [Google Scholar]
- Borges, C.L.T.; Costa, M. Reliability assessment of microgrids with renewable generation by an hybrid model. In Proceedings of the 2015 IEEE Eindhoven Power Tech, Eindhoven, The Netherlands, 29 June–2 July 2015. [Google Scholar] [CrossRef]
- Tuffaha, T.; AlMuhaini, M. Reliability assessment of a microgrid distribution system with pv and storage. In Proceedings of the 2015 International Symposium on Smart Electric Distribution Systems and Technologies, Vienna, Austria, 8–11 September 2015. [Google Scholar]
- Farzin, H.; Fotuhi-Firuzabad, M.; Moeini-Aghtaie, M. Reliability Studies of Modern Distribution Systems Integrated with Renewable Generation and Parking Lots. IEEE Trans. Sustain. Energy 2016, 8, 431–440. [Google Scholar] [CrossRef]
- Xu, X.; Mitra, J.; Wang, T.; Mu, L. An Evaluation Strategy for Microgrid Reliability Considering the Effects of Protection System. IEEE Trans. Power Deliv. 2015, 31, 1989–1997. [Google Scholar] [CrossRef]
- Rudion, K.; Orths, A.; Styczynski, Z.; Strunz, K. Design of benchmark of medium voltage distribution network for investigation of DG integration. In Proceedings of the 2006 IEEE Power Engineering Society General Meeting, Montreal, QC, Canada, 18–22 June 2006. [Google Scholar]
- Bahrami, M.; Eslami, S.; Zandi, M.; Gavagsaz-Ghoachani, R.; Payman, A.; Phattanasak, M.; Nahid-Mobarakeh, B.; Pierfederici, S. Predictive based reliability analysis of electrical hybrid distributed generation. In Proceedings of the 2015 International Conference on Science and Technology, Pathum Thani, Thailand, 4–6 November 2015. [Google Scholar]
- Adefarati, T.; Bansal, R.C. Reliability assessment of distribution system with the integration of renewable distributed generation. Appl. Energy 2017, 185, 158–171. [Google Scholar] [CrossRef]
- Shi, N.; Luo, Y. Energy Storage System Sizing Based on a Reliability Assessment of Power Systems Integrated with Wind Power. Sustainability 2017, 9, 395. [Google Scholar] [CrossRef]
- Chen, Y.; Zheng, Y.; Luo, F.; Wen, J.; Xu, Z. Reliability evaluation of distribution systems with mobile energy storage systems. IET Renew. Power Gener. 2016, 10, 1562–1569. [Google Scholar] [CrossRef]
- Bai, H.; Miao, S.; Zhang, P.; Bai, Z. Reliability Evaluation of a Distribution Network with Microgrid Based on a Combined Power Generation System. Energies 2015, 8, 1216–1241. [Google Scholar] [CrossRef]
- Xu, N.Z.; Chung, C.Y. Reliability Evaluation of Distribution Systems Including Vehicle-to-Home and Vehicle-to-Grid. IEEE Trans. Power Syst. 2015, 31, 759–768. [Google Scholar] [CrossRef]
- Shams, H.; Sadeghfam, A.; Rostami, N.; Tohidi, S. Exact approach for charging of PEVs with V2G capability to improve micro-grid reliability. IET Gener. Transm. Distrib. 2019, 13, 3690–3695. [Google Scholar] [CrossRef]
- Ge, S.; Sun, H.; Liu, H.; Li, J.; Zhang, X.; Cao, Y. Reliability Evaluation of Multi-energy Microgrids: Energy Storage Devices Effects Analysis. Energy Procedia 2019, 158, 4453–4458. [Google Scholar] [CrossRef]
- Pham, T.T.; Kuo, T.C.; Bui, D.M. Reliability evaluation of an aggregate battery energy storage system in microgrids under dynamic operation. Int. J. Electr. Power Energy Syst. 2020, 118, 105786. [Google Scholar] [CrossRef]
- Gautam, P.; Karki, R.; Piya, P. Probabilistic Modeling of Energy Storage to Quantify Market Constrained Reliability Value to Active Distribution Systems. IEEE Trans. Sustain. Energy 2020, 11, 1043–1053. [Google Scholar] [CrossRef]
- Araujo, J.R.; Silva, E.N.M.; Rodrigues, A.B.; Da Silva, M. Assessment of the Impact of Microgrid Control Strategies in the Power Distribution Reliability Indices. J. Control Autom. Electr. Syst. 2017, 28, 271–283. [Google Scholar] [CrossRef]
- Martínez-Velasco, J.A.; Guerra, G. Reliability Analysis of Distribution Systems with Photovoltaic Generation Using a Power Flow Simulator and a Parallel Monte Carlo Approach. Energies 2016, 9, 537. [Google Scholar] [CrossRef]
- Dialynas, E.N.; Daoutis, L. Modelling and evaluation of microgrids reliability and operational performance and its impact on service quality. Eur. Trans. Electr. Power 2011, 21, 1255–1270. [Google Scholar] [CrossRef]
- Sun, Y.; Bollen, M.H.J.; Ault, G.W. Probabilistic Reliability Evaluation for Distribution Systems with DER and Microgrids. In Proceedings of the 2006 International Conference on Probabilistic Methods Applied to Power Systems, Stockholm, Sweden, 11–15 June 2006. [Google Scholar]
- Chen, X.; Liu, B.; Li, C. A Reliability Evaluation Method for Distribution System with Microgrids. In Proceedings of the 2012 Asia-Pacific Power and Energy Engineering Conference, Shanghai, China, 27–29 March 2012. [Google Scholar]
- Pilo, F.; Celli, G.; Mocci, S. Improvement of reliability in active networks with intentional islanding. In Proceedings of the 2004 IEEE International Conference on Electric Utility Deregulation, Restructuring and Power Technologies, Hong Kong, China, 5–8 April 2004. [Google Scholar]
- Xu, X.; Mitra, J.; Wang, T.; Mu, L. Evaluation of Operational Reliability of a Microgrid Using a Short-Term Outage Model. IEEE Trans. Power Syst. 2014, 29, 2238–2247. [Google Scholar] [CrossRef]
- Xu, X.; Wang, T.; Mu, L.; Mitra, J. Predictive Analysis of Microgrid Reliability Using a Probabilistic Model of Protection System Operation. IEEE Trans. Power Syst. 2016, 32, 3176–3184. [Google Scholar] [CrossRef]
- Heidari, A.; Agelidis, V.G.; Zayandehroodi, H.; Pou, J.; Aghaei, J. On Exploring Potential Reliability Gains Under Islanding Operation of Distributed Generation. IEEE Trans. Smart Grid 2015, 7, 2166–2174. [Google Scholar] [CrossRef]
- Mo, H.; Li, Y.-F.; Zio, E. A system-of-systems framework for the reliability analysis of distributed generation systems accounting for the impact of degraded communication networks. Appl. Energy 2016, 183, 805–822. [Google Scholar] [CrossRef]
- Zhang, J.; Guan, L.; Wang, X. Impacts of island load shedding and restoration strategies on reliability of microgrid in distribution system. In Proceedings of the 2016 IEEE PES Asia-Pacific Power and Energy Engineering Conference, Xi’an, China, 25–28 October 2016. [Google Scholar]
- Afrakhte, H.; Bayat, P. A contingency based energy management strategy for multi-microgrids considering battery energy storage systems and electric vehicles. J. Energy Storage 2020, 27, 101087. [Google Scholar] [CrossRef]
- Feng, W.; Yanpeng, Q.; Zhengcai, F. Reliability evaluation of distribution system with microgrids considering power control mode. Aust. J. Electr. Electron. Eng. 2013, 10, 266–270. [Google Scholar] [CrossRef]
- Xu, Y.; Liu, C.-C.; Gao, H. Reliability analysis of distribution systems considering service restoration. In Proceedings of the 2015 IEEE Power & Energy Society Innovative Smart Grid Technologies Conference, Washington, DC, USA, 18–20 February 2015. [Google Scholar]
- Bani-Ahmed, A.; Rashidi, M.; Nasiri, A.; Hosseini, H. Reliability Analysis of a Decentralized Microgrid Control Architecture. IEEE Trans. Smart Grid 2019, 10, 3910–3918. [Google Scholar] [CrossRef]
- Hashemi-Dezaki, H.; Haeri-Khiavi, H.; Askarian-Abyaneh, H. Impacts of direct cyber-power interdependencies on smart grid reliability under various penetration levels of microturbine/wind/solar distributed generations. IET Gener. Transm. Distrib. 2016, 10, 928–937. [Google Scholar] [CrossRef]
- Conti, S.; La Corte, A.; Nicolosi, R.; Rizzo, S.A. Impact of cyber-physical system vulnerability, telecontrol system availability and islanding on distribution network reliability. Sustain. Energy Grids Netw. 2016, 6, 143–151. [Google Scholar] [CrossRef]
- Guo, J.; Liu, W.; Syed, F.R.; Zhang, J. Reliability assessment of a cyber physical microgrid system in island mode. CSEE J. Power Energy Syst. 2019, 5, 46–55. [Google Scholar] [CrossRef]
- Ristow, A.; Begovic, M.; Pregelj, A.; Rohatgi, A. Development of a Methodology for Improving Photovoltaic Inverter Reliability. IEEE Trans. Ind. Electron. 2008, 55, 2581–2592. [Google Scholar] [CrossRef]
- Wang, Y.; Zhang, P.; Li, W.; Kan’An, N.H. Comparative analysis of the reliability of grid-connected photovoltaic power systems. In Proceedings of the 2012 IEEE Power and Energy Society General Meeting, San Diego, CA, USA, 22–26 July 2012. [Google Scholar] [CrossRef]
- Song, Y.; Wang, B. Survey on Reliability of Power Electronic Systems. IEEE Trans. Power Electron. 2013, 28, 591–604. [Google Scholar] [CrossRef]
- Jaiswal, S.; Pahuja, G. Effect of reliability of wind power converters in productivity of wind turbine. In Proceedings of the 2014 IEEE 6th India International Conference on Power Electronics, Kurukshetra, India, 8–10 December 2014. [Google Scholar] [CrossRef]
- Arifujjaman, M.; Iqbal, M.T.; Quaicoe, J.E. A comparative study of the reliability of the power electronics in grid connected small wind turbine systems. In Proceedings of the 2009 IEEE 22nd Canadian Conference on Electrical and Computer Engineering, St. John’s, NL, Canada, 3–6 May 2009. [Google Scholar] [CrossRef]
Publisher’s Note: MDPI stays neutral with regard to jurisdictional claims in published maps and institutional affiliations. |
© 2020 by the authors. Licensee MDPI, Basel, Switzerland. This article is an open access article distributed under the terms and conditions of the Creative Commons Attribution (CC BY) license (http://creativecommons.org/licenses/by/4.0/).











