A Hybrid Optimization Approach for Power Loss Reduction and DG Penetration Level Increment in Electrical Distribution Network
Abstract
:1. Introduction
- Power loss reduction due to the proximity of load and generation.
- Voltage profile improvement.
- Improved reliability and security.
- Pollutant emission reduction from central power plants.
- Long term deferral of investment in transmission system expansion.
- Increasing loadability.
- Type I: DGs that inject only active power, e.g., PV systems.
- Type II: DGs that inject only reactive power, e.g., synchronous compensators.
- Type III: DGs that inject active power but absorb reactive power, e.g., induction generators.
- Type IV: DGs that inject both active and reactive power, e.g., synchronous generators.
- Power loss reduction and DG penetration level increment, while maintaining the voltage profile improvement within the permissible limit, are considered.
- Four scenarios, namely, the base case, only DNR, only DG installation, and simultaneous DG installation and DNR, are implemented using a hybrid optimization approach.
- The simulation results obtained for each scenario are compared with the base case and the references.
2. Materials and Methods
Voltage Stability Index for Optimal DG Placement
3. Particle Swarm Optimization (PSO) Algorithm
4. Results and Discussions
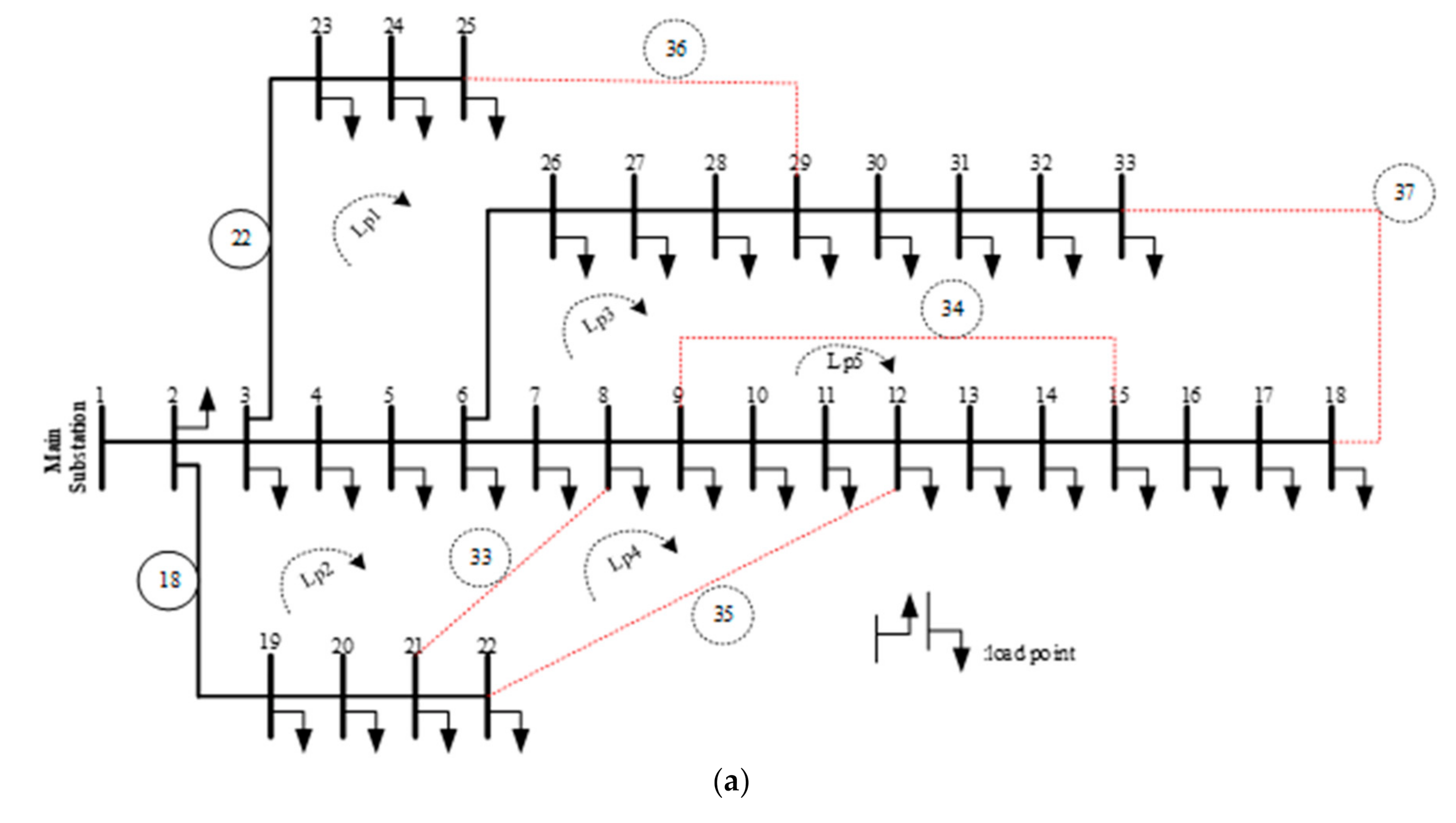
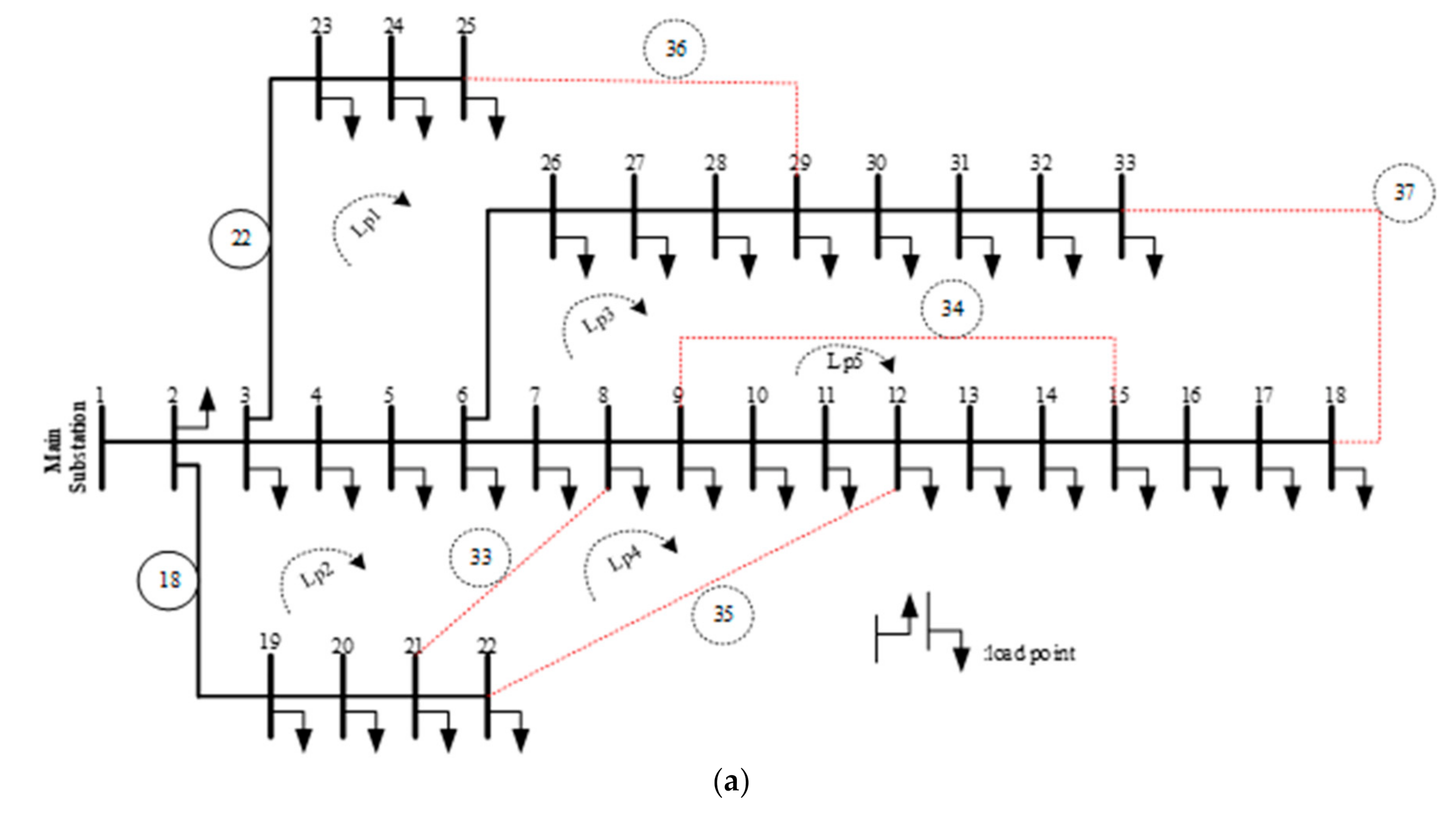
4.1. For IEEE-33 Bus Test System
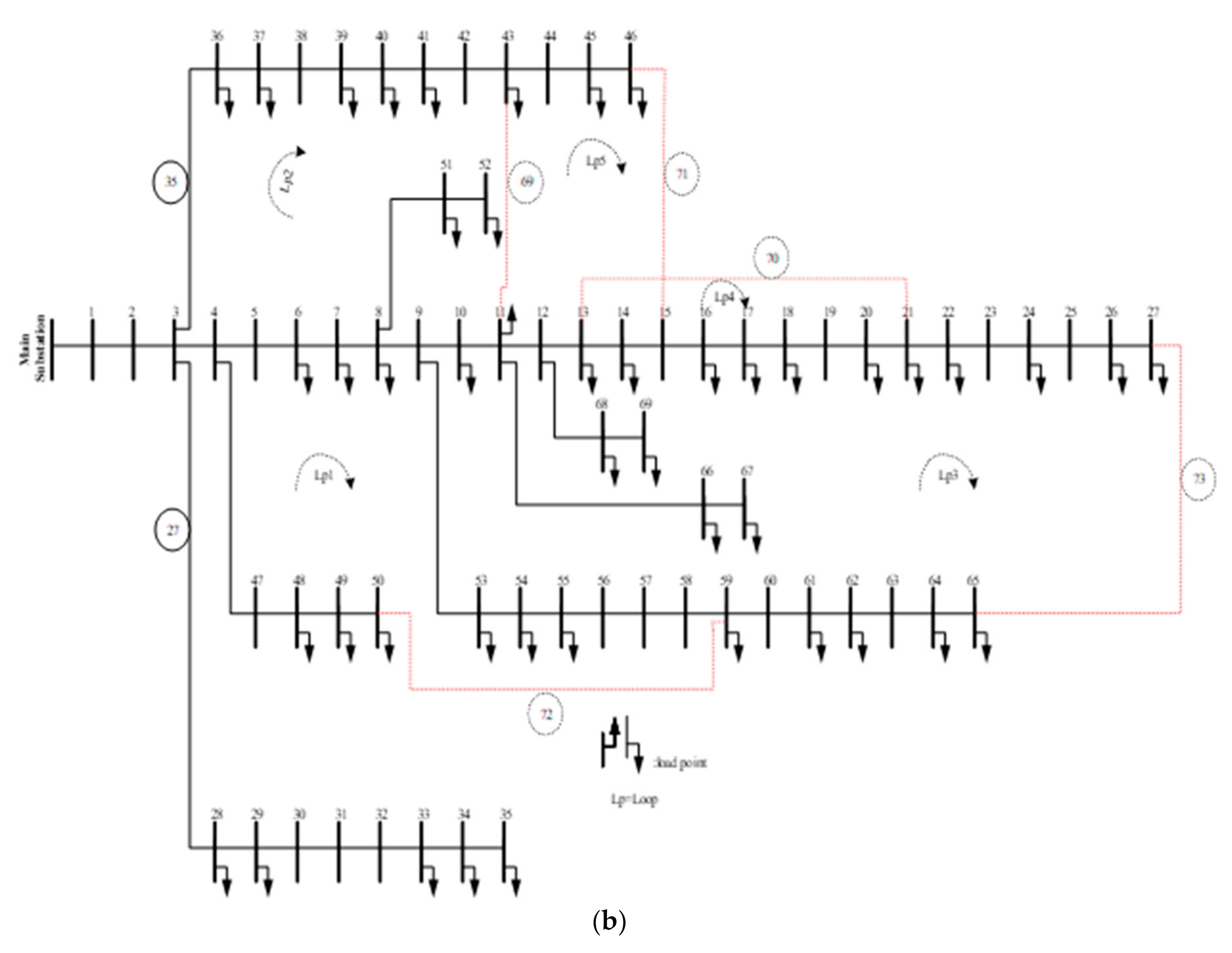
4.2. For IEEE-69 Bus Test System
5. Conclusions
Author Contributions
Funding
Acknowledgments
Conflicts of Interest
Appendix A


References
- Elkadeem, M.R.; Elaziz, M.A.; Ullah, Z.; Wang, S.; Sharshir, S.W. Optimal Planning of Renewable Energy-Integrated Distribution System Considering Uncertainties. IEEE Access 2019, 7, 164887–164907. [Google Scholar] [CrossRef]
- Mehta, V.K.; Mehta, R. Principles of Power System, 4th ed.; S. Chand: New Delhi, India, 1995. [Google Scholar]
- Damir, J.; Rade, C.; Josip, V.; Petar, S. Optimal Reconfiguration of Distribution Networks Using Hybrid Heuristic-Genetic Algorithm. Energies 2020, 13, 1544. [Google Scholar]
- Sanjay, R.; Jayabarathi, T.; Raghunathan, T.; Ramesh, V.; Mithulananthan, N. Optimal Allocation of Distributed Generation Using Hybrid Grey Wolf Optimizer. IEEE Access 2017, 5, 14807–14818. [Google Scholar] [CrossRef]
- Sultana, U.; Khairuddin, A.B.; Aman, M.; Mokhtar, A.; Zareen, N. A review of optimum DG placement based on minimization of power losses and voltage stability enhancement of distribution system. Renew. Sustain. Energy Rev. 2016, 63, 363–378. [Google Scholar] [CrossRef]
- Zarei, M.; Zangeneh, A. Multi—Objective optimization model for distribution network reconfiguration in the presence of distributed generations. Int Trans. Electr Energy Syst. 2017, 12, 1–18. [Google Scholar] [CrossRef]
- Selim, A.; Kamel, S.; Alghamdi, A.S.; Jurado, F. Optimal Placement of DGs in Distribution System Using an Improved Harris Hawks Optimizer Based on Single- and Multi-Objective Approaches. IEEE Access 2020, 8, 52815–52829. [Google Scholar] [CrossRef]
- Unahalekhaka, P.; Sripakarach, P. Reduction of Reverse Power Flow Using the Appropriate Size and Installation Position of a BESS for a PV Power Plant. IEEE Access 2020, 8, 102897–102906. [Google Scholar] [CrossRef]
- Injeti, S.K.; Kumar, N.P. A novel approach to identify optimal access point and capacity of multiple DGs in a small, medium and large scale radial distribution systems. Int. J. Electr. Power Energy Syst. 2013, 45, 142–151. [Google Scholar] [CrossRef]
- Mahmoud, H.A.; Huy, P.D.; Ramachandaramurthy, V.K. A review of the optimal allocation of distributed generation: Objectives, constraints, methods, and algorithms. Renew. Sustain. Energy Rev. 2017, 75, 293–312. [Google Scholar] [CrossRef]
- Wicaksono, D.A.; Penangsang, O.; Wibowo, R.S.; Aryani, N.K.; Putra, D.F.U. Optimizing Tie Switches Allocation and Sizing Distributed Generation (DG) Based on Maximize Loadability Simultaneously Using HPSO Algorithm; Institute of Electrical and Electronics Engineers (IEEE): Surabaya, Indonesia, 2019; pp. 102–107. [Google Scholar]
- Aman, M.; Jasmon, G.; Bakar, A.; Mokhlis, H. A new approach for optimum simultaneous multi-DG distributed generation Units placement and sizing based on maximization of system loadability using HPSO (hybrid particle swarm optimization) algorithm. Energy 2014, 66, 202–215. [Google Scholar] [CrossRef]
- Modarresi, J.; Gholipour, E.; Khodabakhshian, A. A comprehensive review of the voltage stability indices. Renew. Sustain. Energy Rev. 2016, 63, 1–12. [Google Scholar] [CrossRef]
- Song, Y.; Zheng, Y.; Liu, T.; Lei, S.; Hill, D.J. Closure to Discussion on “A New Formulation of Distribution Network Reconfiguration for Reducing the Voltage Volatility Induced by Distributed Generation”. IEEE Trans. Power Syst. 2020, 35, 4975–4976. [Google Scholar] [CrossRef]
- Razavi, S.-E.; Rahimi, E.; Javadi, M.S.; Nezhad, A.E.; Lotfi, M.; Shafie-Khah, M.; Catalão, J.P. Impact of distributed generation on protection and voltage regulation of distribution systems: A review. Renew. Sustain. Energy Rev. 2019, 105, 157–167. [Google Scholar] [CrossRef]
- Wan, H.; McCalley, J.; Vittal, V. Increasing thermal rating by risk analysis. IEEE Trans. Power Syst. 1999, 14, 815–828. [Google Scholar] [CrossRef]
- Prada, R.; Souza, L. Voltage stability and thermal limit: Constraints on the maximum loading of electrical energy distribution feeders. IEE Proc. Gener. Transm. Distrib. 1998, 145, 573. [Google Scholar] [CrossRef]
- Aman, M.; Jasmon, G.; Bakar, A.; Mokhlis, H. A new approach for optimum DG placement and sizing based on voltage stability maximization and minimization of power losses. Energy Convers. Manag. 2013, 70, 202–210. [Google Scholar] [CrossRef]
- Naidji, I.; Ben Smida, M.; Khalgui, M.; Bachir, A.; Li, Z.; Wu, N. Efficient Allocation Strategy of Energy Storage Systems in Power Grids Considering Contingencies. IEEE Access 2019, 7, 186378–186392. [Google Scholar] [CrossRef]
- Mahmoud, K.; Lehtonen, M. Simultaneous Allocation of Multi-Type Distributed Generations and Capacitors Using Generic Analytical Expressions. IEEE Access 2019, 7, 182701–182710. [Google Scholar] [CrossRef]
- Liew, S.; Strbac, G. Maximising penetration of wind generation in existing distribution networks. IEE Proc. Gener. Transm. Distrib. 2002, 149, 256–262. [Google Scholar] [CrossRef]
- Moravej, Z.; Akhlaghi, A.; Electrical Power and Energy Systems. A novel approach based on cuckoo search for DG allocation in distribution network. Int. J. Electr. Power Energy Syst. 2013, 44, 672–679. [Google Scholar] [CrossRef]
- Al Abri, R.S.; El-Saadany, E.F.; Atwa, Y.M. Optimal Placement and Sizing Method to Improve the Voltage Stability Margin in a Distribution System Using Distributed Generation. IEEE Trans. Power Syst. 2012, 28, 326–334. [Google Scholar] [CrossRef]
- Hien, N.C.; Mithulananthan, N.; Bansal, R.C. Location and Sizing of Distributed Generation Units for Loadabilty Enhancement in Primary Feeder. IEEE Syst. J. 2013, 7, 797–806. [Google Scholar] [CrossRef]
- Guan, W.; Tan, Y.; Zhang, H.; Song, J.; Electrical Power and Energy Systems. Distribution system feeder reconfiguration considering different model of DG sources. Int. J. Electr. Power Energy Syst. 2015, 68, 210–221. [Google Scholar] [CrossRef]
- Nassif, A.B. An Analytical Assessment of Feeder Overcurrent Protection with Large Penetration of Distributed Energy Resources. IEEE Trans. Ind. Appl. 2018, 54, 5400–5407. [Google Scholar] [CrossRef]
- Ali, S.M.; Mohamed, A.-A.A.; Hemeida, A. Impact of Optimal Allocation of Renewable Distributed Generation in Radial Distribution Systems Based on Different Optimization Algorithms. In Proceedings of the 2019 International Conference on Innovative Trends in Computer Engineering (ITCE), Aswan, Egypt, 2–4 February 2019; pp. 472–478. [Google Scholar] [CrossRef]
- Gong, Z.; Chen, Q.; Sun, K. Novel methodology solving distribution network reconfiguration with DG placement. J. Eng. 2019, 2019, 1668–1674. [Google Scholar] [CrossRef]
- Quezada, V.H.M.; Abbad, J.R.; Gomez, T.; Roman, S. Assessment of Energy Distribution Losses for Increasing Penetration of Distributed Generation. IEEE Trans. Power Syst. 2006, 21, 533–540. [Google Scholar] [CrossRef]
- Jain, N.; Singh, S.N.; Srivastava, S.C. Particle Swarm Optimization Based Method for Optimal Siting and Sizing of Multiple Distributed Generators; IEEE: Hyderabad, India, 2010; pp. 669–674. [Google Scholar]
- Liu, J.; Chiang, H.-D. Maximizing Available Delivery Capability of Unbalanced Distribution Networks for High Penetration of Distributed Generators. IEEE Trans. Power Deliv. 2014, 32, 1196–1202. [Google Scholar] [CrossRef]
- Tolabi, H.B.; Ali, M.H.; Rizwan, M. Simultaneous Reconfiguration, Optimal Placement of DSTATCOM, and Photovoltaic Array in a Distribution System Based on Fuzzy-ACO Approach. IEEE Trans. Sustain. Energy 2015, 6, 210–218. [Google Scholar] [CrossRef]
- Chen, S.; Hu, W.; Chen, Z. Comprehensive Cost Minimization in Distribution Networks Using Segmented-Time Feeder Reconfiguration and Reactive Power Control of Distributed Generators. IEEE Trans. Power Syst. 2016, 31, 983–993. [Google Scholar] [CrossRef]
- Essallah, S.; Khedher, A.; Bouallegue, A. Integration of distributed generation in electrical grid: Optimal placement and sizing under different load conditions. Comput. Electr. Eng. 2019, 79, 106461. [Google Scholar] [CrossRef]
- Andric, I.; Pina, A.; Ferrao, P.; Fournier, J.; Lacarriere, B.; Lecorre, O. Assessing the feasibility of using the heat demand-outdoor temperature function for a long-term district heat demand forecast. Energy Procedia 2017, 138, 134–139. [Google Scholar] [CrossRef]
- Din, F.U.; Ahmad, A.; Ullah, H.; Khan, A.; Umer, T.; Wan, S. Efficient sizing and placement of distributed generators in cyber-physical power systems. J. Syst. Arch. 2019, 97, 197–207. [Google Scholar] [CrossRef]
- Aryanezhad, M. Management and coordination of LTC, SVR, shunt capacitor and energy storage with high PV penetration in power distribution system for voltage regulation and power loss minimization. Int. J. Electr. Power Energy Syst. 2018, 100, 178–192. [Google Scholar] [CrossRef]
- Hung, D.Q.; Mithulananthan, N. Loss reduction and loadability enhancement with DG: A dual-index analytical approach. Appl. Energy 2014, 115, 233–241. [Google Scholar] [CrossRef]
- Ben, I.; Brini, S.; Msahli, F.; Faouzi, M. Optimal network recon fi guration and renewable DG integration considering time sequence variation in load and DGs. Renew. Energy 2018, 121, 66–80. [Google Scholar]
- Murty, V.; Kumar, A. Optimal placement of DG in radial distribution systems based on new voltage stability index under load growth. Int. J. Electr. Power Energy Syst. 2015, 69, 246–256. [Google Scholar] [CrossRef]
- Kennedy, J.; Eberhart, R. Particle Swarm Optimization; IEEE: Indianapolis, IN, USA, 1995; pp. 1942–1948. [Google Scholar]
- Kennedy, J.; Eberhart, R. A New Optimizer Using Particle Swarm Theory; IEEE: Washington, DC, USA, 2012; pp. 39–43. [Google Scholar]
- Jamian, J.J.; Abdullah, M.N.; Mokhlis, H.; Mustafa, M.W.; Bakar, A.H.A. Global Particle Swarm Optimization for High Dimension Numerical Functions Analysis. J. Appl. Math. 2014, 2014, 1–14. [Google Scholar] [CrossRef]
- Bayat, A.; Bagheri, A.; Noroozian, R. Optimal siting and sizing of distributed generation accompanied by reconfiguration of distribution networks for maximum loss reduction by using a new UVDA-based heuristic method. Int. J. Electr. Power Energy Syst. 2016, 77, 360–371. [Google Scholar] [CrossRef]
- Thanh, T.; Viet, A.; Anh, T. A novel method based on adaptive cuckoo search for optimal network reconfiguration and distributed generation allocation in distribution network. Int. J. Electr. Power Energy Syst. 2016, 78, 801–815. [Google Scholar]
- Aman, M.M.; Mokhlis, H.; Jasmon, G.B.; Abu Bakar, A.H. Optimum tie switches allocation and DG placement based on maximisation of system loadability using discrete artificial bee colony algorithm. IET Gener. Transm. Distrib. 2016, 10, 2277–2284. [Google Scholar] [CrossRef]
- Seritan, G.; Porumb, R.; Cepisca, C.; Grigorescu, S.D. Integration of Dispersed Power Generation. In Electricity Distribution—Intelligent Solutions for Electricity Transmission and Distribution Networks; Karampelas, K., Ekonomu, L., Eds.; Springer: Berlin, Germany, 2016; pp. 27–61. [Google Scholar]
- Seritan, G.; Tristiu, I.; Fierascu, G.; Vatu, R. Assessment for Efficient Operation of Smart Grids Using Advanced Technologies. In Proceedings of the 2018 International Conference and Exposition on Electrical and Power Engineering (EPE), Iasi, Romania, 18–19 October 2018; pp. 0901–0905. [Google Scholar]








| References | Objectives | Optimization/Solution Methods Used |
|---|---|---|
| Aman et al. [12] | Maximum loadability | Hybrid particle swarm optimization |
| Guan et al. [25] | Power loss reduction | Decimal coded quantum particle swarm optimization |
| Nassif et al. [26] | Feeder over current protection with large penetration of DGs | Analytical approach |
| Ali et al. [27] | Power loss reduction | Satin Bowerbird Optimization (SBO) Algorithm and Ant Lion optimizer (ALO) Algorithm |
| Gong et al. [28] | Power loss reduction and voltage profile improvement | Electromagnetism-like mechanism (ELM) |
| Quezada et al. [29] | Power loss reduction | Iterative search technique with load flow |
| Jain et al. [30] | Power loss reduction and voltage profile improvement | PSO |
| Liu et al. [31] | Maximizing DG capacity | Binary particles swarm optimization (BPSO) |
| Tolabi et al. [32] | Power loss reduction and voltage profile improvement | Combination of a fuzzy and ant colony optimization (ACO) |
| Chen et al. [33] | Minimization of cost | Hybrid particle swarm optimization |
| Essallah et al. [34] | Power loss reduction and voltage profile improvement | Analytical approach |
| Zongo et al. [35] | Minimization of power loss and voltage deviation | PSO and Newton Raphson Power Flow (NRPF) |
| Din et al. [36] | minimize line losses and total harmonic distortion (THD) | Genetic algorithm (GA) |
| Aryanezhad et al. [37] | Power loss reduction and voltage profile improvement | Genetic algorithm (GA) |
| Hung et al. [38] | Power loss reduction and enhancing loadability | Analytical approach |
| Hamida et al. [39] | Power loss reduction and minimizing annual operating costs | Fuzzy set theory and evolutionary technique based on the Pareto optimality |
| Scenarios | Items | Ref. [45] | Ref. [44] | Ref. [46] | Proposed |
|---|---|---|---|---|---|
| Base case | Switch opened | 33, 34, 35, 36, 37 | 33, 34, 35, 36, 37 | 33, 34, 35, 36, 37 | 33, 34, 35, 36, 37 |
| Power Loss (kW) | 202.68 | 202.685 | 210.99 | 211.00 | |
| Minimum voltage in p.u (bus) | 0.9108 | 0.9131(18) | - | 0.9038(18) | |
| Only Reconfiguration | Switch opened | 7, 9, 14, 28, 32 | 7, 9, 14, 32, 37 | 7, 9, 14, 28, 32 | 32, 33, 34, 35, 36 |
| Power Loss (kW) | 139.98 | 139.55 | 139.97 | 113.73 | |
| % loss reduction | 30.93 | 31.15 | 33.66 | 46.1 | |
| Minimum voltage in p.u (bus) | 0.9413 | 0.9378 (32) | - | 0.9534(23) | |
| Only DG installation | Switch opened | 33, 34, 35, 36, 37 | 33, 34, 35, 36, 37 | 33, 34, 35, 36, 37 | 33, 34, 35, 36, 37 |
| DG size | 3254.5 kW | 2731 kW | 3709.1 (kVA) | 3323.86 kVA | |
| DG position | 14, 24, 30 | 11, 24, 29 | 14, 32 | 6, 8, 14, 28 | |
| Power Loss (kW) | 74.26 | 74.213 | 113.15 | 49.7568 | |
| % loss reduction | 63.26 | 63.39 | 46.37 | 76.42 | |
| % DG penetration level | 74.48 | 62.5 | 84.89 | 76.07 | |
| Minimum voltage in p.u (bus) | 0.9778 | 0.962(33) | - | 0.982(33) | |
| DG and DNR | Switch opened | 8, 9, 27, 33, 36 | 7, 10, 13, 27, 32 | 7, 10, 14, 28, 32 | 32, 33, 34, 35, 36 |
| DG size | 3254.5 kW | 2689 kW | 4074.1 (kVA) | 3519.38 (kVA) | |
| DG position | 14, 24, 30 | 15, 21, 29 | 9, 25 | 6, 8, 14, 28 | |
| Power Loss (kW) | 62.98 | 57.287 | 58.86 | 37.70 | |
| % loss reduction | 68.93 | 71.74 | 72.1 | 82.13 | |
| % DG penetration level | 74.48 | 61.54 | 93.24 | 80.55 | |
| Minimum voltage in p.u (bus) | 0.9826 | 0.976(32) | - | 0.9841(31) |
| Scenarios | Items | Ref. [45] | Ref. [44] | Ref. [46] | Proposed |
|---|---|---|---|---|---|
| Base case | Switch opened | 69, 70, 71, 72, 73 | 69, 70, 71, 72, 73 | 69, 70, 71, 72, 73 | 69, 70, 71, 72, 73 |
| Power Loss (kW) | 224.89 | 225 | 224.95 | 224.98 | |
| Minimum voltage in p.u (bus) | 0.9092 | 0.9092(65) | - | 0.9092(65) | |
| Only Reconfiguration | Switch opened | 14, 57, 61, 69, 70 | 14, 58, 61, 69, 70 | 14, 57, 61, 69, 70 | 14, 56, 61, 69, 70 |
| Power Loss (kW) | 98.59 | 98.59 | 98.59 | 98.59 | |
| % loss reduction | 56.16 | 56.19 | 56.17 | 56.18 | |
| Minimum voltage in p.u (bus) | 0.9495 | 0.9495(61) | - | 0.9495(61) | |
| Only DG installation | Switch opened | 69, 70, 71, 72, 73 | 69, 70, 71, 72, 73 | 69, 70, 71, 72, 73 | 69, 70, 71, 72, 73 |
| DG size | 2982.6 kW | 2431 kW | 3635.00 (kVA) | 3401.6 (kVA) | |
| DG position | 2, 11, 18 | 11, 17, 61 | 61 | 5, 7, 57, 61 | |
| Power Loss (kW) | 72.44 | 72.626 | 104.86 | 36.8381 | |
| % loss reduction | 67.79 | 67.72 | 53.39 | 83.63 | |
| % DG penetration level | 64.01 | 52.17 | 78.01 | 73.00 | |
| Minimum voltage in p.u (bus) | 0.9890 | 0.9688(65) | - | 0.975(27) | |
| Simultaneous DG and DNR | Switch opened | 14, 58, 64, 69, 70 | 14, 58, 63, 69, 70 | 13, 17, 38, 57, 63 | 13, 53, 69, 70, 73 |
| DG size | 2982.6 kW | 2683 kW | 4102.5 (kVA) | 3801.79 (kVA) | |
| DG position | 2, 11, 18 | 11, 17, 61 | 61 | 5, 7, 57, 61 | |
| Power Loss (kW) | 41.13 | 37.111 | 160.81 | 23.03 | |
| % loss reduction | 81.71 | 83.51 | 28.51 | 89.76 | |
| % DG penetration level | 64.01 | 57.58 | 88.05 | 81.59 | |
| Minimum voltage in p.u (bus) | 0.9828 | 0.9816(63) | - | 0.9871(25) |
Publisher’s Note: MDPI stays neutral with regard to jurisdictional claims in published maps and institutional affiliations. |
© 2020 by the authors. Licensee MDPI, Basel, Switzerland. This article is an open access article distributed under the terms and conditions of the Creative Commons Attribution (CC BY) license (http://creativecommons.org/licenses/by/4.0/).
Share and Cite
Beza, T.M.; Huang, Y.-C.; Kuo, C.-C. A Hybrid Optimization Approach for Power Loss Reduction and DG Penetration Level Increment in Electrical Distribution Network. Energies 2020, 13, 6008. https://doi.org/10.3390/en13226008
Beza TM, Huang Y-C, Kuo C-C. A Hybrid Optimization Approach for Power Loss Reduction and DG Penetration Level Increment in Electrical Distribution Network. Energies. 2020; 13(22):6008. https://doi.org/10.3390/en13226008
Chicago/Turabian StyleBeza, Teketay Mulu, Yen-Chih Huang, and Cheng-Chien Kuo. 2020. "A Hybrid Optimization Approach for Power Loss Reduction and DG Penetration Level Increment in Electrical Distribution Network" Energies 13, no. 22: 6008. https://doi.org/10.3390/en13226008
APA StyleBeza, T. M., Huang, Y.-C., & Kuo, C.-C. (2020). A Hybrid Optimization Approach for Power Loss Reduction and DG Penetration Level Increment in Electrical Distribution Network. Energies, 13(22), 6008. https://doi.org/10.3390/en13226008

