Hydrogen Fuel Cell Road Vehicles: State of the Art and Perspectives
Abstract
1. Introduction: Hydrogen at the Service of a New Mobility?
2. The Fuel Cell for Traction Use
2.1. FCV Specification
2.2. FC Operation Principles an Their Consequences
- 1.
- In work due to the external forces of the studied system. A first part related to the pressure forces () is undergone while the useful corresponds to the electrical forces (), and;
- 2.
- Heat that must be dissipated to the environment in order to maintain the reactor at its reference temperature.
- 1.
- Due to its very thinness, the membrane is not perfectly impermeable to reactants. In particular, the permeation of a small amount of H2 through the electrolyte membrane alters the equilibrium potential (), which leads to a measured voltage lower than . The typical value of is of the order of , which constitutes a significant loss.
- 2.
- Overcoming the activation energy required for the reaction is responsible for losses, known as activation losses. At equilibrium, as reactions also take place, these losses are also responsible for the difference between and . In disequilibrium (), this phenomenon is described by the Butler–Volmer relationship, namely:
- 3.
- The mobility of the electrons through the electrode as well as the mobility of the hydronium ions provide a linear voltage drop regarding current density. Hence these irreversibilities are called ohmic losses to refer to this linear aspect. These losses are characterized by the macroscopic coefficient , expressed in :
- 4.
- As the reactants are consumed at the interface between electrode and electrolyte, a partial pressure gradient is created between the gas supply and the electrolyte surface. The maximum reaction rate () is therefore related to the quantity of reactant that can diffuse through the porous electrode. Under normal operating conditions (unobstructed pores), this current density is never reached. However, in any case, reactants and products migrations generate losses. The associated voltage drop roughly follows an exponential law. It is often related to Nernst’s law which describes the decrease of Gibbs’ free energy as a function of the concentrations of reactants and products. Since Nernst’s law only describes reversible potential drops, transport voltage drop is obviously higher.
3. FC Components
3.1. The Membrane (M)
3.2. The Electrode Active Layer (AL)
3.3. The Gas Diffusion Layer (GDL)
3.4. The Bipolar Plate (BP)
4. The Fuel Cell System (FCS)
4.1. The Air Line
4.2. The Dihydrogen Line
- 1.
- The presence of electrons at the anode promotes the oxidation of the oxygen present, according to the electrochemical equation:
- 2.
- While at the positive electrode, the potential is sufficient to cause the oxidation of carbon or water , both present in the active layer, according to the electrochemical equation:
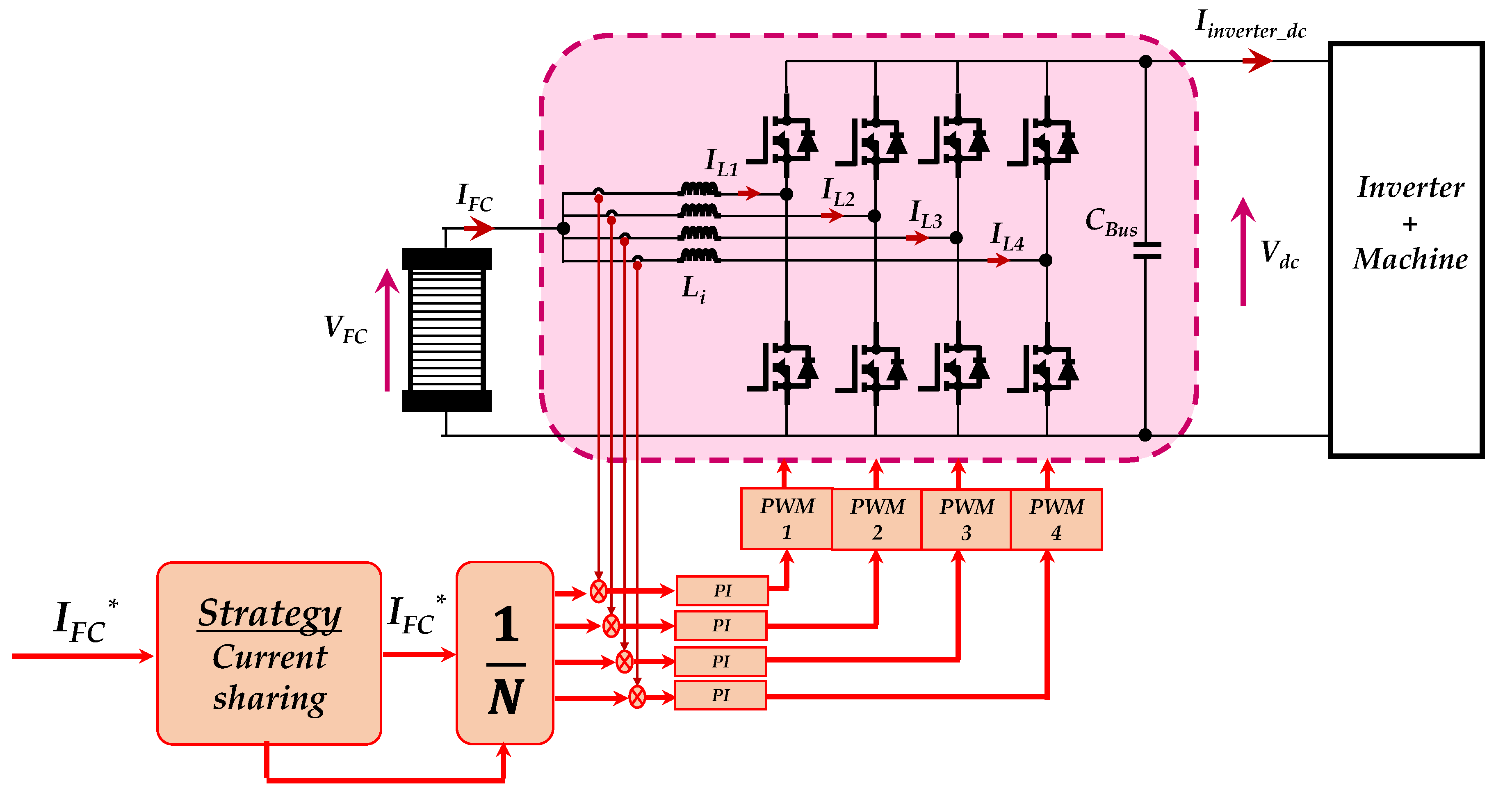
4.3. The Electric Line
4.4. The Thermal Line
4.5. FCS Efficiency
5. Conclusions
Funding
Conflicts of Interest
Abbreviations
| FCS | fuel cell systems |
| FCV | fuel cell vehicle |
| BEV | battery electric vehicle |
| FC | Fuel Cell |
| ICEV | internal combustion engine vehicles |
| PEMFC | Proton Exchange Membrane Fuel Cell |
| LCV | Lower Calorific Value |
| HCV | Higher Calorific Value |
| OCV | Open Circuit Voltage |
| MEA | Membrane Electrode Assembly |
| M | Membrane |
| AL | Active Layer |
| GDL | Gas Diffusion Layer |
| BP | Bipolar Plate |
| PGM | Platinum-Group Metals |
| SEM | Scanning Electron Microscopy |
| TEM | Transmission Electron Microscopy |
| PWM | Pulse Width Modulation |
| DC | Direct Current |
| EPA | U.S. Environmental Protection Agency |
References
- Olsson, A.C.; Gustavsson, P.; Kromhout, H.; Peters, S.; Vermeulen, R.; Brüske, I.; Pesch, B.; Siemiatycki, J.; Pintos, J.; Brüning, T.; et al. Exposure to Diesel Motor Exhaust and Lung Cancer Risk in a Pooled Analysis from Case-Control Studies in Europe and Canada. Am. J. Respir. Crit. Care Med. 2011, 183, 941–948. [Google Scholar] [CrossRef]
- Kelland, K. Diesel Exhaust Fumes Can. Cause Cancer, WHO Says; Reuters Agency: London, UK, 2012. [Google Scholar]
- Gurney, J.; Company, B.P. BP Statistical Review of World Energy. J. Policy Anal. Manag. 1985, 4, 283. [Google Scholar] [CrossRef]
- Lambert, J.; Hall, C. EROI of Global Energy Resources Preliminary, Status and Trends; State University of New York, College of Environmental Science and Forestry: Syracuse, NY, USA, 2012. [Google Scholar]
- Guilford, M.C.; Hall, C.A.; O’Connor, P.; Cleveland, C.J. A New Long Term Assessment of Energy Return on Investment (EROI) for U.S. Oil and Gas Discovery and Production. Sustainability 2011, 3, 1866–1887. [Google Scholar] [CrossRef]
- Hiller, J.; Hampton, L. U.S. Shale Producers to Tap Brakes in 2020 after Years of Rapid Growth; Reuters: London, UK, 2020. [Google Scholar]
- Behaviour of Lithium-Ion. Batteries in Electric Vehicles; Springer Science and Business Media LLC: Berlin, Germany, 2018. [Google Scholar]
- Pang, H.; Zhang, Z.; Xu, X. Targeted contactless charging for roadway-powered electric vehicles. In 2017 IEEE PELS Workshop on Emerging Technologies: Wireless Power Transfer (WoW); IEEE: New York, NY, USA, 2017; pp. 103–105. [Google Scholar]
- Ajanovic, A.; Haas, R. Electric vehicles: Solution or new problem? Environ. Dev. Sustain. 2018, 20, 7–22. [Google Scholar] [CrossRef]
- Van De Kaa, G.; Scholten, D.; Rezaei, J.; Milchram, C. The Battle between Battery and Fuel Cell Powered Electric Vehicles: A BWM Approach. Energies 2017, 10, 1707. [Google Scholar] [CrossRef]
- Barbir, F. PEM Fuel Cells: Theory and Practice, 2nd ed.; Academic Press: Cambridge, MA, USA, 2012; ISBN 9780123983725. [Google Scholar]
- Sauvant-Moynot, V.; Orsini, F.; Juton, A. Batteries; La Revue 3EI, N° 99; SEE: Paris, France, 2020. [Google Scholar]
- Hasuka, Y.; Sekine, H.; Katano, K.; Nonobe, Y. Development of Boost Converter for MIRAI; SAE Technical Paper: Warrendale, PA, USA, 2015. [Google Scholar]
- Ahluwalia, R.; Wang, X.; Steinbach, A. Performance of advanced automotive fuel cell systems with heat rejection constraint. J. Power Sources 2016, 309, 178–191. [Google Scholar] [CrossRef]
- Qi, Z.; Kaufman, A. Activation of low temperature PEM fuel cells. J. Power Sources 2002, 111, 181–184. [Google Scholar] [CrossRef]
- Xu, Z.; Qi, Z.; Kaufman, A. Activation of proton-exchange membrane fuel cells via CO oxidative stripping. J. Power Sources 2006, 156, 281–283. [Google Scholar] [CrossRef]
- Motor, H. Company Patent. Apparatus and Method for Acceleratively Activating Fuel Cell; Patent and Trademark Office: Washington, DC, USA, 2011. [Google Scholar]
- Yuan, X.-Z.; Zhang, S.; Sun, J.C.; Wang, H. A review of accelerated conditioning for a polymer electrolyte membrane fuel cell. J. Power Sources 2011, 196, 9097–9106. [Google Scholar] [CrossRef]
- Qi, Z.; Kaufman, A. Quick and effective activation of proton-exchange membrane fuel cells. J. Power Sources 2003, 114, 21–31. [Google Scholar] [CrossRef]
- Tawalbeh, M.; Nancarrow, P.; Tawalbeh, M.; Ka’Ki, A.; El-Ahwal, K.; El Taher, B.; Alkasrawi, M. Novel composite membrane based on zirconium phosphate-ionic liquids for high temperature PEM fuel cells. Int. J. Hydrog. Energy 2020, 0360–3199. [Google Scholar] [CrossRef]
- Rosli, R.; Sulong, A.B.; Daud, W.; Zulkifley, M.; Husaini, T.; Rosli, M.; Majlan, E.; Haque, M. A review of high-temperature proton exchange membrane fuel cell (HT-PEMFC) system. Int. J. Hydrog. Energy 2017, 42, 9293–9314. [Google Scholar] [CrossRef]
- Chen, M.; Zhao, C.; Sun, F.; Fan, J.; Li, H.; Wang, H. Research progress of catalyst layer and interlayer interface structures in membrane electrode assembly (MEA) for proton exchange membrane fuel cell (PEMFC) system. eTransportation 2020, 5, 100075. [Google Scholar] [CrossRef]
- Dhanda, A.; Pitsch, H.; O’Hayre, R. Diffusion Impedance Element Model for the Triple Phase Boundary. J. Electrochem. Soc. 2011, 158, B877–B884. [Google Scholar] [CrossRef]
- Van Dao, D.; Adilbishb, G.; Le, T.D.; Lee, I.-H.; Yu, Y.-T. Triple phase boundary and power density enhancement in PEMFCs of a Pt/C electrode with double catalyst layers. RSC Adv. 2019, 9, 15635–15641. [Google Scholar] [CrossRef]
- Inoue, G.; Kawase, M. Understanding formation mechanism of heterogeneous porous structure of catalyst layer in polymer electrolyte fuel cell. Int. J. Hydrog. Energy 2016, 41, 21352–21365. [Google Scholar] [CrossRef]
- Hou, Y.; Deng, H.; Pan, F.; Chen, W.; Du, Q.; Jiao, K. Pore-scale investigation of catalyst layer ingredient and structure effect in proton exchange membrane fuel cell. Appl. Energy 2019, 253. [Google Scholar] [CrossRef]
- Ramaswamy, N.; Gu, W.; Ziegelbauer, J.M.; Kumaraguru, S. Carbon Support Microstructure Impact on High Current Density Transport Resistances in PEMFC Cathode. J. Electrochem. Soc. 2020, 167, 064515. [Google Scholar] [CrossRef]
- Wang, X.; Ahluwalia, R.K.; Steinbach, A.J. Kinetics of Hydrogen Oxidation and Hydrogen Evolution Reactions on Nanostructured Thin-Film Platinum Alloy Catalyst. J. Electrochem. Soc. 2013, 160, F251–F261. [Google Scholar] [CrossRef]
- Ahluwalia, R.; Wang, X.; Lajunen, A.; Steinbach, A.; Hendricks, S.; Kurkowski, M.; Debe, M. Kinetics of oxygen reduction reaction on nanostructured thin-film platinum alloy catalyst. J. Power Source 2012, 215, 77–88. [Google Scholar] [CrossRef]
- Ballard; Nisshinbo. Non-Precious Metal. Catalysts: Cathode Catalyst Layer Design Considerations for High. In Proceedings of the Performance and Stability, SSI-21 Conference, Padoue, Italy, 18–23 June 2017. [Google Scholar]
- Mayur, M.; Gerard, M.; Schott, P.; Bessler, W.G. Lifetime Prediction of a Polymer Electrolyte Membrane Fuel Cell under Automotive Load Cycling Using a Physically-Based Catalyst Degradation Model. Energies 2018, 11, 2054. [Google Scholar] [CrossRef]
- Chen, Y.; Jiang, C.; Cho, C. Characterization of Effective In-Plane Electrical Resistivity of a Gas Diffusion Layer in Polymer Electrolyte Membrane Fuel Cells through Freeze–Thaw Thermal Cycles. Energies 2019, 13, 145. [Google Scholar] [CrossRef]
- Oedegaard, A.; Hebling, C.; Schmitz, A.; Møller-Holst, S.; Tunold, R. Influence of diffusion layer properties on low temperature DMFC. J. Power Sources 2004, 127, 187–196. [Google Scholar] [CrossRef]
- Leng, Y.; Ming, P.; Yang, D.; Zhang, C. Stainless steel bipolar plates for proton exchange membrane fuel cells: Materials, flow channel design and forming processes. J. Power Sources 2020, 451, 227783. [Google Scholar] [CrossRef]
- Wilberforce, T.; El Hassan, Z.; Ogungbemi, E.; Ijaodola, O.; Khatib, F.; Durrant, A.; Thompson, J.; Baroutaji, A.; Olabi, A. A comprehensive study of the effect of bipolar plate (BP) geometry design on the performance of proton exchange membrane (PEM) fuel cells. Renew. Sustain. Energy Rev. 2019, 111, 236–260. [Google Scholar] [CrossRef]
- Fink, C.; Fouquet, N. Three-dimensional simulation of polymer electrolyte membrane fuel cells with experimental validation. Electrochim. Acta 2011, 56, 10820–10831. [Google Scholar] [CrossRef]
- Poirot-Crouvezier, J.-P. Road Electric Transportation—Fuel Cell Vehicles; D5570; Techniques de l’ingénieur: Saint-Denis, France, 2015. [Google Scholar]
- Ahluwalia, R.K.; Wang, X.; Johnson, W.; Berg, F.; Kadylak, D. Performance of a cross-flow humidifier with a high flux water vapor transport membrane. J. Power Sources 2015, 291, 225–238. [Google Scholar] [CrossRef]
- Chang, Y.; Li, X.; Yin, Y.; Zhang, J.; Li, X. Humidification strategy for polymer electrolyte membrane fuel cells—A review. Appl. Energy 2018, 230, 643–662. [Google Scholar] [CrossRef]
- Casalegno, A.; De Antonellis, S.; Colombo, L.; Rinaldi, F. Design of an innovative enthalpy wheel based humidification system for polymer electrolyte fuel cell. Int. J. Hydrog. Energy 2011, 36, 5000–5009. [Google Scholar] [CrossRef]
- Yumiya, H.; Kizaki, M.; Asai, H. Toyota Fuel Cell System, EVS28, May 2015, Corée. World Electr. Veh. J. 2015, 7, WEVJ7-0085. [Google Scholar]
- Rivard, E.; Trudeau, M.; Zaghib, K. Hydrogen Storage for Mobility: A Review. Materials 2019, 12, 1973. [Google Scholar] [CrossRef]
- Pollet, B.G.; Kocha, S.S.; Staffell, I. Current status of automotive fuel cells for sustainable transport. Curr. Opin. Electrochem. 2019, 16, 90–95. [Google Scholar] [CrossRef]
- Linse, N. Start/Stop Phenomena in Polymer Electrolyte Fuel Cell. Ph.D. Thesis, Eidgenössische Technische Hochschule ETH Zürich, Zurich, Switzerland, 2012. [Google Scholar]
- Reiser, C.A.; Bregoli, L.; Patterson, T.W.; Yi, J.S.; Yang, J.D.; Perry, M.L.; Jarvi, T.D. A Reverse-Current Decay Mechanism for Fuel Cells. Electrochem. Solid State Lett. 2005, 8, A273–A276. [Google Scholar] [CrossRef]
- Yousfi-Steiner, N.; Moçotéguy, P.; Candusso, D.; Hissel, D. A review on polymer electrolyte membrane fuel cell catalyst degradation and starvation issues: Causes, consequences and diagnostic for mitigation. J. Power Sources 2009, 194, 130–145. [Google Scholar] [CrossRef]
- Grolleau, C.; Coutanceau, C.; Pierre, F.; Léger, J.-M. Effect of potential cycling on structure and activity of Pt nanoparticles dispersed on different carbon supports. Electrochim. Acta 2008, 53, 7157–7165. [Google Scholar] [CrossRef]
- Rain, X. Les Solutions Actuelles de Motorisations Pour Véhicules Electriques; La Revue 3EI, N° 99; SEE: Paris, France, 2020. [Google Scholar]
- Konno, N.; Mizuno, S.; Nakaji, H.; Ishikawa, Y. Development of Compact and High-Performance Fuel Cell Stack. SAE Int. J. Altern. Powertrains 2015, 4, 123–129. [Google Scholar] [CrossRef]
- Azib, T.; Bethoux, O.; Remy, G.; Marchand, C.; Berthelot, E. An Innovative Control Strategy of a Single Converter for Hybrid Fuel Cell/Supercapacitor Power Source. IEEE Trans. Ind. Electron. 2010, 57, 4024–4031. [Google Scholar] [CrossRef]
- Kolli, A.; Gaillard, A.; De Bernardinis, A.; Bethoux, O.; Hissel, D.; Khatir, Z. A review on DC/DC converter architectures for power fuel cell applications. Energy Convers. Manag. 2015, 105, 716–730. [Google Scholar] [CrossRef]
- Bethoux, O.; Laboure, E.; Remy, G.; Berthelot, E. Efficiency-optimal power partitioning for improved partial load efficiency of electric drives. Electr. Power Syst. Res. 2017, 142, 176–189. [Google Scholar] [CrossRef]
- Wahdame, B.; Girardot, L.; Hissel, D.; Harel, F.; François, X.; Candusso, D.; Péra, M.C.; Dumercy, L. Impact of power converter current ripple on the durability of a fuel cell stack. In Proceedings of the 2008 IEEE International Symposium on Industrial Electronics, Cambridge, UK, 30 June–2 July 2008; pp. 1495–1500. [Google Scholar]
- U.S. DRIVE. Fuel Cell Technical Team Roadmap; Department of Energy: Washington, DC, USA, 2017.
- Ahmed, A.A.; Ramadan, H.S. Prototype implementation of advanced electric vehicles drivetrain system: Verification and validation. Appl. Energy 2020, 266, 114807. [Google Scholar] [CrossRef]
- Davat, B.; Astier, S.; Azib, T.; Bethoux, O.; Candusso, D.; Coquery, G.; De Bernardinis, A.; Druart, F.; François, B.; Arregui, M.G.; et al. Fuel cell-based hybrid systems. In Proceedings of the 2009 8th International Symposium on Advanced Electromechanical Motion Systems & Electric Drives Joint Symposium, Lille, France, 1–3 July 2009; pp. 1–11. [Google Scholar]
- Azib, T.; Bethoux, O.; Remy, G.; Marchand, C. Saturation Management of a Controlled Fuel-Cell/Ultracapacitor Hybrid Vehicle. IEEE Trans. Veh. Technol. 2011, 60, 4127–4138. [Google Scholar] [CrossRef]
- Toyota. Outline of the Mirai. Available online: https://www.toyota-europe.com/download/cms/euen/Toyota Mirai FCV_Posters_LR_tcm-11-564265.pdf (accessed on 6 November 2020).
- Grijalva, E.R.; López, J.-M.; Flores, M.N.; Del Pozo, V. Design and Simulation of a Powertrain System for a Fuel Cell Extended Range Electric Golf Car. Energies 2018, 11, 1766. [Google Scholar] [CrossRef]
- Tardy, E.; Courtois, F.; Chandesris, M.; Poirot-Crouvezier, J.-P.; Morin, A.; Bultel, Y. Investigation of liquid water heterogeneities in large area PEM fuel cells using a pseudo-3D multiphysics model. Int. J. Heat Mass Transf. 2019, 145, 118720. [Google Scholar] [CrossRef]
- Luo, Y.; Jiao, K. Cold start of proton exchange membrane fuel cell. Prog. Energy Combust. Sci. 2018, 64, 29–61. [Google Scholar] [CrossRef]
- Nandjou, F.; Poirot-Crouvezier, J.-P.; Chandesris, M.; Blachot, J.-F.; Bonnaud, C.; Bultel, Y. Impact of heat and water management on proton exchange membrane fuel cells degradation in automotive application. J. Power Sources 2016, 326, 182–192. [Google Scholar] [CrossRef]
- Raga, C.; Barrado, A.; Lázaro, A.; Martin-Lozano, A.; Quesada, I.; Zumel, P. Influence of the Main Design Factors on the Optimal Fuel Cell-Based Powertrain Sizing. Energies 2018, 11, 3060. [Google Scholar] [CrossRef]
- Ceschia, A.; Azib, T.; Bethoux, O.; Alves, F. Optimal design methodology for sizing a fuel cell/battery hybrid power source. Proc. Inst. Mech. Eng. Part A J. Power Energy 2020. [Google Scholar] [CrossRef]
- Ceschia, A.; Azib, T.; Bethoux, O.; Alves, F. Optimal Sizing of Fuel Cell Hybrid Power Sources with Reliability Consideration. Energies 2020, 13, 3510. [Google Scholar] [CrossRef]
- Ahluwalia, R.; Wang, X.; Kwon, J.; Rousseau, A.; Kalinoski, J.; James, B.; Marcinkoski, J. Performance and cost of automotive fuel cell systems with ultra-low platinum loadings. J. Power Sources 2011, 196, 4619–4630. [Google Scholar] [CrossRef]
- Marx, N.; Hissel, D.; Gustin, F.; Boulon, L.; Agbossou, K. On Maximizing the Steady-State Efficiency of a Multi-Stack Fuel Cell System. In Proceedings of the 2018 IEEE Vehicle Power and Propulsion Conference (VPPC), Chicago, IL, USA, 27–30 August 2018; pp. 1–6. [Google Scholar]
- Marx, N.; Hissel, D.; Cárdenas, D.C.T.; Boulon, L.; Gustin, F. Degraded mode operation of multi-stack fuel cell systems. IET Electr. Syst. Transp. 2016, 6, 3–11. [Google Scholar] [CrossRef]
- De Bernardinis, A.; Frappé, E.; Bethoux, O.; Marchand, C.; Coquery, G. Multi-port power converter for segmented PEM fuel cell in transport application. Eur. Phys. J. Appl. Phys. 2012, 58, 20901. [Google Scholar] [CrossRef]
- Marx, N.; Hissel, D.; Gustin, F.; Boulon, L.; Agbossou, K. On the sizing and energy management of an hybrid multistack fuel cell—Battery system for automotive applications. Int. J. Hydrog. Energy 2017, 42, 1518–1526. [Google Scholar] [CrossRef]
- Forrest, K.; Mac Kinnon, M.; Tarroja, B.; Samuelsen, S. Estimating the technical feasibility of fuel cell and battery electric vehicles for the medium and heavy duty sectors in California. Appl. Energy 2020, 276, 115439. [Google Scholar] [CrossRef]
- Bansal, S.; Zong, Y.; You, S.; Mihet-Popa, L.; Xiao, J. Technical and Economic Analysis of One-Stop Charging Stations for Battery and Fuel Cell EV with Renewable Energy Sources. Energies 2020, 13, 2855. [Google Scholar] [CrossRef]
- Béthoux, O. Hydrogen Fuel Cell Road Vehicles and its infrastructure: An option towards environmental friendly energy transition. Energies 2020, in press. [Google Scholar]


























Publisher’s Note: MDPI stays neutral with regard to jurisdictional claims in published maps and institutional affiliations. |
© 2020 by the author. Licensee MDPI, Basel, Switzerland. This article is an open access article distributed under the terms and conditions of the Creative Commons Attribution (CC BY) license (http://creativecommons.org/licenses/by/4.0/).
Share and Cite
Bethoux, O. Hydrogen Fuel Cell Road Vehicles: State of the Art and Perspectives. Energies 2020, 13, 5843. https://doi.org/10.3390/en13215843
Bethoux O. Hydrogen Fuel Cell Road Vehicles: State of the Art and Perspectives. Energies. 2020; 13(21):5843. https://doi.org/10.3390/en13215843
Chicago/Turabian StyleBethoux, Olivier. 2020. "Hydrogen Fuel Cell Road Vehicles: State of the Art and Perspectives" Energies 13, no. 21: 5843. https://doi.org/10.3390/en13215843
APA StyleBethoux, O. (2020). Hydrogen Fuel Cell Road Vehicles: State of the Art and Perspectives. Energies, 13(21), 5843. https://doi.org/10.3390/en13215843