Analysis of the Correlation between Combustion Products in Biomass Thermal Power Plant Using Association Rule Mining
Abstract
1. Introduction
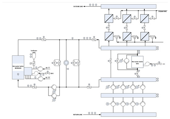
2. Overview of CHP Sremska Mitrovica
Biomass Characteristics Used in the Respective CHP
3. Data Analysis
3.1. Association Rule Mining
3.1.1. Generation of Candidate Rules
3.1.2. Evaluation of Candidate Rules
3.2. Results
4. Conclusions
Author Contributions
Funding
Conflicts of Interest
References
- Fazy, S.; Osman, A.I.; Doran, J.; Rooney, D.W. Strategies for mitigation of climate change: A review. Environ. Chem. Lett. 2020. [Google Scholar] [CrossRef]
- Twidell, J.; Weir, A.D. Renewable Energy Resources; Taylor & Francis: New York, NY, USA, 2006. [Google Scholar]
- Acar, C.; Dincer, I. The potential role of hydrogen as a sustainable transportation fuel to combat global warming. Int. J. Hydrog. Energy 2020, 45, 3396–3406. [Google Scholar] [CrossRef]
- Stougie, L.; Giustozzi, N.; Koii, H.; Stoppato, A. Environmental, economic and exergetic sustainability assessment of power generation from fossil and renewable energy sources. Int. J. Energy Res. 2018, 42. [Google Scholar] [CrossRef]
- Laughton, M.A. Renewable Energy Sources, Report No. 22, Watt Committee on Energy; Elsevier: New York, NY, USA, 2006. [Google Scholar]
- Phebe, A.O.; Samuel, A.S. A review of renewable energy sources, sustainability issues and climate change mitigation. Cogent Eng. 2016, 3, 1–14. [Google Scholar] [CrossRef]
- Fasolini, A.; Cucciniello, R.; Paone, E.; Mauriello, F.; Tabanelli, T. A Short Overview on the Hydrogen Production via Aqueous Phase Reforming (APR) of Cellulose, C6-C5 Sugars and Polyols. Catalysts 2019, 9, 917. [Google Scholar] [CrossRef]
- Ruppert, A.M.; Weinberg, K.; Palkovits, R. Hydrogenolysis goes bio: From carbohydrates and sugar alcohols to platform chemicals. Angew. Chem. Int. Ed. 2012, 51, 2564–2601. [Google Scholar] [CrossRef]
- Goglio, P.; Williams, A.G.; Balta-Ozkan, N.; Harris, N.R.P.; Williamson, P.; Huisigh, D.; Zhang, Z.; Tavoni, M. Advances and challenges of life cycle assessment (LCA) of greenhouse gas removal technologies to fight climate changes. J. Clean. Prod. 2020, 244. [Google Scholar] [CrossRef]
- Vassilev, S.V.; Vassileva, C.G.; Vassilev, V.S. Advantages and disadvantages of composition and properties of biomass in comparison with coal: An overview. Fuel 2015, 158, 330–350. [Google Scholar] [CrossRef]
- Giuntoli, J.; Agostini, A.; Cesarini, S.; Lugato, E.; Baxter, D.; Marelli, L. Climate change impacts of power generation from residual biomass. Biomass Bioenergy 2016, 89, 146–158. [Google Scholar] [CrossRef]
- European Commission. Renewable Energy Progress Report; COM(2017) 293; EU: Brussels, Belgium, 2017. [Google Scholar]
- International Renewable Energy Agency Home Page. Available online: www.irena.org (accessed on 2 April 2020).
- Mesarović, M. Sustainable energy from biomass. Therm. Sci. 2011, 5, 5–32. [Google Scholar]
- Wielgosiński, G. Emission of some pollutants from biomass combustion in comparison to hard coal combustion. J. Energy Inst. 2017, 90, 787–796. [Google Scholar] [CrossRef]
- Timoney, F. Project preport for biomass combustion emissions study. Ir. BioEnergy Assoc. 2016. Available online: http://www.irbea.org/wp-content/uploads/2016/12/IrBEA-BiomassEmissionsReport.pdf (accessed on 11 October 2020).
- Çelik, B.; Şimşek, D. The determination of optimum injection pressure in an engine fuelled with soybean biodiesel/diesel blend. Therm. Sci. 2014, 18, 229–238. [Google Scholar] [CrossRef][Green Version]
- Janic, T.; Igic, S.M.; Dedovic, N.; Pavlovic, D.B. Thermal power of small scale manually fed boiler. Therm. Sci. 2015, 19, 329–340. [Google Scholar] [CrossRef]
- Demirbaş, A. Biomass resource facilities and biomass conversion processing for fuels and chemicals. Energy Convers. Manag. 2001, 42, 1357–1378. [Google Scholar] [CrossRef]
- Van Loo, S.; Koppejan, J. (Eds). The Handbook of Biomass Combustion and Co-firing; Earthscan: New York, NY, USA, 2010. [Google Scholar]
- Yang, H.; Wu, Y.; Zhang, H.; Qui, X.; Liu, Q.; Lu, J. NOx Emission from a Circulating Fluidized Bed Boiler Cofiring Coal and Corn Stalk Pellets. Energy Fuels 2012, 26, 5446–5451. [Google Scholar] [CrossRef]
- Dong, L.; Gao, S.; Xu, G. NO Reduction over Biomass Char in the Combustion Process. Energy Fuels 2010, 24, 446–450. [Google Scholar] [CrossRef]
- Vidaković, M. Analysis of flue gases from the straw combustion process, in Serbian language. Arch. Tech. Sci. 2011, 3, 79–84. [Google Scholar] [CrossRef]
- Živković, M.A.; Adzic, M.M.; Vasko, F.; Milivojevic, A. Influence of carbon dioxide content in the biogas to nitrogen oxides emissions. Hem. Ind. 2010, 64, 45. [Google Scholar] [CrossRef]
- Osman, A.I.; Abdelkader, A.; Johnston, C.R.; Morgan, K.; Rooney, D.W. Thermal Investigation and Kinetic Modeling of Lignocellulosic Biomass Combustion for Energy Production and Other Applications. Ind. Eng. Chem. Res. 2017, 56, 12119–12130. [Google Scholar] [CrossRef]
- Liu, D.C.; Mi, T.; Shen, B.X.; Feng, B.; Winter, F. Reducing N2O Emission by Co-Combustion of Coal and Biomass. Energy Fuels 2002, 16, 525–526. [Google Scholar] [CrossRef]
- Sirisomboon, K.; Kuprianov, V.I. Effects of Fuel Staging on the NO Emission Reduction during Biomass–Biomass Co-combustion in a Fluidized-Bed Combustor. Energy Fuels 2017, 31, 659–671. [Google Scholar] [CrossRef]
- Yang, Y.B.; Newman, R.; Sharifi, V.; Swithenbank, J.; Ariss, J. Mathematical modelling of straw combustion in a 38 MWe power plant furnace and effect of operating conditions. Fuel 2017, 86, 129–142. [Google Scholar] [CrossRef]
- Lans, R.P.; Pedersen, L.T.; Jensen, A.; Glarborg, P.; Dam-Johansen, K. Modelling and experiments of straw combustion in a grate furnace. Biomass Bioenergy 2000, 19, 199–288. [Google Scholar] [CrossRef]
- National Renewable Energy Action Plan of the Republic of Serbia/Ministry of Energy, Development and Environmental Protection. Available online: http://www.mre.gov.rs/doc/efikasnost-izvori/NREAP%20OF%20REPUBLIC%20OF%20SERBIA%2028_June_2013.pdf?uri=CELEX:32009L0028 (accessed on 10 April 2020).
- Ogranak PANONSKE TE-TO. Available online: http://www.panonske.rs/ogranci/te-to-sremska-mitrovica (accessed on 15 April 2020).
- Bećirović, S.P. Impact of variation in combustion parameters on energy and environmental performance of pellet stove. Ph.D. Thesis, Faculty of mechanical engineering, University of Belgrade, Belgrade, Serbia, 2006. [Google Scholar]
- Brkić, M.; Martinov, M. Efficiency and emission of gasses from thermal plants on biomass, in Serbian language. Poljopr. Teh. 2006, 4, 1–6. [Google Scholar]
- Schmidl, C.; Luisser, M.; Padouvas, E.; Lasselsberger, L.; Rzaca, M.; Cruz, C.R.S.; Handler, M.; Peng, G.; Bauer, H.; Puxbaum, H. Particulate and gaseous emissions from manually and automatically fired small scale combustion systems. Atmos. Environ. 2011, 45, 7443–7454. [Google Scholar] [CrossRef]
- Bafver, L.S.; Leckner, B.; Tullin, C.; Berntsen, M. Particle emissions from pellet stoves and modern and oldtype wood stoves. Biomass Bioenergy 2011, 35, 323–329. [Google Scholar] [CrossRef]
- Demirbaş, A. Fuel characteristics of olive husk and walnut, hazelnut, sunflower, and almond shelss. Energy Sources 2002, 24, 215–221. [Google Scholar] [CrossRef]
- R Core Team. R: A Language and Environment for Statistical Computing. R Foundation for Statistical Computing: Vienna, Austria. Available online: https://www.R-project.org/ (accessed on 10 April 2020).
- Bivand, R. Classint: Choose Univariate Class Intervals. R Package. Available online: https://CRAN.R-project.org/package=classInt (accessed on 2 April 2020).
- Agrawal, R.; Imielinski, T.; Swami, A. Mining association rules between sets of items in large databases. In Proceedings of the 1993 ACM SIGMOD International Conference on Management of Data, Washington, DC, USA, 26–28 May 1993; Volume 22, pp. 207–216. [Google Scholar]
- Agrawal, R.; Srikant, R. Fast algorithms for mining association rules. In Proceedings of the 20th International Conference on Very Large Data Bases, Santiago de Chile, Chile, 12–15 September 1994; pp. 487–499. [Google Scholar]
- Lenca, P.; Vaillant, B.; Meyer, P.; Lallich, S. Association rule interestingness measures: Experimental and theoretical studies. Springer Verl. 2007, 43, 51–76. [Google Scholar]
- Brin, S.; Motwani, R.; Silverstein, C. Beyond market baskets: Generalizing association rules to correlations. In Proceedings of the 1997 ACM SIGMOD International Conference on Management of Data, Tucson, AZ, USA, 13–15 May 1997; pp. 265–276. [Google Scholar]
- Webb, G.I. Discovering significant patterns. Mach. Learn. 2007, 68, 1–33. [Google Scholar]
- Hahsler, M.; Buchta, C.; Gruen, B.; Hornik, K. Arules: Mining Association Rules and Frequent Itemsets. R Package 2016. Available online: https://CRAN.R-project.org/package=arules (accessed on 10 April 2020).
- Liu, B.; Hsu, W.; Ma, Y. Pruning and summarizing the discovered associations. In Proceedings of the Fifth ACM SIGKDD International Conference on Knowledge Discovery and Data Mining, San Diego, CA, USA, 15–18 August 1999; pp. 125–134. [Google Scholar]
- Liu, B.; Hu, M.; Hsu, W. Multi-level organization and summarization of the discovered rules. In Proceedings of the Sixth ACM SIGKDD International Conference on Knowledge Discovery and Data Mining, Boston, MA, USA, 20–23 August 2000; pp. 208–217. [Google Scholar]



| Technical Analysis | |||
|---|---|---|---|
| Content [%] | With Total Moisture | Without Moisture | Without Moisture and Ash |
| Moisture | 9.54 | - | - |
| Ash | 3.05 | 3.37 | - |
| Sulfur | 0.06 | 0.07 | - |
| Sulfur in ash | 0.05 | 0.06 | - |
| Combustive sulfur | 0.01 | 0.01 | 0.01 |
| Coke | 22.99 | 25.41 | 22.81 |
| C-fix | 19.94 | 22.04 | 22.81 |
| Volatile | 67.47 | 74.59 | 77.19 |
| Combustive | 87.41 | 96.63 | 100 |
| Heat of Combustion [kJ/kg] | |||
| Higher heating value | 17106 | 18910 | 19570 |
| Lower heating value | 15834 | 17746 | 18365 |
| Fuel Analysis [%] | |||
| Carbon | 45.07 | 49.82 | 51.56 |
| Hydrogen | 5.11 | 5.65 | 5.85 |
| Combustive sulfur | 0.01 | 0.01 | 0.01 |
| Nitrogen and oxygen | 37.22 | 41.15 | 42.58 |
| Variables with Two Levels | |||||
| Variable | Level 1 | Level 2 | STD | ||
| ExtTemperature | [−4.3, 5.2] | (5.2, 16] | 4.13 | ||
| Heat | [2, 10] | (10, 18] | 3.61 | ||
| Biomass | [0.20, 2.23] | (2.23, 3.98] | 0.85 | ||
| CO | [3.75, 306.76] | (306.76, 1020.14] | 215.07 | ||
| HF | [0.15, 0.84] | (0.84, 1.86] | 0.36 | ||
| Variables with Three Levels | |||||
| Variable | Level 1 | Level 2 | Level 3 | STD | |
| NOX | [241.08, 458.78] | (458.78, 601.27] | (601.27, 798.61] | 123.19 | |
| HCL | [0, 0.22] | (0.22, 0.41] | (0.41, 0.97] | 0.17 | |
| CO2 | [7.67, 11.71] | (11.71, 14.38] | (14.38, 20.01] | 2.44 | |
| H2O | [4.49, 8.30] | (8.30, 10.11] | (10.11, 13.00] | 1.88 | |
| O2 | [3.87, 7.48] | (7.48, 10.07] | (10.07, 15.52] | 2.52 | |
| Id | Rule | Supp | Conf | Lift | Test |
|---|---|---|---|---|---|
| A1 | {ExtTemperature_Level = 1, CO_Level = 1, Powdery_Level = 2} ⇒ {NOX_Level = 3} | 0.04 | 0.68 | 2.61 | ** |
| A2 | {ExtTemperature_Level = 1, Powdery_Level = 2} ⇒ {NOX_Level = 3} | 0.05 | 0.70 | 2.66 | *** |
| A3 | {CO2_Level = 3, Powdery_Level = 2} ⇒ {NOX_Level = 3} | 0.06 | 0.54 | 2.07 | ** |
| A4 | {ExtTemperature_Level = 1, HF_Level = 1,CO2_Level = 3} ⇒ {NOX_Level = 3} | 0.07 | 0.65 | 2.49 | *** |
| A5 | {HF_Level = 1, CO2_Level = 3} ⇒ {NOX_Level = 3} | 0.08 | 0.62 | 2.36 | *** |
| C1 | {H2O_Level = 1} ⇒ {Powdery_Level = 2} | 0.25 | 0.99 | 3.35 | *** |
| C2 | {CO2_Level = 3, O2_Level = 3} ⇒ {Powdery_Level = 2} | 0.08 | 1.00 | 3.38 | *** |
| C3 | {HF_Level = 2, O2_Level = 3} ⇒ {Powdery_Level = 2} | 0.16 | 1.00 | 3.38 | *** |
| C4 | {NOX_Level = 3, O2_Level = 3} ⇒ {Powdery_Level = 2} | 0.07 | 1.00 | 3.38 | *** |
| C5 | {HCL_Level = 1, O2_Level = 3} ⇒ {Powdery_Level = 2} | 0.14 | 1.00 | 3.38 | *** |
| C6 | {ExtTemperature_Level = 2, O2_Level = 3} ⇒ {Powdery_Level = 2} | 0.21 | 1.00 | 3.38 | *** |
| C7 | {Biomass_Level = 1, O2_Level = 3} ⇒ {Powdery_Level = 2} | 0.24 | 1.00 | 3.38 | *** |
| C8 | {NOX_Level = 1, O2_Level = 3} ⇒ {Powdery_Level = 2} | 0.08 | 1.00 | 3.38 | *** |
| C9 | {CO2_Level = 2, O2_Level = 3} ⇒ {Powdery_Level = 2} | 0.17 | 1.00 | 3.38 | *** |
| C10 | {Heat_Level = 1, O2_Level = 3} ⇒ {Powdery_Level = 2} | 0.25 | 1.00 | 3.38 | *** |
| C11 | {CO2_Level = 3, H2O_Level = 2} ⇒ {Powdery_Level = 2} | 0.04 | 1.00 | 3.38 | *** |
| C12 | {ExtTemperature_Level = 2, HCL_Level = 1, HF_Level = 2} ⇒ {Powdery_Level = 2} | 0.09 | 0.97 | 3.28 | *** |
| C13 | {O2_Level = 3} ⇒ {Powdery_Level = 2} | 0.27 | 1.00 | 3.38 | *** |
| C14 | {Heat_Level = 1, CO_Level = 1, CO2_Level = 3} ⇒ {Powdery_Level = 2} | 0.09 | 0.91 | 3.08 | *** |
| C15 | {ExtTemperature_Level = 2, Biomass_Level = 1,CO2_Level = 2} ⇒ {Powdery_Level = 2} | 0.15 | 0.93 | 3.14 | *** |
| C16 | {Heat_Level = 1, NOX_Level = 3} ⇒ {Powdery_Level = 2} | 0.06 | 0.95 | 3.23 | *** |
| C17 | {Biomass_Level = 1, CO_Level = 1, CO2_Level = 3} ⇒ {Powdery_Level = 2} | 0.08 | 0.87 | 2.95 | *** |
| C18 | {Biomass_Level = 1, NOX_Level = 3} ⇒ {Powdery_Level = 2} | 0.05 | 1.00 | 3.38 | *** |
| C19 | {ExtTemperature_Level = 2, Heat_Level = 1, CO2_Level = 3} ⇒ {Powdery_Level = 2} | 0.06 | 0.91 | 3.08 | *** |
| C20 | {ExtTemperature_Level = 2, Biomass_Level = 1, CO2_Level = 3} ⇒ {Powdery_Level = 2} | 0.06 | 0.91 | 3.08 | *** |
| D1 | {HCL_Level = 3, O2_Level = 1} ⇒ {Powdery_Level = 1} | 0.10 | 1.00 | 1.42 | *** |
| D2 | {HCL_Level = 3, H2O_Level = 3} ⇒ {Powdery_Level = 1} | 0.10 | 1.00 | 1.42 | *** |
| D3 | {HF_Level = 2, O2_Level = 1} ⇒ {Powdery_Level = 1} | 0.09 | 0.97 | 1.37 | * |
| D4 | {HF_Level = 2, H2O_Level = 3} ⇒ {Powdery_Level = 1} | 0.09 | 1.00 | 1.42 | *** |
| D5 | {NOX_Level = 1, O2_Level = 1} ⇒ {Powdery_Level = 1} | 0.06 | 0.96 | 1.36 | |
| D6 | {CO2_Level = 2, O2_Level = 1} ⇒ {Powdery_Level = 1} | 0.13 | 1.00 | 1.42 | *** |
| D7 | {NOX_Level = 2, O2_Level = 1} ⇒ {Powdery_Level = 1} | 0.09 | 1.00 | 1.42 | *** |
| D8 | {HCL_Level = 1, H2O_Level = 3} ⇒ {Powdery_Level = 1} | 0.06 | 1.00 | 1.42 | |
| D9 | {NOX_Level = 1, H2O_Level = 3} ⇒ {Powdery_Level = 1} | 0.08 | 1.00 | 1.42 | ** |
| D10 | {CO2_Level = 2, H2O_Level = 3} ⇒ {Powdery_Level = 1} | 0.14 | 1.00 | 1.42 | *** |
| D11 | {NOX_Level = 2, H2O_Level = 3} ⇒ {Powdery_Level = 1} | 0.09 | 1.00 | 1.42 | *** |
| D12 | {CO2_Level = 2, O2_Level = 2} ⇒ {Powdery_Level = 1} | 0.09 | 1.00 | 1.42 | *** |
| D13 | {CO2_Level = 2, H2O_Level = 2} ⇒ {Powdery_Level = 1} | 0.08 | 0.93 | 1.32 | |
| D14 | {Heat_Level = 2, HCL_Level = 3, HF_Level = 1} ⇒ {Powdery_Level = 1} | 0.08 | 1.00 | 1.42 | ** |
| D15 | {Heat_Level = 2, NOX_Level = 3, CO2_Level = 2} ⇒ {Powdery_Level = 1} | 0.08 | 0.94 | 1.33 | |
| D16 | {NOX_Level = 1, HCL_Level = 1, O2_Level = 2} ⇒ {Powdery_Level = 1} | 0.05 | 1.00 | 1.42 | |
| D17 | {NOX_Level = 1, HCL_Level = 1, H2O_Level = 2} ⇒ {Powdery_Level = 1} | 0.04 | 0.94 | 1.33 | |
| D18 | {HCL_Level = 1, CO2_Level = 1, O2_Level = 2} ⇒ {Powdery_Level = 1} | 0.10 | 1.00 | 1.42 | *** |
| D19 | {HCL_Level = 1, CO2_Level = 1, H2O_Level = 2} ⇒ {Powdery_Level = 1} | 0.09 | 1.00 | 1.42 | *** |
| D20 | {Heat_Level = 2, HCL_Level = 1, CO2_Level = 1} ⇒ {Powdery_Level = 1} | 0.06 | 1.00 | 1.42 | * |
Publisher’s Note: MDPI stays neutral with regard to jurisdictional claims in published maps and institutional affiliations. |
© 2020 by the authors. Licensee MDPI, Basel, Switzerland. This article is an open access article distributed under the terms and conditions of the Creative Commons Attribution (CC BY) license (http://creativecommons.org/licenses/by/4.0/).
Share and Cite
Igić, S.; Bošković, D.; Vujkov, B.; Igić, N.; Janić, T.; Jeličić, D.; Ristić, V.; Dumnić, B. Analysis of the Correlation between Combustion Products in Biomass Thermal Power Plant Using Association Rule Mining. Energies 2020, 13, 5532. https://doi.org/10.3390/en13215532
Igić S, Bošković D, Vujkov B, Igić N, Janić T, Jeličić D, Ristić V, Dumnić B. Analysis of the Correlation between Combustion Products in Biomass Thermal Power Plant Using Association Rule Mining. Energies. 2020; 13(21):5532. https://doi.org/10.3390/en13215532
Chicago/Turabian StyleIgić, Saša, Dragana Bošković, Barbara Vujkov, Nemanja Igić, Todor Janić, Dalibor Jeličić, Vladica Ristić, and Boris Dumnić. 2020. "Analysis of the Correlation between Combustion Products in Biomass Thermal Power Plant Using Association Rule Mining" Energies 13, no. 21: 5532. https://doi.org/10.3390/en13215532
APA StyleIgić, S., Bošković, D., Vujkov, B., Igić, N., Janić, T., Jeličić, D., Ristić, V., & Dumnić, B. (2020). Analysis of the Correlation between Combustion Products in Biomass Thermal Power Plant Using Association Rule Mining. Energies, 13(21), 5532. https://doi.org/10.3390/en13215532

