Parameter Estimation of Three Diode Photovoltaic Model Using Grasshopper Optimization Algorithm
Abstract
1. Introduction
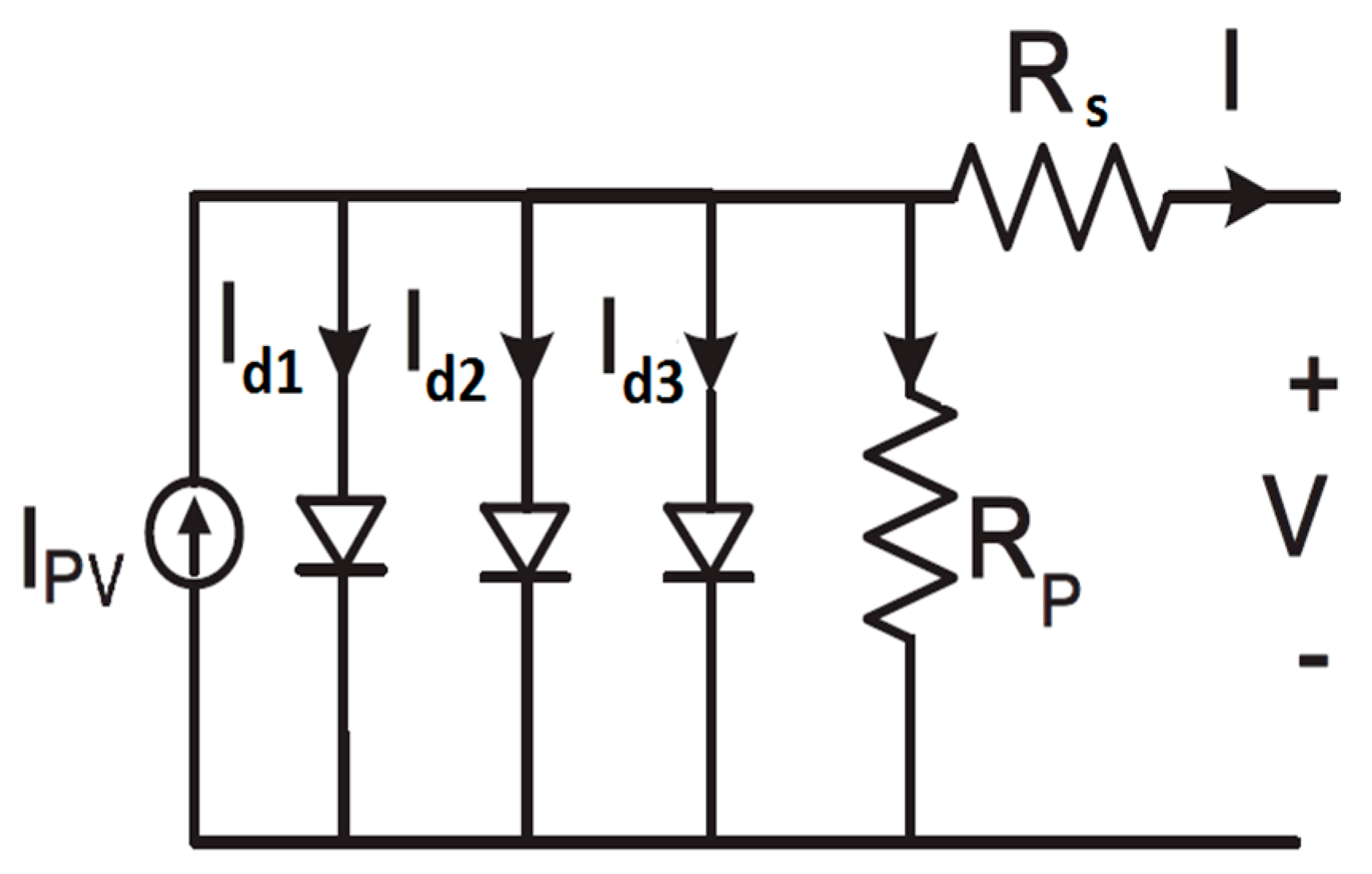
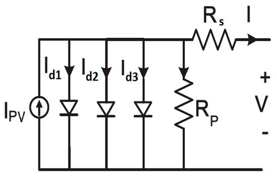
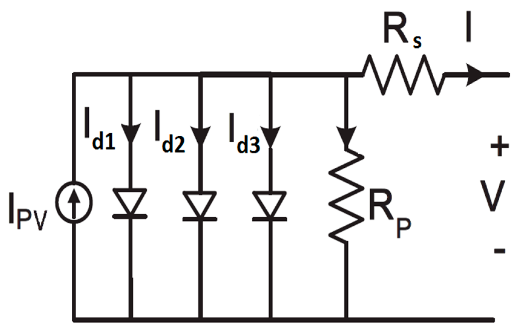
2. Mathematical Modeling of a PV Module
3. Formulation of The Optimization Problem
4. GOA
5. Simulation Results
6. Conclusions
Author Contributions
Funding
Conflicts of Interest
References
- Chen, X.; Du, Y.; Wen, H.; Jiang, L.; Xiao, W. Forecasting-based power ramp-rate control strategies for utility-scale PV systems. IEEE Trans. Ind. Electron. 2019, 66, 1862–1871. [Google Scholar] [CrossRef]
- Jäger-Waldau, A. JRC PV Status Report 2018; Publications Office of the European Union: Luxembourg, 2018; ISBN 978-92-79-97465-6. [Google Scholar]
- Global Market Outlook for Solar Power 2017/2021 by Solar Power Europe. Available online: http://www.solarpowereurope.org (accessed on 15 May 2017).
- Keerthisinghe, C.; Chapman, A.C.; Verbic, G. PV and demand models for a Markov decision process formulation of the home energy management problem. IEEE Trans. Ind. Electron. 2019, 66, 1424–1433. [Google Scholar] [CrossRef]
- Mathew, D.; Rani, C.; Kumar, M.R.; Wang, Y.; Binns, R.; Busawon, K. Wind-Driven Optimization Technique for Estimation of Solar Photovoltaic Parameters. IEEE J. Photovolt. 2018, 8, 248–256. [Google Scholar] [CrossRef]
- Qais, M.H.; Hasanien, H.M.; Alghuwainem, S.; Nouh, A.S. Coyote optimization algorithm for parameters extraction of three-diode photovoltaic model of photovoltaic modules. Energy 2019, 187, 1–8. [Google Scholar] [CrossRef]
- El-Naggar, K.M.; Alrashidi, M.R.; Alhajri, M.F.; Al-Othman, A.K. Simulated annealing algorithm for photovoltaic parameters identification. Sol. Energy 2012, 86, 266–274. [Google Scholar] [CrossRef]
- Qais, M.H.; Hasanien, H.M.; Alghuwainem, S. Identification of electrical parameters for three-diode photovoltaic model using analytical and sunflower optimization algorithm. Appl. Energy 2019, 250, 109–117. [Google Scholar] [CrossRef]
- Xiong, G.; Zhang, J.; Yuan, X.; Shi, D.; He, Y.; Yao, G. Parameter estimation of solar photovoltaic models by means of a hybrid differential evolution with whale optimization algorithm. Solar. Energy 2018, 176, 742–761. [Google Scholar] [CrossRef]
- Gazi Islam, S.M.; Al-Durra, A.M.; Hasanien, H.M. RTDS implementation of an improved sliding mode based inverter controller for PV system. ISA Trans. 2016, 62, 50–59. [Google Scholar] [CrossRef]
- Yu, K.; Liang, J.J.; Qu, B.Y.; Chen, X.; Wang, H. Parameters identification of photovoltaic models using an improved Jaya optimization algorithm. Energy Conver. Manag. 2017, 150, 742–753. [Google Scholar] [CrossRef]
- Chin, V.J.; Salam, Z.; Ishaque, K. Cell modelling and model parameters estimation techniques for photovoltaic simulator application: A review. Appl. Energy 2015, 154, 500–519. [Google Scholar] [CrossRef]
- Mahmoud, Y.; El-Saadany, E.F. A photovoltaic model with reduced computational time. IEEE Trans. Ind. Electron. 2015, 62, 3534–3544. [Google Scholar] [CrossRef]
- Hasanien, H.M. Shuffled frog leaping algorithm for photovoltaic model identification. IEEE Trans. Sustain. Energy 2015, 6, 509–515. [Google Scholar] [CrossRef]
- AlHajri, M.F.; El-Naggar, K.M.; AlRashidi, M.R.; Al-Othman, A.K. Optimal extraction of solar cell parameters using pattern search. Renew. Energy 2012, 44, 238–245. [Google Scholar] [CrossRef]
- Lim, H.I.; Ye, Z.; Ye, J.; Yang, D.; Du, H. A linear identification of diode models from single I–V characteristics of PV panels. IEEE Trans. Ind. Electron. 2015, 62, 4181–4193. [Google Scholar] [CrossRef]
- Shannan, N.M.A.A.; Yahaya, N.Z.; Singh, B. Single-diode model and two-diode model of PV modules: A comparison. In Proceedings of the 2013 IEEE International Conference on Control System, Computing and Engineering, Mindeb, Malaysia, 29 November–1 Decemebr 2013; pp. 210–214. [Google Scholar]
- Gupta, S.; Tiwari, H.; Fozdar, M.; Chandna, V. Development of a two diode model for photovoltaic modules suitable for use in simulation studies. In Proceedings of the 2012 Asia-Pacific Power and Energy Engineering Conference, Shanghai, China, 27–29 March 2012; pp. 1–4. [Google Scholar]
- Kassis, A.; Saad, M. Analysis of multi-crystalline silicon solar cells at low illumination levels using a modified two-diode model. Sol. Energy Mater. Sol. Cells 2010, 94, 2108–2112. [Google Scholar] [CrossRef]
- Nishioka, K.; Sakitani, N.; Uraoka, Y.; Fuyuki, T. Analysis of multicrystalline silicon solar cells by modified 3-diode equivalent circuit model taking leakage current through periphery into consideration. Sol. Energy Mater. Sol. Cells 2007, 91, 1222–1227. [Google Scholar] [CrossRef]
- Omnia, S.; Elazab, H.M.; Hasanien, M.A.E.; Abdeen, A.M. Parameters estimation of single- and multiple-diode photovoltaic model using whale optimisation algorithm. IET Renew. Power Gener. 2018, 12, 1755–1761. [Google Scholar]
- Ghani, F.; Duke, M.; Carsona, J. Numerical calculation of series and shunt resistance of a photovoltaic cell using the Lambert W-function: Experimental evaluation. Sol. Energy 2013, 87, 246–253. [Google Scholar] [CrossRef]
- Jacob, B.; Balasubramanian, K.; Babu, T.S.; Rajasekar, N. Parameter extraction of solar PV double diode model using artificial immune system. In Proceedings of the IEEE International Conference on Signal Processing, Informatics, Communication and Energy Systems (SPICES), Kozhikode, India, 19–21 February 2015. [Google Scholar]
- Mahmoud, Y.A.; Xiao, W.; Zeineldin, H.H. A simple approach to modeling and simulation of photovoltaic modules. IEEE Trans. Sustain. Energy 2012, 3, 185–186. [Google Scholar] [CrossRef]
- Subudhi, B.; Pradhan, R. A comparative study on parameter estimation methods. Int. J. Renew. Energy Technol. 2012, 3, 295–315. [Google Scholar] [CrossRef]
- Ishaque, K.; Salam, Z.; Taheri, H. Simple, fast and accurate two-diode model for photovoltaic modules. Sol. Energy Mater. Sol. Cells 2011, 95, 586–594. [Google Scholar] [CrossRef]
- Gow, J.A.; Manning, C.D. Development of a photovoltaic array model for use in power-electronics simulation studies. IEE Proc. Electr. Power Appl. 1999, 146, 193–200. [Google Scholar] [CrossRef]
- Sandrolini, L.; Artioli, M.; Reggiani, U. Numerical method for the extraction of photovoltaic module double-diode model parameters through cluster analysis. Appl. Energy 2010, 87, 442–451. [Google Scholar] [CrossRef]
- Spall, J.C. An overview of the simultaneous perturbation method for efficient optimization. Johns Hopkins APL Tech. Dig. 1998, 19, 482–493. [Google Scholar]
- Yao, X.; Liu, Y.; Lin, G. Evolutionary programming made faster. IEEE Trans. Evol. Comput. 1999, 3, 82–102. [Google Scholar]
- Benkercha, R.; Moulahoum, S.; Colak, I.; Taghezouit, B. PV module parameters extraction with maximum power point estimation based on flower pollination algorithm. In Proceedings of the IEEE International Power Electronics and Motion Control Conference (PEMC), Varna, Bulgaria, 25–28 September 2016. [Google Scholar]
- Saremi, S.; Mirjalili, S.; Lewis, A. Grasshopper optimisation algorithm: Theory and application. Adv. Eng. Softw. 2017, 105, 30–47. [Google Scholar] [CrossRef]
- Łukasik, S.; Kowalski, P.A.; Charytanowicz, M.; Kulczycki, P. Data clustering with grasshopper optimization algorithm. In Proceedings of the Federated Conference on Computer Science and Information Systems, Prague, Czech Republic, 3–6 September 2017. [Google Scholar]
- Wu, J.; Wang, H.; Li, N.; Yao, P.; Huang, Y.; Su, Z.; Yu, Y. Distributed trajectory optimization for multiple solar-powered UAVs target tracking in urban environment by Adaptive Grasshopper Optimization Algorithm. Elsevier BV 2017, 70, 497–510. [Google Scholar] [CrossRef]
- Hekimoğlu, B.; Ekinci, S. Grasshopper optimization algorithm for automatic voltage regulator system. In Proceedings of the 2018 5th International Conference on Electrical and Electronic Engineering (ICEEE), Istanbul, Turkey, 3–5 May 2018; pp. 152–156. [Google Scholar]
- Ishaque, K.; Salam, Z.; Mekhilef, S.; Shamsudin, A. Parameter extraction of solar photovoltaic modules using penalty-based differential evolution. Appl. Energy 2012, 99, 297–308. [Google Scholar] [CrossRef]
- De Soto, W.; Klein, S.; Beckman, W. Improvement and validation of a model for photovoltaic array performance. Sol. Energy 2006, 80, 78–88. [Google Scholar] [CrossRef]
- Sera, D.; Teodorescu, R.; Rodriguez, P. PV panel model based on datasheet values. In Proceedings of the 2007 IEEE International Symposium on Industrial Electronics, Vigo, Spain, 4–7 June 2007; pp. 2392–2396. [Google Scholar]
- KC200GT High Efficiency Multicrystalline Photovoltaic Module Datasheet. Kyocera. Available online: http://www. kyocera.com.sg/products/solar/pdf/kc200gt.pdf (accessed on 10 February 2013).
- MSX-60 Polycrystalline Silicon Photovoltaic Module Datasheet. Solar Electric Supply, Inc. Available online: http://www.solarelectricsupply.com/solar-panels/solarex/solarex-msx-60-w-junction-box (accessed on 20 March 2010).







| Parameters | KC200GT | MSX-60 |
|---|---|---|
| Isc | 8.21 A | 3.8 A |
| Voc | 32.9 V | 21.1 V |
| Imp | 7.61 A | 3.5 A |
| Vmp | 26.3 V | 17.1 V |
| Pmax | 200 W | 60 W |
| Kv | ||
| Ki | ||
| Ns | 54 | 36 |
| Method | GA [21] | SA | WOA [21] | GOA |
|---|---|---|---|---|
| (A) | 1.43 × 10−8 | 2.888514 × 10−8 | ||
| 4.26 × 10−10 | 2.802112 × 10−10 | |||
| 2.43 × 10−10 | 2.797361 × 10−10 | |||
| (Ω) | 0.3614 | 0.3207 | 0.34215 | 0.2248107 |
| (Ω) | 311.8 | 289.6462 | 341.3875 | 310.8623 |
| 1.189 | 1.182898 | 1.32 | 1.219762 | |
| 1.495 | 1.263977 | 1.236 | 1.091667 | |
| 1.238 | 1.456052 | 1.0216 | 1.499932 | |
| (A) | 8.143 | 8.12605 | 8.231 | 8.229174 |
| Method | GA | SA | WOA | GOA |
|---|---|---|---|---|
| (A) | 2.44146 × 10−7 | 2.18714 × 10−7 | ||
| 1.873735 × 10−10 | 2.294004 × 10−10 | |||
| 4.64888 × 10−10 | 2.210856 × 10−10 | |||
| (Ω) | 0.3067643 | 0.155045 | 0.1615253 | 0.1109557 |
| (Ω) | 193.615 | 230.855 | 266.8166 | 349.8458 |
| 1.3759 | 1.3935 | 1.397359 | 1.375876 | |
| 1.23815 | 1.4765 | 1.092094 | 1.074414 | |
| 1.13 | 1.3795 | 1.413907 | 1.094849 | |
| (A) | 3.5885 | 3.9825 | 3.7438 | 275.5264 |
© 2020 by the authors. Licensee MDPI, Basel, Switzerland. This article is an open access article distributed under the terms and conditions of the Creative Commons Attribution (CC BY) license (http://creativecommons.org/licenses/by/4.0/).
Share and Cite
Elazab, O.S.; Hasanien, H.M.; Alsaidan, I.; Abdelaziz, A.Y.; Muyeen, S.M. Parameter Estimation of Three Diode Photovoltaic Model Using Grasshopper Optimization Algorithm. Energies 2020, 13, 497. https://doi.org/10.3390/en13020497
Elazab OS, Hasanien HM, Alsaidan I, Abdelaziz AY, Muyeen SM. Parameter Estimation of Three Diode Photovoltaic Model Using Grasshopper Optimization Algorithm. Energies. 2020; 13(2):497. https://doi.org/10.3390/en13020497
Chicago/Turabian StyleElazab, Omnia S., Hany M. Hasanien, Ibrahim Alsaidan, Almoataz Y. Abdelaziz, and S. M. Muyeen. 2020. "Parameter Estimation of Three Diode Photovoltaic Model Using Grasshopper Optimization Algorithm" Energies 13, no. 2: 497. https://doi.org/10.3390/en13020497
APA StyleElazab, O. S., Hasanien, H. M., Alsaidan, I., Abdelaziz, A. Y., & Muyeen, S. M. (2020). Parameter Estimation of Three Diode Photovoltaic Model Using Grasshopper Optimization Algorithm. Energies, 13(2), 497. https://doi.org/10.3390/en13020497

