Development and Application of an Intelligent Test System for the Model Test on Deep Underground Rock Caverns
Abstract
1. Introduction
2. Development of the Test System
2.1. Combined Bench Counterforce Device
2.2. True Triaxial Non-Uniform Loading/Unloading Device
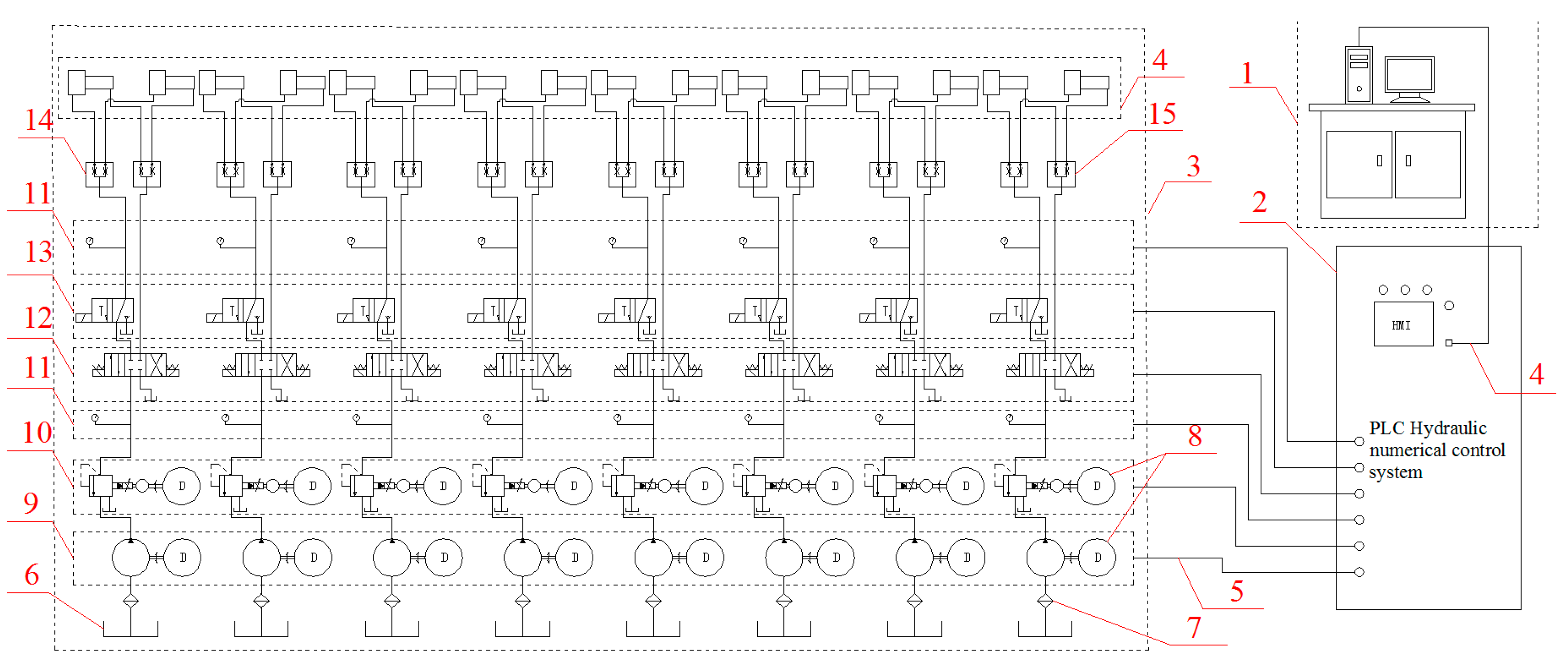
2.3. Intelligent Hydraulic Loading/Unloading Control System
- The operator inputs a loading/unloading instruction via the HMI or the PC monitoring system of the visual human–machine interaction system;
- The visual human–machine interaction system converts the instruction into a digital signal and transmits it to the PLC hydraulic numerical control system;
- The central control unit of the PLC hydraulic numerical control system converts the digital pressure signal into an electrical signal;
- The electrical signal is transmitted to the variable frequency oil pump drive system, the step overflow valve drive system and the electromagnetic valve drive system, respectively;
- The variable frequency oil pump drive system controls the oil pump to pump the hydraulic oil into the oil ways;
- The step overflow valve drive system controls the step motor to drive the valve core of the step overflow valve to advance or retreat, thus reducing or increasing the pressure of the oil ways;
- The electromagnetic valve drive system controls the opening or closing of the O-shaped three-position four-way electromagnetic reversing valve and the electromagnetic ball valve pressure retaining valve to realize the division and pressure retention of the oil ways;
- The sensor system feeds the detected oil way pressure information back to the programmable controller in time to process the oil way pressure information into a digital pressure signal;
- The digital pressure signal is displayed on the HMI dynamically in real time, and the loading history is stored in the PC monitoring system.
2.4. Automatic Displacement Monitoring System
2.5. High-Definition Multi-Probe Peeping System
2.6. Technical Advantages
- The loading capacity of the current system is large (the rated output of the system is 63 MPa, and the maximum load is 45,000 kN), meaning that the system can be adopted in the modeling of high and non-uniform in situ stress.
- The accuracy of the load applied by this system is high (1.5‰ F.S.), with a long duration for applying steady load (over 300 days). This system can meet the requirements of a physical model test, which has the characteristics of high loading accuracy and long test duration, starting from no in situ stress and the implementation of loading/unloading cycles.
- This system has a broad loading range. It is able to perform a loading/unloading test with a maximum pressure of less than 63 MPa.
- The test device is large in scale and adjustable in size. The size of the counterforce device can be adjusted according to the model test range to meet the test requirements of different scales of models.
3. Engineering Application
3.1. Project Overview
3.2. Model Construction
3.3. Loading Scenario and Excavation Process
3.4. Results and Discussion
- With the gradual increase of the overload in-situ stress, the cavern group gradually changed from a stable state to a destructive state: the microcracks first appeared at the junction (see Figure 13d), and the overload multiple continued to increase; the microcracks gradually started to expand and penetrate, and large compression shear or tension shear cracks appeared at the vault and side wall of the cavern (see Figure 13e), at this time, the deformation around the cavern increased gradually (see Figure 12 2.0 P, 2.2 P).
- Overload multiplication further increased, and the cracks rapidly expanded and broke through, which led to large-scale spalling damage on the intersection. This made the cavern group enter the stage of overall failure (see Figure 13f). At this time, both the displacement value and the displacement change rate increased significantly (see Figure 12 2.4P).
4. Conclusions
- The rated output of the system is large (63 MPa), which can be adopted in the modeling of high and non-uniform in situ stress.
- The accuracy of the load applied by this system is high (1.5‰ F.S.), with a long duration for applying steady load (over 300 days), which can start from no in situ stress and the implementation of loading/unloading cycles.
- The test device is large in scale and adjustable in size.
- The accuracy of the displacement test is high (±0.005 mm) and the failure process of the cavern can be observed directly.
Author Contributions
Funding
Acknowledgments
Conflicts of Interest
References
- Wang, J.; Chen, L.; Su, R.; Zhao, X.G. The Beishan underground research laboratory for geological disposal of high-level radioactive waste in China: Planning, site selection, site characterization and in situ tests. J. Rock Mech. Geotech. Eng. 2018, 10, 411–435. [Google Scholar] [CrossRef]
- Cerullo, N. An additional performance of HTRS: the waste radiotoxicity minimisation. Radiat. Prot. Dosim. 2005, 115, 122–125. [Google Scholar] [CrossRef] [PubMed]
- Ahn, J.; Apted, M.J. Geological Repository Systems for Safe Disposal of Spent Nuclear Fuels and Radioactive Waste, 2nd ed.; Ahn, J., Apted, M.J., Eds.; Woodhead Publishing: Cambridge, UK, 2017; p. 802. [Google Scholar]
- Scientific and Technical Basis for the Geological Disposal of Radioactive Wastes; Technical Reports Series No. 413; International Atomic Energy Agency: Wien, Vienna, 2003; 80p.
- Verron, H.; Sterpenich, J.; Bonnet, J.; Bourdelle, F.; Mosser-Ruck, R.; Lorgeoux, C.; Randi, A.; Michau, N. Experimental Study of Pyrite Oxidation at 100 °C: Implications for Deep Geological Radwaste Repository in Claystone. Minerals 2019, 9, 427. [Google Scholar] [CrossRef]
- Farid, O.M.; Ojovan, M.I.; Massoud, A.; Rahman, R.O.A. An Assessment of Initial Leaching Characteristics of Alkali-Borosilicate Glasses for Nuclear Waste Immobilization. Materials 2019, 12, 1462. [Google Scholar] [CrossRef]
- Zhang, C.L.; Wang, J.; Su, K. Concepts and tests for disposal of radioactive waste in deep geological formations. CJRME 2006, 25, 750. [Google Scholar]
- Laverov, N.P.; Omelianenko, B.L.; Velichkin, V.I. Geological Aspects of the Nuclear Waste Disposal Problem; Lawrence Berkeley Laboratory, University of California: Berkeley, CA, USA, June 1994; p. 22. [Google Scholar]
- Costin, L.S. Site Selection and Characterization Processes for Deep Geologic Disposal of High Level Nuclear Waste; Albuquerque Sandia National Laboratories: Alberquerque, NM, USA, October 1997; p. 18. [Google Scholar]
- Wang, J.; Su, R.; Chen, W.M.; Guo, Y.H.; Jin, Y.X.; Wen, Z.J.; Liu, Y.M. Deep geological disposal of high-level radiocative wastes in China. Rock Mech. Eng. 2006, 25, 649–658. [Google Scholar]
- The Role of Underground Laboratories in Nuclear Waste Disposal Programmes; Radioactive Waste Management, OECD Publications, Nucler Energy Agency: Paris, France, 2001; p. 42.
- Comino, J.Á.L.; Heimann, S.; Cesca, S.; Claus, M.; Dahm, T.; Zang, A. Automated Full Waveform Detection and Location Algorithm of Acoustic Emissions from Hydraulic Fracturing Experiment. Procedia Eng. 2017, 191, 697–702. [Google Scholar] [CrossRef]
- Ren, M.Y.; Zhang, Q.Y.; Liu, C.C.; Wu, D.; Ding, Y.Z. The Elastic-Plastic Damage Analysis of Underground Research Laboratory Excavation for Disposal of High Level Radioactive Waste. Geotech. Geol. Eng. 2019, 37, 1793–1811. [Google Scholar] [CrossRef]
- Duan, K.; Ji, Y.; Wu, W.; Kwok, C.Y. Unloading-induced failure of brittle rock and implications for excavation-induced strain burst. Tunn. Undergr. Space Technol. 2019, 84, 495–506. [Google Scholar] [CrossRef]
- Deng, J.Q.; Yang, Q.; Liu, Y.R.; Pan, Y.W. Stability evaluation and failure analysis of rock salt gas storage caverns based on deformation reinforcement theory. Comput. Geotech. 2015, 68, 147–160. [Google Scholar] [CrossRef]
- Reva, V.N. Stability criteria of underground workings under zonal disintegration of rocks. J. Min. Sci. 2002, 38, 31–34. [Google Scholar] [CrossRef]
- Sellers, E.; Klerck, P. Modeling of the effect of discontinuities on the extent of the fracture zone surrounding deep tunnels. Tunn. Undergr. Space Technol. 2000, 15, 463–469. [Google Scholar] [CrossRef]
- Guzev, M.A.; Paroshin, A.A. Non-euclidean model of the zonal disintegration of rocks around an underground working. J. Appl. Mech. Tech. Phys. 2001, 42, 131–139. [Google Scholar] [CrossRef]
- Kwok, C.; Duan, K.; Pierce, M. Modeling hydraulic fracturing in jointed shale formation with the use of fully coupled discrete element method. Acta Geotech. 2019, 15, 245–264. [Google Scholar] [CrossRef]
- Yu, G.; Yang, Q.; Dai, B.; Fu, Z.; Lin, D. Numerical Study on the Characteristic of Temperature Drop of Crude Oil in a Model Oil Tanker Subjected to Oscillating Motion. Energies 2018, 11, 1229. [Google Scholar] [CrossRef]
- Duan, K.; Kwok, C.Y.; Zhang, Q.Y.; Shang, J.L. On the initiation, propagation and reorientation of simultaneously-induced multiple hydraulic fractures. Comput. Geotech. 2020, 117, 103226. [Google Scholar] [CrossRef]
- Meguid, M.A.; Saada, O.; Nunes, M.A.; Mattar, J. Physical modeling of tunnels in soft ground: A review. Tunn. Undergr. Space Technol. 2008, 23, 185–198. [Google Scholar] [CrossRef]
- Ren, M.Y.; Zhang, Q.Y.; Zhang, Z.J.; Zhang, L.Y.; Gao, Q. Study on Mechanism of Segmental Lining-Bolt Combined Support for Deep-Buried Tunnel. Geotech. Geol. Eng. 2019, 37, 3649–3671. [Google Scholar] [CrossRef]
- Zhang, Q.Y.; Zhang, Y.; Duan, K.; Liu, C.C.; Miao, Y.S.; Wu, D. Large-scale geo-mechanical model tests for the stability assessment of deep underground complex under true-triaxial stress. Tunn. Undergr. Space Technol. 2019, 83, 577–591. [Google Scholar] [CrossRef]
- Zhang, Q.Y.; Ren, M.Y.; Duan, K.; Wang, W.S.; Gao, Q.; Lin, H.X.; Xiang, W.; Jiao, Y.Y. Geo-mechanical model test on the collaborative bearing effect of rock-support system for deep tunnel in complicated rock strata. Tunn. Undergr. Space Technol. 2019, 91, 103001. [Google Scholar] [CrossRef]
- Zhang, Q.Y.; Zhang, X.T.; Wang, Z.C.; Xiang, W.; Xue, J.H. Failure mechanism and numerical simulation of zonal disintegration around a deep tunnel under high stress. Int. J. Rock Mech. Min. Sci. 2017, 93, 344–355. [Google Scholar] [CrossRef]
- Chen, H.M.; Yu, H.S.; Smith, M.J. Physical model tests and numerical simulation for assessing the stability of brick-lined tunnels. Tunn. Undergr. Space Technol. 2016, 53, 109–119. [Google Scholar] [CrossRef]
- Ren, M.Y.; Zhang, Q.Y.; Chen, S.Y.; Yin, X.J.; Li, F.; Xiang, W.; Yu, G.Y. Physical model test study on synergistic action of lining-rock for deep tunnel under complex geological conditions. CEJ 2019, 52, 98–109. [Google Scholar]
- Kulatilake, P.H.S.W.; He, W.; Um, J.; Wang, H. A physical model study of jointed rock mass strength under uniaxial compressive loading. Int. J. Rock Mech. Min. Sci. 1997, 34, 165. [Google Scholar] [CrossRef]
- He, M.C. Physical modeling of an underground roadway excavation in geologically 45° inclined rock using infrared thermography. Eng. Geol. 2011, 121, 165–176. [Google Scholar] [CrossRef]
- Shin, J.H.; Choi, Y.K.; Kwon, O.Y.; Lee, S.D. Model testing for pipe-reinforced tunnel heading in a granular soil. Tunn. Undergr. Space Technol. 2008, 23, 241–250. [Google Scholar] [CrossRef]
- Zhu, W.S.; Zhang, Q.B.; Li, Y.; Sun, L.F.; Zhang, L.; Zheng, W.H. Development of large-scale geomechanical model test system under true triaxial loading and its applications. Rock Mech. Eng. 2010, 29, 1–7. [Google Scholar]
- Zhu, W.S.; Li, Y.; Li, S.C.; Wang, S.G.; Zhang, Q.B. Quasi-three-dimensional physical model tests on a cavern complex under high in-situ stresses. Int. J. Rock Mech. Min. Sci. 2011, 48, 199–209. [Google Scholar]
- Chen, A.M.; Gu, J.C.; Shen, J.; Meiji, Q.; Gu, L.; Lu, Z. Application study on the geomechanical model experiment techniques. Chin. J. Rock Mech. Eng. 2004, 22, 3785–3789. [Google Scholar]
- Li, Z.K.; Lu, D.R.; Zhong, S.Y.; Xi, J.H.; Sun, J.S. Development and application of new technology for 3D geomechanics model test of large underground houses. Chin. J. Rock Mech. Eng. 2003, 22, 1430–1436. [Google Scholar]
- Rong, F.; Sun, Y.Q.; Wang, H.X. Influence factor analysis on the design of URL general structure. World Nuclear Geosci. 2017, 34, 174–179. [Google Scholar]
- Zhang, Q.Y.; Liu, C.C.; Duan, K.; Zhang, Z.J.; Xiang, W. True Three-Dimensional Geomechanical Model Tests for Stability Analysis of Surrounding Rock During the Excavation of a Deep Underground Laboratory. Rock Mech. Rock Eng. 2019. [Google Scholar] [CrossRef]
- Zhang, Q.Y.; Li, S.C.; Guo, X.H.; Li, Y.; Wang, H.P. Research and development of new typed cementitious geotechnical similar material for iron crystal sand and its application. Rock Soil Mech. 2008, 29, 2126–2130. [Google Scholar]
- Chen, X.G.; Zhang, Q.Y.; Li, S.C. A servo controlled gradient loading triaxial model test system for deep-buried cavern. Rev. Sci. Instrum. 2015, 86, 105114. [Google Scholar] [CrossRef]
- Wang, H.P.; Li, S.C.; Zheng, X.F.; Zhu, W.S. Research progress of geomechanical model test with new technology and its engineering application. Chin. J. Rock Mech. Eng. 2009, 28, 2765. [Google Scholar]
- Zhao, X.G.; Wang, J.; Cai, M.; Ma, L.K.; Zhong, Z.H.; Wang, X.Y.; Su, R.; Chen, W.M.; Zhao, H.G.; Chen, Q.C.; et al. In-situ stress measurements and regional stress field assessment of the Beishan area, China. Eng. Geol. 2013, 163, 26–40. [Google Scholar] [CrossRef]















© 2020 by the authors. Licensee MDPI, Basel, Switzerland. This article is an open access article distributed under the terms and conditions of the Creative Commons Attribution (CC BY) license (http://creativecommons.org/licenses/by/4.0/).
Share and Cite
Liu, C.; Zhang, Q.; Duan, K.; Xiang, W.; Jiao, Y. Development and Application of an Intelligent Test System for the Model Test on Deep Underground Rock Caverns. Energies 2020, 13, 358. https://doi.org/10.3390/en13020358
Liu C, Zhang Q, Duan K, Xiang W, Jiao Y. Development and Application of an Intelligent Test System for the Model Test on Deep Underground Rock Caverns. Energies. 2020; 13(2):358. https://doi.org/10.3390/en13020358
Chicago/Turabian StyleLiu, Chuancheng, Qiangyong Zhang, Kang Duan, Wen Xiang, and Yuyong Jiao. 2020. "Development and Application of an Intelligent Test System for the Model Test on Deep Underground Rock Caverns" Energies 13, no. 2: 358. https://doi.org/10.3390/en13020358
APA StyleLiu, C., Zhang, Q., Duan, K., Xiang, W., & Jiao, Y. (2020). Development and Application of an Intelligent Test System for the Model Test on Deep Underground Rock Caverns. Energies, 13(2), 358. https://doi.org/10.3390/en13020358

