Representative Days for Expansion Decisions in Power Systems
Abstract
1. Introduction
- To propose a modified version of the traditional K-means method to generate system operating conditions that properly represent maximum and minimum values of input data.
- To use this new method to obtain representative days of demand and wind-power production, each composed of 24 operating conditions, in order to characterize the chronology of the historical data allowing the incorporation of technologies that depend on the chronology, such as storage units, in the formulation of expansion planning models.
- To give and analyze the results of a case study to show that the proposed method improves on the outcomes of a traditional K-means method.
2. Clustering Technique
2.1. Input Data
2.2. Traditional K-Means Algorithm
- Step 1: Select the number of required clusters according to the needs of the problem.
- Step 2: Define the initial centroid of each cluster, e.g., by randomly assigning a historical observation to each cluster.
- Step 3: Compute the quadratic distances between each original observation and each cluster centroid.
- Step 4: Allocate each historical observation to the closest cluster according to the distances calculated at Step 3.
- Step 5: Recalculate the cluster centroids using the historical observations allocated to each cluster.
2.3. Modified K-Means Algorithm
- Step 1: Arrange the historical data into clusters following the TKM.
- Step 2: Apply the same TKM to the observations allocated to each cluster obtained at Step 1, arranging them into clusters for each of the clusters.
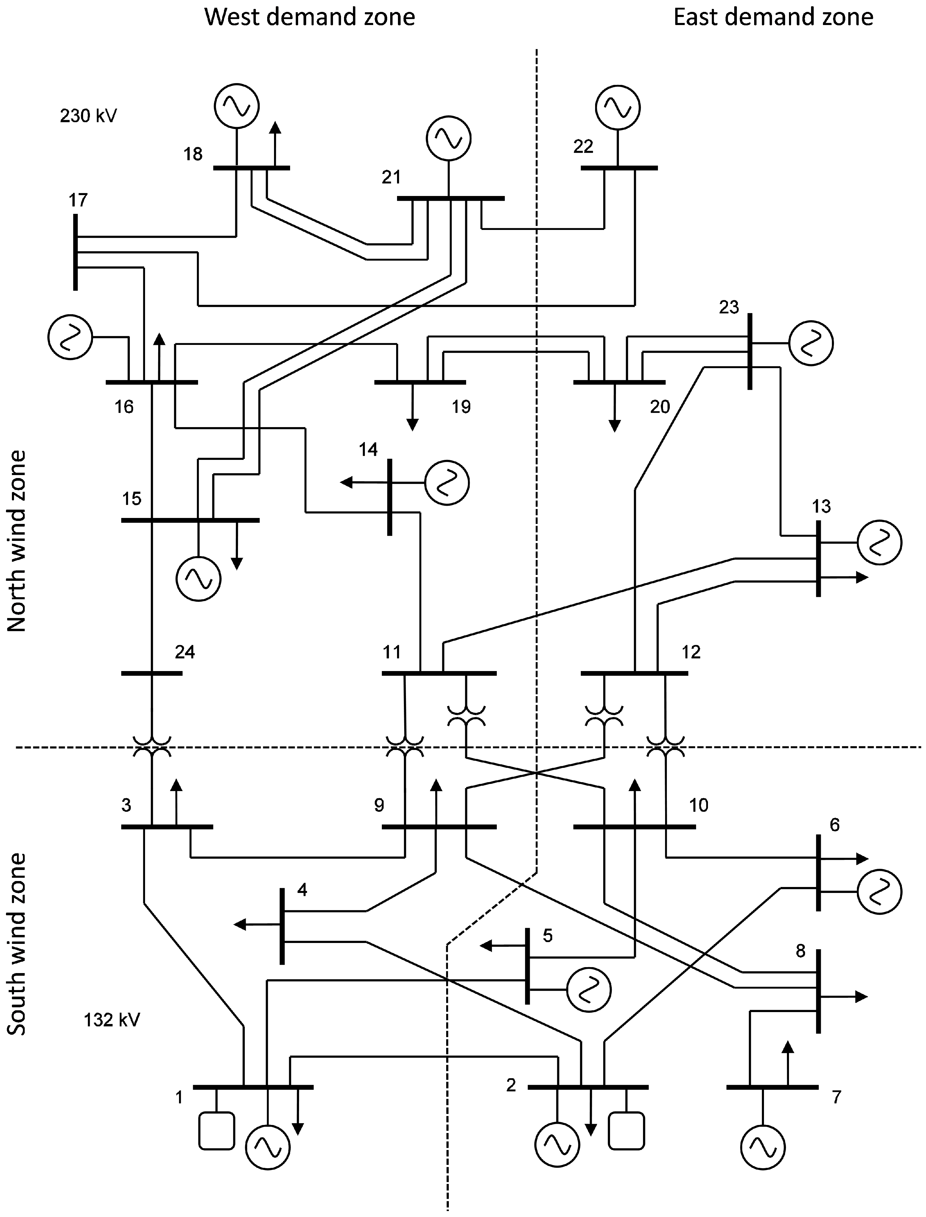
3. Case Study
3.1. Data
3.2. Results
3.3. Validation
- Step 1: Solve the G&TEP problem using the representative days obtained through clustering methods for different values of the parameter K.
- Step 2: Set the values of the expansion planning decision variables (, ; , ; , ; , ) obtained at Step 1 and solve the G&TEP problem using all the historical data.
- Step 3: Calculate the percentage error, , associated with the total annualized cost obtained at Step 2, , with regard to the total annualized cost provided by the exact solution, , using Equation (2):
4. Conclusions
Author Contributions
Funding
Conflicts of Interest
Notations
| Indices | |
| d | Load |
| g | Conventional generating unit |
| h | Hour |
| ℓ | Transmission line |
| n | Bus |
| r | Representative day |
| s | Storage facility |
| w | Wind-power unit |
| Receiving bus of transmission line ℓ | |
| Destination bus of transmission line ℓ | |
| Sets | |
| Set of indexes d of loads connected to bus n | |
| Set of indexes d of loads | |
| Set of indexes g of conventional generating units connected to bus n | |
| Set of indexes g of conventional generating units | |
| Set of indexes g of candidate conventional generating units | |
| Set of indexes h of hours | |
| Set of indexes ℓ of transmission lines | |
| Set of indexes ℓ of candidate transmission lines | |
| Set of indexes n of buses | |
| Set of indexes r of representative days | |
| Set of indexes s of storage units connected to bus n | |
| Set of indexes s of storage units | |
| Set of indexes s of candidate storage units | |
| Set of indexes w of wind-power units connected to bus n | |
| Set of indexes w of wind-power units | |
| Set of indexes w of candidate wind-power units | |
| Parameters | |
| Susceptance of transmission line ℓ [] | |
| Operation cost coefficient of conventional generating unit g [$/MWh] | |
| Load-shedding cost coefficient of load d [$/MWh] | |
| Energy initially stored in storage facility s [MWh] | |
| Maximum level of energy of storage facility s [MWh] | |
| Investment cost coefficient of candidate conventional generating unit g [$/MW] | |
| Annualized investment cost coefficient of candidate conventional generating unit g [$/MW] | |
| Investment cost coefficient of candidate transmission line ℓ [$] | |
| Annualized investment cost coefficient of candidate transmission line ℓ [$] | |
| Investment cost coefficient of candidate storage facility s [$] | |
| Annualized investment cost coefficient of candidate storage facility s [$] | |
| Investment cost coefficient of candidate wind-power unit w [$/MW] | |
| Annualized investment cost coefficient of candidate wind-power unit w [$/MW] | |
| Total investment budget [$] | |
| Maximum number of units that can be built of candidate storage facility s | |
| Peak power consumption of load d [MW] | |
| Capacity of conventional generating unit g [MW] | |
| Power flow capacity of transmission line ℓ [MW] | |
| Charging power capacity of storage facility s [MW] | |
| Discharging power capacity of storage facility s [MW] | |
| Capacity of wind-power unit w [MW] | |
| Capacity factor of wind-power unit w [pu] | |
| Demand factor of load d [pu] | |
| Duration of time steps [h] | |
| Charging efficiency of storage facility s | |
| Discharging efficiency of storage facility s | |
| Weight of representative day r [days] | |
| Optimization Variables | |
| Energy stored in storage facility s [MWh] | |
| Number of units to be built of candidate storage facility s | |
| Power produced by conventional generating unit g [MW] | |
| Capacity to be built of conventional generating unit g [MW] | |
| Power flow through transmission line ℓ [MW] | |
| Unserved demand of load d [MW] | |
| Charging power of storage facility s [MW] | |
| Discharging power of storage facility s [MW] | |
| Power produced by wind-power unit w [MW] | |
| Capacity to be built of wind-power unit w [MW] | |
| Binary variable that is equal to 1 if candidate transmission line ℓ is built, being 0 otherwise | |
| Voltage angle at bus n [rad] | |
Appendix A. Formulation of the Generation and Transmission Expansion Planning Problem
Appendix B. Formulation of the G&TEP Problem Considering All Historical Data
References
- Morales, J.M.; Baringo, L.; Conejo, A.J.; Mínguez, R. Probabilistic power flow with correlated wind sources. IET Gener. Transm. Distrib. 2010, 4, 641–651. [Google Scholar] [CrossRef]
- Xie, L.; Carvalho, P.M.S.; Ferreira, L.A.F.M.; Liu, J.; Krogh, B.H.; Popli, N.; Ilić, M.D. Wind integration in power systems: Operational challenges and possible solutions. Proc. IEEE 2011, 99, 214–232. [Google Scholar] [CrossRef]
- Bell, W.P.; Wild, P.; Foster, J.; Hewson, M. Wind speed and electricity demand correlation analysis in the Australian National Electricity Market: Determining wind turbine generators’ ability to meet electricity demand without energy storage. Econ. Anal. Policy 2015, 48, 182–191. [Google Scholar] [CrossRef][Green Version]
- Poulin, A.; Dostie, M.; Fournier, M.; Sansregret, S. Load duration curve: A tool for technico-economic analysis of energy solutions. Energy Build. 2008, 40, 29–35. [Google Scholar] [CrossRef]
- Hoppner, F.; Klawonn, F.; Kruse, R.; Rumkler, T. Fuzzy Cluster Analysis; Wiley: Chichester, UK, 1999. [Google Scholar]
- Ramezani, M.; Singh, C.; Haghifam, M.R. Role of clustering in the probabilistic evaluation of TTC in power systems including wind power generation. IEEE Trans. Power Syst. 2009, 24, 849–858. [Google Scholar] [CrossRef]
- Baringo, L.; Conejo, A.J. Correlated wind-power production and electric load scenarios for investment decisions. Appl. Energy 2013, 101, 475–482. [Google Scholar] [CrossRef]
- Caramanis, M.; Tabors, R.; Nochur, K.S.; Schweppe, F. The introduction of non-dispatchable technologies a decision variables in long-term generation expansion models. IEEE Trans. Power App. Syst. 1982, PAS-101, 2658–2667. [Google Scholar] [CrossRef]
- Wogrin, S. Generation Expansion Planning in Electricity Markets with Bilevel Mathematical Programming Techniques. Ph.D. Thesis, Universidad Pontificia Comillas de Madrid, Madrid, Spain, 2013. [Google Scholar]
- Baringo, L.; Conejo, A.J. Transmission and wind power investment. IEEE Trans. Power Syst. 2012, 27, 885–893. [Google Scholar] [CrossRef]
- Montoya-Bueno, S.; Muñoz, J.I.; Contreras, J. A stochastic investment model for renewable generation in distribution systems. IEEE Trans. Sustain. Energy 2015, 6, 1466–1474. [Google Scholar] [CrossRef]
- Baringo, L.; Conejo, A.J. Wind power investment within a market environment. Appl. Energy 2011, 88, 3239–3247. [Google Scholar] [CrossRef]
- Baringo, L.; Conejo, A.J. Strategic wind power investment. IEEE Trans. Power Syst. 2014, 29, 1250–1260. [Google Scholar] [CrossRef]
- Domínguez, R.; Conejo, A.J.; Carrión, M. Toward fully renewable electric energy systems. IEEE Trans. Power Syst. 2015, 30, 316–326. [Google Scholar] [CrossRef]
- Dehghan, S.; Amjady, N. Robust transmission and energy storage expansion planning in wind farm-integrated power systems considering transmission switching. IEEE Trans. Sustain. Energy 2016, 7, 765–774. [Google Scholar] [CrossRef]
- Nogales, A.; Wogrin, S.; Centeno, E. Impact of technical operational details on generation expansion in oligopolistic power markets. IET Gen. Trans. Dist. 2016, 10, 2118–2126. [Google Scholar] [CrossRef]
- Wogrin, S.; Dueñas, P.; Delgadillo, A.; Reneses, J. New approach to model load levels in electric power systems with high renewable penetration. IEEE Trans. Power Syst. 2014, 29, 2210–2218. [Google Scholar] [CrossRef]
- Hemmati, R.; Hooshmand, R.-A.; Khodabakhshian, A. Comprehensive review of generation and transmission expansion planning. IET Gener. Transm. Distrib. 2013, 7, 955–964. [Google Scholar] [CrossRef]
- Spyrou, E.; Ho, J.; Hobbs, B.; Johnson, R.; McCalley, J. What are the benefits of co-optimizing transmission and generation investment? Eastern interconnection case study. IEEE Trans. Power Syst. 2017, 32, 4265–4277. [Google Scholar]
- Conejo, A.J.; Baringo, L.; Kazempour, S.J.; Siddiqui, A.S. Investment in Electricity Generation and Transmission; Springer: Cham, Switzerland, 2016. [Google Scholar]
- Zhou, Y.; Wang, L.; McCalley, J.D. Designing effective and efficient incentive policies for renewable energy in generation expansion planning. Appl. Energy 2011, 88, 2201–2209. [Google Scholar] [CrossRef]
- Grigg, C.; Wong, P.; Albrecht, P.; Allan, R.; Bhavaraju, M.; Billinton, R.; Chen, Q.; Fong, C.; Haddad, S.; Kuruganty, S.; et al. The IEEE Reliability Test System-1996. A report prepared by the Reliability Test System Task Force of the Application of Probability Methods Subcommittee. IEEE Trans. Power Syst. 1999, 14, 1010–1020. [Google Scholar] [CrossRef]
- García-Cerezo, Á.; Baringo, L.; García-Bertrand, R. Representative Days for Expansion Decisions in Power Systems: Data for the Case Study. Available online: https://drive.google.com/open?id=15svP0AU7rAplfTKkscEqshAo414f7T06 (accessed on 13 November 2019).
- Energinet—Energy Data Service. Available online: http://www.energidataservice.dk/ (accessed on 13 October 2019).
- The ILOG CPLEX. Available online: http://www.ilog.com/products/cplex/ (accessed on 13 October 2019).
- Rosenthal, R.E. GAMS, A User’s Guide; GAMS Development Corporation: Washington, DC, USA, 2012. [Google Scholar]
- Floudas, C.A. Nonlinear and Mixed-Integer Optimization: Fundamentals and Applications; Oxford University Press: New York, NY, USA, 1995. [Google Scholar]










| Representative Day | [days] |
|---|---|
| 46 | |
| 80 | |
| 30 | |
| 24 | |
| 24 | |
| 37 | |
| 36 | |
| 22 | |
| 28 | |
| 39 |
| (%) | Computational Time (min) | |||||||
|---|---|---|---|---|---|---|---|---|
| TKM | MKM | TKM | MKM | TKM | MKM | TKM | MKM | |
| 10 | 279.63 | 298.81 | 4.69 | 4.43 | 48.44 | 41.97 | 1 | 1 |
| 20 | 266.84 | 330.76 | 4.89 | 4.07 | 56.51 | 30.29 | 4 | 3 |
| 30 | 331.90 | 539.58 | 3.94 | 3.30 | 26.18 | 5.80 | 10 | 8 |
| 40 | 594.77 | 654.69 | 3.30 | 3.19 | 5.55 | 2.04 | 12 | 16 |
| 50 | 544.38 | 611.58 | 3.34 | 3.27 | 7.08 | 4.78 | 20 | 21 |
| 60 | 579.12 | 665.89 | 3.21 | 3.14 | 2.70 | 0.66 | 22 | 25 |
| 70 | 564.56 | 682.69 | 3.24 | 3.12 | 3.58 | 0.01 | 43 | 47 |
| 80 | 633.89 | 667.48 | 3.17 | 3.14 | 1.40 | 0.63 | 55 | 68 |
© 2020 by the authors. Licensee MDPI, Basel, Switzerland. This article is an open access article distributed under the terms and conditions of the Creative Commons Attribution (CC BY) license (http://creativecommons.org/licenses/by/4.0/).
Share and Cite
García-Cerezo, Á.; Baringo, L.; García-Bertrand, R. Representative Days for Expansion Decisions in Power Systems. Energies 2020, 13, 335. https://doi.org/10.3390/en13020335
García-Cerezo Á, Baringo L, García-Bertrand R. Representative Days for Expansion Decisions in Power Systems. Energies. 2020; 13(2):335. https://doi.org/10.3390/en13020335
Chicago/Turabian StyleGarcía-Cerezo, Álvaro, Luis Baringo, and Raquel García-Bertrand. 2020. "Representative Days for Expansion Decisions in Power Systems" Energies 13, no. 2: 335. https://doi.org/10.3390/en13020335
APA StyleGarcía-Cerezo, Á., Baringo, L., & García-Bertrand, R. (2020). Representative Days for Expansion Decisions in Power Systems. Energies, 13(2), 335. https://doi.org/10.3390/en13020335

