Next Article in Journal
Exergetic, Economic and Exergo-Environmental Analysis of Bottoming Power Cycles Operating with CO2-Based Binary Mixture
Next Article in Special Issue
Feedback Linearization Based Robust Control for Linear Permanent Magnet Synchronous Motors
Previous Article in Journal
A Hybrid RCS Reduction Method for Wind Turbines
Previous Article in Special Issue
New Sensorless Speed Control of a Hybrid Stepper Motor Based on Fuzzy Sliding Mode Observer
 
 
Font Type:
Arial Georgia Verdana
Font Size:
Aa Aa Aa
Line Spacing:
Column Width:
Background:
Article

Interior Permanent Magnet Synchronous Motor Design for Eddy Current Loss Reduction in Permanent Magnets to Prevent Irreversible Demagnetization †

1
R&D Center, Hyundai Mobis, Yongin 16891, Korea
2
Electric Power Train R&D Center, Korea Automotive Technology Institution, Daegu 43011, Korea
3
Department of Electrical Engineering, Hoseo University, Asan 31499, Korea
*
Author to whom correspondence should be addressed.
This paper is an extended version of our paper published in 2017 IEEE International Electric Machines and Drives (IEMDC), Miami, FL, USA, 21–24 May 2017.
Energies 2020, 13(19), 5082; https://doi.org/10.3390/en13195082
Submission received: 24 August 2020 / Revised: 15 September 2020 / Accepted: 24 September 2020 / Published: 29 September 2020
(This article belongs to the Special Issue Permanent Magnet Electrical Machines)

Abstract

We designed and analyzed an interior permanent magnet synchronous motor (IPMSM) to prevent irreversible demagnetization of the permanent magnets (PMs). Irreversible demagnetization of NdFeB PMs mainly occurs due to high temperature, which should thus be minimized. Therefore, it is necessary to reduce the eddy current loss in the PM through optimal design. The shape of the rotor core was optimized using finite element analysis (FEA) and response surface methodology. Three-dimensional (3-D) FEA is required for accurate computation of the eddy current loss, but there is huge time, effort, and cost consumption. Therefore, a method is proposed for indirectly calculating the eddy current loss of PMs using 2-D FEA. A thermal equivalent circuit analysis was used to calculate the PM temperature of the optimized model. For the thermal analysis, the copper loss, core loss, and eddy current loss in PMs were estimated and applied as a heat source. Based on the results, we confirmed the stability of the optimum model in terms of the PM demagnetization.

1. Introduction

Interior permanent magnet synchronous motors (IPMSMs) using Nd-Fe-B magnets have been developed for traction motors in electric vehicles (EVs) and hybrid electric vehicles (HEVs). In general, the performance of NdFeB PMs decreases with increasing temperature [1,2]. For instance, the residual magnetic flux density (Br) shows a decrease, and the knee point on the demagnetization curve occurs in the second quadrant [3,4]. A permanent magnet (PM) with degraded performance under high temperature conditions can become irreversibly demagnetized by the armature reaction during the motor operation. There is Joule loss due to the line current, core loss, bearing friction loss, and eddy current loss inside the PMs, which act as a heat source in the motor. The eddy current loss has a direct influence on the temperature rise of the PM.
In the case of an X-EV traction motor, which has a wide range of operating speeds, current phase control is used to extend the operating speed range [5,6,7]. As the ratio of the d-axis current to line current for high-speed operation increases, the eddy current loss in the PMs tends to increase. Therefore, shape optimization is needed for the minimization of the heat generation of the PM due to eddy currents.
Nd-Fe-B PMs are mainly produced by sintering iron, neodymium, and dysprosium. Therefore, the PM has relatively high conductivity [8]. The PM is inserted into the rotor core in a solid form, so the return path and the axial direction of the eddy current cannot be ignored. For this reason, the eddy current loss of the PM should be calculated by three-dimensional (3-D) finite element analysis (FEA) or 3-D analytical analysis so that accurate values can be obtained [9,10,11,12]. However, 3-D FEA has many limitations in terms of time, cost, and effort.
Several studies have been conducted to overcome the hassle of analyzing eddy currents of PMs using 3-D FEA [13,14,15,16]. Some studies have discussed the reduction of eddy current losses by dividing a PM that forms one pole into several segments [17,18]. Splitting a PM is excellent for reducing the eddy current loss. However, the PM division reduces production rates and increases prices. There are also many studies on the reduction of the eddy current loss of a PM through shape design of the rotor and the PM [19,20,21]. In most studies, the eddy current loss of the PM was directly calculated using 3-D FEA or an analytical method. Therefore, it has been difficult to conduct an optimum design for reducing the eddy current loss of PM by analyzing various models. In addition, there has been no research on the improvement of the PM demagnetization, which is expected with the eddy current reduction of the PM.
Optimal design was performed to reduce the eddy current of a PM in this study, and the temperature inside the PM was predicted through thermal equivalent circuit analysis [22]. To quickly analyze various models in the optimization process, we propose an indirect method to estimate the eddy current loss of a PM, which can simplify the optimum design. The optimized design model was verified through a demagnetization analysis and experiment. Figure 1 presents the overall design process. Firstly, the eddy current loss in a PM prototype was calculated using 3-D FEA. Secondly, optimization was performed to reduce the eddy current loss in the PM using 2-D FEA based on an indirect estimation method. Finally, a thermal equivalent circuit analysis was conducted with consideration of the eddy current loss in the PM calculated by 3-D FEA for the optimized model. The irreversible demagnetization was analyzed for both the prototype and optimized model based on the PM temperature conditions from the thermal equivalent circuit both. Finally, the optimized model and the prototype were compared in terms of the demagnetization ratio due to high temperature and the input current magnitude.

2. Theoretical Approach for Indirect Evaluation of Eddy Current Loss

2.1. 2-D Magneto-Statics Finite Element Analysis

The following is the Maxwell’s electro-magnetic equation from which the governing equation for FEA can be derived [23]:
× ν ( × A ) = J 0 × ( ν μ 0 M r )
where ν, A, J0 are the magnetic reluctivity, magnetic vector potential, and the exciting current density, respectively. The μ0 and Mr are the magnetic permeability of the free space and the magnetization, respectively. The J0 and A have only z-axis directions, and the Mr only has components on the x- and y-axis for the 2-D FEA.

2.2. Indirect Estimation Method of Eddy Current Loss of PMs

The indirect method for calculating the eddy current loss is derived based on Equation (2) [15]:
rot ( 1 σ rot T ) = B m t
where T, Bm, σ are the current vector potential, flux density in the PM, and the PM’s conductivity, respectively. When the shape of PMs is constrained in the optimal design, the eddy current path of every analysis model may be similar to that of the prototype. In other words, the conductivity can be constant in every model. Therefore, the time derivative of the magnetic flux density Bm makes estimation of the eddy current loss possible.
The flux can be used to express the difference in magnetic vector potential between positions A1 and A2 in Figure 2a. The stack length is assumed to be 1 m in flux calculations in the 2-D FEA, but a stack length is required to calculate the correct value. The quantity of the flux ΦPM from the PM can be obtained using Equations (3) and (4):
B m = ( A 2 A 1 ) × l s t k l s t k × l m
Φ P M = B m × l s t k × l m = ( A 2 A 1 ) × l s t k
where lstk is the stack length of rotor and stator core, and lm is the PM’s width.
ΦPM is strongly related to the eddy current loss because the voltage induced is the time derivative of the magnetic flux, and the loss is proportional to the induced voltage squared, as shown in Equations (5) and (6).
V P M = d Φ P M d t
P P M V P M 2

2.3. Verification of Relationship between Flux Variation and Eddy Current Loss in PMs

As mentioned, the variation of magnetic flux in the PM over time is equal to the induced voltage in the PM. If the conductivity inside the PM is constant, the eddy current loss is proportional to the squared value of the induced voltage inside the PM. Intuitively, the square of the induced voltage inside the PM should be set as the objective function of the optimum design. However, to calculate the induced voltage, cumbersome post-processing is required after FEA. Therefore, we set the objective function by changing the flux variation calculated using the vector potential difference of the PM, as shown in Figure 2. This was done using Equations (3) and (4).
A specific model was analyzed to verify the relationship between the eddy current loss and flux variation in the PM. Figure 3 shows the shape of a rotor core that was designed to reduce the PM’s eddy current loss. The V-shape of the rotor core between poles helps with reducing the eddy current loss in the PM [20]. Full factorial design (FFD) [24,25,26], a statistical method, was used to find the relation between eddy current loss and square of the flux variation in the PM. For reference, a commercial software program, Minitab, was used to perform the FFD.
The angle (A′) and depth (B′) of the V-shape were selected as design variables. Here, angle (A’) means the angle of two straight lines forming a V-shape on the rotor surface. Depth (B’) refers to the distance from the extension line of the rotor core to the intersection of two straight lines in a V-shape. Figure 4 shows the main effect plot expressing the relation between the design variables and objective function. The flux variation and eddy current loss in the PM according to design variable change in almost the same direction. Therefore, there is a linear correlation between the flux variation and the eddy current loss in the PM.

3. Optimization of Rotor Shape

3.1. Design Model

The prototype IPMSM is applied in a traction motor for HEVs. Its configuration is shown in Figure 5a. Table 1 shows its specifications. Nd-Fe-B PMs are inserted into the rotor core, and their demagnetization curve is shown in Figure 5b. At 20 °C, there is no knee point in the second quadrant of the B-H curve of the PM. However, at 220 °C, a knee point appears near 0.4 T in the second quadrant. Because the HEVs’ drive motor is close to the combustion engine, it is a poor thermal environment. Therefore, this should be considered at the design stage to prevent irreversible demagnetization of PMs.

3.2. Conditions of Optimization

In the optimum design for the eddy current loss reduction, the flux variation in the PM, ΦPM_variation, was set as the objective function, as shown in Figure 2.
Objective function = y(ΦPM_variation)
Generally, higher harmonics in the back-electro motive force (EMF) result in higher harmonics in the input current, more eddy current loss in the PM, and more core loss in the magnetic core. Therefore, the total harmonic distortion (THD) of the back EMF was given a constraint of 1.5–2.0% for the optimization. The amplitude of the back EMF was limited to 40.0–41.0 Vrms because drops in the back-EMF cause the current to rise in a constant torque region. For reference, the magnitude of the back EMF and the THD value of the back EMF of all manufactured prototypes was within the range of values set by the constraint. Therefore, in order for the newly designed motor to have the same performance as the prototype, the following constraints must be satisfied.
Range of Back-EMF (Line to line): 40.0–41.0 (Vrms) (Concentrate condition 1)
THD of Back-EMF: 1.5–2.0 (%) (Concentrate condition 2)
The load input conditions for the optimization analysis are as follows. If zero torque control is required for the drive motor, we apply a current phase angle of 90 degrees. When the maximum current is applied, the reaction from the permanent magnet is greatest. Therefore, the analysis is performed under the following current conditions:
Line current: 200 (Apeak)
Current angle: 90 (deg.)

3.3. Full Factorial Design

In general, the design variable range for optimization is determined from experimental data or designer experience. However, this could result in a very restrictive and subjective design. Moreover, the modeling and analysis require much time if the design space is established after investigating the responses to each parameter’s variations, and predicting the interaction between the parameters and objective function is difficult. FFD is used to find a more reasonable and objective design range for response surface methodology (RSM) [26]. In this step, FFD is used to screen the design variables to be applied to RSM and determine the range of selected design variables. The design variables are shown in Figure 6. The ranges determined for each design variable are shown in Table 2. A total of 4 shape parameters were set as design variables. Design variables A and D determine the shape of the shoe at the tip of the stator tooth. Design variable B determines the position of PM, and the larger the value, the further away from the airgap. Finally, design variable C is related to the shape of the rotor’s barrier. As the value increases, the pole arc decreases. All four design variables are closely related to the motor’s back-EMF magnitude and THD.
Based on the result of FFD, the design variables and corresponding ranges for RSM were determined. The main effects of design variables are shown in Figure 7. The objective function tends to decrease as the Chamfer and PM depth increase. This trend appears because the armature reaction decreases as the values of these two design variables decrease. Other design variables are not sensitive to the objective function. Therefore, these two variables were fixed in the optimum design.

3.4. Response Surface Methodology

We used RSM to create models with an objective function that has an appropriate response. We used central composite design (CCD) to develop an experiment to estimate a proper model for each response. The design variable and range were determined to conduct CCD based on the result of FFD, as shown in Table 3. As shown in Figure 7, design variables C and D do not have a significant effect on the objective function, so they were reflected when performing RSM as intermediate values within the range of variables set during FFD execution. On the other hand, design variables A and B are set as design variables when performing RSM because they have a large influence on the objective function. Because the objective function may exhibit nonlinear characteristics according to the change in these two design variables, the range of the design variables was narrower than when performing FFD. After performing CCD, the polynomial model of the response was obtained as
y ( Φ P M _ v a r i a t i o n ) = 0.194 0.030 A 0.021 B + 0.001 A 2 + 0.001 B 2 + 0.002 AB
Figure 8 shows the optimum point of the design variables where the objective function is minimized after considering the constraint. Table 4 shows a comparison of the design variables between the prototype and optimum model. If the PM’s eddy current loss was set as an objective function and the optimization was done through 3-D FEA, it would have taken much more effort and time.

4. Calculation of the Temperature inside PM

4.1. Eddy Current Loss in PM

We can predict the eddy current loss if we have the eddy current loss of the PM calculated by 3-D FEA for the prototype and the square of the objective function calculated by 2-D FEA. The prediction is done by using the square of the objective function of the optimum model. Table 5 shows the calculated objective function and its square value and Figure 9a shows change of magnetic flux inside the PM and the peak to peak value according to the rotor position. In addition, in Figure 9a, it can be confirmed that the average magnetic flux per pole of the two models has similar values, with an error of less than 1%. This means that the back EMF of the optimal model is not significantly different from that of the prototype. Therefore, there is little deterioration in motor performance during the optimal design process. As shown in Table 5, the square of the objective function of the optimum model was 61% of that of the prototype. We can estimate the eddy current loss of the optimum model if we substitute a reduction rate of 61% for the PM’s eddy current loss calculated for the prototype.
As a result, the eddy current loss in the PM of the optimum model was estimated to be 245 W, as shown in Table 6 and Figure 9b. However, the eddy current loss of the optimum model from 3-D FEA was 193 W. There was an error of around 26.4% from the estimated value due to the return path of the eddy current, which could not be reflected in the 2-D analysis. The error could be reduced in a model with a large axial length of the motor relative to the outer diameter. Even though the error is almost 26.4% between the values, the proposed method is sufficient for an optimum design process because 2-D FEA can estimate the eddy current loss in the PM faster than 3-D FEA.

4.2. Other Losses

For temperature prediction, other motor losses such as the copper loss and core loss are calculated. Core loss is calculated using FEA, as shown in Figure 10. The magnetic flux density waveforms’ temporal and spatial variations are calculated by electromagnetic FEA. Spectrum analysis was used for frequency analysis of the magnetic flux density at each element of the FEA model. Core loss is computed in the frequency domain under sinusoidal flux conditions using core loss data from the manufacturer, which are described by the frequency and flux densities [27,28,29].
The core loss from the teeth, yoke, and rotor core were analyzed by 2-D FEA to find the temperature of each component of the IPMSM. Input sources such as the line current and current angle were the same as in the demagnetization test. Therefore, copper loss of prototype and optimum model models are identical. Table 7 shows the total losses, including the eddy current loss in the PM calculated by 3-D FEA. The two models’ total losses are almost the same. However, the eddy current loss in the PM is around 50% lower in the optimum model than prototype. This result shows that the temperature of the PM will be lower in the optimum model than the prototypes.

4.3. Analysis Results of the Thermal Equivalent Circuit

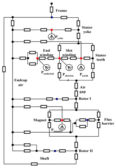
We used thermal equivalent circuit analysis to calculate the temperature of each motor part, especially the PM. For the equalization, we obtained thermal parameters from the heat source’s shape, the thermal resistance, and the capacitance. The heat sources are important parameters and are composed of the copper loss, core loss, and PM’s eddy current loss. We calculated them by FEA, as shown in Table 7. The parameters other than the heat source were calculated using a thermal equation [22].
The thermal equivalent circuit of the IPMSM is shown in Figure 11. The model includes the PM’s thermal source. The motor parts include a frame, stator yoke, teeth, winding, rotor core, PM, and shaft. For each part, the heat source is applied in the shape of the current. We assume the thermal capacitance and resistance are constant in every node, so a linear differential equation can be derived for the nodes as
C i d T i d t = 1 R j i ( T j T i ) + g i
where Ci is the ith node’s thermal capacitance, Ti is the ith node’s temperature, Rji is thermal resistance between nodes i and j, which are adjacent, and gi is node i’s heat generation. The same calculation was used for each parameter in Equation (8), as in a previous study [4], and the accuracy was verified in previous research [22].
We analyzed the thermal equivalent circuit using loss information, as shown in Figure 12. The same simulation conditions as in the demagnetization test were used to prevent demagnetization from a sudden short circuit. The analysis took 240 s, and the temperature of the winding reached 200 ℃. As a result, the winding and housing temperatures of the prototype have similar trends to those of the optimum model despite having different core losses. However, the temperature difference in the PM is 14.7 ℃, which significantly affects the irreversible demagnetization and residual induction. The motor characteristics are degraded by reduced residual induction for irreversible demagnetization.

4.4. Analysis of Demagnetization

In general, Nd-Fe-B magnets can be irreversibly demagnetized by rising temperature and magnetic fields that have an opposite direction to that of the PM. However, 2-D FEA can analyze this irreversible demagnetization using the PM properties at specific temperatures and inrush currents, as shown below:
  • Input of the core and magnet’s B-H curve in 2-D FEA.
  • Perform the nonlinear analysis considering material properties.
  • No-load analysis 1 → linkage flux calculation (Φnoload1).
  • Load analysis with static field analysis → input maximum current with d-axis only.
  • No-load analysis 2 → renew residual flux density (Br) at each element (Φnoload2).
  • Calculation of demagnetization ratio (ηdemag.) by comparing linkage flux between the result of the no-load analysis 1 and no-load analysis 2 as Equation (9).
η d e m a g . = Φ n o l o a d 1 Φ n o l o a d 2 × 100   ( % )
Figure 13 shows the B-H curve of the PM that was applied in the demagnetization analysis. The demagnetization curve of each temperature is estimated from the properties of the PM. At a PM temperature of 193.3 ℃, the knee point appears in the second quadrant of the demagnetization curve, and it can be seen that it is located near 0.17 T. Figure 14 shows the result of the demagnetization of both the prototype and the optimum model. This is the result of the analysis by reflecting the temperature of PMs obtained through the thermal equivalent circuit analysis. In addition, the analysis was performed by reflecting the condition of the rotation speed of 6000 rpm, which is the condition of the demagnetization test. The optimum model has no demagnetization, but the prototype has a demagnetization rate of 1.74% with the same input current.

5. Conclusions

This study presented design processes to prevent irreversible demagnetization by reducing eddy current losses in a PM. Optimum design with 3-D FEA requires much time and effort for computation and modeling. To reduce the time, an alternative solution was proposed to estimate eddy current losses with 2-D FEA. Our solution enables quick optimum design.
A thermal equivalent circuit analysis was used after optimization to calculate the PM temperature, which takes less time than computational fluid dynamics methods. Finally, analyses of the irreversible demagnetization were conducted under conditions of calculated temperature from the thermal equivalent circuit analysis. The overall design process to reduce the demagnetization could be used to design IPMSMs for automotive applications, such as traction motors or integrated starters and generators.

Author Contributions

Conceptualization, J.-W.J. and S.-I.K.; methodology, J.-W.J.; software, K.-S.K.; validation, B.-H.L., K.-S.K. and J.-W.J.; writing—original draft preparation, J.-W.J.; writing—review and editing, B.-H.L. and S.-I.K.; supervision, S.-I.K. All authors have read and agreed to the published version of the manuscript.

Funding

This work was partly supported by the Korea Institute of Energy Technology Evaluation and Planning (KETEP) Grant, which is funded by the Korean government (MOTIE) (2018201010633A, The Development of Design Technology for IE4 Class Motors), and the National Research Foundation of Korea (NRF) Grant, which is also funded by the Korean government (MSIT) (No. 2018R1C1B5043419).

Conflicts of Interest

The authors declare no conflict of interest.

References

  1. Zhou, P.; Lin, D.; Xiao, Y.; Lambert, N.; Rahman, M.A. Temperature–dependent demagnetization model of permanent magnets for finite element analysis. IEEE Trans. Magn. 2012, 48, 1031–1034. [Google Scholar] [CrossRef]
  2. Jung, J.W.; Lee, B.H.; Kim, K.S.; Hong, J.P. Design of IPMSM for reduction of eddy current loss in permanent magnets to prevent irreversible demagnetization. In Proceedings of the IEEE International Electric Machines and Drives (IEMDC), Miami, FL, USA, 21–24 May 2017. [Google Scholar]
  3. Kang, G.H.; Hur, J.; Nam, H.; Hong, J.P.; Kim, G.T. Analysis of irreversible magnet demagnetization in line-start motors based of the finite element method. IEEE Trans. Magn. 2003, 39, 1488–1491. [Google Scholar] [CrossRef]
  4. Kim, K.C.; Lim, S.B.; Koo, D.H.; Lee, J. The shape design of permanent magnet for permanent magnet synchronous motor considering partial demagnetization. IEEE Trans. Magn. 2006, 42, 3485–4487. [Google Scholar] [CrossRef]
  5. Barcaro, M.; Bianchi, N.; Magnussen, F. Permanent-magnet optimization in permanent-magnet-assisted synchronous reluctance motor for a wide constant-power speed range. IEEE Trans. Ind. Electron. 2012, 59, 2495–2502. [Google Scholar] [CrossRef]
  6. Muminul Islam Chy, M.; Uddin, M.N. Development and implementation of a new adaptive intelligent speed controller for IPMSM drive. IEEE Trans. Ind. Appl. 2009, 45, 1106–1115. [Google Scholar]
  7. Nasir Uddin, M.; Azizur Rahman, M. High-speed control of IPMSM drives using improved fuzzy logic algorithms. IEEE Trans. Ind. Electron. 2007, 54, 190–199. [Google Scholar] [CrossRef]
  8. Wang, Z.; Chen, R.; Yin, W.; Yan, C.; Tang, X.; Jin, C.; Lee, D.; Yan, A. Enhanced electric resistivity of die-upset magnets by segmented NdF3 addition. IEEE Trans. Magn. 2014, 50, 2104103. [Google Scholar] [CrossRef]
  9. Koo, M.M.; Choi, J.Y.; Hong, K.Y.; Lee, K.S. Comparative analysis of eddy-current loss in permanent magnet synchronous machine considering PM shape and skew effect using 3-D FEA. IEEE Trans. Magn. 2015, 51, 6301104. [Google Scholar] [CrossRef]
  10. Nair, S.S.; Wang, J.; Chin, R.; Chen, L.; Sun, T. Analytical prediction of 3-d magnet eddy current losses in surface mounted pm machines accounting slotting effect. IEEE Trans. Energy Convers. 2017, 32, 414–423. [Google Scholar] [CrossRef]
  11. Benlamine, R.; Dubas, F.; Randi, S.A.; Lhotellier, D.; Espanet, C. 3-D numerical hybrid method for PM eddy-current losses calculation: Application to axial-flux PMSMs. IEEE Trans. Magn. 2015, 51, 8106110. [Google Scholar] [CrossRef]
  12. Chen, L.; Wang, J.; Nair, S.S. An analytical method for predicting 3-d eddy current loss in permanent magnet machines based on generalized image theory. IEEE Trans. Magn. 2016, 52, 8103311. [Google Scholar] [CrossRef]
  13. Cheng, M.; Zhu, S. Calculation of PM eddy current loss in IPM machine under pwm vsi supply with combined 2-d fe and analytical method. IEEE Trans. Magn. 2017, 53, 6300112. [Google Scholar] [CrossRef]
  14. Mirzaei, M.; Binder, A.; Funieru, B.; Susic, M. Analytical calculations of induced eddy currents losses in the magnets of surface mounted pm machines with consideration of circumferential and axial segmentation effects. IEEE Trans. Magn. 2012, 48, 4831–4841. [Google Scholar] [CrossRef]
  15. Okitsu, T.; Matsuhashi, D.; Gao, Y.; Muramatsu, K. Coupled 2-D and 3-D eddy current analyses for evaluating eddy current loss of a permanent magnet in surface pm motors. IEEE Trans. Magn. 2012, 48, 3100–3103. [Google Scholar] [CrossRef]
  16. Okitsu, T.; Matsuhashi, D.; Muramatsu, K. Method for evaluating the eddy current loss of a permanent magnet in pm motor driven by an inverter power supply using coupled 2-D and 3-D finite element analysises. IEEE Trans. Magn. 2009, 45, 4574–4577. [Google Scholar] [CrossRef]
  17. Ji, J.; Luo, J.; Zhao, W.; Zheng, J.; Zhang, Y. Effect of circumferential segmentation of permanent magnets on rotor loss in fractional-slot concentrated-winding machines. IET Electr. Power Appl. 2017, 11, 1151–1159. [Google Scholar] [CrossRef]
  18. Hu, Y.; Zhu, S.; Liu, C. Magnet eddy-current loss analysis of interior PM machines for electric vehicle application. IEEE Trans. Magn. 2017, 53, 7402904. [Google Scholar] [CrossRef]
  19. Oh, S.Y.; Cho, S.Y.; Han, J.H.; Lee, H.J.; Ryu, G.H.; Kang, D.W.; Lee, J. Design of IPMSM rotor shape for magnet eddy-current loss reduction. IEEE Trans. Magn. 2014, 50, 7020804. [Google Scholar] [CrossRef]
  20. Jara, W.; Lindh, P.; Tapia, J.A.; Petrov, I.; Repo, A.K.; Pyrhonen, J. Rotor eddy-current losses reduction in an axial flux permanent-magnet machine. IEEE Trans. Ind. Electron. 2016, 63, 4729–4737. [Google Scholar] [CrossRef]
  21. Lee, T.Y.; Kim, Y.J.; Jung, S.Y. Reduction of permanent magnet eddy current loss in interior permanent magnet synchronous motor according to rotor design optimization. In Proceedings of the IEEE Power Electronics and ECCE Asia (ICPE-ECCE Asia), Seoul, Korea, 1–5 July 2015. [Google Scholar]
  22. Lee, B.H.; Kim, K.S.; Jung, J.W.; Kim, Y.K. Temperature estimation of IPMSM using thermal equivalent circuit. IEEE Trans. Magn. 2012, 48, 2949–2952. [Google Scholar] [CrossRef]
  23. Salon, S.; Chari, M.V.K. Numerical Methods in Electromagnetism; Academic Press: Cambridge, MA, USA, 1999. [Google Scholar]
  24. Kim, S.I.; Hong, J.P.; Kim, Y.K.; Nam, H.; Choi, H.I. Optimal design of slotless-type pmlsm considering multiple responses by response surface methodology. IEEE Trans. Magn. 2006, 42, 1219–1222. [Google Scholar]
  25. Montgomery, D.C. Design and Analysis of Experiments; John Wily & Sons, Inc.: Hoboken, NJ, USA, 2020. [Google Scholar]
  26. Myers, R.H.; Montgomery, D.C. Response Surface Methodology: Process and Product Optimization Using Designed Experiments; John Wily & Sons, Inc.: Hoboken, NJ, USA, 2019. [Google Scholar]
  27. Kwon, S.O.; Lee, J.J.; Lee, B.H.; Kim, J.H.; Ha, K.H.; Hong, J.P. Loss distribution of three-phase induction motor and BLDC motor according to core materials and operating. IEEE Trans. Magn. 2009, 45, 4740–4743. [Google Scholar] [CrossRef]
  28. Lee, B.H.; Kwon, S.O.; Sun, T.; Hong, J.P.; Lee, G.H. Modeling of core resistance for d-q equivalent circuit aalysis of IPMSM considering harmonic linkage flux. IEEE Trans. Magn. 2011, 47, 1066–1069. [Google Scholar] [CrossRef]
  29. Miller, T.J.E.; Hendershot, J.R., Jr. Design of Brushless Permanent Magnet Machines; Motor Design Books, LLC: Venice, FL, USA, 2010. [Google Scholar]
Figure 1. Overall process of the study.
Figure 1. Overall process of the study.
Energies 13 05082 g001
Figure 2. Flux variation in PM with respect to rotor position. (a) Magnetic vector potential and length of PM; (b) flux variation in PM.
Figure 2. Flux variation in PM with respect to rotor position. (a) Magnetic vector potential and length of PM; (b) flux variation in PM.
Energies 13 05082 g002
Figure 3. Analysis model for verifying the relationship between the square of the flux variation and eddy current loss in the PM.
Figure 3. Analysis model for verifying the relationship between the square of the flux variation and eddy current loss in the PM.
Energies 13 05082 g003
Figure 4. Main effect plot for the eddy current loss and square of the flux variation in the PM.
Figure 4. Main effect plot for the eddy current loss and square of the flux variation in the PM.
Energies 13 05082 g004
Figure 5. Configuration of design model. (a) Configuration of prototype; (b) demagnetization curve of Nd-Fe-B PM.
Figure 5. Configuration of design model. (a) Configuration of prototype; (b) demagnetization curve of Nd-Fe-B PM.
Energies 13 05082 g005
Figure 6. Design variables of full factorial design; A is Chamfer, B is PM depth, C is Barrier width, and D is Slot opening.
Figure 6. Design variables of full factorial design; A is Chamfer, B is PM depth, C is Barrier width, and D is Slot opening.
Energies 13 05082 g006
Figure 7. Main effect plots for objective function.
Figure 7. Main effect plots for objective function.
Energies 13 05082 g007
Figure 8. Optimum point of design variables considering design constraints.
Figure 8. Optimum point of design variables considering design constraints.
Energies 13 05082 g008
Figure 9. Comparison of flux variation and eddy current loss in the PMs. (a) Flux variation of PM per pole according to rotor position; (b) eddy current loss in PMs; (c) 3-D model for FEA and eddy current distribution.
Figure 9. Comparison of flux variation and eddy current loss in the PMs. (a) Flux variation of PM per pole according to rotor position; (b) eddy current loss in PMs; (c) 3-D model for FEA and eddy current distribution.
Energies 13 05082 g009
Figure 10. Calculation process of core loss.
Figure 10. Calculation process of core loss.
Energies 13 05082 g010
Figure 11. Thermal equivalent circuit.
Figure 11. Thermal equivalent circuit.
Energies 13 05082 g011
Figure 12. Analysis results from thermal equivalent circuit.
Figure 12. Analysis results from thermal equivalent circuit.
Energies 13 05082 g012
Figure 13. Demagnetization curve (B-H curve in the second quadrant) of the PM.
Figure 13. Demagnetization curve (B-H curve in the second quadrant) of the PM.
Energies 13 05082 g013
Figure 14. Results of the demagnetization analysis in each temperature: (a) prototype (193.3 ℃) (b) optimum model (178.7 ℃).
Figure 14. Results of the demagnetization analysis in each temperature: (a) prototype (193.3 ℃) (b) optimum model (178.7 ℃).
Energies 13 05082 g014
Table 1. Specifications of the analysis model.
Table 1. Specifications of the analysis model.
ItemsValueUnitsRemark
Input Voltage155VDC voltage
Output Power15kWMaximum power
Speed6000rpmMaximum speed
Pole/Slot16/24-Concentrated winding
Br1.18T20 °C
Conductivity of the PM694,000−1/m-
Table 2. Ranges of design variables for FFD.
Table 2. Ranges of design variables for FFD.
SymbolVariablesRangeUnits
AChamfer0.2–1.0mm
BPM depth4.0–5.8mm
CBarrier width1.0–3.0mm
DSlot opening2.0–4.0mm
Table 3. Ranges of design variables for FFD.
Table 3. Ranges of design variables for FFD.
SymbolVariableRangeUnits
AChamfer0.6–1.0mm
BPM depth4.9–5.8mm
CBarrier width2.0 (Fixed)mm
DSlot opening3.0 (Fixed)mm
Table 4. Comparison of design variables.
Table 4. Comparison of design variables.
VariablesPrototypeOptimum ModelUnits
Chamfer (A)0.21.0mm
PM depth (B)4.05.8mm
Barrier width (C)1.02.0mm
Slot opening (D)2.03.0mm
Table 5. Comparison of objective function and its squared value.
Table 5. Comparison of objective function and its squared value.
ModelObjective Function (mWb)Squared Value of Objective Function
Prototype0.110012.10 × 103 (100%)
Optimum model0.08647.465 × 103 (61%)
Table 6. Comparison of eddy current loss inside PMs according to calculation method.
Table 6. Comparison of eddy current loss inside PMs according to calculation method.
ModelEstimated Value (W)3-D FEA (W)
Prototype-401.6
Optimum model245.0193.8
Table 7. Loss of each part.
Table 7. Loss of each part.
ModelPrototypeOptimum ModelUnits
Loss
Copper loss1007.41007.4Watt
Core lossYoke141.4233.2
Teeth452.5543.2
Rotor477.9488.8
Eddy current loss in PM401.6193.0
Total Loss2480.82465.6

Share and Cite

MDPI and ACS Style

Jung, J.-W.; Lee, B.-H.; Kim, K.-S.; Kim, S.-I. Interior Permanent Magnet Synchronous Motor Design for Eddy Current Loss Reduction in Permanent Magnets to Prevent Irreversible Demagnetization. Energies 2020, 13, 5082. https://doi.org/10.3390/en13195082

AMA Style

Jung J-W, Lee B-H, Kim K-S, Kim S-I. Interior Permanent Magnet Synchronous Motor Design for Eddy Current Loss Reduction in Permanent Magnets to Prevent Irreversible Demagnetization. Energies. 2020; 13(19):5082. https://doi.org/10.3390/en13195082

Chicago/Turabian Style

Jung, Jae-Woo, Byeong-Hwa Lee, Kyu-Seob Kim, and Sung-Il Kim. 2020. "Interior Permanent Magnet Synchronous Motor Design for Eddy Current Loss Reduction in Permanent Magnets to Prevent Irreversible Demagnetization" Energies 13, no. 19: 5082. https://doi.org/10.3390/en13195082

APA Style

Jung, J.-W., Lee, B.-H., Kim, K.-S., & Kim, S.-I. (2020). Interior Permanent Magnet Synchronous Motor Design for Eddy Current Loss Reduction in Permanent Magnets to Prevent Irreversible Demagnetization. Energies, 13(19), 5082. https://doi.org/10.3390/en13195082

Note that from the first issue of 2016, this journal uses article numbers instead of page numbers. See further details here.

Article Metrics

Back to TopTop