Traveling-Wave Based Fault Location for Phase-to-Ground Fault in Non-Effectively Earthed Distribution Networks
Abstract
1. Introduction
2. Travelling Wave Propagation Characteristics
2.1. Definition of TW Propagation Paths
- (1)
- Initial wave (IW) propagates directly from the fault point to the measurement point, which is path ① as shown in Figure 1a.
- (2)
- Branch terminal reflected waves (BTRW) reflect just once at each branch terminals, such as path ②–⑤ shown in Figure 1b. For example, path ② is represented by the dotted line. The TW starts from the fault point and goes toward the terminal of branch CG, then reflects from terminal G. Then, it goes to the tee point and turns to the direction toward point A. Similarly, the TW reflects at terminal F of branch BF, terminal H of branch DH, and both terminal G of branch CG and terminal F of branch BF, along path ③, path ④, and path ⑤, respectively.
- (3)
- Tee point or fault point reflected waves (TPRW) reflect between the “discontinuity” points except the branch terminal, e.g., path ⑦ and path ⑧ shown in Figure 1c. For example, along path ⑦, the TW reflects several times at the fault point and tee point C, but never goes to the terminal of any branches.
- (4)
- Hybrid reflected waves (HRW) undergo multiple reflections at branch terminals, tee points, and the fault point, e.g., path ⑥ and path ⑨ in Figure 1d.
2.2. Modulus-Extremum of Wavelet-Transformed Coefficients
3. A Two-Step Fault Location Scheme
3.1. Faults on the Main Line
3.2. Faults on the Branch
3.3. Consideration of Reducing Measurement Units in a Complex Network
- (1)
- Put one measurement unit at the substation.
- (2)
- Search for one tee point in the direction outward from the substation.
- (3)
- Observe whether this tee point is connected to another tee point in the outward direction. If the result is positive, move on to the next tee point.
- (4)
- Observe whether this tee point is connected to the terminated branches. If the result is positive, put one measurement unit at any branch end.
- (5)
- Complete measurement unit deployment after all the tee points are considered.
4. Simulation Results
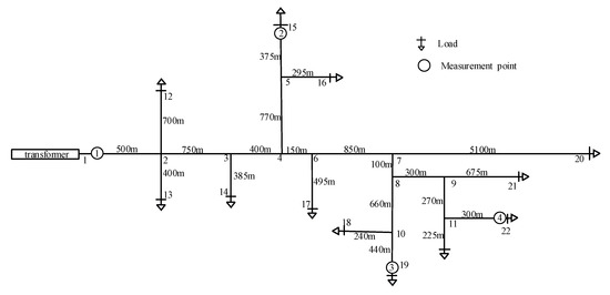
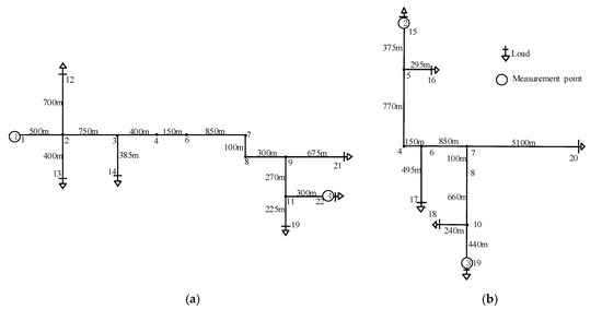
4.1. Measurement Units Deployment
4.2. Single-Phase-to-Ground Fault at Different Locations
4.3. Accuracy of the Two-Step Fault Location Approach
5. Conclusions
Author Contributions
Funding
Conflicts of Interest
Abbreviations
| BTRW | Branch terminal reflected waves |
| CD1 | Coefficients of the first level decomposition through db4 wavelet transform |
| EMTR | Electromagnetic time-reversal |
| GPS | Global positioning system |
| HRW | Hybrid reflected waves |
| IW | Initial wave |
| TPRW | Tee Point or Fault Point Reflected Waves |
| TW | Traveling-wave |
| WTME | Wavelet-transform modulus-extremum |
| WTMM | Wavelet-transform modulus-maxima |
References
- Mora-Flòrez, J.; Meléndez, J.; Carrillo-Caicedo, G. Comparison of impedance based fault location methods for power distribution systems. Electr. Power Syst. Res. 2008, 78, 657–666. [Google Scholar] [CrossRef]
- Das, S.; Karnik, N.; Santoso, S. Distribution Fault-Locating Algorithms Using Current Only. IEEE Trans. Power Deliver. 2012, 27, 1144–1153. [Google Scholar] [CrossRef]
- Krishnathevar, R.; Ngu, E.E. Generalized Impedance-Based Fault Location for Distribution Systems. IEEE Trans. Power Deliver. 2012, 27, 449–451. [Google Scholar] [CrossRef]
- Salim, R.H.; Salim, K.C.O.; Bretas, A.S. Further improvements on impedance-based fault location for power distribution systems. IET Gen. Transm. Distrib. 2011, 5, 467–478. [Google Scholar] [CrossRef]
- Gong, Y.; Guzmán, A. Integrated Fault Location System for Power Distribution Feeders. IEEE Trans. Ind. Appl. 2013, 49, 1071–1078. [Google Scholar] [CrossRef]
- Salim, R.H.; Resener, M.; Filomena, A.D.; de Oliveira, K.R.C.; Bretas, A.S. Extended Fault-Location Formulation for Power Distribution Systems. IEEE Trans. Power Deliver. 2009, 24, 508–516. [Google Scholar] [CrossRef]
- Alwash, S.F.; Ramachandaramurthy, V.K.; Mithulananthan, N. Fault-Location Scheme for Power Distribution System with Distributed Generation. IEEE Trans. Power Deliver. 2015, 30, 1187–1195. [Google Scholar] [CrossRef]
- Majidi, M.; Arabali, A.; Etezadi-Amoli, M. Fault Location in Distribution Networks by Compressive Sensing. IEEE Trans. Power Deliver. 2015, 30, 1761–1769. [Google Scholar] [CrossRef]
- Saha, M.M.; Izykowski, J.J.; Rosolowski, E. Fault Location on Power Networks; Springer: London, UK, 2010; ISBN 978-1-84882-886-5. [Google Scholar]
- Sadeh, J.; Bakhshizadeh, E.; Kazemzadeh, R. A new fault location algorithm for radial distribution systems using modal analysis. Int. J. Electr. Power Energy Syst. 2013, 45, 271–278. [Google Scholar] [CrossRef]
- Borghetti, A.; Corsi, S.; Nucci, C.A.; Paolone, M.; Peretto, L.; Tinarelli, R. On the use of continuous-wavelet transform for fault location in distribution power systems. Int. J. Elect. Power Energy Syst. 2006, 28, 608–617. [Google Scholar] [CrossRef]
- Borghetti, A.; Bosetti, M.; Nucci, C.A.; Paolone, M.; Abur, A. Integrated Use of Time-Frequency Wavelet Decompositions for Fault Location in Distribution Networks: Theory and Experimental Validation. IEEE Trans. Power Deliver. 2010, 25, 3139–3146. [Google Scholar] [CrossRef]
- Razzaghi, R.; Lugrin, G.; Manesh, H.; Romero, C.; Paolone, M.; Rachidi, F. An Efficient Method Based on the Electromagnetic Time Reversal to Locate Faults in Power Networks. IEEE Trans. Power Deliver. 2013, 28, 1663–1673. [Google Scholar] [CrossRef]
- Borghetti, A.; Bosetti, M.; Di Silvestro, M.; Nucci, C.A.; Paolone, M. Continuous-Wavelet Transform for Fault Location in Distribution Power Networks: Definition of Mother Wavelets Inferred from Fault Originated Transients. IEEE Trans. Power Syst. 2008, 23, 380–388. [Google Scholar] [CrossRef]
- Shi, S.; Zhu, B.; Lei, A.; Dong, X. Fault Fault Location for Radial Distribution Network via Topology and Reclosure-Generating Traveling Wave. IEEE Trans. Smart Grid. 2020, 10, 6404–6413. [Google Scholar] [CrossRef]
- Lopes, F.V.; Dantas, K.M.; Silva, K.M.; Costa, F.B. Accurate Two-Terminal Transmission Line Fault Location Using Traveling Waves. IEEE Trans. Power Deliver. 2018, 33, 873–880. [Google Scholar] [CrossRef]
- Korkali, M.; Abur, A. Optimal Deployment of Wide-Area Synchronized Measurements for Fault-Location Observability. IEEE Trans. Power Syst. 2013, 28, 482–489. [Google Scholar] [CrossRef]
- Korkali, M.; Lev-Ari, H.; Abur, A. Traveling-Wave-Based Fault-Location Technique for Transmission Grids Via Wide-Area Synchronized Voltage Measurements. IEEE Trans. Power Syst. 2012, 27, 1003–1011. [Google Scholar] [CrossRef]
- Robson, S.; Haddad, A.; Griffiths, H. Fault Location on Branched Networks Using a Multiended Approach. IEEE Trans. Power Deliver. 2014, 29, 1955–1963. [Google Scholar] [CrossRef]
- Salehi, M.; Namdari, F. Fault location on branched networks using mathematical morphology. IET Gen. Transm. Distrib. 2018, 12, 207–216. [Google Scholar] [CrossRef]
- Goudarzi, M.; Vahidi, B.; Naghizadeh, R.A.; Hosseinian, S.H. Improved fault location algorithm for radial distribution systems with discrete and continuous wavelet analysis. Int. J. Electr. Power Energy Syst. 2015, 67, 423–430. [Google Scholar] [CrossRef]
- Tashakkori, A.; Wolfs, P.J.; Islam, S.; Abu-Siada, A. Fault Location on Radial Distribution Networks via Distributed Synchronized Traveling Wave Detectors. IEEE Trans. Power Deliver. 2020, 35, 1553–1562. [Google Scholar] [CrossRef]
- Xie, L.; Luo, L.; Li, Y.; Zhang, Y.; Cao, Y. A Traveling Wave-Based Fault Location Method Employing VMD-TEO for Distribution Network. IEEE Trans. Power Deliver. 2020, 35, 1987–1998. [Google Scholar] [CrossRef]
- Pourahmadi-Nakhli, M.; Safavi, A.A. Path Characteristic Frequency-Based Fault Locating in Radial Distribution Systems Using Wavelets and Neural Networks. IEEE Trans. Power Deliver. 2011, 26, 772–781. [Google Scholar] [CrossRef]
- Reddy, M.J.B.; Rajesh, D.V.; Gopakumar, P.; Mohanta, D.K. Smart Fault Location for Smart Grid Operation Using RTUs and Computational Intelligence Techniques. IEEE Syst. J. 2014, 8, 1260–1271. [Google Scholar] [CrossRef]
- Lout, K.; Aggarwal, R.K. Current transients based phase selection and fault location in active distribution networks with spurs using artificial intelligence. In Proceedings of the 2013 IEEE Power & Energy Society General Meeting, Vancouver, BC, Canada, 21–25 July 2013; pp. 1–5. [Google Scholar] [CrossRef]















| TW | Path | Possible Reflection Point |
|---|---|---|
| ① | Path ① in Figure 1a | direct propagation path from the fault point to A |
| ② | path ② in Figure 1b | terminal (point G) of the faulted branch CG |
| ③ | path ③ in Figure 1b | terminal (point F) of branch FB |
| ④ | path ④ in Figure 1b | terminal (point H) of branch DH |
| ⑤ | path ⑤ in Figure 1b | terminals (point F and point G) of branch FB and the faulted branch CG |
| ⑥ | path ⑥ in Figure 1d | terminal (point A) of section AB, and a tee point (point B) |
| ⑦ | path ⑦ in Figure 1c | fault point and a tee point (point C) |
| ⑧ | path ⑧ in Figure 1c | two tee points (point B and point C) |
| ⑨ | path ⑨ in Figure 1d | terminal (point A) of section AB, and a tee point (point B) |
| Faulted Tee Point | Calculated Distance (m) | Real Distance from the Measurement Unit (m) | Error (m) | Relative Error (%) |
|---|---|---|---|---|
| 2 | 496 | 500 | 4 | 0.8 |
| 3 | 1246 | 1250 | 4 | 0.32 |
| 5 | 370.5 | 375 | 4.5 | 1.2 |
| 6 | 1294.5 | 1295 | 0.5 | 0.04 |
| 7 | 2146.5 | 2145 | 1.5 | 0.07 |
| 9 | 3052 | 3050 | 2 | 0.07 |
| 10 | 2908.5 | 2905 | 3.5 | 0.12 |
| Fault Type | Faulted Section (see Figure 9) | Estimated Distance (Measurement Unit #) (m) | Real Distance (m) (Tee Point#) | Estimated Distance to Faulted Branch Terminal (m) | Actual Distance to Faulted Branch Terminal (m) | Error (m) | Error (%) |
|---|---|---|---|---|---|---|---|
| A-G | 2-13 | 496 (1) | 500 (2) | 288 | 287 | 1 | 0.25 |
| A-G | 6-17 | 1294.5 (1) | 1295 (6) | 156 | 160 | 4 | 0.81 |
| A-G | 2-12 | 496 (1) | 500 (2) | 300 | 300 | 0 | 0 |
| B-G | 3-14 | 1246 (1) | 1250 (3) | 228 | 225 | 3 | 0.78 |
| B-G | 9-21 | 3052 (1) | 3050 (9) | 198 | 200 | 2 | 0.3 |
| B-G | 10-18 | 2908.5 (2) | 2905 (10) | 138 | 140 | 2 | 0.83 |
| A-G | 5-16 | 370.5 (2) | 375 (5) | 150 | 150 | 0 | 0 |
| A-G | 7-20 | 2146.5 (2) | 2145 (7) | 180 | 180 | 0 | 0 |
| A-G | 7-20 | 2146.5 (2) | 2145 (7) | 4758 | 4750 | 8 | 0.16 |
© 2020 by the authors. Licensee MDPI, Basel, Switzerland. This article is an open access article distributed under the terms and conditions of the Creative Commons Attribution (CC BY) license (http://creativecommons.org/licenses/by/4.0/).
Share and Cite
Wang, Y.; Zheng, T.; Yang, C.; Yu, L. Traveling-Wave Based Fault Location for Phase-to-Ground Fault in Non-Effectively Earthed Distribution Networks. Energies 2020, 13, 5028. https://doi.org/10.3390/en13195028
Wang Y, Zheng T, Yang C, Yu L. Traveling-Wave Based Fault Location for Phase-to-Ground Fault in Non-Effectively Earthed Distribution Networks. Energies. 2020; 13(19):5028. https://doi.org/10.3390/en13195028
Chicago/Turabian StyleWang, Yani, Tao Zheng, Chang Yang, and Li Yu. 2020. "Traveling-Wave Based Fault Location for Phase-to-Ground Fault in Non-Effectively Earthed Distribution Networks" Energies 13, no. 19: 5028. https://doi.org/10.3390/en13195028
APA StyleWang, Y., Zheng, T., Yang, C., & Yu, L. (2020). Traveling-Wave Based Fault Location for Phase-to-Ground Fault in Non-Effectively Earthed Distribution Networks. Energies, 13(19), 5028. https://doi.org/10.3390/en13195028

