Abstract
Sugar beet is an extensive crop of great agronomic value with significant productive and economic returns and Ukraine’s sugar beet accounts for about 5.1% of the overall world production. Sugar beets and the by-products resulting from its manufacturing transformation are a significant renewable energy resource. A new high-quality performance prototype of a sugar beet top harvester, front mounted on a tractor, was built by the authors in Ukraine. The aim of this study is to evaluate the main performance parameters related to the operation of this new machine. Field tests were carried out linking the prototype to a wheel tractor, whilst suitable sensors measured the significant kinematic and dynamic parameters, allowing experimental data collection to assess the machine’s performance parameters. The entire technological process of harvesting and transporting the beet tops to the beet top storage unit required power ranging from 6.42 to 17.65 kW. At the topmost tested forward speed, the required tractor traction force was less than 1.9 kN with the power required by the shaft that drives the screw conveyor ranging from 3.1 to 4.6 kW. This value was the lowest for a speed of the tractor–beet top harvesting machine aggregate ranging from 0.9 to 1.2 .
.
1. Introduction
World sugar beet production amounts to approximately with a devoted area of [1]. In terms of both production and harvested area, referring to overall world data, the EU contribution is 43.5% and 36.3%, respectively, with the most contributive countries being France and Germany with 14.4% and 10.1%, respectively, and 9.5% and 8.6%, respectively, while Italy contributes only 0.7% for both ratios. Referring instead to Ukraine, the previously referred ratios are 5.1% and 5.7%, respectively [1]. However, it should be mentioned that beet and sugar production regulation within the EU is based on the Common Market Organization (CMO) and that, in 2006, the CMO was completely amended, leading to a strong reduction in EU sugar production [2]. Some countries such as France and Germany, considered more suited to beet production and more efficient from an industrial point of view, have been little affected by the changes, whereas others such as Italy have suffered significant consequences. Italy, at the time active in the sector with 19 sugar industries and approximately of beet-cultivated area, after the reform gradually reduced their industrial plants from 19 to 4 and their overall beet-cultivated area decreased considerably [2]. Sugar beet is an extensive crop of great agronomic value with significant productive and economic returns; moreover, it has always been considered an “improvement crop” from which all crops in succession benefit [3,4,5,6]. Sugar beet and the by-products resulting from its industrial transformation are a noteworthy renewable energy resource [7,8,9,10], e.g., pulps can be used in biogas and electricity production [11,12,13,14,15], and beet leaves and tops are currently used as a fundamental component in the food rations of animal farms, as they are rich in nutrients and they can be employed as a substrate in anaerobic digestion for renewable energy production, due to the high content of both sugar and almost completely digestible fibers [16,17]. Furthermore, large amounts of the sugar industry’s different kinds of generated waste, such as sugar beet pulp and leaves, can be employed as precious substrates in the production of biotechnology cellular proteins, enzymes, organic acids, etc. [18,19,20]. For all the aforesaid reasons, a high performance and quality of sugar beet top harvesting that can be achieved only using specialized machines clearly appears to be of paramount importance [21,22,23,24]. The beet harvesting machines commonly used in Europe do not meet these performance standards, in particular referring to the beet tops which are not collected after cutting but simply crushed and spread on the soil in such a way that makes them unusable also for animal fodder [25,26,27]. Furthermore, even in the case of high-performance beet harvesting machines, some specific conditions, such as those in Ukraine, may arise from which many unresolved problems still could derive. For example, one of these problems is a deterioration in the quality of the collected beets, especially in difficult harvesting conditions, such as high soil hardness or excessive humidity, the irregularity and non-linearity of the crop rows, excessive weeds, and so on [28,29,30,31,32,33]. Therefore, the scientific and research community continue to search for design and technical solutions in order to meet these operative needs and, at the same time, reduce the energy required by the digging and harvesting process of the beets, so increasing the productivity and reliability of the machines [34,35,36,37,38,39]. The study, design and prototyping of a new sugar beet top harvester in Ukraine that, when front mounted on the tractor, considerably increases beet top harvesting performances has to be considered in this framework [40,41,42]. According to experimental data obtained from field tests, the aim of this study was to evaluate the main performance parameters related to the operation of this new machine.
2. Materials and Methods
2.1. The Beet Topper Machine
The research focuses on a new three-row beet top harvesting machine equipped with improved working devices which allow the machine to cut the beet tops and transport them into a loading chute [43,44,45,46]. In particular, the developed front-mounted beet top harvester is founded on the concept of a mower-shredder and is mounted on a wheeled tractor (Figure 1a), from which it receives motion and power by means of a cardan universal joint (7 in Figure 1b) linked to the power take-off of the tractor itself. The beet top harvester continuously cuts rosette leaves during its forward motion, regulating the cutting height of a cylindrical rotor (4 in Figure 1b) equipped with arc-shaped knives by means of pneumatic feeler wheels (3 in Figure 1b), ensuring an effective result in the cutting of beet tops [47]. Once cut, the beet tops are transferred onto a screw conveyor that ensures their transportation into a loading chute (6 in Figure 1b) and subsequent delivery into a trailer running alongside through a chute. The main technical characteristics of this new beet top harvester are: (i) three sugar beet root crops rows working at a width of 1.35 m, (ii) a forward speed of up to , (iii) a mass equal to 850 kg, (iv) a working capacity within a range of 1.0–1.2 [41].
Figure 1.
Tractor–harvester aggregate: (a) photo taken during experimental field test phase, (b) schematic representation: I—Wheeled, row-crop integrated tractor; II—Front-mounted beet topper machine: 1—frame, 2—point hitch, 3—pneumatic feeler wheel, 4—rotary beet top cutting device, 5—screw conveyor, 6—loading chute, 7—cardan universal joint.
2.2. The Field Tests
The experimental tests took place in the Vasilkovsky district, Kiev Region, and were aimed at assessing the main performance parameters of the new three-row beet top harvester in the typical operating conditions of the harvesting phase. The beet topper machine was joined at the front of a wheeled MTZ-80 tractor using a semi-mounted coupling through the three-point hitch, deriving the needed motion from the tractor power take-off (PTO) (Figure 1). Throughout the whole duration of the experimental tests, the tractor rear axle was the only drive axle with the front one disabled. The following performance parameters during the carried-out tests were taken into account [48,49]: (i) the tractor traction power N, kW; (ii) the tractor traction force R, N; (iii) the required torque at the tractor PTO TPTO, ; and (iv) the required power at the tractor PTO NPTO, kW, which is related to TPTO and to the PTO shaft angular speed through the equation . The tractor traction power (N) was measured using sensors able to measure torque and the angular speeds of the tractor rear left and right drive axle shafts, whereas the tractor traction force (R) was given by [50,51]:
where V, is the aggregate tractor–beet top harvester forward speed.
The tractor’s left and right rear drive axle shaft’s torques and angular speeds were measured by means of Zemic BA350KA (Zemic Europe B.V.—Etten-Leur, The Netherlands) contactless rotary torque transducers, capable of gauging both the torque strain in the shafts, via an on-shaft microprocessor circuit, and shaft rotational speed, and whose main features are: 1000 Ω nominal resistance and a −30 to +80 °C working temperature range.
The actual tractor–beet top harvester aggregate forward speed was measured through a track measuring wheel equipped with an Autonics PR12-4DN stationary proximity sensor (Autonics, Busan, South Korea) whose main characteristics are: cylindrical round (PR Series) type, 12–24 V DC voltage, M12 sensing side diameter, 4 mm sensing distance, 500 Hz response frequency (Figure 2).
Figure 2.
Tractor–harvester aggregate actual speed measuring wheel.
The torque TPTO and power NPTO required by the PTO were evaluated through the same aforesaid Zemic BA350KA (Zemic Europe B.V.—Etten-Leur, The Netherlands) sensor arranged on the tractor PTO (Figure 3).
Figure 3.
Required torque and power sensor arranged at the tractor power take-off (PTO).
All used sensors were connected to a laptop via an L-CARD model E14-140-M (Moscow, Russian Federation) converter whose main characteristics are: a 48 MHz 32 bit processor, 8 differential (16 if common ground is used) input channels.
The tests were carried out maintaining both the engine crankshaft and tractor PTO speeds at 1200 rpm and 540 rpm, respectively, and considering three different forward speeds of the tractor–harvester aggregate, obtained by means of three different gear-range lever combinations: (i) 1st gear and the high speed ratio range lever engaged with an estimated forward speed of V = 1.46 (5.27 ); (ii) 2nd gear and the low speed ratio range lever engaged with an estimated forward speed of V = 1.88 (6.78 ); and (iii) 3rd gear and the high speed ratio range lever engaged with an estimated forward speed of V = 2.49 (8.97 ). In these conditions, tests were carried out within the manufacturers’ recommended forward tractor–harvester aggregate speed range of 0.9–2.50 (3.2–9.0 ) and for each gear-range lever combination, three repetitions were carried out while measuring actual tractor–harvester aggregate speed.
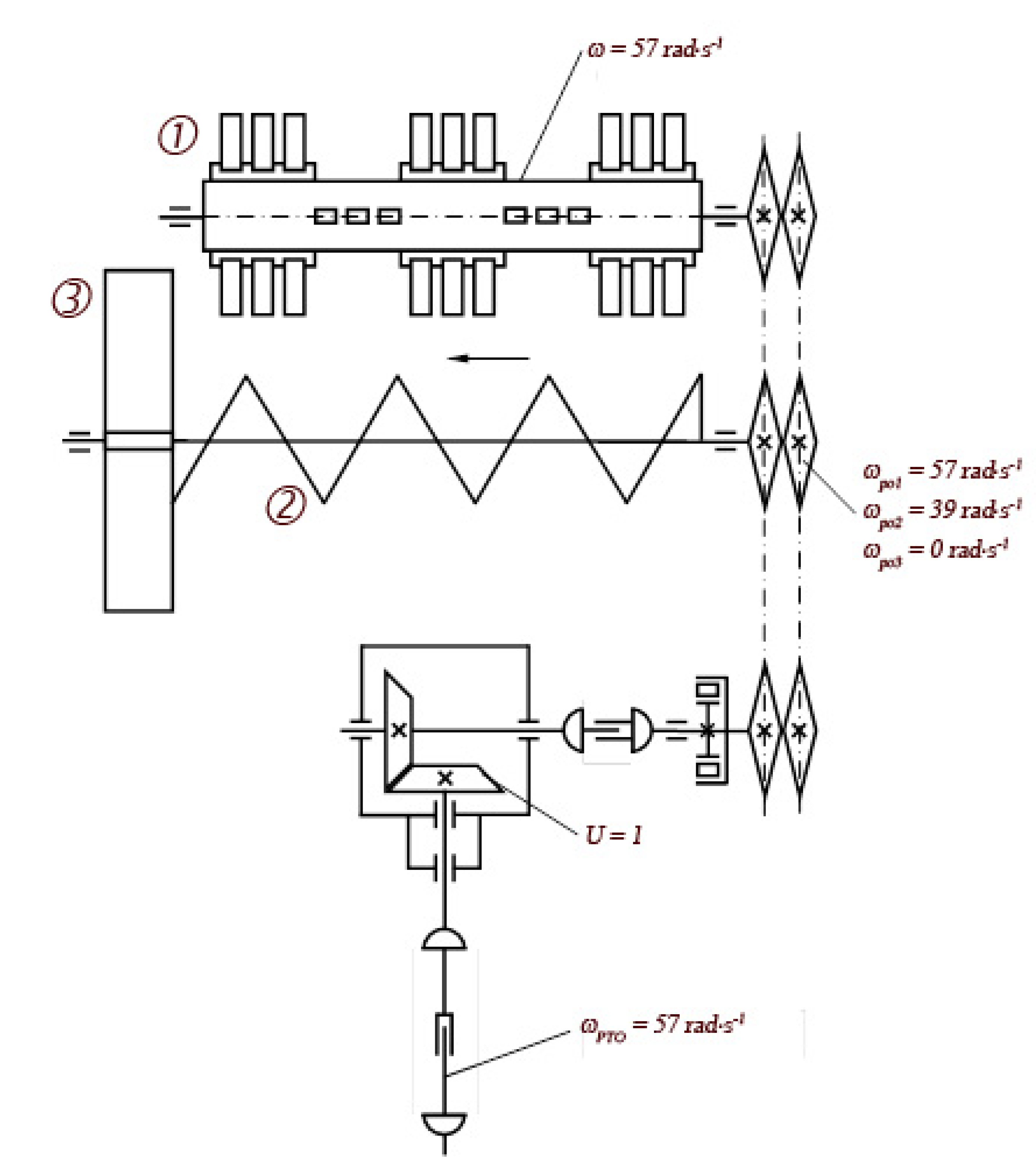
Furthermore, for each chosen gear-range lever combination, three different screw conveyor angular speeds were considered (5 in Figure 1b). In particular, whilst maintaining a constant at 57 (540 rpm), the angular speed of both the tractor PTO and the shaft that drives the cylindrical rotor equipped with beet top cutting knives, three different angular speeds of screw conveyor driving were considered: (i) ; (ii) ; and (iii) (Figure 4).
Figure 4.
Kinematic diagram of the tested three row beet top harvester: 1—rotary beet top cutting device, 2—screw conveyor, 3—loading chute feeder.
2.3. Data Analysis
The experimental data were processed using Microsoft Excel software in order to carry out a regression analysis of each studied performance parameter, by means of the least-squares method [52]. As is known, this criterion is a technique for fitting the “best” curve to the sample observations. It involves minimizing the sum of the squared (vertical) deviations of points from the curve:
where:
- refers to the actual observations
- refers to the corresponding fitted values, so that , the residual [52].
The data were processed using different regression functions (linear, polynomial, power and exponential), calculating the corresponding coefficients of the determination R2 and residuals. Among these regression functions, only the 2nd order polynomial was considered, because for all the examined performance parameters, it allowed the achievement of the highest value of R2 and the lowest residuals. The 2nd order polynomial was given by:
where the coefficients a0, a1 and a2 were calculated by the solution of the following matrix system:
where:
- is a Vandermonde matrix, which contains the observation values ;
- is the transpose matrix of ;
- A is the column vector of the terms ai;
- is the column vector of the observations .
Practically, considering the 9 couples of experimental measures for each studied performance parameter, the linear matrix system (4) gives:
and the note term of the system (4) gives:
Finally, substituting (5) and (6) in (4), it gives the following square matrix system:
whose solution allows the assessment of the coefficients a0, a1 and a2 and then attainment of the 2nd order least-squares polynomial (2).
At the end of the calculations, for each performance parameter, the residuals average e was evaluated through the following equation:
3. Results and Discussion
In Table 1, all the obtained experimental data corresponding to each of the considered gear-range lever combinations, screw conveyor angular speeds and repetitions are reported as follows: (i) tractor–harvester aggregate forward speed V, ; (ii) tractor PTO required torque TPTO, ; (iii) traction force R, N; (iv) tractor PTO required power NPTO, kW; and (v) total required power measured at the tractor rear drive axle N, kW.
Table 1.
Beet top harvester obtained experimental data.
Table 2 reports second order polynomial regressions with the corresponding R2 values and residuals for the assessed performance parameters; the response variables are the torque TPTO and the power NPTO, the tractor traction force R, and the total tractor power N, respectively. The explanatory variable is the aggregate forward speed. These regression functions are plotted in Figure 5, Figure 6 and Figure 7.
Table 2.
Second order regression results of different V dependent parameters.
Figure 5.
Tractor traction force R vs. aggregate tractor–beet top harvester forward speed V for different values of screw conveyor drive shaft angular speed.
Figure 6.
Tractor traction power N vs. aggregate tractor–beet top harvester forward speed V for different values of screw conveyor drive shaft angular speed.
Figure 7.
PTO required torque TPTO and power NPTO vs. aggregate tractor–beet top harvester forward speed V for different screw conveyor drive shaft angular speeds.
The traction force required by the tractor was not so much influenced by the screw conveyor drive shaft angular speed and, even if its increase was almost 94% in the considered aggregate forward speed range (Figure 5), in absolute terms the increase was of only almost 1 kN. This behavior can be explained by considering that the tractor traction force is mainly the sum of the wheels rolling resistance and the push force required by the front beet topper machine. As is known, the rolling resistance of tires on a surface is mainly connected to the hysteresis in tire materials caused by the deflection of the tire casing during rolling as well as by its operating conditions, such as surface conditions, inflation pressure, rolling speed, temperature, and so on [49,50]. Nevertheless, in the considered speed range, that is within 0.9 and 2.5 , the tire’s rolling resistances can be considered almost constant and the low absolute increase in the traction force is probably due to the increase in the flow rate of tops that have to be processed by the cutting apparatus as the aggregate forward speed increases [27,29]. Therefore, according to other studies, the tractor traction force is affected by the speed of the aggregate, rather than by the screw conveyor drive shaft angular speed variations [23,31]. In the above-mentioned speed range, the traction force varies from 1.1 to 1.9 kN, considering .
Figure 6 shows how the traction power measured at the tractor’s rear drive axles increased within the range of 0.81–5.0 kW as the aggregate forward speed increased and also, for this parameter, no significant dependency related to screw conveyor drive shaft angular speed variations appeared.
Referring to the relations between the required torque, the power at the tractor PTO shaft and the aggregate forward speed evaluated for different screw conveyor drive shaft angular speeds, as shown in Figure 7, there was limited growth of the interested parameters for an increase of the forward speed up to about 1.5 . For higher speed values, an important increase of the required torque and power can be observed. Furthermore, the screw conveyor drive shaft angular speed had a significant effect on the PTO required torque and power values. At an angular speed of , the required torque (power) was 93.3 (5.3 kW), and at a forward speed of 0.9 , this increased by 139% to 222.6 (12.6 kW) at a speed of 2.5 . Whereas when the screw conveyor is turned off , the required torque (power) increased by 86.7% from 60.6 (3.4 kW) at a forward speed of 0.9 to 113.1 (6.4 kW) at a speed of 2.5 . This behavior is clearly connected to the greater product flow rate that the cutting apparatus must process as forward speed increases.
Taking into account both the N(V) and NPTO(V) relationships between the tractor power, PTO required power and aggregate forward speed represented in Figure 6 and Figure 7, it is possible to assess that the entire technological process of the harvesting and transporting to the storage unit of the beet tops requires a power which ranges from 6.42 to 17.65 kW (with ). However, in normal operating conditions with a forward speed ranging from 1.7 to 2 , the total required power ranges from 10 to 12 kW.
During the tests, the lower screw conveyor drive shaft angular speed () ensured the proper performance of the harvesting machine. Nevertheless, in the case of increased humidity or an excessive amount of weeds on the field, congestions and obstructions occurred in the screw conveyor operation. According to the experimental results, the suitable screw conveyor drive shaft angular speed has to be in the range of 50 to 60 so the chosen angular speed can be a guarantee of reliability in all operating conditions.
The executed field tests carried out using the new beet top harvesting machine also highlighted that its average energy costs, related to a single work row (NPTO = 3.1 kW and N = 1.4 kW), are significantly lower than the corresponding performance parameter values of beet top harvesting machines currently in use on Ukrainian farms.
4. Conclusions
Sugar beet is a temperate climate crop which is grown profitably in almost all areas of the world with latitudes over than 30° where the winters are not very hard. Obviously, cultivation systems and material inputs must be adjusted according to the climate and soil characteristics, taking into account that the quality of the beet deeply affects the operative efficiency of the process carried out inside a sugar beet factory. During the harvesting operations, the cut off and collection of the beet tops must be performed properly with suitable machines. The new front-mounted beet topper machine analyzed in this study is able to process three-rows of beets simultaneously, under conditions of high quality performance of the technological process. The results of the executed test highlighted its good performance, pointing out that the tractor power and its traction force, as well as the torque and the power required at its power take-off, are on average 1.2 to 1.5 times lower than the corresponding performance parameters of the beet top harvesters currently employed in Ukraine. Nevertheless, further technical improvement of the screw conveyor system is under study in order to make better the efficiency of the system that allows the transport and loading of cut beet tops. Further experimental campaigns will be then necessary to re-verify the performance parameters analyzed in this study.
Author Contributions
Conceptualization, V.B., S.P., S.I., and I.I.; methodology, V.B., S.P., S.I., F.S., A.S.A. and I.I.; formal analysis, investigation and data curation, S.I., F.S., A.S.A. and I.I.; writing—original draft preparation, V.B., S.P., S.I., and I.I.; writing—review and editing, V.B. and S.P.; supervision, V.B. and S.P. All authors have read and agreed to the published version of the manuscript.
Funding
This research received no external funding.
Conflicts of Interest
The authors declare no conflict of interest.
References
- FAO. Food and Agriculture Organization of the United Nations 2018. Available online: http://www.fao.org/faostat/en/#data/QC (accessed on 3 July 2020).
- Stevanato, P.; Chiodi, C.; Broccanello, C.; Concheri, G.; Biancardi, E.; Pavli, O.; Skaracis, G. Sustainability of the sugar beet crop. Sugar Tech. 2019, 21, 703–716. [Google Scholar] [CrossRef]
- Bulgakov, V.M. Beet Harvesting Machines; Agrarian Science: Kiev, Ukraine, 2011; p. 351. [Google Scholar]
- Khvostov, V.A.; Reingart, E.S. Machines for Harvesting Root Crops and Onions (Theory, Design, Calculation); VISHOM: Moscow, Russia, 1995; p. 391. [Google Scholar]
- Pogorelyj, L.; Tatjanko, N. Machines for Harvesting Sugar Beet; Fenix: Kyiv, Ukraine, 2014; p. 369. [Google Scholar]
- Silva, R.P.; Rolim, M.M.; Gomes, I.F.; Pedrosa, E.M.R.; Tavares, U.E.; Santos, A.N. Numerical modeling of soil compaction in a sugarcane crop using the finite element. Soil Tillage Res. 2018, 181, 1–10. [Google Scholar] [CrossRef]
- Bulgakov, V.M.; Adamchuk, V.V.; Nozdrovicky, L.; Boris, M.M.; Ihnatiev, Y.I. Properties of the sugar beet tops during the harvest. In Proceedings of the 6th International Conference on Trends in Agricultural Engineering 2016, Prague, Czech Republic, 7–9 September 2016; pp. 102–108. [Google Scholar]
- Anifantis, A.S.; Pascuzzi, S.; Scarascia-Mugnozza, G. Geothermal source heat pump performance for a greenhouse heating system: An experimental study. J. Agric. Eng. 2016, 47, 164–170. [Google Scholar] [CrossRef]
- Pascuzzi, S.; Santoro, F. Evaluation of farmers’ OSH hazard in operation nearby mobile telephone radio base stations. In Proceedings of the 16th International Scientific Conference “Engineering for Rural Development”, Jelgava, Latvia, 24–26 May 2017; Volume 16, pp. 748–755. [Google Scholar] [CrossRef]
- Hamedani, S.R.; Villarini, M.; Colantoni, A.; Carlini, M.; Cecchini, M.; Santoro, F.; Pantaleo, A. Environmental and economic analysis of an anaerobic co-digestion power plant integrated with a compost plant. Energies 2020, 13, 2724. [Google Scholar] [CrossRef]
- Pascuzzi, S.; Bulgakov, V.; Santoro, F.; Anifantis, A.S.; Ivanovs, S.; Holovach, I. A Study on the drift of spray droplets dipped in airflows with different directions. Sustainability 2020, 12, 4644. [Google Scholar] [CrossRef]
- Pantaleo, A.; Villarini, M.; Colantoni, A.; Carlini, M.; Santoro, F.; Hamedani, S.R. Techno-economic modeling of biomass pellet routes: Feasibility in Italy. Energies 2020, 13, 1636. [Google Scholar] [CrossRef]
- Santoro, F.; Anifants, A.S.; Ruggiero, G.; Zavadskiy, V.; Pascuzzi, S. Lightning protection systems suitable for stables: A case study. Agriculture 2019, 9, 72. [Google Scholar] [CrossRef]
- Pascuzzi, S.; Santoro, F. Analysis of possible noise reduction arrangements inside olive oil mills: A Case Study. Agriculture 2017, 7, 88. [Google Scholar] [CrossRef]
- Anifantis, A.S.; Camposeo, S.; Vivaldi, G.A.; Santoro, F.; Pascuzzi, S. Comparison of UAV photogrammetry and 3D modeling techniques with other currently used methods for estimation of the tree row volume of a super-high-density olive orchard. Agriculture 2019, 9, 233. [Google Scholar] [CrossRef]
- Guerrieri, A.S.; Anifantis, A.S.; Santoro, F.; Pascuzzi, S. Study of a large square baler with innovative technological systems that optimize the baling effectiveness. Agriculture 2019, 9, 86. [Google Scholar] [CrossRef]
- Cerruto, E.; Manetto, G.; Santoro, F.; Pascuzzi, S. Operator dermal exposure to pesticides in tomato and strawberry greenhouses from hand-held sprayers. Sustainability 2018, 10, 2273. [Google Scholar] [CrossRef]
- Berlowska, J.; Binczarski, M.; Dziugan, P.; Wilkowska, A.; Kregiel, D.; Witonska, I. Sugar beet pulp as a source of valuable biotechnological products. In Handbook of Food Bioengineering; Elsevier: Amsterdam, The Netherlands, 2018; pp. 359–392. [Google Scholar]
- Manetto, G.; Cerruto, E.; Pascuzzi, S.; Santoro, F. Improvements in citrus packing lines to reduce the mechanical damage to fruit. Chem. Eng. Trans. 2017, 58, 391–396. [Google Scholar] [CrossRef]
- Pascuzzi, S.; Santoro, F. Analysis of the almond harvesting and hulling mechanization process: A case study. Agriculture 2017, 7, 100. [Google Scholar] [CrossRef]
- Pascuzzi, S.; Santoro, F. Exposure of farm workers to electromagnetic radiation from cellular network radio base stations situated on rural agricultural land. Int. J. Occup. Saf. Ergo. 2020, 21, 351–358. [Google Scholar] [CrossRef] [PubMed]
- Bulgakov, V. Haulm Harvesting Machine. Ukrainian Patent 83051, 6 October 2008. [Google Scholar]
- Bulgakov, V.; Pascuzzi, S.; Ivanovso, S.; Nadykto, V.; Nowak, J. Kinematic discrepancy between driving wheels evaluated for a modular traction device. Biosyst. Eng. 2020, 196, 88–96. [Google Scholar] [CrossRef]
- Bulgakov, V.; Pascuzzi, S.; Adamchuk, V.; Ivanovs, S.; Pylypaka, S. A theoretical study of the limit path of the movement of a layer of soil along the plough mouldboard. Soil Tillage Res. 2019, 195, 104406. [Google Scholar] [CrossRef]
- Butenin, N.V.; Lunts, J.L.; Merkin, D.R. The Course of Theoretical Mechanics; Dynamics Science: Moscow, Russia, 1985; p. 495. [Google Scholar]
- Pascuzzi, S. A multibody approach applied to the study of driver injures due to a narrow-track wheeled tractor rollover. J. Agric. Eng. 2015, 46, 105–144. [Google Scholar] [CrossRef]
- Vasilenko, P.M. Introduction to Agricultural Mechanics; Agriculture: Kiev, Ukraine, 1996; p. 252. [Google Scholar]
- Pascuzzi, S.; Anifantis, A.S.; Santoro, F. The concept of a compact profile agricultural tractor suitable for use on specialised tree crops. Agriculture 2020, 10, 123. [Google Scholar] [CrossRef]
- Reznik, N.E. The Theory of Cutting with a Blade and the Basics of Calculating the Cutting Apparatus; Mechanical Engineering: Moscow, Russia, 1975; p. 311. [Google Scholar]
- Kalpakjian, S.; Schmid, S.R. Manufacturing Engineering and Technology, 6th ed.; Prentice Hall: New York, NY, USA, 2010; p. 1176. [Google Scholar]
- Bulgakov, V.; Golovach, I.; Ivanovs, S.; Ihnatiev, Y. Theoretical simulation of parameters of cleaning sugar beet heads from remnants of leaves by flexible blade. In Proceedings of the 16th International Scientific Conference “Engineering for Rural Development”, Jelgava, Latvia, 24–26 May 2017; Volume 16, pp. 288–295. [Google Scholar]
- Vasilenko, I.F. Theory of Cutting Machines Reaping Machines; Works of the VISHOM: Moscow, Russia, 1937; Volume 5, pp. 7–14. [Google Scholar]
- Bulgakov, V.; Adamchuk, V.; Ivanovs, S.; Ihnatiev, Y. Theoretical investigation of aggregation of top removal machine frontally mounted on wheeled tractor. In Proceedings of the 16th International Scientific Conference Engineering for Rural Development, Jelgava, Latvia, 24–26 May 2017; Volume 16, pp. 273–280. [Google Scholar]
- Bulgakov, V.; Pascuzzi, S.; Beloev, H.; Ivanovs, S. Theoretical investigations of the headland turning agility of a trailed asymmetric implement-and-tractor aggregate. Agriculture 2019, 9, 224. [Google Scholar] [CrossRef]
- Bulgakov, V.; Pascuzzi, S.; Ivanovs, S.; Kaletnik, G.; Yanovich, V. Angular oscillation model to predict the performance of a vibratory ball mill for the fine grinding of grain. Biosyst. Eng. 2018, 171, 155–164. [Google Scholar] [CrossRef]
- Bulgakov, V.; Pascuzzi, S.; Nadykto, V.; Ivanovs, S. A mathematical model of the plane-parallel movement of an asymmetric machine-and-tractor aggregate. Agriculture 2018, 8, 151. [Google Scholar] [CrossRef]
- Pascuzzi, S.; Cerruto, E. An innovative pneumatic electrostatic sprayer useful for tendone vineyards. J. Agric. Eng. 2015, 46, 123–127. [Google Scholar] [CrossRef]
- Pascuzzi, S.; Cerruto, E.; Manetto, G. Foliar spray deposition in a “tendone” vineyard as affected by airflow rate, volume rate and vegetative development. Crop. Prot. 2017, 91, 34–48. [Google Scholar] [CrossRef]
- Pascuzzi, S.; Santoro, F.; Manetto, G.; Cerruto, E. Study of the correlation between foliar and patternator deposits in a “Tendone” vineyard. Agric. Eng. Int. CIGR J. 2018, 20, 97–107. [Google Scholar]
- Bulgakov, V.; Adamchuk, V.; Nozdrovicky, L.; Ihnatiev, Y. Theory of vibrations of sugar beet leaf harvester front-mounted on universal tractor. Acta Technol. Agric. 2017, 4, 96–103. [Google Scholar] [CrossRef][Green Version]
- Ihnatiev, Y. Theoretical research and development of new design of beet tops harvesting machinery. In Proceedings of the V International Scientific-Technical Conference Agricultural Machinery, Varna, Bulgaria, 21–24 June 2017; Volume 1, pp. 46–48. [Google Scholar]
- Tatyanko, N.V. The calculation of the working bodies for cutting machines of sugar beet tops. Tract. Agric. Mach. 1962, 11, 18–21. [Google Scholar]
- Bulgakov, V.; Pascuzzi, S.; Anifantis, A.S.; Santoro, F. Oscillations analysis of front-mounted beet topper machine for biomass harvesting. Energies 2019, 12, 2774. [Google Scholar] [CrossRef]
- Bulgakov, V.; Pascuzzi, S.; Santoro, F.; Anifantis, A.S. Mathematical model of the plane-parallel movement of the self-propelled root-harvesting machine. Sustainability 2018, 10, 3614. [Google Scholar] [CrossRef]
- Pascuzzi, S. Outcomes on the spray profiles produced by the feasible adjustments of commonly used sprayers in “tendone” vineyards of Apulia (Southern Italy). Sustainability 2016, 8, 1307. [Google Scholar] [CrossRef]
- Pascuzzi, S. The effects of the forward speed and air volume of an air-assisted sprayer on spray deposition in “tendone” trained vineyards. J. Agric. Eng. 2013, 3, 125–132. [Google Scholar] [CrossRef]
- Bosoy, E.S. Cutting Apparatus of the Harvesting Machines; Theory and Calculation; Mechanical Engineering: Moscow, Russia, 1967; p. 167. [Google Scholar]
- Dospehov, B. Methodology of Field Experiments; Nauka: Moscow, Russia, 1985; p. 351. (In Russian) [Google Scholar]
- Kolychev, E.I. On the choice of the design impact case in the study of the smoothness of the movement of tractors and agricultural machinery. Tract. Agric. Mach. 1976, 3, 9–11. [Google Scholar]
- Morozov, B.I.; Gringauz, N.M. Calculation of the movement of the wheeled vehicle on a rough road. Mech. Electrif. Social. Agric. 1969, 1, 11–14. [Google Scholar]
- Bulgakov, V.; Pascuzzi, S.; Adamchuk, V.; Kuvachov, V.; Nozdrovicky, L. Theoretical study of transverse offsets of wide span tractor working implements and their influence on damage to row crops. Agriculture 2019, 9, 144. [Google Scholar] [CrossRef]
- Carnahan, B.; Luther, H.A.; Wilkes, J.O. Applied Numerical Methods; John Wiley & Sons: New York, NY, USA, 1969; p. 604. [Google Scholar]
© 2020 by the authors. Licensee MDPI, Basel, Switzerland. This article is an open access article distributed under the terms and conditions of the Creative Commons Attribution (CC BY) license (http://creativecommons.org/licenses/by/4.0/).






