Monitoring of MV Cable Screens, Cable Joints and Earthing Systems Using Cable Screen Current Measurements
Abstract
1. Introduction
- -
- high conductivity,
- -
- robustness against fault current flow,
- -
- long lifespan,
- -
- low resistance and impedance,
- -
- equipotentialisation connections,
- -
- resistivity against corrosion,
- -
- mechanical and electrical durability.
2. Monitoring of Distribution System Network
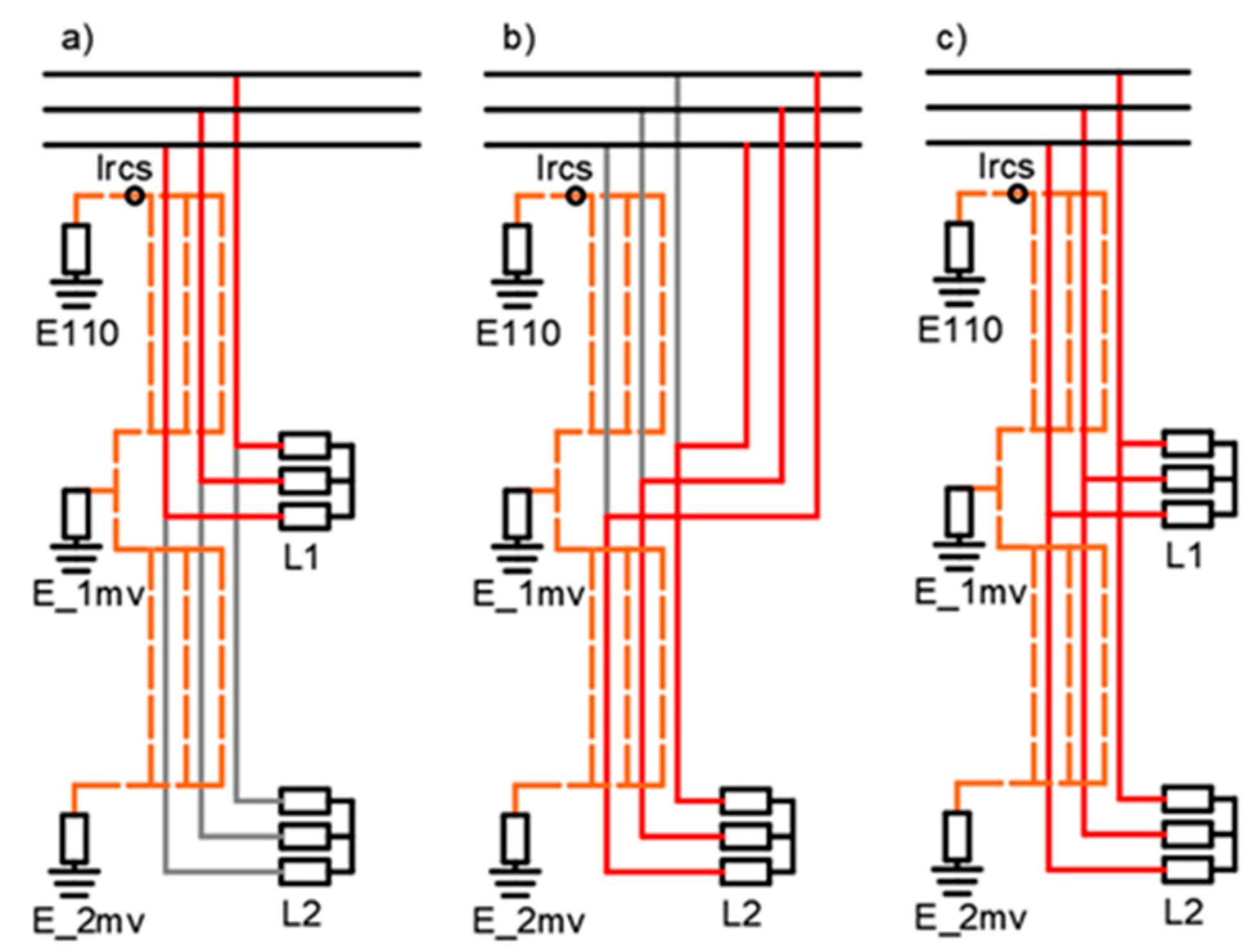
3. Earthing System Current Sources
4. Simulation Results
4.1. Single-Segment Cable Line
- -
- cable laying formation,
- -
- parameters of cable line, in particular cable screen cross section,
- -
- earthing system resistance,
- -
- length of the cable line.
4.2. Multi-Segment Cable Line
4.3. Thermo-Mechanical Stresses
5. Measurement Results
6. Developed Solutions
6.1. General Structure
6.2. Data Processing and Analysis
6.3. Real-Time Monitoring
7. Discussion
- -
- cable length can be up to tens of km,
- -
- cable lines are usually buried underground at a depth of about 1 m,
- -
- there are a large amount of cable types and accessories.
- -
- it is able to detect failures which up until now remained undetected,
- -
- it is possible to pre-locate the failure and identify the failure type,
- -
- single point measurement is capable of monitoring a few segments of cable line,
- -
- the proposed solution can be integrated with an existing diagnostic system, i.e., the SORAL system [87], which greatly reduces the workload for implementation,
- -
- additional sensors could be installed in depths of the network.
- -
- the effectiveness of the system is reduced when the distance from measurement location increases,
- -
- residual earth fault current is observed in two point earthed cable lines only, therefore, the solutions cannot be used in one point grounded lines [88],
- -
- further research is needed, particularly in locations of industrial plants and traction loads, which could be a source of stray currents.
- -
- the system could be used for monitoring of high voltage (HV) lines,
- -
- it is believed that the functionality of the system can be improved, i.e., by analyzing RF110/15 under phase to ground fault conditions,
- -
- the system is able to detect any abnormal current rise and therefore can protect cable screens from overheating,
- -
- the cost of sensors installed in the depths of the network could be reduced if current sensors were integrated with other smart city sensors, e.g., weather stations, cameras, etc.
- -
- erroneous data about cable lines could compromise the effectiveness of the system.
8. Summary
Author Contributions
Funding
Conflicts of Interest
References
- Bargiel, J.; Goc, W.; Sowa, P.; Teichman, B. Niezawodność zasilania odbiorców z sieci średniego napięcia. In Proceedings of the Materiały XVI Konferencji Naukowo-Technicznej Rynek Energii Elektrycznej, Kazimierz Dolny, Poland, 12–15 May 2010. [Google Scholar]
- Qamar, A.; Umair, M.; Yang, F.; Uzair, M.; Kaleem, Z. Derivative Method Based Orientation Detection of Substation Grounding Grid. Energies 2018, 11, 1873. [Google Scholar] [CrossRef]
- Li, X.; Yang, F.; Ming, J.; Jadoon, A.; Han, S. Imaging the Corrosion in Grounding Grid Branch with Inner-Source Electrical Impedance Tomography. Energies 2018, 11, 1739. [Google Scholar] [CrossRef]
- Yang, F.; Wang, Y.; Dong, M.; Kou, X.; Yao, D.; Li, X.; Gao, B.; Ullah, I. A Cycle Voltage Measurement Method and Application in Grounding Grids Fault Location. Energies 2017, 10, 1929. [Google Scholar] [CrossRef]
- Wang, X.; Fu, Z.; Wang, Y.; Liu, R.; Chen, L. A Non-Destructive Testing Method for Fault Detection of Substation Grounding Grids. Sensors 2019, 19, 2046. [Google Scholar] [CrossRef]
- Perng, J.W.; Kuo, Y.C.; Lu, S.P. Grounding System Cost Analysis Using Optimization Algorithms. Energies 2018, 11, 3484. [Google Scholar] [CrossRef]
- Vycital, V.; Ptacek, M.; Topolanek, D.; Toman, P. On Minimisation of Earthing System Touch Voltages. Energies 2019, 12, 3838. [Google Scholar] [CrossRef]
- Campoccia, A.; Sanseverino, E.R.; Zizzo, G. Analysis of interconnected earthing systems of MV/LV substations in urban areas. In Proceedings of the Universities Power Engineering Conference, Padova, Italy, 1–4 August 2008. [Google Scholar]
- Long, X.; Dong, M.; Xu, W.; Li, Y.W. Online Monitoring of Substation Grounding Grid Conditions Using Touch and Step Voltage Sensors. IEEE Trans. Smart Grid 2012, 3, 761–769. [Google Scholar] [CrossRef]
- ETS Cable Component, Characteristics of A Good Earthing System. Available online: https://www.etscablecomponents.com/2015/08/354/ (accessed on 1 May 2020).
- Eneida, Earthing System Monitoring and Optimization. Available online: https://eneida.io/earth/ (accessed on 1 May 2020).
- Parmar, J. Earthing in Electrical Network. 2011. Available online: https://electrical-engineering-portal.com/earthing-in-electrical-network-purpose-methods-and-measurement (accessed on 1 May 2020).
- PTPiREE. Energetyka Dystrybucja i Przesył; PTPiREE: Poznan, Poland, 2017. [Google Scholar]
- ServersCheck BV®, Ground (Earthing) Monitoring Sensor. Available online: https://serverscheck.com/sensors/sensor_grounding.asp (accessed on 1 May 2020).
- Stahl, Ground Monitoring Devices. Available online: https://r-stahl.com/en/global/products/automation-interfaces-and-solutions/grounding-monitoring-devices-and-systems/grounding-monitoring-devices/ (accessed on 1 May 2020).
- Lowczowski, K.; Lorenc, J.; Zawodniak, J.; Dombek, G. Detection and Location of Earth Fault in MV Feeders Using Screen Earthing Current Measurements. Energies 2020, 13, 1293. [Google Scholar] [CrossRef]
- Lowczowski, K.; Lorenc, J.; Andruszkiewicz, J.; Nadolny, Z.; Zawodniak, J. Novel Earth Fault Protection Algorithm Based on MV Cable Screen Zero Sequence Current Filter. Energies 2019, 12, 3190. [Google Scholar] [CrossRef]
- Lowczowski, K.; Nadolny, Z.; Olejnik, B. Analysis of Cable Screen Currents for Diagnostics Purposes. Energies 2019, 12, 1348. [Google Scholar] [CrossRef]
- Gulski, E.; Wester, F.J.; Boone, W.; Schail, N.V.; Steennis, E.; Groot, E.; Pellis, J.; Grotenhuis, B. Knowledge Rules Support for CBM of Power Cable Circuits. In Proceedings of the CIGRE Session, Paris, France, 25–30 August 2002. [Google Scholar]
- Szymenderski, J.; Machczynski, W.; Budnik, K. Modeling Effects of Stochastic Stray Currents from D.C. Traction on Corrosion Hazard of Buried Pipelines. Energies 2019, 12, 4570. [Google Scholar] [CrossRef]
- JWG B3.35/CIRED. Substation Earthing System Design Optimization through the Application of Quantified Risk Analysis; CIGRE: Paris, France, 2018. [Google Scholar]
- Arcadius Tokognon, C., Jr.; Gao, B.; Tian, G.Y.; Yan, Y. Structural Health Monitoring Framework Based on Internet of Things: A Survey. IEEE Internet Things J. 2017, 4, 619–635. [Google Scholar] [CrossRef]
- Huang, Q.; Jing, S.; Yi, J.; Zhen, W. Innovative Testing and Measurement Solutions for Smart Grid; Wiley: Singapore, 2015. [Google Scholar]
- NCD, IoT Long Range Wireless AC Current Monitor. Available online: https://store.ncd.io/product/wireless-ac-current-monitor/ (accessed on 14 May 2020).
- Holger, K.; Willig, A. Protocols and Architectures for Wireless Sensor Networks; John Wiley & Sons: Chichester, UK, 2007. [Google Scholar]
- Beanair, BeanDevice® 2.4GHz One-T. Available online: https://www.beanair.com/wireless-iot-temperature-sensors-overview.html (accessed on 25 May 2020).
- Harid, N.; Bogias, A.C.; Griffiths, H.; Robson, S.; Haddad, A. A Wireless System for Monitoring Leakage Current in Electrical Substation Equipment. IEEE Access 2016, 4, 2695–2975. [Google Scholar] [CrossRef]
- Tang, L.; Lu, Z.; Fan, B. Energy Efficient and Reliable Routing Algorithm for Wireless Sensors Networks. Appl. Sci. 2020, 10, 1885. [Google Scholar] [CrossRef]
- Inhand, Overhead Line Sensor. 2020. Available online: https://www.inhandnetworks.com/solutions/IWOS/overhead-line-sensor.html (accessed on 20 May 2020).
- Adeunis, Current Sensor: Curren Measurement. 2020. Available online: https://www.adeunis.com/en/produit/current-sensor-current-measurement/ (accessed on 20 May 2020).
- Wang, Y.; Chen, Q.; Hong, T.; Kang, C. Review of Smart Meter Data Analytics: Applications, Methodologies, and Challenges. IEEE Trans. Smart Grid 2019, 10, 3125–3148. [Google Scholar] [CrossRef]
- Mohassel, R.R.; Fung, A.; Mohammadi, F.; Raahemifar, K. A survey on Advanced Metering Infrastructure. Int. J. Electr. Power Energy Syst. 2014, 63, 473–484. [Google Scholar] [CrossRef]
- Andreadou, N.; Kotsakis, E.; Masera, M. Smart Meter Traffic in a Real LV Distribution Network. Energies 2018, 11, 1156. [Google Scholar] [CrossRef]
- Teng, J.H.; Chao, C.W.; Liu, B.H.; Huang, W.H.; Chiu, J.C. Communication Performance Assessment for Advanced Metering Infrastructure. Energies 2019, 12, 88. [Google Scholar] [CrossRef]
- Canha, L.N.; Ramos, L.F.; Sen, P.K.; Carvalho, R.S. Communication System Design for an Advanced Metering Infrastructure. In Proceedings of the IEEE International Conference on Smart Energy Grid Engineering (SEGE), Oshawa, ON, Canada, 12–15 August 2018. [Google Scholar]
- Szulim, R.; Michta, E.; Markowski, A. Communication structures and rule based energy management in AMI systems. Prz. Elektrotechniczny 2014, 9, 2014. [Google Scholar]
- Huang, X.; Hu, T.; Ye, C.; Xu, G.; Wang, X.; Chen, L. Electric Load Data Compression and Classification Based on Deep Stacked Auto-Encoders. Energies 2019, 12, 653. [Google Scholar] [CrossRef]
- Bonetto, R.; Bui, N.; Lakkundi, V.; Olivereau, A.; Serbanati, A.; Rossi, M. Secure communication for smart IoT objects: Protocol stacks, use cases and practical examples. In Proceedings of the IEEE International Symposium on a World of Wireless, Mobile and Multimedia Networks (WoWMoM), San Francisco, CA, USA, 25–28 June 2012. [Google Scholar]
- Thompson, G. Validating Field Performance of AMI Systems. Electr. Energy T D Mag. 2005, 6, 30–35. [Google Scholar]
- Enea Operator. Stacje Transformatorowe Kompaktowe Prefabrykowane SN/nn Oraz Złącza/Szafy Kablowe SN; Enea Operator: Poznan, Poland, 2015. [Google Scholar]
- Schneider Electric, Discover the PowerLogic™ PowerTag Energy Sensor. Available online: https://www.se.com/ww/en/work/products/product-launch/powertag/ (accessed on 12 May 2020).
- Montes Figueroa, J.M.; Pinilla Rodriguez, J.; Ramos, F. IOT-PMU. How to Improve Observability on the Distribution Networks. In Proceedings of the 25th International Conference on Electricity Distribution, Madrid, Spain, 3–6 June 2019. [Google Scholar]
- Presac, Current Monitoring Sensors. 2020. Available online: https://www.pressac.com/current-monitoring-sensors/ (accessed on 10 June 2020).
- WG B3.44, Survey. 2017. Available online: https://www.surveymonkey.de/r/33V622Y (accessed on 15 May 2020).
- Habrych, M.; Wiśniewski, G.; Miedzinski, B.; Lisowiec, A.; Fjalkowski, Z. HDI PCB Rogowski coils for automated electrical power system applications. IEEE Trans. Power Deliv. 2017, 33, 1536–1544. [Google Scholar] [CrossRef]
- Habrych, M.; Wisniewski, G.; Miedzinski, B.; Lisowiec, A. Applicability of Rogowski coils made in PCB HDI technology in power system protections. In Proceedings of the Modern Electric Power Systems, Wroclaw, Poland, 6–8 September 2015. [Google Scholar]
- Norouzi, A. Open Phase Conditions in Transformers Analysis and Protection Algorithm. In Proceedings of the 66th Annual Conference for Protective Relay Engineers, College Station, TX, USA, 8–11 April 2013. [Google Scholar]
- Megger, Fault Finding Solutions. Section II—Fault Locating Procedure. In Powerpoint Engineering; Megger: Kent, UK, 2003. [Google Scholar]
- Kaushik, M. Single Phasing in Electrical Motors: Causes, Effects, and Protection Methods. In Marine Electrical; Marine Insight. 2019. Available online: https://www.marineinsight.com/marine-electrical/single-phasing-in-electrical-motors-causes-effects-and-protection-methods/ (accessed on 10 May 2020).
- IEEE Std 998-2012. IEEE Guide for the Protection of Communication Installations from Lightning Effects; IEE: New York, NY, USA, 2012. [Google Scholar]
- Kumar, R.; Kumar, P. Modelling of Stray-Load Loss for Medium Power Induction Motors. In Proceedings of the IECON 2018—44th Annual Conference of the IEEE Industrial Electronics Society, Washington, DC, USA, 21–23 October 2018. [Google Scholar]
- Wang, X.H.; Song, Y.H.; Jung, C.K.; Lee, J.B. Tackling sheath problems: Latest research developments in solving operational sheath problems in underground power transmission cables. Electr. Power Syst. Res. 2007, 77, 1449–1457. [Google Scholar] [CrossRef]
- DigSilent, Quasi-Dynamic Simulation. 2020. Available online: https://www.digsilent.de/en/quasi-dynamic-simulation.html (accessed on 1 June 2020).
- Lowczowski, K. Badanie wpływu ułożenia kabli na straty energii w żyle powrotnej—Symulacja w programie PowerFactory. Prz. Elektrotechniczny 2016, 10, 54–57. [Google Scholar] [CrossRef]
- Sowa, P.; Kumala, R.; Luszcz, K. Modeling of power system components during electromagnetic transients. Int. J. Innov. Sci. Eng. Technol. 2014, 1, 715–719. [Google Scholar]
- IEC 60287–1-1 Electric Cables-Calculation of the Current Rating Part 1: Current Rating Equations (100% Load Factor) and Calculation of Losses Section 1: General; International Electrotechnical Commission: Geneva, Switzerland, 2006.
- Enea Operator. Elektroenergetyczne Linie Kablowe Średniego Napięcia; Enea Operator: Poznan, Poland, 2019. [Google Scholar]
- GMCiUK, GMC-I Prosys ACP 3003-3/24. Available online: https://www.gmciuk.com/gmc_i-prosys-acp-3003_3~24-329 (accessed on 18 May 2020).
- Gielniak, J.; Graczkowski, A.; Moranda, H.; Przybylek, P.; Walczak, K.; Nadolny, Z.; Moscicka-Grzesiak, H.; Feser, K.; Gubanski, S.M. Moisture in cellulose insulation of power transformers—Statistics. IEEE Trans. Dielectr. Electr. Insul. 2013, 20, 982–987. [Google Scholar] [CrossRef]
- Bishop, C.M. Pattern Recognition and Machine Learning; Springer: Berlin/Heidelberg, Germany, 2006. [Google Scholar]
- Tauron Dystrybucja. Standard Techniczny nr 11/2015 Budowy Układów Uziomowych w Sieci Dystrybucyjnej TAURON Dystrybucja, S.A.; Tauron Dystrybucja: Krakow, Poland, 2017. [Google Scholar]
- Musial, E. Uziomy Fundamentowe i Parafundamentowe. INPE 2011, 143, 3–33. [Google Scholar]
- King, L. The Common Information Model for Distribution; EPRI: Palo Alto, CA, USA, 2008. [Google Scholar]
- IEEE PES PSRC C5. Considerations for Use of Disturbance Recorders; IEEE Power System Relaying and Control Committee, 2006. [Google Scholar]
- IEEE C57.91. IEEE Guide for Loading Mineral-Oil-Immersed Transformers and Step-Voltage Regulators; IEEE Power and Energy Society: New York, NY, USA, 2012. [Google Scholar]
- Moranda, H.; Sztolcman, M.; Walczak, K.; Moscicka-Grzesiak, H. Enlargement of fingerprint in procedure of defects recognition in oil-paper insulation using time parameters of PD. In Proceedings of the XIV International Symposium on High Voltage Engineering, Beijing, China, 25–29 August 2005. [Google Scholar]
- Sikorski, W. Development of Acoustic Emission Sensor Optimized for Partial Discharge Monitoring in Power Transformers. Sensors 2019, 19, 1865. [Google Scholar] [CrossRef]
- Sikorski, W.; Walczak, K. Analiza trendu parametrow wyładowan niezupelnych realizowana przez system monitoringu transformatorow energetycznych Pdtracker. Prz. Elektrotechniczny 2014, 10, 168–171. [Google Scholar]
- Campos, J.T.L.S.; Sanca, H.S.; Costa, F.B.; Souza, B.A. Distance Protection Analysis Applied for Distribution System with Distributed Generation. Prz. Elektrotechniczny 2018, 3, 13–17. [Google Scholar] [CrossRef]
- Moranda, H. Prognozowanie zawilgocenia izolacji celulozowej transformatorów na postawie wyników analizy statystycznej danych pomiarowych. Program, Ocena zawilgocenia transformatorów”. Prz. Elektrotechniczny 2010, 11, 162–165. [Google Scholar]
- Wojtas, S.; Zawodniak, J. Aspekty praktyczne wykonywania uziemień stanowisk słupowych z głowicami kablowymi. Autom. Elektr. Zaklocenia 2015, 6, 42–54. [Google Scholar]
- NKT Photonics, LISO EN.SURE Sensor Cables. 2020. Available online: https://www.nktphotonics.com/lios/en/product/lios-en-sure-sensor-cables/ (accessed on 18 May 2020).
- Tian, Y.; Lewin, P.; Wilkinson, J.S.; Schroder, G.; Sutton, S.J.; Swingler, S.G. An improved optically based PD detection system for continuous on-line monitoring of HV cables. IEEE Trans. Dielectr. Electr. Insul. 2006, 12, 1222–1234. [Google Scholar] [CrossRef]
- Noske, S. Measurement of Partial Discharges in Medium Voltage Cable Lines. Acta Energetica 2009, 1, 105–114. [Google Scholar]
- Zhou, C.; Song, X.; Michel, M.; Hepburn, D.M. On-line partial discharge monitoring in medium voltage underground cables. IET Sci. Meas. Technol. 2009, 3, 354–363. [Google Scholar] [CrossRef]
- Han, Y.J.; Lee, H.M.; Shin, Y.J. Thermal aging estimation with load cycle and thermal transients for XLPE-insulated underground cable. In Proceedings of the IEEE Conference on Electrical Insulation and Dielectric Phenomenon (CEIDP), Fort Worth, TX, USA, 22–25 October2017. [Google Scholar]
- Yang, Y.; Hepburn, D.M.; Zhou, C.; Zhou, W.; Jiang, W.; Tian, Z. On-line monitoring and analysis of the dielectric loss in cross-bonded HV cable system. Electr. Power Syst. Res. 2017, 149, 89–101. [Google Scholar] [CrossRef]
- LandisGyr. Landis+Gyr S650 Smart Grid Terminal; LandisGyr: Zug, Switzerland, 2012. [Google Scholar]
- Baumer, Strain Sensors. 2020. Available online: https://www.baumer.com/dk/en/product-overview/force-sensors-strain-sensors/strain-sensors/c/311 (accessed on 4 June 2020).
- Wilson, J.; Barrans, S. Residual magnetic field sensing for stress measurement. Sens. Actuators A Phys. 2007, 135, 381–387. [Google Scholar] [CrossRef]
- Shkel, Y.M.; Lee, H.Y.; Peng, Y. Dielectrostrictive Sensor for Measuring Deformation. U.S. Patent No. 7,726,199 B2, 8 October 2009. [Google Scholar]
- Dagdeviren, C.; Joe, P.; Tuzman, O.L.; Park, K.I.; Lee, K.J.; Shi, Y.; Huang, Y.; Rogers, J.A. Recent progress in flexible and stretchable piezoelectric devices for mechanical energy harvesting, sensing and actuation. Extrem. Mech. Lett. 2016, 9, 269–281. [Google Scholar] [CrossRef]
- Hammerschmidt, C. Sensor Detects Mechanical Stress in Wind Turbines. 2014. Available online: https://www.eenewseurope.com/news/sensor-detects-mechanical-stress-wind-turbines (accessed on 1 June 2020).
- Ravish, P.Y. Application of Statistical Life Data Analysis for Cable Joints in MV Distribution Networks. Master’s Thesis, Delft University of Technology, Delft, The Netherlands, 2010. [Google Scholar]
- Abdelnour, A.; Lazaro, A.; Villarino, R.; Kaddour, D.; Tedjini, S.; Girbau, D. Passive Harmonic RFID System for Buried Assets Localization. Sensors 2018, 18, 3635. [Google Scholar] [CrossRef]
- Zhang, J.; Tian, G.Y.; Marindra, A.M.J.; Sunny, A.I.; Zhao, A.B. A Review of Passive RFID Tag Antenna-Based Sensors and Systems for Structural Health Monitoring Applications. Sensors 2017, 17, 265. [Google Scholar] [CrossRef]
- Noske, S.; Grzelka, S.; Kołodziejczyk, K. SORAL–wszystko co chciałbys wiedziec o swojej sieci kablowej. In Proceedings of the XVIII Konferencja Systemy Informatyczne w Energetyce SIwE, Wisla, Poland, 26–29 November 2019. [Google Scholar]
- Schott-Szymczak, A.; Walczak, K. Analysis of Overvoltages Appearing in One-Sidedly Ungrounded MV Power Cable Screen. Energies 2020, 13, 1821. [Google Scholar] [CrossRef]
- Gielniak, J.; Graczkowski, A.; Moranda, H.; Przybylek, P.; Walczak, K.; Moscicka-Grzesiak, H. Patterns of Moisture Content in Insulation of Paper and Synthetic Ester Midel 7131 using the FDS Technique. In Proceedings of the XVII International Symposium on High Voltage Engineering, Hannover, Germany, 22–26 August 2011. [Google Scholar]























© 2020 by the authors. Licensee MDPI, Basel, Switzerland. This article is an open access article distributed under the terms and conditions of the Creative Commons Attribution (CC BY) license (http://creativecommons.org/licenses/by/4.0/).
Share and Cite
Lowczowski, K.; Lorenc, J.; Tomczewski, A.; Nadolny, Z.; Zawodniak, J. Monitoring of MV Cable Screens, Cable Joints and Earthing Systems Using Cable Screen Current Measurements. Energies 2020, 13, 3438. https://doi.org/10.3390/en13133438
Lowczowski K, Lorenc J, Tomczewski A, Nadolny Z, Zawodniak J. Monitoring of MV Cable Screens, Cable Joints and Earthing Systems Using Cable Screen Current Measurements. Energies. 2020; 13(13):3438. https://doi.org/10.3390/en13133438
Chicago/Turabian StyleLowczowski, Krzysztof, Jozef Lorenc, Andrzej Tomczewski, Zbigniew Nadolny, and Jozef Zawodniak. 2020. "Monitoring of MV Cable Screens, Cable Joints and Earthing Systems Using Cable Screen Current Measurements" Energies 13, no. 13: 3438. https://doi.org/10.3390/en13133438
APA StyleLowczowski, K., Lorenc, J., Tomczewski, A., Nadolny, Z., & Zawodniak, J. (2020). Monitoring of MV Cable Screens, Cable Joints and Earthing Systems Using Cable Screen Current Measurements. Energies, 13(13), 3438. https://doi.org/10.3390/en13133438

