Predictive Direct Power Control for Dual-Active-Bridge Multilevel Inverter Based on Conservative Power Theory
Abstract
1. Introduction
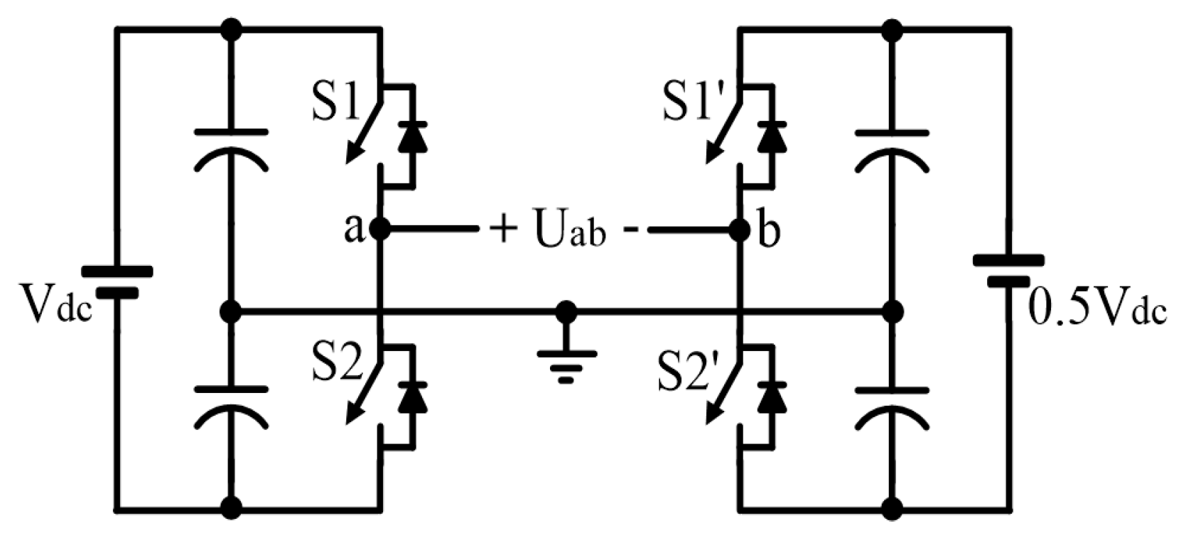
2. Topology of Dual-Active-Bridge Multilevel Inverter (DABMI)
3. Methodology
4. MPDPC Based CPT
5. Simulation Results
6. Conclusions
Author Contributions
Funding
Acknowledgments
Conflicts of Interest
Nomenclature
| e | Grid voltage |
| ê | Unbiased voltage integral |
| i | Current |
| Im | Imaginary |
| L | Inductance |
| P | Active Power |
| Q | Reactive Power |
| R | Resistance |
| Re | Real |
| S | Magnitude invariant complex power |
| Ts | Sampling Period |
| Vdc | DC side voltage |
| ω | Grid frequency |
References
- Alyami, S.; Wang, Y.; Wang, C. Adaptive real power capping method for fair overvoltage regulation of distribution networks with high penetration of PV systems. IEEE Trans. Smart Grid 2014, 5, 2729–2738. [Google Scholar] [CrossRef]
- Zhang, J.; Zhao, C. Analysis and control of MMC-HVDC under unbalanced voltage conditions. Electr. Power Syst. Res. 2016, 140, 528–538. [Google Scholar] [CrossRef]
- Hu, J.; He, Y. Modeling and enhanced control of DFIG under unbalanced grid voltage conditions. Electr. Power Syst. Res. 2009, 79, 273–281. [Google Scholar] [CrossRef]
- Liao, Y.; Li, H.; Yao, J.; Zhuang, K. Operation and control of a grid-connected DFIG-based wind turbine with series grid-side converter during network unbalance. Electr. Power Syst. Res. 2011, 81, 228–236. [Google Scholar] [CrossRef]
- Aurtenechea, S.; Rodriguez, M.A.; Oyarbide, E.; Torrealday, J.R. Predictive direct power control—A new control strategy for DC/AC converters. In Proceedings of the IECON 2006—32nd Annual Conference on IEEE Industrial Electronics, Paris, France, 6–10 November 2006; pp. 1661–1666. [Google Scholar] [CrossRef]
- Mesbahi, N.; Ouari, A.; Abdeslam, D.O.; Djamah, T.; Omeiri, A. Direct power control of shunt active filter using high selectivity filter (HSF) under distorted or unbalanced conditions. Electr. Power Syst. Res. 2014, 108, 113–123. [Google Scholar] [CrossRef]
- Yousefi-Talouki, A.; Pouresmaeil, E.; Jørgensen, B.N. Active and reactive power ripple minimization in direct power control of matrix converter-fed DFIG. Int. J. Electr. Power Energy Syst. 2014, 63, 600–608. [Google Scholar] [CrossRef]
- Brando, G.; Dannier, A.; Del Pizzo, A.; Di Noia, L.P.; Spina, I. Quick and high performance direct power control for multilevel voltage source rectifiers. Electr. Power Syst. Res. 2015, 121, 152–169. [Google Scholar] [CrossRef]
- Lee, S.S.; Heng, Y.E. Table-based DPC for grid connected VSC under unbalanced and distorted grid voltages: Review and optimal method. Renew. Sustain. Energy Rev. 2017, 76, 51–61. [Google Scholar] [CrossRef]
- Kouro, S.; Cortes, P.; Vargas, R.; Ammann, U.; Rodriguez, J. Model predictive control—A simple and powerful method to control power converters. IEEE Trans. Ind. Electron. 2008, 56, 1826–1838. [Google Scholar] [CrossRef]
- An, F.; Song, W.; Yu, B.; Yang, K. Model predictive control with power self-balancing of the output parallel dab DC-DC converters in power electronic traction transformer. IEEE J. Emerg. Sel. Top. Power Electron. 2018, 6, 1806–1818. [Google Scholar] [CrossRef]
- Hu, J.; He, Y.; Nian, H. Improved predictive current control of grid-connected DC-AC converters under unbalanced grid voltage conditions. In Proceedings of the 2009 IEEE Energy Conversion Congress and Exposition, San Jose, CA, USA, 20–24 September 2009; pp. 1–8. [Google Scholar] [CrossRef]
- Lee, S.S.; Heng, Y.E. Predictive direct power control of multilevel direct current link converter for grid connected battery energy storage systems. J. Renew. Sustain. Energy 2016, 8, 034104. [Google Scholar] [CrossRef]
- Lee, S.S.; Heng, Y.E. A voltage level based predictive direct power control for modular multilevel converter. Electr. Power Syst. Res. 2017, 148, 97–107. [Google Scholar] [CrossRef]
- Ma, K.; Chen, W.; Liserre, M.; Blaabjerg, F. Power controllability of a three-phase converter with an unbalanced AC source. IEEE Trans. Power Electron. 2014, 30, 1591–1604. [Google Scholar] [CrossRef]
- Miret, J.; Castilla, M.; Camacho, A.; De Vicuna, L.G.; Matas, J. Control Scheme for Photovoltaic Three-phase inverters to minimize peak currents during unbalanced grid-voltage sags. IEEE Trans. Power Electron. 2012, 27, 4262–4271. [Google Scholar] [CrossRef]
- Shang, L.; Sun, D.; Hu, J. Sliding-mode-based direct power control of grid-connected voltage-sourced inverters under unbalanced network conditions. IET Power Electron. 2011, 4, 570. [Google Scholar] [CrossRef]
- Schönleber, K.; Prieto-Araujo, E.; Rates-Palau, S.; Gomis-Bellmuntc, O. Handling of unbalanced faults in HVDC-connected wind power plants. Electr. Power Syst. Res. 2017, 152, 148–159. [Google Scholar] [CrossRef]
- Sun, S.H.; Ben, H.Q. Modified power compensation control strategy of three-phase grid-connected inverter under unbalanced grid voltage conditions. Appl. Mech. Mater. 2015, 740, 335–338. [Google Scholar] [CrossRef]
- Jin, N.; Guo, L.; Gan, C.; Hu, S.; Dou, Z. Finite-state model predictive power control of three-phase bidirectional AC/DC converter under unbalanced grid faults with current harmonic reduction and power compensation. IET Power Electron. 2018, 11, 348–356. [Google Scholar] [CrossRef]
- Jin, N.; Hu, S.; Gan, C.; Ling, Z. Finite states model predictive control for fault-tolerant operation of a three-phase bidirectional AC/DC converter under unbalanced grid voltages. IEEE Trans. Ind. Electron. 2017, 65, 819–829. [Google Scholar] [CrossRef]
- Akagi, H.; Kanazawa, Y.; Nabae, A. Instantaneous reactive power compensators comprising switching devices without energy storage components. IEEE Trans. Ind. Appl. 1984, 20, 625–630. [Google Scholar] [CrossRef]
- Chen, W.; Geng, X.; Liu, T.; Xia, C. Stationary frame deadbeat power control of three-phase PWM rectifiers under unbalanced grid voltages. Electr. Power Syst. Res. 2014, 108, 223–233. [Google Scholar] [CrossRef]
- Tenti, P.; Trombetti, D.; Tedeschi, E.; Mattavelli, P. Compensation of load unbalance, reactive power and harmonic distortion by cooperative operation of distributed compensators. In Proceedings of the 2009 13th European Conference on Power Electronics and Applications, Barcelona, Spain, 8–10 September 2009; pp. 1–10. [Google Scholar]
- Marafão, F.P.; Brandão, D.I.; Gonçalves, F.A.S.; Paredes, H.K.M. Decoupled reference generator for shunt active filters using the conservative power theory. J. Control Autom. Electr. Syst. 2013, 24, 522–534. [Google Scholar] [CrossRef]
- Tenti, P.; Paredes, H.K.M.; Mattavelli, P. Conservative power theory, a framework to approach control and accountability issues in smart microgrids. IEEE Trans. Power Electron. 2010, 26, 664–673. [Google Scholar] [CrossRef]
- Tenti, P.; Paredes, H.K.M.; Marafao, F.P.; Mattavelli, P. Accountability in smart microgrids based on conservative power theory. IEEE Trans. Instrum. Meas. 2011, 60, 3058–3069. [Google Scholar] [CrossRef]
- Burgos-Mellado, C.; Hernandez-Cariman, C.; Cardenas, R.; Saez, D.; Sumner, M.; Costabeber, A.; Paredes, H.K.M. Experimental evaluation of a CPT-based four-leg Active power compensator for distributed generation. IEEE J. Emerg. Sel. Top. Power Electron. 2017, 5, 747–759. [Google Scholar] [CrossRef]
- Deblecker, O.; Stevanoni, C.; Vallée, F. Cooperative control of multi-functional inverters for renewable energy integration and power quality compensation in micro-grids. In Proceedings of the 2016 International Symposium on Power Electronics, Electrical Drives, Automation and Motion (SPEEDAM), Anacapri, Italy, 22–24 June 2016; pp. 1051–1058. [Google Scholar] [CrossRef]
- Brandao, D.I.; Marafao, F.P.; Paredes, H.K.M.; Costabeber, A. Inverter control strategy for DG systems based on the conservative power theory. In Proceedings of the 2013 IEEE Energy Conversion Congress and Exposition, Denver, CO, USA, 15–19 September 2013; pp. 3283–3290. [Google Scholar] [CrossRef]
- Mortezaei, A.; Lute, C.; Simões, M.G.; Marafao, F.P.; Boglia, A. PQ, DQ and CPT control methods for shunt active compensators a comparative study. In Proceedings of the 2014 IEEE Energy Conversion Congress and Exposition (ECCE), Pittsburgh, PA, USA, 14–18 September 2014; pp. 2994–3001. [Google Scholar] [CrossRef]
- Chowdhury, S.; Wheeler, P.; Gerada, C.; Patel, C. Model predictive control for a dual-active bridge inverter with a floating bridge. IEEE Trans. Ind. Electron. 2016, 63, 5558–5568. [Google Scholar] [CrossRef]
- Kawabata, Y.; Yahata, N.; Horii, M.; Ejiogu, E.; Kawabata, T. SVG using open-winding transformer and two inverters. In Proceedings of the 2004 IEEE 35th Annual Power Electronics Specialists Conference (IEEE Cat. No. 04CH37551), Aachen, Germany, 20–25 June 2004; pp. 3039–3044. [Google Scholar] [CrossRef]
- Grandi, G.; Ostojic, D.; Rossi, C. Dual inverter configuration for grid-connected photovoltaic generation systems. In Proceedings of the INTELEC 07—29th International Telecommunications Energy Conference, Rome, Italy, 30 September–4 October 2007; pp. 880–885. [Google Scholar]
- Bohari, A.A.; Hwang, G.H.; Yi, S.S.; Sing, L.S.; Heng, Y.E. Model predictive direct power control of dual active bridge multilevel inverter during balanced and unbalanced grid voltage. In Proceedings of the 2019 IEEE International Conference on Automatic Control and Intelligent Systems (I2CACIS), Selangor, Malaysia, 29 June 2019; pp. 230–234. [Google Scholar]
- Tan, A.S.T.; Ishak, D.; Mohd-Mokhtar, R. Chapter 22 Grid-Connected PV Generator Using Three-Phase VSC with Model Predictive Control; Springer: Berlin/Heidelberg, Germany, 2019. [Google Scholar]
- Burgos-Mellado, C.; Llanos, J.J.; Cárdenas, R.; Sáez, D.; Olivares, D.E.; Sumner, M.; Costabeber, A. Distributed control strategy based on a consensus algorithm and on the conservative power theory for imbalance and harmonic sharing in 4-wire microgrids. IEEE Trans. Smart Grid 2020, 11, 1604–1619. [Google Scholar] [CrossRef]
- He, Z.; Sun, D.; Shang, L.; Zhu, J. Modified predictive direct power control of voltage-sourced converters under network voltage unbalance conditions. In Proceedings of the 2011 International Conference on Electrical Machines and Systems; Institute of Electrical and Electronics Engineers (IEEE), Beijing, China, 20–23 August 2011; pp. 1–6. [Google Scholar]
- Van, T.L.; Truong, T.H.; Cao, M.T.; Nguyen, P.C.; Nguyen, H. Improved control scheme for low voltage ride-through of pmsg-based wind energy conversion systems. In Proceedings of the 2018 4th International Conference on Green Technology and Sustainable Development (GTSD), Ho Chi Minh City, Vietnam, 23–24 November 2018. [Google Scholar]
- Hu, J.; He, Y. Modeling and Control of Grid Connected Voltage-Sourced Converters Under Generalized Unbalanced Operation Conditions. IEEE Trans. Energy Convers. 2008, 23, 903–913. [Google Scholar]
- Peng, F.Z.; Ott, G.W.; Adams, D.J. Harmonic and reactive power compensation based on the generalized instantaneous reactive power theory for three-phase four-wire systems. IEEE Trans. Power Electron. 1998, 13, 1174–1181. [Google Scholar] [CrossRef]
- Furuhashi, T.; Okuma, S.; Uchikawa, Y. A study on the theory of instantaneous reactive power. IEEE Trans. Ind. Electron. 1990, 37, 86–90. [Google Scholar] [CrossRef]
- Timbus, A.V.; Rodriguez, P.; Teodorescu, R.; Liserre, M.; Blaabjerg, F. Control strategies for distributed power generation systems operating on faulty grid. In Proceedings of the 2006 IEEE International Symposium on Industrial Electronics, Montreal, QC, Canada, 9–13 July 2006; pp. 1601–1607. [Google Scholar] [CrossRef]
- Bai, Y.; Guo, X.; Wang, B.; Li, Y. Fully digital grid synchronization under harmonics and unbalanced conditions. IEEE Access 2019, 7, 109969–109981. [Google Scholar] [CrossRef]
- Drif, M.; Cardoso, A.J.M. Discriminating the simultaneous occurrence of three-phase induction motor rotor faults and mechanical load oscillations by the instantaneous active and reactive power media signature analyses. IEEE Trans. Ind. Electron. 2011, 59, 1630–1639. [Google Scholar] [CrossRef]
- Lee, S.S.; Heng, Y.E. A tuning-less model predictive control for modular multilevel converter capable of unbalanced grid fault. Int. J. Electr. Power Energy Syst. 2018, 94, 213–224. [Google Scholar] [CrossRef]
- Lin, C.E.; Tsai, M.T.; Tsai, W.I.; Huang, C.L. Consumption power feedback unit for power electronics burn-in test. IEEE Trans. Ind. Electron. 1997, 44, 157–166. [Google Scholar] [CrossRef]
- Li, M.; Gui, Y.; Vasquez, J.C.; Guerrero, J.M. Grid voltage modulated control of grid-connected voltage source inverters under unbalanced grid conditions. In Proceedings of the IECON 2017—43rd Annual Conference of the IEEE Industrial Electronics Society, Beijing, China, 29 October–1 November 2017; pp. 2510–2515. [Google Scholar]
- Shi, X.; Zhu, J.; Li, L.; Lu, D.D.C. Model-predictive-based duty cycle control with simplified calculation and mutual influence elimination for AC/DC converter. IEEE J. Emerg. Sel. Top. Power Electron. 2018, 7, 504–514. [Google Scholar] [CrossRef]
- Zhang, Y.; Qu, C.; Gao, J. Performance improvement of direct power control of pwm rectifier under unbalanced network. IEEE Trans. Power Electron. 2016, 32, 2319–2328. [Google Scholar] [CrossRef]
- Zhu, Z.Q.; Hu, J. Investigation on switching patterns of direct power control strategies for grid-connected DC–AC converters based on power variation rates. IEEE Trans. Power Electron. 2011, 26, 3582–3598. [Google Scholar] [CrossRef]






| S1 | S1’ | Ua | Ub | Uab |
|---|---|---|---|---|
| 1 | 1 | 0.5 | 0.25 | 0.25 |
| 1 | 0 | 0.5 | −0.25 | 0.75 |
| 0 | 1 | −0.5 | 0.25 | −0.75 |
| 0 | 0 | −0.5 | −0.25 | −0.25 |
| Methods | Conventional MPDPC | MPDPC with APOC | ||
|---|---|---|---|---|
| Balanced | Unbalanced | Balanced | Unbalanced | |
| THD i (%) | 1.61 | 6.1 | 1.61 | 1.62 |
| P peak-to-peak (W) | ±77.5 | ±57.3 | ±57.6 | ±53.5 |
| Q peak-to-peak (W) | ±58.2 | ±61.1 | ±58.2 | ± 272.8 |
| MPDPC with RPOC | Proposed MPDPC | |||
| Balanced | Unbalanced | Balanced | Unbalanced | |
| THD i (%) | 1.61 | 1.57 | 1.10 | 1.13 |
| P peak-to-peak (W) | ±57.9 | ±282.3 | ±38.6 | ±46.9 |
| Q peak-to-peak (W) | ±57.8 | ±58 | ±36 | ±39.3 |
© 2020 by the authors. Licensee MDPI, Basel, Switzerland. This article is an open access article distributed under the terms and conditions of the Creative Commons Attribution (CC BY) license (http://creativecommons.org/licenses/by/4.0/).
Share and Cite
Bohari, A.A.; Goh, H.H.; Tonni, A.K.; Lee, S.S.; Sim, S.Y.; Goh, K.C.; Lim, C.S.; Luo, Y.C. Predictive Direct Power Control for Dual-Active-Bridge Multilevel Inverter Based on Conservative Power Theory. Energies 2020, 13, 2951. https://doi.org/10.3390/en13112951
Bohari AA, Goh HH, Tonni AK, Lee SS, Sim SY, Goh KC, Lim CS, Luo YC. Predictive Direct Power Control for Dual-Active-Bridge Multilevel Inverter Based on Conservative Power Theory. Energies. 2020; 13(11):2951. https://doi.org/10.3390/en13112951
Chicago/Turabian StyleBohari, Azuwien Aida, Hui Hwang Goh, Agustiono Kurniawan Tonni, Sze Sing Lee, Sy Yi Sim, Kai Chen Goh, Chee Shen Lim, and Yi Chen Luo. 2020. "Predictive Direct Power Control for Dual-Active-Bridge Multilevel Inverter Based on Conservative Power Theory" Energies 13, no. 11: 2951. https://doi.org/10.3390/en13112951
APA StyleBohari, A. A., Goh, H. H., Tonni, A. K., Lee, S. S., Sim, S. Y., Goh, K. C., Lim, C. S., & Luo, Y. C. (2020). Predictive Direct Power Control for Dual-Active-Bridge Multilevel Inverter Based on Conservative Power Theory. Energies, 13(11), 2951. https://doi.org/10.3390/en13112951

