Direct Torque Control of PMSM with Modified Finite Set Model Predictive Control
Abstract
:1. Introduction
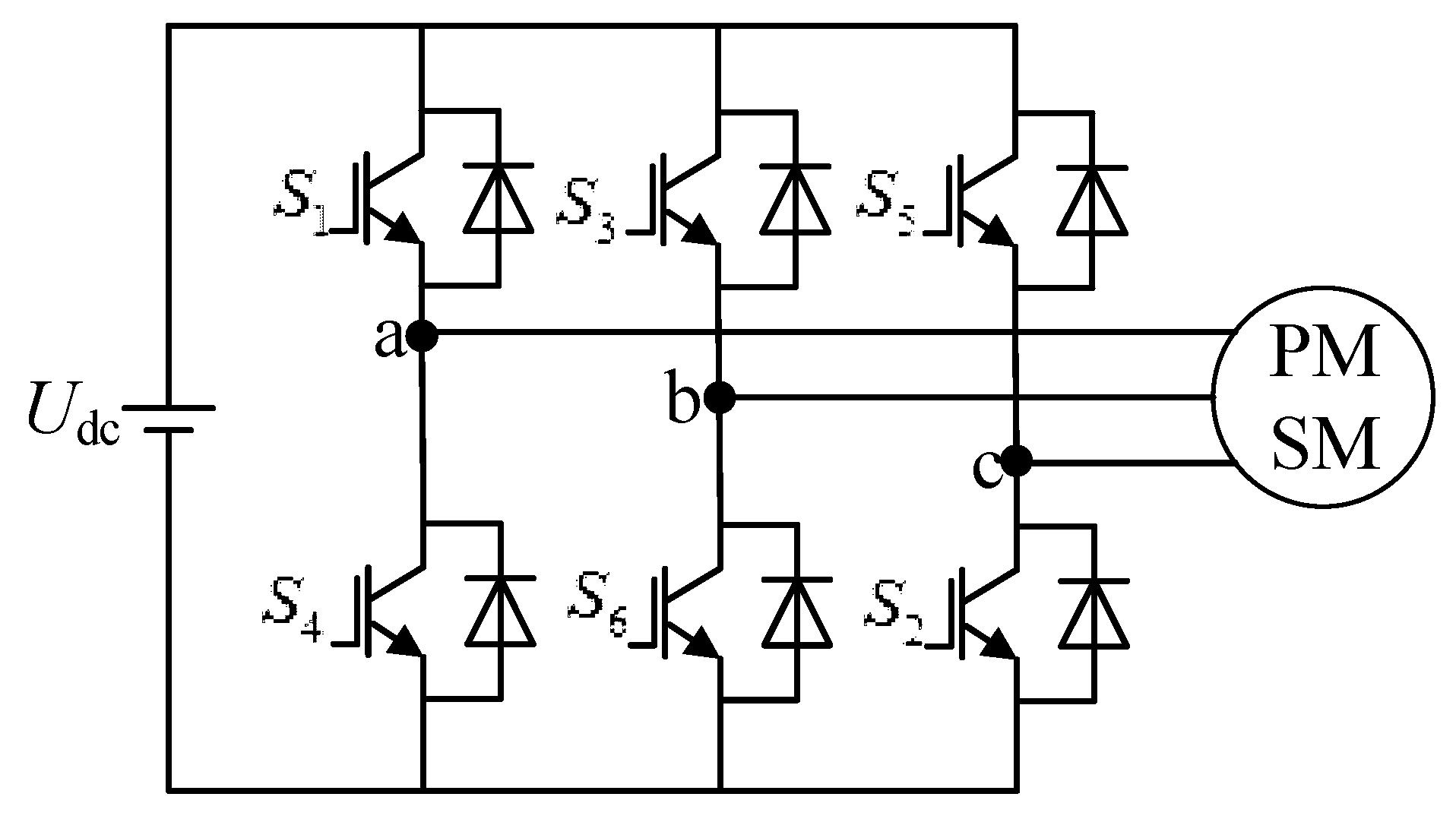
2. Discrete Mathematical Model of PMSM and Drive
3. Predictive Control Based on Duty Cycle
3.1. Design of Cost Function
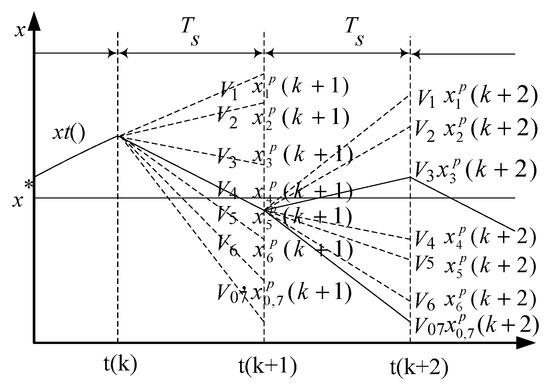
3.2. Duty Cycle Calculation
3.3. Finite Control Set Model Prediction
4. Simulation Results
4.1. Steady-State Operation
4.2. Dynamic Response
4.3. Motor Parameter Robustness
5. Experimental Test
5.1. Experiment on SPMSM
5.2. Experiment on IPMSM
6. Summary
Author Contributions
Funding
Conflicts of Interest
Appendix A
References
- Yang, J.F.; Hu, Y.W. Optimal direct torque control of permanent magnet synchronous motor. Proc. Chin. Soc. Electr. Eng. 2011, 31, 109–115. [Google Scholar]
- Depenbrock, M. Direct self-control (DSC) of inverter fed induction machine. IEEE Trans. Power Electron. 1988, 3, 420–429. [Google Scholar] [CrossRef]
- Uddin, M.N.; Zou, H.; Azevedo, F. Online loss-minimization-based adaptive flux observer for direct torque and flux control of PMSM drive. IEEE Trans. Ind. Appl. 2016, 52, 425–431. [Google Scholar] [CrossRef]
- Swierczynski, D.; Kazmierkowski, M.P. Direct torque control of permanent magnet synchronous motor (PMSM) using space vector modulation (DTC-SVM)-simulation and experimental results. In Proceedings of the Conference of the IEEE 2002 28th Annual Conference of the Industrial Electronics Society, Sevilla, Spain, 5–8 November 2002. [Google Scholar]
- Tang, L.; Zhong, L.; Rahman, M.; Hu, Y. A novel direct torque controlled interior permanent magnet synchronous machine drive with low ripple in flux and torque and fixed switching frequency. IEEE Trans. Power Electron. 2004, 19, 346–354. [Google Scholar] [CrossRef]
- Cho, Y.; Lee, K.B.; Song, J.H.; Lee, Y. Torque-ripple minimization and fast dynamic scheme for torque predictive control of permanent magnet synchronous motors. IEEE Trans. Power Electron. 2015, 30, 2182–2190. [Google Scholar] [CrossRef]
- Vafaie, M.H.; Dehkordi, B.M.; Moallem, P.; Kiyoumarsi, A. A new predictive direct torque control method for improving both steady-state and transient-state operations of the PMSM. IEEE Trans. Power Electron. 2016, 31, 3738–3753. [Google Scholar] [CrossRef]
- Zhang, Y.; Zhu, J. Direct torque control of permanent magnet synchronous motor with reduced torque ripple and commutation frequency. IEEE Trans. Power Electron. 2011, 26, 235–248. [Google Scholar] [CrossRef]
- Rodriguez, J.; Kazmierkowski, M.P.; Espinoza, J.R.; Zanchetta, P.; Abu-Rub, H.; Young, H.A.; Rojas, C.A. State of the art of finite control set model predictive control in power electronics. IEEE Trans. Ind. Inform. 2012, 9, 1003–1016. [Google Scholar] [CrossRef]
- Rodriguez, J.; Pontt, J.; Silva, C.; Salgado, M.; Rees, S.; Ammann, U.; Lezana, P.; Huerta, R.; Cortes, P. Predictive control of three-phase inverter. Electron. Lett. 2004, 40, 561–562. [Google Scholar] [CrossRef]
- Preindl, M.; Bolognani, S. Model predictive direct torque control with finite control set for PMSM drive systems, part 1: Maximum torque per ampere operation. IEEE Trans. Ind. Inform. 2013, 9, 1912–1921. [Google Scholar] [CrossRef]
- Liu, Q.; Hameyer, K. A finite control set model predictive direct torque control for the PMSM with MTPA operation and torque ripple minimization. In Proceedings of the 2015 IEEE International Electric Machines & Drives Conference (IEMDC), Coeur d’Alene, ID, USA, 10–13 May 2015; pp. 804–810. [Google Scholar]
- Geyer, T.; Papafotiou, G.; Morari, M. Model predictive direct torque control; part I: Concept, algorithm, and analysis. IEEE Trans. Ind. Electron. 2009, 56, 1894–1905. [Google Scholar] [CrossRef]
- Preindl, M.; Schaltz, E.; Thogersen, P. Switching frequency reduction using model predictive direct current control for high-power voltage source inverters. IEEE Trans. Ind. Electron. 2010, 58, 2826–2835. [Google Scholar] [CrossRef]
- Mayne, D.Q.; Rawlings, J.B.; Rao, C.V.; Scokaert, P.O.M. Constrained model predictive control: Stability and optimality. Automatica 2000, 36, 789–814. [Google Scholar] [CrossRef]
- Alam, K.S.; Akter, M.P.; Xiao, D.; Zhang, D.; Rahman, M.F. Asymptotically Stable Predictive Control of a Grid-Connected Converter Based on Discrete Space Vector Modulation. IEEE Trans. Ind. Inform. 2018, 15, 2775–2785. [Google Scholar] [CrossRef]
- Aguilera, R.P.; Quevedo, D.E. On stability and performance of finite control set MPC for power converters. In Proceedings of the Workshop Predictive Control Electrical Drives Power Electronics, Munich, Germany, 14–15 October 2011; pp. 55–62. [Google Scholar]
- Lee, J.S.; Lorenz, R.D.; Valenzuela, M.A. Time-optimal and loss minimizing deadbeat-direct torque and flux control for interior permanent magnet synchronous machines. IEEE Trans. Ind. Appl. 2014, 50, 1880–1890. [Google Scholar] [CrossRef]
- Xu, W.; Lorenz, R.D. Dynamic loss minimization using improved deadbeat-direct torque and flux control for interior permanent-magnet synchronous machines. IEEE Trans. Ind. Appl. 2014, 50, 1053–1065. [Google Scholar] [CrossRef]
- Chen, Y.; Sun, D.; Lin, B.; Ching, T.W.; Li, W. Dead-beat direct torque and flux control based on sliding-mode stator flux observer for PMSM in electric vehicles. In Proceedings of the 41st Annual Conference of the IEEE Industrial Electronics Society, Yokohama, Japan, 9–12 November 2015; pp. 2270–2275. [Google Scholar]
- Barcaro, M.; Fornasiero, E.; Bianchi, N.; Bolognani, S. Design procedure of IPM motor drive for railway traction. In Proceedings of the IEEE International Electric Machines & Drives Conference (IEMDC), Niagara Falls, ON, Canada, 15–18 May 2011; pp. 983–988. [Google Scholar]
- Bianchi, N.; Bolognani, S.; Ruzojcic, B. Design of a 1000 HP permanent magnet synchronous motor for ship propulsion. In Proceedings of the 13th European Conference on Power Electronics and Applications (EPE’09), Barcelona, Spain, 8–10 September 2009; pp. 1–8. [Google Scholar]
- Prior, G.; Krstic, M. Quantized-input control Lyapunov approach for permanent magnet synchronous motor drives. IEEE Trans. Control Syst. Technol. 2013, 21, 1784–1794. [Google Scholar] [CrossRef]















| Sa | Sb | Sc | |
|---|---|---|---|
| 0 | S1 on S4 off | S3 on S6 off | S2 on S5 off |
| 1 | S1 off S4 on | S3 off S6 on | S2 off S5 on |
| Sa | Sb | Sc | Voltage Vector Uout |
|---|---|---|---|
| 0 | 0 | 0 | |
| 0 | 0 | 1 | |
| 0 | 1 | 0 | |
| 0 | 1 | 1 | |
| 1 | 0 | 0 | |
| 1 | 0 | 1 | |
| 1 | 1 | 0 | |
| 1 | 1 | 1 |
| Variable | Parameter | Value |
|---|---|---|
| Rated power | 6.5 kW | |
| Rated speed | 1500 rpm | |
| Rated voltage | 306 V | |
| Rated current | 12.3 A | |
| Stator resistance | 1.01 Ω | |
| 15 mH | ||
| Number of pairs of poles | 4 | |
| Rotary inertia | 0.01535 kg·m2 | |
| Flux linkage of the rotor | 0.175 Wb |
| Variable | Parameter | Value |
|---|---|---|
| Rated power | 5.2 kW | |
| Rated speed | 1500 rpm | |
| Rated voltage | 380 V | |
| Stator resistance | 0.39 Ω | |
| 0.88 mH | ||
| 1.62 mH | ||
| Number of pairs of poles | 4 | |
| Flux linkage of the rotor | 0.163 Wb |
© 2020 by the authors. Licensee MDPI, Basel, Switzerland. This article is an open access article distributed under the terms and conditions of the Creative Commons Attribution (CC BY) license (http://creativecommons.org/licenses/by/4.0/).
Share and Cite
Bao, G.; Qi, W.; He, T. Direct Torque Control of PMSM with Modified Finite Set Model Predictive Control. Energies 2020, 13, 234. https://doi.org/10.3390/en13010234
Bao G, Qi W, He T. Direct Torque Control of PMSM with Modified Finite Set Model Predictive Control. Energies. 2020; 13(1):234. https://doi.org/10.3390/en13010234
Chicago/Turabian StyleBao, GuangQing, WuGang Qi, and Ting He. 2020. "Direct Torque Control of PMSM with Modified Finite Set Model Predictive Control" Energies 13, no. 1: 234. https://doi.org/10.3390/en13010234
APA StyleBao, G., Qi, W., & He, T. (2020). Direct Torque Control of PMSM with Modified Finite Set Model Predictive Control. Energies, 13(1), 234. https://doi.org/10.3390/en13010234
