Five-Level T-type Cascade Converter for Rooftop Grid-Connected Photovoltaic Systems
Abstract
1. Introduction
2. The 5L-CTNPC Converter Topology
2.1. Fundamental Principle of the 5L-CTNPC
2.2. Proposed Hybrid LS-PWM and PS-PWM Modulation Scheme for 5L-CTNPC Converter
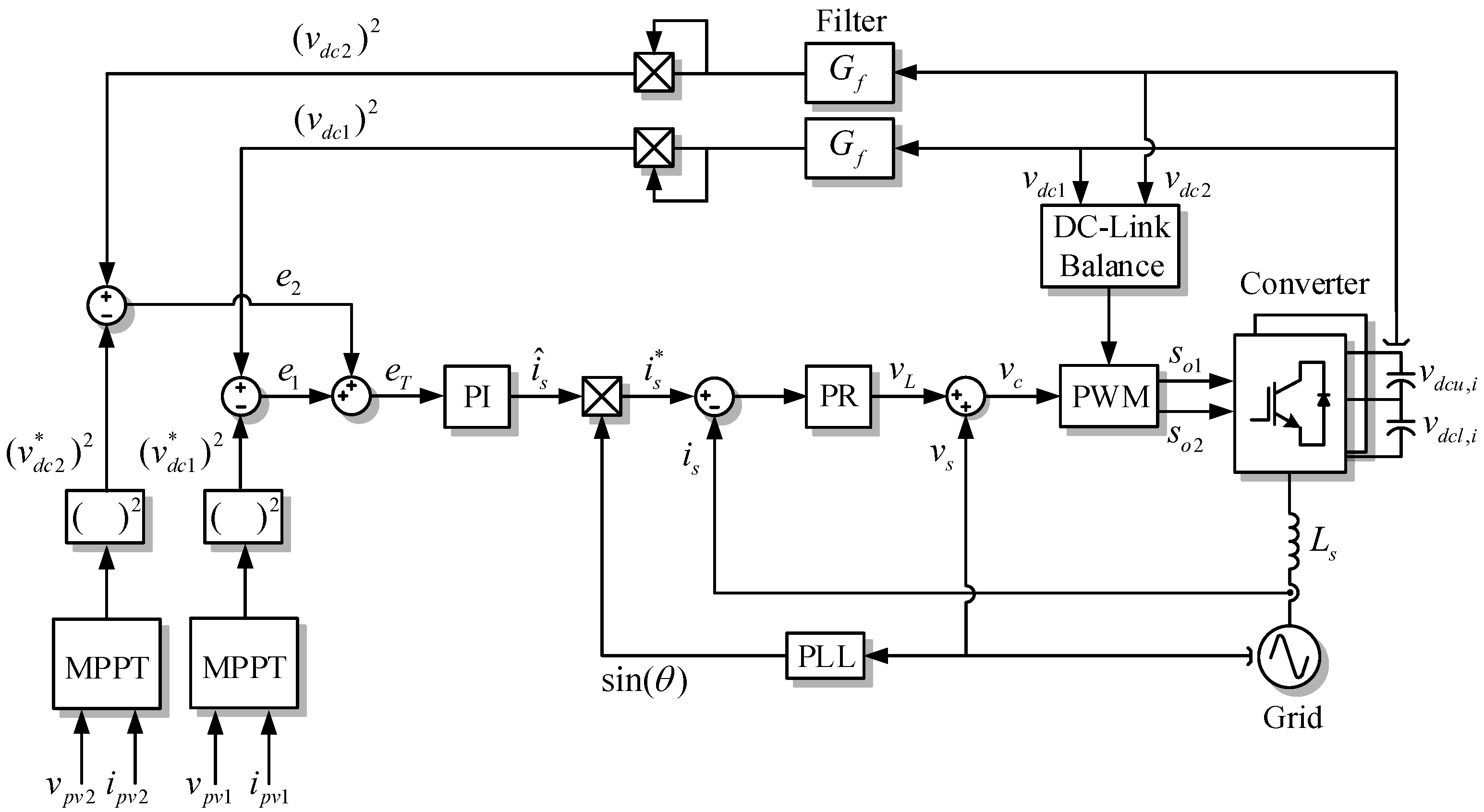
3. Overall Control Strategy
3.1. MPPT and Outer DC-Link Controller
3.2. PMR Current Control Scheme
3.3. Voltage Balancing Control and Power Balance Scheme
4. Results
4.1. Simulation Results
4.2. Experimental Results
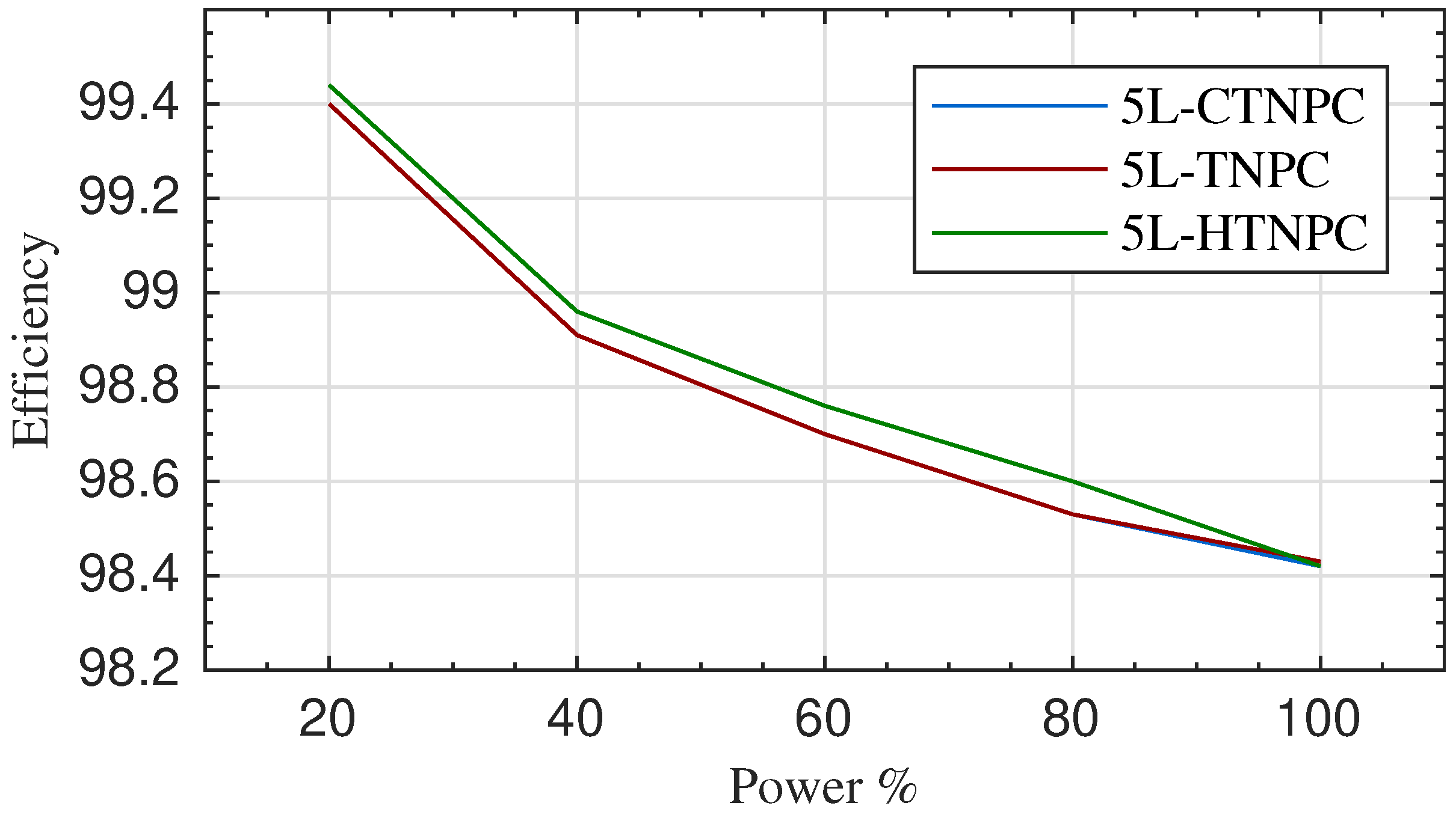
4.3. Brief Comparison with Other Five-Level T-type Converters
5. Conclusions
Author Contributions
Funding
Conflicts of Interest
Abbreviations
| AC | Alternating Current |
| DC | Direct Current |
| PV | Photovoltaic |
| NPC | Neutral Point Clamped |
| MLI | Multi Level Inverter |
| THD | Total Harmonic Distortion |
| MV | Medium-Voltage |
| 3L-NPC | Three-Level Neutral Point Clamped |
| 3L-TNPC | Three-Level T-type Neutral Point Clamped |
| 3L-NPP | Three-Level Neutral Point Piloted |
| 5L-TNPC | Five-Level T-type Neutral Point Clamped |
| 5L-HTNPC | Five-Level Hybrid T-type Neutral Point Clamped |
| CHB | Cascade H-Bridge |
| 9L-TNPC | Nine-Level T-type Neutral Point Clamped |
| 5L-CTNPC | Five-Level Cascade T-type Neutral Point Clamped |
| IGBT | Isolated Gate Bipolar Transistor |
| MOSFET | Metal Oxide Semiconductor Field Effect Transistor |
| MPPT | Maximum Power Point Tracking |
| PID | Potential-Induced Degradation |
| PWM | Pulse Width Modulation |
| LS-PWM | Level-Shifted Pulse Width Modulation |
| PS-PWM | Phase-Shifted Pulse Width Modulation |
| SVM | Space Vector Modulation |
| PMR | Proportional Multiresonant |
| P&O | Perturb and Observe |
| PI | Proportional-Integral |
| SOGI | Second Order Generalized Integrator |
| SRF-PLL | Synchronous Reference Frame Phase Lock Loop |
Nomenclature
| Grid voltage | |
| Grid current | |
| Filter inductor | |
| Filter resistor for modelling purposes | |
| Total converter voltage | |
| Converter voltage per cell | |
| Capacitance per cell | |
| , | Switching signals per cell |
| , | Upper and lower capacitor voltages per cell |
| DC-link voltage per cell | |
| DC-link voltage reference per cell | |
| PV voltage per cell | |
| PV current per cell | |
| Modulation reference signal per cell | |
| , | Carrier signals |
| Per-unit converter voltage reference | |
| Energy error per cell | |
| Total error energy | |
| Reference current magnitude | |
| Angular grid frequency | |
| Grid angle | |
| Grid frequency | |
| Notch filter | |
| MPPT voltage step | |
| MPPT time step | |
| Current reference | |
| Current controller | |
| Proportional gain of the PMR controller | |
| Integral gain of the PMR controller for each h-th frequency component | |
| h | Grid harmonic |
| Inductor voltage | |
| Inductor voltage reference | |
| Carrier frequency | |
| Sampling period | |
| BW | DC-link control bandwidth |
| BW | Current control bandwidth |
| BW | Balancing control bandwidth |
| Maximum power | |
| Voltage at maximum power | |
| Open-circuit voltage | |
| Current at maximum power | |
| Short-circuit current | |
| Voltage drift modulation component | |
| Cell voltage control | |
| Power per cell |
References
- Kouro, S.; Leon, J.I.; Vinnikov, D.; Franquelo, L.G. Grid-Connected Photovoltaic Systems: An Overview of Recent Research and Emerging PV Converter Technology. IEEE Ind. Electron. Mag. 2015, 9, 47–61. [Google Scholar] [CrossRef]
- Jedtberg, H.; Pigazo, A.; Liserre, M.; Buticchi, G. Analysis of the Robustness of Transformerless PV Inverter Topologies to the Choice of Power Devices. IEEE Trans. Power Electron. 2017, 32, 5248–5257. [Google Scholar] [CrossRef]
- Kouro, S.; Malinowski, M.; Gopakumar, K.; Pou, J.; Franquelo, L.G.; Wu, B.; Rodriguez, J.; Perez, M.A.; Leon, J.I. Recent Advances and Industrial Applications of Multilevel Converters. IEEE Trans. Ind. Electron. 2010, 57, 2553–2580. [Google Scholar] [CrossRef]
- Muñoz-Cruzado-Alba, J.; Rojas, C.A.; Kouro, S.; Díez, E.G. Power production losses study by frequency regulation in weak-grid-connected utility-scale photovoltaic plants. Energies 2016, 9, 317. [Google Scholar] [CrossRef]
- Wang, Y.; Shi, W.W.; Xie, N.; Wang, C.M. Diode-Free T-Type Three-Level Neutral-Point-Clamped Inverter for Low-Voltage Renewable Energy System. IEEE Trans. Ind. Electron. 2014, 61, 6168–6174. [Google Scholar] [CrossRef]
- Shi, Y.; Wang, L.; Xie, R.; Shi, Y.; Li, H. A 60-kW 3-kW/kg Five-Level T-Type SiC PV Inverter With 99.2% Peak Efficiency. IEEE Trans. Ind. Electron. 2017, 64, 9144–9154. [Google Scholar] [CrossRef]
- Schweizer, M.; Kolar, J.W. Design and Implementation of a Highly Efficient Three-Level T-Type Converter for Low-Voltage Applications. IEEE Trans. Power Electron. 2013, 28, 899–907. [Google Scholar] [CrossRef]
- Semikron: 3L NPC and TNPC Topology. 2015. Available online: https://www.semikron.com/zh/service-support/downloads/detail/semikron-application-note-3l-npc-tnpc-topology-en-2015-10-12-rev-05.html (accessed on 1 March 2019).
- Infineon: 3-Level configurations. 2016. Available online: https://www.infineon.com/dgdl/Infineon-3_ Level_Inverter-PB-v08_00-EN.pdf?fileId=db3a30432a14dd54012a31d664d90273 (accessed on 1 March 2019).
- OnSemiconductor: Q0PACK Modules. 2018. Available online: https://www.onsemi.com/pub/Collateral/NXH80T120L2Q0S2G-D.PDF (accessed on 1 March 2018).
- Joetten, R.; Gekeler, M.; EIBEL, J. AC drive with three level voltage source inverter and high dynamic performance micropocessor control. In Proceedings of the First European Conference on Power Electronics and Applications, Brussels, Belgium, September 1985; p. 6. [Google Scholar]
- Salem, A.; Abido, M.A. T-Type Multilevel Converter Topologies: A Comprehensive Review. Arab. J. Sci. Eng. 2018, 44, 1713–1735. [Google Scholar] [CrossRef]
- Xue, Y.; Manjrekar, M. A new class of single-phase multilevel inverters. In Proceedings of the 2nd International Symposium on Power Electronics for Distributed Generation Systems, Hefei, China, 16–18 June 2010; pp. 565–571. [Google Scholar]
- Almeida Cacau, R.; Torrico-Bascope, R.P.; Neto, J.A.F.; Torrico-Bascope, G.V. Five-Level T-Type Inverter Based on Multistate Switching Cell. IEEE Trans. Ind. Appl. 2014, 50, 3857–3866. [Google Scholar] [CrossRef]
- Aly, M.; Ahmed, E.M.; Shoyama, M. Modulation Method for Improving Reliability of Multilevel T-type Inverter in PV Systems. IEEE J. Emerg. Sel. Top. Power Electron. 2019, 1. [Google Scholar] [CrossRef]
- Valderrama, G.E.; Guzman, G.V.; Pool-Mazun, E.I.; Martinez-Rodriguez, P.R.; Lopez-Sanchez, M.J.; Zuniga, J.M.S. A Single-Phase Asymmetrical T-Type Five-Level Transformerless PV Inverter. IEEE J. Emerg. Sel. Top. Power Electron. 2018, 6, 140–150. [Google Scholar] [CrossRef]
- Limones-Pozos, C.A.; Martinez-Rodriguez, P.R.; Sosa, J.M.; Vazquez, G.; Izaguirre-Vera, A. Design and analysis of a single-phase transformerless multilevel 7L-TT-HB cascade inverter for renewable energy applications. In Proceedings of the 2018 IEEE International Autumn Meeting on Power, Electronics and Computing (ROPEC), Ixtapa, Mexico, 14–16 November 2018; pp. 1–6. [Google Scholar] [CrossRef]
- Chang, W.-N.; Liao, C.-H. Design and Implementation of a STATCOM Based on a Multilevel FHB Converter with Delta-Connected Configuration for Unbalanced Load Compensation. Energies 2017, 10, 921. [Google Scholar] [CrossRef]
- Yoo, A. Multi-Ievel Medium-Voltage Inverter. 2015/EP2822164A2. 2015. Available online: https://patents.google.com/patent/EP2822164A2/en (accessed on 1 May 2018).
- Verdugo, C.; Kouro, S.; Perez, M.A.; Malinowski, M.; Meynard, T. Series-connected T-type Inverters for single-phase grid-connected Photovoltaic Energy System. In Proceedings of the 39th Annual Conference of the IEEE Industrial Electronics Society (IECON 2013), Vienna, Austria, 10–13 November 2013; pp. 7021–7027. [Google Scholar] [CrossRef]
- Mori, S.; Aketa, M.; Sakaguchi, T.; Asahara, H.; Nakamura, T.; Kimoto, T. Demonstration of 3 kV 4H-SiC reverse blocking MOSFET. In Proceedings of the 2016 28th International Symposium on Power Semiconductor Devices and ICs (ISPSD), Prague, Czech Republic, 12–16 June 2016; pp. 271–274. [Google Scholar] [CrossRef]
- Gurpinar, E.; Castellazzi, A. Single-Phase T-Type Inverter Performance Benchmark Using Si IGBTs, SiC MOSFETs, and GaN HEMTs. IEEE Trans. Power Electron. 2016, 31, 7148–7160. [Google Scholar] [CrossRef]
- Chub, A.; Vinnikov, D.; Blaabjerg, F.; Peng, F.Z. A Review of Galvanically Isolated Impedance-Source DC-DC Converters. IEEE Trans. Power Electron. 2016, 31, 2808–2828. [Google Scholar] [CrossRef]
- Dargahi, V.; Abarzadeh, M.; Corzine, K.A.; Enslin, J.H.; Sadigh, A.K.; Rodriguez, J.; Blaabjerg, F.; Maqsood, A. Fundamental Circuit Topology of Duo-Active-Neutral-Point-Clamped, Duo-Neutral-Point-Clamped, and Duo-Neutral-Point-Piloted Multilevel Converters. IEEE J. Emerg. Sel. Top. Power Electron. 2018, 1. [Google Scholar] [CrossRef]
- Serban, E.; Pondiche, C.; Ordonez, M. Modulation Effects on Power-Loss and Leakage Current in Three-Phase Solar Inverters. IEEE Trans. Energy Convers. 2019, 34, 339–350. [Google Scholar] [CrossRef]
- Leon, J.I.; Kouro, S.; Franquelo, L.G.; Rodriguez, J.; Wu, B. The Essential Role and the Continuous Evolution of Modulation Techniques for Voltage-Source Inverters in the Past, Present, and Future Power Electronics. IEEE Trans. Ind. Electron. 2016, 63, 2688–2701. [Google Scholar] [CrossRef]
- Lee, T.; Bu, H.; Cho, Y. Hybrid PWM Strategy for Power Efficiency Improvement of 5-Level TNPC Inverter and Current Distortion Compensation Method. Electronics 2019, 8, 76. [Google Scholar] [CrossRef]
- Teodorescu, R.; Liserre, M.; Rodriguez, P. Grid Converters for Photovoltaic and Wind Power Systems; John Wiley & Sons: Hoboken, NJ, USA, 2011. [Google Scholar]
- Kouro, S.; Wu, B.; Moya, A.; Villanueva, E.; Correa, P.; Rodriguez, J. Control of a cascaded H-bridge multilevel converter for grid connection of photovoltaic systems. In Proceedings of the 2009 35th Annual Conference of IEEE Industrial Electronics, Porto, Portugal, 3–5 November 2009; pp. 3976–3982. [Google Scholar] [CrossRef]
- IGBT Model IXXK100N60C3H1 Datasheet. 2015. Available online: https://hr.mouser.com/ProductDetail/IXYS/IXXK100N60C3H1/?qs=DTxAbJQb9nVqmCmAy76OGQ%3D%3D (accessed on 1 May 2018).


















| State | |||||
|---|---|---|---|---|---|
| 1 | 1 | 1 | 1 | 1 | |
| 2 | 1 | 1 | 0 | 1 | |
| 3 | 0 | 1 | 1 | 1 | |
| 4 | 1 | 1 | 0 | 0 | |
| 5 | 0 | 0 | 1 | 1 | 0 |
| 6 | 0 | 1 | 0 | 1 | |
| 7 | 0 | 1 | 0 | 0 | |
| 8 | 0 | 0 | 0 | 1 | |
| 9 | 0 | 0 | 0 | 0 |
| Symbol | Parameter | Simulation Value | Experimental Value |
|---|---|---|---|
| Grid Parameters | |||
| Peak grid voltage | 80 (V) | 80 (V) | |
| Grid frequency | 50 (Hz) | 50 (Hz) | |
| Converter Parameters | |||
| DC-link capacitors | 1950 (F) | 1950 (F) | |
| Carrier frequency | 2000 (kHz) | 2083 (kHz) | |
| Grid inductance | 5 (mH) | 5 (mH) | |
| Grid resistance | 0.01 () | 1 () | |
| Control Parameters | |||
| Sample period | 10 (s) | 15 (s) | |
| BW | DC-link control bandwidth | 14 (Hz) | 14 (Hz) |
| BW | Current control bandwidth | 270 (Hz) | 270 (Hz) |
| BW | Balancing control bandwidth | 5 (Hz) | 5 (Hz) |
| MPPT Parameters | |||
| P&O period | 0.24 (s) | 2.1 (s) | |
| P&O voltage step | 6 (V) | 6 (V) | |
| PV String Parameters | |||
| Maximum power | 106 (W) | 106 (W) | |
| Voltage at maximum power | 48.4 (V) | 48.4 (V) | |
| Open-circuit voltage | 65.0 (V) | 65.0 (V) | |
| Current at maximum power | 2.2 (A) | 2.2 (A) | |
| Short-circuit current | 2.6 (A) | 2.6 (A) | |
| Parameter | 5L-CTNPC | 5L-HTNPC | 5L-TNPC |
|---|---|---|---|
| DC-link voltage | |||
| IGBT blocking voltage | |||
| IGBT switching freq. | 8 × 2 (kHz) | 4 × 2 (kHz), 2 × 50 (Hz) | 8 × 2 [kHz] |
| Apparent output voltage Ffreq. | 4 (kHz) | 2 (kHz) | 4 [kHz] |
| Grid current THD | 2.83% | 4.91% | 2.53% |
| Switching losses | 0.087% | 0.078% | 0.087% |
| Cond. losses | 1.467% | 1.409% | 1.469% |
| Converter efficiency | 98.43% | 98.51% | 98.44% |
| MPPT efficiency | +++ | ++ | ++ |
| Topology configure | Symmetrical | Asymmetrical | Symmetrical |
| 2 MPPT | 1 voltage control loop | 1 voltage control loop | |
| Advantages | High energy yield | Good power quality | High power quality |
| High power quality | |||
| Disadvantages | 2 voltage control loops | 1 MPPT only | 1 MPPT only |
| High cond. losses | DC-voltage offsets | High cond. losses |
© 2019 by the authors. Licensee MDPI, Basel, Switzerland. This article is an open access article distributed under the terms and conditions of the Creative Commons Attribution (CC BY) license (http://creativecommons.org/licenses/by/4.0/).
Share and Cite
Verdugo, C.; Kouro, S.; Rojas, C.A.; Perez, M.A.; Meynard, T.; Malinowski, M. Five-Level T-type Cascade Converter for Rooftop Grid-Connected Photovoltaic Systems. Energies 2019, 12, 1743. https://doi.org/10.3390/en12091743
Verdugo C, Kouro S, Rojas CA, Perez MA, Meynard T, Malinowski M. Five-Level T-type Cascade Converter for Rooftop Grid-Connected Photovoltaic Systems. Energies. 2019; 12(9):1743. https://doi.org/10.3390/en12091743
Chicago/Turabian StyleVerdugo, Cristian, Samir Kouro, Christian A. Rojas, Marcelo A. Perez, Thierry Meynard, and Mariusz Malinowski. 2019. "Five-Level T-type Cascade Converter for Rooftop Grid-Connected Photovoltaic Systems" Energies 12, no. 9: 1743. https://doi.org/10.3390/en12091743
APA StyleVerdugo, C., Kouro, S., Rojas, C. A., Perez, M. A., Meynard, T., & Malinowski, M. (2019). Five-Level T-type Cascade Converter for Rooftop Grid-Connected Photovoltaic Systems. Energies, 12(9), 1743. https://doi.org/10.3390/en12091743

