Arm Power Control of the Modular Multilevel Converter in Photovoltaic Applications
Abstract
1. Introduction
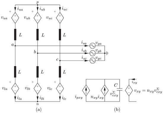
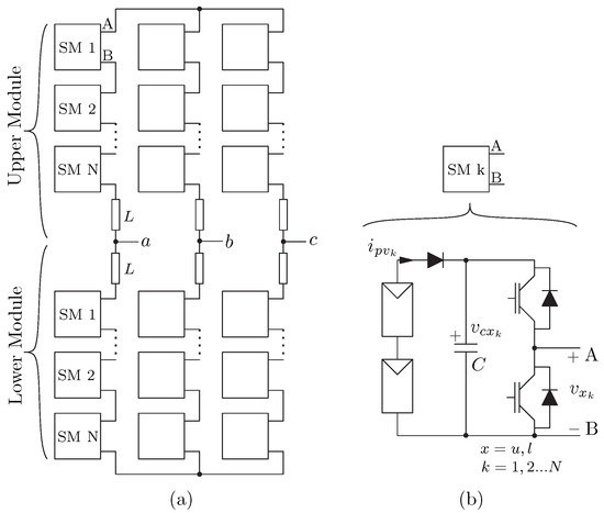
2. Modeling of MMC with PV String on Each SM
3. Proposed Control Strategy
3.1. Requirement for Balanced Operation
3.1.1. Constraint 1
3.1.2. Constraint 2
3.1.3. Constraint 3
3.2. Proposed Arm Power Control of MMC
3.2.1. MPPT Algorithm
3.2.2. Power Reference Generation
3.2.3. Output Current Reference Generation
3.2.4. Output Current Controller
3.2.5. DC Circulating Current Reference Generation
3.2.6. Circulating Current Control
3.2.7. SM Capacitor Voltage-Tracking Algorithm
3.3. Requirements on Current and Voltage Measurement
4. Simulation Results
4.1. Case 1: The Upper Arms of the MMC Does Not Generate Power
4.2. Case 2: One Lower Arm and Two Upper Arm of the MMC Does Not Generate Power
4.3. Case 3: One Upper Arm Alone Generate Power in the MMC
4.4. Observations and Discussions
5. Conclusions
Author Contributions
Funding
Conflicts of Interest
Nomenclature
| Average value of ‘a’ over the fundamental period | |
| AC variable with zero average value | |
| RMS value of ‘a’ over fundamental period | |
| Row vector with dimension | |
| Upper (u) or Lower (l) arm | |
| Phase a, b or c | |
| Sub-Module index | |
| g | Reference ground |
| N | Number of Sub-Modules |
| Insertion index of kth Sub-Module in upper or lower arm per phase | |
| Insertion index of upper or lower arm per phase | |
| Upper or lower arm current per phase | |
| Output current per phase | |
| Circulating current per phase | |
| PV string current in kth Sub-Module per phase | |
| Capacitor voltage of kth Sub-Module in upper or lower arm per phase | |
| Sum capacitor voltage of upper or lower arm per phase | |
| Inserted upper or lower arm voltage per phase | |
| Output voltage in each phase | |
| Average arm capacitor voltage per phase | |
| Grid voltage per phase | |
| Common mode voltage at node ‘p’ | |
| Common mode voltage at node ‘n’ | |
| Effective DC link voltage | |
| Stored energy per arm in each phase | |
| Stored energy in each phase | |
| P | Three phase active power |
| Q | Three phase reactive power |
| PV power in kth Sub-Module in each phase | |
| Effective PV power in upper or lower arm per phase |
References
- Cabrera-Tobar, A.; Bullich-Massagué, E.; Aragüés-Peñalba, M.; Gomis-Bellmunt, O. Topologies for Large Scale Photovoltaic Power Plants. Renew. Sustain. Energy Rev. 2016, 59, 309–319. [Google Scholar] [CrossRef]
- Carrasco, J.M.; Franquelo, L.G.; Bialasiewicz, J.T.; Galvan, E.; PortilloGuisado, R.C.; Prats, M.A.M.; Leon, J.I.; Moreno-Alfonso, N. Power-Electronic Systems for the Grid Integration of Renewable Energy Sources: A Survey. IEEE Trans. Ind. Electron. 2006, 53, 1002–1016. [Google Scholar] [CrossRef]
- Elasser, A.; Agamy, M.; Sabate, J.; Steigerwald, R.; Fisher, R.; Harfman-Todorovic, M. A Comparative Study of Central and Distributed MPPT Architectures for Megawatt Utility and Large Scale Commercial Photovoltaic Plants. In Proceedings of the IECON 2010-36th Annual Conference on IEEE Industrial Electronics Society, Glendale, AZ, USA, 7–10 November 2010; pp. 2753–2758. [Google Scholar] [CrossRef]
- Xue, Y.; Ge, B.; Peng, F.Z. Reliability, Efficiency, and Cost Comparisons of MW-Scale Photovoltaic Inverters. In Proceedings of the 2012 IEEE Energy Conversion Congress and Exposition (ECCE), Raleigh, NC, USA, 15–20 September 2012; pp. 1627–1634. [Google Scholar] [CrossRef]
- Rivera, S.; Wu, B.; Kouro, S.; Wang, H.; Zhang, D. Cascaded H-Bridge Multilevel Converter Topology and Three-Phase Balance Control for Large Scale Photovoltaic Systems. In Proceedings of the 2012 3rd IEEE International Symposium on Power Electronics for Distributed Generation Systems (PEDG), Aalborg, Denmark, 25–28 June 2012; pp. 690–697. [Google Scholar] [CrossRef]
- Zhao, W.; Choi, H.; Konstantinou, G.; Ciobotaru, M.; Agelidis, V.G. Cascaded H-Bridge Multilevel Converter for Large-Scale PV Grid-Integration with Isolated DC-DC Stage. In Proceedings of the 2012 3rd IEEE International Symposium on Power Electronics for Distributed Generation Systems (PEDG), Aalborg, Denmark, 25–28 June 2012; pp. 849–856. [Google Scholar] [CrossRef]
- Akagi, H. Classification, Terminology, and Application of the Modular Multilevel Cascade Converter (MMCC). IEEE Trans. Power Electron. 2011, 26, 3119–3130. [Google Scholar] [CrossRef]
- Mei, J.; Xiao, B.; Shen, K.; Tolbert, L.M.; Zheng, J.Y. Modular Multilevel Inverter with New Modulation Method and Its Application to Photovoltaic Grid-Connected Generator. IEEE Trans. Power Electron. 2013, 28, 5063–5073. [Google Scholar] [CrossRef]
- Nademi, H.; Das, A.; Burgos, R.; Norum, L.E. A New Circuit Performance of Modular Multilevel Inverter Suitable for Photovoltaic Conversion Plants. IEEE J. Emerg. Sel. Top. Power Electron. 2016, 4, 393–404. [Google Scholar] [CrossRef]
- Rivera, S.; Wu, B.; Lizana, R.; Kouro, S.; Perez, M.; Rodriguez, J. Modular Multilevel Converter for Large-Scale Multistring Photovoltaic Energy Conversion System. In Proceedings of the 2013 IEEE Energy Conversion Congress and Exposition, Denver, CO, USA, 15–19 September 2013; pp. 1941–1946. [Google Scholar] [CrossRef]
- Lesnicar, A.; Marquardt, R. An Innovative Modular Multilevel Converter Topology Suitable for a Wide Power Range. In Proceedings of the 2003 IEEE Bologna Power Tech Conference Proceedings, Bologna, Italy, 23–26 June 2003; Volume 3, p. 6. [Google Scholar] [CrossRef]
- Zeng, R.; Xu, L.; Yao, L.; Williams, B.W. Design and Operation of a Hybrid Modular Multilevel Converter. IEEE Trans. Power Electron. 2015, 30, 1137–1146. [Google Scholar] [CrossRef]
- Xu, J.; Zhao, P.; Zhao, C. Reliability Analysis and Redundancy Configuration of MMC With Hybrid Submodule Topologies. IEEE Trans. Power Electron. 2016, 31, 2720–2729. [Google Scholar] [CrossRef]
- Harnefors, L.; Antonopoulos, A.; Norrga, S.; Angquist, L.; Nee, H.P. Dynamic Analysis of Modular Multilevel Converters. IEEE Trans. Ind. Electron. 2013, 60, 2526–2537. [Google Scholar] [CrossRef]
- Hagiwara, M.; Akagi, H. Control and Experiment of Pulsewidth-Modulated Modular Multilevel Converters. IEEE Trans. Power Electron. 2009, 24, 1737–1746. [Google Scholar] [CrossRef]
- Sharifabadi, K.; Harnefors, L.; Nee, H.P.; Norrga, S.; Teodorescu, R. Design, Control, and Application of Modular Multilevel Converters for HVDC Transmission Systems; Wiley-IEEE Press: Chichester, UK, 2016. [Google Scholar]
- Yang, S.; Tang, Y.; Wang, P. Distributed Control for a Modular Multilevel Converter. IEEE Trans. Power Electron. 2018, 33, 5578–5591. [Google Scholar] [CrossRef]
- Townsend, C.D.; Summers, T.J.; Betz, R.E. Control and Modulation Scheme for a Cascaded H-Bridge Multi-Level Converter in Large Scale Photovoltaic Systems. In Proceedings of the 2012 IEEE Energy Conversion Congress and Exposition (ECCE), Raleigh, NC, USA, 15–20 September 2012; pp. 3707–3714. [Google Scholar] [CrossRef]
- Nami, A.; Liang, J.; Dijkhuizen, F.; Demetriades, G.D. Modular Multilevel Converters for HVDC Applications: Review on Converter Cells and Functionalities. IEEE Trans. Power Electron. 2015, 30, 18–36. [Google Scholar] [CrossRef]
- Iannuzzi, D.; Piegari, L.; Tricoli, P. A Novel PV-Modular Multilevel Converter for Building Integrated Photovoltaics. In Proceedings of the 2013 Eighth International Conference and Exhibition on Ecological Vehicles and Renewable Energies (EVER), Monte Carlo, Monaco, 27–30 March 2013; pp. 1–7. [Google Scholar] [CrossRef]
- Stringfellow, J.D.; Summers, T.J.; Betz, R.E. Control of the Modular Multilevel Converter as a Photovoltaic Interface under Unbalanced Irradiance Conditions with MPPT of Each PV Array. In Proceedings of the 2016 IEEE 2nd Annual Southern Power Electronics Conference (SPEC), Auckland, New Zealand, 5–8 December 2016; pp. 1–6. [Google Scholar] [CrossRef]
- Siemaszko, D.; Antonopoulos, A.; Ilves, K.; Vasiladiotis, M.; Ängquist, L.; Nee, H.P. Evaluation of Control and Modulation Methods for Modular Multilevel Converters. In Proceedings of the 2010 International Power Electronics Conference—ECCE ASIA, Sapporo, Japan, 21–24 June 2010; pp. 746–753. [Google Scholar] [CrossRef]
- Antonopoulos, A.; Angquist, L.; Nee, H.P. On Dynamics and Voltage Control of the Modular Multilevel Converter. In Proceedings of the 2009 13th European Conference on Power Electronics and Applications, Barcelona, Spain, 8–10 September 2009; pp. 1–10. [Google Scholar]
- Münch, P.; Görges, D.; Izák, M.; Liu, S. Integrated Current Control, Energy Control and Energy Balancing of Modular Multilevel Converters. In Proceedings of the IECON 2010-36th Annual Conference on IEEE Industrial Electronics Society, Glendale, AZ, USA, 7–10 November 2010; pp. 150–155. [Google Scholar] [CrossRef]
- Soong, T.; Lehn, P.W. Internal Power Flow of a Modular Multilevel Converter with Distributed Energy Resources. IEEE J. Emerg. Sel. Top. Power Electron. 2014, 2, 1127–1138. [Google Scholar] [CrossRef]
- Sochor, P.; Akagi, H. Theoretical Comparison in Energy-Balancing Capability Between Star- and Delta-Configured Modular Multilevel Cascade Inverters for Utility-Scale Photovoltaic Systems. IEEE Trans. Power Electron. 2016, 31, 1980–1992. [Google Scholar] [CrossRef]
- Esram, T.; Chapman, P.L. Comparison of Photovoltaic Array Maximum Power Point Tracking Techniques. IEEE Trans. Energy Convers. 2007, 22, 439–449. [Google Scholar] [CrossRef]
- Tenti, P.; Mattavelli, P.; Paredes, H.K.M. Conservative Power Theory, Sequence Components and Accountability in Smart Grids. In Proceedings of the 2010 International School on Nonsinusoidal Currents and Compensation, Lagow, Poland, 15–18 June 2010; pp. 37–45. [Google Scholar] [CrossRef]
- Tenti, P.; Paredes, H.K.M.; Mattavelli, P. Conservative Power Theory, a Framework to Approach Control and Accountability Issues in Smart Microgrids. IEEE Trans. Power Electron. 2011, 26, 664–673. [Google Scholar] [CrossRef]
- She, X.; Huang, A.; Ni, X.; Burgos, R. AC Circulating Currents Suppression in Modular Multilevel Converter. In Proceedings of the IECON 2012-38th Annual Conference on IEEE Industrial Electronics Society, Montreal, QC, Canada, 25–28 October 2012; pp. 191–196. [Google Scholar] [CrossRef]
- Kouro, S.; Bernal, R.; Miranda, H.; Silva, C.A.; Rodriguez, J. High-Performance Torque and Flux Control for Multilevel Inverter Fed Induction Motors. IEEE Trans. Power Electron. 2007, 22, 2116–2123. [Google Scholar] [CrossRef]
- Canadian Solar CS6K-285M-FG (285W) Solar Panel. Available online: https://www.canadiansolar.com/ (accessed on 23 January 2019).











| Parameters | Symbol | Value |
|---|---|---|
| Rated Apparent Power | 65 kVA | |
| Rated Output Voltage | 400 V | |
| Rated Output Current | 141 A | |
| Output Frequency | 50 Hz | |
| Maximum DC Voltage | 1.4 kV | |
| SM Capacitance | C | 20 mF |
| Arm Inductance | 1.2 mH | |
| Rated SM Voltage | 63.4 V | |
| Maximum SM Voltage | 75 V | |
| Switching Frequency | 500 Hz | |
| Number of SMs | N | 19 |
| Power Reference Generation | W/V |
| s | |
| W/V | |
| ms | |
| Output Current Controller | V/A |
| V/A | |
| V/A | |
| V/A | |
| Circulating Current Controller | V/A |
| V/A | |
| V/A | |
| s |
© 2019 by the authors. Licensee MDPI, Basel, Switzerland. This article is an open access article distributed under the terms and conditions of the Creative Commons Attribution (CC BY) license (http://creativecommons.org/licenses/by/4.0/).
Share and Cite
Acharya, A.B.; Ricco, M.; Sera, D.; Teodorescu, R.; Norum, L.E. Arm Power Control of the Modular Multilevel Converter in Photovoltaic Applications. Energies 2019, 12, 1620. https://doi.org/10.3390/en12091620
Acharya AB, Ricco M, Sera D, Teodorescu R, Norum LE. Arm Power Control of the Modular Multilevel Converter in Photovoltaic Applications. Energies. 2019; 12(9):1620. https://doi.org/10.3390/en12091620
Chicago/Turabian StyleAcharya, Anirudh Budnar, Mattia Ricco, Dezso Sera, Remus Teodorescu, and Lars Einar Norum. 2019. "Arm Power Control of the Modular Multilevel Converter in Photovoltaic Applications" Energies 12, no. 9: 1620. https://doi.org/10.3390/en12091620
APA StyleAcharya, A. B., Ricco, M., Sera, D., Teodorescu, R., & Norum, L. E. (2019). Arm Power Control of the Modular Multilevel Converter in Photovoltaic Applications. Energies, 12(9), 1620. https://doi.org/10.3390/en12091620

