An Optimized Coordination Strategy between Line Main Protection and Hybrid DC Breakers for VSC-Based DC Grids Using Overhead Transmission Lines
Abstract
:1. Introduction
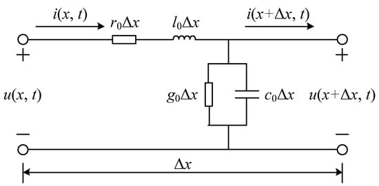
2. Non-Unit Traveling-Wave Protection
2.1. Directional Voltage Traveling Waves
2.2. Protection Criterion
2.2.1. Start-Up Element
2.2.2. Fault Section Identification
2.2.3. Faulty Pole Selection
3. Fault Current Interruption Principle
- (1)
- t0: a short-circuit fault occurs on the DC transmission line.
- (2)
- t1: local HDCB receives the non-unit main protection action order from the DC line-protection system.
- (3)
- t2: local HDCB starts its first commutation procedure to shift the fault current from its main branch to its transfer branch, which takes about 0.6 ms.
- (4)
- t3: the UMS starts the non-arcing switching off operation once the fault current flowing through the main branch is forced to zero, which takes about 2 ms.
- (5)
- t4: the local HDCB starts its second commutation procedure to force the fault current to shift from its transfer branch to its absorption branch, which takes about 0.1 ms. In this process, the port-voltage of the local HDCB rises from zero to a higher transient breaking voltage within a very short time owing to the triggered MOVs in the absorption branch.
- (6)
- t5: the fault current is forced to zero with the help of the higher transient breaking voltage, and eventually the port-voltage of the local HDCB equals the DC bus voltage after the breaking operation.
4. Coordination Strategy
4.1. Traditional Strategy
4.2. Proposed Strategy
- (1)
- t0: the line protection system receives a fault TW signal.
- (2)
- t1: the TW protection start-up signal is outputted.
- (3)
- t2: after a 0.3 ms time delay, the local HDCB starts to perform the first commutation operation.
- (4)
- t3: once the fault current flowing through the main branch is forced to zero, the UMS starts the non-arcing switching-off operation.
- (5)
- t4: the TW protection action instruction is output.
- (6)
- t5: the UMS non-arcing switching-off operation ends.
5. Simulations
6. Conclusions
Author Contributions
Funding
Acknowledgments
Conflicts of Interest
References
- Flourentzou, N.; Agelidis, V.G.; Demetriades, G.D. VSC-based HVDC power transmission systems: An overview. IEEE Trans. Power Electron. 2009, 24, 592–602. [Google Scholar] [CrossRef]
- Nami, A.; Liang, J.; Dijkhuizen, F.; Demetriades, G.D. Modular multilevel converters for HVDC applications: Review on converter cells and functionalities. IEEE Trans. Power Electron. 2015, 30, 18–36. [Google Scholar] [CrossRef]
- Liu, J.; Tai, N.; Fan, C. Transient-voltage-based protection scheme for DC line faults in the multiterminal VSC-HVDC system. IEEE Trans. Power Deliv. 2017, 32, 1483–1494. [Google Scholar] [CrossRef]
- Li, S.; Chen, W.; Yin, X.; Chen, D. Protection scheme for VSC-HVDC transmission lines based on transverse differential current. IET Gener. Transm. Dist. 2017, 11, 2805–2813. [Google Scholar] [CrossRef]
- Li, X.; Song, Q.; Liu, W.; Rao, H.; Xu, S.; Li, L. Protection of nonpermanent faults on DC overhead lines in MMC-based HVDC systems. IEEE Trans. Power Deliv. 2013, 28, 483–490. [Google Scholar] [CrossRef]
- Wu, Y.; Lü, Z.; He, Z.; Kong, M.; Zhou, X.; Fan, Z. Study on the Protection Strategies of HVDC Grid for Overhead Line Application. Proc. CSEE 2016, 36, 3726–3733. (In Chinese) [Google Scholar]
- Zhang, S.; An, T.; Pei, X.; Yang, J.; Pang, H.; Zhao, C. Reclosing Strategy for Hybrid DC Circuit Breakers. Autom. Electr. Power Syst. 2019, 43, 129–136. (In Chinese) [Google Scholar]
- Pei, X.; Tang, G.; Zhang, S. Sequential auto-reclosing strategy for hybrid HVDC breakers in VSC-based DC grids. J. Mod. Power Syst. Clean Energy 2018. [Google Scholar] [CrossRef]
- Xue, S.; Lian, J.; Qi, J.; Fan, B. Pole-to-ground fault analysis and fast protection scheme for HVDC based on overhead transmission lines. Energies 2017, 10, 1059. [Google Scholar] [CrossRef]
- Wang, X.; Yang, S.; Xu, L.; Zhang, J.; Lin, W.; Wen, J. A transient voltage-based DC fault line protection scheme for MMC-based DC grid embedding DC breakers. IEEE Trans. Power Deliv. 2019, 34, 334–345. [Google Scholar]
- Zhao, P.; Chen, Q.; Sun, K. A novel protection method for VSC-MTDC cable based on the transient DC current using the S transform. Int. J. Electr. Power Energy Syst. 2018, 97, 229–308. [Google Scholar] [CrossRef]
- Sadegh, A.; Majid, S.; Moein, A.; Abbas, H. A TW-based methodology for wide-area fault location in multiterminal DC systems. IEEE Trans. Power Deliv. 2014, 29, 2552–2560. [Google Scholar]
- Tong, N.; Lin, X.; Li, Y.; Hu, Z.; Jin, N.; Wei, F.; Li, Z. Local measurement-based ultra-high-speed main protection for long distance VSC-MTDC. IEEE Trans. Power Deliv. 2019, 34, 353–364. [Google Scholar] [CrossRef]
- Tang, L.; Dong, X.; Shi, S.; Kong, M.; Qiu, Y. Principle and implementation of ultra-high-speed travelling wave based protection for transmission line of flexible HVDC grid. Power Syst. Technol. 2018, 42, 3176–3186. (In Chinese) [Google Scholar]
- The hybrid HVDC breaker: An innovation breakthrough enabling reliable HVDC grids. Available online: https://new.abb.com/docs/default-source/default-document-library/hybrid-hvdc-breaker---an-innovation-breakthrough-for-reliable-hvdc-gridsnov2012finmc20121210_clean.pdf?sfvrsn=2 (accessed on 17 April 2019).
- Grieshaber, W.; Violleau, L. Development and test of a 120 kV direct current circuit breaker. In Proceedings of the 45th CIGRE Session, Paris, France, 25–29 August 2014; pp. 1–11. [Google Scholar]
- Zhou, W.; Wei, X.; Zhang, S.; Tang, G.; He, Z.; Zheng, J.; Shan, Y.; Gao, C. Development and test of a 200kV full-bridge based hybrid HVDC breaker. In Proceedings of the 17th European Conference on Power Electronics and Applications (EPE’15 ECCE-Europe), Geneva, Switzerland, 8–10 September 2015; pp. 1–10. [Google Scholar]
- Ding, X.; Tand, G.; Han, M.; Gao, C.; Wang, G. Analysis of the Turn-off Stress on Hybrid DC Circuit Breaker With IGBT Series Valve. Proc. CSEE 2018, 38, 1846–1856. (In Chinese) [Google Scholar]
- Ding, X.; Tand, G.; Han, M.; Gao, C.; Wang, G. Characteristic Parameters Extraction and Application of the Hybrid DC Circuit Breaker in MMC-HVDC. Proc. CSEE. 2018, 38, 309–319. (In Chinese) [Google Scholar]
- Liu, G.; Xu, F.; Xu, Z.; Zhang, Z.; Tang, G. Assembly HVDC Breaker for HVDC Grids With Modular Multilevel Converters. IEEE Trans. Power Electron. 2017, 32, 931–941. [Google Scholar] [CrossRef]
- Liu, W.; Liu, F.; Zhuang, Y.; Zha, X.; Chen, C.; Yu, T. A multiport circuit breaker-based multiterminal DC system fault protection. IEEE J. Emerg. Sel. Top. Power Electron. 2019, 7, 118–128. [Google Scholar] [CrossRef]
- Ataollah, M.; Dirk, V.; Nuno, S.; Helder, L.; Adriano, C. Multiport hybrid HVDC circuit breaker. IEEE Trans. Indus Electron. 2018, 65, 309–320. [Google Scholar]
- Ataollah, M.; Oriol, G.; Nuno, S.; Adriano, C. Current flow controlling hybrid DC circuit breaker. IEEE Trans. Power Electron. 2018, 33, 1323–1334. [Google Scholar]
- Tang, L.; Dong, X. Study on the characteristic of travelling wave differential current on half-wave-length AC transmission lines. Proc. CSEE 2017, 37, 2261–2269. (In Chinese) [Google Scholar]
- Pei, X.; Tang, G.; Zhang, S. A Novel Pilot Protection Principle Based on Modulus TW Currents for Voltage-Sourced Converter Based High Voltage Direct Current (VSC-HVDC) Transmission Lines. Energies 2018, 11, 2395. [Google Scholar] [CrossRef]
- Lei, A.; Dong, X.; Shi, S.; Wang, B.; Terzija, V. Equivalent traveling waves based current differential protection of EHV/UHV transmission lines. Int. J. Electr. Power Energy Syst. 2018, 97, 282–289. [Google Scholar] [CrossRef]
- Tang, L.; Dong, X.; Luo, S.; Shi, S.; Wang, B. A New Differential Protection of Transmission Line Based on Equivalent Travelling Wave. IEEE Trans. Power Deliv. 2017, 32, 1359–1369. [Google Scholar] [CrossRef]
- Ding, X.; Tand, G.; Han, M.; Gao, C.; Wang, G. Design and equivalence evaluation of type test for hybrid DC circuit breaker. Power Syst. Technol. 2018, 42, 72–78. (In Chinese) [Google Scholar]











© 2019 by the authors. Licensee MDPI, Basel, Switzerland. This article is an open access article distributed under the terms and conditions of the Creative Commons Attribution (CC BY) license (http://creativecommons.org/licenses/by/4.0/).
Share and Cite
Zheng, X.; Jia, R.; Gong, L.; Zhang, G.; Pei, X. An Optimized Coordination Strategy between Line Main Protection and Hybrid DC Breakers for VSC-Based DC Grids Using Overhead Transmission Lines. Energies 2019, 12, 1462. https://doi.org/10.3390/en12081462
Zheng X, Jia R, Gong L, Zhang G, Pei X. An Optimized Coordination Strategy between Line Main Protection and Hybrid DC Breakers for VSC-Based DC Grids Using Overhead Transmission Lines. Energies. 2019; 12(8):1462. https://doi.org/10.3390/en12081462
Chicago/Turabian StyleZheng, Xiangyu, Rong Jia, Linling Gong, Guangru Zhang, and Xiangyu Pei. 2019. "An Optimized Coordination Strategy between Line Main Protection and Hybrid DC Breakers for VSC-Based DC Grids Using Overhead Transmission Lines" Energies 12, no. 8: 1462. https://doi.org/10.3390/en12081462
APA StyleZheng, X., Jia, R., Gong, L., Zhang, G., & Pei, X. (2019). An Optimized Coordination Strategy between Line Main Protection and Hybrid DC Breakers for VSC-Based DC Grids Using Overhead Transmission Lines. Energies, 12(8), 1462. https://doi.org/10.3390/en12081462
