Experimental Implementation of a Flexible PV Power Control Mechanism in a DC Microgrid
Abstract
1. Introduction
2. PV Limit Control Principles and State of the Art
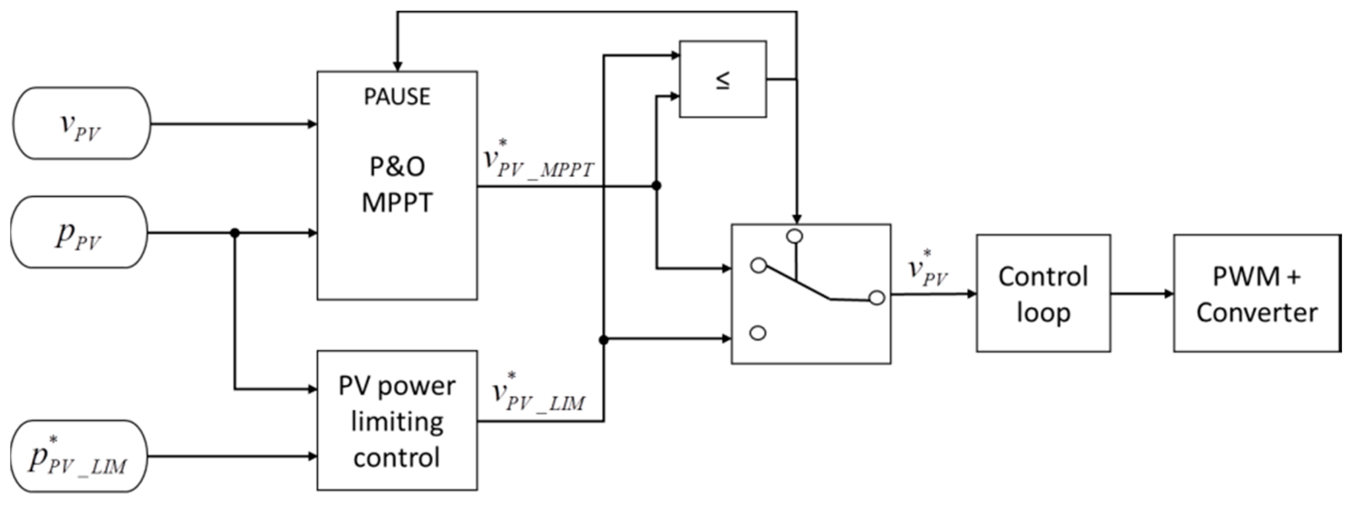
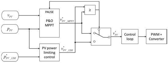
3. Proposed PV Control Mechanism
4. Experimental Validation
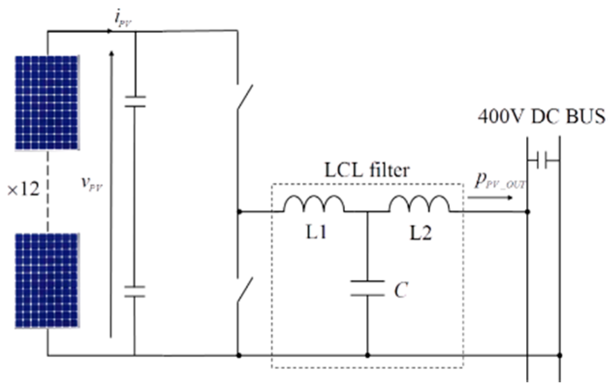
4.1. Static Characteristic of the PV Panels
4.2. Dynamic Performance of the Flexible PV Power Control Mechanism
4.3. Energy Efficiency Analyses
5. Conclusions
Author Contributions
Funding
Conflicts of Interest
References
- Comello, S.; Reichelstein, S.; Sahoo, A. The road ahead for solar PV power. Renew. Sustain. Energy Rev. 2018, 92, 744–756. [Google Scholar] [CrossRef]
- Sechilariu, M.; Locment, F.; Wang, B. Photovoltaic Electricity for Sustainable Building. Efficiency and Energy Cost Reduction for Isolated DC Microgrid. Energies 2015, 8, 7945–7967. [Google Scholar] [CrossRef]
- El-Baz, W.; Tzscheutschler, P.; Wagner, U. Day-ahead probabilistic PV generation forecast for buildings energy management systems. Sol. Energy 2018, 171, 478–490. [Google Scholar] [CrossRef]
- Subudhi, B.; Pradhan, R. A Comparative Study on Maximum Power Point Tracking Techniques for Photovoltaic Power Systems. IEEE Trans. Sustain. Energy 2013, 4, 89–98. [Google Scholar] [CrossRef]
- El Khateb, A.; Rahim, N.A.; Selvaraj, J.; Uddin, M.N. Fuzzy-Logic-Controller-Based SEPIC Converter for Maximum Power Point Tracking. IEEE Trans. Ind. Appl. 2014, 50, 2349–2358. [Google Scholar] [CrossRef]
- Shadmand, M.B.; Balog, R.S.; Abu-Rub, H. Model Predictive Control of PV Sources in a Smart DC Distribution System: Maximum Power Point Tracking and Droop Control. IEEE Trans. Energy Convers. 2014, 29, 913–921. [Google Scholar] [CrossRef]
- Houssamo, I.; Locment, F.; Sechilariu, M. Maximum power tracking for photovoltaic power system: Development and experimental comparison of two algorithms. Renew. Energy 2010, 35, 2381–2387. [Google Scholar] [CrossRef]
- Anzalchi, A.; Sarwat, A. Overview of technical specifications for grid-connected photovoltaic systems. Energy Convers. Manag. 2017, 152, 312–327. [Google Scholar] [CrossRef]
- Jo, J.H.; Aldeman, M.R.; Loomis, D.G. Optimum penetration of regional utility-scale renewable energy systems. Renew. Energy 2018, 118, 328–334. [Google Scholar] [CrossRef]
- Baranes, E.; Jacqmin, J.; Poudou, J.-C. Non-renewable and intermittent renewable energy sources: Friends and foes? Energy Policy 2017, 111, 58–67. [Google Scholar] [CrossRef]
- Honrubia-Escribano, A.; Ramirez, F.J.; Gómez-Lázaro, E.; Garcia-Villaverde, P.M.; Ruiz-Ortega, M.J.; Parra-Requena, G. Influence of solar technology in the economic performance of PV power plants in Europe. A comprehensive analysis. Renew. Sustain. Energy Rev. 2018, 82, 488–501. [Google Scholar] [CrossRef]
- Rodriguez-Diaz, E.; Vasquez, J.C.; Guerrero, J.M. Intelligent DC Homes in Future Sustainable Energy Systems: When efficiency and intelligence work together. IEEE Consum. Electron. Mag. 2016, 5, 74–80. [Google Scholar] [CrossRef]
- Sechilariu, M.; Wang, B.; Locment, F. Building-integrated microgrid: Advanced local energy management for forthcoming smart power grid communication. Energy Build. 2013, 59, 236–243. [Google Scholar] [CrossRef]
- Sechilariu, M.; Wang, B.C.; Locment, F. Supervision control for optimal energy cost management in DC microgrid: Design and simulation. Int. J. Electr. Power Energy Syst. 2014, 58, 140–149. [Google Scholar] [CrossRef]
- Castillo-Cagigal, M.; Caamaño-Martín, E.; Matallanas, E.; Masa-Bote, D.; Gutiérrez, A.; Monasterio-Huelin, F.; Jiménez-Leube, J. PV self-consumption optimization with storage and Active DSM for the residential sector. Sol. Energy 2011, 85, 2338–2348. [Google Scholar] [CrossRef]
- Yu, H.J.J. A prospective economic assessment of residential PV self-consumption with batteries and its systemic effects: The French case in 2030. Energy Policy 2018, 113, 673–687. [Google Scholar] [CrossRef]
- Lotfi, H.; Khodaei, A. AC Versus DC Microgrid Planning. IEEE Trans. Smart Grid 2017, 8, 296–304. [Google Scholar] [CrossRef]
- Boscaino, V.; Guerrero, J.M.; Ciornei, I.; Meng, L.; Riva Sanseverino, E.; Zizzo, G. Online optimization of a multi-conversion-level DC home microgrid for system efficiency enhancement. Sustain. Cities Soc. 2017, 35, 417–429. [Google Scholar] [CrossRef]
- Wu, H.; Sechilariu, M.; Locment, F. Influence of Dynamic Efficiency in the DC Microgrid Power Balance. Energies 2017, 10, 1563. [Google Scholar] [CrossRef]
- Yan, R.; Saha, T.K.; Modi, N.; Masood, N.-A.; Mosadeghy, M. The combined effects of high penetration of wind and PV on power system frequency response. Appl. Energy 2015, 145, 320–330. [Google Scholar] [CrossRef]
- Sechilariu, M.; Wang, B.; Locment, F. Building Integrated Photovoltaic System With Energy Storage and Smart Grid Communication. IEEE Trans. Ind. Electron. 2013, 60, 1607–1618. [Google Scholar] [CrossRef]
- Guichi, A.; Talha, A.; Berkouk, E.M.; Mekhilef, S.; Gassab, S. A new method for intermediate power point tracking for PV generator under partially shaded conditions in hybrid system. Sol. Energy 2018, 170, 974–987. [Google Scholar] [CrossRef]
- Franco, F.D.; Vu, T.V.; Gonsulin, D.; Vahedi, H.; Edrington, C.S. Enhanced performance of PV power control using model predictive control. Sol. Energy 2017, 158, 679–686. [Google Scholar] [CrossRef]
- Reddy, M.K.K.; Sarkar, V. LPPT control of a photovoltaic system against sudden drop of irradiance. In Proceedings of the 6th International Conference on Computer Applications in Electrical Engineering-Recent Advances (CERA), Roorkee, India, 5–7 October 2017; pp. 562–567. [Google Scholar]
- Wang, B.; Houssamo, I.; Sechilariu, M.; Locment, F. A simple PV constrained production control strategy. In Proceedings of the 21st IEEE International Symposium on Industrial Electronics, Hangzhou, China, 28–31 May 2012; pp. 969–974. [Google Scholar]
- Li, Y.; Xu, Z.; Xiong, L.; Song, G.; Zhang, J.; Qi, D.; Yang, H. A cascading power sharing control for microgrid embedded with wind and solar generation. Renew. Energy 2019, 132, 846–860. [Google Scholar] [CrossRef]
- Choudar, A.; Boukhetala, D.; Barkat, S.; Brucker, J.-M. A local energy management of a hybrid PV-storage based distributed generation for microgrids. Energy Convers. Manag. 2015, 90, 21–33. [Google Scholar] [CrossRef]
- Ahmed, A.; Ran, L.; Moon, S.; Park, J.-H. A Fast PV Power Tracking Control Algorithm with Reduced Power Mode. IEEE Trans. Energy Convers. 2013, 28, 565–575. [Google Scholar] [CrossRef]
- Mahmood, H.; Michaelson, D.; Jiang, J. Decentralized Power Management of a PV/Battery Hybrid Unit in a Droop-Controlled Islanded Microgrid. IEEE Trans. Power Electron. 2015, 30, 7215–7229. [Google Scholar] [CrossRef]
- Sangwongwanich, A.; Yang, Y.; Blaabjerg, F.; Wang, H. Benchmarking of Constant Power Generation Strategies for Single-Phase Grid-Connected Photovoltaic Systems. IEEE Trans. Ind. Appl. 2018, 54, 447–457. [Google Scholar] [CrossRef]
- Wu, H.; Sechilariu, M.; Locment, F. Impact of power converters’ efficiency on building-integrated microgrid. In Proceedings of the 17th European Conference on Power Electronics and Applications (EPE’15 ECCE-Europe), Geneva, Switzerland, 8–10 September 2015; pp. 1–10. [Google Scholar]
- Vanassche, P.; Triphase, N.V. Shaping Dynamic Response Using Virtual Circuit Control. Available online: https://triphase.com/img/support/37/TriphaseHPC-VirtualCircuitControl.pdf (accessed on 17 March 2019).
- Lana, A.; Mattsson, A.; Nuutinen, P.; Peltoniemi, P.; Kaipia, T.; Kosonen, A.; Aarniovuori, L.; Partanen, J. On Low-Voltage DC Network Customer-End Inverter Energy Efficiency. IEEE Trans. Smart Grid 2014, 5, 2709–2717. [Google Scholar] [CrossRef]














| Parameter | Value |
|---|---|
| Number of PV panels SunPower SPR-X21-345 | 12 |
| Maximum power point (MPP) voltage for each panel | 57.3 V |
| MPP current for each panel | 6.02 A |
| Open circuit voltage for each panel | 68.2 V |
| Short circuit current for each panel | 6.39 A |
| LCL filter sizing | L1 = 930 μH, C = 10 μF, L2 = 850 μH |
| Switching frequency | 14 kHz |
| Parameter | Value |
|---|---|
| MPPT perturbation step size | 25 mV |
| MPPT perturbation frequency | 1 kHz |
| PV limited power control parameters | Kp = −0.01 in case of “max” configuration Kp = +0.01 in case of “min” configuration |
| Ki = 500 | |
| Kc = 100 | |
| Data log sample frequency | 100 Hz |
© 2019 by the authors. Licensee MDPI, Basel, Switzerland. This article is an open access article distributed under the terms and conditions of the Creative Commons Attribution (CC BY) license (http://creativecommons.org/licenses/by/4.0/).
Share and Cite
Wu, H.; Locment, F.; Sechilariu, M. Experimental Implementation of a Flexible PV Power Control Mechanism in a DC Microgrid. Energies 2019, 12, 1233. https://doi.org/10.3390/en12071233
Wu H, Locment F, Sechilariu M. Experimental Implementation of a Flexible PV Power Control Mechanism in a DC Microgrid. Energies. 2019; 12(7):1233. https://doi.org/10.3390/en12071233
Chicago/Turabian StyleWu, Hongwei, Fabrice Locment, and Manuela Sechilariu. 2019. "Experimental Implementation of a Flexible PV Power Control Mechanism in a DC Microgrid" Energies 12, no. 7: 1233. https://doi.org/10.3390/en12071233
APA StyleWu, H., Locment, F., & Sechilariu, M. (2019). Experimental Implementation of a Flexible PV Power Control Mechanism in a DC Microgrid. Energies, 12(7), 1233. https://doi.org/10.3390/en12071233

