Research on Hybrid Microgrid Based on Simultaneous AC and DC Distribution Network and Its Power Router
Abstract
:1. Introduction
2. Simultaneous AC–DC Power Distribution Network
The Principle of Simultaneous AC–DC Power Distribution Network
3. Simultaneous AC–DC Hybrid Microgrid
3.1. Simultaneous AC–DC Microgrid Structure
3.2. Microgrid Operating Characteristics
3.3. Hybrid Energy Storage System
3.3.1. The Architecture of the Energy Storage System
3.3.2. Energy Storage System Control
4. Hybrid Microgrid Power Router
4.1. The Structure of Power Router
4.2. DAB and its Control
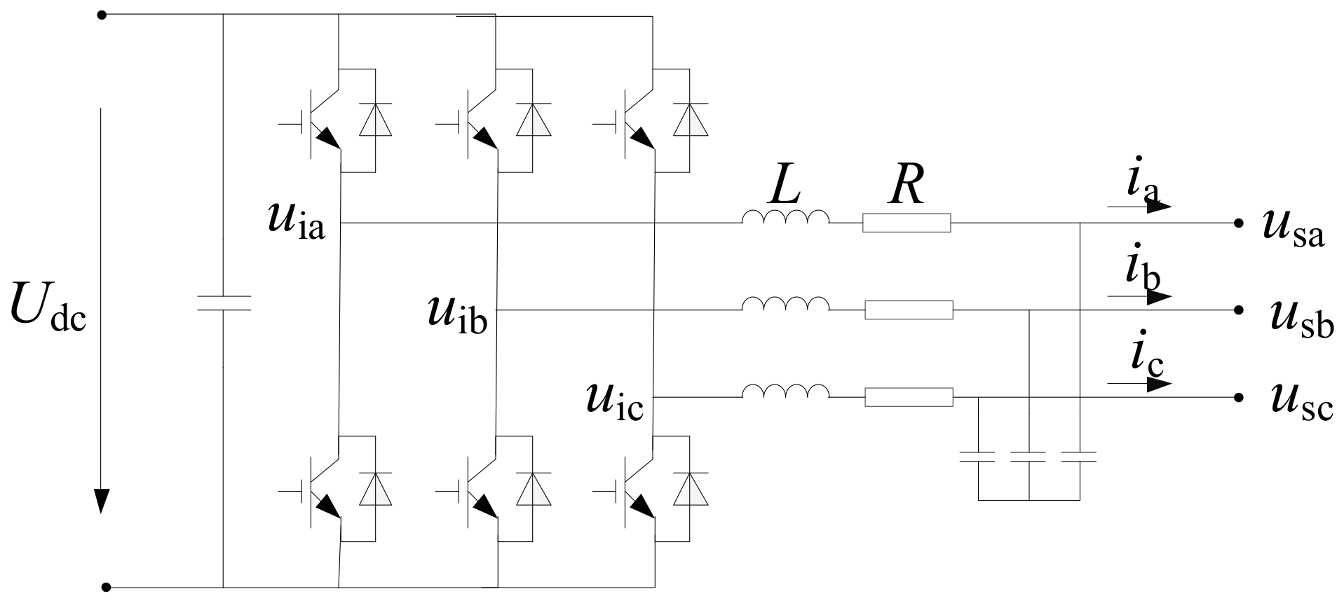
4.3. Three-Phase H-bridge AC–DC Converter and Its Control
5. Simulation Analysis
5.1. Three-Phase H-bridge AC–DC Converter and Its Control
5.2. Microgrid Power Router Islanding and Mode Switching Simulation
6. Conclusions
- The concept of microgrid is introduced into the simultaneous AC–DC power distribution scheme. For the structural characteristics of AC–DC hybrid microgrid, the structure and control strategy of the power router for hybrid microgrid are proposed. DC power injection with a Z-type transformer avoids saturation of transformer cores caused by DC current. The independence between the AC and DC systems is ensured while ensuring AC and DC power are transmitted simultaneously.
- The simultaneous AC–DC power distribution system can set up an independent DC bus through DC injection and decoupling devices. Using this structure, a hybrid microgrid structure based on simultaneous AC–DC transmission is built. Distributed generation can achieve grid-connected operation through single-stage power conversion, simplifying the grid-connected structure and control methods. A hybrid energy storage system combining supercapacitor and storage battery is designed for the grid connection characteristics of new energy generation. The supercapacitor in the hybrid energy storage system can suppress the high-frequency components of the power fluctuation, and the storage battery realizes the balance of the internal energy of the microgrid.
- The modular multi-interface power router topology, an improved PQ control principle and a specific control strategy of the energy router based on the distributed autonomous principle are proposed. The simulation results show that the power router can realize energy routing function in various operating modes of the microgrid; it also can realize the internal power balance of the microgrid and ensure the stability of the microgrid bus voltage level.
Author Contributions
Funding
Conflicts of Interest
References
- Zhou, X.; Lu, Z.; Liu, Y.; Chen, S. Development Models and Key Technologies of Future Grid in China. Proc. CSEE 2014, 34, 4999–5008. [Google Scholar]
- Liu, Z. Electric Power and Energy in China; China Electric Power Press: Beijing, China, 2012; p. 174. [Google Scholar]
- Zong, S.; He, X.; Wu, J.; Li, W.; Zhao, R. Overview of power electronics based electrical energy router. Proc. CSEE 2015. [Google Scholar] [CrossRef]
- Cao, J.; Meng, K.; Wang, J.; Yang, M.; Chen, Z.; Li, W.; Lin, C. An energy internet and energy routers. Sci. Sin. (Inf.) 2014, 44, 714–727. [Google Scholar]
- Dong, Z.; Zhao, J.; Wen, F.; Xue, Y. From smart grid to energy internet: Basic concept and research framework. Autom. Electr. Power Syst. 2014, 38, 1–11. [Google Scholar]
- Ma, Z.; Zhou, X.; Shang, Y.; Sheng, W. Exploring the concept, key technologies and development model of energy internet. Power Syst. Technol. 2015, 39, 3014–3022. [Google Scholar]
- Bui, N.; Castellani, A.P.; Casari, P.; Zorzi, M. The internet of energy: A web-enabled smart grid system. IEEE Netw. 2012, 26, 39–45. [Google Scholar] [CrossRef]
- Han, Y.; He, Q.; Zhao, Y.; Guo, Z.; Yao, S.; Li, L. Access mode of intelligent distribution network to ac network based on flexible dc technology. Autom. Electr. Power Syst. 2016, 40, 141–146. [Google Scholar]
- Song, G.; Tao, R.; Li, B. Survey of Fault Analysis and Protection for Power System with Large Scale Power Electronic Equipments. Autom. Electr. Power Syst. 2017, 41, 2–12. [Google Scholar]
- Liu, Y.; Wu, Z.; Tu, Y.; Huang, Q.; Luo, H. A Survey on Distributed Generation and Its Networking Technology. Power Syst. Technol. 2008, 15, 71–76. [Google Scholar]
- Rifkin, J. The third industrial revolution: How lateral power is transforming energy, the economy, and the world. Survival 2011, 2, 67–68. [Google Scholar]
- Lasseter, R.H. MicroGrids. IEEE Power Eng. Soc. Winter Meet. 2002, 1, 305–308. [Google Scholar]
- Hatziargyriou, N.; Asano, H.; Iravani, R.; Marnay, C. Microgrids. Power Energy Mag. 2007, 5, 78–94. [Google Scholar] [CrossRef]
- Song, Q.; Zhao, B.; Liu, W.; Zeng, R. An Overview of research on smart dc distribution power network. Proc. CSEE 2013, 33, 9–19. [Google Scholar]
- Wang, C.; Xiao, Z.; Wang, S. Synthetical control and analysis of micro-grid. Autom. Electr. Power Syst. 2008, 32, 98–103. [Google Scholar]
- Koichiro, T. Application and economical evaluation of the superposed AC and DC power transmission system. Electr. Eng. Jpn. 2010, 98, 114–120. [Google Scholar]
- Rahman, H.; Khan, B.H. Enhanced power transfer by simultaneous transmission of AC–DC: A new facts concept. IET Power Electron. Mach. Drives 2004, 1, 186–191. [Google Scholar]
- Andreotti, A.; Lauria, D.; Mottola, F. Optimal design of combined AC–DC transmission lines. In Proceedings of the IEEE International Symposium on Power Electronics, Electrical Drives, Automation and Motion, Ischia, Italy, 11–13 July 2008; pp. 411–415. [Google Scholar]
- Lucas, R.; Pahalawaththa, N.; Annakkage, U.; Boys, J. Ac-Small power dc hybrid transmission for improving power system stability. Electr. Power Syst. Res. 2000, 56, 9–15. [Google Scholar] [CrossRef]
- Weimers, L. HVDC Light: A New Technology for a Better Environment. IEEE Power Eng. Rev. 1998, 18, 19–20. [Google Scholar] [CrossRef]
- Gopiya Naik, S.; Khatod, D.K.; Sharma, M.P. Distributed generation impact on distribution networks: A review. In Proceedings of the 2011 International Conference on Advanced Power System Automation and Protection, Beijing, China, 16–20 October 2012; Volume 2. [Google Scholar]
- Cui, X.; Yu, J. The way of AC and DC transmitting simultaneously along the same feeder line in distribution network. Proc. CSEE 2007, 11, 6–11. [Google Scholar]
- Zhang, L.; Wu, H.; Cao, L.; Li, Q.; Zhao, T.; Zou, L. Simulation analysis on zigzag transformer-based AC–DC combined distribution network automation of electric power system. Autom. Electr. Power Syst. 2014, 38, 79–84. [Google Scholar]
- Zhang, L.; Liu, M.; Zhao, T. Application of intelligent inductive filtering in the technology of combining AC–DC power transmission along the same line for distribution network. Power Syst. Technol. 2015, 39, 2371–2376. [Google Scholar]
- Xu, X.; Tai, N.; Fan, C.; Zheng, X. Scheme study on simultaneous AC–DC distribution network. Power Syst. Technol. 2016, 40, 2120–2128. [Google Scholar]
- Hao, D. Study of AC plus DC Distribution Network Suitable for Distributed Generation Connection; Shandong University: Ji’an, China, 2016. [Google Scholar]
- Ke, G.; Yi, L.; Zhou, S.; Wang, S.; He, D. Study of capacity-increase for simultaneous AC–DC transmission based on double circuit AC transmission line. Power Syst. Prot. Control 2013, 41, 25–31. [Google Scholar]
- Basu, K.P.; Khan, B.H. Simultaneous AC–DC power transmission. J. Inst. Eng. (India) Electr. Eng. Div. 2001, 82, 32–35. [Google Scholar]
- Dougal, R.A.; Liu, S.; White, R.E. Power and life extension of battery-ultra capacitor hybrids. IEEE Trans. Compon. Packag. Technol. 2002, 25, 120–131. [Google Scholar] [CrossRef]
- De Doncker, R.W.; Divan, D.M.; Kheraluwala, M.H. A three-phase soft-switched high power density DC/DC converter forhigh power applications. IEEE Trans. Ind. Appl. 1991, 27, 63–73. [Google Scholar] [CrossRef]
- Mi, C.; Bai, H.; Wang, C.; Gargies, S. Operation, design and control of dual H-bridge-based isolated bidirectional DC–DC converter. IET Power Electron. 2008, 1, 507–517. [Google Scholar] [CrossRef]

























| Simulation Parameters | Value |
|---|---|
| Feeder AC Line Voltage | 8 kV |
| Microgrid AC Bus Line Voltage | 380 V |
| DC Bus Voltage | 500 V |
| Photovoltaic Generator Rated Voltage | 274 V |
| Photovoltaic Generator Rated Power | 100 kW |
| Rated DC Load | 50 kW |
| Important AC Load | 75 kW |
| Secondary AC Load | 25 kW |
| Storage Battery Capacity | 300 Ah |
| Storage Battery Rated Voltage | 250 V |
| Supercapacitor Capacity | 50 Ah |
| Supercapacitor Rated Voltage | 250 V |
© 2019 by the authors. Licensee MDPI, Basel, Switzerland. This article is an open access article distributed under the terms and conditions of the Creative Commons Attribution (CC BY) license (http://creativecommons.org/licenses/by/4.0/).
Share and Cite
Gai, X.; Wang, Y.; Chen, R.; Zou, L. Research on Hybrid Microgrid Based on Simultaneous AC and DC Distribution Network and Its Power Router. Energies 2019, 12, 1077. https://doi.org/10.3390/en12061077
Gai X, Wang Y, Chen R, Zou L. Research on Hybrid Microgrid Based on Simultaneous AC and DC Distribution Network and Its Power Router. Energies. 2019; 12(6):1077. https://doi.org/10.3390/en12061077
Chicago/Turabian StyleGai, Xinnan, Yali Wang, Renliang Chen, and Liang Zou. 2019. "Research on Hybrid Microgrid Based on Simultaneous AC and DC Distribution Network and Its Power Router" Energies 12, no. 6: 1077. https://doi.org/10.3390/en12061077
APA StyleGai, X., Wang, Y., Chen, R., & Zou, L. (2019). Research on Hybrid Microgrid Based on Simultaneous AC and DC Distribution Network and Its Power Router. Energies, 12(6), 1077. https://doi.org/10.3390/en12061077

