An Optimized Regulation Scheme of Improving the Effective Utilization of the Regenerative Braking Energy of the Whole Railway Line
Abstract
1. Introduction
2. Structure and Analysis of a Railway Traction Power Supply System with an EMS
2.1. Traditional Railway Power Supply System
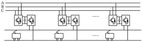
2.2. The Structure and Working Principle of the EMS
2.3. Controller of the ETC
3. Algorithm of Optimizing the Distribution of the Regenerative Braking Power
3.1. Algorithm Principle
3.2. Algorithm Steps
4. Simulation Validation
4.1. Algorithm Validation
4.2. Simulation Results
5. Conclusions
Author Contributions
Funding
Conflicts of Interest
References
- Hayashiya, H.; Yokokawa, S.; Iino, Y.; Kikuchi, S.; Suzuki, T.; Uematsu, S.; Sato, N.; Usui, T. Regenerative energy utilization in a.c. traction power supply system. In Proceedings of the 2016 IEEE International Power Electronics and Motion Control Conference (IPEMC), Hefei, China, 20–22 May 2016; pp. 1125–1130. [Google Scholar]
- Song, K.; Georgios, K.; Li, J.; Wu, M.; Vassilios, G.A. High performance control strategy for single-phase three-level neutral-point-clamped traction four-quadrant converters. IET Power Electron. 2017, 11, 884–893. [Google Scholar]
- Gazafrudi, S.M.M.; Langerudy, A.T.; Fuchs, E.F.; Al-Haddad, K. Power quality issues in railway electrification: A comprehensive perspective. IEEE Trans. Ind. Electron. 2015, 62, 3081–3090. [Google Scholar] [CrossRef]
- He, L.; Xiong, J.; Ouyang, H.; Zhang, P.; Zhang, K. High-performance indirect current control scheme for railway traction four-quadrant converters. IEEE Trans. Ind. Electron. 2014, 61, 6645–6654. [Google Scholar] [CrossRef]
- Douglas, H.; Roberts, C.; Hillmansen, S.; Schmid, F. An assessment of available measures to reduce traction energy use in railway networks. Energy Convers. Manag. 2015, 106, 1149–1165. [Google Scholar] [CrossRef]
- Ma, F.; Luo, A.; Xu, X.; Xiao, H.; Wu, C.; Wang, W. A simplified power conditioner based on half-bridge converter for high-speed railway system. IEEE Trans. Ind. Electron. 2013, 60, 728–738. [Google Scholar] [CrossRef]
- Lu, Q.; He, B.; Wu, M.; Zhang, Z.; Luo, J.; Zhang, Y.; He, R.; Wang, K. Establishment and analysis of energy consumption model of heavy-haul train on large long slope. Energies 2018, 11, 965. [Google Scholar] [CrossRef]
- Ma, Q.; Guo, X.; Luo, P.; Zhang, Z. A novel railway power conditioner based on super capacitor energy storage system. Trans. China Electrotech. Soc. 2018, 33, 1208–1218. (In Chinese) [Google Scholar]
- Kaleybar, H.J.; Kojabadi, H.M.; Brenna, M.; Foiadelli, F.; Zaninelli, D. An intelligent strategy for regenerative braking energy harvesting in ac electrical railway substation. In Proceedings of the 2017 5th IEEE International Conference on Models and Technologies for Intelligent Transportation Systems (MT-ITS), Naples, Italy, 26–28 June 2017; pp. 391–396. [Google Scholar]
- Gonzalez-Gil, A.; Palacin, R.; Batty, P. Sustainable urban rail systems: Strategies and technologies for optimal management of regenerative braking energy. Energy Convers. Manag. 2013, 75, 374–388. [Google Scholar] [CrossRef]
- Serrano-Jiménez, D.; Abrahamsson, L.; Castaño-Solís, S.; Sanz-Feito, J. Electrical railway power supply systems: Current situation and future trends. Int. J. Electr. Power Energy Syst. 2017, 92, 181–192. [Google Scholar] [CrossRef]
- He, X.; Ren, H.; Lin, J.; Han, P.; Wang, Y.; Peng, X.; Shu, Z. Power flow analysis of the advanced co-phase traction power supply system. Energies 2019, 12, 754. [Google Scholar] [CrossRef]
- Mochinaga, Y.; Takeda, M.; Hasuike, K. Static power conditioner using GTO converters for ac electric railway. In Proceedings of the IEEE Conference Record of the Power Conversion Conference, Yokohama, Japan, 19–21 April 1993; pp. 641–646. [Google Scholar]
- Li, Q. Power Supply System of Electrified Railway and Its Power Quality Control Technology; China Electric Power Press: Beijing, China, 2015; pp. 140–141. [Google Scholar]
- Hayashiya, H.; Kikuchi, S.; Matsuura, K.; Hino, M.; Tojo, M.; Kato, T. Possibility of energy saving by introducing energy conversion and energy storage technologies in traction power supply system. In Proceedings of the 15th IEEE European Conference on Power Electronics and Applications, Lille, France, 2–6 September 2013; pp. 1–8. [Google Scholar]
- Wang, Y.; Chen, M.; Lei, G.; Luo, J. Flexible traction power system adopting energy optimisation controller for AC-fed railway. Electron. Lett. 2017, 53, 554–556. [Google Scholar] [CrossRef]
- Liu, X.; Li, Q.; Kang, J.; Wei, X. Compensation principle of cophase traction power supply system and its regenerative braking characteristics. Power Syst. Technol. 2010, 34, 99–103. (In Chinese) [Google Scholar]
- He, X.; Shu, Z.; Peng, X.; Zhou, Q.; Zhou, Y.; Zhou, Q. Advanced cophase traction power supply system based on three-phase to single-phase converter. IEEE Trans. Power Electron. 2014, 29, 5323–5333. [Google Scholar] [CrossRef]
- He, X.; Guo, A.; Peng, X.; Zhou, Y.; Shi, Z.; Shu, Z. A traction three-phase to single-phase cascade converter substation in an advanced traction power supply system. Energies 2015, 8, 9915. [Google Scholar] [CrossRef]
- Zhang, Z.; Fickert, L. Power hardware-in-the-loop test of the energy feedback device in urban rail transportation system. In Proceedings of the 19th International Scientific Conference on Electric Power Engineering (EPE), Brno, Czech Republic, 16–18 May 2018. [Google Scholar]
- Wu, J.; Wang, X.; Li, L.; Du, Y. Hierarchical control strategy with battery aging consideration for hybrid electric vehicle regenerative braking control. Energy 2018, 145, 301–312. [Google Scholar] [CrossRef]
- Li, L.; Wang, X.; Xiong, R.; He, K.; Li, X. AMT downshifting strategy design of HEV during regenerative braking for process for energy conservation. Appl. Energy 2016, 183, 914–925. [Google Scholar] [CrossRef]
- Lv, C.; Zhang, J.; Li, Y.; Yuan, Y. Mechanism analysis and evaluation methodology of regenerative braking contribution to energy efficiency improvement of electrified vehicles. Energy Convers. Manag. 2015, 92, 469–482. [Google Scholar] [CrossRef]
- Zhao, D.; Chu, L.; Xu, N.; Sun, C.; Xu, Y. Development of a Cooperative Braking System for Front-Wheel Drive Electric Vehicles. Energies 2018, 11, 378. [Google Scholar] [CrossRef]
- Li, Q.; Huang, W.; Chen, W.; Yan, Y.; Shang, W.; Li, M. Cascaded Multiport Converter for SRM-Based Hybrid Electrical Vehicle Applications. Int. J. Hydrog. Energy 2019, 44, 5454–5461. [Google Scholar] [CrossRef]
- Zhang, Y.; Zhang, X. An Optimized Power-Split Method Based on Fuzzy Logic Control for Fuel Cell-Battery FCHEV Powertrain. In Proceedings of the 4th IEEE Southern Power Electronics Conference (SPEC), Singapore, 10–13 December 2018. [Google Scholar]
- Cho, I.; Bae, J.; Park, J.; Lee, J. Experimental Evaluation and Prediction Algorithm Suggestion for Determining SOC of Lithium Polymer Battery in a Parallel Hybrid Electric Vehicle. Appl. Sci. 2018, 8, 1641. [Google Scholar] [CrossRef]
- Abrahamsson, L.; Schütte, T.; Östlund, S. Use of converters for feeding of AC railways for all frequencies. Energy Sustain. Dev. 2012, 16, 368–378. [Google Scholar] [CrossRef]
- Luo, A.; Ma, F.; Wu, C.; Ding, S.; Zhong, Q.; Shuai, Z. A Dual-Loop Control Strategy of Railway Static Power Regulator Under V/V Electric Traction System. IEEE Trans. Power Electron. 2011, 26, 2079–2091. [Google Scholar] [CrossRef]
- Ma, F.; Zhu, Z.; Min, J.; Yue, Y.; He, X. Model Analysis and Sliding Mode Current Controller for Multilevel Railway Power Conditioner for the V/v Traction System. IEEE Trans. Ind. Electron. 2019, 34, 1243–1253. [Google Scholar] [CrossRef]
- Canales, J.; Aizpuru, I.; Iraola, U.; Barrena, J.; Barrenetxea, M. Medium-Voltage AC Static Switch Solution to Feed Neutral Section in a High-Speed Railway System. Energies 2018, 11, 2740. [Google Scholar] [CrossRef]














| Example | Total Power of Trains (MW) | Total Power (MW) (Before Optimization) | Total Power (MW; After Optimization) | ||||
|---|---|---|---|---|---|---|---|
| Positive | Negative | Provided by the Power Grid | Fed Back to the Power Grid | Provided by the Power Grid | Fed Back to the Power Grid | Loss in ETCs | |
| 1 | 38.84 | −7.14 | 38.84 | −7.14 | 32.23 | 0.00 | 0.53 |
| 2 | 24.53 | −18.60 | 24.53 | −18.60 | 7.68 | −0.16 | 1.75 |
| 3 | 13.37 | −18.43 | 13.37 | −18.43 | 0.00 | −3.82 | 1.24 |
| Parameters | Value |
|---|---|
| Three-phase voltage | 110 kV |
| Frequency | 50 Hz |
| Variable Ratio of the TS | 110:25 |
| Variable Ratio of the Step-down Transformer | 25:2 |
| AC side output inductance | 5 mH |
| AC side output resistance | 12 mΩ |
| DC side capacitor | 20 mF |
| DC side reference voltage | 3 kV |
© 2019 by the authors. Licensee MDPI, Basel, Switzerland. This article is an open access article distributed under the terms and conditions of the Creative Commons Attribution (CC BY) license (http://creativecommons.org/licenses/by/4.0/).
Share and Cite
Lu, Q.; He, B.; Gao, Z.; Che, C.; Wei, X.; Ma, J.; Zhang, Z.; Luo, J. An Optimized Regulation Scheme of Improving the Effective Utilization of the Regenerative Braking Energy of the Whole Railway Line. Energies 2019, 12, 4166. https://doi.org/10.3390/en12214166
Lu Q, He B, Gao Z, Che C, Wei X, Ma J, Zhang Z, Luo J. An Optimized Regulation Scheme of Improving the Effective Utilization of the Regenerative Braking Energy of the Whole Railway Line. Energies. 2019; 12(21):4166. https://doi.org/10.3390/en12214166
Chicago/Turabian StyleLu, Qiwei, Bangbang He, Zhixuan Gao, Cheng Che, Xuteng Wei, Jihui Ma, Zhichun Zhang, and Jiantao Luo. 2019. "An Optimized Regulation Scheme of Improving the Effective Utilization of the Regenerative Braking Energy of the Whole Railway Line" Energies 12, no. 21: 4166. https://doi.org/10.3390/en12214166
APA StyleLu, Q., He, B., Gao, Z., Che, C., Wei, X., Ma, J., Zhang, Z., & Luo, J. (2019). An Optimized Regulation Scheme of Improving the Effective Utilization of the Regenerative Braking Energy of the Whole Railway Line. Energies, 12(21), 4166. https://doi.org/10.3390/en12214166

