Real Time Energy Management and Control of Renewable Energy based Microgrid in Grid Connected and Island Modes
Abstract
1. Introduction
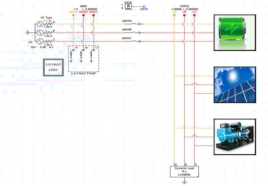
2. System Configuration
- PPV represents PV array generated power,
- PBAT is the charging and discharging power of the battery storage system,
- PGEN is the power generated from the diesel generator,
- PLOAD is the power drawn by the load,
- PGRID is the power exchanged between the main grid and the microgrid,
- Duty is the buck converter control signal,
- mD and mQ are the PV voltage source converter (VSC)control signals,
- mBD and mBQ are the battery VSC control signals,
- PCC is the point of common coupling,
- CB is circuit breaker.
3. Proposed Controller
3.1. PV MPPT Controller
- kP and kI are the proportional and integral constants of the PI controller,
- IPV and VPV are the PV cell output current and voltage respectively,
- VDC is the DC link voltage,
- Vref is the MPPT output voltage.
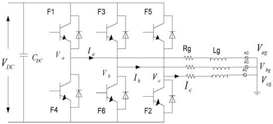
3.2. Decoupled d-q Controller for the PV VSC
- Ia, Ib and Ic are the grid side line currents,
- Va, Vb, Vc are the VSC output voltages,
- Vag, Vbg, Vcg are the grid voltages,
- Rg and Lg are resistance and inductance of the line.
- PG and QG are the grid side active and reactive power respectively,
- PDC is the DC link capacitor power,
- kP’s are the proportional constants,
- kI’s are the integral constants,
- mD, and mQ are the PV array D and Q axes control signals respectively.
3.3. Battery Control
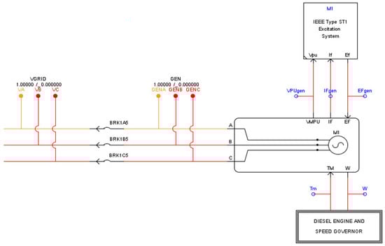
3.4. Diesel Generator Model and Control
4. Results and Discussion
- Grid connected mode (normal operation): The performance of the controller was tested by varying the load, irradiation and charging and discharging set points of the battery.
- Island mode: The controller was tested by varying the PV array irradiation, battery and load set points.
- Fault ride-through: The diesel generator capability in maintaining the frequency after a three phase fault was tested.
4.1. Grid Connected Mode (Normal Operation)
4.2. Island Mode
4.3. Fault Ride-Through
5. Conclusions
Author Contributions
Acknowledgments
Conflicts of Interest
References
- Parhizi, S.; Lotfi, H.; Khodaei, A.; Bahramirad, S. State of the Art in Research on Microgrids: A Review. IEEE Access 2015, 3. [Google Scholar] [CrossRef]
- Guerrero, J.M.; Loh, P.C.; Lee, T.L.; Chandorkar, M. Advanced Control Architectures for Intelligent Microgrids—Part II: Power Quality, Energy Storage, and AC/DC Microgrids. IEEE Trans. Ind. Electron. 2013, 60, 1263–1270. [Google Scholar] [CrossRef]
- Xia, Y.; Wei, W.; Yu, M.; Wang, X.; Peng, Y. Power Management for a Hybrid AC/DC Microgrid with Multiple Subgrids. IEEE Trans. Power Electron. 2018, 33, 3520–3533. [Google Scholar] [CrossRef]
- Radwan, A.A.A.; Mohamed, Y.A.R.I. Networked Control and Power Management of AC/DC Hybrid Microgrids. IEEE Syst. J. 2017, 11, 1662–1673. [Google Scholar] [CrossRef]
- Sahoo, S.K.; Sinha, A.K.; Kishore, N.K. Control Techniques in AC, DC, and Hybrid AC–DC Microgrid: A Review. IEEE J. Emerg. Sel. Top. Power Electron. 2018, 6, 738–759. [Google Scholar] [CrossRef]
- M, J.; Wang, Y.; Wang, C.; Wang, H. Design and implementation of hardware-in the-loop simulation system for testing control and operation of DC microgrid with multiple distributed generation units. IET Gener. Transm. Distrib. 2016, 11, 3065–3072. [Google Scholar] [CrossRef]
- Li, Z.; Shahidehpour, M.; Aminifar, F.; Alabdulwahab, A.; Al-Turki, Y. Networked Microgrids for Enhancing the Power System Resilience. Proc. IEEE 2017, 105, 1289–1310. [Google Scholar] [CrossRef]
- Jap, L.; Moreira, C.L.; Madureira, A.G. Defining Control Strategies for MicroGrids Islanded Operation. IEEE Trans. Power Syst. 2006, 21, 916–924. [Google Scholar] [CrossRef]
- Che, L.; Shahidehpour, M.; Alabdulwahab, A.; Al-Turki, Y. Hierarchical Coordination of a Community Microgrid with AC and DC Microgrids. IEEE Trans. Smart Grid 2015, 6, 3042–3051. [Google Scholar] [CrossRef]
- Nutkani, I.U.; Meegahapola, L.; Andrew, L.P.C.; Blaabjerg, F. Autonomous Power Management for Interlinked AC-DC Microgrids. CSEE J. Power Energy Syst. 2018, 4, 11–18. [Google Scholar] [CrossRef]
- Peyghami, S.; Mokhtari, H.; Blaabjerg, F. Autonomous Power Management in LVDC Microgrids Based on a Superimposed Frequency Droop. IEEE Trans. Power Electron. 2018, 33, 5341–5350. [Google Scholar] [CrossRef]
- Xin, H.; Zhang, L.; Wang, Z.; Gan, D.; Wong, K.P. Control of Island AC Microgrids Using a Fully Distributed Approach. IEEE Trans. Smart Grid 2015, 6, 943–945. [Google Scholar] [CrossRef]
- Hassan, M.A.; Worku, M.Y.; Abido, M.A. Optimal Design and Real Time Implementation of Autonomous Microgrid Including Active Load. Energies 2018, 11, 1109. [Google Scholar] [CrossRef]
- Dhua, R.; Chatterjee, D.; Goswami, S.K. Study of Improved Load Sharing Methodologies for Distributed Generation Units Connected in a Microgrid. CSEE J. Power Energy Syst. 2017, 3, 311–320. [Google Scholar] [CrossRef]
- Han, H.; Hou, X.; Yang, J.; Wu, J.; Su, M.; Guerrero, J.M. Review of Power Sharing Control Strategies for Islanding Operation of AC Microgrids. IEEE Trans. Smart Grid 2016, 7, 200–215. [Google Scholar] [CrossRef]
- Ou, T.; Hong, C. Dynamic operation and control of microgrid hybrid power systems. Energy 2014, 66, 314–323. [Google Scholar] [CrossRef]
- Ma, T.; Cintuglu, M.H.; Mohammed, O.A. Control of a hybrid AC/DC microgrid involving energy storage and pulsed loads. IEEE Trans. Ind. Appl. 2017, 53, 567–575. [Google Scholar] [CrossRef]
- Sharma, R.K.; Mishra, S. Dynamic Power Management and Control of a PV PEM Fuel-Cell-Based Standalone ac/dc Microgrid Using Hybrid Energy Storage. IEEE Trans. Ind. Appl. 2018, 54, 526–538. [Google Scholar] [CrossRef]
- Zheng, Y.; Li, S.; Tan, R. Distributed Model Predictive Control for On-Connected Microgrid Power Management. IEEE Trans. Control Syst. Technol. 2018, 26, 1028–1039. [Google Scholar] [CrossRef]
- Katiraei, F.; Iravani, M.R. Power Management Strategies for a Microgrid with Multiple Distributed Generation Units. IEEE Trans. Power Syst. 2006, 21, 1821–1831. [Google Scholar] [CrossRef]
- Nejabatkhah, F.; Li, Y.W. Overview of Power Management Strategies of Hybrid AC/DC Microgrid. IEEE Trans. Power Electron. 2015, 30, 7072–7089. [Google Scholar] [CrossRef]
- Eghtedarpour, N.; Farjah, E. Power Control and Management in a Hybrid AC/DC Microgrid. IEEE Trans. Smart Grid 2014, 5, 1494–1505. [Google Scholar] [CrossRef]
- Sun, Q.; Zhou, J.; Guerrero, J.M.; Zhang, H. Hybrid Three-Phase/Single-Phase Microgrid Architecture with Power Management Capabilities. IEEE Trans. Power Electron. 2015, 30, 5964–5977. [Google Scholar] [CrossRef]
- Worku, M.Y.; Abido, M.A.; Iravani, R. Power Fluctuation Minimization in Grid Connected PV Using Supercapacitor Energy Storage System. J. Renew. Sustain. Energy 2016, 8, 013501. [Google Scholar] [CrossRef]
- Jia, K.; Chen, Y.; Bi, T.; Lin, Y.; Thomas, D.; Sumner, M. Historical-Data-Based Energy Management in a Microgrid With a Hybrid Energy Storage System. IEEE Trans. Ind. Inform. 2017, 13, 2597–2605. [Google Scholar] [CrossRef]
- Tan, X.G.; Li, Q.M.; Wang, H. Advances and trends of energy storage technology in micro-grid. Int. J. Electr. Power Energy Syst. 2013, 44, 179–191. [Google Scholar] [CrossRef]
- Hill, C.A.; Such, M.C.; Chen, D.; Gonzalez, J.; Grady, W.M. Battery Energy Storage for Enabling Integration of Distributed Solar Power Generation. IEEE Trans. Smart Grid 2012, 3, 850–857. [Google Scholar] [CrossRef]
- Worku, M.Y.; Abido, M.A. Fault Ride-Through and Power Smoothing Control of PMSG-Based Wind Generation Using Supercapacitor Energy Storage System. Arab. J. Sci. Eng. 2018. [Google Scholar] [CrossRef]
- Kotra, S.; Mishra, M.K. A Supervisory Power Management System for a Hybrid Microgrid with HESS. IEEE Trans. Ind. Electron. 2017, 64, 3640–3649. [Google Scholar] [CrossRef]
- Korad, N.; Mishra, M.K. Grid Adaptive Power Management Strategy for an Integrated Microgrid with Hybrid Energy Storage. IEEE Trans. Ind. Electron. 2017, 64, 2884–2892. [Google Scholar] [CrossRef]
- Kumar, M.; Srivastava, S.C.; Singh, S.N. Control strategies of a DC microgrid for grid connected and islanded operations. IEEE Trans. Smart Grid 2015, 6, 1588–1601. [Google Scholar] [CrossRef]
- Mehrasa, M.; Pouresmaeil, E.; Sepehr, A.; Pournazarian, B.; Marzband, M.; Catalão, J.P.S. Control technique for the operation of grid-tied converters with high penetration of renewable energy resources. Electr. Power Syst. Res. 2019, 166, 18–28. [Google Scholar] [CrossRef]
- Marzband, M.; Azarinejadian, F.; Savaghebi, M.; Pouresmaeil, E.; Guerrero, J.M.; Lightbody, G. Smart transactive energy framework in grid-connected multiple home microgrids under independent and coalition operations. Renew. Energy 2018, 126, 95–106. [Google Scholar] [CrossRef]
- Marzband, M.; Fouladfar, M.H.; Akorede, M.F.; Lightbody, G.; Pouresmaeil, E. Framework for smart transactive energy in home-microgrids considering coalition formation and demand side management. Sustain. Cities Soc. 2018, 40, 136–154. [Google Scholar] [CrossRef]
- Tavakoli, M.; Shokridehaki, F.; Akorede, M.F.; Marzband, M.; Vechiu, I.; Pouresmaeil, E. CVaR-based energy management scheme for optimal resilience and operational cost in commercial building microgrids. Electr. Power Energy Syst. 2018, 100, 1–9. [Google Scholar] [CrossRef]
- Mahmood, H.; Jiang, J. Decentralized Power Management of Multiple PV, Battery, and Droop Units in an Islanded Microgrid. IEEE Trans. Smart Grid 2018. [Google Scholar] [CrossRef]
- Karimi, Y.; Oraee, H.; Guerrero, J.M. Decentralized Method for Load Sharing and Power Management in a Hybrid Single/Three-Phase-Islanded Microgrid Consisting of Hybrid Source PV/Battery Units. IEEE Trans. Power Electron. 2017, 32, 6135–6144. [Google Scholar] [CrossRef]






















| Parameter | Value |
|---|---|
| PV Array and Buck converter | |
| Reference Temperature | 25 °C |
| Reference solar intensity | 1000 W/m2 |
| Series connected modules | 115 |
| Parallel connected Modules | 66 |
| Open circuit voltage | 21.7 V |
| Voltage at maximum power (VMP) | 17.4 V |
| Short Circuit current | 3.35 A |
| Current at maximum power (IMP) | 3.05 A |
| PV cells in each model | 36 |
| Coupling inductance L1 | 1.35 mH |
| DC link capacitor CDC | 80 mF |
| C1 | 10 mF |
| Converter switching frequency | 5 kHz |
| L1 | 5 mH |
| Battery | |
| capacity of a single cell | 0.85 AH |
| Initial state of charge in a single cell | 85% |
| Number of cells in series in a stack | 250 |
| Number of stacks in parallel | 250 |
| Battery state of charge (SOC) | ≥50% |
| Capacity fading factor | 0% |
| Parameter | Value |
|---|---|
| Rated rms line to line voltage | 0.48 kV |
| Rated MVA of the machine | 1.25 MVA |
| Inertia constant | 1.7 |
| Stator resistance | 0.002 pu |
| Leakage reactance, Stator | 0.13 pu |
| Unsaturated reactance, d-axis | 1.7 pu |
| Unsaturated transient reactance, d-axis | 0.16 pu |
| Unsaturated sub-trans reactance, d-axis | 0.135 pu |
| Unsaturated transient open T constant, d-axis | 4.3 s |
| Unsaturated sub-transient open T constant, d-axis | 0.032 s |
| Unsaturated reactance, q-axis | 1.71 pu |
| Unsaturated transient reactance, q-axis | 0.228 pu |
| Unsaturated sub-trans reactance, q-axis | 0.2 pu |
| Unsaturated transient open T constant, q-axis | 0.85 s |
| Unsaturated sub-transient open T constant, q-axis | 0.05 s |
| Grid voltage | 0.48 kV |
© 2019 by the authors. Licensee MDPI, Basel, Switzerland. This article is an open access article distributed under the terms and conditions of the Creative Commons Attribution (CC BY) license (http://creativecommons.org/licenses/by/4.0/).
Share and Cite
Worku, M.Y.; Hassan, M.A.; Abido, M.A. Real Time Energy Management and Control of Renewable Energy based Microgrid in Grid Connected and Island Modes. Energies 2019, 12, 276. https://doi.org/10.3390/en12020276
Worku MY, Hassan MA, Abido MA. Real Time Energy Management and Control of Renewable Energy based Microgrid in Grid Connected and Island Modes. Energies. 2019; 12(2):276. https://doi.org/10.3390/en12020276
Chicago/Turabian StyleWorku, Muhammed Y., Mohamed A. Hassan, and Mohamed A. Abido. 2019. "Real Time Energy Management and Control of Renewable Energy based Microgrid in Grid Connected and Island Modes" Energies 12, no. 2: 276. https://doi.org/10.3390/en12020276
APA StyleWorku, M. Y., Hassan, M. A., & Abido, M. A. (2019). Real Time Energy Management and Control of Renewable Energy based Microgrid in Grid Connected and Island Modes. Energies, 12(2), 276. https://doi.org/10.3390/en12020276

